Система для освещения ёлочных гирлянд

  • Вид работы:
    Курсовая работа (т)
  • Предмет:
    Информатика, ВТ, телекоммуникации
  • Язык:
    Русский
    ,
    Формат файла:
    MS Word
    215,07 Кб
  • Опубликовано:
    2014-11-11
Вы можете узнать стоимость помощи в написании студенческой работы.
Помощь в написании работы, которую точно примут!

Система для освещения ёлочных гирлянд

1. Описание функционирования системы


Разработанная система предназначена для освещения больших елочных гирлянд и подобных им иллюминационных систем.

Схема состоит из произвольного числа автономных и независимых блоков, каждый из которых освещает одну гирлянду. Каждая гирлянда, в свою очередь, состоит из пяти независимых световых линий (см. рис.1), т.о. достигаются динамические иллюминационные эффекты. Высокий уровень напряжения (ТТЛ-стандарт >2,4В) на выходе управляющего блока обеспечивает открытие транзистора (достаточно высокой мощности) и загорание ламп соответствующей линии в гирлянде.


Помимо всего прочего, каждый блок содержит ПЗУ, с записанными в него четырьмя режимами освещения гирлянды, а также два переключателя для выбора режима освещения. Запись программ в ПЗУ возлагается на производителя в соответствии с ниже оговоренным форматом.

Таким образом, задание для данной работы сводится к разработке одного полнофункционального блока управления. В данной работе рассчитывается и описывается лишь схемотехническая часть всего проекта. Электротехническая, конструкторская и художественная части предполагают отдельную доработку, и в данной работе описываются лишь поверхностно, на качественном уровне.

2. Структурная организация системы


Исходя из описания функционирования, схема управляющего блока должна включать следующие элементы (см. рис.2):

-         Схема включения и запуска;

-         ПЗУ с четырьмя записанными режимами освещения;

          Счетчик смещения адреса для текущей программы в ППЗУ;

          Управляемый генератор временных импульсов (УГВИ);

          Схема сброса (окончания программы);

          Дополнительные схемы для согласования работы основных блоков.

Разберем подробнее каждый из функциональных узлов.

Схема включения и запуска: обеспечивает сброс всех необходимых элементов в начальные состояния для корректного функционирования элементов схемы, а также запуск автогенератора УГВИ для начала работы счетчика.

ППЗУ (32x8): содержит четыре подпрограммы (по 8 строк), каждая из которых обеспечивает один режим освещения гирлянды. Три входа ППЗУ подключены к выходам счетчика, что обеспечивает длину подпрограммы в 8 строк, два других входа подключены к переключателям J1 и J2, что обеспечивает выбор одной из четырех подпрограмм. Формат записи в ППЗУ: биты L0…L4 определяют вкл/выкл состояние соответствующей световой линии; биты T0, Т1, Т2 определяют время горения заданной комбинации согласно:

УГВИ: обеспечивает необходимую задержку перед переключением счетчика в следующее состояние, тем самым обеспечивается нужное время свечения гирлянды.

Счетчик: обеспечивает последовательную выборку строк из ППЗУ для очередного такта освещения гирлянды.

Схема сброса: обеспечивает сброс счетчика при обнаружении в ППЗУ кода окончания подпрограммы EOP. Т.о. реализуется работа подпрограмм, длина которых менее 8 тактов.

Дополнительные схемы: обеспечивают взаимосвязь и корректное функционирование основных узлов схемы, предотвращая "гонки" и прочие недопустимые эффекты. Фактически осуществляют арбитраж схемы. Также к ним относятся выходы управления линий освещения, которые подсоединяются к выходам ППЗУ L0…L4 через элементы с повышенной нагрузочной способностью для последующего согласования с высокомощными транзисторами.

Более детальное описание структурной схемы управляющего блока и управляемого генератора временных импульсов смотрите в Приложении 1 и Приложении 2.

 

. Синтез функциональной схемы

На данном этапе проектирования мы произведем конкретизацию структурной схемы. И введем конкретные элементы для реализации функциональных узлов. Однако описание этих элементов на уровне конкретных микросхем производить не будем, а оставим его на долю следующего раздела.

Схема включения и запуска: при включении питания некоторые компоненты схемы (счетчик, внутренний счетчик УГВИ) должны быть установлены в начальное состояние, в данном случае обнулены, а также необходимо запустить автогенератор УГВИ. Для этих целей в схеме запуска используется одновибратор, генерирующий импульс определенной длинны при включении питания.

ППЗУ (32x8): содержит четыре подпрограммы (по 8 строк), каждая из которых обеспечивает один режим освещения гирлянды. На входы ППЗУ А1…А3 подаются сигналы с выходов счетчика (1…3). Входы А4 и А5 подключаются на "землю" через переключатели J1 и J2, т.о. замкнутое состояние переключателя обеспечивает на входе уровень логического ноля, а разомкнутое состояние - уровень логической единицы (ТТЛ-стандарт). Выходы ППЗУ 0…4 подключаются через логические элементы с повышенной нагрузочной способностью к световым линиям. Выходы 5…7 подключаются к схеме индикации окончания подпрограммы, а также к информационным входам (0…2) УГВИ.

Счетчик: обеспечивает последовательную выборку строк подпрограммы из ППЗУ для очередного такта освещения гирлянды. Переключения счетчика происходит по приходу с УГВИ импульса переключения. Вход сброса счетчика должен быть подключен к схеме включения и запуска, а также к схеме сброса. Три выхода счетчика подключены на соответствующие входы ПЗУ, т.о. максимальная длина подпрограммы не превышает 8 тактов.

Схема сброса: обеспечивает сброс счетчика при обнаружении в ППЗУ кода окончания подпрограммы EOP. Три входа схемы сброса соединены с соответствующими выходами ПЗУ (5…7). На три другие входа подан сигнал низкого уровня. Выход схемы подключен к входу сброса счетчика.

УГВИ: обеспечивает необходимую задержку перед переключением счетчика. Информационные входы 0…2 подключены к выходам ППЗУ 5…7. Вход R УГВИ обеспечивает сброс внутреннего счетчика УГВИ и запуск внутреннего автогенератора импульсов. Внутренний автогенератор реализован на двух одно вибраторах, соединенных по кольцевой схеме, на вход первого одновибратора подается сигнал R. Далее по каждому сгенерированному импульсу происходит переключение семиразрядного счетчика. Информационные входы 0…2 дешифрируются в унарный восьмиразрядный код. Выход 0 дешифратора не используется. Выходы дешифратора 1…7 коньюнктируются с соответствующими выходами счетчика, т.о. реализуется необходимое время задержки (см. приложение 4).

Дополнительные схемы: обеспечивают взаимосвязь и корректное функционирование основных узлов схемы. Описание этих схем на уровне функциональной схемы абсолютно непоказательно, а лишь загромождает чертеж схемы и в целом усложняет восприятие функциональной схемы устройства. Поэтому исчерпывающее описание этих схем мы отложим до следующего раздела.

Функциональная схема устройства приведена в приложении 3.

4. Синтез принципиальной схемы


Синтез принципиальной схемы управляющего блока

Синтез принципиальной схемы проводится по тем же этапам, что и синтез функциональной схемы, однако на этом этапе проектирования мы перейдем к реализации функциональных узлов на конкретных микросхемах, согласуем все временные параметры, необходимые задержки, законы функционирования схем и прочие детали реализации.

Для синтеза схемы выбран элементный базис на основе серии КР1533 (ТТЛ), как наиболее современной и имеющей минимальное значение произведения быстродействия на рассеиваемую мощность по сравнению с известными сериями логических ТТЛ микросхем.

Сразу оговоримся о том, что описание дополнительных схем выносить отдельным пунктом мы не будем, а разнесём их по тем функциональным узлам, к которым они относятся. См. приложение 5.

Схемы включения и запуска: одновибратор G1 схемы запуска реализуем на микросхеме КР1533АГ3. Прямой вход D одновибратора подключим на питание через резистор R4=1КОм, тем самым мы обеспечим генерацию импульса сброса при включении питания. Длительность выходного импульса TR=100нс, обеспечивается подбором внешних времязадающих элементов: резистора R2 и конденсатора С2. Выходным импульсом R обнуляется счетчик (т.е. устанавливается в начальное состояние), внутренний счетчик УГВИ, а также по спаду R запускается автогенератор УГВИ.

Счетчик: реализуем на микросхеме КР1533ИЕ5. Переключение счетчика происходит по прихождении на вход D1 спада сигнала с выхода УГВИ. Входы R1 и R2 подключены к схеме запуска и к схеме сброса. Выходы 1…3 подключены к соответствующим входам ППЗУ 1…3. Вход счетчика D0 и выход 0 не задействованы.

ППЗУ (32x8): реализуем на микросхеме КР155Е3. Адресные входы 1…3 подключены к соответствующим выходам счетчика 1…3. Адресные входы 4 и 5 подключены через переключатели на "землю", этим обеспечивается выбор одной из четырех подпрограмм в ППЗУ. На вход V подан низкий уровень сигнала, что обеспечивает постоянную выборку с выходов ППЗУ. Выходы данных 0…4 подаются на пять световых линий через элементы с повышенной нагрузочной способностью.

Схема сброса: представляет собой композицию, состоящую из логических элементов 2ИЛИ-НЕ (микросхема КР1533ЛЕ1) и элемента 3И-НЕ (микросхема КР1533ЛА4). Один из входов каждого из трех элементов 2ИЛИ-НЕ подключен к соответствующему выходу ППЗУ 5…7, на другой вход подан сигнал низкого уровня, т.о. осуществляется проверка кода EOP - "000". Входы элементов подключены к коньюнктору 3И-НЕ, так что на его выходе генерируется сигнал !RST (не сброс), который объединяется со стробирующим импульсом генератора G2 схемы задержки, так что генерируется сигнал сброса, который и подаётся непосредственно на входы сброса счетчика R0 и R1. В данном случае под схемой сброса подразумевается композиция одновибраторов G1 и G2 (микросхема КР1533АГ3), соединённых последовательно. Причем G1 выполняет функцию задержки (300нс), чего вполне достаточно для формирования сигнала !RST. А G2 исполняет роль стробирующего импульса (80нс) для генерации сигнала RST.

Синтез принципиальной схемы УГВИ

Описание принципиальной схемы УГВИ (Управляемого Генератора Временных Импульсов) вынесено отдельным пунктом, т.к. по отношению к основной схеме с определенной долей строгости он может восприниматься как обособленный функционально законченный компонент. А посему в основной схеме его следует воспринимать лишь как "черный ящик" для генерации импульсов с заданной задержкой. См. приложение 5 (продолжение).

Генератор импульсов: реализован на микросхеме КР1533АГ3. Одновибраторы G1 и G2 включены последовательно. Длина импульса TG1=0.120c, длина TG1=0.005c.

Счетчик (7ми разрядный): реализован на двух последовательно соединенных микросхемах КР1533ИЕ5. Импульс переключения на вход D0 приходит с прямого выхода G2. На входы R0 и R1 обоих счетчиков подается сигнал сброса R.

Дешифратор: реализован на микросхеме КР1533ИД7. На входы дешифратора подаются информационные сигналы 1,2 и3. Его инверсные выходы инвертируются (на двух микросхемах КР1533ЛН1), а затем коньюнктируются с соответствующими выходами счетчика при помощи микросхем КР1533ЛА3 и КР1533ЛА2. Выход микросхемы КР1533ЛА2 (он же, фактически, выход УГВИ) подключён входу сброса внутреннего счетчика, для устранения нежелательных эффектов при неодновременном распространении сигналов выходов дешифратора.

5. Временная диаграмма работы системы


          Для наглядного представления о функционировании схемы обратимся к ее временной диаграмме (см. рис. 3), из которой можно сделать вывод о том, что схема работает корректно.

6. Оценка аппаратурных затрат и потребляемой мощности


Затраты оборудования схемы приведены в таблице 1 и составляют 20 эквивалентный корпус.

Таблица 1. Оценка аппаратных затрат .

Виды корпусов

Количество корпусов, шт.

Количество выводов корпуса, шт.

ЭК, шт.

1

12

14

12

2

5

16

8




Итого: 20


Общая потребляемая мощность схемы приведена в таблице 2 и составляет 1,32 Вт.

Таблица 2. Оценка потребляемой мощности .

Наименование микросхемы

Количество микросхем, шт.

Потребляемая мощность, мВт

Общая мощность, мВт

КР1533АГ3

3

110

330

КР155ЕЗ

1

550

КР1533ИД7

1

55

55

КР1533ИЕ5

3

71,5

214,5

КР1533ЛА2

1

3,5

3,5

КР1533ЛА3

2

11

22

КР1533ЛА4

1

5,2

5,2

КР1533ЛЕ1

1

17,5

17,5

КР1533АЛИ8

2

33,8

67,6

КР1533ЛЛ1

1

24,5

24,5

КР15533ЛН1

2

14,5

29




Итого: 1,32 Вт


Литература


1. Интегральные микросхемы: Справочник под редакцией Б.В. Тарабрина. -М.: Радио и связь, 1985. - 528с.

2. Логические ИС серий 1533, 1554: Справочник в 2-х томах. -М.: Бином, 1997 - 496с.

3. Схемотехника ЭВМ Методические указания по курсовому проектированию -Челябинск: ЮУрГУ, 1986 - 49с.

освещение управляющий мощность аппаратурный

Приложение 1

 

Подробная структурная схема управляющего блока


Приложение 2

 

Подробная структурная схема УГВИ


Приложение 3

 

Функциональная схема управляющего блока


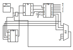
Приложение 4

 

Функциональная схема УГВИ

 

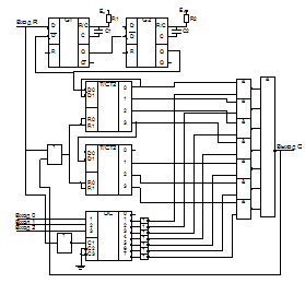
Принципиальная схема управляющего блока


Приложение 5

Принципиальная схема управляющего блока


Приложение 6

 

Спецификация

Похожие работы на - Система для освещения ёлочных гирлянд

 

Не нашли материал для своей работы?
Поможем написать уникальную работу
Без плагиата!
Без нейросетей!