Система автоматического слежения за изменением температуры
Содержание
Техническое задание
Введение
1. Цель работы. Постановка задачи
2. Структурная и
функциональная схемы электронного блока
2.1 Структурная схема
электронного блока
2.2 Функциональная схема
электронного блока
3. Электрическая
принципиальная схема
3.1 Расчет выходного
импульсного каскада
3.2 Расчет предмощного
каскада
3.3 Расчет гальванической
развязки
3.4 Расчет элементов
задержки
3.5 Расчет модулятора
3.6 Задатчик
3.6.1 Информационные
каскады
3.6.2 Расчет операционого
усилителя
3.7 Обратные связи
3.8 Расчет схемы защиты от
перегрузок и коротких замыканий
3.9 Расчет источников
питания
4. Системные расчеты
4.1 Передаточная функция
элементов схемы
4.2 ЛАХ и ФЧХ электронного
блока
4.3 Выводы о качественных
показателях САУ
Заключение
Список используемой
литературы
Техническое задание
Вариант №07
Тип выходного каскада П-образная схема.
Точность отслеживания температуры 1% от заданного диапазона датчика
(170-195◦C).
Закон управления выходным каскадом (модулятор ШИМ) симметричный.
Время срабатывания защиты (от длительного пускового режима) 0.4-0.7с.
Коэффициент ООС по току 0.3 .
Тип двигателя: ДП 0.39 кВт 750об. П22М110ВIМ1001.
Тип термодатчика: ТСМ50М град. 0-25◦C
Введение
При управлении производственным процессом всегда возникают сообщения о
ходе процесса, которые необходимо передавать автоматическому устройству. Эти
сообщения порождаются различными событиями.
Сообщения о событии могут быть многообразными. Например, сообщение об
изменении состава сырья, о передвижении объекта, об изменении его температуры.
В некоторых случаях информация передаётся оператору, который реагирует на это
событие соответствующим образом. Но этот способ регулирования использовать не
рационально, так как необходимо учитывать человеческий фактор, а также
дороговизну использования этого способа. Поэтому в последнее время используются
средства автоматического управления, в частности, электронные.
Значительные изменения во многих областях науки и техники обусловлены
развитием электроники. В настоящее время невозможно найти какую-либо отрасль
промышленности, в которой не использовались бы электронные приборы или
электронные устройства измерительной техники, автоматики и вычислительной
техники. Причём тенденция развития такова, что доля электронных информационных
устройств и устройств автоматики непрерывно увеличивается. Это является
результатом развития интегральной технологии, внедрение которой позволило
наладить массовый выпуск дешёвых, высококачественных, не требующих специальной
настройки и наладки микроэлектронных функциональных узлов различного
назначения.
В данном курсовом проекте необходимо разработать систему автоматического
слежения за изменением температуры. В проекте широко используются электронные
приборы, в том числе и микросхемы различного функционального назначения.
1. Цель работы. Постановка задачи
Цель курсового проектирования по электронике и микросхемотехнике -
практически закрепить изучаемые теоретические разделы одноименного курса;
освоить методы, приемы расчета и конструкторской разработки специальных
устройств автоматики на основе оптимальных критериев качества; научиться
пользоваться справочниками, пособиями, реферативными журналами и другими
библиографическими изданиями, выбирать необходимые материалы из накопленных в
технической литературе.
Проектирование начинается с изучения технического задания. Техническое
задание формирует требования к функциональным возможностям проектируемого
устройства и условиям, в которых оно должно действовать; эти требования должны
быть корректны.
Обычно имеется несколько путей построения общей функциональной схемы,
значительно большее число вариантов может быть предложено для отдельных
функциональных узлов.
Проектируемые электронные устройства являются частью более общей системы
автоматики. Очень важно четкое представление функциональной схемы всей системы,
назначение и место проектируемого электронного устройства в общей структуре,
предусмотреть схемные и конструктивные способы взаимного сопряжения входа и
выхода с предыдущими и последующими элементами системы, разработать приемы
настройки и регулировки.
Необходимо самостоятельно по исходным данным уметь составлять общую
функциональную схему, указав в ней назначение и место проектируемого
электронного устройства.
2. Структурная и функциональная схемы электронного блока
.1 Структурная схема электронного блока
Одной из важнейших задач техники является автоматическое управление
каким-либо процессом или объектом. Система автоматического управления должна
обеспечивать определенное функционирование объекта при заданных воздействиях.
Однако из-за наличия различных возмущающих воздействий фактическое состояние
объекта управления будет отличаться от желаемого. Поэтому система
автоматического управления должна учитывать не только алгоритм функционирования
объекта, но и причины, вызывающие отклонение от заданного или фактического
состояния. В настоящее время в технике используются три основных метода
построения систем управления.
. Метод разомкнутого контура
Алгоритм управления вырабатывается только на основе заданного
функционирования объекта управления. При наличии возмущающих воздействий
состояние объекта отличается от заданного. Этот метод применяется только тогда,
когда можно измерить возмущающее воздействие. Затем, по результату измерения
вводится изменение в алгоритм управления, которое компенсировало бы возмущающее
воздействие.
. Существует второй метод, который применяется в САУ
Он позволяет повысить точность, но компенсируются только воздействия,
которые измеряются, т.е. невозможно учесть все факторы, влияющие на
функционирование схемы. В таких системах ошибку рассогласования никогда нельзя
свести к нулю. Поэтому используется предыдущий метод.
. Метод обратной связи
При управлении по методу обратной связи в алгоритм управления вносятся
корректировки по фактическому положению объекта управления. Этот метод является
самым оптимальным, т.к. заключает в себе следующие достоинства:
а) минимальная погрешность управления;
б) схема отличительно проста;
в) система устойчива.
В курсовом проекте необходимо спроектировать такую систему, которая
поддерживала бы температуру на определенном уровне посредством изменения
скорости вращения исполнительного двигателя САУ.
Скорость двигателя изменяется под действием температуры. Таким образом,
имеется функционально замкнутая система. В общем случае система может быть
статической или астатической. Признаком астатизма является наличие в схеме
интегрирующих звеньев. В астатической системе мощный каскад рассчитывается на
пусковой режим двигателя с возможностью реверса.
Следуя из вышесказанного и проведя анализ, выбираем следующий вид
структурной схемы устройства (рисунок 2.1)
Рисунок 2.1 - Структурная схема устройства
2.2 Функциональная схема электронного блока
Система - это совокупность, состоящая из отдельных частей, находящихся в
определённых связях друг с другом и составляющих целостность и единство.
Изучение поведения системы осуществляется с помощью моделей. Люди изучают
объекты с целью управления ими для достижения необходимых количественных и
качественных характеристик. Для выработки управляющих воздействий необходимо
иметь информацию о желаемом и фактическом состоянии объекта. Управление - это
процесс во времени, следовательно, система управления является динамической.
Задача управления заключается в том, чтобы объект управления в условиях
реальной эксплуатации и обеспечивал выполнение требуемых функций. Фактическое
состояние объекта управления определяется одним или несколькими рабочими
параметрами y(t). Чаще всего рабочие параметры представляют собой физические
величины: скорость, температура, напряжение электрического тока, линейные и
угловые перемещения и т.д. В реальных условиях на объект управления оказывают
влияние внешние воздействия, которые называются возмущающими z(t). Эти воздействия вызывают изменение внутреннего состояния
объекта и как следствие - рабочих параметров, позволяющих осуществлять
контроль. В связи с этим, для выполнения рабочих функций по заданным
алгоритмам, необходимо на объект управления организовать подачу управляющих
воздействий U(t) (рисунок 2.2.).
Рисунок 2.2 - Объект управления
Заданный алгоритм обычно предусматривает поддержание рабочего параметра
постоянным во времени или же изменение во времени по известному или
неизвестному закону.
Задача управления, по существу, заключается в формировании такого закона
изменения управляющего воздействия, при котором обеспечивается заданный
алгоритм при наличии возмущающих воздействий.
Для решения этой задачи используются три фундаментальных принципа
управления: разомкнутое управление, управление по возмущению (принцип
компенсации) и замкнутое управление (принцип обратной связи или управление по
отклонению).
Структурные схемы принципов управления объектами представлены на рисунке
2.3.
а)
б)
в)
Рисунок 2.3 - Основные принципы управления; УУ - управляющее устройство;
ОУ - объект управления; И - измеритель возмущения; К - корректирующее
устройство;
При разомкнутом принципе (рисунок 2.3а) управляющее устройство
вырабатывает сигнал управления U,
который поступает на исполнительные элементы объекта управления. На вход
управляющего устройства подается сигнал X , представляющий собой задание. Задание задается человеком
или специальным задающим устройством. Данный принцип отличается простотой
технической реализации, но оказывается малоэффективным при недостаточной
информации о характере возмущении.
Для того чтобы учесть характер возмущений в процессе управления объектом
применяют управление по возмущению (рисунок 2.3б). В котором управляющее
устройство вырабатывает сигнал управления U в соответствии с заданным Х. Одновременно производится
измерение возмущений, действующих на объект, и производится коррекция сигнала
управления U’. Полученный в результате коррекции
сигнал управления U поступает на
объект управления. Данный принцип является более эффективным по сравнению с
разомкнутым управлением, при условии, что имеется техническая возможность
измерения возмущающих воздействий. Указанное условие ограничивает применение
данного принципа.
Принцип замкнутого управления (рисунок 2.3в) позволяет решить задачу
управления при любом характере действующих возмущений.
В этом случае сигнал задания поступает на один из входов элемента
сравнения, на другой вход которого по цепи обратной связи подается измеренное с
помощью датчиков фактическое значение рабочего параметра объекта управления. На
выходе элемента сравнения получаем сигнал D (ошибку, отклонение), который является разностью между заданным
и фактическим значениями параметров, т.е. D = Х-Y.
Управляющее устройство в зависимости от величины и знака ошибки вырабатывает
сигнал управления.
Таким образом, принцип замкнутого управления учитывает не только задание,
но и фактическое состояние объекта и действующих возмущений. Поэтому данный
принцип является наиболее универсальным и позволяет успешно решать задачи
управления, несмотря на неопределенность объекта управления и характера
возмущений. Класс автоматических систем, построенных на основе принципа
замкнутого управления, получил название систем автоматического регулирования.
В курсовом проекте необходимо спроектировать электронный блок, который
работает в температурном диапазоне от 00С до +70°С, регулируемой
величиной является скорость вращения шагового двигателя ДП-П11М, параметры
которого приведены в таблице 2.1.
Таблица 2.1 Основные технические характеристики двигателя
|
Тип двигателя
|
UНОМ В
|
Р Нм
|
NНОМ об/мин
|
IНОМ, А
|
Iпуск, А
|
КПД, %
|
|
ДП-П22М
|
110
|
0,39
|
750
|
3.55
|
28.36
|
50
|
Рассчитаем основные параметры двигателя:
Так
как студенты не в состоянии произвести расчеты по шагам и фазам, с учебной
целью принимать, что шаговый двигатель эквивалентен двигателю постоянного тока,
причем скорость вращения определять по числу шагов за один оборот.
С
учетом того, что управление двигателем осуществляется в импульсном режиме,
функциональная схема будет иметь вид[2]:
Рисунок 2.4 - Функциональная схема астатической системы регулирования
температуры
Система действует следующим образом: при подаче сигнала на вход от
задатчика начинает вращаться вал двигателя Д1, перемещая движок реостата R. В связи с этим возрастает ток
двигателя Д2, вращение вала последнего через компрессор увеличивает подачу
топлива в объект (печь). По мере нарастания сигнала Хос
рассогласование e
уменьшается до нуля, вал двигателя Д1 останавливается, а двигатель Д2
продолжает действовать, поддерживая Хвых на уровне, установленном
задатчиком.
Импульсное управление двигателем позволяет осуществить свойство
полупроводниковых транзисторов и тиристоров работать в ключевом режиме со
временем перехода из закрытого состояния в открытое и обратно за микросекунды.
Наибольшее распространение получили схемы якорного управления двигателем, когда
на якорную обмотку двигателя независимого возбуждения периодически подается
постоянное напряжение. При этом за время включенного состояния от источника к
двигателю происходит передача энергии, одна часть которой передается через вал
двигателя к нагрузке, а другая накапливается в виде электромагнитной энергии.
За счет последней двигатель продолжает развивать вращающий момент в отключенном
состоянии.
Применяется 2 способа управления двигателем:
·
симметричный
способ управления двигателем;
·
несимметричный
способ управления двигателем.
Т-образная схема управления двигателем представлена на рисунке 2.5.
Рисунок
2.5 - Т-образная схема управления двигателем
П-образная схема управления двигателем представлена на рисунке 2.6.
Рисунок 2.6 - П-образная схема управления двигателем
Достоинством симметричного метода управления двигателем является ее
несложность, а недостатки следующие:
·
когда вращения
нет, то по цепи якоря двигателя протекает переменный ток, из-за чего возможна
вибрация вращающейся части двигателя под действием переменного тока - дрожание,
(военные считают это достоинством симметричного способа управления, так как при
дрожании размягчается смазка, уменьшается нечувствительность);
·
одновременно
коммутируются все четыре ключа, отсюда вытекает, что это ведет к высоким
потерям на ключах в импульсе.
Достоинством схемы несимметричного управления является то, что ток
протекает через один ключ (в 2 раза меньше потери как в статике, так и в
динамике).
Т-схема лучше чем П, но ей необходимы комплементарные пары, а также
транзисторы VT1, VT3 и диоды VD1, VD3 должны выдерживать двойное напряжение в
сравнении с П-схемой.
В данном курсовом проекте задана П-образная схема и интегральный закон
управления выходным каскадом, выберем симметричный способ управления
двигателем.
Данная схема подключена непосредственно к предмощному каскаду, так как
для открывания мощных транзисторов необходим большой ток. Предмощный каскад
подключается к оптопаре. Это необходимо для того, чтобы токи высоких частот
большой силы не создали помех для работы высокочувствительного формирователя
ШИМ. Гальваническая развязка на оптопарах способствует более безопасной работе
схемы. Т.к. выходное напряжение с измерительного моста задатчика имеет величину
нескольких мВт, то необходим усилитель этого выходного сигнала. После усилителя
сигнал поступает на схему ШИМ. Устройство питается от источников напряжения
стабилизированных и не стабилизированных.
3. Электрическая принципиальная схема
3.1 Расчет выходного импульсного каскада
Согласно заданию на курсовое проектирование, необходимо выбрать элементы
П-схемы выходного каскада, обеспечивающие реверс двигателя в соответствии со
знаком сигнала на выходе системы стабилизации температуры.
Рисунок 3.1 - Схема выходного каскада
Рисунок 3.2 - Импульсный режим работы двигателя
Двигатель постоянного тока питается через мощные транзисторы. Для
безопасной работы выходного каскада необходимо правильно выбрать транзисторы
мощного каскада, исходными данными для выбора которых являются напряжение
питания и ток якоря. При этом необходимо учесть импульсный режим работы
двигателя (рисунок 3.1.).
Можно производить расчёт графическим методом и разложением функции в ряд
Фурье. Второй способ предпочтительнее, т.к. даёт более верный результат.
На рисунке 3.1 штриховая линия изображает напряжение Un и ток
Iнепр, которые необходимо приложить к двигателю, чтобы он развил
номинальную мощность, и эти номинальные величины приводятся в справочных данных
двигателя. Пауза вводится для того, чтобы подготовиться к формированию
очередного импульса. Амплитуда импульса Uv должна быть больше в
сравнении со значением Un. При tn = 0,2 T получаем, что
для несимметричного закона управления
(5.1.1)
Напряжение нагрузки:
(5.1.2)
Амплитуда импульсов:
(5.1.3)
Найдем напряжение, которое необходимо подавать на усилительный каскад:
(5.1.4)
Принимает
согласно ГОСТу стандартное значение
.
Найдем ток, который должен выдерживать транзистор:
(5.1.5)
Напряжение, которое должен выдерживать транзистор:
(5.1.6)
где К - коэффициент запаса, К=(1,1…2)=1,1.
Согласно
стандарту, принимаем
Величина
периода коммутации ключей Т (
)
оказывает большую роль на энергетические и качественные показатели системы.
Считается, что при импульсном управлении поведение двигателя практически будет
мало отличаться от линейного при выполнении следующего условия:
(5.1.7)
Тя
находится в пределах 0,0002-0,008 с. Зададимся Тя = 0,0002 с, тогда fком = 5000 гЦ.
Если
частоту уменьшить, то становятся заметны рывки скорости. При больших частотах
возрастают потери на гистерезис в элементах двигателя, а так же в ключах схемы.
Тогда
период следования тактовых импульсов будет равен
, (5.1.8)
Где Т - период импульсов, для данного двигателя Т = 0,0002 с.
По произведенным расчетам выбираем транзисторы VT1-VT4, характеристики
которых приведены в таблице 5.1.1
Таблица 3.1 Параметры транзисторов
|
Тип прибора
|
Структура
|
IК А
|
UКЭ нас В
|
UКЭ доп В
|
h21Э
|
Pдоп Вт
|
fгр МГц
|
|
КТД8257
<#"805728.files/image024.gif"> (5.1.9)
(5.1.10)
Рассчитаем
значения T и tи.
Зададимся
10% уровнем пульсации. Эквивалентную схему якоря представим в виде рисунка
5.1.3.
Рисунок
5.1.3 - Эквивалентная схема цепи якоря
Сопротивление
этой цепи равно:
,
(5.1.11)
где
.
Индуктивность
цепи якоря рассчитаем по формуле:
=0.119
(5.1.12)
где
в - коэффициент, который для двигателей без компенсации принимается равным
0,6;
U - напряжение
питания двигателя;
с
- число полюсов, принимаем равным 2;
щн
- угловая скорость вращения, рад/с;
Iя - номинальный ток в цепи якоря.
Задачу нахождения Т проще всего решать для номинальных режимов работы
двигателя
=3.55+0.1 3.55=3.9 А
=3.55-0.1 3.55=3.2 А
На
промежутке времени Dt=tи к двигателю коммутируется Eпит=Uв
и ток I¥Dt=tи,согласно
схеме замещения при n=const, равен:
=
На
интервале Dt=tп предельный ток переходного процесса в
общем случае равен:
=
Тогда
за максимальную величину скачка тока для расчета tп следует принять:
=61.41+3.9=65.3
А
tи=
tн=
T= tи+ tн
(5.1.16)
При
сохранении величина Uср независима от Т, что обеспечивает постоянство угловой
скорости двигателя.
(5.1.17)
Возможен
другой подход к расчёту Т.
В
качестве критерия берутся дополнительные потери мощности. Окончательная формула
для расчёта имеет вид:
(5.1.18)
Максимальные
потери будут при =0,5, т.е.
(5.1.19)
Проведя
перевод к относительным величинам, минимизируя выражения получим формулу для
расчёта величины Т при условии минимальных потерь:
с
(5.1.20)
При
условии максимальных потерь
с
(5.1.21)
Наиболее
оптимальный метод расчёта - разложение в ряд Фурье
Мощность, рассеиваемая транзистором:
(5.1.22)
В
пусковом режиме Е = Епит = 80 В, tи - длительность импульсов и для пускового режима tи ≈ 0,8·Т = 0,8·0,0008 = 0,00064 с.
Временной
параметр ts является
суммой:
ts = tф
+ tс, (5.1.23)
где
tс - время размыкания ключа;Ф - время замыкания ключа.
(5.1.24)
(5.1.25)
где
- время пролета неосновных носителей в области базы,
-открывающий
и закрывающий токи базовой цепи ключа;
(5.1.26)
(5.1.27)
(5.1.28)
где
- коэффициент принимают в пределах 1,3 < К < 5,
принимаем К = 4.
Закрывающий
ток выбираем равным , тогда
Подставив
значения в выражение 4.1.22 получаем: .
Так
как рассчитанная величина рассеиваемой мощности удовлетворяет условию Ртр
< Рдоп, то расчет произведен корректно.
Площадь
теплоотвода, Sрад:
(5.1.29)
где
- коэффициент, характеризующий радиатор, для алюминия
чернёного ;
-
максимальная температура среды, эта величина равна 70°С;
-
тепловое сопротивление переход-корпус, ;
-
тепловое сопротивление корпус-радиатор, можно принять , при условии применения шлифовки контакта
корпус-радиатор, различных паст, медных шайб.
Выбираем диоды VD.
Они должны выдерживать те же Uдоп, Iмах, что и VT.
Эти диоды предназначены для защиты П-образной схемы от сквозных токов и
рекуперации.
Рассчитаем мощность диода Pд:
Вт (5.1.30)
Компоненты
в формуле те же, что были использованы для расчеты транзисторов.
Выбираем
по полученным данным пару диодов, параметры которых приведены в таблице 5.1.2
Таблица 3.2 Параметры элементов
|
Диод
|
IК А
|
UКЭ доп В
|
T, C
|
Fгр кГц
|
|
КД2997А
|
30
|
200
|
25
|
100
|
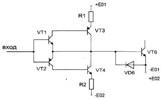
3.2 Расчет предмощного каскада
В общем случае управляющие сигналы для мощных ключей формируются
маломощными электронными схемами или микроконтроллерами. Между управляющей
схемой, микроконтроллером вводится гальваническая развязка, разделяющая и
защищающая управляющую схему от высокого напряжения мощных ключей. Наибольшее
применение для этой цели транзисторные оптопары, работающие в ключевом режиме.
При расчете предмощного каскада необходимо учесть, что максимальный ток для
оптопары (т.е. входной ток мощного каскада) составляет 200 мА (оптопара
АОТ110А). Поэтому если IбVTмощ.каскада ≥ 200 мА, то необходимо
применение несколько предмощных транзисторов. Каждый транзистор позволяет
уменьшить входной ток (Iб) в В раз (Iк ≈ В∙Iб, где В -
условный коэффициент усиления по току). В нашем случае IбVT = 19 мА ≤ 200 мА, поэтому достаточно одного
предмощного транзистора.
Предмощные каскады предназначены для формирования импульсов открывающей и
закрывающей полярности по отношению к мощным ключам. Для формирования
двухполярных импульсов необходимы 2 источника питания.
Существует множество решений в создании предмощных каскадов, но
наибольшее усиление по току обеспечивают схемы эммитерных повторителей. Они же
дают и максимальное быстродействие. Для дальнейшего увеличения коэффициента
усиления по току применяют составные транзисторы.
На основании методического пособия и исходных данных, компонуем принципиальную
схему предмощного каскада (рисунок 3.2). В данном курсовом проекте используется
схема составных транзисторов на комплементарных парах. В связи с тем, что
биполярные ключи, которым необходимо открывающее U и I, а также закрывающее U и
I, предмощный каскад должен формировать “+” и “-” полярности. Для двуполярных
импульсов необходимы два источника питания.
Рисунок
3.2. - Схема электрическая принципиальная предмощного каскада
Предмощный каскад должен быть как можно более высокочастотным, так как
чем круче фронты, тем меньше потери в выходных силовых ключах.
Обычно предмощные каскады используют схемы типа повторителей и составные
транзисторы.
Расчет предмощного каскада начнем с выбора комплементарной пары VT2 и
VT4. Исходными данными являются ток и напряжение питания. Из-за небольшой
величины и широкого распространения источников 5 В принимаем напряжение питания
Е1 = Е2 = 5В. Эти транзисторы выбираем на двойное напряжение, так как в
импульсном режиме один из них открыт, а другой закрыт. Следовательно, к одному
из них прикладывается двойное напряжение. Током Iк2 транзистора VT2
является ток базы Iб1 силового ключа VT5.
По справочнику выбираем транзисторы комплементарных пар КТ6116А и
КТ6117А, со следующими параметрами:
-
максимально допустимый постоянный ток коллектора = 0.6А;
напряжение
насыщения коллектор-эммитер = 0,6В;
коэффициент
передачи = 25;
ток
базы max = 0,1А;
время
закрытия 0,3 мкС;
максимальная
рассеиваемая мощность Рк = 0.62Вт.
Рассчитаем сопротивление R1:
(5.2.1)
где
UБЭVT5 - постоянное напряжение база-эмиттер транзистора VT5.
R1 = 10 Ом - стандартный номинал по ряду Е12.
Рассчитаем
мощность рассеяния по формуле:
(5.2.2)
Рассчитаем
мощность, рассеиваемую транзистором VT2 по формуле (4.1.22):
Так
как величина рассчитываемой мощности удовлетворяет условию Ртр <
Рдоп, то расчет произведен корректно.
Произведем
выбор транзисторов VT1,VT3. Эти транзисторы выбираются на двойное напряжение UКЭдоп
≥ 2·Е1:
, (5.2.3)
где
В - условный коэффициент усиления по току и принимаем В = 10, тогда
По
полученным параметрам выбираем транзисторы КТ361А и КТ371А со следующими
параметрами:
максимально
допустимый постоянный ток коллектора: IК max = 0.01А;
- напряжение насыщения коллектор-эмиттер UКЭ нас = 0.6 В;
- коэффициент передачи h21Э = 100.
Расчет мощности рассеивания этих транзисторов не производим, т.к. они
работают в облегченных режимах.
Диод VD имеет двойное назначение:
защищает переход эмиттер-база транзистора VT5 от напряжения Е;
образует небольшую удерживающую величину, при которой VT5 закрыт.
Исходя из произведенных расчетов, выбираем диод КД243A.
Uдоп = 30В
Iдоп.и. = 5А
Fдоп = 800кГц
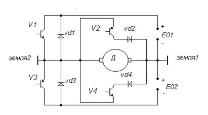
3.3 Расчет гальванической развязки
В качестве гальванической развязки применим оптическую связь. Оптическая
связь защищает предыдущие информационные каскады от высокого напряжения
выходных каскадов.
С точки зрения минимизации числа элементов схемы, целесообразно в
качестве гальванической развязки использовать диодно-транзисторную схему
оптопары типа АОТ. Выбираем одну из типовых схем гальванической развязки,
которая показана на рисунке 3.3.1.
Рисунок 3.3 - Схема гальванической развязки
Транзисторы оптопары (VT1опт
,VT2опт) должны работать в ключевом режиме,
допустимый выходной ток элемента двоичной логики должен быть больше входного
тока оптопары. Во избежание перегрузки элементов двоичной логики приходится
включать дополнительные (буферные) каскады на транзисторах (VT1буф, VT2 буф).
Выбор оптопары осуществляется из условия, что допустимый выходной ток
оптопары Iвых.доп. должен быть хотя бы в (1,1…1,2) раза
больше, чем Iвх предмощного каскада:
Выбираем оптопару типа 3ОТ127А со следующими характеристиками:
Таблица 3.3
|
Uвых, B
|
UБЭ, B
|
I вх, мА
|
Iвых, мА
|
IОПТдоп, мА
|
|
1.5
|
0,9
|
15
|
100
|
26
|
Задаваясь
величиной напряжений (в общем случае необходимо, чтобы ( коммутации), согласно уравнению (V1опт -
открыт, V2апт - закрыт)
(5.3.1)
определяем
величину сопротивления :
(5.3.2)
Выбираем
резистор R5, R10 из стандартных значений величин - 800 Ом.
Находим
максимальный сквозной ток из следующего уравнения (принимаем, что все VT
премощного каскада закрыты):
, (5.3.3)
тогда:
(5.3.4)
Так
как Iопт.доп >
1,1×Iск.max , то
оптопара выбрана корректно.
Зная
IвхОПТ выбирается буферный транзистор. Так как IвхОПТ =
4,5мА, то выбираем транзистор типа КТ343А со следующими параметрами:
- максимально допустимый постоянный ток коллектора IКmax = 50мА;
напряжение насыщения коллектор-эмиттер UКЭ нас = 0,3 В;
коэффициент передачи h21Э = 30.
В качестве логики DD1
выбираем микросхему К155ЛА3 с отрицательных коллектором.
Сопротивление резистора R3, рассчитывается по следующей
формуле:
, (5.3.5)
где Uэ =1 В (менее не желательно из-за возможных помех).
Выбираем ближайшее стандартное значение сопротивления R3=48 Ом.
Напряжение
Из
уравнения находим, что при Е1 = 5В, UБ =
1,6В:
(5.3.6)
Для
нормальной работы схемы необходимо, чтобы ток, протекающий через делитель
напряжения, был всегда больше Iб. Для
точки 1 (см. рисунок 4.3.1) R1 и R2
- параллельное соединение. Поэтому необходимо выполнение неравенства
(5.3.7)
Для
выполнения этого неравенства возьмем:
(5.3.8)
Зная
, и
учитывая (4.3.7) находим сопротивление :
(5.3.9)
(5.3.10)
Выбираем
ближайшие стандартный значения резисторов R1 = 620Ом, а резистор R2 = 300 Ом.
Так
как, когда на выходе микросхемы DD1 будет логический ноль, справедливо уравнение (логика
DD1 с открытым коллектором):
(5.3.11)
,
то
микросхема логики DD1 выбрана верно.
Время
переключения выбранной оптопары 6 + 100 = 106мkс, а период
переключения мощного каскада Т=0,0002с=200мkc, по своему
быстродействию оптопара выбрана верно.
.4 Расчет элементов задержки
При переключении мощных транзисторов, как правило, транзистор быстрее
открывается, чем закрывается (при закрывании сказывается запаздывание из-за
эффекта рассасывания неосновных носителей в базе). С учетом этого в стволе, где
находятся транзисторы VT1, VT2, могут протекать большие неуправляемые токи
(сквозные токи), которые приведут к отказу VT. Стандартный способ борьбы -
организация временных задержек на открывание VT, а сигнал на закрывание
подается мгновенно.
Простое схемное решение изображено на рисунке 3.4, где R - сопротивление не более 100 Ом для
исключения режима «оборванный вход».
Рисунок 3.4. - Схема формирования временной задержки.
Схема И мгновенно срабатывает при входном сигнале - логический ноль. Но
когда на входе будет логическая единица (2,4 - 5В), то срабатывание схемы будет
тогда, когда емкость зарядится до величины опрокидывания схемы (около 1,2 В).
Существенный недостаток в том, что при таком схемном решении для
ТТЛ-логики можно получить максимальную задержку чуть больше 2 мкс (емкость
заряжается не только через R, но и через входное сопротивление микросхемы -
порядка 3,6 КОм).
Данную схему можно модифицировать для получения большей задержки
(исключить эффект зарядки С через Rвх логики) (рис. 3.5).
В качестве компаратора DA1 выбираем, как и в предыдущих каскадах
микросхему К554СА3, а в качестве инвертора микросхему К555ЛА3.
Рисунок 3.5 - Схема формирования временной задержки.
Для расчета RC-цепи используем формулу:
(5.4.1)
где
;
-минимальное
напряжение выхода схемы ШИМ, ;
(5.4.2)
(справочные
данные VT1, транзисторов предмощного каскада и оптопары);
(напряжение
срабатывания DA1);
С
принимаем равным 1нФ.
Тогда:
Тогда:
.
Принимаем
стандартное значение .
На
инверсный вход компаратора подается через делитель напряжение .
Суммарное сопротивление равно , тогда
приняв , будем иметь .
3.5 Расчет модулятора
Симметричный закон управления мощным каскадом (рис. 3.6).
Схема модулятора приведена в [1, с. 316].
а)
б)
Рис. 3.6. а) Схема модулятора для симметричного закона; б)
временные диаграммы
Сигнал Uy - это сигнал ошибки САУ с учетом
сигнала обратной связи по току (см.рис. 11.2), который должен быть преобразован
в ширину импульса.
В
расчетных формулах [1] необходимо принять величину T ту же, что и в расчёте
мощного каскада. Напряжение -
максимальное выходное напряжение ОУ и берётся из справочных данных; Uтр
- выходное напряжение генератора пилы и можно принять из условия
.
Рассчитаем
выходное напряжение генератора пилы.
Согласно
справочным данным =12 В.
Примем
значение Uтр = 8 В
Амплитуда колебаний сигнала «пилы» (Uтр) зависит от порога срабатывания триггера DA1 (первый компаратор схемы), т. е.
Зададимся значением R1=2.2 кОм. Тогда :
Рассчитывается величина рассеиваемой мощности по формуле:
,
Значит
мы выбрали резистор типа МЛТ 2.2 кОм, мощностью 0.125Вт.
Для реализации ШИМ необходимо уровень сигнала Uy сравнивать с напряжением «пилы»,
которое прямо пропорционально времени. Для этой цели в схеме имеется второй
компаратор на триггере DA3.
Если применить компаратор без триггерного эффекта (гистерезиса), то в момент
сравнения сигналов Uy и
Uтр возможны высокочастотные
срабатывания компаратора из-за нестабильности этих сигналов.
Величина сигнала сравнения равна:
 , если Uy›0;
 , если Uy‹0.
Для
упрощения расчетов принимаем, что  . Этим
уменьшаем ширину гистерезиса до минимально допустимой величины. Поэтому сразу
задаемся величинами резисторов, отличающимися на два порядка. Задаемся
величиной  а
величиной  . Таким
образом формулы упрощаются, и:
если не учитывать масштабирование сигналов, т.е. для ,получим R3=R5.
Следовательно
 .
Транзисторы
VT1 и VT2 выполняют функцию согласования выходных сигналов ОУ
(±12 В) с входными сигналами драйверов и производят инверсию сигналов Uy1 и Uy2.
Резисторы R6 и R7 - справочные данные, R8 и R9
выбираются порядка 1-5 кОм. Следовательно зададимся значениями R8=3.3 кОм и R9=3.3 кОм .
3.6 Задатчик
.6.1 Информационные каскады
В данном курсовом проекте в качестве датчика температуры задано
термосопротивление ТСМ100М со следующими параметрами:
Таблица 3.4 Основные технические данные термометров сопротивления
|
Термометр сопротивления
|
Градуировка
|
Макс.диапазон измерения в оС
|
Материал защитной арматуры
|
Монтажная длина в мм
|
инерционность
|
условное давление в кгс/ссм2
|
устойчивость к механ. воздействиям
|
область применения
|
|
ТСМ50М
|
21
|
(-40) - (+180)
|
нержавеющая сталь (пищевая нержавейка 12Х18Н10Т)
|
300
|
30
|
40
|
виброустойчивый
|
газообразные среды
|
Датчики температуры игольчатые ТСМ50М предназначены для измерения
температуры внутри продукта, а также могут использоваться в качестве датчиков
для измерения температуры и влажности в термокамере психрометрическим методом.
Датчики температуры игольчатые применяются в основном в отечественном технологическом
оборудовании обеспечивающем варку, обжарку, копчение и прочие технологические
процессы приготовления продуктов, в которых требуется контроль температуры и
влажности греющей среды и продукта.
Могут использоваться предприятиями мясоперерабатывающей,
птицеперерабатывающей, рыбной промышленности, предприятиях общественного
питания.
Датчики могут быть использованы для контроля температуры в сердцевине
мясных и рыбных продуктов, температуры птицы и т.д
Наиболее распространенной схемой, используемой для измерения
сопротивления ТС и, следовательно, температуры, является мостовая схема (рис.
3.7).
Рисунок 3.7 - Мостовая измерительная схема
Мостовая схема представляет собой два делителя напряжения на резисторах,
у которых потенциалы в точках a и b соответственно равны:
Выходное
напряжение мостовой схемы
(5.6.2)
Предположим,
что R1 = R3 = R4 = R и R2 =R +ДR. Тогда напряжение на выходе мостовой схемы
(5.6.3)
График
зависимости напряжения мостовой схемы Uм от измерения сопротивления R/R приведен на рис.5.6.2, где H - погрешность нелинейности.
Рисунок
3.8 - Зависимость Uм = f (ДR/R)
Существуют
две основные схемы включения термометров сопротивления в мостовые измерительные
цепи: двухпроводные и трехпроводные.
Двухпроводная
схема приведена на рис. 3.9.
Рисунок 3.9 - Схема включения датчика
Резистор
- это сам датчик, -
соответственно задатчик, позволяет установить температуру стабилизации и его можно
оцифровать не в омах, а в . При достижении стабилизации мост будет уравновешен и
. Для расчета резисторов воспользуемся известным
соотношением для уравновешенного моста, при этом резистор рассчитывается так, чтобы обеспечивалась работа
системы во всем диапазоне работы датчика.
При
мост уравновешен, когда движок будет находится в крайнем левом положении, т.е. будет
справедливо равенство:
(5.6.4)
Когда
температура стабилизации максимальная, то равновесие моста будет при движке вправо и тогда:
(5.6.5)
Для
расчета резисторов необходимо задаться значениями двух любых резисторов кроме . Резистор известен:
R2 = 50 Oм при ,
R2 = 55,35 Oм при .
Из
уравнений (5.6.4) и (5.6.5) составив систему уравнений и решив ее, получим:
(5.6.6),(5.6.7)
При
решении систем уравнений (5.6.6),(5.6.7) необходимо учитывать две проблемы:
желательно,
чтобы мост состоял из низкоомных резисторов (выходное сопротивление моста будет
меньше, что повысит точность системы и будет проще его постройка;
ток
через датчик должен быть такой, чтобы не было эффекта саморазогрева датчика от
источника Е1. Следует знать этот ток или допустимую мощность
рассеивания и в рассчитанной схеме должно выполняться следующее неравенство:
(обычно ).
Определим
ток саморазогрева тиристора :
= (5.6.8)
По
условию расчета .
Рассчитаем
сопротивление :
(5.6.9)
Сопротивление
должно быть больше рассчитанного, поэтому выбираем
ближайшее стандартное значение , .
Принимаем
сопротивление .
Решим
систему уравнений (4.6.6),(4.6.7) относительно :
(5.6.10)
Примем
стандартное значение R1 = 50 Ом.
Сопротивление
R1 намотаем на резистор МЛТ-2-50 константановым
проводом сечением S=0,01ммІ, длина провода рассчитывается по формуле, в
которой удельное сопротивление константана с=0,48 Ом·м:
Найдем
значение из формулы (4.6.6.):
(5.6.11)
Примем
R5 = 10 Ом.
Уточним
баланс моста для , т.е. определим , приняв
Е1 = 5В.
(5.6.12)
(5.6.13)
(5.6.14)
При
правильном выборе и расчете резисторов должно
быть порядка У нас получилось значение меньше. Значит, мост уравновешен.
Рассчитаем
(отличное от ) при
уходе температуры на 1% от заданного диапазона.
Диапазон
∆t = (25) - (0) =25˚C, 1% составит 0,25 ˚С.
Значит,
рассчитаем при t = 25+0,25˚C.
.
Затем
эту величину подставим в (4.6.13):
(5.6.15)
Тогда
(5.6.16)
Это
и будет напряжение на выходе задатчика, которое отрабатывать САУ (будет
определять ее чувствительность или точность).
3.6.2 Расчет операционного усилителя
Наиболее простым является синтез схемы на базе операционных усилителей
(ОУ). В курсовом проекте следует обратить внимание на ряд проблем, возникающих
при таком подходе:
. Полезный сигнал о стабилизируемой температуре снимается с выводов 1 и 2
резисторной мостовой схемы (рис. 5.6.4).
Предположим, что R1 = R2 = R3 = R4, мост сбалансирован и в точках 1 и 2
будут равные напряжения U1=U2= 2,5В.
Если эти напряжения с помощью дифференциального усилителя вычесть, то в
идеальном случае Uвых = 0 .
Рисунок 3.10 - Дифференциальный усилитель
Но реальная схема дифференциального усилителя будет ослаблять синфазный
сигнал значительно меньше величины КОСС из-за непостоянства температуры резисторов
R5 - R8 и непостоянства Rвых моста (R2
№ const ), и особенно самого задатчика.
. Учет входных токов ОУ.
При слабых входных сигналах следует учитывать ошибку из-за Iвх
ОУ.
Рассмотрим простейший пример усилителя (рис. 3.11).
Рисунок 3.11 - Инвертирующий усилитель
В схемотехническом плане имеется удачная схема усилителя, которая
приводится на рис. 5.6.6.
Так
как сигнал от задатчика очень мал , то
необходимо усиление этого сигнала. Наиболее простым усилителем является
усилитель на базе операционных усилителей (ОУ).
Для
нормальной работы усилителя на ОУ, необходимо учитывать, что отношение . Это отношение зависит от коэффициента ослабления
синфазного сигнала ( ) ОУ, который приводится в справочных данных ОУ.
Исходя из этого следует к выходу мостовой схемы подключать ОУ с как можно
большим .
Второй
проблемой усилителя на ОУ являются входные токи ОУ. При слабых входных сигналах
следует учитывать ошибку из-за . При , обеспечивается
за счет напряжения . В результате полезный сигнал на выходе получается в
несколько раз меньше помехи. Это влияние можно
ослабить, если взять несколько ОУ с малым значением . Эта схема имеет недостаток - наличие внешних
резисторов, что приводит реально к значительно меньшему ослаблению синфазного
сигнала из-за непостоянства от температуры резисторов.
Рисунок 3.12 - Дифференциальный усилитель
Для снятия сигнала с моста применим дифференциальный усилитель. Он
позволит снизить синфазную помеху практически до 0, так как R4 = R6, R3 = R7, R8 = R9.
(5.6.17)
Примем прецизионными: R4, R6 с номиналом 4,5 кОм и R8, R7 с номиналом 10 кОм, обычные
резисторы: R3 = 1кОм, остальные - с номиналом 5,1 кОм. При этом
коэффициент усиления составит:
Необходимый
коэффициент усиления можно найти как:
(5.6.18)
Необходимо поставить добавочный усилитель, с коэффициентом усиления
3500/10=350. Таким образом, так как усилитель двухкаскадный Ку1,2 =
59,16. Два каскада необходимо для соблюдения знака управляющего сигнала,
получить коэффициент усиления 3500 на дифференциальном усилителе нежелательно,
так как возможно самовозбуждение каскада.
Рисунок 3.13 - Инвертирующий усилитель
Произведём расчет одного каскада инвертирующего усилителя:
(5.6.19)
Зададимся
R1 = 1 кОм,
тогда при Ку = 59,16:
Примем
R2 = 60
кОм. Расчёт второго каскада выполнен аналогично. R3 = 1 кОм, R4 = 59,16 кОм . R5, R6 служат
для более устойчивой работы усилителя, и равны 10 кОм.
3.7 Обратные связи
Для интегральной ШИМ (см. рис. 3.4) необходимо синтезировать напряжение UОС
определенной величины и полярности в момент срабатывания одного из триггеров (в
момент подачи Eп к якорю двигателя) длительностью tи.
Полярность UОС должна всегда быть противоположной Uу.
Один из вариантов схемной реализации этой задачи приведен на рис. 3.14
Рисунок 3.14 - Схема формирования Uoc для П-схемы
В интегральной ШИМ мощный каскад работает по симметричному закону. В
интервале времени tп к двигателю не прикладывается напряжение Eп,
так как VT1 и VT4 закрыты, а транзисторы VT1 и VT3 открыты. Тогда в точках
схемы 1 и 2 будет напряжение большой величины (близкое к Eп) и
схемно реализуется так, чтобы транзисторы VTбуф1 и VTбуф2
были закрыты (UОС=0). В момент tи состояние пары
транзисторов мощного каскада VT1 и VT2 или VT3 и VT4 (зависит от полярности Uу)
изменится, потенциал соответствующий точки 1 или 2 также понизится до величины
Это
напряжение через делитель R1, R2или R4, R5
должно вызвать переключение соответствующего компаратора (DА1 или DА2) и
изменить состояние соответствующего буферного транзистора VTбуф (UОС
равно +E2 или -E3). Расчет и выбор элементов схемы рис.
5.7.1 аналогичен решению подобных задач с коррекцией исходных данных,
произведенных в предыдущих разделах курсового проекта(см. разделы 5.1 и 5.2).
Расчет и выбор элементов схемы аналогичен пунктам 5.5 и 5.6. В качестве
компараторов выбираем микросхему К554СА3, в качестве логики - К555ЛА7.
Резисторы
и образуют
стандартную защитную цепь.
Сумма
сопротивлений и должна
быть такой, чтоб на них расходовалась применимая с инженерной точки зрения
мощность рассеивания . Примем .
Найдем
величину :
, (5.7.1)
где
- напряжение в точке 1, .
Следовательно
находим по формуле:
(5.7.2)
Принимаем
стандартные значения сопротивлений: .
В
качестве выбираем МЛТ, а в качестве - потенциометр СП3-9 номиналом 6.8 Ком.
Резисторы
; резисторы те же,
что и резисторы в разделе 5.3.
,
мощность резисторов 0,125Вт [6].
Оптопары
предназначены для передачи сигналов минимальной мощности т.к. выходной сигнал подается на вход ОУ (раздел 5.4, схема ШИМ) входной
ток которых меньше 100 нА, поэтому выбираем оптоэлектронные ключи К249КП1,
буферные транзисторы КТ343А.
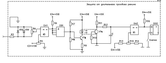
.8 Расчет схемы защиты от перегрузок и коротких замыканий
Схема должна организовывать:
1) пусковой режим (по току двигателя). Если Iя = 1,4Iпуск - это пусковой режим;
2) определение необходимого времени ожидания срабатывания защиты (0.55
с);
) обеспечение гальванической развязки мощного каскада от остальной схемы.
Для П-схемы мощного каскада применяется схемное решение, изображенное на
рисунке 3.15.
Рисунок 3.15 - Схема защиты от длительного пускового режима
Схема
должна рассчитываться так, чтобы при компаратор
DA1 находился в состоянии, обеспечивающем разряд
конденсатора C (VТопт открыт). При уменьшении (например до )
компаратор DA1 должен переброситься в противоположное состояние и C
будет заряжаться от источника E2 (VТопт
закрыт).
Конденсатор
разряжается по экспоненциальному закону от величины E2 до . Этим
организуется временная задержка срабатывания защиты. Когда Uc будет меньше напряжения, подаваемого на второй вход компаратора DA2,
то на его выходе установится нулевой потенциал, что повлечет срабатывание
триггера защиты DD2. Выход последнего должен так подключаться в схему
управления мощным каскадом, чтобы все его транзисторы были закрыты.
Триггер предотвращает многократное запускание двигателя, так как после
срабатывания схемы конденсатор C
повторно заряжается - будет повторный пусковой режим и т.д.
Резисторы
и должны
быть такими, чтобы в пусковом режиме на них выделялась мощность :
(5.8.1)
Принимаем стандартное значение сопротивления R1 = 0.00062 Ом, R2 = R1 = 0.00062 Ом.
Найдем
, при котором обеспечивается переключение компаратора DA1:
(5.8.2)
Такое
же напряжение должно подаваться на второй вход компаратора DA1. При
этом необходимо обеспечивать, чтобы
для
кремниевых диодов). (5.8.3)
Применение делителя R1, R2, R4 облегчает реализацию выполнения этого
неравенства, т.к. в этом случае уже необходимо применение скорректированного
уравнения:
(5.8.4)
а
на второй вход компаратора DA1 организуется подача напряжения . Кроме того, резистор и будет
защищать диоды VD5 и VD6 от пускового тока. Отсюда:
(5.8.5)
Выбираем стандартное R4
= 0.00009 Ом, R3 = 0.1 Ом
Сопротивление резистора R12, рассчитываем по следующей формуле:
(5.8.6)
где: ∆t - время
срабатывания защиты (∆t =
0.55с);
Uнач
= 5В;
Uкон
- напряжение при
котором срабатывает компаратор DA2, Uкон ≥ 0.6×Uнач = 0,6×5 = 3В;
U¥ =
Uост.ОПТ = 1.5 В;
С= 1мкФ.
Принимаем ближайшее стандартное значение R12 = 0.75 МОм.
Зададимся величиной резистора R11 = 200 Ом.
Рассчитаем максимальный ток оптопары:
(5.8.7)
Выбираем
оптопару АОТ162В, со следующими параметрами:
Таблица
3.5
|
Uобр, В
|
Uк, В
|
Iвх, мА
|
Iвых, мА
|
|
3.5
|
80
|
25
|
10
|
Учитывая параметры оптопары, выбираем транзистор VTбуф КТ3108А
со следующими параметрами:
·
максимально
допустимый постоянный ток коллектора IК max= 200мА;
·
напряжение
насыщения коллектор-эмиттер UКЭ нас = 0.6 В;
·
коэффициент
передачи h21Э = 100;
·
ток базы Iб
= 0.2 мА.
Сопротивление R7, R8, R9, R10 рассчитываются
по методике раздела 5.3:9 = 6,2 Ом; R8 = 300 Ом; R7
= 620 Ом.
Выходной ток DD1:
(5.8.8)
В качестве DD1 возьмем микросхему К155ЛА6 (4И-НЕ).
В качестве DA1, DA2 возьмем микросхему К554СА3 [1].
Резисторы R6, R16 принимаем: R6 = R16
= 3,3 кОм.
Аналогичным
образом строится схема защиты от КЗ с током срабатывания   1,2 . При этом в схему вводится ещё одна цепочка DA1-DA2. UR3 найдём
по формуле 11.2 : UR3 =0.18 В.
При
этом напряжении происходит срабатывание компаратора и обеспечивается защита от
КЗ. Все остальные номиналы оставлены без изменений. Полная схема защиты
приведена на чертеже. UR5 = 0.122
В.
Защита
от КЗ выполнена по аналогичной схеме, из неё удалён лишь элемент задержки С, DA2.
Для суммирования сигналов от элементов защиты применена схема на
логических элементах (рисунок 3.16).
Рисунок 3.16 - Схема на логических элементах
При расчете необходимо принять, что срабатывание защиты происходит при I
>KIпуск, где К >(1,1-1,5).
Опишем работу схемы: сигнал защиты поступает на входы 1, или 2,
инвертируется и поступает на логический элемент «ИЛИ». При срабатывании любой
из схем защит на выходе элемента DD2
формируется логический 0, который запрещает прохождение управляющих импульсов и
закрывает ключевые транзисторы через элементы DD1, DD3.
3.9 Расчет источников питания
Источники питания предназначены для организации питания всех схем блока
управления.
Наибольшее распространение в качестве стабилизированных источников
питания нашли источники на интегральных стабилизаторах типа КРЕН. Они имеют
большой выбор стабилизаторов как по выходному напряжению, так и по мощности.
Интегральные стабилизаторы данного типа выпускаются на универсальное и
фиксированное напряжение. При токах нагрузки, превышающих выходной ток
стабилизатора возможно подключение мощных транзисторов, позволяющих увеличить
выходной ток стабилизатора до 5А.
В качестве нестабилизированного источника применим типовой источник
(рисунок 3.17), состоящий из выпрямительного моста и фильтров.
Диоды для выпрямителя выбираются по двум основным параметрам: постоянному
(выпрямленному) току, который должен выдавать выпрямитель, и обратному
напряжению. Эти параметры диодов приводятся в справочниках.
Выпрямленный ток диода должен быть не меньше полного тока, потребляемого
нагрузкой. Максимальное обратное напряжение, прикладываемое к диоду, равно
удвоенному амплитудному входному напряжению источника:
Рисунок 3.17 - Нестабилизированный источник питания.
, где Uвх = 300В (5.9.1)
тогда .
Диоды
должны быть рассчитаны на ток Iд>Iпуск.
Исходя
из вышеизложенного выбираем диоды КД257А.
Конденсаторы являются фильтрами. Величина конденсатора С1
обычно выбирается в пределах 0,02-0,1 мкФ, выбираем С1 = 0,047 мкФ
на напряжение не менее 2·Uвх = 2·300 = 600В, выбираем стандартное
значение напряжения - 600В. Чем больше емкость конденсатора фильтра на выходе
источника, тем лучше сглаживаются пульсации выпрямленного напряжения. C2 зависит от тока нагрузки. Емкость С2 при
токе 25,5A можно рассчитать как
(5.9.2)
Примем
С = 300000 мкФ (из 3-х конденсаторов 100000), U = 220В. ( -девиация напряжения, Т - период сетевого напряжения
0,02с)
Стабилизированные источники питания выполняются на интегральных
стабилизаторах по типовым схемам.
Для источника напряжения +5В (рисунок 5.9.2), питающего микросхемы ТТL-логики К155 и К555, оптопары,
задатчик и другие схемы, выбираем стабилизатор с фиксированным напряжением +5В
КРЕН5А, у которого
Uвых=5В, Iвых = 3А. Выбираем конденсаторы С1 = 1000 мкФ,
напряжение 63В; С2 = 5000 мкФ, напряжение 16В.
Рисунок 3.18 - Источник напряжения +5В
Для источника напряжений ±15В (рисунок 5.9.3), питающего компараторы, ОУ,
выбираем стабилизатор с фиксированными двуполярным напряжениям ±15В КРЕН6А, у
которого Uвых = ±15В, Iвых = 1,5А. Конденсаторы выбираются аналогично предыдущему
пункту, С1 = С2 = 1000 мкФ, напряжение 63В,С3 =
С4 = 5000 мкФ, напряжение 25В.
Рисунок 3.20 Источник напряжений ±15В
Для источника напряжения +5В (рисунок 5.9.4), питающего предмощный
каскад, выбираем стабилизатор с фиксированным напряжением +5В КРЕН5А, у
которого Uвых = 5В, Iвых = 3А. Конденсаторы С1 и С2 выбираются
из вышеизложенных соображений.
Выбираем С1 = 1000 мкФ, напряжение 63В; С2=5000
мкФ, напряжение 25В.
Рисунок 3.21 - Источник напряжения +5В
4. Системные расчеты
.1 Передаточная функция элементов схемы
В том случае, когда используется интегральная ШИМ, с якоря на вход
интегратора подаётся обратная связь по напряжению. Структурная схема может быть
представлена на рисунке 6.1.1.
Рисунок 6.1.1 - Структурная схема блока, охваченного отрицательной
обратной связью
Переходные процессы импульсные, поэтому необходимо применять импульсные
методы расчёта. Однако если удастся показать, что частота следования импульсов
в несколько раз превышает частоту среза, то могут применяться непрерывные
методы расчёта, что намного упрощает задачу. Представим передаточные функции
элементов в виде апериодических звеньев. Коэффициенты передачи некоторых
блоков, за исключением последнего, принимаем за единицу.
1) Интегратор:
(6.1.1)
где
, где tх и UУ
min находится по формуле
(6.1.2)
(6.1.3)
.
2) Компаратор:
(6.1.4)
Где
;
Тк = 3×10-6 с - постоянная времени компаратора;
3) Триггер:
(6.1.5)
где
;
Ттр
= 20×10-9 с - постоянная времени задержки
триггера.
4) Элемент задержки:
(6.1.6)
где
;
Тэз
= 5×10-9 с - время задержки на открывание ранее
закрытого в паре транзистора.
5) Гальваническая развязка:
(6.1.7)
где
;
Тк
= 0,1624×10-6 с - из справочника.
6) Предмощный каскад:
(6.1.8)
где
;
Тпрк
= 2,5×10-6 с - постоянная времени наиболее
мощного транзистора в предмощном каскаде.
7) Мощный каскад:
(6.1.9)
где
;
ТMK
= 2,5×10-6 с - постоянная времени одного из
транзисторов, входящего в состав мощного каскада.
8) Компаратор ОС:
, (6.1.10)
где
- постоянная времени компаратора.
9) Гальваническая развязка обратной связи:
, (6.1.11)
где
, - из
справочника.
Таким
образом, в целом получаем передаточную функцию цепи, входящую в контур:
(6.1.12)
4.2 ЛАХ и ФЧХ электронного блока
Для построения ЛАХ применим типовые правила:
1 Находим
Находим частоты
Откладывая
эти точки на вертикальной и горизонтальной оси, строим график.
ФЧХ
строится по результатам расчета выражения:
Для построения ЛАЧХ и ФЧХ воспользуемся программным пакетом MahtCad. Характеристики приведены на рисунке
4.2.
Рисунок 4.2 - ФЧХ и ЛАХ разомкнутой системы
4.3 Выводы о качественных показателях САУ
Для нормального функционирования САУ необходимо, чтобы запас по фазе был
равен 15-30°, а запас устойчивости
по амплитуде - 30-60 Дб. В данном курсовом проекте Дa » 40 Дб, Дj » 40°, что свидетельствует об устойчивости системы (см.
рисунок 3.2).
электронный каскад гальванический перегрузка
Заключение
В курсовом проекте был разработан электронный блок управления двигателем
постоянного тока в зависимости от показаний датчика температуры
В результате расчета был произведен выбор элементов схемы мощного и
предмощного каскада, элементов гальванической развязки, а также анализ
элементов задержки, генератора формирования коротких импульсов и схемы ШИМ. Для
предотвращения выхода системы из строя в критических режимах работы была
использована схема защиты от перегрузок.
Произведены системные расчеты, по результатам которых построены ФЧХ и ЛАХ
разомкнутой системы. По построенным характеристикам, определен запас
устойчивости по амплитуде и проанализирована устойчивость самой системы.
Список используемой литературы
1.
Булычев А.П. Аналоговые интегральные схемы - Мн.: Беларусь, 1993.
2. Гольперин
М.В. Практическая схемотехника в промышленной автоматике - Мн.: Энергоиздат,
1988.
3.
Гутников B.C. Интегральная электроника в измерительных устройствах. -
Мн.: Энергоиздат, 1988.
4. Игумнов Д.В. Полупроводниковые устройства непрерывного
действия. - М.: Радио и связь, 1980.
.
Потемкин Е.С. Функциональные узлы цифровой автоматики. - Мн.: Энергоиздат,
1988.
6.
Иванов В.И. и др. Полупроводниковые оптоэлектронные приборы: Справочник /
В.И.Иванов, А.И.Аксенов, А.М.Юшин. - 2-е изд., перераб. и доп. - М.:
Энергоатомиздат, 1988.
7.
Дубровский В.В. Резисторы. Справочник. - М.: Радио и связь, 1987.
8.
Уитсон Дж. 500 практических схем на ИС: Пер. с англ. - М.: Мир, 1992.
9.
Хоровиц П.В., Хилл У. Искусство схемотехники: В 3-х томах: Т. 2. - 4-е изд.,
перераб. и доп. Перевод с англ. - М.: Мир, 1993.
. Валенко В.С., Хандогин М.С. Электроника и
микросхемотехника: Уче. пособие. - Мн.: естпринт, 2003.
Похожие работы на - Система автоматического слежения за изменением температуры
|