АСУ ТП 5-ти клетевого стана 630 холодной прокатки

  • Вид работы:
    Контрольная работа
  • Предмет:
    Технология машиностроения
  • Язык:
    Русский
    ,
    Формат файла:
    MS Word
    496,27 kb
  • Опубликовано:
    2010-01-22
Вы можете узнать стоимость помощи в написании студенческой работы.
Помощь в написании работы, которую точно примут!

АСУ ТП 5-ти клетевого стана 630 холодной прокатки

Министерство образования и науки Российской Федерации

Федеральное агентство по образованию

Государственное образовательное учреждение высшего профессионального образования

״Ìàãíèòîãîðñêèé ãîñóäàðñòâåííûé òåõíè÷åñêèé óíèâåðñèòåò èì. Ã. È. Íîñîâà״

Êàôåäðà îáðàáîòêè ìåòàëëîâ äàâëåíèåì




Контрольная работа

по курсу «Основы автоматизации процессов ОМД»

на тему: «АСУ ТП 5-ти клетевого стана 630 холодной прокатки»



Выполнил:

студент гр. ТО-05

Проверил:

доцент, к.т.н.



Магнитогорск

2009

Введение

На предприятиях черной металлургии с полным циклом производства управление строится по переделам с координацией этих управлений в масштабе всего предприятия.

Автоматизация производства заключается в применении для выполнения производственных операций автоматических устройств, т.е. технических устройств, выполняющих заданные действия с использованием различных видов энергии без непосредственного участия человека.

Агрегаты цеха холодной прокатки оснащаются средствами автоматического контроля и системами регулирования и управления, обеспечивающие выполнение технологических требований, а также автоматизацию работы механизмов, диагностику неисправностей, учет работы оборудования и готовой продукции.

Цель автоматизации производства - повышение производительности и улучшение условий труда, обеспечение высокого качества продукции, оптимального использования всех ресурсов.

1 Функции и структура АСУ ТП стана 630 холодной прокатки

Основные функции АСУ ТП подразделяют на информационные, управляющие и вспомогательные.

Информационные функции централизованного контроля:

-измерение, оперативное отображение, регистрация и сигнализация отклонений значений технологических параметров и показателей состояния оборудования;

-обнаружение, оперативное отображение, регистрация и сигнализация отклонений значений технологических параметров и показателей состояния оборудования от установленных пределов

-контроль, оперативное отображение, регистрация и сигнализация срабатывания блокировок и защит;

- оперативное отображение, регистрация результатов математических и логических операций выполняемых КТС.

Информационные функции вычислительных и логических операций:

- косвенные измерения технологических параметров и показателей состояния оборудования;

- вычисление и анализ обобщенных показателей оценки текущего состояния ТОУ и его составляющих;

- анализ срабатываний блокировок и защит;

- диагностика протекания технологического процесса и состояния оборудования;

- прогнозирование хода технологического процесса и состояния оборудования;

- расчет технико-экономических и эксплуатационных показателей функционирования ТОУ;

- подготовка информации и выполнение процедур обмена информации со смежными и вышестоящими системами управления.

Управляющие функции

-определение рационального режима ведения технологического процесса;

- формирование и передача на входы исполнительных устройств управляющих воздействий;

- выдача оператору рекомендаций по управлению технологическим процессом.

Вспомогательные функции

- обеспечение алгоритма функционирования системы;

-формирование информационных массивов;

- введение информационной базы

- диагностика состояния КТС

Перечень функций конкретной АСУ ТП устанавливается техническим заданием на создание АСУ ТП.

Функции АСУ ТП можно реализовать в следующих режимах:

- информационно - советующим, при котором средства ВТ вырабатывают и выдают оперативному персоналу рекомендации по управлению процессом;

- комбинированном при котором средства ВТ изменяют уставки и параметры настройки локальных систем управления;

- прямого управления, при котором средства ВТ обеспечивают непосредственное управление исполнительными устройствами.

Непрерывный стан холодной прокатки, как объект автоматического регулирования, характеризуется наличием ряда взаимосвязанных регулирующих воздействий и многих возмущающих факторов, действующих на различные элементы системы стана.

Изменение толщины и твердости подката, эксцентриситет валков прокатных клетей, изменение коэффициента трения в зоне деформации, проявление эффекта скорости и ряд других факторов представляют собой возмущения процесса прокатки.

Сложность и многообразие внутренних взаимосвязей в системе непрерывного стана обусловлены влиянием упругости прокатных клетей, зависимости опережения металла от натяжения, явлением транспортного запаздывания и свойствами привода.

Функции АСУ ТП непрерывного стана холодной прокатки:

- слежение за рулонами от разматывателя до маркировочной машины;

- расчет установок для настройки стана на прокатку заданного сортамента;

- управление основными и вспомогательными механизмами прокатного стана;

- управление скоростными режимами прокатки;

- регулирование натяжения полосы;

- регулирование планшетности полосы;

- центрирование полосы по оси стана;

- контроль температуры полосы и валков;

- регулирование расхода смазочно-охлаждающей жидкости;

- измерение усилия прокатки и крутящих моментов;

- учет расхода энергоносителей;

- сбор, обработка и выдача технической и производственной информации, поступающей с пультов ручного ввода, от средств автоматического контроля и систем автоматизации;

- диагностика неисправностей оборудования.

Схема АСУ ТП непрерывного стана холодной прокатки представлена на рис.1.

Ðèñ. 1. - Ñõåìà ÀÑÓ ÒÏ ñòàíà õîëîäíîé ïðîêàòêè

Ñèñòåìû: 1 - àâòîìàòè÷åñêîé ïåðåâàëêè ðàáî÷èõ âàëêîâ; 2 - àâòîìàòè÷åñêîé ïîäà÷è è óáîðêè ðóëîíîâ; 3 - àâòîìàòè÷åñêîé çàäà÷è ïîëîñû â êëåòè; 4 - àâòîìàòè÷åñêîãî ïîçèöèîíèðîâàíèÿ ìåõàíèçìîâ; 5 - àâòîìàòè÷åñêîãî ðåãóëèðîâàíèÿ íàòÿæåíèÿ ïîëîñû ìåæäó êëåòüþ è ðàçìàòûâàòåëåì; 6 - àâòîìàòè÷åñêîãî ðåãóëèðîâàíèÿ òåìïåðàòóðû âàëêîâ; 7 - àâòîìàòè÷åñêîé óñòàíîâêè ïàðàëëåëüíîñòè âàëêîâ; 8 - àâòîìàòè÷åñêîãî óïðàâëåíèÿ ñîîñíîñòüþ âàëêîâ; 9 - àâòîìàòè÷åñêîãî ðåãóëèðîâàíèÿ ñêîðîñòè ïðîêàòêè; 10 - àâòîìàòè÷åñêîãî ðåãóëèðîâàíèÿ ìåæêëåòåâûõ íàòÿæåíèé; 11 - àâòîìàòè÷åñêîãî ðåãóëèðîâàíèÿ òîëùèíû ïîëîñû; 12 - àâòîìàòè÷åñêîãî öåíòðèðîâàíèÿ ïîëîñû; 13 - àâòîìàòè÷åñêîãî ðåãóëèðîâàíèÿ íàòÿæåíèÿ ïîëîñû ìåæäó êëåòüþ è ìîòàëêîé; 14 - òî÷íîé îñòàíîâêè áàðàáàíà ìîòàëêè; 15 - àâòîìàòè÷åñêîãî ðåãóëèðîâàíèÿ ïàðàìåòðîâ ñìàçî÷íî-îõëàæäàþùåé æèäêîñòè; 16 - ðàñ÷åòà è âûäà÷è óñòàâîê ïàðàìåòðîâ; 17 - îïòèìèçàöèè ïðîöåññà ïðîêàòêè; 18 - ñëåæåíèÿ çà ðóëîíàìè îò ðàçìàòûâàòåëÿ äî ìàðêèðîâî÷íîé ìàøèíû; 19 - ñáîðà, îáðàáîòêè è âûäà÷è òåõíè÷åñêîé è ïðîèçâîäñòâåííîé èíôîðìàöèè; 20 - äèàãíîñòèêè íåèñïðàâíîñòåé îáîðóäîâàíèÿ.

Ñðåäñòâà àâòîìàòè÷åñêîãî êîíòðîëÿ: 21 - äàò÷èêè íàëè÷èÿ ðóëîíîâ íà ðàçìàòûâàòåëå è ìîòàëêå; 22 - èçìåðèòåëü äèàìåòðà è øèðèíû ðóëîíà; 23 - èçìåðèòåëü ïîëîæåíèÿ ðóëîíà íà ðàçìàòûâàòåëå (ïî îñè ñòàíà è âûñîòå); 24 - äàò÷èê íà÷àëà è êîíöà ïîëîñû; 25 - äàò÷èê ïîëîæåíèÿ ñâàðíîãî øâà; 26 - äàò÷èê ïîëîæåíèÿ ïîëîñû îòíîñèòåëüíî ïðîäîëüíîé îñè ñòàíà; 27 - èçìåðèòåëü óñèëèÿ ïðîêàòêè; 28 - èçìåðèòåëü êðóòÿùåãî ìîìåíòà íà øïèíäåëÿõ; 29 - èçìåðèòåëü óñèëèÿ óñòðîéñòâ ðåãóëèðîâàíèÿ êëåòåé; 30 - äàò÷èê âêëþ÷åíèÿ è âûêëþ÷åíèÿ ýëåêòðîäâèãàòåëåé íàæèìíûõ ìåõàíèçìîâ; 31 - èçìåðèòåëü òåìïåðàòóðû ïîëîñû è âàëêîâ; 32 - äàò÷èê ïåðåìåùåíèÿ âñïîìîãàòåëüíûõ ìåõàíèçìîâ; 33 - èçìåðèòåëü çàçîðà ìåæäó ðàáî÷èìè âàëêàìè; 34 - èçìåðèòåëü íàòÿæåíèÿ ïîëîñû; 35 - èçìåðèòåëü òîëùèíû ïîëîñû; 36 - èçìåðèòåëü ñêîðîñòè ïîëîñû; 37 - èçìåðèòåëü äëèíû ïîëîñû; 38 - èçìåðèòåëü ìàññû ðóëîíîâ; 39 - äàò÷èêè ðàñõîäà ñìàçî÷íîé è îõëàæäàþùåé æèäêîñòåé.


Îñíîâíûìè ëîêàëüíûìè ñèñòåìàìè óïðàâëåíèÿ óñòðîéñòâàìè ÿâëÿþòñÿ:

1) ñèñòåìû óïðàâëåíèÿ ïîëîæåíèåì âàëêîâ;

2) ñèñòåìû óïðàâëåíèÿ ñêîðîñòüþ âðàùåíèÿ âàëêîâ;

3) ñèñòåìû óïðàâëåíèÿ óñèëèÿìè íàïðÿæåíèÿ êëåòåé (äëÿ êëåòåé, îáîðóäîâàííûõ ñïåöèàëüíûìè óñòðîéñòâàìè);

4) ñèñòåìû óïðàâëåíèÿ íàòÿæåíèåì ìîòàëêè è ðàçìàòûâàòåëÿ;

5) ñèñòåìû óïðàâëåíèÿ ðàñõîäîì ñìàçî÷íî-îõëàæäàþùåé æèäêîñòè ïî äëèíå áî÷êè âàëêîâ.

Ëîêàëüíûå ñèñòåìû óïðàâëåíèÿ òåõíîëîãè÷åñêèìè ïåðåìåííûìè âêëþ÷àþò:

1) ñèñòåìó ðåãóëèðîâàíèÿ íàòÿæåíèÿ ïîëîñû ìåæäó êëåòÿìè ñòàíà;

2) ñèñòåìó ðåãóëèðîâàíèÿ òîëùèíû ïîëîñû;

3) ñèñòåìó ðåãóëèðîâàíèÿ ôîðìû (ïðîôèëÿ è ôîðìû) ïîëîñû.

Ëîêàëüíûå ñèñòåìû óïðàâëåíèÿ òåõíîëîãè÷åñêèìè ïåðåìåííûìè íåïðåðûâíîãî ñòàíà õîëîäíîé ïðîêàòêè âçàèìîäåéñòâóþò ÷åðåç ñòàí ìåæäó ñîáîé. Ïîýòîìó îíè ñòðîÿòñÿ êàê ýëåìåíòû åäèíîé êîìïëåêñíîé ñèñòåìû àâòîìàòè÷åñêîãî óïðàâëåíèÿ òåõíîëîãè÷åñêèìè ïåðåìåííûìè ñòàíà.

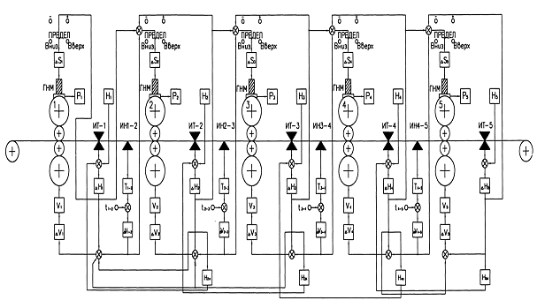
Òîëùèíà ïîëîñû èçìåðÿåòñÿ èçìåðèòåëåì òîëùèíû çà 1-é êëåòüþ, ñðàâíèâàåòñÿ ñ çàäàííîé.

Ïîëó÷åííûé ñèãíàë ðàññîãëàñîâàíèÿ âîçäåéñòâóåò íà:

à) ïåðåìåùåíèå ÃÍÌ 1-é êëåòè;

á) èçìåíåíèå ñêîðîñòè 1-é êëåòè.

Äàëåå, òîëùèíà ïîëîñû, èçìåðåííàÿ èçìåðèòåëåì òîëùèíû çà 2-îé êëåòüþ, ñðàâíèâàåòñÿ ñ çàäàííîé. Ïîëó÷åííûé ñèãíàë ðàññîãëàñîâàíèÿ âîçäåéñòâóåò:

1 ïî îòêëîíåíèþ íà:

à) èçìåíåíèå ñêîðîñòè 1-é êëåòè;

á) ïåðåìåùåíèå ÃÍÌ 2-îé êëåòè.

2 ïî âîçìóùåíèþ ÷åðåç áëîê ðåãóëèðóåìîãî çàïàçäûâàíèÿ íà:

à) èçìåíåíèå ñêîðîñòåé êëåòåé 1 è 2 êëåòåé;

á) èçìåíåíèå ñêîðîñòè êëåòè 3 (â ïðîòèâîïîëîæíîì íàïðàâëåíèè ñêîðîñòÿì êëåòåé 1 è 2);

â) èçìåíåíèå ñêîðîñòåé êëåòåé 1,2,3 äëÿ ëèêâèäàöèè ðàçíîòîëùèííîñòè, åñëè íå èñïðàâèëè òîëùèíó êàíàëîâ (Á) è (Ã);

ã) ïåðåìåùåíèå ÃÍÌ 3-é êëåòè.

Ïîñëå ýòîãî òîëùèíà ïîëîñû, èçìåðåííàÿ èçìåðèòåëåì òîëùèíû çà 3-é êëåòüþ, ñðàâíèâàåòñÿ ñ çàäàííîé. Ïîëó÷åííûé ñèãíàë ðàññîãëàñîâàíèÿ âîçäåéñòâóåò:

1 ïî îòêëîíåíèþ íà:

à) èçìåíåíèå ñêîðîñòåé êëåòåé 1,2;

á) ïåðåìåùåíèå ÃÍÌ 3-é êëåòè.

2 ïî âîçìóùåíèþ ÷åðåç áëîê ðåãóëèðóåìîãî çàïàçäûâàíèÿ íà:

à) èçìåíåíèå ñêîðîñòåé êëåòåé 1.2.3;

á) èçìåíåíèå ñêîðîñòè 4-îé êëåòè (â ïðîòèâîïîëîæíîì íàïðàâëåíèè ñêîðîñòÿì 1,2,3 êëåòåé);

â) ïåðåìåùåíèå ÃÍÌ 4-îé êëåòè.

Çàòåì òîëùèíà ïîëîñû, èçìåðåííàÿ èçìåðèòåëåì òîëùèíû çà 4-îé êëåòüþ, ñðàâíèâàåòñÿ ñ çàäàííîé. Ïîëó÷åííûé ñèãíàë ðàññîãëàñîâàíèÿ âîçäåéñòâóåò:

1 ïî îòêëîíåíèþ íà:

à) èçìåíåíèå ñêîðîñòåé êëåòåé 1.2.3;

á) ïåðåìåùåíèå ÃÍÌ 4-é êëåòè.

2 ïî âîçìóùåíèþ ÷åðåç áëîê íà:

à) èçìåíåíèå ñêîðîñòåé êëåòåé 1,2,3,4;

á) èçìåíåíèå ñêîðîñòè 5-é êëåòè (â ïðîòèâîïîëîæíîì íàïðàâëåíèè ñêîðîñòÿì 1,2,3,4 êëåòåé);

â) ïåðåìåùåíèå ÃÍÌ 5-îé êëåòè.

Äàëåå òîëùèíà ïîëîñû, èçìåðåííàÿ èçìåðèòåëåì òîëùèíû çà 5-é êëåòüþ, ñðàâíèâàåòñÿ ñ çàäàííîé. Ïîëó÷åííûé ñèãíàë ðàññîãëàñîâàíèÿ âîçäåéñòâóåò íà:

à) ïåðåìåùåíèå ÃÍÌ 5-îé êëåòè;

á) èçìåíåíèå ñêîðîñòè 5-îé êëåòè.

Ñòðóêòóðíàÿ ñõåìà îñíîâíûõ âîçäåéñòâèé ðåãóëèðîâàíèÿ êîìïëåêñà ÑÀÐÒèÍ 5-êë. ñòàíà "630" ïðèâåäåíà íà ðèñóíêå 2.

Ðèñóíîê 2. - Ñòðóêòóðíàÿ ñõåìà îñíîâíûõ âîçäåéñòâèé ðåãóëèðîâàíèÿ êîìïëåêñà ÑÀÐÒ è Í 5-êë. ñòàíà "630": ÃÍÌ - ãèäðàâëè÷åñêèé íàæèìíîé ìåõàíèçì; ÈÒ - èçìåðèòåëü òîëùèíû; ÈÍ - èçìåðèòåëü íàòÿæåíèÿ; Í1, Í2, Í3, Í4, Í5 - óñòàâêè òîëùèíû; t - óñòàâêà íàòÿæåíèÿ;

Ñïèñîê èñïîëüçîâàííîé ëèòåðàòóðû

1.       Îìåëü÷åíêî Á. ß. Ðàöèîíàëüíûé îáú¸ì àâòîìàòèçàöèè ïðîêàòíûõ ñòàíîâ. Ìåòîä. óêàç. ïî êóðñó «Îñíîâû àâòîìàòèçàöèè ïðîöåññîâ ÎÌÄ» äëÿ ñòóäåíòîâ ñïåö. 110600. Ìàãíèòîãîðñê: ÌÃÒÓ, 2004. 42 ñ.

2.       ×åëþñòêèí À.Á. Àâòîìàòèçàöèÿ ïðîöåññîâ ïðîêàòíîãî ïðîèçâîäñòâà. Ì.: Ìåòàëëóðãèÿ, 1971, 296 ñ.

3.       Âûäðèí Â.Í., Ôåäîñèåíêî À.Ñ. Àâòîìàòèçàöèÿ ïðîêàòíîãî ïðîèçâîäñòâà. Ó÷åáíèê äëÿ âóçîâ. Ì.: Ìåòàëëóðãèÿ, 1984. 472 ñ.

Похожие работы на - АСУ ТП 5-ти клетевого стана 630 холодной прокатки

 

Не нашли материал для своей работы?
Поможем написать уникальную работу
Без плагиата!
Без нейросетей!