Система управління транспортними SDH-мережами
Вступ
Зосередимо увагу на
вимогах, можливій архітектурі, функціонування та інших питаннях побудови різних
видів системи управління, відповідно до завдань, забезпечення яких покладене на
основі види мереж, що складають національну мережу телекомунікацій загального
користування: транспортні мережі, побудовані з використанням технологій
синхронної цифрової ієрархії SDH, асинхронний спосіб перенесення інформації АТМ
та телефонні мережі як мережі доступу до послуг телекомунікацій.
З урахуванням його
обмеженого обсягу та головної мети - дати загальні уявлення про проблематику
управління телекомунікаціями, автори свідомо не розглядали принципи,
архітектуру, специфічні особливості управління мережами рухомого зв’язку,
мережами радіо доступу та мережами супутникового зв’язку, що є предметом
окремого видання.
1. Система управління
мережами SDH
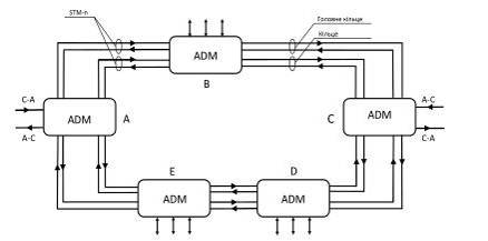
Система управління
цифровою магістральною мережею (СУ ЦММ), яка будується з використанням
технології SDH (рис. 1.1), входить до загальної системи управління мережами
телекомунікацій, що складається з автоматизованих систем управління окремими
видами мереж. Взаємодія між цими системами має здійснюватись на рівні головного
або національного центрів управління (рис. 2.1).
Управління системами
передавання, які складають фрагменти магістральної мережі SDH, здійснюється
вмонтованими підсистемами управління SMS, SMSw (Sub-Management
System)забезпечують управління елементами фрагментів мереж, побудованих (або що
будуються) з використанням технічних засобів різних постачальників (Ericsson,
Nortel, Lucent Technologies), які використовують різні інтерфейси, протоколи,
інформаційні моделі, про що ми вже розповідали. Це спонукає створювати
операційну систему загально мережного рівня OSCY ЦММ, яка б забезпечила
автоматизоване управління усією мережею SDH (усією сукупністю фрагментів), а
також дозволила б об’єднати в управлінні існуючі аналогові магістральні мережі
та мережі, побудовані за технологією PDH.
Рис. 1.1 Цифрова та
магістральна мережа SDH
Основні положення щодо
принципів та архітектури мережі управління за концепцією TMN розглянуто в
розділі 4. Тому далі лише доповнимо сказане деякими деталями, що стосується
конкретного використання цієї архітектури при побудові системи управління для
мережі SDH.
2. Архітектура
мережі управління
Система управління
мережею SDH (рис. 2.3) складається з центру управління (основного і, з метою
безпеки. резервного) та локальних центрів управління, об’єднаних мережею
передачі даних. Центр управління СУ ЦММ може управляти елементами мереж не
безпосередньо. А через локальні центри, які забезпечують управління елементами
фрагментів мереж у мережах підсистеми SMS.
Рис. 2.2 Місце СУ ЦММ
(SDH) у загальній структурі системи управління мережами телекомунікацій
Мережа передачі даних
може будуватись з використанням каналу ЕСС систем передавання SDH (DCC у
структурі STMn), може використовувати будь-яку пакетну мережу WAN (X.25
FrameRealy, ATM), чи канали користувачів SDH, які спеціально виділяються для
цього.
Створювані центри
управління мають бути з’єднаними кількома незалежними шляхами, щоб забезпечити
надійність передавання інформації управління. Можна, наприклад, додатково
створити постійний канал типу «пункт-пункт» між центрами управління.
Система управління
мережами SDH використовує частину ресурсу цих мереж, а саме:
o Частину ресурсу, визначену на заголовках циклів, в яких міститься
інформація, що використовується в управлінні;
o Частину ресурсу, визначену як резерв для забезпечення управління.
Система не створюється
безпосередньо на заголовках SDH. У кожному активному елементі SDHміститься
спеціальний модуль, який реалізує функції управління елементом, використовуючи
при цьому інформацію, що знаходиться в заголовках. Такий модуль надає системі
можливості управління ресурсами за допомогою стандартних операцій.
На прикладному рівні
застосовується протокол СМІР. На нижчих рівнях можна використовувати протоколи
із специфікації OSI, або з інших специфікацій, наприклад ТСР/ІР. Більшість
фірм-виробників дотримується саме цього рішення. З вибором протоколів тісно
пов’язані такі задачі, як адресація та вибір траси (routing) на мережному
рівні. Усі протоколи мережного рівня (в тому числі протоколи OSI та протокол
IP) застосовують ієрархічну адресацію. Адреса обладнання складається з
ідентифікатора під мережі та ідентифікатора обладнання в цій підмережі. З метою
підвищення ефективності управління використовується відповідний умовний
розподіл мережі на підмережі. Є можливість використання в мережі різних наборів
протоколів, однак у цьому разі належить застосувати спеціальні перетворювачі
протоколів - шлюзи (gateway) до каналів під мереж, що використовують різні
протоколи. Це збільшує витрати на мережу передачі даних.
Елементи мережі
здійснюють обмін інформацією за допомогою стандартних інтерфейсів (стиків).
Стандарт для протоколів
рівнів 1-3 OSI/ISO є дуже еластичним та допускає можливість багатьох рішень
варіантів протоколів. Ці рішення представлені у формі ISP (International
Standard Profiles). Передбачається можливість застосування таких платформ:
o Родина протоколів Х.25 (як у версії прямих з’єднань, так і без
них);
o Мережі LAN;
o ISDN (канал D або канал В);
o Мережа сигналізації CCS7.
На транспортному рівні
OSI/ISO є можливість роботи як за прямими з’єднаннями, так і без них. У разі
відсутності прямого з’єднання потрібен транспортний протокол четвертого рівня
(надійний протокол транспортного рівня). У разі прямого з’єднання не
вимагається застосування транспортного протоколу четвертого рівня, але він є
рекомендованим. На сеансовому рівні потрібен пристрій ядра (kernelunit), а
також дуплексне обладнання. На представницькому рівні потрібен лише пристрій
ядра. Представницький рівень має реалізовувати синтаксис (нотацію) ASN.1. На
прикладному рівні використовуються такі елементи послуг:
o Елемент служби управління асоціацією ACSE (Associations Control
Service Element);
o Елемент служби віддалених операцій ROSE (Remote Operations Service
Element);
o Елемент служби спільної інформації CMISE (Common Management
Information Service Element);
На мережному рівні
управління (network management layer) ще немає прийнятої та узгодженої
інформаційної моделі. Роботи над такою моделлю тривають в ETSI та ITU-T. Обсяг
відповідності останніх упроваджень стику Q3 стандартам визначається
на основі спеціальних бланків (формулярів):
o Відповідність набору протоколів - формуляр PICS (Protocol
Implementation Conformance Statement);
o Відповідність інформаційної моделі - формуляр MOCS (Managed
Objects Conformance Statement);
Опис формуляра MOCS
міститься в рекомендації IYU-TX.724 [224]. Формуляр MOCS для шаблонів класів,
сформованих у рекомендації ITU-TM.3000 [124], описаний у рекомендації
ITU-TM.3101 [128].
Рис. 2.3. Система
управління мережею SDH
3. Функціональна
модель транспортної мережі й управління
платформа
мережа цифровий магістральний
Фізична мережа SDH
складається з таких елементів, як кінцеве обладнання, регенератори,
крос-конектори та ін., з’єднаних між собою оптоволоконними кабелями в мережу
(решітчасту або кільцеву). Звичайно, такий погляд на мережу не дає можливості
ефективно управляти нею. Тому створюється модель на основі функціональності
мережі, або на основі її технології. В цих моделях мережа поділяється на менші
одиниці, які розглядаються незалежно. Загальноприйнятою є модель з розподілом
на рівні, які знаходяться у відносинах користувач - сервер, тобто найнижчий за
ієрархією рівень надає послуги вищому рівню. Внаслідок стандартизації
міжрівневих стиків є можливість проектувати та впроваджувати рішення доля
кожного рівня окремо. Поділ мережі на рівні називається вертикальним поділом.
Він не залежить від мережі управління, але використовується при створенні
інформаційної моделі мереж управління. Перевагами поділу транспортної мережі на
рівні є те, що:
o Кожна мережа рівня має своє призначення та виконує пов’язані з ним
операції;
o Кожна мережа рівня може мати власні можливості діагностики та
локалізації пошкоджень;
o Структура мережі схована в мережі рівня;
o Спрощується створення моделі мережі (вона може мати різні
вирішення для різних схем організації зв’язку;
o З’єднання між підмережами різних операторів або адміністративних
територій) знаходяться в одній мережі рівня;
o У мережі рівня можливі спільні дії навіть для окремих адміністративних
територій (наприклад оптимізація продуктивності).
Кожен рівень так можна
поділити на підрівні (sublayer). Транспортна мережа в рекомендаціях ITU-TG.803
поділена на три рівні (від найнижчого до найвижчого):
o Рівень транспортних засобів (physical media layer);
o Рівень трактів (path layer);
o Рівнь абонентських з’єднань (circuit layer).
Такий поділ транспортної
мережі на рівні показано на рис. 7.4.
Рівень засобів
передавання - це мережа фізичних елементів SDH та з’єднань між ними. Вона
поділяється на рівень секції (section layer) та рівень фізичних засобів
(physical media layer). Рівень секції відповідає за контроль з’єднань «пункт -
пункт» між двома сусідніми одиницями обладнання SDH (вдповідає потоку
SRM-nSDH). Рівень секції поділений на рівні секцій регенерації та
мультиплексування. Для обслуговування функції рівня секції в структурі потоку
STM-n виділено спеціальну структуру даних, названу заголовком секції (section
overhead). Вона поділена на окремі частини для секції регенерації та мультиплексної
секції. Рівень фізичних засобів контролює лінійне оснащення в обладнання SDH.
Рівень трактів охоплює
мережу логічних з’єднань між окремими функціональними одиницями мережі SDH та
забезпечує перенесення інформації між двома довільними вузлами для мережі
з’єднань користувача. Для обслуговування функції цього рівня в структурі STM-n
відводяться структури даних, названі віртуальними контейнерами. Кожний
віртуальний контейнер містить поле, що називається заголовком тракту, в якому
знаходиться інформація. Необхідна для управління трактом. Рівень трактів
поділяється на рівень трактів вищого порядку (контейнери VC-4) та рівень
трактів нижчого порядку (контейнери VC-12, VC-3).
Рис. 3.1. Модель рівнів
транспортної мережі
Рівень абонентських
з’єднань - це мережа каналів користувачів, призначених для забезпечення
послугами передавання інформації. Ними можуть бути, наприклад, канали 2 Мбіт/с
з телефонних станцій або орендованих ліній. Фізичний стик між рівнем з’єднань
користувача та нижчими рівнями - це набір портів обладнання SDH, до яких можна
підключати сигнали, які потрібно передати мережею.
Докладну інформацію про
структуру циклу STM-n можна знайти в рекомендації ITU-TG.709.
У подальшому при
описуванні сусідніх рівнів використовуються узагальнені поняття: рівень
користувача для вищого за ієрархією рівня та рівень серверу для нижчого рівня.
У моделі архітектури
транспортної мережі для опису рівнів використовуються такі елементи (відповідно
до рекомендації ITU-TG.803):
o Мережний рівень (layer network). Визначений як закінчений набір
пунктів доступу, що можуть бути з’єднані між собою з метою передавання
інформації, яка називається характеристичною. З’єднання між пунктами доступу
може бути створене або усунене за допомогою процесу управління рівнем. Мережний
рівень складається з під мереж та каналів між ними;
o Під мережа (sub network). Повний набір пунктів з’єднань, які
можуть бути з’єднані для пересилки характеристичної інформації. З’єднання між
пунктами доступу можуть бути створені або усунені за допомогою управління
рівнем. Під мережа складається з під мережі нижчого рівня і з’єднань між ними.
Найменшою неподільною під мережею є матриця (наприклад, цифровий комутатор);
o Канал(link). Набір пунктів з’єднань у мережах однієї під мережі
асоціюється з підбором пунктів з’єднань в іншій під мережі з метою передавання
характеристичної інформації між під мережами. Підбір певних з’єднань не може
змінюватися за допомогою управління рівнем (канал описує статичне власне
з’єднання між під мережами, які відповідають різним елементам мережі).
Найнижчим рівнем рекурсії каналу є обладнання передавання;
o Пункти віднесення (referencepoints) - це пункти на мережі
функціональних елементів. Пункт віднесення не може перевищувати елемент мережі;
o Пункт доступу та пункт віднесення на межі мережі рівня знаходяться
між функцією закінчення тракту та функцією адаптації;
o Група доступу (accessgroup) - група спільно розташованих пунктів
доступу разом з об’єднаними функціями закінчення трактів;
o Транспортна одиниця (transportentity) - функціональна одиниця, яка
дозволяє прозору передачу інформації між пунктами віднесення; не вносить змін
між входом та виходом (крім випадків зниження якості сигналу); головними
транспортними одиницями є з’єднання та тракт;
o Мережне з’єднання (networkconnection) дозволяє прозору передачу
інформації через мережу. Це з’єднання є найбільш загальним видом з’єднань та
може бути поділене на з’єднання за допомогою під мережі та з’єднання за
допомогою каналів. Не містить інформації відносно інтегральності даних, що
передаються;
o З’єднання за допомогою під мережі (subneworkconnection) дозволяє
прозору передачу інформації через під мережу. Може містити з’єднання під мережі
нижчого порядку та з’єднання за допомогою каналів. Найнижчим рівнем рекурсії є
з’єднання в матриці;
o З’єднання за допомогою каналу (linkconnection) дозволяє прозору
передачу інформації через канал між двома під мережами. З’єднання за допомогою
каналу на рівні клієнта реалізоване на рівні серверу через тракт;
o Тракт, шлях (trail) дозволяє передачу характеристичної інформації
між пунктами доступу. Містить додаткову інформацію, що забезпечує
інтегральність даних, які передаються. Тракт утворюються мережними з’єднанням
із застосуванням функції закінчення тракту;
o Транспортна функція (transportfunction) - функція, розміщена на
межі рівня клієнта до форми, що дає можливість її передавання на рівні серверу,
а також комплементарний процес, що відшукує цю інформацію з рівня серверу. Може
проводити такі прикладні операції: кодування, зміна бітової послідовності,
вирівнювання послідовності, мультиплексування, доповнення;
Частина мережі
визначеного рівня називається мережним рівнем (layernetwork). Мережний рівень
можна поділити на рівнозначні(subnetwork). Мережний рівень поділяється на під
мережі для кращого сприйняття його структури. Такий поділ проводиться або на
основі внутрішньої структури даного мережного рівня, або на основі поділу
компенсації управління (наприклад, може відображати місцеву структуру оператора
мережі). Поділ на під мережі не може нічого змінювати в функціональності
мережі, особливо не підлягають зміні кількість портів мережного рівня та їх
можливі з’єднання, змінюється лише вигляд мережі. Під мережа має вигляд
окресленого контуру, що дає можливість пересилати інформацію між пунктами,
розташованими на його межах. Підмережі можна рекурсивно поділяти на під мережі
нижчого порядку, що дає можливість отримувати бажаний ступінь деталізації.
Підмережі об’єднані між собою та з пунктами доступу за допомогою каналів.
Зазначимо, що існує
відмінність у поділі транспортної мережі на рівні та поділу мережного рівня на
під мережі. Поділ мережі на рівні змінюється зі зміною структури сигналу, що
передається, додаванням інформації, бітовим доповненням і т. ін. (наприклад,
розміщення віртуального контейнера VC-4 в структурі STM-1). Окремі рівні
знаходяться в одному фізичному обладнанні SDH десь на шляху від вхідного порту
(наприклад, порту 2 Мбіт/с) до вихідного порту STM-n. На відміну від
транспортної мережі, поділ мережного рівня на під мережі відбувається без зміни
структури сигналу, під мережі тільки маскують більш складні фрагменти мережного
рівня та дають можливість розглядати його як один функціональний фрагмент.
Поділ на під мережі може здійснюватися через один або кілька фізичних елементів
мережі, але для сигналів одного порядку (наприклад, VC-4).
З’єднання між пунктами
доступу на межі мережного рівня називається каналом. Канал забезпечує прозору
передачу інформації та її інтегральність. Поняття каналу є певною абстракцією і
може застосовуватись для кожного рівня. Так на рівні засобів передавання канал
є еквівалентом секції, на рівні тракту - еквівалентом тракту, але на рівні
з’єднань користувача поняття каналу еквівалентне поняттю канал користувача.
Канал складається з двох функцій закінчення каналу (що підтверджують інтегральність
даних), а також ряду з’єднань (connection). З’єднання потрібні для прозорого
передавання даних, але на рівні з’єднань не підтверджується їх інтегральність
(цим з’єднання відрізняється від каналу). Розрізняють з’єднання за допомогою
каналу та з’єднання за допомогою під мережі. З’єднання можна рекурсивно
поділяти на з’єднання нижчого порядку (подібно під мережам), де межею є
з’єднання за допомогою матриці. З’єднання в мережі рівня клієнта завжди
реалізуються через канал мережі рівня серверу.
Сигнал з рівня клієнта
на рівні серверу підлягає адаптації для форми, необхідної для його передавання.
Визначені в рекомендаціях функції пристосування наведено в табл. 3.1.
Таблиця 3.1
|
Рівень користувача
|
Рівень серверу
|
Відповідність рекомендаціям
|
Характеристична інформація рівня
клієнта
|
|
1554 kbit/s asynch 1554 kbit/s bit
synch 1554 kbit/s byte synch 2048 kbit/s asynch 2048 kbit/s bit synch 2048
kbit/s byte synch 6312 kbit/s asynch 34 368 kbit/s asynch 44 736 kbit/s
asynch 139 264 kbit/s asynch B-ISDN.ATM.virtual path VC-11 path VC-12 path
VC-2 path VC-3 LO path VC-3 HO path VC-4 path
|
VC-11 path VC-11 path VC-11 path
VC-12 path VC-12 path VC-12 path VC-2 path VC-3 path VC-3 path VC-4 path
VC-4 path or VC-4-4c(note) VC-3 HO path or VC-4 path VC-3 HO path or VC-4
path VC-3 HO path or VC-4 path VC-4 path STM-n section STM-n section
|
G.709 G.709 G.709 G.709 G.709
G.709 G.709 G.709 G.709 G.709 G.709 G.709 G.709 G.709 G.709 G.709 G.709
|
1554 kbit/s ±50ppm 1554 kbit/s
nominal 1554 kbit/s nominal G.704 octet structured 2048 kbit/s ±50ppm 2048
kbit/s nominal 2048 kbit/s nominal G.704 octet structured 6312 kbit/s ±30ppm
34 368 kbit/s ±20ppm 44 736 kbit/s ±20ppm 139 264 kbit/s ±15ppm 53 - octrt
cells VC-11 + frame offset VC-12 + frame offset VC-2 + frame offset VC-3
+ frame offset VC-3 + frame offset VC-4 + frame offset
|
Відносність опису
однакових функціональних елементів кожного рівня, таких як канал, з’єднання та
під мережа спрощує багато задач, дає можливість управляти мережею кожного рівня
за допомогою одних і тих самих об’єктів, що значно спрощує інформаційну модель.
Рис. 3.2. Приклад
простої мережі SDH
Жирним шрифтом у табл.
3.1 позначено функції, що будуть використані на мережі SDH; HO (High Order) -
рівень трактів вищого порядку; LO (Low Order) - рівень трактів нижчого порядку.
Нижче наведено приклади
опису моделі мережного рівня. Розглянемо функціональну модель рівня засобів
передавання на прикладі простої мережі SDH, яка представлена на рис. 3.2. Ця
мережа складається зі скелетної мережі, регіональних кілець, а також місцевих
(міських) кілець.
До складу скелетної
мережі входить шість вузлів, з’єднаних між собою лініями STM-16. Кожне
регіональне кільце підключене до скелетної мережі в двох місцях, безпосередньо
між собою кільця не з’єднані.
До регіональних кілець
підключені місцеві кільця, в місцевих кільцях містяться вузли (станції
зв’язку). На рис. 3.2 для спрощення місцеві кільця зображено тільки в тих
місцях, де вони підключені до місцевої мережі, а також для прикладу, одне
кільце в місці, де воно не підключене до скелетної мережі. Все обладнання
мережі, разом зі з’єднаннями між ними, утворюють національну під мережу
загальносвітової мережі SDH. Національна під мережа з’єднана з міжнародною
мережею в трьох місцях за допомогою електричних з’єднань STM-1.
Як уже згадувалося,
транспортна мережа поділяється на кілька рівнів. На кожному рівні мережа має
різний вигляд. Кожний рівень має свою функціональність та може бути, за бажанням
оператора, умовно поділеним на під мережі незалежно від інших рівнів.
Функціональність мережі,
звичайно, не зв’язана з географією, однак зручно розмістити елементи мережі на
фоні географічної карти з прив’язкою до конкретного маршруту, напрямку,
регіону, тощо, завдяки чому оператор може, наприклад, швидше локалізувати
ресурси мережі або визначити з якого найближчого пункту краще направляти
ремонтну бригаду для усунення пошкодження. Треба зазначити, що не обов’язково
поділяти мережу на під мережі, однак застосування такого поділу набагато
спрощує управління транспортною мережею, оскільки дає можливість у конкретній
ситуації зосередитись на суттєвих в цей момент деталях. У системі управління
зображення під мережі можуть бути реалізованими у вигляді графічних вікон на
екрані монітору, до яких звертається оператор.
На рівні засобів
передавання видно фізичну структуру мережі SDH, можна розрізнити решітчасті та
кільцеві з’єднання. На цьому рівні можна побачити все обладнання SDH та зв’язки
між ними. На карті, звичайно, не можливо зобразити одночасно все обладнання без
затемнення малюнка, однак є певні способи спрощення, які дають змогу оператору
увагу на суттєвому. Таку можливість дає поділ на під мережі. Рівень засобів
передавання поділяється на два підрівні: підрівень секції регенерації та
підрівень мультиплексування. На зображенні підрівня секції регенерації видно
все обладнання, зв’язане з регенераторами, якого не видно на рівні секції
мультиплексування, і навпаки.
На рис. 3.3 зображено
фрагмент мережі SDH на екрані монітору оператора СУ ЦММ.
На рівні фізичних
засобів передавання національну під мережу можна поділити на хребетну та
регіональні. Регіональну під мережу можна поділити на регіональне кільце та
місцеві під мережі. Місцеві під мережі можна поділити на під мережі місцевих
кілець та під мережі вузлів (станцій) зв’язку, а в цих останніх мережах можна
вже зображати окреме обладнання SDH.
Канали, як і під мережі,
є елементами функціональної моделі й призначені для передавання інформації між
різними пунктами, розміщеними на межах під мереж, їх, як і під мережі, також
можна рекурсивно поділяти на менші елементи. На під мережі оператор може
визначати порядок з’єднань між окремими пунктами, створюючи таблиці з’єднань
(routing).Канали відрізняються від під мереж тим, що не дають можливості
переключати потоки, а тільки пересилають інформацію між своїми закінченнями.
Рис. 3.3 Зображення
фрагменту мережі на екрані монітору
У системі управління
можна запровадити також ієрархічні канали, щоразу поділяючи їх рекурсивно на
менші елементи. В такий спосіб можемо дійти до рівня окремих засобів
передавання. Цей підхід полегшує, наприклад, локалізацію пошкоджень. Якщо
якийсь елемент у вікні монітору набуває червоного забарвлення, що означає
аварію, то оператор кількома послідовними натисканнями на кнопку «миші»
знаходить місце пошкодження з точністю до неподільного елемента (наприклад,
відрізок оптичного кабелю).
. Завдання системи
управління мережею SDH
Приступаючи до розгляду
завдань системи управління мережею SDH, потрібно спочатку з’ясувати, в якій
мірі ця мережа пристосована до системи управління. Фізично мережа SDH
складається з активних елементів SDH (мультиплексорів ADM, крос-конвекторів DXC
та ін.) разом з набором з’єднань між ними, реалізованих за допомогою
світловодів та електричних проводів. Вона відповідає одному рівню в
багаторівневій моделі мережі, видимій через систему управління. Це найнижчий
рівень цієї моделі, який називається рівнем каналів даних. На цьому рівні доступні
єдині транспортні модулі STM-n.
Модель складається з
таких рівнів абстракції (див. табл. 3.1):
o STM-n;
o VC-4;
o VC-12, VC-3;
o Абонентський рівень (наприклад, 2 Мбіт/с).
Позначений SMT-n, VC-4,
VC-12, VC-3 є транспортними модулями, характеристичними для мережі SDH. Їх
докладний опис є в специфікаціях, що стосуються мережі SDH.
З’єднання між двома
елементами мережі SDH назеваться каналом. Набір каналів, які з’єднують два
елементи, що не мають безпосереднього з’єднувального каналу, називаються
шляхом. У рівневі моделі мережі каналу на вищому рівні може відповідати шлях на
нижчому рівні.
Управління загальною
мережею SDH з точністю до одного елемента було б дуже складним та
малоефективним, тому вводиться друга ієрархія поділу мережі, незалежна від
попередньої. Критерієм поділу є межі в географічному розумінні. Першим рівнем,
представленим у такій ієрархії, є загальнонаціональна мережа. Це набір
регіональних підмереж, з’єднаних у вигляді решітки без деталізації внутрішньої
структури регіональних меж з одночасним обмеженням обзору до одного регіону. Як
і попередній рівень, цей рівень містить з’єднані між собою підмережі в межах
області або міста. Таким чином, можна дістатися рівня одиночного елемента
мережі.
Користуючись
представленою ієрархічною моделлю, можна визначити такі завдання системи
управління мережею SDH:
o управління конфігурацією мережі;
o управління з’єднаннями та резервуванням;
o управління подіями та аваріями;
o збирання інформації про роботу мережі;
o графічне зображення засобів та роботи мережі.
o Управління конфігурацією мережі можна поділити на три фази:
планування, побудова, експлуатація.
У фазі планування
оператор має можливість абстрактних з’єднань (створень), складених з об’єктів
моделі елементів мережі. Можливе тестування роботи мережі при диференційованих
конфігураціях без фізичних змін у топології мережі. Планування - ключова стадія
при проектуванні нової мережі. Воно дозволяє з легкістю для оператора
передбачити виникнення в майбутньому можливих змін в установках, брати до уваги
їх застосування та планувати збільшення або зменшення кількості складених
з’єднань для користувачів (абонентів) системи. Це може виконуватися на різних
рівнях ієрархії мережі, тобто на рівні загальнонаціональної мережі,
регіональної, місцевої і так далі до рівня окремих елементів.
У фазі планування мережі
можливе створення нової мережі або підключення нових елементів до вже існуючої.
На відмінну від попереднього етапу, тут можна обійтися підключенням фізичних
елементів, а не їх абстрактних моделей. З цією метою система отримує від
засобів управління інформацію відносно їх типу, кількості та конфігурації, а
також кабельних з’єднань. Кожному новому елементу надають назву та підключають
до нього бази елементів. На цій основі складається нова карта мережі. В системі
можливі також конфігураційні зміни елементів мережі.
Це можна проводити
кількома методами:
o за бажанням оператора;
o автоматично про періодичному порівнянні конфігураційних даних,
записаних у базі системи управління, та даних, які знаходиться безпосередньо в
елементах мережі;
o за «бажанням» елемента мережі, який передає повідомлення про зміну
своєї конфігурації в систему управління.
o У фазі експлуатації виконуються операції обслуговування.
Управління створення
з’єднань та резервуванням
Головним завданням системи
управління мережі SDH є складання та утримування логічних з’єднань з
окресленнями пріоритетами між конкретними пунктами (NE). В момент отримання
завдання на створення задання система перевіряє всі можливі маршрути, їх
навантаження та знаходить найбільш оптимальний. Потім надсилає завдання до
системи управління елементами мережі (з метою створення з’єднання). Інформація
про дане з’єднання записується в базу даних логічних з’єднань. Упродовж усього
часу існування з’єднання система контролює його якість. Тоді, коли перестають
виконуватися умови з’єднання (наприклад, у випадку пошкодження або аварії
одного з елементів мережі), вводяться в дію механізми резервування.
Резервування поділяються
на такі види:
o резервування типу «1+1» (рис. 4.1, а). При такому виді
резервування сигнал одночасно передається двома роздільними шляхами, а в
кінцевому вузлі вибирається сигнал, який має кращу якість. У випадку
пошкодження переключення на резервний тракт (канал) здійснюється автоматично за
час близько 50 мс. Такий вид резервування надається з’єднанням з дуже високим
пріоритетом. Принциповим недоліком цього виду резервування є часткове
використання ресурсів мережі;
o Резервування типу «1:1» (рис. 4.1, б). При такому виді
резервування сигнал передається з двох можливих каналів (другий знаходиться в
резерві); переключення здійснюється у випадку його аварії. Перевагою цього типу
резервування є краще використання ресурсів, оскільки резервний канал можна
використовувати для реалізації з низьким пріоритетом, недоліком є більший
термін переключення;
o Резервування типу «1:N» (рис. 4.1, в). На відмінну від
попереднього виду резервування тут один резервний канал надається групі з N
головних каналів. Головні канали використовуються з рівними пріоритетами. У
випадку аварії одного з головних каналів функції несправного каналу виконує
резервний канал. Якщо пошкоджується більша частина головних каналів, то доступ
до резервного каналу надається з’єднанню з вищим пріоритетом. Таке резервування
забезпечує максимальне використання ресурсів, але надійність з’єднання при
цьому нижча, ніж у попередніх видах.
Рис. 4.1 Схема
резервування.
Резервування може
розглядатися залежно від рівня мережі, в якій розглянуто дане з’єднання. В
принципі резервування розглянуто окремо на рівнях каналу даних та мережі.
На рівні мережі системи
управління змінюємо маршрут з урахуванням пріоритетів способом, невідомим для
користувача з’єднання, а також незалежно від оператора. Якщо вільного ресурсу
немає, система може тимчасово усунути з’єднання з нижчим пріоритетом для
забезпечення можливості утримання з’єднання з вищим пріоритетом. Передбачається
можливість ручної (за участю оператора) зміни маршруту з’єднання.
У мережі решітчастої
структури з’єднання між окремими вузлами можуть забезпечуватись згідно з
загальними схемами резервування: «1+1», «1:1», «1:N». При значній аварії на
певному напрямку (всі канали пошкоджені) цей тип мережі дає можливість
організувати з’єднання через сусідні вузли.
Рис. 4.2. Кільце USHR-PP
У мережах кільцевої
структури резервування здійснюється згідно зі схемами резервування («1+1»,
«1:1», «1:N») відповідно до чотирьох способів, схеми яких зображені на рис.
4.2, 4.3, 4.5, 4.6.
Однонапрямлене
двоволоконне кільце з гарантуванням тракту (USHR-PP) з резервуванням типу «1+1»
(рис. 4.2) має такі характеристики:

Рис. 4.4. Реакція кільця
USHR-LR На пошкодження волокна
o
одночасна передача двома роздільними шляхами;
o проста та швидка реакція на аварію, відсутність кінцевої між
вузлової аварійної сигналізації;
o автономія вузла в операціях резервування;
o неможливість багаторазового використання одних і тих самих частин
смуги для обслуговування додаткового трафіка.
Однонапрямлене
двоволоконне кільце з гарантуванням лінії (USHR-PP) з резервуванням типу «1:1»
(рис. 4.3) має такі характеристики:
o ступінь використання пропускної здатності, як і в кільці USHR-PP;
o сфера забезпечення лінії під час аварії, як і в USHR-PP;
o вимоги сигналізації міжвузлових аварійних станцій;
o неможливість багаторазового використання смуги;
o можливість обслуговування додаткогового трафіка.
На рис. 4.4 зображено
реакцію однонапрямленого кільця з гарантуванням лінії (USHR-LP) на пошкодження
волокна.
Двонаправлене
двоволоконне кільце (BSHR-2) з резервуванням типу «1:N» (рис. 4.5) має такі
характеристики:
o гаранування лінії - створення повторної петлі спільно з
розподіленням смуги для гарантування при аварії одного або двох волокон чи
вузлів;
o потребує міжвузлову сигналізацію;
o можливість багаторазового використання смуги - більша від USHR
максимальна пропускна спроможність кілець;
o можливість обслуговування додаткового трафіка в гарантованих
каналах.
Рис. 4.5. Кільце BSHR-2
Двонаправлене
чотириволоконне кільце (BSHR-4) з резервуванням типу «1:N» (рис. 4.6) має такі характеристики:
o вдвічі більша пропускна спроможність відносно кільця BSHR-2;
o механізми забезпечення передавання та лінії;
o потребує міжвузлову сигналізацію;
o можливість багаторазового використання смуги та обслуговування
додаткового руху;
Рис. 4.6. Кільце BSHR-4
o вимагає вдвічі більше пар оптичних кабелів та інтерфейсів
порівняно з USHR та BSHR, тобто більші витрати.
Вид забезпечення кілець
залежить від виробника елементів мережних кілець та системи управління
кільцями.
Управління подіями
усуненням аварій.
У випадку виявлення
певних подій, наприклад аварії каналу або зниження якості з’єднання, елементи
мережі (NE) надсилають повідомлення до системи управління. Залежно від типу
елемента та виду повідомлення система виконує відповідні операції, наприклад, у
разі пошкодження з’єднання між двома елементам мережі (NE) це з’єднання
позначається в базі даних резервів мережі як пошкоджене. Система управління
з’єднаннями створюють нові з’єднання. Додатково надходять повідомлення до
оператора про пошкодження каналу. Система може сама намагатися ліквідувати
пошкодження (тобто відокремити пошкоджений елемент мережі, а весь «рух»
перемкнути на інше непошкоджене з’єднання), у разі неможливості сповіщає про це
оператора.
Збирання інформації про
роботу мережі
Система управління
мережею накопичує інформаціє про роботу мережі і заснить її у 24-годинні
реєстри бази даних. Заведені відомості про події, у тому числі й про аварії,
подаються оператору у визначеному порядку згідно з прийнятими атрибутами.
Крім накопичення
інформації про події, що виникають, оператор може активізувати контроль якості
передавання, а також встановити тривалість цього контролю. Результати
реєструються у відповідних реєстрах. Можливий контроль якості мережі у
реальному часі. Оператор отримує фільтровані дані, а критерій фільтрації може
встановлюватися та модифікуватися оператором. Системи управління накопичують
також інформацію щодо кількості запитів на з’єднання, кількості встановлених
з’єднань та їх тривалості.
Графічне відображення
ресурсів і роботи мережі.
Система управління
забезпечує графічне подання поточного стану діючої мережі, динамічного
зображення її топології, даних про погіршення параметрів та про аварії.
Оператору подається частина (граф) мережі на фоні, наприклад географічної карти
(див. рис. 3.3). Стан кожного вузла разом з міжвузловими з’єднаннями подається
у вигляді символів. Зміни станів окремих елементів мережі призводять до зміни
відповідних символів або до зміни їхнього кольору. Кожна аварія або інша подія
також подається за допомогою спеціальних символів. Колір, що підкреслює рівень
важливості події (аварія, повідомлення і т. п.) Надто велика кількість
повідомлень утруднює або навіть робить неможливим прийняття рішення оператором.
Щоб уникнути цього, система надає можливість фільтрування повідомлень,
наприклад про аварії, та подання тільки тих повідомлень, які мають найвищий
пріоритет, або у випадку, коли система не може до кінця розпізнати ситуацію,
наприклад при фізичному пошкодження лінії. Встановлення пріоритетів та способу
фільтрації є компетенцією оператора.
. Програмні модулі
Програмне забезпечення
системи управління мережею SDH поділяється на дві тісно пов'язані між собою
частини:
o програмна платформа, що поставляє протоколи та стандартні графічні
візуальні елементи разом з обслуговуванням баз даних (наприклад, Огаcle);
o прикладні програми користувача, написані та впроваджені на цій
платформі.
o Аналіз задач системи управління дає можливість розрізняти модулі
які:
o відповідають за конфігурацією мережі: («Config);
o створюють зв'язки («SetUp»);
o підтримують обслуговування («Maintenance»);
o обслуговують пошкодження, повідомлення та аварії («Evenes»):
o реєструють повідомлення про пошкодження, що надходять
(«Register»);
o збирають інформацію про якість зєднань («Info»);
o відповідають за графічне подання («Graph»)
Рис. 5.1 Схема
взаємозв’язків між програмними модулями системи управління мережею SDH
Взаємозв’язок між
окремими модулями зображено на рис. 5.1.
Оператор системи
управління мережею має безпосередній доступ лише до модуля «Graph».
Через нього він
зв'язаний з іншими модулями. Обмін інформацією між іншими частинами системи
управління, а також елементами, якими управляють, відбувається через модуль
«Events». Він управляє зв'язком відповідних модулів з урахуванням пріоритетів
(аварійні ситуації завжди обслуговуються раніше від інших подій).
6. Структура інформації
в системі управління
Система управління
мережею SDH оперує великою кількістю даних, які зберігаються в кількох базах
даних: конфігурації; активних логічних з'єднань; моніторингу якості зв'язку;
реєстрації роботи мережі; користувачів системи управління мережею.
У базі даних
конфігурації (табл. 6.1) міститься інформація про елементи мережі. Для кожного
з них передбачено початковий запис, що має такі поля:
o тип елемента;
o вид елемента (кінцевий елемент, з’єднання);
o унікальна назва елемента;
o конфігурація;
o статус елемента (пошкоджений, справжній);
o вільні ресурси.
Поля «конфігурація» та
«вільні ресурси» можуть бути разними залежно від виду та типу елемента.
Таблиця 6.1
|
Назва поля
|
Опис поля
|
|
Тип
|
Тип та модель управління, що
описується цим записом
|
|
Вид
|
Кінцевий елемент
|
Унікальна назва елемента в межах
усієї мережі
|
|
Конфігурація
|
Вказівник на таблицю, що містить
дані про елемент цього типу
|
|
Статус
|
Пошкоджений, справний, виведений з
експлуатації
|
|
Ресурс
|
Вільний ресурс, яким може
користуватись система управління
|
База даних логічних
з’єднань (табл. 6.2) містить інформацію про діючі складені тракти на всіх
рівнях ієрархії (віртуальних контейнерів, абонентських з’єднань). Кожне логічне
з’єднання заноситься в базу даних діючих з’єднань за допомогою запису, який
містить:
o спосіб з’єднання (список мережних елементів);
o пункти, що з’єднані;
o параметри, що вимагаються;
o пріоритет з’єднання.
Таблиця 6.2
|
Назва поля
|
Опис поля
|
|
Початок
|
Початковий елемент, з’єднання
|
|
Кінець
|
Кінцевий елемент з’єднання
|
|
Траса
|
Список мережних елементів, що
входять до складу тракту
|
|
Параметри
|
Параметр, який характеризує
потрібну пропускну спроможність
|
|
Резервування
|
Вид використовуваного резервування
|
|
Пріоритет
|
Приорітет з’єднання
|
|
Час
|
Час, коли створено з’єднання
|
Інформацію, отриману під
час моніторингу продуктивності роботи мережі, система зберігає в окремій базі
даних (табл. 6.3). Записи цієї бази містять:
o унікальну назву елемента;
o теоретичну продуктивність;
o реальне навантаження;
o час, коли останній раз досліджувалася продуктивність;
o допустимий період часу, після якого потрібне чергове дослідження
продуктивності.
Таблиця 6.3
|
Назва поля
|
Опис поля
|
|
Назва
|
Унікальна назва елемента
|
|
Продуктивність
|
Теоретична продуктивність елемента
|
|
Навантаження
|
Реальне навантаження
|
|
Параметри
|
Реальне навантаження елемента
|
|
Час
|
Час останнього дослідження продуктивності
|
|
Наступне
|
Час проведення наступного
дослідження продуктивності
|
Кожна подія, зафіксована
системою управління мережею, всі повідомлення та аварії в системі своєчасно
реєструються в базі даних про роботу мережі (табл. 6.4). Вона призначена в
основному для аналізу причини виникнення аварій та перевантажень мережі. Також
може використовуватись для вияснення стосунків з користувачами, тому що
зберігає дані відносно складених з’єднань. Поля запису цієї бази даних мають
такий вигляд:
o вид інформації: аварія, сигнал системи, складне з’єднання та ін.;
o джерело реєстрації;
o час реєстрації;
o властивості, характерні для певної інформації (залежно від виду
інформації у цьому полі будуть відповідні дані)
Таблиця 6.4
|
Назва поля
|
Опис поля
|
|
Вид
|
Вид інформації: аварія, сигнал
системи, складне з’єднання та ін.
|
|
Джерело
|
Відправник повідомлення
|
|
Час
|
Час видачі повідомлення
|
|
Деталі (подробиці)
|
Специфічні параметри даного
повідомлення
|
Кожний користувач
(оператор) системи управління мережею винен мати повноваження для роботи в
мережі. Система відмічає в спеціальній базі даних кожне підключення оператора
до системи, всі його дії, а також момент закінчення роботи. Ця база містить
такі дані (табл. 6.5):
o ідентифікатор оператора;
o час запису;
o вид роботи та ін.
|
Назва поля
|
Опис поля
|
|
Ідентифікатор
|
Ідентифікатор оператора системи
|
|
Повноваження
|
Ідентифікатор консолі, якою
користується оператор
|
|
Час
|
Точний час запису
|
|
Вид
|
Вид дії, яку виконував оператор
|
|
Деталі(подробиці)
|
Специфічні параметри дії оператора
|
Список використаної
літератури
1. Гордеев З.Н.
Использование современных технологий в системах управления сетями //
Електросвязь - 1998.
. Гордеев З.Н.
Новые технологии в системах управления сетями связи // Вестн. связи.
. Гранатуров
В.М., Шевчук О.Б. Ризики підприємницької діяльності. Проблеми аналізу.
. Ерохин А.В.,
Корнев Н.А. TMN надежда и реальность альтернативных подходов.
. Ершов В.А.,
Ершов З.Б., Кузнецов Н.А. Телекомуникационные сети - тенденции развития. -
1997.