Ремонт автомобиля
Содержание
Задание
Введение
. Расчет
скоростной характеристики двигателя
.1
Определение передаточных чисел трансмиссии проектируемого
автомобиля
.
Проектирование ступенчатой коробки передач
.1 Кинематический расчет
.2 Силовой расчет
.3 Расчет зубчатых колес
.4 Расчет валов КПП
.5 Подбор подшипников
качения
Литература
Спецификация
Задание
Исходные данные
- Вид а.т.с. - легковой
Колесная формула - 4х2
Грузоподъемность (пассажировместительность) - 7
человек
Тип двигателя - карбюраторный
Максимальная мощность - найти расчетом
Число оборотов кол-го вала двигателя при максим.
Мощности - 4550 мин-1
- Максимальная скорость - 135 км/ч
Рассчитываемый агрегат - коробка передач
Прототип а.т.с. - ГАЗ - 21
Введение
Целью курсового проекта по дисциплине
"Автомобили" является углубление знаний, полученных на лекционных,
лабораторных и практических занятиях.
Эта цель достигается практическим выполнением
расчетов.
В курсовой проект включено расчет крутящего
момента двигателя, расчёт передаточных чисел трансмиссии автотранспортного
средства и анализ конструкции и проверочный расчет параметров заданного
механизма.
Заданным механизмом является коробка передач
автомобиля.
1.
Расчет скоростной характеристики двигателя
Построение скоростной характеристики двигателя
проектируемого автомобиля.
Динамический фактор:
Dbmin=ψ=
где ψ - коэффициент
суммарного дорожного сопротивления при максимальной скорости.
Dbmin=ψ=
Для нахождения Nmaxвначале
определяется мощность сопротивления
Nψ+Nwпри
Vmax,
представляющая собой мощность на ведущих
колесах:
Nψ+Nw=mgDbminVmax/3600+kFV3max/46656
гдеNψ
- мощность суммарого дорожного сопротивления, кВт;
Nw
- мощность сопротивления воздуха, кВт;
m - полная масса
автомобиля, кг;
g - ускорение
свободного падения, м/с2;
Vmax
- максимальная скорость движения, км/ч;
k - коэффициент
обтекания, k=(0,2-0,35
Hc2/m4)=0.28$
F - лобовая площадь,
которая высчитываеться:
F=0.78
Ba
Ha,
м2, принимая=2,14 м2;
Полная масса автомобиля определяется по
следующей зависимости:
m=ma+(75+mσ)
n+mr, ru=1425+(75+15)
5+140
1,5=2085 кг.
где ma=1425
кг - собственная масса автомобиля;
mσ=15
кг - масса багажа;
n = 5 - число
пассажиров, включая водителя;
mr
= 140
1,5
- грузоподъемность автомобиля определяется следующим образом:
ma=ku
n;
где n
- количество человек;
ku
= 285 - коэффициент использования веса [1, с 8. Таблица 1].
Nψ+Nw=2085
9,81
0,030525
135/3600+0,28
2,14
1353/46656=55,0634
кВт.
После определения мощности сопротивления дороги
и воздуха, определяется мощность двигателя при максимуме скорости:
Nrmax=(Nψ+Nw)/ηт=55,0634/0,91=60,51
кВт
где ηт=(0,9
0,92)=0,91
- КПД трансмиссии
Далее из формулы Лейдермана Р.С. находим
максимальную мощность двигателей:
Nmax=Nvmax/[a
nmax/nN+b
(nmax/nN)2]=
кВт
где a=b=c=1
- коэффициенты зависящие от типа двигателя [1, с 6.п.3.1];
nmax=(1,05
1,16)
nN=1,1
4550=5005
об/мин-1 - частота максимальных оборотов двигателя;
nN
- частота вращения кол-го вала двигателя при максимальной мощности.
Внешнюю скоростную характеристику двигателя
можно рассчитать по формуле Р.С. Лейдериана:
Ne=Nmax[ane/nN+b[ne/nN]2-c[ne/nN]3],
кВт
где ne
- текущее значение оборотов, для которого определяется мощность.
a=b=c=1;
nN=4550;
Необходимо найти 8 значений мощности в диапазоне
от минимального устойчивого числа оборотов двигателя, nminдо
nmax=5005
об/мин; nmin=800
об/мин [1, с 6,п.3,1]
при ne=800
мин-1
Ne1=60.51
[1
800/4550+1
[800/4550]2-1
[800/4550]3]=12,44
кВт
при ne=1425
мин-1
Ne1=60.51
[1
1425/4550+1
[1425/4550]2-1
[1425/4550]3]=23,52
кВт
при ne=2050
мин-1
Ne1=60.51
[1
2050/4550+1
[2050/4550]2-1
[2050/4550]3]=34,74
кВт
Дальнейшие расчетыNeпровожу
для ne=2675;3300;3925;4550;5005
об/мин.
затем свожу их в таблицу 1, так же рассчитываю
момент двигателя для этихже оборотов колен.вала по формуле:
Me=9554,14
Ne/ne,
H
мe=9554,14
=148,5971
H
мe=9554,14=157,7
Hм
Me=9554,14=161,91
Hм
и свожу значения Me1…..Me8
в таблицу 1.
Таблица 1.
|
neоб/мин
|
800
|
1425
|
2050
|
2675
|
3300
|
3925
|
4550
|
5005
|
|
Ne
|
12,44253
|
23,74248
|
34,74248
|
45,14271
|
53,76151
|
59,63768
|
61,81
|
60,51199
|
|
Me
|
148,5971
|
157,7071
|
161,9193
|
161,2336
|
155,65
|
145,1686
|
129,7893
|
115,5125
|
.1
Определение передаточных чисел трансмиссии проектируемого автомобиля
Передаточное число главной передачи определяется
исходя из обеспечения заданной максимальной скорости движения автомобиля:
i0=0,377
rn
ncmax/[ik
Vmax]=0,377
0,33648
5005/[1
135]=4,703
где rn
- радиус качения колеса, м;
ncmax
- максимальные обороты колен. Вала, мин-1;
ik
- передаточное число коробки передач на прямой передачи.
Для определения радиуса качения колес необходимо
установить нагрузку на одну шину. У легковых автомобилей вес на оси
распределяется поровну, то минимальная нагрузка приходящаяся на одну шину будет
равна:
Gм=
=521,25кг.
По максимальной нагрузке Gм
приходящейся на на одну шину и по максимальной скорости движения автомобиля на
высшей передаче выбираю тип и размер шины [4. с 353, табл 21- строка 18.]: 7,35
- 14(185-355).
Определяю радиус качения колеса:
rn=0,0127
[d+1,7B],
м,
где d
иB соответственно диаметр
обода и ширина профиля шины в дюймах.
rk=0,0127
[14+1,7
7,35]=0,3364
м
Передаточное число первой из условия преодоления
максимального сопротивления дороги:
ik1=ѱmax
rk
m
g/[Memax
i0
ηт]
где: ѱ- коэффициент суммарного
сопротивления дороги, преодолеваемого автомобилем на 1 передаче
ѱ=[0,30
0,40]=0,35
ik1=0,35
/[
]=3,47
где Memaxопределяется
по графику "Meот
n"
Memax=162,2366при
ne=2275 об/мин.
Полученное значение необходимо проверить по
сцеплению ведущих колес с дорогой (на отсутствие буксования)
PkmaxPсц
или [Memaxik1i0ηт]/rnGсц
где φ - коэффициент
сцепления; ψ=(0,6
0,8)=0,7
Gсц
- сцепной вес автомобиля, Н
Gсц=G2m2=11200
1,2=13440
H
гдеG2
- нагрузка на ведущие колеса
m2-
коэффициент перераспределения нормальных реакций m2=1,2
Передаточные числа других передач
inп=
где n
- число ступеней коробки передач, без ускоряющей;
m - порядковый номер
рассчитываемой передачи
inп2=
=2,292
inп3=
=1,51394
inп4=1
2.
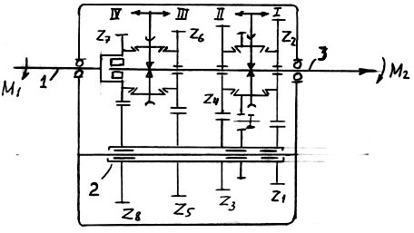
Проектирование ступенчатой коробки передач
.1 Кинематический расчет
Выбор схемы коробки передач и материала основных
деталей.
Предварительный выбор модуля коробки передач.
Определяю максимальный момент на коробке
передач.

по этому значению находим нормальный модуль
зацепления mNпо
[1, с 36.Рис 6], mN=3
Разбивка передаточных чисел между отдельными
парами шестерен.
Для 3х вальной коробки передач
передаточное число шестерен пары постоянного зацепления выбираю по формуле:
Передаточные числа на отдельных передачах
;
….
и т.д.
гдеi’ni
- передаточное число пары с учетом пары постоянного зацепления.
ini
- передаточное число из типового расчета.
in3
- передаточное число пары постоянного зацепления.
i’n1=3,47/1,5368=2,258
i’n2=2,292/1,5368=1,4914
i’n3=1,51394/1,5368=0,9851
Определение минимального числа зубьев шестерни
первой передачи.
Для промежуточного вала 3х вальной коробки
передач число зубьев 1-ой передачи определяются:
по условию подрезание зубьев zminпринимаю
равным 17 зубьев.
где f0=1-
коэффициент высотной коррекции зуба
i - передаточное
число данной пары шестерен i=
i’n1=2,258
α - угол
зацепления, град.принимаю равным 20
[1,
с 37.Табл. 6]
Определение торцевого модуля для косозубых
шестерен.
торцевой модуль рассчитывается по формуле
, мм
где γ - угол
наклона зуба
;
мм; принимаю
мм
Определение суммарного числа зубьев данной пары
шестерен.
Суммарное число зубьев косозубых шестерен 1-ой
передачи.
гдеZсумм
- суммарное число зубьев прямозубых шестерен
Определение числа зубьев шестерен каждой
передачи.
Для ведущей шестерни 1 передачи.
Для ведомой шестерни 1 передачи
2 передача
3 передача
Шестерни П.З. (косозубые)
Определение межосевого расстояния:
Для косозубых колес.
мм
Уточнение передаточных чисел коробки передач по
соотношением принятых чисел зубьев шестерен.
Определение параметров зубчатого зацепления.
Диаметр начальной окружности:
, мм
мм
мм
мм
мм
мм
мм
мм
мм
Диаметр окружности выступов:
; мм
; мм
; мм
; мм
; мм
; мм
; мм
; мм
Диаметр окружности впадин:
; мм
; мм
; мм
; мм
; мм
; мм
; мм
; мм
; мм
.2 Силовой расчет
Определение сил, действующих в зацеплении
шестерен
а) Ведущий вал
Окружная сила:
, Н
где Mmax
- максимальный крутящий момент двигателя, Н
м
;
r0
- радиус начальной окружности рассчитываемой шестерни (i-ой),
м.
Радиальная сила:
, Н
где α - угол
зацепления, γ - угол наклона зуба
Осевая сила:
, Н
Н
Н
Н
б) Ведомый вал.
и т.д.)/
,
Н
Осевые и радиальные силы рассчитываются по
приведенным выше формулам для ведущего вала.
Н
Н
Н
Н
Н
Н
Н
Н
Н
в) промежуточный вал.
, Н
Остальные силы определяются как для ведущего
вала.
, Н
, Н
, Н
Н
Н
Н
Н
Н
Н
Для шестерни постоянного зацепления
промежуточного вала:
, Н
Н
Н
Таблица 11.
|
Шестерня
|
Z=
|
P[H]
|
R[H]
|
A[H]
|
d0[M]
|
De[M]
|
Di[M]
|
|
1
|
14
|
8981
|
3990,5
|
6288,56
|
0,056
|
0,064
|
0,046
|
|
Шестерня
|
Z=
|
P[H]
|
R[H]
|
A[H]
|
d0[M]
|
De[M]
|
Di[M]
|
|
2
|
32
|
9000
|
3999
|
6301,8
|
0,128
|
0,136
|
0,118
|
|
0.118Шестерня
|
Z=
|
P[H]
|
R[H]
|
A[H]
|
d0[M]
|
De[M]
|
Di[M]
|
|
3
|
18
|
6985,18
|
3103,7
|
4891,07
|
0,072
|
0,08
|
0,062
|
|
Шестерня
|
Z=
|
P[H]
|
R[H]
|
A[H]
|
d0[M]
|
De[M]
|
Di[M]
|
|
4
|
28
|
7008,04
|
3113,85
|
4907,08
|
0,112
|
0,12
|
0,102
|
|
Шестерня
|
Z=
|
P[H]
|
A[H]
|
d0[M]
|
De[M]
|
Di[M]
|
|
5
|
23
|
5466,6
|
2429
|
3827,75
|
0,92
|
0,1
|
0,082
|
|
Шестерня
|
Z=
|
P[H]
|
R[H]
|
A[H]
|
d0[M]
|
De[M]
|
Di[M]
|
|
6
|
23
|
5466,67
|
2429
|
3827,8
|
0,092
|
0,1
|
0,082
|
|
Ш6естерня
|
Z=
|
P[H]
|
R[H]
|
A[H]
|
d0[M]
|
De[M]
|
Di[M]
|
|
7
|
18
|
4506,57
|
2002,38
|
3155,53
|
0,072
|
0,08
|
0,062
|
|
Шестерня
|
Z=
|
P[H]
|
R[H]
|
A[H]
|
d0[M]
|
De[M]
|
Di[M]
|
|
8
|
28
|
4490,47
|
4490,47
|
3144,26
|
0,112
|
0,12
|
0,1025
|
2.3 Расчет зубчатых колес
По формуле Льюиса определяю деформацию зубьев от
изгиба и сжатия:
где Pi
- окружная сила (), Н;
y- коэффициент формы
профиля зуба;
b - ширина зуба, мм;
tH
- шаг по делительной окружности, мм;
[σ6]
- допустимое направление зуба на изгиб и сжатие, МПа.
, мм
, мм
, мм
, мм
где а- коэффициент ширины, а=5,5 [1, с 41,
п.4.2.2]
- для прямозубых
где z
- число зубьев меньше шестерни.
Для косозубых зубьев значение коэффициента формы
профиля зуба выбирается по [1, с 41, табл. 8] по приведенному числу зубьев:
,
где γ - угол
наклона спирали зубьев γ=35
Износ зубьев определяется по формуле Герца
величиной контактного напряжения, приведенной для колес с эвольвентным профилем
зубьев:
МПа
где γ=35
- угол спирали;
Е - модуль упругости, Е=2
105
мПа;
Р - окружная сила, Н;
α=20
- угол зацепления.
Параметры r01r02
и bизмеряются в
миллиметрах.
Допустимые напряжение от изгиба и сжатия для
зубчатых колес[σg]=600-900
- для 1и задней передачи; =300-800 мПа - на высших передачах.
Контактное напряжение для зубчатых колес КП
автомобилей [σk]=1500-2000
мПа - для 1 передачи и 1000-1400 мПа - для высшей передачи. Результаты
вычисления и данные для вычисление приведены в таблице 1
Таблица 1
|
Шестерня
|
Z
|
P[H]
|
d0[M]
|
Zпр
|
у
|
Mp, Hm
|
σ,
мПа
|
σк, мПа
|
|
1
|
14
|
8981
|
0,056
|
25
|
0,114
|
251,47
|
506,86
|
1429,359
|
|
2
|
32
|
9000
|
0,128
|
58
|
0,149
|
576
|
388,62
|
|
|
3
|
18
|
6985,18
|
0,072
|
33
|
0,12467
|
251,47
|
360,48
|
1189,165
|
|
4
|
28
|
7008,04
|
0,112
|
51
|
0,1455
|
392,45
|
309,88
|
|
|
5
|
23
|
5466,6
|
0,092
|
42
|
0,1384
|
251,46
|
254,12
|
1025,156
|
|
6
|
23
|
5466,67
|
0,092
|
42
|
0,1384
|
251,47
|
254,13
|
|
|
7
|
18
|
4506,57
|
0,072
|
33
|
0,12466
|
162,24
|
232,59
|
953,6012
|
|
8
|
28
|
4490,47
|
0,112
|
51
|
0,1455
|
251,47
|
198,56
|
|
.4 Расчет валов КПП
Валы автомобильных коробок рассчитывают на
прочность и жесткость.
Диаметр вала предварительно определяется по
эмпирической формуле:
а) Первичный вал:
мм
мм
длина вала
мм
б) Промежуточный и вторичный вал вычисляются по
формуле
,
где - межосевое расстояние.
промежуточный:
мм
мм;
мм
вторичный вал:
мм;
мм
Ведущий вал:
Дано:
Н
Н
Н

м
Расчет:
;
;
Н
;
Н
;
;
Н
;
;
Н
Построение эпюр
м


Muy:
м


м

Изгибающие суммарные моменты:


; 
Определение напряжения от изгиба и кручения в
сечении:
мПа
Вал промежуточный 1 передача
Дано:
Н
Н
Н
м
Н
Н
Н

м
Решение:

;
;
Н
;
Н
;
;
Н
;
;
Н
Суммарные реакции.
Н
Построение эпюр.



м




Наибольший изгибающий момент

Определяю напряжение от изгиба и кручения в
сечении:
мПа
Вал промежуточный 2 передача
Дано:
Н
Н
Н
м
Н
Н
Н

м
Решение:

;
;
Н
;
Н
;
;
Н
;
;
Н
Суммарные реакции
Н
Н
двигатель автомобиль коробка
передача
Построение эпюр.



м



Наибольший изгибающий момент

Определяю напряжение от изгиба и кручения в
сечении С:
мПа
Ведомый вал 1 передача
Дано:
Н
Н
Н
м
-Решение:

;
;
Н
;
Н
;
;
Н
;
;
Н
Суммарные реакции
Н
Построение эпюр.



м



Суммарный изгибающий момент.

Напряжение от изгиба и кручения:
мПа
Ведомый вал 2 передача.
Дано:
Н
Н
Н
м
Расчет:

;
;
Н
;
Н
;
;
Н
;
;
Н
Суммарные реакции
Н
Построение эпюр



:


Суммарный изгибающий момент:

Напряжение от изгиба и кручения:
мПа
Так как в расчете валов напряжение от изгиба и
кручения малы то конструктивно уменьшаю диаметры по чертежу.
Расчет валов на жесткость:
а) Первичный вал:
мм
где
Прогиб в горизонтальной плоскости, мм
Угол переноса колес относительно горизонтальной
оси, рад.
Угол переноса зубчатого колеса относительно
вертикальной оси, рад
б) Промежуточный вал 1 передача
Прогиб в вертикальной плоскости, мм.
где
м4
Прогиб в горизонтальной плоскости, мм
Угол переноса колеса относительно горизонтальной
оси, рад
Угол переноса зубчатого колеса относительно вертикальной
оси, рад
в) Вторичный вал 1 передачи.
Прогиб в вертикальной плоскости, мм.
где
м4
Прогиб в горизонтальной плоскости, мм.
Угол переноса колес относительно горизонтальной
оси, рад.
Угол переноса зубчатого колеса относительно
вертикальной оси, рад.
Обозначение в формулах:
C6
- вертикал. Реакция передней опоры.
Cr-
горизонтальная реакция передней опоры.
J- момент инерции
сечения.
Y0b
иY0r
- вертикальное и горизонтальное смещение передней опоры.
Все валы проверяют на прогиб
(допустимые значения:
мм;
мм)
Суммарный прогиб равен:
мм
а) Первичный вал:
б) Промежуточный вал:
в) Вторичный вал:
Так как действуют не достаточно большие напряжения
и валы не достаточно длинные расчет валов на скручивание проводить не буду.
Расчет шлиц по ГОСТ 6033-51 проверочный.
где z
- число шлицов: z=12
F- высота шлицов,
мм
l - длина шлицов,l
=(1,2
1,5)
dcp=45
мм; l =1,35
45=60,75
мм.
мПА
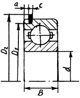
2.5 Подбор подшипников качения
Вал первичный:
Выбираю подшипник
средняя серия ГОСТ 2893-82.
d=35мм; D1=76,8
мм, D2=88,6
мм, В=21 мм; а=3,28; с=1,9 мм
грузоподъемность :Cr
=33,8 кН
Вал вторичный:
Выбираю подшипник 50309 средняя серия ГОСТ
2893-82 d=45мм; D1=96,8
мм, D2=106,5
мм, В=25 мм; а=3,28; с=2,7 мм грузоподъемность :Cr
=52,7 кН
Проверочный расчет подшипника качения по
динамической грузоподъемности.
Динамическая грузоподъемность:
гдеL
- ресурс, млн. оборотов;
ρ- показатель степени,
ρ=3
- для
шариковых подшипников;
p -
эквивалентная нагрузка, Н.
где Ln
- ресурс в часах;
n - частота вращения
вала.
Ресурс КПП для легковых автомобилей 100000 км
- эквивалентная
нагрузка.
Где FR-
наибольшая радиальная нагрузка (реакция)
V =1 - при вращении
внутреннего кольца
Kб
=1,2 - коэффициент безопасности
Kт=1
- температурный коэффициент [6, с 7 п.1.2]
Вал первичный:
Н
млн.оборотов
Вал вторичный:
Н
млн.оборотов
Окончательно принимаю выбранные подшипники.
Литература
1. Исайчев В.Т.
"Методические указания к курсовому проекту по автомобилям".
. Литвинов А.С.
"Автомобиль теория эксплуатационных свойств"
. В.В. Осепчугов, А.К. Фрумкин
"Автомобиль анализ конструкций, элементы расчёта".
. Краткий справочник НИИАТ.
. В.М. Кленников
"Методические указания по подбору и расчету подшипников качения".
. Еникеев Ф.З.
"Методические указания по подбору и расчету подшипников качения".
. П.Ф. Дунаев, О.П. Леликов
"Детали машин".