Розробка міської телефонної мережі з використанням аналогових систем комутації

  • Вид работы:
    Курсовая работа (т)
  • Предмет:
    Информатика, ВТ, телекоммуникации
  • Язык:
    Украинский
    ,
    Формат файла:
    MS Word
    224,26 Кб
  • Опубликовано:
    2015-03-30
Вы можете узнать стоимость помощи в написании студенческой работы.
Помощь в написании работы, которую точно примут!

Розробка міської телефонної мережі з використанням аналогових систем комутації

Міністерство освіти і науки, молоді та спорту України

ПОЛТАВСЬКИЙ НАЦІОНАЛЬНИЙ ТЕХНІЧНИЙ УНІВЕРСИТЕТ

імені Юрія Кондратюка

Кафедра комп’ютерної інженерії

 

 

 

 

 

 

КУРСОВИЙ ПРОЕКТ

з дисципліни: "Системи комутації в електрозв’язку"

на тему:

"Розробка міської телефонної мережі з використанням аналогових систем комутації"


Виконав: студент гр.302-ТТ

Тихоненко Р.О.

Перевірив: доцент кафедри КІ

Петрянін В.М.



Полтава-2013

Телефонний зв'язок є вирішальним фактором в економічному зростанні та процвітанні будь-якої країни. Високі вимоги, які пред'являються до зв'язку, зумовлюють необхідність величезних капіталовкладень в інфраструктуру з боку уряду та інвесторів. Звичайно, кожна людина чи підприємство, які користуються телефонними послугами, хочуть високої надійності зв’язку та додаткових послуг.

За оцінками фахівців можна виділити 3 основні етапи розвитку мереж і послуг зв'язку: телефонізація країни; цифровізація телефонної мережі, яка розпочалася з 1975 року; інтеграція (об'єднання) послуг на базі цифрових мереж зв'язку.

Розвиток телефонного зв'язку нашої країни пов'язані зі створенням комутаційної техніки трьох поколінь.

До першого покоління відносяться автоматичні телефонні станції декадно-крокової системи (АТСДК) у процесі експлуатації яких виявився ряд серйозних недоліків.

До другого покоління систем комутації відносяться автоматичні телефонні станції координатного типу (АТСК і АТСКУ). Станції цього мають ряд переваг в порівнянні з АТСДК.

Третє покоління систем комутації - квазіелектронні і цифрові телефонні станції. Квазіелектронні станції усунули ряд недоліків властивих АТС ДШ та АТС КУ та використовуються у багатьох країнах світу. Створення ж повністю цифрових систем стало можливим лише після застосування у них принципу комутації інформації в цифровому. Особливістю цифрових комутаційних пристроїв є використання імпульсно-кодової модуляції (ІКМ) сигналів.

Але незважаючи на всі переваги цифрових АТС на даний час у світі переважають аналогові АТС. Це є наслідком великої собівартості цифрових АТС та побудови цифрової мережі в цілому. Тому даний курсовий проект присвячений саме основам проектування аналогових систем комутації.

В даному розділі необхідно синтезувати двокаскадний комутаційний блок (КБ) на БКЗ з параметрами: N´VAB´М, де N - кількість входів; VAB - кількість промліній; М - кількість виходів.

Багатократний координатний з'єднувач (БКЗ) є електромеханічним комутаційним приладом релейного типу з п входами і т ´ п виходами. Конструктивними елементами БКЗ є вертикальні блоки з утримуючими електромагнітами (УЕ) і горизонтальні вибираючі рейки, керовані вибираючими електромагнітами (ВЕ)

Рис 1.1. Багатокраиний координатний з’єднувач (БКЗ)

а) - зовнішній вигляд, б) - схема; 1,2 втримуючі і вибираючі планки, 3,4 втримуючі У1 У 10 і вибираючі В1 В10 електромагніти, 5 контактні пружини, 6 контактні струни

Вертикальний блок складається з контактної системи і утримуючого електромагніту з якорем своєрідної конструкції. Контактна система вертикального блоку є сукупністю нерухомих сріблених струн по числу комутованих проводів і декількома групами рухомих контактних пружин .

Кожна група рухомих контактів розташована в пазах штовхача, що належить тільки цій групі.

Управління БКЗ здійснюється станційними пристроями управління, які включають необхідні вибираючі і утримуючі електромагніти БКЗ.

При включенні одного з ВЕ повертається ВР і всі її вибираючі пальці стають напроти упорів-штовхачів ряду контактних груп вертикальних блоків. Включення одного з УЕ, якір якого затискає вибираючий палець між планкою якоря і упором-штовхачем контактної групи, забезпечує замикання пружин групи з вертикальними контактними шинами. Далі ВЕ знеструмлюється, ВР повертається в початковий стан, а УЕ продовжує утримувати контактну групу замкнутої, оскільки вибираючий палець залишається затисненим між утримуючою планкою і упором-штовхачем. Виключення УЕ приводить до звільнення пальця і розмикання контактів.

Після встановлення одного з'єднання в БКЗ аналогічно можна встановити інші з'єднання через ті, що залишилися вільними вертикальні блоки. Повернення якорів ВЕ і УЕ в початкове положення забезпечується поворотними пружинами .

Розглянутий БКЗ відноситься до двохпозиційних. Процес з’єднання в ньому відбувається в два етапи: на першому етапі спрацьовує один з ВЕ, при цьому вибирається горизонталь, яка буде задіяна в з'єднанні, а на другому етапі спрацьовує один з УЕ, визначаючий вертикаль, через яку пройде з'єднання. При спрацьовуванні УЕ забезпечується замикання рухомих контактів горизонталі з шинами вертикалі, тобто спрацьовує контактна група, розташована на перетині вибраних горизонталі і вертикалі.

1)      ПВПВ із параметрами: 100х20х10

=100, =20 М=10, N>M

де: N - кількість входів,  - кількість проміжних ліній, М - кількість виходів

,=10 - кількість входів у комутатор ланки А.

,=10 - кількість входів у комутатор ланки В.

Визначимо кількість комутаторів ланки А :

 (1.1)

Розрахуємо кількість виходів з комутатора ланки А :

 (1.2)

Визначимо кількість комутаторів ланки В :

 (1.3)

Розрахуємо кількість виходів з комутатора ланки В :

 (1.4)

Визначимо зв’язність -число ліній, що з’єднують один комутатор ланки А з одним комутатором ланки В :

 (1.5)

Рис 1.1. Схема двокаскадного КБ типу ПВПВ

 

Рис 1.2. Комутаційний граф двокаскадного КБ типу ПВПВ

Максимальна доступність в цьому напрямку:



2) ВПВП із параметрами: 60х30х100

=60, =30, M=100, N<M

 10х10х4, =10 - кількість виходів із комутатора ланки А.

 20х10х4, =10 - кількість виходів із комутатора ланки В.

Визначимо кількість комутаторів ланки А :

 (1.6)

Розрахуємо кількість входів в комутатор ланки А :

 (1.7)

Визначимо кількість комутаторів ланки В :

 (1.8)

Розрахуємо кількість входів в комутатор ланки В :

 (1.9)

Визначимо зв’язність:



Рис 1.3. Схема двокаскадного КБ типу ВПВП

Рис 1.4. Комутаційний граф двокаскадного КБ типу ВПВП



Дані стосовно міської телефонної мережі (МсТМ).

МсТМ з п'ятизначною нумерацією складається з трьох районних АТС (РАТС):

РАТС-2. декадно-крокової системи типу АТС-54 ємністю N2 =8000 номерів;

РАТС-3, квазіелектронної системи, типу "Квант" ємністю N 3=1024 номерів;

РАТС-4, координатної системи типу АТСК-У ємністю N4 =7000 номерів.

У РАТС-4 ввімкнено координатну підстанцію (ПС) типу ПСК-1000К. Зазначені станції обслуговують центральну частину міста. Обладнання вузла спецслужб (ВСС) розташовано в приміщенні РАТС-2.

На телефонній мережі передбачається вихід на міжміську цифрову телефонну АТС (АМТС) за допомогою міжміських з’єднувальних ліній (МЗЛ) при вхідному міжміському зв’язку та замовно-з’єднувальних ліній (ЗЗЛ) при вихідному міжміському зв’язку.

Дані стосовно проектованої РАТС.

Проектовану РАТС-5 координатної системи АТСК-У, ємністю N5=7000 номерів призначено для обслуговування віддаленого мікрорайону. Внутрішньостанційне з'єднання має здійснюватися через одну ступінь групового пошуку. Відстані до існуючих РАТС становлять L5-2=9,0, L5-3 =8,0, L5-4 =11,0 кілометрів. У проектовану РАТС-5 необхідно ввімкнути:

·   абонентські лінії від індивідуальних телефонних апаратів;

·   лінії від таксофонів, частка яких становить 0,015 від ємності проектованої РАТС;

·   з'єднувальні лінії від виробничої АТС (ВАТС) квазіелектронної системи типу "Квант" ємністю NВАТС =2048 номерів,з яких 50% абонентів не мають права виходу на МсТМ. Відстань поміж РАТС-5 та ВАТС - LВАТС=2,7 км.

 

Таблиця 2.1 Ємності та діапазони номерів АТС

мережа зв'язок телефонний станція

Тип з'єднувальних ліній (ЗЛ) між РАТС даної МсТМ.

Тип ЗЛ, використовуваних для місцевого зв'язку для з'єднань РАТС з МсТМ та ВАТС, може бути визначено у два способи:

· виходячи з розподілу норм затухання на телефонній мережі;

- залежно від відстані.

В даному курсовому проектові тип з'єднувальних ліній між РАТС залежить від їхніх відстаней одна від одної. При відстанях меньше 10 км використовуються фізичні ЗЛ. При цьому, якщо відстань більше 1,5 км, то ЗЛ - двопроводові, при відстані менше 1,5 км - трипроводові. Якщо відстань більше 8 км, доцільне є застосовування з'єднувальних ліній, ущільнених системою передавання ІКМ (СП ІКМ).

На телефонній мережі передбачається вихід на міжміську цифрову телефонну АТС (АМТС), яка буде з'єднуватися з існуючими РАТС з'єднувальними лініями, ущільненими системою передавання ІКМ (СП ІКМ).

Зв'язок з ПСК-1000К організується по трьом пучкам ЗЛ: два пучка двопроводових вихідних (від ПСК) і вхідних (на ПСК) ЗЛ місцевого зв'язку і пучок трипроводових для вхідного міжміського зв'язку.

Розглянута МсТМ - мережа з п'ятизначною нумерацією. Міські телефонні мережі (МсТМ) забезпечують телефонний зв’язок на території міста і його приміської зони. До складу технічного устаткування МсТМ входять як станційні, так і лінійні споруди й устаткування абонентських пунктів.

Місце розташовування РАТС та АМТС обираємо довільно, ВСС розташовуємо поруч з РАТС-2, де він знаходиться відповідно до умови. Провідність 3JI до ВСС - така сама, як до РАТС, на якій його розміщено.

Номери АЛ ВАТС, які мають право виходу на МсТМ та ПС, входять до складу нумерації тієї РАТС, до якої їх увімкнено. Таксофони не мають абонентських номерів, їх вмикають "понад" номерну ємність РАТС.

На структурній схемі МсТМ показані усі пучки ЗЛ, їх провідність, зазначені типи станцій, їхня ємність, нумерація абонентських ліній, напрямок зв'язку по 3Л та відстані між РАТС.

Рис 2.2. Структурна схема МсТМ

 

Розподіл напрямків з поля ступеня 1ГП РАТС-5.

На ступенях ГП здійснюється режим групового шукання. Маркер блоку ГП перш за все вибирає потрібний напрям відповідно до отриманої з регістра адресної інформації у вигляді однієї або декількох цифр. Потім МГП по обхідних шляхах виконує обумовлене вільне шукання, вибираючи вільну витікаючу лінію у вибраному раніше напрямі, доступну входу блоку через вільну, що викликав. Після закінчення шукання МГП включає електромагніти БКЗ в ланках блоку і звільняється. Час заняття маркера блоку ГП приблизно 0,6 с .

До основних комутаційних параметрів блоків ГП відносяться число напрямів Н і доступність у напрямі D. Важливою перевагою ступеня ГП в координатних АТС є електричний розподіл поля блоку на напрями. Це забезпечується вмонтованою програмою маркера і дозволяє підвищувати доступність для всіх або декількох напрямів за рахунок зменшення загального числа напрямів. Таким чином гнучко використовується ємність поля ГП і забезпечується підвищена доступність для крупних пучків довгих сполучних ліній.

Таблиця розподілу напрямків з поля І ГП складається для 5-ти значної РАТС-5, тут перелічуються всі напрямки, які включаються в ступінь І ГП відповідно до структурної схеми МсТМ,. Оскільки задана МсТМ містить невелику кількість РАТС, то є доцільним виконати внутрішньостанційний зв'язок через один (перший) ступінь ГП. За такого способу у виходи ступеня і 1ГП, окрім ЗЛ до РАТС, АМТС та ВСС, вмикаються напрямки до тисячних груп АП та ВАТС великої ємності.

Дня кожного напрямку зазначаються: код (цифри номера, які приймає маркер ІГП для обирання даного напрямку); максимальна доступність Dmax.

Оскільки дана МсТМ з п'ятизначною нумерацією, то величини доступностей D будемо визначати : у напрямках до тисячних груп ступеня АП - 20, до ВАТС та ВСС 20, до інших РАТС - 40 , до АТМС -20 .

При виборі доступності слід пам'ятати, що ємність блока ГП-3, застосовуваного на ступеню 1ГП, становить М = 400 виходів. Отже, є неодмінне виконання умови:

(2.1)

Максимальну доступність  обраховуємо як суму всіх доступностей від всіх напрямків.

Dmax=340

Рис 2.2. Групоутворення для 5-ти значної РАТС-5 з одним ступенем ГП

Функціональна схема РАТС-5.

Проектована РАТС-5 координатної системи АТСК-У, ємністю N5 =7000 номерів призначена для обслуговування віддаленого мікрорайону. Вона дозволяє організовувати зв’язок із вузлом спецслужб (ВСС), АМТС, ВАТС, ПСК-1000К, таксофонами та іншими РАТС з безпосереднім, регістровим та програмним управлінням. Станція складається з однієї ступені абонентського пошуку (АП). Ланка АВ використовується при вихідному зв’язку й працює в режимі вільного пошуку (ВП),тобто відбувається вибір вільного обслуговуючого приладу (ОП), в даному випадку вихідного шнурового комплекту(ВШК). При ВП здійснюється концентрація навантаження, тобто перехід від низко використовуваних АЛ до високо використовуваних ОП. Ланка CD і AB використовується при вхідному зв’язку й працює в режимі лінійного(вимушеного) пошуку (ЛП), тобто відбувається з’єднання раніше вибраного обслуговуючого приладу з конкретним абонентом, якого викликають. В даному випадку відбувається розширення навантаження, тобто перехід від високо використовуваних ОП до низко використовуваних АЛ.

АТСК-У має дві ступені групового пошуку (ГП) : І ГП та ІІ ГП. На вхід І ГП підключаються ВШК, ВШК від таксофонів (ВШКТ) та ЗЛ від ПСК через підключаючий комплект підстанції (ПКП) , а на вихід підключається вхідні ШК (ВхШК), ЗЛ до АТС через реле ЗЛ вихідне (РЗЛВ). На вхід ІІГП підключаються ЗЛ від інших АТС через РЗЛВх. До виходу ІІ ГП підключаються ВхШК.

І ГП використовується при вихідному зв’язку, працює в режимі вільному або вимушеному. ІІ ГП може використовуватися для вхідного та вихідного зв’язку.

У виходи ступеня II ГП увімкнено запаралелені зі ступенем І ГП напрямки внутрішнього зв'язку (до тисячних груп АП), пучки ЗЛ до ПСК та ВАТС середньої (потужної) ємності. З ступеня II ГП також може бути виділено напрямок до ступені ГПК-ГПКМ. У поле ГПК-ГПКМ вмикаються ЗЛ до ВАТС малої ємності, тому даний ступінь доцільно встановити на проектованій РАТС лише за наявності в завданні ВАТС малої ємності, ввімкнених до АТСК-У. У напрямку кожної ВАТС з виходів ступеня ГПК-ГПКМ виділяються два пучки - ЗЛ та ЗЛМ.

АТСК-У має ступінь регістрового пошуку. При вихідному зв’язку використовується ступінь регістрового пошуку абонентського (РПА),що працює в режимі вільного пошуку (ВП), при виборі вільного ОП. При вхідному зв’язку використовується ступінь регістрового пошуку вхідного (РПВх), працює також в режимі вільного пошуку (ВП).

Рис 2.3. Функціональна схема АТСК-У (РАТС - 5)ємністю N=8000

 

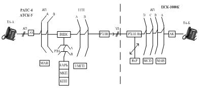
Рис 2.4 Структурна схема з’єднувального тракту від аб. А розміщеного на РАТС-5 (АТСК-У) з аб. Б ПСК-1000К

Рис 2.5. Функціональна схема з’єднання тракту зв’язку аб. А розміщеного на РАТС-5 (АТСК-У) з аб. Б ПСК-1000К

Опис з’єднання абонентів.

При знятті мікротелефонної трубки, шлейф ТА замикається і відбувається підключення ТА через АЛ на РАТС - 4 (АТСК-У). При спрацюванні конкретного ЕМР однозначно визначає номер абонента А.

При вихідному зв’язку на ступені абонентського пошуку (АП) використовується ланка АВ, що працює в режимі вільного пошуку(ВП), при виборі вільного і доступного в даний момент вихідного шнурового комплекту (ВШК. Маркер блоку АВ здійснює встановлення з’єднання викликаючої АЛ й вільного ВШК.

Ще до того, як абонент почне набирати номер, до АЛ повинен підключитися пристрій прийому номеру (регістр). Це відбувається на ступені регістрового пошуку абонентського (РПА), що працює в режимі вільного пошуку(ВП), при виборі вільного регістра (ЕАРБ) маркером блоку РПА (МРПА). Ознакою підключення регістра є посилка абонентові А акустичного сигналу "Відповідь станції". Після цього абонент А починає набирати п’ятизначний номер абонента Б. Адресна інформація приймається й зберігається в ЕАРБ. В процесі прийому номеру ЕАРБ аналізує код зустрічної станції, з’єднання починається після фіксування всіх цифр номеру. При цьому до регістра за допомогою маркера кодових приймачів (МКП) підключається кодовий прийомо - передатчик (КПП). Після цього ЕАРБ підключається до блоку ГП, по якому здійснюється подальше з’єднання. Спрацьовує маркер І ГП (ІМГП), який посилає в ЕАРБ сигнал запиту на першу цифру частотним способом. Регістр приймає цей сигнал та передає у відповідь першу цифру номеру абонента Б (код ПСК-1000К). Ця адресна інформація приймається кодовим приймачем ІМГП. Фіксатор напрямку, отримавши код зустрічної станції визначає напрямок встановлення з’єднання.

Через РЗЛВ по ЗЛ відбувається підключення до ПСК-1000К через РЗЛПВх.

На ПСК-1000К при вхідному з’єднанні використовується трьохзначний вхідний регістр (ВхР), який приймає із регістра РАТС-4 декадними імпульсами (батарейним способом) інформацію про останні три цифри абонента Б. Потім здійснюється з’єднання до блоку CD (ступені абонентського пошуку), при цьому маркер MCD посилає сигнал запиту ВхР на третю цифру. Регістр приймає цей сигнал та передає необхідну цифру абонента Б. Згодом здійснюється під’єднання до блоку АВ (ступені абонентського пошуку), при цьому маркер MАВ посилає сигнал запиту ВхР на останні цифри. Регістр приймає цей сигнал та передає необхідну цифри абонента Б. Саме на ступені АП блоку АВ визначається абонент Б.

У РАТС-5 ввімкнено виробничу АТС (ВАТС) типу "Квант" ємністю Nвatc=2048. Відстань від опорної РАТС-5 до ВАТС дорівнює LВАТС =2,7 кілометра, максимальна довжина абонентської лінії - LАЛ =150 метрів.

Схема групоутворення ВАТС.

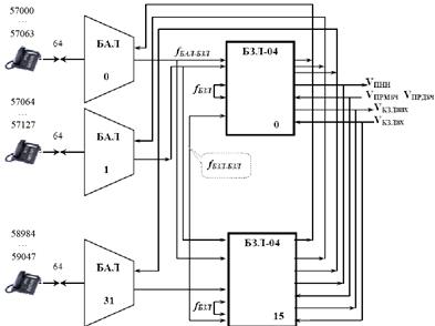
За ємністю ВАТС визначаємо тип БЗЛ, який буде використовувати. При NВАТС >512 використовують БЗЛ типу БЗЛ-06 з параметрами 64´64´64.

Кількість приймачів набирання номера (ПНн), комплектів з’єднувальних ліній (КЗЛВИХ, КЗЛВХ), приймачів та передавачів багаточастотних (ПРМБЧ, ПРДБЧ) залежить під відповідного телефонного навантаження на ці комплекти та норм втрат викликів. ПНН, КЗЛВХ, КЗЛВИХ, ПРМБЧ, ПРДБЧ рівномірно розподіляються по всіх блоках БЗЛ і вмикаються до каскаду D. Кількість даних станційних комплектів у задачі не обчислюємо.

Входи каскаду С розподіляються між міжблоковими перемичками, зв'язність яких становить fБАЛ-БЗЛ, fБЗЛ-БЗЛ, та внутрішньо-блоковими перемичками, зв'язність яких -fБЗЛ .

Кількість блоків БАЛ визначається за формулою:

 (3.1)

Кількість блоків БЗЛ визначається таким чином:

 (3.2)

Обраховуємо зв'язність fБАЛ-БЗЛ (fБЗЛ-БАЛ ) :

 (3.3)

Число входів у каскад С одного БЗЛ від усіх БАЛ дорівнює:

 (3.4)

Інші входи до каскаду С розподіляються між міжблоковими перемичками БЗЛ-БЗЛ та внутрішньо-блоковими перемичками усередині БЗЛ. Значення зв'язності fБЗЛ-БЗЛ та fБЗЛ визначаються за допомогою наступного співвідношення :

 (3.5)

Рис 3.1. Схема групоутворення ВАТС "Квант" ємністю 2048 номерів

Функціональна схема з’єднувального тракту.

Необхідно зобразити структурну та функціональну схему з'єднувального тракту зв'язку абонентів А увімкненого до ВАТС та Б увімкненого до РАТС-2 та описати процес встановлення з’єднання.

Рис 3.2. Структурна схема з’єднувального тракту від аб. А розміщеного на ВАТС типу "КВАНТ"з аб. Б АТС ДК

Рис 3.3. Функціональна схема з’єднувального тракту від аб. А розміщеного на ВАТС типу "КВАНТ"з аб. Б АТС ДК

Опис з’єднання абонентів.

АК абонента А, що знаходиться на ВАТС постійно сканується і здійснюється обробка результатів сканування. Після зняття мікротелефонної трубки, виявляється зайнятість АЛ, здійснюється пошук вільного ПНН, а також проміжних ліній на ступенях пошуку, ВШК та видача результатів сканування та іншої службова інформація в ЦУП. По каналі із ЦУП відбувається проключення з’єднувального тракту: АКА → БАЛ → ВШК → БЗЛ → ЦУП, ПНН переходить у стан видачі абонентові А сигналу "ВС". Живлення мікрофона ТА абонента А здійснюється із ВШК.

Після того як абонент А починає набирати п’ятизначний номер абонента Б, відбувається відключення сигналу "ВС", сканування ПНН під час прийому цифр номеру, передача результатів сканування в ЦУП, де відбувається аналіз номеру абонента Б. Перші цифри номеру вказують напрямок з’єднання, тому спочатку виконується пошук вільного направляючого комплекту (НК). Оскільки дана станція є відомчою і включається до даної РАТС-5 (АТСК-У), то шукають НК в напрямку до опорної станції РАТС-5 (АТСК-У). Після обміну інформації з ЦУП створюється тракт АКА → БАЛ → ВШК → БЗЛ → ВКЗЛ, який не переключається, а зберігається в пам’яті під час прийому наступних цифр номеру. Оскільки опорна станція типу АТСК-У передача наступних цифр номеру буде проходити після прийому всього номеру також по тракту П-fБЗЛ - ВКЗЛ. Після передачі адресної інформації на зустрічну станцію тракт П-fБЗЛ - ВКЗЛ руйнується і проключається збережений в пам’яті тракт. По ЗЛ через РЗЛВх відбувається з’єднання з РАТС-5. Надіслана адресна інформація зберігається в ЕАРБ. Після цього відбувається підключення до блоку І ГП. Маркер І ГП (ІМГП) посилає сигнал запиту в ЕАРБ на першу цифру номеру абонента Б частотним способом. Регістр приймає цей сигнал та передає у відповідь БЧК першу цифру, тобто код зустрічної станції (РАТС-4) "4". Ця адресна інформація приймається кодовим приймачем ІМГП й декодується пірамідою фіксуючих реле. Фіксатор напрямку, отримавши код зустрічної станції, визначає напрямок встановлення з’єднання. Через РЗЛВ по ЗЛ відбувається підключення до РАТС-4 через РЗЛ Вх. Потім здійснюється підключення до блоку ІІ ГП. Прийнята адресна інформація зберігається в ЕАРБ. ІІ МГП надсилає запит в ЕАРБ на другу цифру номеру абонента Б. Регістр приймає цей запит і передає її. На ступені ІІ ГП відбувається підключення до ПСК-1000К. Через РЗЛВ-3 та РЗЛШВ по ЗЛ з’єднується з ПСК-100К через РЗЛПВх.

На ПСК-1000К при вхідному з’єднанні використовується трьохзначний вхідний регістр (ВхР), який приймає із регістра РАТС-4 декадними імпульсами (батарейним способом) інформацію про останні три цифри абонента Б. Потім здійснюється з’єднання до блоку CD (ступені абонентського пошуку), при цьому маркер MCD посилає сигнал запиту ВхР на третю цифру. Регістр приймає цей сигнал та передає необхідну цифру абонента Б. Згодом здійснюється під’єднання до блоку АВ (ступені абонентського пошуку), при цьому маркер MАВ посилає сигнал запиту ВхР на останні цифри. Регістр приймає цей сигнал та передає необхідну цифри абонента Б. Саме на ступені АП блоку АВ визначається абонент Б.

Якщо АЛ вільна, то в ТА абонента Б надсилається сигнал " Посилка виклику" , а абоненту А "КПВ". Після відповіді абонента Б акустичні сигнали відключаються, підключається струм мікрофонів, встановлюється розмовний тракт.

Висновок

Виконавши даний курсовий проект, я придбав навички застосування теоретичних знань для вирішення принципів функціонування аналогових АТС та їх взаємодію на телефоних мережах.

В першому розділі я навчився синтезувати двокаскадний комутаційний блок на БКЗ. Розраховував блоки типу ПВ-ПВ, який працює в режимі вільного шукання, і типу ВП-ВП, який працює в режимі групового пошуку. Розраховував структурні параметри використовуючи відповідні формули. Зобразив схему КБ координатним і символічним методом.

У другому розділі я навчився визначати тип з’єднувальних лінії, відповідно до їхньої довжини. Зобразив структурну схему МсТМ,склав таблицю розподілу напрямків з поля ступеня 1ГП РАТС-5 і зазначив максимально можливу кількість резервних напрямків. Закріпив свої знання зображуючи функціональну схему з'єднувального тракту зв'язку абонента А з абонентом Б.

У третьму розділі я розробив схему групоутворення ВАТС. зазначив нумерацію блоків, кількість міжблокових зв'язків, а також нумерацію АЛ. В абонентських номерах виокремив цифри номера, що набираються при внутрішньостанційному зв'язку. Визначив кількість шнурових комплектів, використовуючи необхідні формули. А також зобразив функціональну схему з'єднувального тракту зв'язку абонентів А та Б, увімкнених до станцій.

Перелік умовних скорочень.

АЛ - абонентська лінія

АК - абонентський комплект

АМТС - автоматична міжміська телефонна станція

АТС - автоматична телефонна станція

АТСДК - автоматична телефонна станція декадно-крокова

АТСЕ - автоматична телефонна станція електронна

АТСК - автоматична телефонна станція координатна

АТСКЕ - автоматична телефонна станція квазіелектронна

БАЛ - блок АЛ

БКЗ - багатократний координатний з'єднувач

БЗЛ - блок ЗЛ

ВАТС - відомча автоматична телефонна станція

ВЕ - вибираючий електромагніт

ВК - вузол комутації

ВП - вільний пошук

ВР - вибираюча рамка

ВСС - вузол спецслужби

ВШК - вихідний шнуровий комплект

ВхШК- вхідний шнуровий комплект

ГП - ступінь групового пошуку

ЗЛ - з’єднувальна лінія

ЗЛМ - з'єднувальна лінія міжміська

ІКМ - імпульсно-кодова модуляція

КБ - комутаційний блок

КП -комутаційне поле

КПВ - сигнал "контроль посилання виклику"

МГП - маркер блоку групового пошуку

МсТМ - міська телефонна мережа

МТС - міжміська телефонна станція

ЛП - лінійний (вимушений ) пошук

ПНН - приймач набору номеру

ПКП- підключаючий комплект підстанції

ПС - підстанція

ПСК - підстанція координатного типу

ПУП - проміжний управляючий пристрій

ПЩ - промщит

РАТС - районна автоматична телефонна станція

РЗЛ - комплект реле з’єднувальних ліній

РЗЛВ3 - комплект реле з’єднувальних ліній вихідний трипроводовий

РЗЛВ4 - комплект реле з’єднувальних ліній вихідний чотирипроводовий

РЗЛВх3 - комплект реле з’єднувальних ліній вхідний трипроводовий

РЗЛВх4 - комплект реле з’єднувальних ліній вхідний чотирипроводовий

РП - ступінь регістрового пошуку

РПВх- ступінь регістрового пошуку вхідного

СП - система передачі

ТА - телефонний апарат

УЕ - утримуючий електромагніт

ЦУП - центральний управляючий пристрій

Список використаної літератури

1. Автоматические системы коммутации: Учебник для вузов / О.Н. Иванова, М.Ф. Копп, З.С. Коханова. Г.Б. Метельский; Под ред. О.Н. Ивановой. - М-: Связь, 1978.

2. Автоматическая коммутация: Учебник для вузов /О.Н.Иванова, М-Ф-Копп, З.С.Коханова, Г.М.Метельский; Под ред. О.Н.Ивановой. -М.: Радио и связь, 1988.

3. Костін Ю.С., Різуненко А.О., Козелков О.О. Телефонні апарати. Навчальний посібник. - Полтава: ПВІЗ, 2007.

. Станционные сооружения городских телефонных сетей /Ю.Н. Кор-нышев, А.Л. Маркович, М.Н. Пискер, В.М. Романцов; Под ред. Ю. Н. Корнышева: Учебник для рабочих связи. - М.: Радио и связь, 1987.

5. Станционное оборудование сельской телефонной связи: Учебник для рабочих связи / Ю.Н. Корнышев, А.Я. Маркович, М.Н. Пискер, В.М. Романцов; Под ред. Ю.Н. Корнышева. 2-е изд., перераб. и доп. - М.: Радио и связь, 1990.

6. Костін Ю. С. Основи побудови аналогових систем комутації:

Навч. посіб., - Полтава: Видавництво ПВІЗ, 2006.

. Костін Ю. С., Одарущенко О. М. Методичний посібник з дисципліни "Системи комутації в електрозв'язку" (частина 1) Методичний посібник. - Полтава: ПВІЗ, 2004.

8. Квазиэлектронная АТС "КВАНТ"/ В.О. Жогло, А.А. Иванов, А.П. Иванов и др.; Под ред. Я.Я. Лочмелиса. - М.: Радио и связь, 1987.

9. Костин Ю. С., Одарущенко О. Н. Квазиэлектронные АТС. Учебное пособие (лекции). -Полтава:ПВИС,2003.

. Васильев Е.К.,.Симкин Л. М. Квазиэлектронные и электроннные телефонные станции. Учебное пособие для рабочих. -М.: Радио и связь, 1991.

11. Костін Ю. С. Підстанція і сільські координатні АТС. Навчальний посібник. -Полтава: ПВІЗ, 2006.

12. Костін Ю. С., Одарущенко О. М., Стрюк О. Ю. Основи побудови телефонних мереж загального користування: Навчальний посібник. - Полтава: ПВІЗ, 2005. -152 с.

13. Коммутационное оборудование городских координатных АТСК-У / Л. С. Васильева, Б. С. Лившец, И. Б. Мовшович и др. - М. : Радио и связь, 1991.

14. Костин Ю. С., Одарущенко О. Н. Цифровая АТС Квант Е -Полтава: ПВИС, 2003.

Похожие работы на - Розробка міської телефонної мережі з використанням аналогових систем комутації

 

Не нашли материал для своей работы?
Поможем написать уникальную работу
Без плагиата!
Без нейросетей!