Розрахунок опор для підсилюючого каскаду

  • Вид работы:
    Контрольная работа
  • Предмет:
    Информатика, ВТ, телекоммуникации
  • Язык:
    Украинский
    ,
    Формат файла:
    MS Word
    113,75 Кб
  • Опубликовано:
    2014-07-22
Вы можете узнать стоимость помощи в написании студенческой работы.
Помощь в написании работы, которую точно примут!

Розрахунок опор для підсилюючого каскаду

Міністерство науки та освіти України

Донбаська державна машинобудівна академія

Кафедра : ЕСА










Контрольна робота

Перевірив: Березніченко З.О.

Виконав: Беш А.М.







Краматорськ 2010 р.

Лист завдання

Завдання №1. Розрахунок каскаду попереднього підсилення на біполярному транзисторі

Вихідні дані:

Виконаємо розрахунок каскаду, принципова електрична схема якого наведена на Рис.1, за такими вихідними даними:

.        напруга на виході каскаду Uвих.=4 В;

.        опір навантаження Rн=330 Ом;

.        напруга джерела живлення Ек=16 В;

.        нижня межа частот fн=100 Гц;

.        допустиме значення коефіцієнту викривлень в області нижчих частот Мн=2

Необхідно визначити:

.        тип транзистора;

.        режими роботи транзистора;

.        опори резисторів дільника R1, R2;

.        опір резистора колекторного навантаження R3;

.        опір резистора в ланцюгу емітера R4;

.        ємність розділяючого конденсатора С2;

.        ємність конденсатора в ланцюгу емітера С3;

гарантовані значення коефіцієнтів підсилення каскаду за струмом КI, напругою КU та потужністю КР

Завдання №2. Розрахунок та аналіз роботи підсилювальних каскадів на операційних підсилювачах.

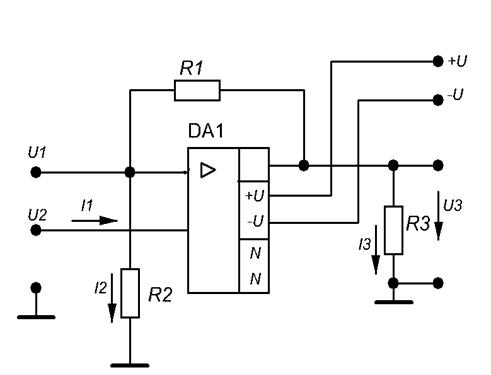
Для інвертуючого суматора або підсилювача на ОУ

Вихідні дані:3=75кОм; R4=6.2кОм; I4=1 мА; Ku33 =-50;

Необхідно визначити:

. опір резистора R1;

. величини струмів I1, I5;

. правильність простановки струмів на розрахунковій схемі;

. тип та потужність резисторів каскаду підсилення.

Завдання №3 Розрахунок та аналіз роботи підсилювальних каскадів на операційних підсилювачах.

Для неінвертуючого підсилювача на ОУ

Вихідні дані:=3кОм; U2=0.9В; U3=5.1В; I3=1 мА;

Необхідно визначити:

. опір резистора R1, R3;

. величини струмів I1, I2;

. величини напруг U1;

. коефіцієнт підсилення KUЗЗ;

Завдання №4 Схемотехніка підсилювачів потужностей звукових частот.

Рном =2Вт; Rн=6 Ом.

Завдання 1. Розрахунок каскаду попереднього підсилення на біполярному транзисторі

Вихідні дані

Виконаємо розрахунок каскаду, принципова електрична схема якого наведена на Рис.1, за такими вихідними даними:

напруга на виході каскаду Uвих.=4 В;

опір навантаження Rн=330 Ом;

напруга джерела живлення Ек=16 В;

нижня межа частот fн=100 Гц;

допустиме значення коефіцієнту викривлень в області нижчих частот Мн=2

Необхідно визначити:

тип транзистора;

режими роботи транзистора;

опори резисторів дільника R1, R2;

опір резистора колекторного навантаження R3;

опір резистора в ланцюгу емітера R4;

ємність розділяючого конденсатора С2;

ємність конденсатора в ланцюгу емітера С3;

гарантовані значення коефіцієнтів підсилення каскаду за струмом КI, напругою КU та потужністю КР.

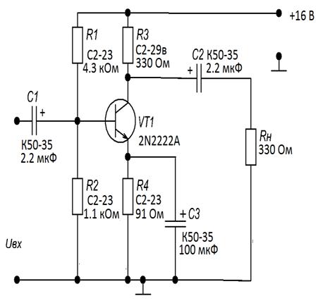
Рис.1.Електрична принципова схема каскаду.

Допустима напруга між колектором та емітером повинна перевищувати напругу джерела живлення, тому UK max>16 B;

Величина допустимого струму колектора повинна перевищувати максимальне значення струму у колекторному колі транзистора, тому

K max>I0K + IKm, де

0K - струм спокою у колі колектораKm - амплітуда змінної складової струму у колі колектора

Km=Uвих./Rне,

Rне =(Ом)

еквівалентний опір навантаження каскаду за змінним струмом. При цьому R3 є навантаження за постійним струмом. А так як даний каскад є підсилювачем потужності, для забезпечення максимальної передачі потужності задаємо R3=330 Ом.

IKm=Uвых/Re=4./165=0,02424 (А)=24.24 (мА)

Отримаємо: IK max>26,66 +24,24=50,9 (мА)

Оберемо транзистор що відповідає UKmax>16 В; IKmax>50,9 мА.

Назва

Структура

PK max

h21E ()Iк макс.Аfh21E



 

2N2222A

N-P-N

0.4Вт

50-110

0.8

250МГц

 

Макс. напр. к-б при заданном обратном токе к и разомкнутой цепи э.(Uкбо макс),В

60

Макс. напр. к-э при заданном токе к и разомкнутой цепи б.(Uкэо макс),В

40


Знаходимо напругу між колектором та емітером транзистора у режимі спокою

0K=Uвих+Uост, де

ост - напруга між колектором та емітером, нижче якої при роботі каскаду виникають значні нелінійні викривлення через те, що у робочу зону потрапляють ділянки характеристик транзистора зі значною кривизною. Для середньопотужних транзисторів як правило задаються Uост=1 В. Тоді0K=4+1=5 (В)

Знайдемо потужність, що виділяється на колекторі транзистора. При цьому умовою правильного вибору транзистора є нерівність PK<PK max

K=I0K*U0K=26,66*5=133,3 (мВт) < 400(мВт)

тобто вибраний тип транзистора відповідає вимогам потужності.

Знайдемо потужність, що розсіюється в резисторі

біполярний транзистор схемотехніка підсилювач

PR3=I0K2*R3=(Вт)

Обираємо резистор типу С2-29в 0.25 330 Ом  <#"805382.files/image005.gif">(Ом)

При цьому необхідне виконання співвідношення: R4/R3=(0,1…0,4), що забезпечує незначне зниження динамічного діапазону каскаду і падіння напруги на R4 , яке перевищує значення контактного потенціалу p-n переходу транзистора (для забезпечення умов температурної стабілізації режиму спокою каскаду). Отже:

, що відповідає необхідній умові

Знайдемо потужність, що розсіюється в резисторі R4

R4=I0K2*R4=(Вт)

Вибираємо резистор С2-23 имп. 0.25 Вт, 91 Ом <#"805382.files/image008.gif">(мкФ)

Робоча напруга на конденсаторі UC3=I0K*R4=(В)

Виберемо конденсатор К50-35 имп. 100 мкФ х 6,3 В 105°C <#"805382.files/image010.gif">(Ом)

Знаходимо величини опорів резисторів дільника R1, R2

Дільник підімкнено до напруги 16 В, отже величина струму в дільнику IД=5I==2,665 (мА), що забезпечує незалежність задання режиму спокою транзистора при зміні його параметрів під впливом температури, при заміні та ін. Падіння напруги на резисторі R4 складає

R4=( I0K+ I) UR4=(В)

 (Ом)

 (Ом)

Вибираємо: R1= С2-23 имп. 0.25 Вт, 1%, 4.3 кОм <#"805382.files/image015.gif">(Вт)R2Д2*R2=(Вт)

Знаходимо ємність конденсатора С2 за умови забезпечення допустимого значення коефіцієнта частотних викривлень Мн=2

(мкФ)

Обираємо робочу напругу рівною UC2=1,5EK=1,5*16=24 (В)

Обираємо конденсатор К50-35 имп. 2.2 мкФ х 25В 105°C <#"805382.files/image018.gif">(мА)

(В)

Необхідна потужність вхідного сигналу

вх=(Вт)

Знаходимо розрахункові коефіцієнти підсилення каскаду за струмом, напругою та потужністю:

 (дБ)

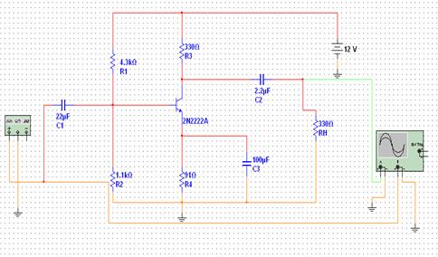
Електричну принципову схему розрахованого каскаду наведено на Рис.2

Рис.1.1. Каскад підсилення. Схема електрична принципова

Рис.1.2. Змодельована схема пидсилювального каскаду.

Рис.1.3. Осцилограмма підсилювача.

Завдання 2. Розрахунок та аналіз роботи підсилювальних каскадів на операційних підсилювачах

Для інвертуючого суматора або підсилювача на ОУ

Вихідні дані:3=75кОм; R4=6.2кОм; I4=1 мА; Ku33 =-50;

Необхідно визначити:

. опір резистора R1;

. величини струмів I1, I3;

. правильність постановки струмів на розрахунковій схемі;

. тип та потужність резисторів каскаду підсилення.

Рис.2 - Розрахункова схема інвертуючого підсилювача.

Коефіцієнт підсилення визначається як:

KUЗЗ==-.


Струм I4= з чого випливає що U3=I4R4=0.001*6 200=6.2 В;

Знаючи U3 можемо визначити U1, як

1= U3/ KUЗЗ=6.2/(-50)= -1.124 В;

Спираючись на закон Ома визначаємо струми I1, як

1= U1/ R1=-1.124/1500=-0.74 мА;

За першим закону Кірхгофа можемо записати: I3= I1=0,74 мА, и напрям його також вказано звернено.

Рис.2.1 - Інвертуючий підсилювач на ОУ. Схема електрична

Потужність розсіювана на резисторах підсилювача:R1=1.5∙103∙(0,74 ∙10-3)2=1.11∙10-3 Вт.R3=75∙103∙(0,74 ∙10-3)2=55∙10-3 Вт.R4=6.2∙103∙(1∙10-3)2=6.2∙10-3 Вт.

За довідником обираємо резисторі типа С2-33 потужністью 0,125 Вт.

Завдання 3. Розрахунок та аналіз роботи підсилювальних каскадів на операційних підсилювачах

Для не інвертуючого підсилювача на ОУ

Вихідні дані:2=3кОм; I3=1 мА; U2=0.9В; U3=5.1В;

Необхідно визначити:

. опір резистора R1 ,R3;

. величини струмів I2, I1;

тип та потужність резисторів каскаду підсилення.

. напругу U1;

. коефіцієнт підсилення KUЗЗ;

Рис.3 - Неінвертуючий підсилювач.

Коефіцієнт підсилення визначається як:

KUЗЗ=1+.

і+=і-=0 відповідно і12=і , тоді

і12==;

|U1|=|U2|=0,9В;

З цього випливає що R1=2700/4.2=642,85 Ом.

Спираючись на закон Ома R3=5.1/0.001=5100 Ом.

Підставляючи значення опорів до формули коефіцієнту підсилення .UЗЗ=1+;

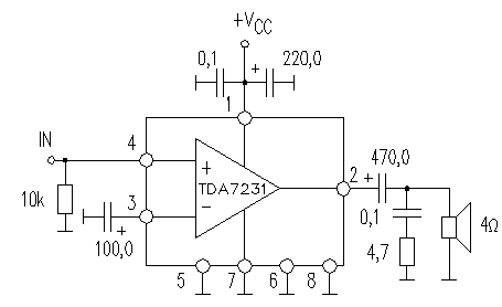
Завдання 4. Схемотехніка підсилювачів потужностей звукових частот

За довідником обираємо ІМС, яка близька по параметрам до даних.- яка має наступні електричні параметри:

Рном=1.8Вт, Uпит=12 В, Rн=6 Ом.

Рис.3 - УНЧ на ІМС. Схема електрична принципова

Висновки

В результаті виконання роботи були розраховані опори для підсилюючого каскаду .

Були здобуті навички розрахунків невідомих значень компонентів інвертуючего та не інвертуючего підсилювача за заданими даними.

Список джерел

1.      Методические указания к выполнению контрольных работ по дисциплине “Электроника и микросхемотехника” для студентов специальности “Электромеханические системы автоматизации" / Сост. А.Н. Беш. - Краматорск: ДГМА, 2007. - 1-14 с.

2.      www.chipdip.ru/catalog <http://www.chipdip.ru/catalog>

.        http://kazus.ru/

Похожие работы на - Розрахунок опор для підсилюючого каскаду

 

Не нашли материал для своей работы?
Поможем написать уникальную работу
Без плагиата!
Без нейросетей!