|
№
пропуска
|
Перемещение,
Si, мм
|
Время,
ti , c
|
Скорость
|
|
|
вниз
|
вверх
|
vi,
мм/с
|
ωi,
рад/с
|
|
1
|
5
|
0,489
|
|
20,46
|
8,25
|
|
2
|
195
|
3,052
|
|
127,78
|
51,52
|
|
3
|
60
|
1,693
|
|
70,88
|
28,58
|
|
4
|
30
|
1,197
|
|
50,12
|
20,21
|
|
5
|
2
|
0,309
|
|
12,94
|
5,22
|
|
6(возврат)
|
292
|
|
3,735
|
156,37
|
63,04
|
|
∑
ti, с
|
|
6,744
|
3,735
|
|
|
|
|
10,479
|
|
|
.3 Предварительная оценка работоспособности
электропривода по перегрузке и нагреву
Эквивалентный момент в повторно-кратковременном
режиме :
,
где Мп - момент при пуске; Мт -
момент при торможении; Му - момент при движении с установившейся скоростью, Н∙м
Определим моменты пуска и торможения
при заданном ускорении
,
Мэ.S3 = 3805 Н∙м
Проверим работоспособность двигателя
режима S1, работающего в режиме S3.
,
где Мэ - эквивалентный момент для
режима S1, Н∙м; γ
- коэффициент
постоянных потерь двигателя; tр - время работы двигателя в режиме S3, с; t0 -
время в течение которого двигатель не работает, с
Коэффициент постоянных потерь
определяется:
,
где
- коэффициент полезного действия
двигателя номинальный; ηм -
максимальный коэффициент полезного действия двигателя (примем ηм =
+0,04);
- для двигателей с самовентиляцией
приближенно принимается
; примем а
=0,3
р = ∑ ti = tц - ∑ ti,
где tц - время цикла, с (по
технологической карте - 50 сек)=50 - 10,479 = 39,521 с
Эквивалентный момент составляет
0,13Мн , что исключает перегрев двигателя.
Относительная продолжительность
работы привода:
,
3.4 Выбор преобразователя
На ОАО НТМК в последнее время широко
внедряются преобразователи фирмы «Сименс». Поэтому для данного привода будет
выбран преобразователь этой фирмы. Исходя из требований, предъявляемых к
приводу нажимных винтов, выбираем преобразователь частоты с векторным
управлением.
Преобразователь SIMOVERT MV : 6 SE
80 10 - 1 D А 0 1 - L02
Расшифровка:
SE 80 - конструктивный ряд
- Мощность в 100 кВА
- тип охлаждения - воздушное-
номинальное напряжение подключения - 6 кВ
А - преобразователь с 12-пульсным
диодным входом
- функциональный уровень
- SIMOVERT MV c максимальной
выходной частотой 66 Гц (стандарт)- дополнительная опция - активный выпрямитель
Номинальное напряжение - 6 кВ,
номинальный ток - 95 А
Общие технические данные:
Силовые элементы - диоды и
транзисторы HV-IGBT
Выпрямитель со стороны сети -
активный реверсивный выпрямитель Active Front End (AFE)
Инвертор со стороны двигателя -
трехточечный инвертор
Регулирование- регулятор
TRANSVEKTOR, полноцифровой с RISC-процессором (32 бит)
Квадранты привода - AFE -2
направления вращения в движении и торможении (4 квадрант)
Вспомогательное электропитание 3×380 В ± 10%,
50/60 Гц ± 3%
Коэффициент мощности основной
гармоники > 0,96
КПД - 97,6 %
Диапазон регулирования частоты и
скорости вращения -1:1000.
Регулятор TRANSVEKTOR достигает
динамических качеств, присущих приводу постоянного тока. Это становится
возможным благодаря тому, что токовые составляющие, отображаемые моментом и
потоком, регулируются точно и независимо друг от друга. С помощью такого
векторного регулирования можно очень точно поддерживать и ограничивать заданный
момент. В среднем диапазоне регулирования скорости ориентированное на поле
регулирование преобразователя SIMOVERT MV не требует датчика скорости и
полностью независимо от параметров мотора. Датчик скорости требуются в
перечисленных ниже случаях использования: высокие требования к динамике;
регулирование момента или поддержание постоянного момента в диапазоне
регулирования > 1:10; малые скорости вращения; высокая точность по скорости.
Принимаем к установке
преобразователь без датчика скорости.
Конструкция силовой части:
Силовая часть преобразователя
SIMOVERT MV состоит в стандартном исполнении из:
Силового выключателя
Выключатель высокого напряжения,
управляется преобразователем.
Входного трансформатора - для
приведения сетевого напряжения к среднему напряжению.
Активного выпрямителя
Трех точечного промежуточного
контура с конденсаторами и устройством короткого замыкания для разрядки.
Необслуживаемые и самовосстанавливающиеся конденсаторы МКК в параллельном
подключении для сглаживания напряжения промежуточного контура.
Трехточечного инвертора с тремя
фазными элементами (состоят каждый из HV-IGBT и диодной силовой платы.)
Фильтр IHV создает из импульсного
выходного напряжения инвертора синусное напряжение.
Комбинированный измерительный
преобразователь тока и напряжения
Служит для регистрации выходного
напряжения и тока двигателя (текущих значений). Прецизионный регистратор тока
двигателя и выходных напряжений по специальной патентованной методике
Sigma-Delta.
Конструкция силовой части в
трехточечной технике имеет много преимуществ: HV-IGBT нагружает только половину
промежуточного контура. Частота переключения составляет при одинаковом качестве
выходного тока только около ¼ необходимой при двухточечной технике
частоты; поэтому потери в HVIGBТ малы, К.П.Д. высок. Лучшая форма кривой
выходного тока (рис.3.1) по сравнению с двухточечной техникой: потери в двигателе
и уровень шума малы.
Форма выходного тока преобразователя
рис.3.1
Преобразователь осуществляет
диагностику неисправностей.
Силовой выключатель
Повышенное и пониженное напряжение
сети
Контроль состояния трансформатора
Выход из строя вентилятора
Контроль двигателя. Термисторный
прибор 3RN1011-1CB00 для защиты двигателя. Оценивает температуру двигателя для
предупреждения и дальнейшего отключения. Выходные контакты встроены во
внутреннюю цепь отключения выключателя.
Контроль IGBT транзисторов
Напряжение промежуточного контура
Контроль замыкания фазы на землю
Контроль напряжения управления
.5 Синтез системы регулирования
3.5.1 Расчет параметров двигателя
. Номинальное скольжение
,
где
- угловая скорость вращения поля,
рад/с
- угловая скорость вращения ротора,
рад/с
,
где
- число пар полюсов
. Критическое скольжение
,
3. Полное сопротивление короткого
замыкания
где
- фазное номинальное напряжение, В
- фазный номинальный ток, А
4. Активное сопротивление короткого
замыкания
,
где cosφ - коэффициент
мощности двигателя
5. Активное сопротивление обмотки
статора
6. Активное сопротивление обмотки
ротора
7. Реактивное сопротивление
короткого замыкания
где m- число фаз
Ммах- максимальный момент двигателя,
Н∙м
8. Реактивное сопротивление обмотки
статора
9. Реактивное сопротивление обмотки
ротора
. Взаимная индуктивность между
обмотками статора и ротора
,
где Iон - ток холостого хода, Аон=
0,35∙Iн
Iон= 0,35∙77 =26,95А
11. Индуктивность рассеяния обмотки
статора
,
12. Индуктивность рассеяния обмотки
ротора
13. Собственная индуктивность
обмотки статора
,
14. Собственная индуктивность
обмотки ротора
15. Модуль вектора потокосцепления
ротора номинальный
,
,
где Кс - коэффициент связи между
трех и двухфазной системой; Кс=
16. Общее активное сопротивление
цепей двигателя
17. Электромагнитная постоянная
времени статора
11. Электромагнитная постоянная
времени ротора
,
.5.2 Расчет коэффициентов обратных
связей
Коэффициент обратной связи по
скорости:
где:
- напряжение задания по скорости (в
САУ), В
- номинальная угловая скорость,
рад/с
Коэффициент обратной связи по току:
,
где:
- напряжение задания по току (в
САУ), В
- максимальный ток, А
,
где
- перегрузочная способность по току
Коэффициент обратной связи по
потоку:
, В/Вб
где:
- напряжение задания по потоку (в
САУ), В
- магнитный поток ротора, Вб
Коэффициент обратной связи по
положению:
,
где Uз.s - напряжение задания по
положению (в САУ), В
Smax - максимальное перемещение
винтов, мм; табл.2.2
.5.2 Синтез регуляторов
Динамические свойства ПЧ совместно с
блоками измерения и преобразования координат могут быть учтены введением
инерционного звена с передаточной функцией:
,
где Kп- коэффициент передачи преобразователя; Тμ-постоянная времени
преобразователя.
Передаточные функции,
характеризующие динамические процессы в асинхронном электродвигателе при
векторном управлении:
Структурная схема АД.
Строим упрощенную структурную схему
электропривода, составленную на основе выше приведенных уравнений. Структурная
схема системы электропривода переменного тока при векторном управлении
аналогична структурной схеме системе электропривода постоянного тока при
двухзонном регулировании скорости. Ввиду этого и система регулирования
электроприводами выполняются аналогичными.
Упрощенная структурная схема системы электропривода
переменного тока при векторном управлении
рис.3.2
Синтез регуляторов тока:
Контуры активного и реактивного тока настроим на
модульный оптимум.
Желаемая передаточная функция разомкнутого
контура тока:
,
где
- коэффициент обратной связи по
току, В/А
за малую некомпенсируемую постоянную
времени
примем
постоянную времени преобразователя, равную 0,001 с.
Передаточная функция разомкнутого контура
тока:
,
,
где
- напряжение питающей сети, В
- напряжение САУ, В
Отсюда передаточная функция
регуляторов тока:
,
,
Синтез регулятора потокосцепления:
Желаемая передаточная функция
разомкнутого контура потокосцепления:
,
где
- некомпенсируемая постоянная
времени контура потокосцепления
Передаточная функция разомкнутого
контура потокосцепления:
Отсюда передаточная функция
регулятора потокосцепления:
Синтез регулятора скорости:
Желаемая передаточная функция
разомкнутого контура скорости, настроенного на симметричный оптимум.
Передаточная функция разомкнутого
контура скорости:
Синтез регулятора положения:
Принимаем к установке параболический
регулятор. Выход регулятора:
,
где Крп - коэффициент регулятора
положения;
- рассогласование сигналов задания
на перемещение и сигнала с датчика обратной связи, рад
,

Пояснения к функциональной схеме,
изображенной на рис.3.3:
П1- определяет управление приводом в
ручном режиме ( от КА ), либо в полуавтоматическом с пульта.
П2 - определяет раздельную работу
левым или правым винтом.
П3 - замкнут - шунтировка «ноль
органа» сработала защита « работа одним двигателем » управление совместное.
П4 - замкнут, П5 - разомкнут -
совместное управление винтами.
П4 - разомкнут, П5- замкнут -
остановка привода « ограничение хода винтов ».
П6 - совместное управление винтами
от регулятора скорости первого винта.
П7 - ограничение хода винтов вниз -
вверх.
На рис.3.4 изображена модель
двигателя для вычисления параметров обратных связей.
На рис.3.5 изображена структура
формирования флагов защит.
Реализовано две группы защит:
быстродействующие, срабатывание которых мгновенно блокирует привод, сбрасывает
флаг состояния «Готовность 1» , отключает силовое питание преобразователя, и
медленнодействующие, мгновенно сбрасывающие флаг состояния «Готовность 2» при
достижении порога перегрузки (перегрева) и блокирующие привод с выдержкой
времени в случае, если нагрузка (температура) не снижается.
К 1 - ой группе защит относятся:
• максимально-токовая защита
преобразователя;
• защита от превышения максимально
допустимой температуры транзисторов;
• защита от недопустимых отклонений
питающего напряжения;
• защиты от ошибок системы
управления;
• защита от несоответствия скорости
заданной;
• защита от превышения максимального
уровня скорости.
Максимально-токовая защита инвертора
- двухуровневая. Первый уровень срабатывания защиты выполняется программно,
путем сравнения мгновенных значений тока в выходных фазах с максимально
допустимым для установленного в преобразователе IGBT-модуля. Срабатывание
первого уровня защиты диагностируется установкой флага X в строке состояния
пульта ручного управления. Второй уровень защиты - контроль насыщения IGBT,
выполняется аппаратными средствами драйвера при возникновении режима короткого
замыкания выходных фаз между собой или на «землю». Диагностируется установкой
флага O в строке состояния.
Защита от превышения максимально
допустимой температуры кристаллов IGBT реализуется на основе динамической
тепловой модели. Модель, работающая в масштабе реального времени, выполняет
расчет статических и динамических потерь и мгновенных значений перегрева
кристаллов каждого из IGBT-ключей инвертора относительно корпуса модуля.
Входными переменными модели являются мгновенные значения токов выходных фаз,
выпрямленного напряжения Udc, и температуры корпуса IGBT-модуля и сигналы
управления, формируемые векторным модулятором. Срабатывание защиты при
достижении расчетного значения температуры любого из IGBT предельно допустимой
величины 125ºС
диагностируется флагом W в строке состояния.
Защиты от недопустимого повышения и
понижения напряжения выполняются по сигналу датчика в звене постоянного
напряжения. Порог срабатывания защиты от понижения напряжения и обрыва фазы
составляет -15% от номинального значения напряжения питающей сети. Срабатывание
диагностируется соответственно флагами H и L.
Защиты от ошибок системы управления
диагностируются следующими флагами:
отклонение напряжений питания цепей
управления сверх допустимых пределов - флагом P;
сбой в процессорном ядре - флагом C;
ошибка аналого-цифрового
преобразователя - флагом A;
ошибка энергонезависимой памяти -
флагом M;
ошибка тестирования датчиков тока -
флагом S;
ошибка тестирования датчика
напряжения - флагом U;
ошибка управления по сети (превышено
время ожидания кадра) - флагом F;
потеря сигнала токовой петли
(I<4mA) - флагом N;
неисправность (отсутствие)
микросхемы часов реального времени - флагом Z;
разряд батарейки питания микросхемы
часов реального времени - флагом G.
Защита от несоответствия вычисленной
и заданной скорости диагностируется установкой флага D. При превышении уровня
максимально допустимой скорости устанавливается флаг E.
Ко 2 - ой группе защит относятся:
• температурная защита
преобразователя;
• температурная защита двигателя;
• время-токовая защита двигателя.
Температурная защита преобразователя
выполняется по сигналам датчиков, установленных в силовых модулях инвертора и
выпрямителя, и настроена на максимально допустимую рабочую температуру. При
достижении температуры корпуса любого из модулей 80ºС
сбрасывается флаг «Готовность 2», в строке состояния пульта ручного управления
отображается мигающий символ T. При температуре 85ºС привод
блокируется, сбрасывается флаг «Готовность 1», отключается силовое питание преобразователя,
в строке состояния отображается немигающий символ T. При достижении
температурой двигателя порогового значения сбрасывается сигнал «Готовность 2»,
в строке состояния пульта ручного управления отображается мигающий символ Q.
Если температура продолжает расти, то через время сбрасывается сигнал
«Готовность1», в строке состояния отображается немигающий символ Q. Порог
активизации защиты задается в процентах от номинального тока двигателя I ном.
При достижении током установленного значения сбрасывается сигнал «Готовность 2»
и отображается мигающий символ I. Если нагрузка не снижается, то
преобразователь блокируется с выдержкой времени.
Разблокирование привода и сброс
флагов защит выполняется входным логическим сигналом «Сброс защит» или
отключением питания. Флаги срабатывания защит второй группы могут быть сброшены
только при снижении температуры преобразователя (двигателя) до установленного
значения или с выдержкой времени, эквивалентной остыванию двигателя после
перегрузки.
4. ИССЛЕДОВАТЕЛЬСКАЯ ЧАСТЬ
В исследовательской части данного дипломного
проекта будет разработана модель привода нажимного устройства. Программа для
моделирования - Matlab 6.5 Simulink. Цель данного раздела - подтвердить
правильность расчетов, произведенных в конструкторской части.
.1 Моделирование в MATLAB
Модель асинхронного двигателя представлена на
рис.4.1
Модель асинхронного двигателя в неподвижной
системе координат
рис.4.1
В неподвижной комплексной системе
координат вещественная ось обозначается через α, а мнимая
через β.
Пространственные
векторы в этом случае раскладываются по осям:
Системы уравнений двигателя имеет
вид:
Результаты моделирования в
неподвижной и во вращающейся системе координат являются полностью идентичными.
Для анализа собственно электрической машины выбор системы координат не играет
роли.
Так как структурная схема системы
управления - во вращающейся системе координат, то для преобразования координат
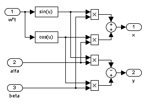
из вращающихся в неподвижные служит блок, представленный на рис.4.2.
Блок преобразования координат x,y - α,β
рис.4.2
На вход поданы напряжения во
вращающейся системе координат Ux, Uy, представляющие постоянные величины, а
также величина ωt
- скорость
вращения координат. На выходе блока формируются синусоидальные напряжения,
управляющие моделью АКЗ в неподвижной системе координат.
;
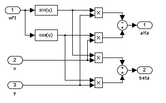
Для подачи сигнала обратной связи по
току в систему управления служит блок преобразования α,β -
x,y, представленный
на рис.4.3.
Блок преобразования α,β -
x,y
рис.4.3
Реактивный момент нагрузки
реализуется схемой, представленной на рис.4.4.
Реактивный момент нагрузки
рис.4.4
Вычисление модуля потока реализуется
схемой, представленной на рис.4.5.
Вычисление модуля потока
рис.4.5
Вычисление скорости вращения
координат реализуется схемой, представленной на рис.4.6.
Вычисление скорости вращения
координат
рис.4.6
Задатчик интенсивности представлен
на рис.4.7.
Задатчик интенсивности
рис.4.7
Регуляторы системы управления
построены на основе блока PID-контроллер, в котором задаются коэффициенты
пропорционального, интегрального и дифференциального звеньев; ограничения
выходных параметров регуляторов - блок Saturation; апериодическое звено -
преобразователь - представлено блоком Transfer fcn. Задание на контур положения
- выполнено блоком Timer, в котором в одной строке задаются значения времени, в
другой - амплитуда сигнала в данный момент времени.
.2 Анализ переходных процессов
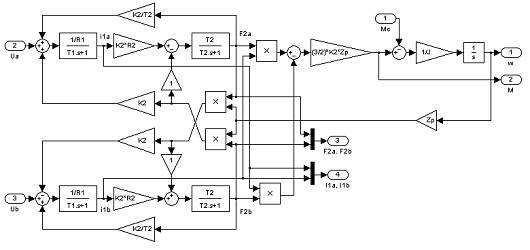
Модель привода представлена на
рис.4.8.
Из рис.4.9 видно, что тахограмма
аналогична заданной, на нагрузочной диаграмме имеются пиковые броски моментов в
конце режимов пуска и торможения.
На рис.4.10 изображены моменты
каждого двигателя и эквивалентный момент.
Как видно из рис.4.11, где
изображено перемещение винтов, за счет установки параболического регулятора перерегулирование
отсутствует, привод отрабатывает перемещение точно, без ошибки. Время
регулирования соответствует рассчитанной тахограмме и не превышает допустимое
(табл.2.4).
На рис.4.12 и рис.4.14 -
синусоидальные напряжения Uα,Uβ, управляющие моделью АКЗ в
неподвижной системе координат, на рис.4.13 - напряжения во вращающейся системе
координат Ux, Uy .
рис.4.9
рис.4.10
рис.4.11
рис.4.12
рис.4.13
рис.4.14
5. ОРГАНИЗАЦИОННО - ЭКОНОМИЧЕСКАЯ ЧАСТЬ
Модернизация (в данном проекте замена
электропривода постоянного тока переменным) связана с дополнительными
инвестициями. Целесообразность модернизации заключается в замене физически и
морально устаревшего оборудования с целью повышения энергетических показателей
и снижением эксплуатационных затрат на обслуживание и ремонт.
Перед нами стоит задача оценить экономическую
эффективность на основе оценки капитальных затрат, эксплуатационных расходов и
срока окупаемости
.1 Расчет капитальных затрат
В табл. 5.1. сведены расчеты затрат на покупку
оборудования. Стоимость двигателя и преобразователя определяется ценой за 1
кВт,
стоимость
кабеля - за 1 метр.
Таблица 5.1
Расчет капитальных затрат на покупку
оборудования
|
Наименование
|
Кол.
|
Вариант
2
|
|
1.
Двигатель
|
2
|
1890
тыс.руб.
|
|
2.
Преобразователь
|
2
|
7500
тыс.руб.
|
|
3.
Силовой кабель
|
2
|
80
тыс.руб.
|
|
Итого
затрат, К
|
2
|
9470
тыс.руб.
|
. Затраты на выполнение проекта - принимают
обычно 15% стоимости оборудования
Зпр = 0,15 ∙ К
Зпр = 0,15 ∙ 9470 = 1421 тыс.руб.
Затраты на транспортировку - принимают 5% стоимости
оборудования
Зтр = 0,05 ∙ К
Зтр = 0,05 ∙ 9470 = 473,5 тыс.руб.
Затраты на выполнение монтажа - принимают 15%
стоимости оборудования
Зм = 0,15 ∙ К
Зм = 0,15 ∙ 9470 = 1421 тыс.руб.
Затраты на наладку - принимают 10% стоимости
оборудования
Зн = 0,1∙К
Зн = 0,1∙9470= 947 тыс.руб.
Затраты на электроэнергию и топливо - принимают
15% стоимости оборудования
Зэт = 0,15∙К
Зэт = 0,15 ∙ 9470= 1421 тыс.руб.
Общие капитальные затраты
Кобщ = К+ Зпр+ Зтр + Зм + Зн + Зэт
Кобщ = 9470+1421+473,5 +1421+947+471,75= 15150
тыс.руб.
.2 Расчет эксплуатационных расходов
Амортизационные отчисления
Са =
,
где Та - амортизационный период, год
Для двигателя Та = 12,5 лет; для
преобразователей Та = 12,5 лет; для силовых кабелей Та = 22,5 года
Са =
=754,76 тыс.руб.
. Определим стоимость годовых потерь
электроэнергии
Сп = Сэ ∙ ∆Р∑ ∙
Т,
где Сэ - стоимость одного кВт∙ч
электроэнергии, руб; Сэ = 1,04 ;
Т - годовой период работы
оборудования, час; Т = 8550;
∆Р∑ - суммарные потери
мощности, кВт
∆Р∑ = ∆Рд + ∆Рп
,
где ∆Рд , ∆Рп - потери
двигателя и преобразователя, кВт
∆Рд = n ∙ Рдн ∙ (1
- ηд),
где n - число двигателей
∆Рд1 = 2 ∙ 640 ∙(1-
0,9)= 128 кВт
∆Рд2 = 2 ∙ 630 ∙(1-
0,926) = 93,24 кВт
∆Рп= n ∙ Iдн ∙Uдн ∙
(1 - ηп),
где n - число преобразователей;
∆Рп 1= 2 ∙ 1130 ∙600
∙ (1 - 0,85) = 203,4 кВт
∆Рп2= 2 ∙ 77 ∙6000
∙ (1 - 0,976) = 22,18 кВт
∆Р∑1 = 331,4 кВт
∆Р∑2 = 115,42 кВт
Сп1 = 1,04 ∙ 331,4 ∙
8550 = 2947 т.р.
Сп2 = 1,04 ∙ 115,42∙
8550 = 1026 т.р.
Из расчета видно, что замена привода
приведет к снижению потерь в 2,87 раза
Расчет фонда оплаты труда
Таблица 5.2
Расчет фонда оплаты труда
|
Должность
|
Вариант
1
|
Вариант
2
|
|
Количество
человек
|
Оплата
труда, т.р.
|
Количество
человек
|
Оплата
труда, т.р.
|
|
1.
Электромонтер
|
2
|
12
|
2
|
12
|
|
2.
Слесарь
|
2
|
12
|
2
|
12
|
|
3.
Гидравлик
|
2
|
12
|
-
|
-
|
|
4.
Инженер
|
1
|
15
|
1
|
15
|
|
5.
Оператор
|
3
|
15
|
3
|
15
|
Фзп1 = (12∙6 + 15∙4) ∙12∙1,15∙1,8
= 3279 т.р.
Фзп2 = (12∙4 + 15∙4) ∙12∙1,15∙1,8
= 2683 т.р.
. Расчет потребления энергии за год
Сэп = Сэ ∙n ∙Рдв ∙Т
Сэп1 = 1,04 ∙ 2 ∙ 640 ∙ 8550 =
11380 т.р.
Сэп2= 1,04 ∙ 2 ∙ 630 ∙ 8550 =
11200 т.р.
. Затраты на ремонт оборудования
Сводим в табл. 5.3 и табл.5.4. данные для
расчета трудоемкости ремонтов за год по каждому варианту. Структура ремонтного
цикла, его продолжительность и трудоемкость взяты согласно [11].
Таблица 5.3
Вариант 1
|
Оборудование
|
Структура
ремонтных циклов
|
Количество
ремонтов
|
Продолжительность
ремонтного цикла, год
|
Нормы
трудоемкости ремонтов, чел./ч
|
|
|
Т
|
С
|
К
|
|
Т
|
С
|
К
|
|
МПС-640-700
|
К-11Т-С-11Т-С-11Т-К
|
33
|
2
|
2
|
6
|
34
|
145,2
|
357,2
|
|
КТЭУ
- 1600/750 - 22181 - УХЛ4
|
К-Т-С-Т-С-Т-
С-Т- С-Т- С-Т-К
|
6
|
5
|
2
|
6
|
19
|
68
|
170
|
|
Силовой
тр-р
|
К-Т-Т-К
|
2
|
-
|
2
|
6
|
24
|
-
|
150
|
|
Каб.
линия
|
К-9Т-К
|
9
|
-
|
2
|
10
|
30
|
-
|
150
|
Трудоемкость ремонтов за год
Тг1 =
Тг1 =601,8 чел.-ч.
Таблица 5.4
Вариант 2
|
Оборудование
|
Структура
ремонтных циклов
|
Количество
ремонтов
|
Продолжительность
ремонтного цикла, год
|
Нормы
трудоемкости ремонтов, чел./ч
|
|
|
Т
|
С
|
К
|
|
Т
|
С
|
К
|
|
ВАН-14-39-8
|
К-11Т-С-11Т-С-11Т-К
|
33
|
2
|
2
|
6
|
22,3
|
95,4
|
234,7
|
|
SIMOVERT
MV
|
К-3Т-С-3Т-С-3Т-К
|
9
|
2
|
2
|
6
|
6
|
24
|
58
|
|
Каб.
линия
|
К-9Т-К
|
9
|
-
|
2
|
10
|
18
|
-
|
90
|
Тг2 =
= 303,22 чел.-ч.
Как видно из расчета, трудоемкость
ремонтов за год уменьшилась почти вдвое.
Затраты на ремонт складываются из
заработной платы рабочих и стоимости материалов, полуфабрикатов и
комплектующих.
Заработная плата рабочих -
произведение трудоемкости ремонтов на тарифную ставку электромонтера
Сзп = Тг ∙ Стс ,
где Стс - тарифная ставка
электромонтера (взята средняя из тарифных ставок электромонтеров 5 и 6
разрядов), руб
Сзп1 =
=19,53 т.р.
Сзп2 =
= 9,842
т.р.
Затраты на материалы и комплектующие
составляют:
при капитальном ремонте - 20%
стоимости оборудования
при среднем ремонте - 10% стоимости
оборудования
при текущем ремонте - 1% стоимости
оборудования
Смк2 =
Смк2 = 1159 т.р.
. Суммарные эксплуатационные расходы
для внедряемого оборудования
Сэк = Са + Сп + Фзп + Сэп + Сзп +
Смк
Сэк =16840 т.р.
. Эффективность капиталовложений
определим, оценив экономию эксплуатационных расходов.
Сэк1-Сэк2 =
Сэк1-Сэк2 =
(2947+3279+11380+19,53)-(1026+2683+11200+9,842) = 2704 т.р.
Как видно из расчета, годовая
экономия по эксплуатационным расходам - более 2,5 млн.руб.
. Расчет срока окупаемости. Ввиду
того, что действующее оборудование работает давно, то оценить его стоимость и
капитальные затраты невозможно. Поэтому срок окупаемости определим через
капитальные затраты по новому варианту и годовую экономию по эксплуатационным
расходам.
,
= 5,6 года
Срок окупаемости меньше нормативного
Тн = 6,25 года.
Значит, модернизация привода в
данном проекте оправдает себя по техникоэкономическим показателям.
Все данные расчетов сведем в
табл.5.5.
Таблица 5.5
Технико-экономические показатели
модернизации электропривода
|
Показатель
|
Ед.изм.
|
Вариант
|
|
|
Действующий
|
Проектный
|
|
1.
Общие капитальные затраты
|
тыс.руб.
|
-
|
15150
|
|
1.1.
Стоимость оборудования
|
тыс.руб.
|
-
|
9470
|
|
1.2.
Наладочные работы
|
тыс.руб.
|
-
|
|
1.3.
Монтажные работы
|
тыс.руб.
|
-
|
1421
|
|
1.4.
Транспортные расходы
|
тыс.руб.
|
-
|
473,5
|
|
1.5.
Расходы на выполнение проекта
|
тыс.руб.
|
-
|
1421
|
|
1.6.
Расходы на электроэнергию и топливо
|
тыс.руб.
|
-
|
1421
|
|
2.
Эксплуатационные расходы
|
тыс.руб.
|
17630
|
16840
|
|
2.1.
Амортизационные отчисления
|
тыс.руб.
|
-
|
754,76
|
|
2.3.
Фонд заработной платы
|
тыс.руб.
|
3279
|
2683
|
|
2.4.
Потери электроэнергии
|
тыс.руб.
|
2947
|
1026
|
|
2.5.
Потребление электроэнергии
|
тыс.руб.
|
11380
|
11200
|
|
2.6.
Затраты на ремонт оборудования
|
тыс.руб.
|
-
|
1168,8
|
|
2.6.1.
Заработная плата рабочих
|
тыс.руб.
|
19,53
|
9,842
|
|
2.6.2.
Стоимость материалов и комплектующих
|
тыс.руб.
|
-
|
1159
|
|
8.
Экономия эксплуатационных расходов
|
тыс.руб.
|
2704
|
|
9.
Срок окупаемости
|
год
|
5,6
|
. ЭНЕРГОСБЕРЕЖЕНИЕ
ОАО «Нижнетагильский металлургический комбинат»
- градообразующее предприятие, которое является одним из крупнейших предприятий
черной металлургии Российской Федерации.
Энергосбережение в последние годы является
приоритетным направлением в деятельности ОАО НТМК и является одной из
составляющих экологической политики комбината. Об этом сказано в программе,
утвержденной руководством, которое берет на себя следующие обязательства:
внедрять передовые технологии и модернизировать
существующие процессы производства, предусматривая снижение отрицательного
воздействия на окружающую среду;
разрабатывать и выполнять мероприятия по
снижению удельного потребления природных и энергетических ресурсов, выбросов и
сбросов загрязняющих веществ, утилизации ранее накопленных и вновь образующихся
отходов
Далеко не последнее значение это имеет для
снижения себестоимости продукции и, соответственно, ее конкурентоспособности,
формирования цены и роста доходов.
Модернизация привода нажимных винтов является
энергосберегающим мероприятием.
В настоящий момент преобразователь КТЭУ -
1600/750 - 22181 - УХЛ4, установленный на механизме, имеет систему
принудительного водяного охлаждения. Дистиллированная вода, используемая для
охлаждения, производится в дистилляторе, установленном в подвале машинного
зала. Для создания давления подачи воды в систему установлены теплообменники
(рабочий и резервный насос и замкнутая система труб). Преобразователь SIMOVERT
MV, который предлагается в данном проекте, имеет воздушное охлаждение. В шкафу
преобразователя установлены вентиляторы, мощность которых незначительна. Этот способ
охлаждения не требует воды, что позволяет экономить энергоносители, и
дополнительных устройств подачи. Кроме того, он является более надежным, так
как в случае неисправности вентилятора его замена возможна в процессе работы
преобразователя. Преобразователь КТЭУ - 1600/750 - 22181 - УХЛ4 имеет
совместное согласованное управление группами тиристоров. Недостатком такого
способа управления являются уравнительные токи, для ограничения которых
установлены реакторы. Если учесть, что величина уравнительных токов составляет
примерно 10% от номинального тока ( 1130 А ), то потери весьма значительны.
Преобразователь SIMOVERT MV имеет в силовой схеме полностью управляемые
высоковольтные транзисторы - HVIGBT (Hige Voltage IGBT). Их применение
исключает режим уравнительных токов.
Двигатель МПС-640-700, установленный в настоящий
момент, имеет номинальный ток 1130А. Двигатель ВАН - 14 - 39 - 8, предлагаемый
к установке, 77А. Значит при одной и той же мощности потери на нагрев в
двигателе, силовом кабеле, преобразователе будут значительно меньше. Будут
отсутствовать и потери на возбуждение (Uв.н = 220В, Iв.н = 17А).
Преобразователь КТЭУ потребляет из сети
реактивную мощность, его cosφ порядка
0,85, SIMOVERT MV работает с cosφ ≈ 1 и
даже способен компенсировать реактивную мощность.
В цехе прокатки широкополочных балок проводится
еще ряд мероприятий по энергосбережению.
Замена сигнальных троллейных ламп накаливания на
светодиодные индикаторы. Ожидаемая годовая экономия - 75,88 тыс.кВт∙ч (
78,9 тыс.руб). Замена светильников потолочного освещения на участках ПГР и
холодильников с РСП-1000 на ГСП-700-5. При этом ожидаемая годовая экономия -
410 тыс.кВт∙ч (405,9 тыс.руб). Перевод приводов вращения дисков пил
горячей резки на устройства плавного пуска. Ожидаемая годовая экономия - 584,4
тыс.кВт∙ч (602,4 тыс.руб).
Еще одним мероприятием по энергосбережению
является вывод из работы одной методической печи при прокате мелких балочных
профилей. План проката на месяц составляется таким образом, чтобы мелкие
профиля, заказанные потребителями катались последовательно в одно время. При
этом экономия от простоя одной нагревательной печи - 832 тыс.кВт∙ч (865,2
тыс.руб).
. БЕЗОПАСНОСТЬ ЖИЗНЕДЕЯТЕЛЬНОСТИ
.1 Анализ условий труда персонала и эксплуатации
проектируемого оборудования
.1.1 Анализ выполнения общих требований к
размещению оборудования и размещению рабочих мест. Соответствие оборудования
общим требованиям безопасности
Движущиеся части производственного оборудования,
являющиеся возможным источником травмы, должны быть ограждены или расположены
так, чтобы исключалась возможность прикасания к ним работающего или
использованы другие средства, предотвращающие травмирование. В непосредственной
близости от движущихся частей, находящихся вне поля видимости оператора, должны
быть установлены органы управления аварийным остановом (торможением), если в
опасной зоне, создаваемой движущимися частями, могут находиться работающие.
Элементы конструкции оборудования не должны иметь острых углов, кромок,
заусенцев и поверхностей с неровностями, представляющими опасность
травмирования работающих. Производственное оборудование должно быть
пожаровзрывобезопасным в предусмотренных условиях эксплуатации. Расположение
рабочего места должно предусматривать перемещение по рабочей зоне,
обеспечивающее безопасное выполнение трудовых операций. Технические устройства,
применяемые на опасных производственных объектах металлургической отрасли,
должны пройти приемочные испытания, иметь сертификат установленного образца и
разрешение Госгортехнадзора России на применение. На все технические устройства
должны быть эксплуатационные документы. Непосредственно у агрегатов или мест их
обслуживания и управления должны быть помещены схемы расположения и
технологической связи агрегатов и коммуникаций. Эксплуатация технических устройств
должна осуществляться в соответствии с требованиями технологических инструкций.
К эксплуатации технических устройств допускается только подготовленный
эксплуатационный и ремонтный персонал. Перед пуском в работу технического
устройства, узлы которого или все устройство перемещаются в процессе работы,
должны подаваться звуковые и световые сигналы продолжительностью не менее 10 с.
Пуск технического устройства, расположенного вне зоны видимости, с пульта, а
также при смешанном управлении (ручном и автоматическом) должен производиться
только после получения ответных сигналов по двусторонней системе сигнализации
от работников, подтверждающих безопасность его пуска на закрепленных за ними
участках. Пусковые устройства механизмов и оборудования должны быть
сблокированы так, чтобы полностью обеспечить установленный порядок их включения
с учетом продолжительности подачи сигналов. Перечень технических устройств,
которые эксплуатируются с применением ключа-бирки, должен быть утвержден
техническим руководителем организации. Система смазки механизмов должна быть
герметичной. Все труднодоступные, а также часто смазываемые узлы механизмов при
их значительном количестве должны иметь централизованную автоматизированную
систему смазки. Ручная смазка механизмов разрешается только при их полной
остановке. В местах повышенной опасности и расположения технических устройств
должны быть вывешены предупредительные плакаты, установлены знаки безопасности
или устроена звуковая (световая) сигнализация. Технические устройства и коммуникации,
работающие в условиях, вызывающих коррозию, подлежат специальному надзору.
Требования к электроустановкам. Для каждой
электроустановки должны быть составлены эксплуатационные схемы режимов работы.
Все изменения, вносимые в схемы электрических соединений должны быть отмечены в
схеме с обязательным указанием, кем, когда и по какой причине внесено то или
иное изменение. Эксплуатационные электрические схемы и изменения, вносимые в
них, должно утверждать лицо, ответственное за электрохозяйство предприятия. В
электрических схемах должна быть предусмотрена защита электроустановок от
перегрузки и короткого замыкания, а также защита персонала от воздействия
электромагнитного поля. При работах, связанных с опасностью поражения
электрическим током или воздействия электромагнитного поля, должны применяться
средства защиты. У электрифицированных инструментов (электроинструментов),
переносных электрических ламп, понижающих трансформаторов и преобразователей
частоты электрического тока перед применением должны быть проверены отсутствие
замыкания на корпус, состояние изоляции питающих проводов и исправность
заземляющего провода. Переносной электрифицированный инструмент должен
соответствовать требованиям действующих стандартов. Эксплуатацию
электрооборудования и электроустановок должен осуществлять подготовленный
персонал.
.1.2 Анализ опасных и вредных производственных
факторов в цехе, где будет установлено проектируемое оборудование
Опасные и вредные производственные факторы цеха
перечислены в табл.7.1
Таблица 7.1
Оценка условий труда по степени вредности и
опасности
|
Фактор
|
Класс
условий труда
|
|
Химический
|
вредные
1 степени (3.1)
|
|
Аэрозоли
ПДФ
|
вредные
1 степени (3.1)
|
|
Акустические
|
Шум
|
вредные
1 степени (3.1)
|
|
Инфразвук
|
допустимый
(2)
|
|
Вибрация
локальная
|
допустимый
(2)
|
|
Вибрация
общая
|
допустимый
(2)
|
|
Неионизирующие
излучения
|
допустимый
(2)
|
|
Ионизирующие
излучения
|
допустимый
(2)
|
|
Микроклимат
|
вредные
1 степени (3.1)
|
|
Освещение
|
допустимый
(2)
|
|
Тяжесть
труда
|
допустимый
(2)
|
|
Напряженность
труда
|
допустимый
(2)
|
|
Общая
оценка условий труда
|
вредные
1 степени (3.1)
|
Совокупное воздействие всех опасных и вредных
производственных факторов определяет условия труда как вредные, класс 3.2.
Условия труда на рабочем месте по фактору травмобезопасности относятся к
первому классу (оптимальные).
.2 Электробезопасность
Система организационных и технических
мероприятий и средств, обеспечивающих защиту людей от вредного и опасного
воздействия электрического тока, электрической дуги, электромагнитного поля и
статического электричества.
.2.1 Категории производственных помещений по
степени опасности
поражения
электрическим током
Установлены следующие категории помещений:
Помещения с повышенной опасностью
характеризуются наличием в них одного из следующих условий, создающих
повышенную опасность: а) сырость (относительная влажность помещений длительно
превышает 75%); б) токопроводящие полы (металлические, земляные,
железобетонные, кирпичные и т. п.); в) запыленность проводящей пылью
(количество пыли таково, что она оседает на проводах и проникает внутрь
электросварочного оборудования); г) возможность одновременного прикосновения
человека к заземленным металлоконструкциям и металлическим частям оборудования.
Особо опасные помещения характеризуются наличием
одного из следующих условий, создающих особую опасность: а) особая сырость
(относительная влажность помещений близка к 100 % - потолок, стены, пол и
предметы, находящиеся в помещении, покрыты влагой); б) химически активная среда
(в помещении по условиям производства постоянно или длительное время содержатся
пары или образуются отложения, разрушающие изоляцию и токоведущие части
электросварочного оборудования); в) одновременное наличие двух или более
условий повышенной опасности.
Помещения без повышенной опасности -
характеризуются отсутствием условий, создающих повышенную и особую опасность.
.2.2 Меры защиты от поражения электрическим
током электротехнического, технологического и электротехнологического персонала
) применения надлежащей изоляции, а в отдельных
случаях - повышенной; 2) применения двойной изоляции; 3) соблюдения
соответствующих расстояний до токоведущих частей или путем закрытия, ограждения
токоведущих частей; 4) применения блокировки аппаратов и ограждающих устройств
для предотвращения ошибочных операций и доступа к токоведущим частям; 5)
надежного и быстродействующего автоматического отключения частей
электрооборудования, случайно оказавшихся под напряжением, и поврежденных
участков сети, в том числе защитного отключения; 6) заземления или зануления
корпусов электрооборудования и элементов электроустановок, которые могут
оказаться под напряжением вследствие повреждения изоляции; 7) выравнивания
потенциалов; 8) применения разделительных трансформаторов; 9) применения
напряжений 42 В и ниже переменного тока частотой 50 Гц и 110 В и ниже
постоянного тока; 10) применения предупреждающей сигнализации, надписей и
плакатов; 11) применения устройств, снижающих напряженность электрических
полей; 12) использования средств защиты и приспособлений, в том числе для
защиты от воздействия электрического поля в электроустановках, в которых его
напряженность превышает допустимые нормы.
7.2.3 Организация оперативного обслуживания и
ремонта электроустановок
Электроустановка - совокупность машин,
аппаратов, линий и вспомогательного оборудования (вместе с сооружениями и
помещениями, в которых они установлены), предназначенных для производства,
преобразования, трансформации, передачи, распределения электрической энергии и
преобразования ее в другой вид энергии. Оперативное обслуживание электроустановки
- комплекс работ по ведению требуемого режима работы электроустановки;
производству переключений, осмотров оборудования; подготовке к производству
ремонта (подготовке рабочего места, допуску); техническому обслуживанию
оборудования, предусмотренному должностными инструкциями оперативного
персонала.
Оперативные переключения должен выполнять
оперативный или оперативно-ремонтный персонал, допущенный к работе
распорядительным документом руководителя организации. Для допускающих по
наряду-допуску и распоряжению наличие допуска на право выполнения оперативных
переключений обязательно. В электроустановках напряжением выше 1000 В работники
из числа оперативного персонала, единолично обслуживающие электроустановки (на
основании письменного разрешения руководителя организации), или старшие по
смене должны иметь группу безопасности IV, остальные работники в смене - группу
III. В электроустановках напряжением до 1000 В работники из числа оперативного
персонала, обслуживающие электроустановки, должны иметь группу III. Вид
оперативного обслуживания электроустановки, число работников из числа
оперативного персонала в смене определяется руководством организации и
закрепляется соответствующим распоряжением.
При ремонтах в электроустановках со снятием
напряжения выполняется ряд мероприятий обеспечивающих безопасность проведения
работ. Ответственными за безопасное ведение работ являются: выдающий наряд,
отдающий распоряжение, утверждающий перечень работ, выполняемых в порядке
текущей эксплуатации; ответственный руководитель работ; допускающий;
производитель работ; наблюдающий; член бригады.
Организационные мероприятия:
Оформление работы нарядом - допуском,
распоряжение или перечень работ, выполняемых в порядке текущей эксплуатации.
Право выдачи нарядов и распоряжений предоставляется работникам из числа
административно-технического персонала организации, имеющим группу 5 - в
электроустановках напряжением выше 1000 В и группу 4 - в электроустановках
напряжением до 1000 В. В случае отсутствия этих работников при работах по предотвращению
аварий или ликвидации их последствий допускается выдача нарядов и распоряжений
работниками из числа оперативного персонала, имеющими группу 4. Предоставление
оперативному персоналу права выдачи нарядов должно быть оформлено письменным
указанием руководителя организации.
Допуск к работе. Проводится после проверки
подготовки рабочего места. При этом допускающий должен проверить соответствие
состава бригады составу, указанному в наряде или распоряжении, по именным
удостоверениям членов бригады; доказать бригаде, что напряжение отсутствует,
показом установленных заземлений или проверкой отсутствия напряжения, если
заземления не видны с рабочего места, а в электроустановках напряжением 35 кВ и
ниже (где позволяет конструктивное исполнение) - последующим прикосновением
рукой к токоведущим частям. Началу работ должен предшествовать целевой
инструктаж, предусматривающий указания по безопасному выполнению конкретной
работы в последовательной цепи от выдавшего наряд, отдавшего распоряжение до
члена бригады (исполнителя). Без проведения целевого инструктажа допуск к
работе запрещается
Надзор во время работы. После допуска к работе
надзор за соблюдением бригадой требований безопасности возлагается на
производителя работ (наблюдающего), который должен так организовать свою
работу, чтобы вести контроль за всеми членами бригады, находясь по возможности
на том участке рабочего места, где выполняется наиболее опасная работа. Не
допускается наблюдающему совмещать надзор с выполнением какой-либо работы.
Оформление перерывов в работе, переходов на
другое рабочее место, окончание работ. Перевод на другое рабочее место
оформляется в наряде. Перевод, осуществляемый допускающим из числа оперативного
персонала, оформляется в двух экземплярах наряда. При перерыве в работе на протяжении
рабочего дня бригада должна быть удалена с рабочего места, а двери РУ закрыты
на замок. Наряд остается у производителя работ (наблюдающего). Члены бригады не
имеют права возвращаться после перерыва на рабочее место без производителя
работ (наблюдающего). Допуск после такого перерыва выполняет производитель
работ (наблюдающий) без оформления в наряде. При перерыве в работе в связи с
окончанием рабочего дня бригада должна быть удалена с рабочего места. Плакаты
безопасности, ограждения, флажки, заземления не снимаются. Производитель работ
(наблюдающий) должен сдать наряд допускающему, а в случае его отсутствия
оставить наряд в папке действующих нарядов. После полного окончания работы
производитель работ (наблюдающий) должен удалить бригаду с рабочего места,
снять установленные бригадой временные ограждения, переносные плакаты
безопасности, флажки и заземления, закрыть двери электроустановки на замок и
оформить в наряде полное окончание работ своей подписью. Ответственный
руководитель работ после проверки рабочих мест должен оформить в наряде полное
окончание работ. Производитель работ (наблюдающий) должен сообщить дежурному
оперативному персоналу или работнику, выдавшему наряд, о полном окончании
работ. Допускающий после получения наряда, в котором оформлено полное окончание
работ, должен осмотреть рабочие места и сообщить работнику из числа
вышестоящего оперативного персонала о полном окончании работ и о возможности
включения электроустановки.
Технические мероприятия:
Произведение необходимых отключений и принятие
мер, препятствующих подаче напряжения к месту работы вследствие ошибочного или
самопроизвольного включения коммутационной аппаратуры. При подготовке рабочего
места должны быть отключены: токоведущие части, на которых будут производиться
работы; неогражденные токоведущие части, к которым возможно случайное
приближение людей, механизмов и грузоподъемных машин на расстояние менее
допустимых; цепи управления и питания приводов, закрыт воздух в системах
управления коммутационными аппаратами, снят завод с пружин и грузов у приводов
выключателей и разъединителей. В электроустановках напряжением выше 1000 В с
каждой стороны, с которой коммутационным аппаратом на рабочее место может быть
подано напряжение, должен быть видимый разрыв. Предотвращение ошибочного
включения коммутационных аппаратов должно быть обеспечено такими мерами, как
запирание рукояток или дверец шкафа, закрытие кнопок, установка между
контактами коммутационного аппарата изолирующих накладок и др.
На приводах ручного и на ключах дистанционного
управления коммутационной аппаратуры вывешиваются запрещающие плакаты «НЕ
ВКЛЮЧАТЬ РАБОТАЮТ ЛЮДИ» или «НЕ ВКЛЮЧАТЬ РАБОТА НА ЛИНИИ». Плакаты должны быть
вывешены на ключах и кнопках дистанционного и местного управления, а также на
автоматах или у места снятых предохранителей цепей управления и силовых цепей
питания приводов коммутационных аппаратов.
Проверяют отсутствие напряжения на токоведущих
частях, на которые накладывают заземление для защиты людей от поражения
электрическим током. Проверять отсутствие напряжения необходимо указателем
напряжения, исправность которого должна быть установлена с помощью
предназначенных для этой цели специальных приборов или приближением к
токоведущим частям, заведомо находящимся под напряжением. В электроустановках
напряжением выше 1000В пользоваться указателем напряжения необходимо в
диэлектрических перчатках. Проверять отсутствие напряжения разрешается одному
работнику из числа оперативного персонала, имеющему группу 4 - в
электроустановках напряжением выше 1000В и имеющему группу 3 - в
электроустановках напряжением до 1000В.
Наложение заземления (включены заземляющие ножи,
там, где они отсутствуют, устанавливают переносные заземления). Устанавливать
заземления на токоведущие части необходимо непосредственно после проверки
отсутствия напряжения. Переносное заземление сначала нужно присоединить к
заземляющему устройству, а затем, после проверки отсутствия напряжения,
установить на токоведущие части. Снимать переносное заземление необходимо в
обратной последовательности. Установка и снятие переносных заземлений должны
выполняться в диэлектрических перчатках с применением в электроустановках
напряжением выше 1000 В изолирующей штанги. Закреплять зажимы переносных
заземлений следует этой же штангой или непосредственно руками в диэлектрических
перчатках. В электроустановках напряжением до 1000В операции по установке и
снятию заземлений разрешается выполнять одному работнику, имеющему группу 3 из
числа оперативного персонала. В электроустановках напряжением выше 1000В
устанавливать переносные заземления должны два работника: один - имеющий группу
4 (из числа оперативного персонала), другой - имеющий группу 3 работник, может
быть из числа ремонтного персонала.
Вывешивают предупреждающие плакаты «ОПАСНО
ВЫСОКОЕ НАПРЯЖЕНИЕ» и предписывающие «РАБОТАТЬ ЗДЕСЬ», ограждают при
необходимости рабочие места и оставшиеся под ним напряжение токоведущие части.
Квалификация персонала
Работники, принимаемые для выполнения работ в
электроустановках, должны иметь профессиональную подготовку, соответствующую
характеру работы. При отсутствии профессиональной подготовки такие работники
должны быть обучены (до допуска к самостоятельной работе) в специализированных
центрах подготовки персонала (учебных комбинатах, учебно-тренировочных центрах
и т.п.). Профессиональная подготовка персонала, повышение его квалификации,
проверка знаний и инструктажи проводятся в соответствии с требованиями
государственных и отраслевых нормативных правовых актов по организации охраны
труда и безопасной работе персонала.
Электротехнический персонал до допуска к
самостоятельной работе должен быть обучен приемам освобождения пострадавшего от
действия электрического тока, оказания первой помощи при несчастных случаях.
Персонал, обслуживающий электроустановки, должен пройти проверку знаний
Межотраслевых правил по охране труда при эксплуатации установок и других
нормативно-технических документов (правил и инструкций по технической
эксплуатации, пожарной безопасности, пользованию защитными средствами,
устройства электроустановок) в пределах требований, предъявляемых к
соответствующей должности или профессии, и иметь соответствующую группу по
электробезопасности. Персонал обязан соблюдать требования правил, инструкций по
охране труда, указания, полученные при инструктаже.
Работнику, прошедшему проверку знаний по охране
труда при эксплуатации электроустановок, выдается удостоверение установленной
формы, в которое вносятся результаты проверки знаний. Работники, обладающие
правом проведения специальных работ, должны иметь об этом запись в удостоверении.
7.3 Гражданская оборона и действие персонала в
чрезвычайных ситуациях
.3.1 Цель организации гражданской обороны и
основные задачи
Гражданская оборона входит в систему
общегосударственных оборонных мероприятий, проводимых в мирное и военное время
с целью защиты населения и народного хозяйства от оружия массового поражения и
других средств нападения противника, а также для проведения спасательных и
неотложных аварийно-восстановительных работ в очагах поражения, заражения.
Задачи гражданской обороны условно можно
разделить на три группы:
К первой условно можно отнести задачи, связанные
с обеспечением защиты населения от оружия массового поражения. Ко второй группе
относятся задачи, связанные с повышением устойчивости работы в военное время
объектов народного хозяйства. К этой группе задач относятся мероприятия,
связанные с остановкой производства при угрозе нападения противника. К третьей
группе относятся задачи, связанные с ликвидацией последствий применения
противником оружия массового поражения: организации и проведения спасательных и
неотложных восстановительных работ в очагах поражения.
.3.2 Организационная структура гражданской
обороны на предприятии
Ответственным лицом за мероприятия по
гражданской обороне является руководитель подразделения (начальник цеха).
Сообщением диспетчера по команде начальника цеха вводится общая готовность в
цехе: 1) вызывается руководящий состав; 2) проводится проверка средств связи,
освещения, вентиляции; 3) начальники участков выполняют все мероприятия по подготовке
убежищ и укрытий; 4) цех переводится на особый режим; 5) рабочих знакомят с
порядком прибытия и убытия на работу и с работы, а так же из мест эвакуации; 6)
выдаются со склада и проверяются на исправность средства индивидуальной защиты;
7) создаётся зона питьевой воды; 8) бытовые помещения готовятся на случай
радиоактивного заражения; 9) отрабатываются действия персонала по сигналу
«Воздушная тревога».
Основными формированиями ГО на промышленном
предприятии являются сводные отряды и спасательные отряды. Они создаются на
производственных участках, в сменах. На спасательные отряды возлагается розыск,
извлечение из-под завалов, оказание первой медицинской помощи пострадавшим. На
сводные отряды возлагается быстрое устранение аварий, проведение спасательных и
аварийно-восстановительных работ.
.3.3 Возможные чрезвычайные ситуации
Таблица 7.2
Действие персонала ОАО«НТМК» при чрезвычайных
ситуациях
|
Вид
ЧС
|
Содержание
сообщения
|
Действия
персонала
|
|
При
аварии на АЭС
|
Внимание
всем! Говорит штаб ГО. Граждане! Произошла авария на АЭС в районе...,
ожидается выпадение радиоактивных осадков.
|
Приступить
к герметизации помещения. Принять йодистый препарат. Быть готовым одеть
средства индивидуальной защиты. Взять с собой документы, воду, продукты.
Проследовать в убежище.
|
|
При
авариях на объекте, использующем яды
|
Внимание
всем! Говорит штаб ГО. Граждане! Произошла авария на ... с утечкой хлора.
Зараженное облако распространяется в сторону... В зону зараже- ния попадает
район... (сектор № )
|
Если
район попадаете в зону заражения, необходимо выйти из зараженного участка,
следуя указаниям постов ГО в район объявления сбора. Выход перпендикулярно
направлению ветра. Надеть противогазы.
|
|
При
воздушной опасности
|
Внимание
всем! Говорит штаб ГО. «Воздушная тревога»! Будьте внимательны к сообщениям
штаба ГО.
|
В
срочном порядке остановить работу цеха, отключить источники электроэнергии,
газопроводы и т. д. Взять с собой документы, продовольствие, воду и следовать
к месту сбора, указанному администрацией. Надеть средства индивидуальной защиты.
|
|
При
миновании воздушной опасности
|
Внимание
всем! Говорит штаб ГО. Граждане! Отбой воздушной тревоги!
|
С
разрешения администрации покинуть убежище и быть готовым к повторному
нападению.
|
|
При
угрозе химического заражения
|
Внимание
всем! Говорит штаб ГО. Граждане! Возникла угроза химического заражения.
|
Надеть
средства защиты органов дыхания, кожи. Взять с собой деньги, документы, воду,
продукты. Следовать в защитные сооружения. Вход по распоряжению представителя
штаба ГО.
|
|
При
угрозе радиоактивного заражения
|
Внимание
всем! Говорит штаб ГО. Граждане! Возникла угроза радиоактивного заражения.
|
Надеть
средства защиты органов дыхания, кожи. Следовать в защитные сооружения. Вход
по распоряжению представителя штаба ГО.
|
.3.4 Сигналы оповещения и действия персонала по
ним
Основной способ оповещения - передача речевой
информации по сетям проводного, радио и телевизионного вещания. На производстве
включаются сирены и другие сигнальные средства (автомобильные сигналы,
железнодорожного транспорта), подающие предупредительный сигнал "Внимание
всем!". Мероприятия, связанные с остановкой производства при угрозе
нападения противника: 1) сигнал "Воздушная тревога" подается сиреной,
диспетчер цеха сообщает начальникам подразделений цеха сигнал "Воздушная
тревога"; 2) начальники оповещают работающий персонал по громкоговорящей
связи о сигнале тревоги; 3) персонал прекращает работу и приступает к
последовательному отключению электронно-вычислительной техники, принимает меры
для предотвращения повреждения технологической информации; 4) дежурные
электрики, получив команду от непосредственного начальника, производят
отключение преобразовательных устройств и различного электрооборудования,
отключают общее электроосвещение; 5) включается аварийное электроосвещение; 6)
только после всех этих операций отключают общий рубильник в помещениях с
электронно-вычислительной техникой.
Весь персонал делится на заранее определенные
бригады и, во главе с начальником бригады, в максимально сжатые сроки должен
попасть в убежище.
.4 Пожарная безопасность
.4.1 Категории помещений по взрывопожарной и
пожарной опасности
По взрывопожарной и пожарной опасности помещения
подразделяются на категории А, Б, В1-В4, Г и Д, а здания - на категории А, Б,
В, Г и Д (табл.7.3).
Таблица 7.3
Категории помещений по взрывопожарной и пожарной
опасности
|
#G0
Категория помещения
|
Характеристика
веществ и материалов, находящихся (обращающихся) в помещении
|
|
А
взрывопожаропасная
|
Горючие
газы, легковоспламеняющиеся жидкости с температурой вспышки не более 28 °С в
таком количестве, что могут образовывать взрывоопасные парогазовоздушные
смеси, при воспламенении которых развивается расчетное избыточное давление
взрыва в помещении, превышающее 5 кПа. Вещества и материалы, способные
взрываться и гореть при взаимодействии с водой, кислородом воздуха или друг с
другом в таком количестве, что расчетное избыточное давление взрыва в
помещении превышает 5 кПа
|
|
Б
взрывопожароопасная
|
Горючие
пыли или волокна, легковоспламеняющиеся жидкости с температурой вспышки более
28°С, горючие жидкости в таком количестве, что могут образовывать
взрывоопасные пылевоздушные или паровоздушные смеси, при воспламенении
которых развивается избыточное давление, превышающее 5 кПа
|
|
В1-В4
пожаро-опасные
|
Горючие
и трудногорючие жидкости, твердые горючие и трудногорючие вещества и
материалы (в том числе пыли и волокна), вещества и материалы, способные при
взаимодействии с водой, кислородом воздуха или друг с другом только гореть,
при условии, что помещения, в которых они имеются в наличии или обращаются,
не относятся к категориям А или Б
|
|
Г
|
Негорючие
вещества и материалы в горячем, раскаленном или расплавленном состоянии,
процесс обработки которых сопровождается выделением лучистого тепла, искр и
пламени; горючие газы, жидкости и твердые вещества, которые сжигаются или
утилизируются в качестве топлива
|
|
Д
|
Негорючие
вещества и материалы в холодном состоянии
|
Определение категорий В1-В4 помещений
Определение пожароопасной категории помещения
осуществляется путем сравнения максимального значения удельной временной пожарной
нагрузки с величиной удельной пожарной нагрузки, приведенной в табл.7.4.
Таблица 7. 4
Пожароопасные категории В1-В4
|
#G0
Категория помещения
|
Удельная
пожарная нагрузка на
участке, МДж·м
|
|
В1
|
Более
2200
|
|
В2
|
1401-2200
|
|
В3
|
181-1400
|
|
В4
|
1-180
|
Категории зданий по взрывопожарной и пожарной
опасности
Здание относится к категории А, если в нем
суммарная площадь помещений категории А превышает 5% площади всех помещений или
200 м
.
Допускается не относить здание к категории А, если суммарная площадь помещений
категории А в здании не превышает 25% суммарной площади всех размещенных в нем
помещений (но не более 1000 м
) и эти помещения
оборудуются установками автоматического пожаротушения.
Здание относится к категории Б, если
одновременно выполнены два условия: здание не относится к категории А;
суммарная площадь помещений категорий А и Б превышает 5% суммарной площади всех
помещений или 200 м
. Допускается не
относить здание к категории Б, если суммарная площадь помещений категорий А и Б
в здании не превышает 25% суммарной площади всех размещенных в нем помещений
(но не более 1000 м
) и эти помещения
оборудуются установками автоматического пожаротушения.
Здание относится к категории В, если
одновременно выполнены два условия: здание не относится к категориям А или Б;
суммарная площадь помещений категорий А, Б и В превышает 5% (10%, если в здании
отсутствуют помещения категорий А и Б) суммарной площади всех помещений.
Допускается не относить здание к категории В, если суммарная площадь помещений
категорий А, Б и В в здании не превышает 25% суммарной площади всех размещенных
в нем помещений (но не более 3500 м
)
и эти помещения оборудуются установками автоматического пожаротушения.
Здание относится к категории Г, если
одновременно выполнены два условия: здание не относится к категориям А, Б или
В; суммарная площадь помещений категорий А, Б, В и Г превышает 5% суммарной
площади всех помещений. Допускается не относить здание к категории Г, если
суммарная площадь помещений категорий А, Б, В и Г в здании не превышает 25% суммарной
площади всех размещенных в нем помещений (но не более 5000 м
)
и помещения категорий А, Б, В оборудуются установками автоматического
пожаротушения.
Здание относится к категории Д, если оно не
относится к А, Б, В или Г.
.4.2 Возможные причины возникновения пожаров
К причинам неэлектрического характера относятся:
неисправность оборудования и нарушение технологических процессов; неправильное
устройство и неисправность вентиляционных систем; неосторожное обращение с огнем;
самовозгорание веществ.
К причинам электрического характера относятся:
короткие замыкания, перегрузки, большие переходные сопротивления электрических
цепей; искрения и электрические дуги; статическое электричество; разряды
атмосферного электричества; перегрев в результате неисправности или выхода из
строя элементов электрических схем (резисторов, конденсаторов, трансформаторов
и т.д.).
.4.3 Оснащение помещений средствами
пожаротушения и план расположения их
Помещения зданий и сооружений обеспечиваются первичными
средствами пожаротушения (передвижные и ручные огнетушители), количество
которых определяется категорией помещения, где они устанавливаются, площадью
помещения и характером взаимодействия заряда огнетушителя с веществом
(материалом), которые тушатся.
Огнетушители располагаются таким образом, чтобы
они были защищены от воздействия прямых солнечных лучей, тепловых потоков,
механических воздействий и других неблагоприятных факторов (агрессивная среда,
повышенная влажность),чтобы были хорошо видны и легкодоступны в случае пожара.
Они не должны препятствовать эвакуации людей.
Комплектование технологического оборудования
огнетушителями осуществляется согласно требованиям технических условий
(паспортов) на это оборудование. Огнетушители содержаться в соответствии с
паспортными данными на них. Запрещается эксплуатация огнетушителей, не имеющих
соответствующих сертификатов. Огнетушители должны содержаться в исправном
состоянии, периодически осматриваться, проверяться и своевременно
перезаряжаться. В зимнее время (при температуре ниже 1°С) огнетушители
необходимо хранить в отапливаемых помещениях.
Для размещения первичных средств пожаротушения,
немеханизированного инструмента и пожарного инвентаря в производственных и
складских помещениях, не оборудованных внутренним противопожарным водопроводом
и автоматическими установками пожаротушения, а также на территориях, не имеющих
наружного противопожарного водопровода, должны оборудоваться пожарные щиты. Их
количество и тип определяются категорией помещения по взрывопожарной и пожарной
опасности, защищаемой площадью и физико-химическими свойствами веществ и
материалов, находящихся в помещении.
Бочки для хранения воды, устанавливаемые рядом с
пожарным щитом, должны иметь объем не менее 0,2 куб.м и комплектоваться ведрами.
Ящики для песка должны иметь объем 0,5; 1,0 или 3,0 куб.м и комплектоваться
совковой лопатой по ГОСТ 3620-76.
Асбестовые полотна, грубошерстные ткани или
войлок должны быть размером не менее 1х1 м., должны храниться в
водонепроницаемых закрывающихся футлярах (чехлах, упаковках), позволяющих
быстро применить эти средства в случае пожара. Указанные средства должны не
реже одного раза в 3 месяца просушиваться и очищаться от пыли.
Использование первичных средств пожаротушения,
немеханизированного пожарного инструмента и инвентаря пожарных щитов для
хозяйственных нужд, не связанных с тушением пожара, запрещается. Каждый пост
управления комплектуется огнетушителем ОХП-100, на клети - ящик с песком.
Машинный зал №2 укомплектован огнетушителями ОВП-10,ОУ-8, ОУ-25-80, ящиками с
песком, асбестовыми полотнами. Они располагаются в диспетчерской, главном
проходе машинного зала, в подвале (отметка -9м) и кабельном полуэтаже (отметка
-4м).
Кабельный полуэтаж разделен несгораемыми
перегородками на секции, если пожар возникнет в одной секции, то он не
перекинется в другие.
ЗАКЛЮЧЕНИЕ
После выполнения всех задач, поставленных в
проекте, можно сделать следующий вывод: модернизация электропривода нажимного
устройства клети 1300 является перспективным мероприятием.
Она позволяет улучшить не только технические
показатели, такие как коэффициент мощности, коэффициент полезного действия,
снизить момент инерции привода за счет установки менее инерционного
асинхронного двигателя ( что улучшает динамические показатели привода).
Экономические расчеты также подтвердили, что
содержание предлагаемого привода менее затратное. Срок окупаемости только за
счет экономии эксплуатационных расходов меньше нормативного.
Результаты моделирования подтвердили
правильность произведенных расчетов и показали, что в динамике современные
приводы переменного тока не уступают ранее доминировавшим приводам постоянного
тока.
В разделе энергосбережения было доказано, что
установка современного частотного преобразователя и асинхронного привода -
энергосберегающее мероприятие (повышение cosφ, отсутствие
необходимости в охлаждающей воде, экономия электроэнергии).
Данный проект способствует дальнейшему повышению
производительности данного цеха, если модернизация коснется других механизмов
участка и системы автоматики.
БИБЛИОГРАФИЧЕСКИЙ СПИСОК
1.
Афанасьев В. Д. Автоматизированный электропривод в прокатном производстве. М.:
Металлургия. 1977. 280 с.
.
Башарин А. В., Новиков В. А., Соколовский Г. Г. Управление электроприводами:
Учебное пособие для вузов. М.: Высшая школа, 1982. 392 с.
.
Бычков В. П. Электропривод и автоматизация металлургического производства. 2-е
изд., перераб. и доп. М.: Высшая школа, 1977. 391 с
.
Герман-Галкин С. Г. Компьютерное моделирование полупроводниковых систем в
MATLAB 6.0: Учебное пособие. - СПб.: КОРОНАпринт, 2001. - 320 с.
.
Зеленов А. Б., Тертичников В. И., Гулякин Б. М. Электропривод механизмов
прокатных станов. М.: Металлургиздат, 1963. 302 с
.
Ключев В. И. Теория электропривода: Учебник для вузов. М.: Энергоатомиздат,
1985. 560 с.
.
Ключев В. И., Терехов В. М. Электропривод и автоматизация общепромышленных
механизмов: Учебник для вузов. М.: Энергия, 1980. 360 с.
.
Королев А. А. Конструкция и расчет машин и механизмов прокатных станов. М.:
Металлургия, 1969. 421 с
.
Основы автоматизированного электропривода: Учебное пособие для вузов / М. Г.
Чиликин, М. М. Соколов, Б. М. Терехов, А. З. Шинянский. М.: Энергия, 1974. 563
с.
.
Справочник по автоматизированному электроприводу / Под ред. В. А. Елисеева, А.
В. Шинянского. М.: Энергоатомиздат, 1983. 616 с
.
ТО и Р.: ВСНИИ Организации производства и труда черной металлургии, Харьков,
1988.
.
Асинхронный электропривод с векторным управлением. В. В. Рудаков, И. М.
Столяров, В. А. Дартау. Л.: " Энергоатомиздат", 1987. -136
с.
.
Технический проект, том 7. Механизмы клети 1300 . Тяжпромэлектропроект,
Уралмашзавод, 1974 г.