Расчёт схем с операционными усилителями
Контрольная
работа
по
электронике
на
тему: "Расчёт схем с операционными усилителями".
Содержание
Введение
. Расчет
пропорционально-интегрального ПИ звена
. Расчет
пропорционально-дифференциального ПД звена
. Расчет
неинвертируемого усилителя переменного напряжения
. Расчет
сравнивающего устройства
Заключение
Литература
Введение
Операционный усилитель - это усилительное
устройство с большим коэффициентом усиления в широкой полосе частот, начиная с
нулевой частоты. Он имеет очень высокий коэффициент усиления по напряжению,
высокое входное и низкое выходное сопротивление, очень низкий входной ток -
доли мкА и даже нА. Условное обозначение операционного усилителя:
Операционный усилитель, как правило, сложное
многокаскадное электронное устройство, частично выполненное на дифференциальных
усилительных каскадах.
Обычно операционный усилитель имеет две пары
входных и одну пару выходных электродов. Вход, напряжение на котором совпадает
по фазе с выходным напряжением, носит название неинвертирующий. Второй вход,
напряжение на котором сдвинуто по фазе на 180° относительно выходного
напряжения, носит название инвертирующего.
Характерной особенностью операционного усилителя
является то, что он дает возможность получить близкое к нулю выходное
напряжение при отсутствии входного сигнала. При этом потенциалы обоих входов
будут близки к потенциалу выхода усилителя. Эти свойства операционного
усилителя позволяют подключать нагрузку и источники входных напряжений, не заботясь
о разделении переменной и постоянной составляющих. В составе операционного
усилителя условно можно выделить входную, выходную части и каскады связи между
ними. Входную часть операционного усилителя содержит дифференциальные
усилители. Выходная часть включает каскады усиления по мощности и обеспечивает
работу операционного усилителя на заданную нагрузку с определенной амплитудой
выходного напряжения. Каскады связи служат для усиления по напряжению, и
позволяет осуществить согласование уровней сигнала.
Операционные усилители выполняются в виде
монолитных интегральных микросхем и по своим размерам они почти не отличаются
от отдельно взятого транзистора. Благодаря практически идеальным
характеристикам операционных усилителей реализация схем на их основе оказывается
значительно проще, чем на отдельных транзисторах.
1. Расчет
пропорционально-интегрального ПИ звена
Эта схема должна обеспечивать на выходе
напряжение, связанное с входным выражением:
Начинать расчёт необходимо с
определения минимально возможного значения сопротивления резистора R1, которое
обеспечивало бы выполнение условия (пункт 3 задания). Напомним, что пункт 3
требует, чтобы падение на внутренних сопротивлениях источника входного сигнала
не превышало 0,85% .
Для входного сигнала можно записать:
;
.
Для ограничения ε можно найти
минимально допустимое значение R1(R1min).
Сокращая на Е, получим:
;
,
.
Так как Rвн=300 Ом, а
ε
= 0,85% = 0,0085, то
получаем
R1min=300
)≈34994,12Ом.
Продолжая расчет схемы ПИ звена,
рассчитаем сопротивление R2 и емкость конденсатора С1.
Обеспечение заданного α.
Так как
, то
.
Задано α=0,17, тогда R2=0,17*34994,12≈5948,98
Ом
Обеспечение заданного β(β-величина,
обратная постоянной времени).
Так как
, то
.
Задано β=18,00, тогда С1=
≈1,59мкФ
Обеспечение равенства сопротивлений по обоим входам операционного усилителя.
Для отсутствия у входа нуля операционных усилителей при некоторой асимметрии их
по входу рекомендуется активные сопротивления, подключенные к обоим входам
усилителя, выполнять равными. Т.к. в схеме пропорционально-интегрального
регулятора сопротивление к входу «минус» определяется суммой Rвн+R1,
соединённых параллельно сопротивлению R2, то
сопротивление R3,
присоединенное к входу «плюс» вычисляется по формуле:
R3=
≈5090,89
Ом
В 6 пункте задания предложено
сравнить значения параметров идеальной и реальной (фактической) схем:
коэффициентов усиления и значения входного и выходного сопротивлений схемы.
Запишем формулу реального значения схемы, а именно коэффициента α:
1) α=
≈0,169
Схема рассчитывается на усилителе К140УД12,
подставив все данные, получим:
2) Rвх1=
≈34994,06
Ом
)
≈0,0117
Ом
Таблица
|
Параметры
|
Идеальные
|
Фактические
|
|
α
|
0,17
|
0,169
|
|
Rвх1
|
34994,12
|
34994,06
|
|
Rвых1
|
0
|
0,0117
|
Выясним, чем определяется передаточная функция
звена с операционным усилителем. Рассмотрим схему с операционным усилителем в
общем виде, используя упомянутые ранее допущения.
Так как можно считать что I
'вх
≈0,
то Iос=Iвх.
Этот ток Iвх запишем
в изображение:
Iвх(р)=
,
также
;
,
следовательно:
приравнивая Ioc=Iвх получим
это идеальное выражение для
передаточной функции. Реальное же изображение осложнено следующей дробью
,
где Zвх -
сопротивление источника питания.
Учитывая заданную формулу напряжения
Uвых1, запишем ее
в изображениях:
,
.
Из предыдущего очевидно, что
,
,
.
Подставив вместо
, получим
выражение для АФХ:
.
Напомним, что
, а, значит,
получим:
.
Как и любое комплексное число Wпи(jω) имеет
действительные и мнимые части:
,
где
,а
.
Найдем модуль АФХ:
.
Фаза АФХ:
т.к. функция tg - нечетная.
Здесь ω
- абсолютная
частота. Введем понятие относительной частоты, понимая под ней отношение:
,
где Т - постоянная времени
интегрирующей части звена.
T=
(с).
ωабс=
(1/с).
С полученными выше цифрами,
действительная и мнимая части равны:
Re
, Im
.
Используя Re и Im найдем
модуль и фазу АФХ:
;
.
Задавая ряд относительных частот от
0,01 до 100, подсчитаем абсолютное значение частот и, подставляя их в формулы
для расчета модуля и фазы АФХ, рассчитаем точки модуля и фазы: ωабс, lgωабс, |W(jω)|, 20lg|W(jω)|,φ(jω).Результаты
вычислений сведем в таблицу:
|
ωотн
|
ωабс
|
lgωабс
|
|W(jω)|
|
20lg|W(jω)|
|
φ(jω)
|
|
0,01
|
0,1797
|
-
0,745
|
100,0001
|
40,000
|
-89,9032
|
|
0,05
|
0,8985
|
-
0,046
|
20,0007
|
26,021
|
-89,5160
|
|
0,1
|
1,797
|
0,254
|
10,0014
|
20,0013
|
-89,0320
|
|
0,5
|
8,985
|
0,953
|
2,0072
|
6,0519
|
-85,1709
|
|
1,0
|
17,97
|
1,254
|
1,0143
|
0,1237
|
-80,4094
|
|
5,0
|
89,85
|
0,2625
|
-11,6178
|
-49,8074
|
|
10,0
|
179,7
|
2,254
|
0,1972
|
-14,1005
|
-30,6181
|
|
30,0
|
539,1
|
2,731
|
0,1732
|
-15,2272
|
-11,1597
|
|
50,0
|
898,5
|
2,953
|
0,1712
|
-15,3313
|
-6,7504
|
|
100,0
|
1797
|
3,254
|
0,1703
|
-15,3760
|
-3,8700
|
По данным таблицы построены ЛАЧХ и ЛФЧХ (стр.
9).
Правильность построения ЛАЧХ можно оценить по
правилу, что при
ωсопр=100
(1/с) φ(ωсопр)=-45º.
2. Расчет
пропорционально-дифференциального ПД звена
Эта схема должна обеспечить на выходе
напряжение, связанное со входным напряжением:
.
Расчет целесообразно начинать с
выполнения пункта 3, как и при расчете пропорционально-интегрального звена,
т.е. что падение напряжения на Rвнутр не должно
превышать 0,85% от напряжения Евх2. Так как постоянный ток от Uвх2 протекает по
сопротивлению R6, то условие
пункта 3 сведется к выполнению неравенства:
, отсюда
.
Найдем значение резистора R5, которое
обеспечивает пропорциональную составляющую Uвх2:
Дифференцирующую составляющую δ обеспечивают
R5 и С2:
, то
.
Для выполнения требований равенства
активных сопротивлений по обоим входам операционного усилителя, и, учитывая,
что к входу «минус» подключены параллельно R5 и R6, получаем:
, отсюда
Оценим фактические параметры схемы:
|
Параметры
|
Идеальные
|
Фактические
|
|
λ
|
0,80
|
0,799
|
|
Rвх2
|
34994,12
|
34993,83
|
|
Rвых2
|
0
|
0,018
|
Перейдя к изображениям для
пропорционально-дифференциального звена, получим выражение:
.
Отсюда определим передаточную
функцию ПД-звена:
.
Подставив вместо р=jω, получим
АФХ:
;
;
, т.к.
;
.
.
Введем понятие относительной
частоты:
.
Задаваясь рядом относительных частот
от 0,01 до 100, подсчитаем абсолютное значение частот и, подставляя их в
формулы для расчета модуля и фазы АФХ, рассчитаем точки модуля и фазы: ωабс, lgωабс, |W(jω)|, 20lg|W(jω)|,φ(jω).Результаты
вычислений сведем в таблицу:
|
ωотн
|
ωабс
|
lgωабс
|
|W(jω)|
|
20lg|W(jω)|
|
φ(jω)
|
|
0,01
|
0,0,287
|
-1,5421
|
0,8001
|
-1,9375
|
0,7235
|
|
0,05
|
0,1435
|
-0,8431
|
0,8016
|
-1,9212
|
3,6129
|
|
0,1
|
0,287
|
-0,5421
|
0,8062
|
-1,8706
|
7,1972
|
|
0,5
|
1,435
|
0,1569
|
0,9438
|
-0,5021
|
32,2683
|
|
1,0
|
2,87
|
0,4579
|
1,2819
|
2,1571
|
51,6246
|
|
5,0
|
14,35
|
1,1569
|
5,0716
|
14,1030
|
81,0003
|
|
10,0
|
28,7
|
1,4579
|
10,0482
|
20,0418
|
85,4722
|
|
30,0
|
86,1
|
1,9350
|
30,0595
|
29,5596
|
88,4880
|
|
50,0
|
143,5
|
2,1569
|
50,0879
|
33,9947
|
89,0926
|
|
100,0
|
287
|
2,4579
|
100,166
|
40,0144
|
89,5463
|
По данным таблицы построены ЛАЧХ и ЛФЧХ
(стр.13).
Т.к.
,
то по мере роста частоты входного
сигнала ток через конденсатор С2 будет возрастать. Поэтому схема
будет интенсивнее усиливать сигналы повышения частот и, в частности,
высокочастотные помехи и собственные шумы усилителя. Чтобы избежать этих
свойств, ставят корректирующее сопротивление Rk=R4, которое
ограничивает ток через емкость С2. Влияние Rk приводит к
появлению горизонтального участка на ЛАЧХ, т.е. прекращению дифференцирования
на частотах, превышающих частоту
.
Правильность построения ЛАЧХ можно
оценить по правилу, что при
ωсопр=2,13 (1/с) φ(ωсопр)=45º.
3. Расчет неинвертируемого усилителя
переменного напряжения
Для схемы коэффициент усиления
.
Эта схема должна обеспечить на выходе
напряжение, которое в γ
раз
усиливает входное напряжение и связано с ним выражением:
.
Начать расчет целесообразно с
определения входного сопротивления, каким является R10. это
сопротивление должно быть минимально, чтобы падение напряжения на Rвн источника Uвх3 не
превышало бы заданную ε=0,85%.
, отсюда
.
Из того что усилитель должен
усиливать входное напряжение, не инвертируя его (т.е. Uвых должно
совпадать по фазе с Uвх, а не быть
в противофазе(180º))
следует.
Что Uвх3 должно быть
подано на прямой вход ОУ, что и изображено на схеме.
Из условия равенства входных
сопротивлений для постоянной составляющей входного тока следует вывод, что:
. Т.к.
, то отсюда
.
Таким образом, рассчитаны основные
резисторы предложенной схемы.
Как известно при уменьшении частоты
коэффициент усиления уменьшается. Поэтому принято считать за низшую частоту
усилителя частоту fн, при
которой коэффициент усиления снижается на 3дб относительно коэффициента
усиления на средних частотах. Отсюда
.
,
возведем в квадрат обе части
уравнения:
Перенеся единицу в правую часть, и,
взяв обратные величины, получим:
, отсюда
.
Если fmin=5кГц, то
, значит
Из условия
, получим
.
Сравним реальные и идеальные
параметры схемы:
Таблица
|
Параметры
|
Идеальные
|
Фактические
|
|
γ
|
19,5
|
19,496
|
|
Rвх3
|
116647,06
|
113987,79
|
|
Rвых3
|
0
|
0,195
|
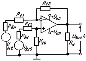
4. Расчет сравнивающего устройства
На основании расчетов схем с операционным
усилителем можно записать, что
операционный усилитель сопротивление резистор
.
(
равно падению напряжения на R14 от тока,
протекающего под действием Uвх5). Поэтому
на основании формул получим:
(1)
(2)
В результате
.
Начать расчет удобно из условия
пункта 3, о том что
,
обеспечивающем падение напряжения на Rвнут, не
превышающее 0,85%.Учтя, что Rвн у входов
задано 300 Ом, получим
. Допустим,
что задано
,
где ξ=17,6, ε=0,85%. Тогда
. Чтобы
обеспечить ξ, из условия
найдем
:
Чтобы сделать масштаб вычисления от
обоих входных напряжений одинаковым, следует выполнить равенство сопротивлений
и
.
Оценим фактическое значение ξ, которое
обеспечит схема по сравнению с идеальным расчетом:
Тогда сравним значения параметров.
|
ПараметрыИдеальныеФактические
|
|
|
|
ξ
|
17,6
|
17,597
|
На этом заканчивается расчет сравнивающих
устройств и работы в целом.
Заключение
Операционный усилитель - одна из наиболее широко
применяемых аналоговых интегральных микросхем.
С развитием технологии изготовления интегральных
схем произошли значительные изменения в схемотехнике операционного усилителя,
связанные с использованием транзисторов различного типа проводимости (т.е. PNP-
и NPN-транзисторов) не
только в качестве усилителей, но и генератора тока, а так же отражателей тока,
и динамических нагрузок. Это операционные усилители второго поколения. В их
основу положена так называемая трехкаскадная схема. Отличительной особенностью
операционных усилителей второго поколения является их защита от перегрузок.
Аналоговая схемотехника на основе операционных
усилителей позволяет создать самые различные вычислительные схемы весьма просто
и эффективно. На основе операционных усилителей могут быть реализованы четыре
основных действия арифметики, операции дифференцирования и интегрирования.
Недостатком этих вычислительных схем является невысокая точность вычислений -
не более 0,1%. Однако этой точности в целом ряде случаев бывает вполне
достаточно.
Литература
1.
Гершунский Б.С. “Справочник по расчету электронных схем”- Киев : Вища школа
2010 г.
.
Лавриненко В.Ю. “Справочник по полупроводниковым приборам”- М : “Техника” 2008
г.
.
Новаченко В.М. “Микросхемы для бытовой радиоаппаратуры”- М. : КубК-а 2006 г.
.
Войшвило Г.В. “Усилительные устройства”- Москва : издательство Радио и Связь
2009 г.