|
Показатель
|
Значение
|
|
Общая
площадь территории
|
3.75
га
|
|
Площадь
застройки
|
0.69
га
|
|
Плотность
застройки
|
18.4%
|
|
Площадь
озеленения
|
2.17
га
|
|
Коэффициент
озеленения
|
0.38
|
|
Площадь
асфальт.покрытий
|
0.89
га
|
|
Длина
автомобильных дорог
|
1.05
км
|
|
Коэф.
испол-ния территории
|
0.62
|
Здание спортивного сооружения ориентировано по
сторонам света следующим образом: главный фасад - задний фасад соответственно
располагаются с Юга на Север.
В качестве дорожного покрытия пешеходных
дорожек, как и автомобильных проездов принят асфальтобетон. Вокруг здания
предусмотрена полоса газона шириной 2 - 7 м, с кустарниками и деревьями.
В спортивном сооружении спроектирован 1 главный
вход для посетителей и спортсменов, 4 служебных входа с заднего фасада.
Автостоянка спроектирована вблизи территории спортивного сооружения на 113
автомобилей.
.3 Объемно-планировочное решение
Здание спортивной школы имеет правильную форму,
прямоугольного очертания высотой 12.600 м. Здание имеет размеры в плане в
разбивочных осях 36 х 66 м. Проектируемое здание 2-х этажное с двумя средними
спортивными площадками: теннисный корт; баскетбол, ручной мяч, волейбол. Плюс к
этому есть маленькие тренировочные залы на 1-ом и 2-х этажах высотой 4.000 от
пола. Сетка колонн 6 х 6 м, фахверковые колонны сечением 300 х 300 мм, основные
крайние 600 х 500 мм, средние - 400х400 мм. В здании спортивной школы есть
буфетная, помещения для персонала, инвентарные, душевые и раздевалки для
занимающихся, тренерские, санузлы, гардероб и прокат спортивной одежды для
посетителей, комнаты отдыха, медпункт и т.д. Общая площадь здания составляет
2419.02 м2 из которой 1884 м2 составляют спортзалы. В
двух этажной части здания располагаются 3 основные лестницы. В спортивном зале
располагаются 4 эвакуационных выхода.
Вблизи школы предусмотрена стоянка, территория
спортивного сооружения озеленена, посажены деревья.
.4 Теплотехнические расчеты
Необходимые данные по климатическому району
строительства:
) температура наиболее холодной пятидневки tн=-32
0С с обеспеченностью 0,92;
) температура наиболее холодных суток -36
0С с обеспеченностью 0,92
) продолжительность периода со среднесуточной
температурой £ 8 0С равна 218 сут.
Среднесуточная температура в отопительный период равна -5.7 0С.
а) Теплотехнический расчёт наружной стены
Требуемое сопротивление теплопередаче
ограждающих конструкций, отвечающих санитарно-гигиеническим и комфортным нормам
равно:
,
где aв=8,7 -
коэффициент теплоотдачи внутренней поверхности ограждающих конструкций;
n=1 (для наружных
стен);
tв=20
0С - расчётная температура внутреннего воздуха жилых помещений;
tн=-32
0С - температура наиболее холодной пятидневки с обеспеченностью
0,92.
Dtн=4,0
- нормируемый температурный перепад для наружных стен жилых зданий.(СНиП II-3-79);
Требуемое сопротивление теплопередаче с учётом
энергосберегающих требований определяем с учётом ГСОП (градусосутки
отопительного периода):
ГСОП = (tв - tот.пер.) zот.пер=(20
- (-5.7))*218=5602.6 0С×сут,
где zот.пер.=218
- продолжительность периода со средней температурой ниже 80С, сут.от.пер=
-5.7 - среднесуточная температура в отопительной период.
Требуемое приведенное сопротивление
теплопередаче конструкций, определённое по таблице 1б* составляет R0тр’’=1.95
м2*0С/Вт. Поскольку сопротивление теплопередаче по
энергосберегающим требованиям R0тр’’=1.95
м2*0С/Вт выше требований по санитарно-гигиеническим
условиям R0тр’=1,494
м2*0С/Вт, то в дальнейшем для расчёта толщины утеплителя
пользуемся требуемым сопротивлением теплопередаче R0тр
=R0тр’’=1.95
м2*0С/Вт.
Первый и третий слой - выполнены из
профилированной стали. Второй слой- утеплитель из минеральной ваты на
базальтовой основе g=100 кг/ м3
Коэффициент теплопередачи l2=0,06
Вт/(м2×0С).
Термическое сопротивление ограждающих
конструкций:
R = d/l,
где d - толщина стены,
м;
l - расчетный коэффициент теплопроводности
материала слоя, Вт/(м2×0С).
Общее термическое сопротивление стены:
Rк =
d2/0,06
Сопротивление теплопередаче ограждающей
конструкции
R0
= 1/aв
+ Rк
+ 1/aн
=1/8.7 + d2/0,06+1/23=1.95 м2*0С/Вт.
Из уравнения получаем d2=
0.135 м, толщину утеплителя принимаем 150 мм.
Rк =
d2/0,06
= 0.135/0.06 = 2.25 м2*0С/Вт.
R0
= 1/aв
+ Rк
+ 1/aн
= 1/8.7 + 2.25 + 1/23 = 2.41 м2*0С/Вт.
где aн
- коэффициент теплоотдачи (aн
= 23 Вт/(м2×0С))
б) Теплотехнический расчёт покрытия
Требуемое сопротивление теплопередаче
ограждающих конструкций, отвечающих санитарно-гигиеническим и комфортным нормам
равно:
,
где aв=8,7 -
коэффициент теплоотдачи внутренней поверхности ограждающих конструкций;
n=0.95 для
конструкций покрытия (СНиП IIII-79);
tв=20 0С
- расчётная температура внутреннего воздуха жилых помещений;
tн=-32 0С
- температура наиболее холодной пятидневки с обеспеченностью 0,92.
Dtн=5,0 -
нормируемый температурный перепад для конструкции покрытия зданий.
Требуемое сопротивление
теплопередаче с учётом энергосберегающих требований определяем с учётом ГСОП
(градусосутки отопительного периода):
ГСОП = (tв - tот.пер.)
zот.пер=(20 - (-5.7))*218=5602,6 0С×сут,
где tот.пер= -5.7 -
среднесуточная температура в отопительной период.
zот.пер.=218 -
продолжительность периода со средней температурой ниже 80С, сут.
Требуемое приведенное сопротивление
теплопередаче конструкций составляет R0тр’’=2.79 м2*0С/Вт.
Поскольку сопротивление теплопередаче по энергосберегающим требованиям R0тр’’=2.79 м2*0С/Вт
выше требований по санитарно-гигиеническим условиям R0тр’=1,195 м2*0С/Вт,
то в дальнейшем для расчёта толщины утеплителя пользуемся требуемым
сопротивлением теплопередаче R0тр =R0тр’’=2.79 м2*0С/Вт.
Конструкция покрытия:
Первый слой - гидроизоляция -
полимерная мембрана Алькорплан;
Второй слой - утеплитель
"ТЕХНОРУФ В60"(p-180 кг/м)-(40);
Третий слой - утеплитель
"ТЕХНОРУФ Н35"(р-110 кг/м)-(150);
Четвертый слой - пароизоляция
"Изоспан Б";
Пятый слой - профнастил Н
75-750-0,8;
Шестой слой - прогон N18;
Седьмой слой - металлическая ферма
L=36 м.
Общее термическое сопротивление
Rк =0.0015/58
+ 0.15/0.046 =3.15 м2*0С/Вт.
Сопротивление теплопередаче
ограждающей конструкции
R0 = 1/aв + Rк + 1/aн = 1/8.7 + Rк + 1/23 =
3.3 м2×0С/Вт;
Rк =3.3-1/8.7
- 1/23=3.15 м2×0С/Вт
d=0.148
м, таким образом, толщину утеплителя принимаем 150 мм.
R0 = 1/aв + Rк + 1/aн =1/8.7 +
3.15 + 1/23 = 3.3 м2×0С/Вт >
2/79 м2×0С/Вт
R0 =3.3 >R0тр = 2/79 м2×0С/Вт.
Таким образом, принятая конструкция
кровли удовлетворяет современным теплотехническим требованиям.
2. Архитектурно-строительный раздел
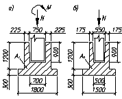
.1 Фундаменты
Запроектирован свайный монолитный железобетонный
фундамент (рис. 2.1.). Поскольку подвала нет, поэтому абсолютная отметка
соответствует уровню чистого пола.
Рисунок 2.1. Свайный монолитный железобетонный
фундамент
.2 Стены
Наружные стены запроектированы ненесущими
«сэндвич» - панелями. Толщина по утеплителю 150 мм. Такая толщина обеспечивает
предел огнестойкости, соответствующий II
степени огнестойкости.
.3 Колонны
Каркас здания состоит из монолитного
железобетона в осях 36х66 м, на который устанавливается стропильная ферма
пролетом 36 м. Наружные колонны выполнены из железобетона прямоугольного
сечения 600х500 мм на высоту +8.400 м, а внутренние квадратного сечения 400х400
мм, расположенные по периметру здания. Колонны опираются на свайный фундамент.
.4 Перекрытия
Перекрытия не запроектированы
.5 Покрытия, кровля, водоотвод
В качестве конструкций покрытия используем
стропильную ферму пролетом 36 м. Ферма устанавливается с шагом 6 м,
соответственно, установка подстропильных ферм не предусматривается.
Кровля - совмещенная, с внутренним водостоком.
Состав кровли: 1) гидроизоляция - полимерная мембрана «Алькорплан»,
располагаемая на прогонах; 2)утеплитель «ТЕХНОРУФ В60» (g-180
кг/м)- 40 мм; 3)утеплитель «ТЕХНОРУФ Н35» (g-110
кг/м) - 150 мм; 4) пароизоляция «Изоспан Б»; 5) профнастил Н75-750-08; 6)
Прогон [ N18; 7) Металлическая ферма L=36 м.
Лестницы
Марши и площадки лестниц должны иметь ограждения
с поручнями.
Уклон маршей лестниц принимаем 1:2.
Лестничные клетки спортивного сооружения
спроектированы с искусственным освещением, предусмотреть независимое аварийное
освещение.
Перегородки
Перегородки - из керамического кирпича, толщина
120 мм.
Окна, двери
Оконные проемы решаем установкой пластиковых
окон заводской готовности различных размеров.
Двери электрощитовых, вентиляционных камер,
кладовых для хранения материалов и других пожароопасных технических помещений
должны иметь предел огнестойкости EI
45.
Полы (экспликация полов)
В гардеробно-душевых помещениях из плиток
керамических; в помещениях административно - бытового назначения из линолеума;
в холле и вестибюле из мраморной плитки и в спортзале из паркетной доски.
Наружная и внутренняя отделка
Отделку стен и потолков комнат, кладовых, а
также на путях эвакуации в здании II степеней огнестойкости выполнить из
негорючих и слабогорючих материалов, а каркасы подвесных потолков - из
негорючих материалов.
Инженерное оборудование
В здании установить систему автоматического
пожаротушения. Из спортивного сооружения предусмотреть эвакуационные выходы
непосредственно наружу или на 2 лестничные клетки.
Во всех помещениях спортивного сооружения
предусмотреть систему дымоудаления.
Комнаты служащих и персонала, комнаты отдыха,
помещения для приема, хранения и подготовки товаров к употреблению, для
хранения тары, упаковочных материалов и инвентаря оборудовать установками
автоматического пожаротушения.
В качестве светопрозрачного заполнения дверей,
фрамуг (в дверях, перегородках, включая внутренние стены лестничных клеток) и
перегородок применить закаленное или армированное стекло и стеклоблоки.
Водоснабжение здания обеспечивается от
существующей сети водопровода. При производстве монтажа системы водоснабжения
учитывается требуемый уклон трубопровода. Диаметр труб определяется исходя из
расчетов с обеспечением необходимого давления и расхода воды для крайних
потребителей воды. При прокладывании трубопровода используются трубы из
полиэтилена ПНД 160 т по ГОСТ 18599-2001 (2003) «Трубы напорные из полиэтилена.
Технические условия».
Для пожаротушения детско-юношеской спортивной
школы в местах размещения наружных пожарных лестниц, для подачи на одной
пожарной струи с расходом 10 л/с, предусматривают стояки-сухотрубы диаметром 85
мм, оборудованные пожарными соединительными головками диаметром 66 мм, расположенными
снизу сухотруба с наружной стороны здания выше уровня планировки и сверху на
крыше.При этом сухотруб необходимо соединить с наружной
противопожарно-хозяйственной водопроводной сетью, если пожаротушение
осуществляется от пожарных насосов насосной станции.
В качестве источника водоснабжения также могут
быть использованы наливные водохранилища с подводом к ним воды из естественных
поверхностных источников.
Пожарные гидранты для пожаротушения
детско-юношеской спортивной школы, оборудованной сетями водопровода,
располагаются на расстоянии не более 200 м от здания.
Примечание. В системе водоснабжения допускается
использование нескольких источников с различными гидрологическими и
гидрогеологическими характеристиками.
Следует предусмотреть устройство внутреннего
противопожарного водопровода в отапливаемых цехах здания, складах, помещениях
готовой продукции.
Для создания и поддержания требуемого давления
воды в пожарном водопроводе предусматривается автоматическая насосная станция
мощностью 30 кВт. Водоснабжение зданий от существующей городской сети
водопровода осуществляется трубопроводом диаметром 200 мм. Внутреннее
водоснабжение предусматривает установку водяных счетчиков горячей и холодной
воды. При проектировании внутренних водопроводных сетей холодной воды,
прокладываемых в помещениях, следует предусматривать термоизоляцию
трубопроводов из несгораемых материалов по расчету на невыпадение конденсата.
Канализация
В здании предусмотрена бытовая и
производственная канализация в соответствии со СНиП 2.04.03.85.Объединение
сетей внутренней бытовой и производственной канализации в детско-юношеской
спортивной школе не допускается. Прокладка горизонтальных трубопроводов бытовой
канализации в помещениях складирования материалов и оборудования не
допускается. Локальную очистку производственных сточных вод до сброса их в
бытовую канализацию на предприятии следует предусмотреть в зависимости от
технологической схемы.
Дождевую канализацию в здании необходимо
предусмотреть в соответствии со СНиП 2.04.03-85. При наличии на площадке
системы закрытой дождевой канализации следует, как правило, предусматривать
сброс в нее переливных и спускных вод из поддонов оросительных секций
кондиционеров, градирен оборотной системы охлаждения вальцевых станков.
Отопление и вентиляция
Проектирование отопления, вентиляции и
кондиционирования воздуха в здании детско-юношеской спортивной школы, а также
выбросов вентиляционного воздуха в атмосферу следует производить в соответствии
со СНиП2.04.05-91 «ОТОПЛЕНИЕ, ВЕНТИЛЯЦИЯ И КОНДИЦИОНИРОВАНИЕ».
Расчетные параметры воздуха в помещениях школы
следует принимать с учетом норм технологического проектирования и других
нормативных документов и стандартов. В производственных зданиях следует
предусматривать, как правило, устройство воздушного отопления, совмещенного с
приточной вентиляцией в производственных помещениях, и центрального водяного
отопления во вспомогательных помещениях.
В качестве теплоносителя в системе отопления и
вентиляции предприятия применена горячая вода. Допускается при экономическом обосновании
применять пар. Предусмотрено отопление производственного цеха, складов сырья и
готовой продукции, и других цехов. Температуру теплоносителя в системах
отопления с местными нагревательными приборами и теплоснабжения вентиляционных
установок следует принимать не более 110 °С.
В помещении электрощитовой при необходимости
предусматривают механическую приточную и вытяжную вентиляцию, рассчитанную на
удаление теплоизбытков. Приточный воздух, подаваемый в помещения электрощитовой
и диспетчерской, должен очищаться в воздушных фильтрах. Вентиляционные камеры
должны быть герметичными и иметь доступ для обслуживания фильтров. Допускается
предусматривать рециркуляцию воздуха в помещениях электрощитовой в холодный и
переходный периоды года. В помещениях школы следует предусматривать вытяжную
вентиляцию с однократным воздухообменом. В самой школе располагаются
специальные вентиляционные установки.
.6 Электроснабжение и электротехнические
устройства
Электроприемники всех предприятий по надежности
электроснабжения, как правило, относят ко второй категории. Категория
электроснабжения объектов, имеющих насосные станции, должна быть не ниже
категории их надежности, при этом один из источников питания допускается
принимать мощностью, удовлетворяющей потребности только насосной станции, с
учетом требований СНиП 2.04.02-84.
Электрические установки зданий и сооружений
проектируют с учетом условий окружающей среды и классификации помещений и
электроустановок по взрывоопасности, пожароопасности и опасности поражения людей
электрическим током в соответствии с требованиями Правил устройства
электроустановок (ПУЭ-76), утвержденных Минэнерго СССР, а также норм
технологического проектирования, утвержденных Минзагом СССР.
.7 Слаботочные устройства
Телефонизация здания производится на основании
технических условий. Кабеля телефонизации прокладываются в трубопроводах, с
распределением по помещениям на этаже.
Радио распределительные сети радиофикации
выполняются от понижающего трансформатора на радиостойке проводом ПВЖ 1.5 в
трубах ПВХ 40 в вертикальных стояках. Абонентские сети выполняются проводами
ПТТЖ 2х1.2 и скрыты под слоем штукатурки. Для приема передач на крыше
установлена антенна.
3. Расчетно-конструктивный раздел
.1 Компоновка
Строительство ведется в городе
Казани. Расчёт и проектирование каркаса в сечении I-I производим
по расчетной нагрузке на обрез каркаса:
1095 кН,
. Принимаем
монолитные колонны прямоугольного сечения с размерами сторон 0,5х0,6 м.
В проектируемом здании нет подвала и
абсолютная отметка, соответствующая уровню чистого пола 1-ого этажа совпадает с
абсолютной отметкой планировочной поверхности земли вокруг здания.
Мощность
=2.2,
начальное расчётное сопротивление
=352 кПа и модуль деформации
=12000 кПа
ИГЭ-2 достаточны для того, чтобы использовать данный слой грунта в качестве
несущего.
.2 Расчетная схема и расчетное
сечение элемента
На рис. 3.2.1 показана
нумерация, геометрические размеры элементов каркаса и схема передачи нагрузок:
сечение колонны 500х600 мм: - П
05Fx06F-0
нумерация стен: 15
Расчетная схема монолитного
каркаса.
Объемный вид (расчетный схемы) монолитного каркаса
(см. табл. 3.1; 1.2 - сбор нагрузок)
Рис. 3.2.1
Рис 3.2.2
В основу расчета положен метод конечных
элементов с использованием в качестве основных неизвестных перемещений и
поворотов узлов расчетной схемы. В связи с этим идеализация конструкции
выполнена в форме, приспособленной к использованию этого метода, а именно:
система представлена в виде набора тел стандартного типа (стержней), называемых
конечными элементами и присоединенных к узлам.
Все узлы и элементы расчетной схемы нумеруются.
Номера, присвоенные им, следует трактовать только, как имена, которые позволяют
делать необходимые ссылки.
Для задания данных о расчетной схеме могут быть
использованы различные системы координат, которые в дальнейшем преобразуются в
декартовы. В дальнейшем для описания расчетной схемы используют следующие
декартовы системы координат:
Глобальная правосторонняя система координат XYZ,
связанная с расчетной схемой.
Локальные правосторонние системы координат,
связанные с каждым конечным элементом.
Расчетная схема характеризуется следующими
параметрами:
количество узлов;
количество конечных элементов;
количество загружений;
статический расчет системы выполнен в линейной
постановке.
Возможные перемещения узлов конечно-элементной
расчетной схемы ограничены внешними связями, запрещающими некоторые из этих
перемещений.
В расчетную схему включены конечные элементы
следующих типов.
Стержневые конечные элементы, для которых
предусмотрена работа по обычным правилам сопротивления материалов. Описание их
напряженного состояния связано с местной системой координат, у которой ось X1
ориентирована вдоль стержня, а оси Y1 и Z1 - вдоль главных осей инерции
поперечного сечения.
Для стержневых элементов усилия по умолчанию
выводятся в концевых сечениях упругой части (начальном и конечном) и в центре
упругой части, а при наличии запроса пользователя и в промежуточных сечениях по
длине упругой части стержня.
Правила знаков для усилий (напряжений) приняты
следующими:
Для стержневых элементов возможно наличие
следующих усилий:- продольная сила; MKP - крутящий момент; MY - изгибающий
момент с вектором вдоль оси Y1;QZ - перерезывающая сила в направлении оси Z1
соответствующая моменту MY;MZ - изгибающий момент относительно оси Z1;QY -
перерезывающая сила в направлении оси Y1 соответствующая моменту MZ;RZ - отпор упругого
основания.
В протоколе решения задачи для каждого из
нагружений указываются значения суммарной узловой нагрузки, действующей на
систему.
Назначенные схемы расчётной
схемы.
По свойствам вычислительной
программы расчётная схема представляет собой: пространственный каркас, где
колонны моделируется в виде стержней (тип КЭ - «пространственный стержневой
элемент»), плита перекрытия и диафрагма жесткости имеют тип КЭ-«универсальный
треугольный КЭ оболочка»).
Для каждого элемента задается
жесткость. Колонна имеет сечение 400X400
мм и 500х600 длину Lср=4.2 м из
бетона В25. Плита перекрытия толщиной 200 мм, а диафрагмы жесткости толщиной
200 мм из бетона В25.
Примыкание колонн к основанию жесткое.
При создании расчетной схемы для удобства работы
использовалась программа AutoCAD.
Результаты расчета показаны на рис. 3.2.3-3.2.5
(см. следующие листы).
Усилия в колоннах 1-го этажа от постоянного
загружения N (т)
Рис. 3.2.3
Усилия в колоннах 1-го этажа от кратковременного
загружения N (т)
Рис. 3.2.4
Усилия в колоннах 1-го этажа от постоянного
загружения Му (т*м)
Рис 3.2.5
3.3 Сбор нагрузок
Сбор нагрузок на перекрытие и покрытие здания
Расчет ведем в табличной форме (табл. 3.1.-3.2.)
) Нагрузка на междуэтажное перекрытие этажа.
Таблица. 3.1.
|
Наименование
нагрузки
|
Нормативная
|
Коэф.
надежности, γf
|
Расчетная
нагрузка, кг/м2
|
|
нагрузка,
|
|
|
|
1)Постоянные:
|
500
|
1,1
|
550
|
|
•
от собственного веса плиты
|
|
|
|
|
δ=
200мм, γ= 2500 кг / м3
|
|
|
|
|
|
|
|
|
•Стяжка из
легкого бетона.
|
|
|
|
|
|
δ=
40мм,
γ=
1800 кг
/ м3
|
72
|
1,3
|
93,6
|
|
|
•Прослойка
из холод.мастики на водост. вяжущих
|
5
|
1,3
|
6,5
|
|
|
•Плитка
|
|
|
|
|
|
δ=
10мм, γ= 1800 кг / м3
|
18
|
1,3
|
23,4
|
|
|
Итого:
|
595
|
|
673,5
|
|
|
2)
Временные
|
200
|
1,2
|
240
|
|
|
Всего:
|
795
|
|
913,5
|
|
) Нагрузка на покрытие.
Таблица. 3.2
|
1)Постоянные:
|
|
|
|
|
•
от собственного веса фермы
|
50
|
1,1
|
55
|
|
•
Прогоны
|
20
|
1.1
|
22
|
|
•
Пароизоляция " Изоспан Б"
|
5
|
1,2
|
6
|
|
•
Утеплитель δ=
190 мм, γ= 50 кг / м3
|
11
|
1,3
|
14,3
|
|
•
Гидроизоляция ALKORPLAN F 35276 CIS
|
12
|
1,2
|
14,4
|
|
•Стяжкацем.песч.
|
|
|
|
|
δ=
15-50мм, γ= 1800 кг / м3
|
90
|
1,3
|
117
|
|
•Cтальной
профилированный лист Н75-750-0,8
|
12
|
1,2
|
14,4
|
|
Итого:
|
200
|
|
243.1
|
|
Временные:
|
|
|
|
|
II • Снеговая (IV
район)
|
150
|
1,6
|
240
|
3.4 Статический расчет
Разработке конструктивных
решений несущей системы предшествует комплекс мероприятий, связанный с оценкой
напряженно-деформированного состояния (НДС) и расчетами, как отдельных
элементов, так и каркаса здания в целом. Используемый в качестве несущей
системы здания монолитный железобетонный каркас, достоинство которого
заключается в пространственной неразрезности, что обеспечивает монолитным
конструкциям меньшую затрату по сравнению с другими видами железобетонных
конструкций. Относится к статически неопределимым системам, расчет которых без
применения программных комплексов сопряжен со значительными трудозатратами при
относительно низкой степени точности, а оценка НДС нерегулярных систем
практически невозможна. Использование сертифицированных расчетных программных
комплексов «Лира-9.2», «SCAD»,
«Мономах» и т.д. позволяет генерировать расчетные схемы любой сложности с
возможностью быстрого варьирования их параметров. Кроме того, при использовании
приложений появляется возможность автоматизированного расчета армирования в
соответствии с положениями действующего СНиП 52-01-2003 «Бетонные и
железобетонные конструкции» Основные положения. СП 52-101-2003 «Бетонные и
железобетонные конструкции без предварительного напряжения арматуры», «Пособие
по проектированию бетонных и железобетонных конструкций из тяжёлого бетона без
предварительного напряжения арматуры» к СП 52-101-2003.
Расчетные процессоры содержат
обширную библиотеку конечных элементов, которая позволяет создавать адекватные
расчетные модели практически без ограничений на описание реальных свойств
рассчитываемых объектов. При этом возможны задание линейных и нелинейных
законов деформирования материалов, учет геометрической нелинейности с
нахождением формы изначально изменяемых систем, а также учет конструктивной нелинейности.
Реализованы законы деформирования различных классов железобетона.
ПК МОНОМАХ позволяет
исследовать общую устойчивость рассчитываемой модели, проверить прочность
сечений элементов по различным теориям разрушений. ПК МОНОМАХ предоставляет
возможность производить расчеты объектов с учетом физической и геометрической
нелинейностей, моделировать процесс возведения сооружения с учетом монтажа и
демонтажа элементов.
Изучение НДС и конструирование
элементов несущей системы проектируемого здания выполнено с использованием
вычислительного комплекса МОНОМАХ.
.5 Расчет по первой группе предельных состояний
.5.1 Расчет по нормальному сечению
На отметке от 0,000 до +8.100 м в
размеры сечения колонн 500х600 мм, с защитным слоем бетона
. Определяем
расчетную прочность бетона (тяжелый бетон класса В25).

где
- расчетная прочность бетона;
- коэффициент, учитывающий
бетонирование в вертикальном положении, при высоте слоя бетонирования более 1,
5 м.
Принимаем арматуру класса А-400 с
расчетным сопротивлением
.
Расчет прочности сечения колонны
выполняем по формулам [10] на действие продольной силы со случайным
эксцентриситетом, поскольку класс тяжелого бетона ниже В 40, а L = 4200 мм
< 20 h = 30* 400 =
12000 мм.
Принимаем предварительно коэффициент
φ
= 0,8, вычисляем
требуемую площадь сечения продольной арматуры по [10].
,
следовательно, прочность колонны
обеспечена.
Поперечную арматуру в колонне
конструируем в соответствии с требованиями [9], из арматуры класса А - 240
диаметром 8 мм, устанавливаемую с шагом 200 мм.
Площадь арматуры в колонне К-1 (К1_7).
Рис. 3.5.1
По результатам расчета:
-Основная рабочая арматура в
колонне: Аs = 8.04 м
т.е.
принимаем 8Ø16
А-400
Расчет прочности подколонника по нормальным
сечениям СФ-2.
Расчет прочности подколонника по нормальным
сечениям сводится к определению требуемой площади продольной рабочей арматуры
Аsmр. Для этого рассматриваем нормальное сечение: 2-2 - по плитной части
свайного фундамента.
Расчет по сечению 2-2 выполняется по правилам
расчета прямоугольного сечения с двойной арматурой.
Так как х=0,039м <хR=xR
·hоп=0,42м, то

.
По расчету продольная арматура в
подколоннике не требуется, следовательно, она устанавливается конструктивно.
Назначаем шаг продольных стержней S=400 мм. Тогда минимально допустимый
диаметр, который можно применить в этом случае, равен 12 мм. Принимаем 3Æ12 А-ІІІ (Аs
=2,011 см2). Поперечная арматура в каркасах КР-1 и КР-2 принимается
кл. Вр-1, либо кл. А-1 и устанавливается из условия свариваемости ds/4=12/4=3
мм, но не менее 5 м, где ds- диаметр продольной арматуры.
Рисунок 3.5.2
3.5.2 расчет по наклонному сечению
Площадь арматуры в колонне К-2 (К1_3)
Расчёт прочности нижней ступени на
продавливание
Т.к. нижнее основание пирамиды
продавливания, меньшим основанием которой служит площадь действия
продавливающей силы, боковые грани которой направлены под углом
к
горизонтали, выходит за пределы основания фундамента (см. рис. 3.5.3), расчёт
на продавливание не производим.
Рис. 3.5.3 Пирамида продавливания
подколонника
Расчёт фундамента по прочности на
раскалывание
Проверка фундамента по прочности на
раскалывание от действия продольной силы
производим из условий п. 2.22 [8]:
при
:
;
при
:
,
где
- коэффициент трения бетона о
бетон;
- коэффициент, учитывающий
совместную работу фундамента с грунтом;
- расчётное сопротивление бетона
класса В20 растяжению, принимается по прил. 1 [14];
- расчётная продольная сила в
уровне торца колонны (здесь
- коэффициент, учитывающий
частичную передачу продольной силы
на плитную часть фундамента через
стенки стакана (не менее
);
- коэффициент, учитывающий
длительность действия нагрузки;
- коэффициент, учитывающий вид
материала фундамента;
- продольная сжимающая сила от
местной нагрузки;
);
- площадь вертикального сечения
фундамента в плоскости, проходящей по оси стакана, за вычетом площади стакана
фундамента, в направлении действия изгибающего момента (см. рис. 3.5.4);
- то же, в направлении,
перпендикулярном плоскости действия изгибающего момента (см. рис. 3.5.4).
Рисунок 3.5.4
Т. к.
,
- условие выполняется - раскалывания
фундамента не произойдёт.
Расчёт прочности фундамента на
смятие
Расчёт прочности фундамента на
смятие (местное сжатие) под торцом колонны сводится к проверке условия:
,
- коэффициент при равномерном
распределении местной нагрузки на площади смятия;
- фактическая площадь смятия (торца
колонны);
- расчётное сопротивление бетона
смятию,
здесь
- коэффициент для бетона класса
ниже В25;
- расчётное сопротивление тяжёлого
бетона класса В20 сжатию;
- коэффициент, учитывающий
повышение несущей способности бетона при местном сжатии (для класса выше В7.5),
не более
;
- расчётная площадь смятия
(подколонника);
.
Тогда
- условие выполняется, смятия
бетона под колонной не происходит - ниже стакана сетки косвенного армирования
не устанавливаются.
Расчёт прочности фундамента по
поперечной силе
Расчёт прочности фундамента по
поперечной силе заключается в проверке прочности рабочей высоты
нижней
части ступени по наклонному сечению на восприятие поперечной силы
одним
бетоном, исходя из условия:
,
где
;
- вылет нижней ступени фундамента;
- длина проекции рассматриваемого
наклонного сечения;
,
и
- см. п. 4.4.2.
Правая часть неравенства принимается
не менее
и не более
. Все
условия выполняются.
- условие выполняется, прочность
нижней ступени по поперечной силе обеспечена.
Определение площади сечения арматуры
плитной части фундамента
Площадь сечения рабочей арматуры
плитной части фундамента определяется из расчёта на изгиб консольных выступов
вдоль сторон фундамента
и
в сечениях,
проходящих по граням колонны и подколонника и по граням ступеней фундамента.
Рисунок 3.5.5 Расчетные сечения плитной части
Расчёт выполняется в следующей
последовательности.
. В сечениях I-I,
II-II
определяем изгибающие моменты.
В плоскости действия момента - в направлении
большей стороны:
Для сечения I-I:
,
где
- ширина подошвы фундамента;
- вылет ступени;
,
где
- длина подошвы фундамента;
Для сечения II-II:
,
В направлении, перпендикулярном
плоскости действия момента, от реактивного отпора грунта:
Для сечения I-I:
;
Для сечения II-II:
.
2. В тех же сечениях определяем
требуемую площадь сечения рабочей арматуры
в плитной части фундамента.
В плоскости действия момента - в
направлении большей стороны:
Для сечения I-I:
Для сечения II-II:
.
В направлении, перпендикулярном
плоскости действия момента:
Для сечения I-I:
;
Для сечения II-II:
,
где
и
- расчётная рабочая высота
фундамента соответственно в сечениях I-I и II-II;
,
- изгибающие моменты соответственно
в сечениях I-I и II-II;
- расчётное сопротивление арматуры
класса А-II растяжению,
определяется по прил. 5 [14].
. Из двух значений
и
в
соответствующем направлении выбираем большее, по которому производим подбор
диаметра и количество стержней. Для этого задаёмся шагом стержней
. Количество
стержней больше числа шагов на 1. Деля
на число стержней, получаем
требуемую площадь
одного
стержня, по которой, используя сортамент арматуры прил. 6 [14], подбираем
окончательный диаметр одного стержня.
В плоскости действия момента - в
направлении большей стороны:
, принимаем количество стержней
. Тогда
.
Т. к. по конструктивным требованиям
при
минимальный
диаметр рабочей арматуры
, принимаем
диаметр одного стержня & =
(
).
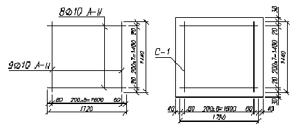
Окончательно принимаем 16 & 10.
В направлении, перпендикулярном
плоскости действия момента:
, количество стержней принимаем
. Тогда
.
Т.к. по конструктивным требованиям
при
минимальный
диаметр рабочей арматуры
, принимаем
диаметр одного стержня & =
(
).
Окончательно принимаем 8 & 10.
Т.к. размеры подошвы фундамента
, подошва
армируется одной арматурной сеткой с рабочей арматурой в двух направлениях (см.
рис. 3.5.6).
Рисунок 3.5.6 Арматурная сестка С-1,
схема армирования подошвы фундамента
Подбор сечений стержней стропильной
фермы
Верхний пояс
Наибольшее усилие в
стержне 6:
; 
Требуемая площадь:
Наибольшая гибкость
где
минимальный радиус инерции


Проверка на устойчивость:

- не донапряжение 1%
.
Нижний пояс
Наибольшее усилие в стержне 12:
; Требуемая
площадь:


Наименьший радиус инерции 
-наибольшая гибкость 
Проверка на прочность:

- не донапряжение 8.7%
Наибольший нагруженный опорный
раскос 14.
; 
Требуемая площадь:


-наибольшая гибкость 
Проверка на устойчивость:

-
недонапряжение 4%
Сжатые раскосы
раскос 18.
; 
Требуемая площадь:




Проверка на устойчивость:

-
не донапряжение 12%

раскос 22.
; 
Требуемая площадь:




-наибольшая гибкость 
Проверка на устойчивость:

- недонапряжение 17%
.
Расчет укрупнительного узла верхнего
пояса
Горизонтальные накладки 1 и 2
принимаются толщиной 12 мм. Высота накладок 2 определяется из условия:
.
Принимаем l=30см.
Усилие, приходящееся на горизонтальную накладку
. Требуемая длина сварных швов,
прикрепляющих горизонтальную накладку к поясу, есть большее из значений:
по металлу шва
по металлу границы сплавления
Усилие, приходящееся на вертикальную
накладку
. Требуемая
длина сварных швов, прикрепляющих вертикальную накладку к фасонке, есть большее
из значений:
по металлу шва
по металлу границы сплавления
Расчет укрупнительного узла нижнего
пояса
Горизонтальные накладки 1 и 2
принимаются толщиной 12 мм. Высота накладок 2 определяется из условия:
Где
. Принимаем l=25 см.
Усилие, приходящееся на горизонтальную накладку
. Требуемая длина сварных швов,
прикрепляющих горизонтальную накладку к поясу, есть большее из значений:
по металлу шва
по металлу границы сплавления
Усилие, приходящееся на вертикальную
накладку
. Требуемая
длина сварных швов, прикрепляющих вертикальную накладку к фасонке, есть большее
из значений:
по металлу шва
- по металлу границы сплавления
Система связей
Система связей состоит из горизонтальных и
вертикальных:
Горизонтальные:
- по нижнему поясу фермы в месте
вертикальных связей;
- по верхнему поясу фермы в каждом узле
пояса;
связи по верхним поясам с крестовой
решеткой по торцам блока.
Вертикальные:
- по фермам по торцам блока;
Горизонтальные связи представляют собой
крестовое сечение из равнополочных уголков. Вертикальные связи -из
равнополочных уголков, составленных в тавр.
5. Безопасность жизнедеятельности
Проектом предусмотрено, при выполнении
кровельных работ по устройству металлической кровли мероприятия по
предупреждению воздействия на работников следующих опасных и вредных
производственных факторов, связанных с характером работы:
· расположение рабочего места вблизи
перепада по высоте 1,3 м и более;
· повышенная загазованность воздуха
рабочей зоны;
· повышенная или пониженная
температура поверхностей оборудования, материалов и воздуха рабочей зоны;
· острые кромки, заусенцы и
шероховатость на поверхностях оборудования, материалов;
· повышенное напряжение в
электрической цепи, замыкание которой может пройти через тело человека.
При наличии опасных и вредных производственных
факторов, безопасность кровельных работ обеспечена на основе выполнения
содержащихся в организационно-технологической документации (ПОС, ППР и др.)
следующих решений по охране труда:
· организация рабочих мест на высоте,
пути прохода работников на рабочие места, особые меры безопасности при работе
на крыше с уклоном;
· меры безопасности при приготовлении
и транспортировании металлической кровли и материалов;
· методы и средства для подъема на
кровлю материалов и инструмента, порядок их складирования, последовательность
выполнения работ.
Подъём на кровлю и спуск с нее предусмотрен
только по лестничным маршам, оборудованным для подъема на крышу. Использование
в этих целях пожарные лестницы запрещается.
Для прохода работников, выполняющих работы на
крыше с уклоном, применены трапы шириной не менее 0,3 м с поперечными планками
для упора ног. Трапы на время работы закреплены.
При выполнении работ на крыше работниками
применяются предохранительные пояса согласно требованиям СНиП 12-03.
Применяемые для подачи материалов при устройстве
кровли краны малой грузоподъемности устанавливаются и эксплуатируются в
соответствии с инструкцией завода-изготовителя. Вблизи здания в местах подъема
груза и выполнения кровельных работ предусматривается обозначение опасных зон,
границы которых определены согласно СНиП 12-03.