Разработка алгоритма технического обслуживания комплекса авиационного вооружения при применении стратегии технической эксплуатации по состоянию
Список сокращений
НТД - нормативно-технической документации
АСК - автоматизированные средства контроля и
диагностирования
ДЛ - должностного лица
БИ - блок обработки информации
БП - блок памяти
БО - оперативный блок
ВГР - верхняя граница регулирования
КАВ - комплекс авиационного вооружения
ПТЭ - процесс технической эксплуатации
ТС - техническое состояние
ТО - техническое обслуживание
ТЭ - техническая эксплуатация
ОУ - объект управления
ОЭ - объект эксплуатации
ЭВМ - электронное - вычислительная машина
ВС - воздушного судна
ЭТХ - эксплуатационно-технических характеристик
ФБА - фронтовую бомбардировочную авиацию
ПВО - противовоздушную оборону -
радиолокационные станции
ПУ - пунктов управления
РУК - разведывательно-ударных комплексов
ВПП - взлетно-посадочные полосы
АЧ - авиационной части
РЭБ - радиоэлектронной борьбы
ТС - техническое состояние
ДА - дальняя авиация
АВ - авиационное вооружение
ИТС - инженерно-технический состав
ТВД - театр военных действий
Введение
Жизненный цикл боевого воздушного судна (ВС)
включает в себя этапы разработки, производства и эксплуатации. Этап
эксплуатации является наиболее продолжительным этапом жизни ВС, для современных
самолетов и вертолетов он составляет две трети и более всей продолжительности
жизненного цикла. На этапе эксплуатации реализуются боевые и эксплуатационные
свойства ВС и его подсистем, заложенные в процессе разработки и производства.
Пригодность ВС к эксплуатации определяется совокупностью
эксплуатационно-технических характеристик (ЭТХ), таких как: безотказность,
долговечность, сохраняемость, контролепригодность и ремонтопригодность,
эксплуатационная технологичность. В зависимости от уровня реализации этих
характеристик в процессе разработки и производства определяется облик системы
эксплуатации ВС, т. е. принятые в ней принципы и процедуры контроля
технического состояния (ТС), методы и средства поддержания безотказности,
долговечности и сохраняемости, средства и технологии подготовки ВС к полетам,
технического обслуживания (ТО) и ремонта.
Соответствие системы эксплуатации реализованным
в ВС ЭТХ является определяющим условием эффективной эксплуатации ВС, когда
минимальные затраты на поддержание его надежности и боеготовности
гарантированно обеспечивают требуемую эффективность применения ВС. Поэтому первой
и важной составляющей профессиональной подготовки военного инженера является
глубокое понимание сущности эксплуатационных свойств ВС, их влияния на боевые
возможности ВС и знание механизмов реализации этих возможностей в процессе
эксплуатации.
Как известно, современные ВС военного назначения
представляют собой сложные авиационные боевые комплексы, оснащенные системами
артиллерийского, ракетного и бомбардировочного вооружения, а также средствами
обеспечения их боевого применения. Функциональное и конструктивное объединение
этих систем образует комплекс авиационного вооружения (КАВ). Именно
характеристики КАВ в значительной степени определяют боевые возможности и
эффективность боевого применение ВС. Поэтому знание боевых и эксплуатационных
характеристик КАВ, их влияние на систему эксплуатации ВС является второй
базовой составляющей профессиональной подготовки военного инженера.
Знание методов, технологий и средств поддержания
тактико-технических и эксплуатационных характеристик ВС и его КАВ, умение их
использовать на практике является третьей составляющей профессиональной
подготовки военного инженера и, в частности, инженера по авиационному
вооружению.
Анализ опыта локальных войн и военных конфликтов
последних лет показал, что существующие КАВ, разработанные двадцать и более лет
назад, не отвечают современным требованиям к КАВ, то есть требуется
модернизация уже существующих или разработка новых систем.
В этих условиях наиболее приемлемым выходом
является точное определение периодичности проверок систем, с целью приведения
их в соответствие с требованиями.
Кроме этого на современном этапе требуемая
периодичность проведения ТО комплекса КАВ не соответствует реальному проведению
ТО техники. Поэтому в последнее время все большие требования предъявляются к
определению вероятности безотказной работы техники и периодичности проведения
ТО.
Необходимо создание автоматизированных систем
определения и оптимизации периодичности проверок техники с целью поддержания
работоспособного состояния КАВ.
1. Тактико-техническое обоснование необходимости
разработки алгоритма технического обслуживания комплекса авиационного
вооружения при применении стратегии технической эксплуатации по состоянию
.1 Назначение и задачи, решаемые дальней
авиацией
Дальняя авиация - составная часть российских
Военно-Воздушных Сил, - пройдя славный путь развития и становления, явилась в
нашем Отечестве основой развития самолетостроения, разработки теории
стратегической воздушной операции, началом развития современной триады
стратегических ядерных сил бывшего СССР и его преемника - России. Дальняя
авиация была, есть и будет основным средством решительного огневого поражения
важных объектов в глубоком тылу противника в обычной войне; одним из самых
универсальных, мобильных и дальнобойных средств ядерного сдерживания в
современном многополярном мире.
Присущие этому роду воздушному судну (ВС)
большая глубина действий, скорость, боевая мощь, универсальность, способность в
короткое время совершить широкий маневр есть важнейшие
оперативно-стратегические свойства. Умелое и своевременное их использование -
одно из средств обеспечения национальной безопасности России в военной сфере
как в современных условиях, так и в обозримом будущем… Дальняя авиация ВВС
России является одной из важнейших составляющих стратегической безопасности
России, обеспечения ее суверенитета и территориальной целостности. В
современной войне Дальней авиации отводилась одна из самых важнейших ролей,
учитывая ее универсальность, которая заключается в возможности нанесения ударов
по стационарным подвижным объектам противника на всю оперативно-стратегическую
глубину расположения ВС агрессора с применением обычного и ядерного оружия как
на континентальных, так и на океанских (морских) театрах военных действий.
Современная военно-политическая ситуация, складывающаяся в мире, ставит перед
Дальней авиацией новые задачи. Первая - традиционная - нанесение массированного
удара по стратегическим объектам вероятного противника на всю
оперативно-стратегическую глубину расположения ВС агрессора с применением обычного
и ядерного оружия. Для этого предназначены принятые в последнее время на
вооружение новые малозаметные крылатые ракеты, способные нести как обычный, так
и ядерный заряд на расстояние до 5 тысяч километров, успешно обходя систему ПВО
противника.
Вторая задача, которая недавно была поставлена
перед Дальней авиацией - это достойный ответ на террористические вызовы,
брошенные нашей стране. Для решения этой задачи на вооружение самолетов ДА была
принята принципиально новая крылатая ракета, которая должна обладать
дальностью, превышающей 5000 км, иметь эффективную поверхность рассеивания,
соизмеримую с сотыми долями метра и коэффициент вероятного отклонения порядка
5-6 м (образно говоря, ракета должна иметь возможность влететь в футбольные
ворота). Летные испытания такой ракеты начались в 2000 г. Вторая задача,
стоящая на этом направлении развития ДА - это участие в разработке
перспективного авиакомлекса Дальней авиации.
Основными задачами дальней авиации являются
поражение:
авианосных многоцелевых групп
соединений (групп) кораблей-носителей морского
базирования в океане
основных авиационных группировок в удаленных
районах ТВД и на отдаленных стратегических направлениях
оперативно-стратегических ракетных комплексов и
складов ядерного оружия
важных военных, военно-промышленных и
энергетических объектов
центров государственного и высшего военного
управления в удаленных районах ТВД
стратегических и оперативных резервов, задержка
их выдвижения
морских десантов в районах формирования и при
переходе морем
Важное значение приобретает задержка выдвижения
наиболее опасных соединений оперативных и стратегических резервов противника
при отражении агрессии. Эта задача ограниченным составом ДА с наибольшей
эффективностью может быть решена путем применения современных авиационных к
рылатых ракет (КР) по главным узлам маршрутов выдвижения резервов (мостам,
железнодорожным станциям, переправам и т.п.) с целью срыва планов агрессора по
вводу резервов в бой
.2 Анализ изменения технического состояния
комплекса авиационного вооружения самолета Ту-95МС в процессе эксплуатации
Являясь сложной динамической технической
системой КАВ самолета Ту-95МС эксплуатируется в воздухе (летная эксплуатация) и
на земле (техническая эксплуатация). В воздухе КАВ эксплуатируется при полетах
на боевое применение только лицами летного состава, на земле лицами
инженерно-технического состава (ИТС) авиационных и авиационно-технических
частей.
В процессе эксплуатации наблюдается изменение
свойств систем КАВ переходы из исправного в работоспособное и из работоспособного
в неработоспособное виды ТС посредством таких событий, как повреждение и отказ.
Причинами отказов систем КАВ самолета являются,
как правило, различного рода дефекты. Дефект определяется как любое
несоответствие того или иного объекта требованиям, установленным
нормативно-технической документации (НТД). При этом дефект интерпретируется как
некоторый изъян (недостаток) системы, являющийся результатом воздействия
конструктивно-технологических, внешних факторов, а также субъективного
(человеческого) фактора.
Влияние конструктивно-технологических факторов
определяется состоянием фундаментальных теоретических знаний, которые положены
в основу эксплуатации систем КАВ самолета Ту-95МС, степенью обобщения опыта
эксплуатации аналогичных разработок (систем КАВ самолета Ту-95МС),
теоретических направлений, качеством, совершенством технологии и оборудования
эксплуатации.
Влияние внешних факторов обусловлено различными
видами энергии и климатическими условиями эксплуатации, оказывающими влияние на
свойства рассматриваемой динамической системы.
Механическая энергия является наиболее
распространённым видом энергии, которая передаётся в виде статических и
динамических нагрузок. Тепловая энергия действует на системы при превышении
температурных режимов его работы. Вследствие нагрева смещаются уровни
настройки, дает сбой электроника, возникает опасность заклинивания толкателей в
направляющих и т. д.
Химическая энергия в виде агрессивных сред
является основным источником коррозии систем авиационного вооружения (АВ).
Электромагнитная энергия в виде радиоволн
(электромагнитных колебаний) оказывает влияние в первую очередь на электронные
блоки авиационной прицельной системы, вызывая сбои элементов и погрешности
сигналов.
Таким образом, все виды энергии, воздействуя на
системы АВ самолета, вызывают ряд нежелательных процессов, создают условия
ухудшения их технических характеристик и появления отказов.
К климатическим условиям относят влажность,
иней, росу, пыль, повышение и понижение давления, плесневые грибки и т. д. При длительном
нахождении элементов в условиях повышенной влажности или пыли постепенно
ухудшаются прочностные характеристики систем, в частности, нарушается их
герметичность. Окружающая среда получает доступ к активным областям, в
результате чего постепенно изменяются параметры, что, в конечном счете,
приводит к отказам и потере работоспособности.
По скорости протекания все процессы, действующие
на системы КАВ, можно поделить на быстро протекающие, средней скорости и
медленно протекающие.
Быстро протекающие процессы имеют периодичность
изменения, измеряемую обычно долями секунды. К таким процессам относятся
ведение объекта в заданное НТД состояние с помощью управляющих воздействий.
Процессы средней скорости связаны с периодом
непрерывной работы системы. К этой категории относятся, например, изменения
температуры, изнашивание наконечников и базовых поверхностей элементов системы
управления оружием и т. д. По длительности эти процессы обычно измеряются в
минутах или часах.
Медленно протекающие процессы происходят за
время работы систем КАВ в период между профилактическими осмотрами или
ремонтами. Поэтому их длительность намного больше, чем у предыдущих групп
процессов, они, как правило, длятся часами, днями, месяцами и т. д. К этим
процессам относятся, например, изнашивание основных механизмов,
перераспределение внутренних напряжений в материале, ползучесть материалов
балочных держателей, загрязнение их поверхностей, коррозия и др.
Условно дефекты в зависимости от размеров и
возможности обнаружения делят на грубые, или макроскопические, и мелкие, или
микроскопические, которые зачастую еще называют случайными. Большинство
микроскопических дефектов не поддаются обнаружению и присутствие их в объектах
неизбежно. Поэтому необходимо рассматривать КАВ самолета Ту-95МС как структуру,
находящуюся в неравновесном состоянии из-за присутствующих в нем
микроскопических дефектов. Последние, в свою очередь, случайным образом
распределены в генеральной совокупности элементов систем.
Многообразие и стохастический характер
воздействия эксплуатационных факторов на объекты ВС приводят к тому, что при
одной и той же наработке или продолжительности эксплуатации объекты имеют
различное фактическое ТС. В связи с этим наработка или календарный срок службы
не характеризуют однозначно ТС объекта в процессе эксплуатации.
Для примера рассмотрим изменение ТС КАВ самолета
Ту-95МС в процессе эксплуатации.
Для множества однотипных изделий реализации n(t)
изменения параметра n во времени образуют случайную функцию n(t).
Отказ объекта происходит в момент T
пересечения реализацией процесса n(t) предельного уровня n. Тогда вероятность
отказа Q(t) за время t будет равна вероятности того, что n(T)

(1.2.1)
А вероятность безотказной работы за время

(1.2.2)
Для плотности распределения времени безотказной
работы f(t), допустимой вероятности отказа QД ресурс до ремонта Tр определяется
из выражения

(1.2.3)
Тогда средняя наработка М до замены объекта
после отработки ресурса с учетом замены отказавших объектов

(1.2.4)
При замене после отказа всех объектов средняя
наработка (средний ресурс)

(1.2.5)
Следовательно, абсолютная величина среднего
времени недоиспользования ресурса при замене объекта после отработки ресурсов

(1.2.6)
При этом относительная величина среднего времени
недоиспользования ресурсов
(1.2.7)
Воспользовавшись известными из теории
вероятностей характеристиками случайных величин

(1.2.8)
где 
среднее квадратическое отклонение; v
= 
- коэффициент вариации; 
- квантиль вариации.
Например, для нормального
распределения времени безотказной работы при 
= 0,00135: Tср
= (0,3… 0,9) Tср , т.е. ( 0,3… 0,9
)
Диапазон изменения коэффициента
вариации для нормального распределения 
= 0,1 - 0,3, поэтому 
= 3 ( 0,1 - 0,3 ) = 0,3 - 0,9; 
Tср
= (0,3… 0,9) Tср , т.е. ( 0,3… 0,9
) недоиспользуется.
Таким образом, применение метода
замены объектов после отработки ресурса при наличии высоких требований к их
безотказности приводит к значительному недоиспользованию индивидуальных
ресурсов большинства объектов. Выявить потребность конкретных объектов в
техническом обслуживании и ремонте можно с помощью их технического
диагностировании.
.3 Взаимосвязь процессов технической эксплуатации
и управления техническим состоянием комплекса авиационного вооружения самолета
Ту-95МС
Качество функционирования КАВ самолета Ту-95МС
напрямую зависит от его ТС, случайным образом изменяющегося в фазовом
пространстве состояний. Поэтому в процессе эксплуатации объектов возникает
объективная необходимость в проведении мероприятий, заключающихся в
целенаправленной компенсации влияния рассмотренных факторов воздействий.
В этом случае говорят об управлении ТС
рассматриваемой динамической системы, понимая определение и оценку переменных
состояния и при ведение объекта в заданное НТД состояние с помощью управляющих
воздействий.
С целью максимального исключения отказов и
аварийных ситуаций в системах обеспечения высокой боевой готовности и
эффективности применения АВ инженерно-авиационная служба в процессе своей
деятельности осуществляет мероприятия, направленные на управление ТС КАВ
самолета Ту-95МС.
Организацией управления ТС систем КАВ в условиях
эксплуатации обеспечиваются их заданные надежностные свойства систем и
выполнение заданных технических требований.
Основными задачами системы управления ТС в
условиях эксплуатации является выявление качества, достигнутого в производстве,
реализация методов, исключающих или, по крайней мере, снижающих до минимума
влияние факторов воздействий, способствующих снижению качественных
характеристик элементов. Именно благодаря тщательной регламентации всех
мероприятий, включенных в систему управления ТС объектов, высокой дисциплине
всех исполнителей, вовлеченных в нее, наличию информационной обратной связи из
сферы эксплуатации, осуществляется управление ТС посредством управления
процессом эксплуатации. Эта принципиальная особенность предопределяет характер
единого рассмотрения вышеупомянутых процессов.
Рассмотренные положения могут служить основой
для определения общих особенностей процесса эксплуатации, как доминирующего
этапа жизненного цикла объекта и процесса управления ТС, как необходимой
составляющей эксплуатации.
По своим основным свойствам процессы относятся к
открытым, т. к. имеется свободный обмен информацией.
По способу построения они относится к
централизованным процессам. Элемент «использование по назначению» -
центральный, он играет роль регулятора. Процессы обладают адаптацией к
окружающей среде и способностью к оптимизации. Данное свойство отражает то
обстоятельство, что требования к системам формулируются, исходя из возможных
условий окружающей среды и реализуются на основе оптимального сочетания свойств
всех элементов.
Процессы обладают целостностью, т. к. изменение
в одном из них вызывает соответствующую реакцию в другом.
Процессы являются вероятностными, т.к.
поступление воздействий в объект нерегулярное, статистически распределенное во
времени. В этом смысле современные объекты относятся к разряду очень сложных
систем с элементами случайности, достаточно трудно поддающихся математической
формализации.
Процессы характеризуются обязательной
последовательностью выполнения и системой связей. Связи между составляющими
процессов являются связями первого порядка или функционально необходимыми
связями.
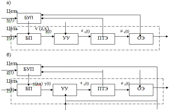
Система управления может быть реализована по
разомкнутой и замкнутой схемам (рисунок 1.3.1). Разомкнутая схема управления
реализует принцип управления по возмущению (входного параметра)
X(t),возникающему под действием внешней среды. Она применяется в тех случаях,
когда внешние возмущения могут быть измерены и установлена их связь с выходными
параметрами Y(t), характеризующими ТС объекта. К разомкнутой схеме управления
могут быть отнесены традиционные ТО и ремонт, основанные на выполнении
постоянных объемов профилактических работ через заранее запланированные
интервалы календарного времени или наработки. В качестве параметра внешних
воздействий здесь используется календарное время или наработка X(t) = t.
Взаимодействие между двумя процессами осуществляется незначительно. [2]
Замкнутая схема реализует принцип
управления по отклонению регулируемой величины (выходного параметра) Y(t),
которая сравнивается с задающим воздействием Y(t). В зависимости от
наблюдаемого отклонен 
(t) формируется соответствующее
управляющее воздействие 
у(t) на процесс технической
эксплуатации через него и регулирующее 
у(t) на объект, которое уменьшает
это отклонение. В качестве регулируемой величины могут использоваться
показателей надежности, например параметр потока отказов Y(t) = 
(t). При этом устанавливается
ощутимая взаимосвязь процессов ТЭ объекта и изменения его ТС.
Такой подход, основанный на методологии
системного анализа, позволяет в общих чертах показать основные признаки
взаимного влияния и единства процессов управления ТС и эксплуатации КАВ
самолета Ту-95МС.
Рисунок 1.3.1 - Схема управления процессом ТЭ и
ТС объекта
2. Состояние вопроса и формализованная
постановка задачи управления ТС комплексов авиационного вооружения при
применении стратегии технической эксплуатации по состоянию
.1 Анализ эксплуатационно-технических
характеристик при управлении техническим состоянием комплексов авиационного
вооружения
Контроль уровня надежности совокупности
однотипных изделий осуществляется статистическими методами. Данным видом
контроля охватывается, как правило, большинство агрегатов и узлов независимо от
применяемой к ним стратегии ТО и ремонта. Однако только для стратегии ТО с контролем
уровня надежности этот вид контроля является основным.
При данной стратегии обслуживания критерием
технического состояния совокупности однотипных изделий КАВ является уровень
надежности, выражаемый соответствующим показателем. Такой показатель должен нести
максимум информации о ТО изделий, быть удобным для проведения оперативного
сравнительного анализа, а также быть критичным к изменениям процесса
технической эксплуатации техники (изменению условий эксплуатации, уровню
восстановления функциональных систем). Наиболее полно таким требованиям в
условиях эксплуатации КАВ отвечают следующие показатели: параметр потоков
отказа w, и число отказов изделий, приходящихся на 1000ч работы K = 1000.
Требования к информации по надежности
предусматривают разработку номенклатуры исходной информации, форм ее
представления, организационных форм сбора с указанием места получения и
ответственных лиц. Существующая в настоящее время система сбора и учета
информации о надежности КАВ является еще недостаточно оперативной и не обеспечивает
необходимую полноту и достоверность информации для решения поставленных задач
при стратегии обслуживания с контролем уровня надежности. Изучение зарубежных
материалов и отечественной практики контроля уровня надежности изделий техники
позволяет определить номенклатуру исходной информации, которая должна содержать
следующие сведения: число изделий в системе, вид отказа, место проявления,
причину проявления, последствия, число отказов, выявленных за контрольный
период времени, стоимость замены изделия, а также профилактического
обслуживания и ремонта.
Для обработки исходной информации используются
известные методы математической статистики: оценка параметров распределения по
выборке (методы максимального правдоподобия, моментов, разделяющих разбиений),
проверка статистических гипотез о законе распределения наработки до отказа и
др. В ряде случаев дополнительно к информации о надежности всей совокупности
изделий используется информация о ТО их отдельных образцов с наибольшей
наработкой. Образцы изделий, имеющие наибольшую наработку, периодически
полностью разбираются и подвергаются всесторонним исследованиям ТС. Цель этих
мер заблаговременно выявить слабые места конструкции изделия и предупредить
приближение предотказного состояния.
Особое место при применении стратегии ТО с
контролем уровня надежности занимают выбор и назначение нормативного
(допустимого) уровня надёжности Rдоп, который устанавливается для каждого типа
изделия с учетом стоимостных затрат на ТО и ремонт и зависит от объема выборки.
Задача определения Rдоп решается с учетом обеспечения эффективности
использования техники по критерию минимальных затрат с = f (Rдоп).
Для начального периода внедрения стратегии ТО
изделий с контролем уровня надежности установление допустимого уровня надежности
Rдоп осуществляется на основании опыта эксплуатации изделий или их аналогов за
предыдущие 2 - 3 года эксплуатации. При этом учитывается информация о
надежности изделий, которой располагают предприятия-разработчики по результатам
проведения стендовых, ресурсных и заводских испытаний. Для отслеживания
фактических уровней надежности изделий и своевременного обнаружения сдвигов
значений показателей рекомендуется применять следующую периодичность учета:
ежемесячный контроль; поквартальный контроль, годовой учет данных.
Фактический уровень надежности изделий Rф
определяется в соответствии с выбранным показателем надежности. При
использовании таких показателей, как параметр потока отказов ω
и количество отказов, приходящихся на 1000 ч налета K = 1000, рекомендуется
следующий способ контроля уровня надежности.
В качестве исходной информации служат:
наблюдаемое число отказов изделий КАВ навигационно-прицельным комплексом
(Обзор) с бортовой радиолокационной станцией (БРЛС) при эксплуатации nф; число
однотипных изделий на технике, уровень надежности которых контролируется α.
Уровень надежности совокупности однотипных
изделий контролируют путем сравнения наблюдаемого числа отказов nф с верхней
границей регулирования (ВГР), представляющей собой допустимый уровень надежности.
Наблюдаемое число отказов в определенные интервалы времени имеет случайный
характер от нуля до ВГР. Значение ВГР определяется с использованием
распределения Пуассона. ВГР определяет с принятой вероятностью pзад верхний
предел отказов n = ВГР, который не будет превышен с заданной вероятностью pзад
при наличии одних лишь случайных причин:

(2.1)
где ωст
- запланированный параметр потока отказов, представляющий собой допустимый
уровень надежности Rдоп.
Для определения ВГР требуется знать значение
pзад вероятности того, что случайное число отказов не превысит верхней границы.
Таким образом, если число отказов (замен) изделий за контрольный период
превышает верхнюю границу, то это служит сигналом о снижении их надежности.
Кроме того, определяется тенденция изменения
показателя надежности, вычисленного для контрольного периода заданной
длительности, включающего текущий месяц. Контрольный период (месяц, квартал,
год) является скользящим и ежемесячно смещается. Для анализа полученной
последовательности используется регрессионный анализ.
На практике иногда используют относительную
величину ВГР/nож, которая представляется в виде функции BГP/n_ож =〖F(nож〗).
Она имеет ступенчатый характер ввиду дискретности решения уравнения (2.1) для
различных значений ω_ст.
Построение указанной функции является предварительной информацией и при
реализации стратегии ТО с контролем уровня надежности позволит выбирать ВГР по
nож с учетом объема выборки изделий, находящихся под наблюдением.
В данном случае контроль за уровнем надежности
осуществляется сравнением величин nож и ВГР. Выполнение неравенства
nож < ВГР служит сигналом для продолжения эксплуатации изделий с
применением стратегии ТО с контролем уровня надежности. При nож ≥
ВГР (превышение верхней границы) изделие заносится в списки с низким уровнем
надежности и применительно к нему разрабатываются мероприятия по повышению
надежности. Затем проверяется экономическая целесообразность их внедрения. При
отрицательном выводе рассматриваются недостатки объекта (конструктивные,
технологические). Если в результате проведения мероприятий надежность не
повышается, то изделие заносится в перечень наиболее часто отказываемых. Для
этого типа изделия временно назначается другая стратегия ТО и ремонта (по
наработке) и определяются режимы ТО и ремонта.
2.2 Разработка алгоритма
формирования смешанной системы управления техническим состоянием на основе
декомпозиции комплексов авиационного вооружения
Таблица 1- Показатели надежности для
декомпозиции комплекса технических средств
|
Наименование
показателя
|
Условное
обозначение
|
Определение
|
|
Показатели
надежности. Показатели безотказности
|
|
|
Вероятность
безотказной работы при выполнении задания
|
Р
б.з
|
ГОСТ
23743-88
|
|
Вероятность
безотказной работы
|
P(t)
|
ГОСТ
27.002
|
|
Средняя
наработка на отказ
|
To
|
ГОСТ
27.002
|
|
Интенсивность
отказов
|
|
ГОСТ
27.002
|
|
Вероятность
отказа определенного вида
|
|
ГОСТ
23743-88
|
|
Показатели,
характеризующие периодичность восстановления работоспособного (исправного)
состояния
|
|
|
Средняя
наработка на досрочный съем
|
Т д.с
|
ГОСТ
23743-88
|
|
Показатели
долговечности
|
|
|
Назначенный
ресурс
|
Т
р.н
|
ГОСТ
27.002
|
|
Межремонтный
ресурс
|
Т
р.м
|
ГОСТ
23743-88
|
|
Средний
срок службы
|
Т
с.ср
|
ГОСТ
27.002
|
|
Показатели
ремонтопригодности
|
|
|
Среднее
время восстановления работоспособного состояния
|
Т
в
|
ГОСТ
27.002
|
|
Вероятность
восстановления работоспособного состояния
|
Рв
|
ГОСТ
27.002
|
|
Показатели
эксплуатационной и ремонтной технологичности
|
|
|
Средняя
трудоемкость ТО
|
К
то
|
ГОСТ
18332
|
|
Средняя
продолжительность ТО
|
Тто
|
ГОСТ
18332
|
|
Удельная
суммарная стоимость ТО
|
Кс.то
|
ГОСТ
23743-88
|
|
Коэффициент
технического использования
|
Кти
|
ГОСТ
27.002
|
|
Показатели
контролепригодности
|
|
|
Полнота
контроля отказов
|
ƞо.с
|
ГОСТ
23743-88
|
|
Средняя
продолжительность контроля
|
tk
|
ГОСТ
23743-88
|
|
Среднее
время поиска отказа
|
T no
|
ГОСТ
23743-88
|
|
Приспособленности
к диагностированию
|
|
ГОСТ
26656-85
|
|
Средняя
оперативная трудоемкость диагностирования
|
S д
|
ГОСТ
26656-85
|
Эти показатели надежности
объектов необходимо оценивать с учетом:
влияния последствий отказов на
боеготовность, эксплуатационную надежность, эффективность применения (решаемые
задачи), затрат на восстановление;
характера и интенсивности
возникновения отказов;
влияния наработки на
вероятность отказа;
стоимости профилактических
работ (ПР) проводимых при ТО;
уровня контролепригодности,
ремонтопригодности и эксплуатационной технологичности;
количества элементов системы с
ограниченным ресурсом по сравнению с ресурсом всей системы;
обеспеченности резервом
(структурным или функциональным).
Показатели надежности КТС
объектов РТО обладают рядом свойств, которые могут значительно влиять на выбор
рационального ТО.
К основным свойствам
показателей надежности, определяющим выбор рационального ТО, относятся:
свойства показателей
безотказности, учитывающие функциональную значимость отказа элемента по уровню
его влияния на обеспечение выполнения задачи объектом. Уровень I - отказы
элементов, приводящие к невыполнению задачи; уровень II - отказы, влияющие на
эффективность выполнения задачи; уровень III - отказы не влияющие на
эффективность выполнения задачи.
Функциональная значимость отказа
определяется его последствиями, а оценка его влияния на выполнение задачи
производится путем сравнения значений коэффициентов сохранения эффективности 
.
Под коэффициентом сохранения
эффективности понимается отношение значения показателя эффективности
функционирования для случая.
.3 Обоснование методов прогнозирования
периодичности и объема проведения профилактических работ при управлении
техническим состоянием комплексов авиационного вооружения
.3.1 Прогнозирование периодичности и объема
проведения профилактических работ при управлении техническим состоянием
комплексов авиационного вооружения с контролем уровня надежности
Блок-схема управления процессом
технической эксплуатации совокупности однотипных изделий при применении
стратегии технического обслуживания по состоянию с контролем уровня надежности
приведена на рисунке 2.3.1.
Рисунок 2.3.1 - Блок-схема
управления процессом технической эксплуатации при ТО КАВ с контролем уровня
надежности
В данном случае объектом
управления (ОУ) является сам объект эксплуатации (ОЭ), представленный
совокупностью однотипных изделий функциональных систем самолетов, и процесс их
технической эксплуатации (ПТЭ). Информация о надежности изделий r поступает в
блок обработки информации (БИ), где происходят вычисление статистических
характеристик надежности, определение фактического уровня надежности накопление
качественной и количественной информации по отказам Z, информации о наработке
объектов Т и технико-экономической информации.
Обработанная информация
поступает в блок анализа (БА). Там происходит сравнение количественных
характеристик надежности Rф с допустимыми значениями уровня Rдоп, а также
анализ качественной информации по отказам (вид отказа, место периоды
эксплуатации Z', поступающей из блока памяти (БП). БА направляет результаты
анализа в оперативный блок (БО), где они преобразуются в команды управления,
воздействующие непосредственно на процесс ТЭ, а через него на объект
эксплуатации.
Результатом анализа информации
является заключение о том, находится ли фактический уровень надежности в поле
допуска. Если Rф 
Rдоп то оператор вырабатывает
команду на продолжение эксплуатации с контролем уровня надежности 
R 
. Если же Rф > Rдоп то в БА
происходит анализ качественной информации Z и оператор вырабатывает команду на
изменение процесса эксплуатации (
Ri > 0), а также мероприятия по
дальнейшей эксплуатации 
Z (назначение дополнительных работ
по ТО; изменение периодичности контроля надежности и условий эксплуатации;
выполнение конструкторских доработок; временный переход на стратегию
обслуживания и ремонта по наработке). Программный блок (БП) служит для
формирования допустимого уровня надежности Rдоп в зависимости от характеристик
наработки Т и экономических факторов С и, в свою очередь, формирует для блока
обработки информации необходимые требования для статистического контроля Ск по
объему выборки и периодичности контроля.
Программный блок, блок обработки
информации, блок анализа, оперативный блок должны представлять единую автоматизированную
систему обработки информации по управлению технической эксплуатацией
совокупности однотипных изделий.
При внедрении стратегии обслуживания
с контролем уровня надежности представляется возможным ограничиться отдельным
набором программ ЭВМ с привлечением инженерного анализа для качественной оценки
ТС изделий. При этом принятие решения и выдача команд должны осуществляться
ответственными должностными лицами.
.3.2 Прогнозирование периодичности и объема
проведения профилактических работ при управлении техническим состоянием
комплексов авиационного вооружения с контролем параметров
Выбор методов управления ТС
зависит от функционального назначения и принципов использования объекта,
закономерностей возникновения отказов, возможных способов получения информации
о состоянии объекта и условий организации ПР, приспособленности объекта к тому
или иному виду ТО.
Таким образом, выбор методов
управления ТС является самостоятельной задачей, решение которой возможно с
помощью методов многофакторного анализа.
Для решения многокритериальных
задач предложено множество математических методов, которые основаны на
представлении знаний в виде некоторых количественных данных, являющихся
оценками предпочтения экспертов. Методы различаются способами представления и
обработки предпочтений и часто приводят к разным результатам. Среди методов
классического подхода наибольшей универсальностью и теоретической
обоснованностью обладают методы теории полезности, методы теории нечетких
множеств и метод анализа иерархий (МАИ).
Процедура построения функции
полезности требует привлечения значительных объемов информации и является
достаточно трудоемкой. Достоинством этого подхода является возможность оценки
любого количества альтернатив с использованием полученной функции. В случае неустойчивой
исходной информации применение методов теории полезности становится
малоэффективным.
Теория нечетких множеств,
предложенная Л.Заде, позволяет представить знания о предпочтительности
альтернатив по различным критериям с помощью нечетких множеств. При этом
требуется теоретическое и экспериментальное исследование получаемых системами
результатов с целью проверки их адекватности, согласованности, надежности и т.
д.
Метод анализа иерархий,
предложенный Т. Саати, является систематизирующей процедурой для иерархического
представления факторов, учет которых позволяет определить суть проблемы выбора
решения. Этот подход дает возможность лицу, принимающему решение, преобразовать
субъективные оценки или суждения об относительной важности этих факторов в линейный
набор весовых коэффициентов, которые могут использоваться для ранжирования
альтернатив. Благодаря простоте метод хорошо подходит для решения задач
многокритериального выбора, но применимость метода ограничена требуемым полным
объемом исходной информации. Достоинством метода является то, что отношения
предпочтения позволяют сравнивать разнородные конструктивно-эксплуатационные и
технологические показатели объекта между собой. Но так как данные показатели
обладают, в свою очередь, качественными и количественными свойствами, которые
могут значительно влиять на выбор метода управления ТС, то для их учета
необходимо рассматривать до нескольких десятков ситуаций. Таким образом,
применение метода анализа иерархий затруднительно для решения практической задачи
по организации ТО КАВ и достижение высоких эксплуатационных и
технико-экономических характеристик на основе комплексного сочетания базовых
методов управления ТС.
Решение практической задачи по
разработке комплексной методики ТО КАВ зависит от многих факторов и невозможно
без глубокого изучения и анализа процесса эксплуатацииТу-95МС. Переход к
применению методов управления ТС по состоянию предполагает коренное изменение
традиционных планово-предупредительных методов, обоснование и реализацию
организационно-технических мероприятий, направленных на повышение готовности к
эффективному применению КАВ.
Поскольку, заложенные в
конструкцию свойства обладают двумя составляющими - количественной и
качественной (в общем случае связанными между собой), то и требования,
обеспечивающие применение методов управления ТС по состоянию, должны задаваться
к этим двум составляющим. Количественная и качественная составляющие могут быть
охарактеризованы через ряд обобщенных характеристик, основными из которых
являются вероятность безотказной работы и затраты на проведение ТО.
Эффективностью системы ТО КАВ в
соответствии с ГОСТ 24212-80 является свойство системы ТО выполнять функции по
поддержанию и восстановлению исправности или работоспособности изделия с
определенными затратами труда и материальных средств.
Постановка задачи по разработке
формируется следующим образом. Необходимо разработать алгоритм формирования
смешанной системы управления ТС на основе декомпозиции КАВ, состоящего из S =
{si,
} элементов,
в наибольшей степени удовлетворяющий множеству эксплуатационно-технических
показателей объекта
Г = {γ1,
γ2,…,γη}, (2.4.1)
где Г - множество значений
эксплуатационно-технических показателей объекта;
η
- число показателей.
На уровне элемента КАВ - это
означает, что необходимо определить последовательность
проведения
профилактических работ (ПР), т. е.
, (2.4.2)
где
- периодичность проведения ПР;-
общее число проверок (контроля), зависящее от конкретного выбранного метода
управления ТС и ресурса Т элемента.
Комплексное ТО для элементов КСА ВСУ
включает все базовые методы управления ТС, и является комбинацией всех m
проверок.
В общем случае для КСА ВСУ из S
элементов
Е = ε(1)
x
ε(2)
x …x
ε(s), (2.4.3)
где Е - комбинация
последовательностей ПР, проводимых при применении комплексной системы ТО.
Оптимальная комбинация
последовательности Е* проведения ПР и соответствующая этой последовательности
комплексная система ТО, в наибольшей степени удовлетворяющий множеству
характеристик объекта Г связаны соотношением
Е* = ς
-1(Г), (2.4.4)
где ς
- вектор-функция, отображающая комплексное ТО во множестве значений
конструктивных и эксплуатационно-технических характеристик.
Для практического решения
задачи выбора оптимальной последовательности проведения ПР предлагается ввести
гипотезу о независимости эффективности методов управления ТС (по ресурсу, с
контролем уровня надежности, с контролем параметров).
В этом случае задачу можно
разделить на следующие этапы:
выбор оптимального метода
управления ТС для каждого si-го элемента;
определение критериев
оптимальности для каждого метода управления ТС;
- определение последовательности
проведения ПР для каждого si-го элемента
в соответствии с выбранным методом
управления ТС;
разработка алгоритма прогнозирования
периодичности и объема проведения ПР для методов управления ТС по состоянию;
разработка алгоритма комплексного ТО
КАВ.
Для построения зависимости
конструктивных и технико-экономических характеристик от метода управления ТС,
предлагается использовать экспертные процедуры, основанные на знании
характеристик надежности элементов и трудоемкости их ТО, а для выбора метода
управления ТС, использовать многокритериальный подход.
3. Разработка алгоритма технического
обслуживания комплексов авиационного вооружения при применении стратегии
технической эксплуатации по состоянию
.1 Разработка модуля алгоритма прогнозирования
периодичности и объема проведения профилактических работ при управлении
техническим состоянием комплексов авиационного вооружения с контролем
параметров
В условиях применения стратегии
ТО с контролем параметров, при которой изделия заменяются после возникновения
безопасного отказа, особую актуальность приобретает задача оперативной оценки
надежности серийных изделий в эксплуатации. Потребность в решении этой задачи
возникает вследствие необходимости управления качеством изготовления и ремонта
изделий, определения эффективности проведенных мероприятий по повышению
надежности изделий, а также уточнения режимов профилактических работ в
эксплуатации. В отличие от известных методов оценки надежности данная задача
должна решаться в условиях переменности парка изделий.
Принятие предположения о том, что в
случае отказа или достижения предотказового состояния изделие подлежит замене
на новое или отремонтирование, позволяет использовать формальные модели теории
надежности для так называемых неремонтируемых изделий. Наиболее простыми
показателями надежности являются средняя наработка до первого отказа 
и средняя наработка до первой
замены 
. Однако в общем случае определение
этих показателей на ранней стадии эксплуатации оказывается невозможным. В связи
с этим возникает необходимость в применении других показателей надежности,
таких, как вероятность безотказной работы 
, интенсивность отказов 
, вероятность замены 
, интенсивность замен 
и гамма-процентный ресурс 
. Эти показатели могут быть заданы
дискретно в функции от наработки или номеров проверок с фиксированной
периодичностью.
Задача оперативной оценки надежности
серийных партий изделий, заменяемых по ТС, может быть сформулирована следующим
образом. Пусть новые (ремонтные) изделия выпускаются заводом-изготовителем
(ремонтным заводом) серийными партиями. Под серийной партией изделий будем
понимать группу изделий в числе 
штук, выпускаемых заводом за
определенный календарный интервал времени 
(
= 1, 3, 6, 12 мес.). По мере
изготовления изделия отгружаются на склады потребителей, где каждое 
-e изделие хранится случайное время 
до момента установки на объект, где
они эксплуатируются с разной интенсивностью наработки в единицу календарного
времени. Эксплуатация изделия продолжается в течение случайного интервала
календарного времени 
до случайной наработки 
(замены вследствие отказа или
профилактической замены).
Работоспособность разработанного
алгоритма была проверена при контроле навигационно-прицельным комплексом
«Обзор» с бортовой радиолокационной станцией. С этой целью определялась периодичность
проведения четырех проверок шести элементов sj входящих в состав
навигационно-прицельный комплекс в ходе проведения ПР, при следующих начальных
данных:
интенсивность отказов элементов
= {2*10-7,
8*10-7, 1*10-7, 0,4*10-7, 0,8*10-7, 3*10-7};
время эксплуатации элементов,
входящих в состав объекта 8640 ч;
затраты на проведение ПР R0 = 15 ч.
Определялось Ai и ai. Например: A3=
S3 \ S2 = {1,2,3,4,5} \ {1,2,3} = {4,5}. Значения количества элементов - Si,
затрат на проведение ПР - ri (
), множество элементов системы - Аi,
которые не проверялись к моменту
и интенсивности отказов ai,
представлены в таблице 3.1.
Таблица 3.1.1 - Значения количества элементов,
затрат на проведение ПР, множество элементов системы и интенсивности отказов
|
i
|
1
|
2
|
3
|
4
|
|
Si
|
1,2
|
1,2,3
|
1,2,3,4,5
|
1,2,...,6
|
|
ri
|
2
|
3
|
4,5
|
6
|
|
Ai
|
1,2
|
3
|
4
|
|
|
ai10-3 1/ч
|
8,64
|
0,864
|
1,037
|
2,592
|
Далее из (3.2.8) находилось
и
(х1 = a = 1, 2, ...). Значения
суммарной интенсивности отказов
, затрат
, и
переменных
записывались
в верхнюю строку таблицы 3.2. Для каждого возможного x2 и 1,a вычислялось L2,b, F2,b, X2,b = {x1,x2},
(таблица
3.2). Например, при х2 = 2 и 1,a
= 1,3:,11 = (f 1,3 =
2,88*10-2) (x2=2)+ (a2= 0,864*10-2) + (a2 = 0,864*10-2) / (x2 =2) = =
1,872*10-2;
F2,11=
(R1,3 = 4)*(x2 = 2)+ ((x2 = 2) - 1)*(r2 = 3) = 11.
Обращаясь к выражениям (30) и (31),
выделялась последовательность {f2(R2)},
члены которой отмечены номерами a
в правом верхнем углу соответствующих клеток таблицы 3.2.
Например, пусть выделены первые
четыре члена {f2(R2)}. Для
определения члена a = 5
предварительно определялось подмножество С2,5 . Для этого, применив (31), в
таблице 3.2 отыскиваются члены {L2(F2)}
с номерами
, отвечающие
условию L2,b <f2,4 = L2,3 = 3,744*10-2 и выделяются
среди них подмножество С2,5 = {4,13} членов обладающих минимальным F2,b = R2,b = 6,
.
Таблица 3.1.2 - Значения элементов
|
x1 = a
f1,a = 10-3 R1,a
|
1
8,64 0
|
2
4,32 2
|
3
2,88 4
|
4
2,16 6
|
5
1,728 8
|
6
1,44 10
|
7
1,234 12
|
8
1,08 14
|
|
b
x1,x2 L2,b 10-3 F2,b
|
|1
1,1 9,504 0
|
2
|2 2,1 5,184 2
|
3
|4 3,1 3,744 4
|
|5
4,1 3,024 6
|
5
5,1 2,592 8
|
6
6,1 2,304 10
|
7
7,1 2,098 12
|
8
8,1 1,944 14
|
|
|3
1,2 4,752 3
|
|6
2,2 2,592 7
|
|8
3,2 1,872 11
|
12
|10 4,2 1,512 15
|
|
|
|
|
|
13
1,3 3,168 6
|
14|9
2,3 1,728 12
|
|
|
|
|
|
|
|
15|7
1,4 2,376 9
|
|
|
|
|
|
|
|
|
16
1,5 1,901 12
|
|
|
|
|
|
|
|
|
17
1,6 1,584 15
|
|
|
|
|
|
|
|
Таким образом, пятым членом {f2(R2)}
является член {L2,b} с номером b
= 4.
На следующих i = 3,4 шагах
поиска проводятся аналогичные вычисления, результаты которых приведены в
таблице 3.3.
Таблица 3.1.3 -
Результаты вычислений
|
a
|
1
|
2
|
3
|
4
|
5
|
6
|
7
|
8
|
9
|
10
|
|
1
|
2
|
3
|
4
|
5
|
6
|
7
|
8
|
9
|
10
|
11
|
|
х1,х2
f2,a
*10-2 R2,a
|
1,1
9,504 0
|
2,1
5,184 2
|
1,2
4,752 3
|
3,1
3,744 4
|
4,1
3,024 6
|
2,2
2,592 7
|
3,2
1,872 11
|
2,3
1,728 12
|
4,2
1,512 15
|
|
х1,х2,х3
f3,a
*10-2 R3,a
|
1,1,1
10,541 0
|
2,1
6,221 2
|
1,2,1
5,789 3
|
3,1,1
4,781 4
|
4,1,1
4,061 6
|
2,2,1
3,629 7
|
2,1,2
3,110 8
|
1,2,2
2,894 10
|
3,1,2
2,390 12
|
2,1,3
2,074 14
|
|
x1,х2,х3,х4
F4,a
*10-2 R4,a
|
1,1,1,1
13,13 0
|
2,1,1,1
8,813 2
|
1,2,1,1
8,381 3
|
3,1,1,1
7,373 4
|
1,1,1,2
6,566 6
|
2,2,1,1
6,221 7
|
2,1,2,1
5,702 8
|
2,1,1,2
4,406 10
|
1,2,1,2
4,190 12
|
3,1,1,2
3,686 14
|
Из таблицы 3.3 -ln P* = f4,10 = 3,686, Х* = {3,1,1,2}
и
. Это
означает, что элементы 1,2 необходимо проверять с периодичностью 1440ч, а
элементы 1 - 6 с периодичностью 4320ч. При этом вероятность безотказной работы
Р* = 0,964.
Для реализации алгоритма в работе
разработан программный продукт в среде программирования Delphi, на который
получено свидетельство об официальной регистрации программы.
Данный алгоритм позволяет определить
оптимальные периоды технического обслуживания КАВ при эксплуатации по
техническому состоянию с контролем уровня надежности.
.2 Разработка модуля алгоритма прогнозирования
периодичности и объема проведения профилактических работ при управлением
техническим состоянием комплексов авиационного вооружения с контролем уровня
надежности
Для успешного решения задачи
определения рациональной периодичности проведения ТО с использованием методов
статистического прогнозирования, далее в работе предлагается алгоритм
прогнозирования КАВ с контролем уровня надежности.
В отличие от известных
постановок задачи , при использовании метода ТОН учитывалось требование ФАП
ИАО, заключающееся в том, что объем работ очередного ТО, включает в себя все
виды ТО предшествующих номеров, а к периодичности ТО предъявляется требование
кратности.
В качестве критерия
эффективности проведения ТО с контролем уровня надежности рассматривается
максимальная вероятность безотказной работы системы на заданном отрезке времени
при ограничениях на суммарные затраты, связанные с проведением профилактических
работ.
При этом предполагается, что
отказ любого изделия приводит к отказу системы в целом.
Таким образом, максимальная
вероятность безотказной работы выступает в качестве гарантированного уровня
надежности. Для большинства сложных объектов, содержащих большое количество
различных элементов используется экспоненциальный закон распределения
вероятности безотказной работы.
Предполагая, что отказ любого
элемента приводит к отказу системы, математическую постановку задачи
сформулируем следующим образом.
Пусть функциональная система состоит
из m элементов. Элемент
обладает
интенсивностью отказов
.
При ТО с контролем уровня надежности
вида i (i
{1,2,…,n})
контролю подвергается множество элементов Si (Si
Si+1, Sn , n = {1,2,…,m}) c
соответствующими затратами ri. Задано время эксплуатации Т.
Требуется определить оптимальный
набор периодов ТО элементов E* {
, i = 1,…,n}
E, при
котором суммарные затраты R(E) не превышают допустимой величины R0, и
выполняются условия:
, (3.2.1)
где t
[0,T],
- вероятность
безотказной работы системы.
С учетом повторяемости процесса
изменения
с периодом
определялось
Р(Е) как вероятность безотказной работы системы в момент времени,
предшествующей очередной проверки вида n
, (3.2.2)
где Аi =Si / Si-1 - множество
элементов системы, которые не проверялись к моменту
(
).
Суммарные затраты R(E) с учетом, что
ТО вида i на интервале [0,
] проводится
раз,
определялись как
, (3.2.3)
где
= T.
Задача выбора оптимального набора
периодов ТО сводится к отысканию набора Е* = {
, i = 1,2,…,n}, интервалов времени
между проверками
, при
котором
. (3.2.4)
Задача (3.1) решалась методом
динамического программирования. Для этого вводились переменные
и
выражалось
через xi:
.
Тогда
;
; (3.2.5)
.
Требуется найти набор Х* =
(хi*,i = 1,2,…,n), соответствующий оптимальной периодичности проверок, при
котором выполняется условие (3.2.4).
С помощью рекуррентного
уравнения, полученного путем применения принципа оптимальности Беллмана, на
каждом этапе вычислений определялась функция fi(Ri) - min
суммарной интенсивности отказов при проведении проверок, решение о проведении
которых были приняты на этапах 1,2,…, i -1 при заданном состоянии затрат Ri:
. (3.2.6)
Вычисляя последовательно fi(Ri)
(i = 1,2,…,n), на шаге n определяется fn(R0) = -ln P*
(X*).Для решения (3.2.6) на каждом шаге i предварительно перебором находится
множество значений вспомогательной функции:
(3.2.7)
.
Тогда
определим в виде мажорирующей
последовательности, потребовав для каждого члена
выполнения условия:
; (3.2.8)
. (3.2.9)
Первое, что необходимо сделать при построении
модели после определения цели моделирования, - это выделить существенные с
точки зрения цели моделирования признаки моделируемого объекта.
От того, насколько правильно и полно выделены
существенные признаки, зависит соответствие построенной модели заданной цели,
то есть её адекватность цели моделирования. А вот адекватность модели объекту
моделирования будет зависеть от того, как эти выделенные существенные признаки
мы сможем выразить, в какой форме мы их отобразим. Понятие адекватности - одно
из ключевых понятий моделирования.
В случае сложных объектов удовлетворить всем
требованиям в одной модели обычно невозможно. Приходится создавать целый спектр
моделей одного и того же объекта, каждая из которых наиболее эффективно решает
возложенные на нее задачи. Например, в конструкторской и технологической
практике, как правило, применяется широкий спектр моделей от простых расчетных
формул на первоначальной стадии до весьма сложных моделей на завершающей стадии
разработки конструкции или техпроцесса.
Математические модели, особенно использующие
численные методы, требуют для своего построения значительных интеллектуальных,
финансовых и временных затрат.
Этап обследования объекта моделирования включает
следующие работы:
выявление основных факторов, механизмов,
влияющих на поведение объекта моделирования, определение параметров,
позволяющих описывать моделируемый объект;
сбор и проверка имеющихся экспериментальных
данных об объектах-аналогах, проведение при необходимости дополнительных
экспериментов;
аналитический обзор литературных источников,
анализ и сравнение между собой построенных ранее моделей данного объекта (или
подобных рассматриваемому объекту);
анализ и обобщение всего накопленного материала,
разработка общего плана создания математической модели.
Концептуальная постановка задачи моделирования -
это сформулированный в терминах конкретных дисциплин (физики, химии, биологии и
т.д.) перечень основных вопросов, интересующих заказчика, а также совокупность
гипотез относительно свойств и поведения объекта моделирования.
Концептуальная постановка позволяет
сформулировать математическую постановку задачи моделирования, т.е.
совокупность математических соотношений, описывающих поведение и свойства
объекта моделирования.
Как было отмечено ранее, совокупность
математических соотношений определяет вид оператора модели. Наиболее простым
будет оператор модели в случае, если он представлен системой алгебраических
уравнений.
Для контроля правильности полученной системы
математических соотношений требуется проведение ряда обязательных проверок:
контроль размерностей, включающий правило,
согласно которому приравниваться и складываться могут только величины
одинаковой размерности;
контроль порядков, состоящий из грубой оценки
сравнительных порядков складываемых величин и исключением малозначимых
параметров;
контроль характера зависимостей заключается в
проверке того, что направление и скорость изменения выходных параметров модели,
вытекающие из математических соотношений, такие, как это следует
непосредственно из «физического» смысла изучаемой модели;
контроль экстремальных ситуаций - проверка того,
какой вид принимают математические соотношения, а также результаты
моделирования, если параметры модели или их комбинации приближаются к предельно
допустимым значениям, чаще всего к нулю или бесконечности. В подобных
экстремальных ситуациях модель часто упрощается, математические соотношения
приобретают более наглядный смысл, упрощается их проверка;
контроль граничных условий, включающий проверку
того, что граничные условия действительно наложены, что они использованы в
процессе построения искомого решения и что значения выходных параметров модели
на самом деле удовлетворяют данным условиям;
контроль физического смысла - проверка
физического или иного смысла исходных и промежуточных соотношений;
контроль математической замкнутости, состоящий в
проверке того, что выписанная система математических соотношений дает
возможность, притом однозначно, решить поставленную математическую задачу.
Например, если задача свелась к отысканию n неизвестных из некоторой системы
алгебраических уравнений, то контроль замкнутости состоит в проверке того, что
число независимых уравнений должно быть n. Если их меньше n, то надо установить
недостающие уравнения, а если их больше n, то либо уравнения зависимы, либо при
их составлении допущена ошибка. Однако если уравнения получаются из
эксперимента или в результате наблюдений, то возможна постановка задачи, при
которой число уравнений превышает n, но сами уравнения удовлетворяются лишь
приближенно, а решение ищется, например, по методу наименьших квадратов.
Понятие корректности задачи имеет большое значение
в прикладной математике. Например, численные методы решения оправдано применять
лишь к корректно поставленным задачам. Доказательство корректности конкретной
математической задачи достаточно сложная проблема.
Математическая модель является корректной, если
для нее осуществлен и получен положительный результат всех контрольных проверок
размерности, порядков, характера зависимостей, экстремальных ситуаций,
граничных условий, физического смысла и математической замкнутости.
При использовании разработанных математических
моделей, как правило, требуется найти зависимость некоторых неизвестных заранее
параметров объекта моделирования (например, координат и скорости центра масс
тела), удовлетворяющих определенной системе уравнений. Таким образом, поиск
решения задачи сводится к отысканию некоторых зависимостей искомых величин от
исходных параметров модели. Как было отмечено ранее, все методы решения задач,
составляющих «ядро» математических моделей, можно подразделить на аналитические
и алгоритмические.
Аналитические методы более удобны для
последующего анализа результатов, но применимы лишь для относительно простых
моделей. В случае, если математическая задача допускает аналитическое решение,
оно, без сомнения, предпочтительнее численного.
Алгоритмические методы сводятся к некоторому
алгоритму, реализующему вычислительный эксперимент с использованием ЭВМ.
Точность моделирования в подобном эксперименте существенно зависит от
выбранного метода и его параметров (например, шага интегрирования).
Алгоритмические методы, как правило, более трудоемки в реализации, требуют
обширной библиотеки специального программного обеспечения и мощной
вычислительной техники.
Процесс создания программного обеспечения можно
разбить на ряд этапов:
составление технического задания на разработку
программного обеспечения;
проектирование структуры программного комплекса;
кодирование алгоритма;
тестирование и отладка;
сопровождение и эксплуатация.
Под адекватностью математической модели
понимается степень соответствия результатов моделирования - экспериментальным
данным или тестовой задаче.
Проверка адекватности модели преследует две
цели:
убедиться в справедливости гипотез, принятых на
этапах концептуальной и математической постановок;
установить, что точность полученных результатов соответствует
точности, оговоренной в техническом задании.
Проверка разработанной математической модели
выполняется путем сравнения с имеющимися экспериментальными данными о реальном
объекте или с результатами других, созданных ранее и хорошо себя зарекомендовавших
моделей. В первом случае говорят о проверке путем сравнения с экспериментом, во
втором о сравнении с результатами решения тестовой задачи.
Решение вопроса о точности моделирования зависит
от требований, предъявляемых к модели, и ее назначения. В моделях,
предназначенных для выполнения оценочных расчетов, удовлетворительной считается
точность 10-15 %. В моделях, используемых в управляющих системах, требуемая
точность может быть 1-2% и даже более.
Неадекватность результатов моделирования
возможна, по крайней мере, по трем причинам:
значения задаваемых параметров модели не
соответствуют допустимой области этих параметров, определяемой принятой
системой гипотез;
принятая система гипотез верна, но константы и
параметры в использованных определяющих соотношениях установлены не точно;
неверна исходная совокупность гипотез.
Все три случая требуют дополнительного
исследования как моделируемого объекта (с целью накопления новой дополнительной
информации о его поведении), так и исследования самой модели (с целью уточнения
границ ее применимости).
При возникновении проблем, связанных с
адекватностью модели, ее корректировку требуется начинать с последовательного
анализа всех возможных причин, приведших к расхождению результатов
моделирования и результатов эксперимента. Проверка адекватности - чрезвычайно
важный этап моделирования. Попытка проигнорировать его и быстрее перейти к
решению «настоящей задачи» приводит к огромным временным издержкам. Особенно
опасной является ситуация, в которой при решении реальной задачи с
использованием не проверенной должным образом модели получаются правдоподобные
результаты. Для других условий модель может дать качественно неверные
результаты, но истоки ошибок разработчики будут искать уже не в модели.
Всесторонний анализ результатов моделирования
позволяет:
выполнить модификацию рассматриваемого объекта,
найти его оптимальные характеристики или, по крайней мере, лучшим образом
учесть его поведение и свойства;
обозначить область применения модели, что
особенно важно в случае использования моделей для систем автоматического
управления;
проверить обоснованность гипотез, принятых на
этапе математической постановки, оценить возможность упрощения модели с целью
повышения ее эффективности при сохранении требуемой точности;
показать, в каком направлении следует развивать
модель в дальнейшем.
Достоверность и обоснованность основных
результатов и выводов, полученных в работе, подтверждается корректностью
допущений и ограничений при использовании математического аппарата математической
статистики, теории надежности, методов многокритериального анализа, а также
учетом представительного количества факторов влияющих на готовность КАВ к
эффективному применению и подтверждаются сходимостью результатов
математического моделирования и результатов натурных экспериментов.
4. Оценка эффективности разработанного алгоритма
технического обслуживания комплексов авиационного вооружения при применении
стратегий технической эксплуатации по состоянию
Возникновение проблемы функционирования КАВ, обусловлено
необходимостью выполнения мероприятий технического обслуживания и ремонта в
определенные временные сроки с достаточным качеством с одной стороны и
невозможностью реализации данных мероприятий в соответствии с предъявляемыми
требованиями с другой стороны. Целью деятельности в интересах решения проблемы
является создание и применение некоторой системы ТО, позволяющей сократить
временные затраты на выполнение мероприятий обеспечивающих боеготовность КАВ.
Современные технические средства и технологии представляют возможность
построения такой системы для решения широкого круга задач ТО.
Вариантом системы ТО, служащей активным
средством достижения цели, является автоматизированная система ТО.
Для обоснования целесообразности внедрения
предложенного варианта системы ТО проведем военно-экономический анализ и оценку
эффективности её функционирования.
В предложенном варианте системы ТО КАВ
составляют автоматизированные средства контроля и диагностирования (АСК).
Экономические показатели внедрения АСК в эксплуатацию являются решающим
фактором, определяющим достоинства созданного средства контроля и
диагностирования.
Экономическая целесообразность внедрения АСК в
эксплуатацию с позиций системного анализа определяется следующим соотношением:
САСК < СКПА
+ Стр + Сг (4.1)
где: - САСК - стоимость АСК;
СКПА - стоимость комплекта
контрольно-проверочной аппаратуры (КПА), заменяемой АСК;
Стр - стоимость сэкономленного технического
ресурса за счет применения АСК;
Сг - стоимость сэкономленных сил и средств за
счет повышения коэффициента готовности КАВ.
Располагая заданными характеристиками АСК и
опытом эксплуатации КАВ, можно установить, что в период жизни КПА или АСК,
общая стоимость сэкономленного ресурса КАВ из-за сокращенного времени контроля
составляет n-кратную стоимость комплекта контрольно-измерительной аппаратуры:
Стр + Сг = nCКПА (4.2)
Подставив это соотношение в выражение (4.1),
получим
САСК < (n + 1) СКПА
(4.3)
Стоимость комплекта КПА для конкретного образца
КАВ нетрудно выразить в относительных единицах стоимости КАВ:
СКПА / СКАКАВ = h
(4.4)
Тогда стоимость АСК определиться из выражения
(4.3) :
САСК < (n + 1) h
СКАКАВ (4.5)
Это соотношение позволяет оценить, какую часть
общих расходов, ассигнованных для создания и эксплуатации КАВ, целесообразно
выделить на разработку и изготовление АСК.
Для оценки эффективности АСТЭ воспользуемся
двумя показателями. Первый и основной из них, называемый
оперативно-тактическим, должен отражать относительный выигрыш (не в стоимостном
выражении), полученный в результате применения АСТЭ. Второй же - экономический
- носит подчиненный характер и фиксирует те затраты, ценой которых достигается
указанный выигрыш.
Полезный эффект, получаемый от применения АСТЭ,
можно оценить, если учесть, что она является элементом системы управления
качеством объекта связи. Последнее, очевидно следует характеризовать некоторым
показателем эффективности Еоб(t). С этой точки зрения мерой полезности АСТЭ
должно служить достигаемое с её помощью повышение эффективности. Показатель
эффективности АСТЭ можно представить в виде:
EАСТЭ(t) = (Еоб АСТЭ(t)
- Еоб(t)) / (E*обАСТЭ(t) - Eоб(t)); (4.6)
где: - ЕобАСТЭ , Eоб(t) - показатели
эффективности КАВ в системе обслуживания при использовании реальной
(оцениваемой) АСТЭ и без неё;
Е*обАСТЭ(t) - показатель эффективности КАВ в той
же системе обслуживания при использовании идеальной АСТЭ.
Таким образом как следует из выражения (4.6),
эффективность АСТЭ определяется как относительное приращение эффективности
объекта связи, достигаемое в результате её применения. В сочетании со значением
удельных средних затрат на достижение этого приращения показатель (4.6)
обеспечивает наиболее полную и обобщенную характеристику АСТЭ, что дает
основание назвать его общим.
Полнота оценки, достигаемая с помощью такого
критерия, является его преимуществом, однако он имеет и очевидные недостатки,
связанные со сложностью количественных оценок. Указанные обстоятельства
зачастую приводят к необходимости переходить к критериям менее общего
характера.
Эксперименты и практическое применение АСТЭ
показывают, что его использование позволяет обеспечить коэффициент
автоматизации процесса технического обслуживания равный 25 - 27% и выполнить 3
- 5 - ти кратное сокращение трудозатрат на измерение параметров [Буравлев].
Исходя из этого трудозатраты на проведение ТО для КАВ будут существенно
снижены. В результате этого существенно возрастает коэффициент выполнения работ
(мероприятий) технического обслуживания.
Для наглядности представим полученные результаты
в виде диаграмм. На диаграммах по оси абсцисс показаны результаты проведения ТО
на восьми самолетах, а по оси ординат указаны значения коэффициентов выполнения
работ (Рисунок 4.1, рисунок 4.2).
Рисунок 4.1 - Диаграмма коэффициентов выполнения
работ ТО
Из представленных диаграмм наглядно видно, что
использование АСТЭ при выполнении мероприятий технического обслуживания, в
частности при измерении электрических параметров КАВ, существенно влияет на
полноту и качество выполнения ТО. На всех образцах КАВ коэффициент выполнения
работ превышает 1. Наибольших эффект при использовании АСТЭ достигается при
проведении регламентных работ. Это связано с тем, что при проведении рр
значительная часть времени отводится измерениям электрических параметров КАВ.
Рисунок 4.2 - Диаграмма коэффициентов выполнения
работ ТО
Определить требуемые значения параметров, при
достижении которых можно говорить о выполнении АСТЭ цели своего
функционирования, можно на качественном уровне, исходя из общего распределения
временных затрат в управленческой деятельности должностных лиц, показывающего,
что на решение задач, связанных с обработкой информации и разработкой
документов, он может затрачивать не более 30 - 40% своего служебного времени.
Таким образом, можно считать, что АСТЭ достигает цели своего функционирования,
если при ее применении затраты времени на сбор и обработку информации,
проведение расчетов и документальное оформление результатов сократится с
порядка 90% от общего трудоресурса (при применении существующих способов) до 30
- 40%, т.е. в 2,2 - 3 раза. Необходимо отметить, что для точной количественной
оценки значений параметров достоверности результатов, степени актуальности и
полноты использования информации, а также степени приспособленности системы к
изменению условий функционирования при выполнении типовой операции с
использованием АСТЭ требуется проведение отдельных исследований, по этому в
рамках дипломной работы принято допущение, что АСТЭ по значениям этих параметров
достигает цели функционирования, если обеспечивать эти значения не хуже, чем
при выполнении типовой операции существующими способами.
Определение количественных значений параметров
при выполнении операций существующими средствами (с целью последующего сравнения
со значениями аналогичных параметров при выполнении операций с использованием
АСТЭ) достаточно сложная проблема, требующая детального исследования
управленческой деятельности должностного лица (ДЛ). Такое исследование
необходимо проводить на основе анализа деятельности некоторого круга
должностных лиц, реально выполняющих должностные обязанности. Так как
деятельность любого человека носит субъективный характер, определить ее
закономерности возможно лишь при условии исследования достаточно большого числа
субъектов, и только в этом случае полученные количественные значения параметров
могут быть основой для обобщения. Поэтому количественные значения требуемых
параметров получены на основе обобщения результатов проведения, во время
прохождения войсковой стажировки, эксперимента, суть которого заключалась в
следующем: 5 офицеров авиационного отряда, на основе необходимых исходных
данных применительно к АСТЭ решали задачи по разработке документа и подготовке
справки по наличию техники АВ. В результате анализа полученных результатов были
определены средние значения необходимых для оценки эффективности параметров, за
исключением степени актуальности используемой информации, так как все участники
эксперимента в этом отношении находились в равных условиях. Количественное
значение этого параметра было получено путем проведения экспертного опроса этой
же группы участников эксперимента.
Определение количественных значений параметров
при использованием АСТЭ осуществлялось на основе реально функционирующего
фрагмента АСТЭ, в базе данных которой находилось такое же количество исходных
данных. В качестве типовых операций решались аналогичные задачи получения
информации в виде справки (отчета) по наличию техники связи. Эффективность
применения АСТЭ оценивалась путем сравнения полученных количественных значений
параметров при решении задач с использованием АСТЭ и без ее использования.
Технической основой фрагмента АСТЭ являлась ПЭВМ с процессором 80386 SX с
тактовой частотой 40 Мгц и 4 мегабайтами оперативной памяти.
Количественные значения актуальности (степени
актуальности) используемой при решении задачи информации были определены по
результатам экспертного опроса участвовавшей в проведении эксперимента группы
курсантов.
|
Наименование
операции
|
Время
выпол. операции (час).
|
Актуальн.
используемых данных
|
Полнота
исп. инф.,%
|
Вероят.
ошибки Рош
|
Время
выпол. операции (час).
|
Актуальн.
использу- емых данных
|
Полнота
исп. инф.,%
|
Вероят.
ошибки Рош
|
|
без
использования АСТЭ
|
с
использованием АСТЭ
|
|
Получение
справочного материала в виде отчета
|
1...2
|
до
90%
|
до
90%
|
до
0,15
|
0,15
|
100%
|
100%
|
»10-12
|
Анализ полученных результатов показывает, что
выигрыш составляет:
по времени выполнения операции (решения задачи):
от 5 до 10 раз;
по степени актуальности используемой информации:
»
5-10 %;
по полноте используемой информации: »
10 %;
по достоверности результатов (вероятности
ошибки): » 15 %.
Соотношение количественных значений параметров
при выполнении типовых операций существующим способом и с использованием АСТЭ
наглядно отражено на диаграмме (Рисунок 4.3).
Рисунок 4.3 - Диаграмма значений эксперимента
Изменение условий выполнения операции при
существующем способе решения задач влечет за собой повторение операции, при
этом, как правило, ухудшаются численные значения параметров достоверности
получаемого результата и полноты использования информации. Изменение условий
выполнения операции при использовании АСТЭ не влечет за собой ухудшения
численных значений этих параметров.
Таким образом, оценка эффективности АСТЭ
показывает, что система отвечает предъявляемым требования и при использовании в
качестве активного средства позволяет решить проблему, имеющую место в
деятельности ДЛ.
Выводы
Любая система эксплуатации эффективно
функционирует при условии, что имеется достаточная информация для принятия
решения о проведении работ по восстановлению техники. Система эксплуатации по
состоянию не только не составляет исключения из этого правила, а, напротив,
предъявляет особые требования к такой информации, к способам ее обобщения и
анализа. Это обусловлено тем, что в системе эксплуатации по состоянию решение
принимается на основе как определенных априорных данных об изменении
технического состояния КАВ, как и результатов его оценки непосредственно перед
принятием решения. Отсюда следует, что точность оценок технического состояния
(как априорных, так и апостериорных) будет оказывать существенное воздействие
на качество принимаемых решений и, в конечном итоге, на эффективность
функционирования такой системы эксплуатации.
Из формулировок задач линейного программирования
следует, что исходными данными для их решения являются: затраты на проведение
предупредительных и ремонтных работ; зависимости них затрат от достоверности
контроля; требования к КАВ по безотказности; условия, определяющие возможность
принятия допустимых решений; статистические характеристики параметров,
задаваемые матрицей вероятностей переходов (МВП).
Информация о затратах на восстановительные
работы может быть получена либо на основе данных из карточек учета неисправностей,
либо путем проведения хронометражей при опытной или текущей эксплуатации.
Требования к КАВ о безотказности диктуемся условиями применения и,
следовательно, должны задаваться в зависимости от решаемых задач. Ограничения,
определяющие возможность принятия тех или иных допустимых решений, могут быть
найдены при анализе качества восстановления КАВ, связанного с показателями
условий проведения работ, подготовленности инженерно-технического состава,
метрологическими характеристиками используемой контрольно-измерительной
аппаратуры и т. д. Зависимость затрат от достоверности результатов контроля
наиболее целесообразно определять в рамках управляемого эксперимента, при
котором производится хронометраж времени восстановления при заданных объеме
работ, уровне подготовки инженерно-технического состава и вариации точности
используемой контрольно-измерительной аппаратуры.
Наиболее сложно определить статистические
характеристики в виде матриц вероятностей переходов. Это обусловлено тем, что
существующая система сбора и обработки информации о техническом состоянии КАВ
не в полной мере соответствует требованиям, которые предъявляет эксплуатация по
состоянию. Основная задача существующей системы сбора и обработки информации о
техническом состоянии заключается в фиксации моментов отказов в оценке функции
распределения времени между отказами, которая и является основой для выбора
объемов и сроков проведения восстановительных работ. Такой подход позволяет
выделить только два состояния объектов КАВ - работоспособное и отказ. Никаких
промежуточных состояний, что является принципиально важным для эксплуатации по
состоянию, на основе этой информации выделить невозможно.
Исключение составляет информация о поведении
параметров, собираемая при выполнении регламентных работ и фиксируемая в
журналах учета параметров. Однако эта информация практически не используется
при выработке текущих решений по проведению восстановительных работ. Это
объясняется тем, что все работы задаются регламентом технической эксплуатации и
их содержание и периодичность не зависят от результатов измерений при
конкретных регламентных работах. При этом отсутствует систематическая обработка
результатов измерений, что делает невозможным их использование при эксплуатации
по состоянию. Поэтому необходимо определить возможности в рамках существующей
системы производства, эксплуатации и ремонта получения необходимой информации и
таких способов ее обработки, которые в наибольшей мере позволят учесть все
особенности изменения технического состояния и: обеспечат при этом гибкость в
решении возникающих задач.
авиация вооружение надежность
прогнозирование
Список использованной литературы
1 Эксплуатация комплексов
авиационного вооружения ∕ Под редакцией А.И. Буравлева. - М.: ВВИА им.
проф. Н.Е. Жуковского, 2003.
2 Смирнов Н.Н., Ицкович А.А.
Обслуживание и ремонт авиационной техники по состоянию. Москва «Транспорт»
1987.
3 Организационные указания по
дипломному и курсовому проектированию в инженерных ВУЗах ВВС. - М.: Воениздат,
1983.
Подкопаев А.В., Крайнов Н.Ф.,
Бахтин А.В. Робототехнические системы подготовки и контроля комплексов
авиационного вооружения. Книга 2.- Иркутск: ИВВАИУ (ВИ), 2007.
5 Бисюков В.М., Должиков В.И.,
Сосоновский Ф.Ф., Эксплуатация комплексов авиационного вооружения. Ставрополь:
СВВАИУ(ВИ),2008.
Конышев А.А. Дипломное
проектирование.- Иркутск: ИВАИИ,2001.