Разработка электрической схемы стенда для анализа работы тактируемого декодера на 4 входа и 16 выходов

  • Вид работы:
    Дипломная (ВКР)
  • Предмет:
    Информатика, ВТ, телекоммуникации
  • Язык:
    Русский
    ,
    Формат файла:
    MS Word
    427,57 Кб
  • Опубликовано:
    2014-10-31
Вы можете узнать стоимость помощи в написании студенческой работы.
Помощь в написании работы, которую точно примут!

Разработка электрической схемы стенда для анализа работы тактируемого декодера на 4 входа и 16 выходов

Министерство просвещения ПМР

ГОУ Тираспольский Техникум Информатики и Права












Дипломная работа

Тема: «Разработка электрической схемы стенда для анализа работы тактируемого декодера на 4 входа и 16 выходов









г. Тирасполь 2011 г.

Министерство просвещения ПМР

ГОУ Тираспольский Техникум Информатики и Права

Отделение Информационных технологий и экономических дисциплин










Дипломная работа

Тема: «Разработка электрической схемы стенда для анализа работы тактируемого декодера на 4 входа 16 выходов»

Исполнитель:

Калугин Константин Ильич, гр. 414.

Специальность: ТОСВТ и КС

Руководитель:

преподаватель отделения ИТ

Петрова Юлия Владимировна



г. Тирасполь 2011 г.

Министерство просвещения ПМР

ГОУ «Тираспольский техникум информатики и права»

Пояснительная записка к дипломной работе

На тему: «Разработка электрической схемы стенда для анализа работы тактируемого декодера на 4 входа и 16 выходов»

Специальность: 230106 (2204) «Техническое обслуживание средств вычислительной техники и компьютерных сетей»

Задание по экономике: Организация ремонтного хозяйства

Задание по охране труда: Меры безопасности при техническом обслуживании электронной техники

Исполнитель Калугин К.И.

(Подпись)

Руководитель Петрова Ю.В.

(Подпись)

Консультант по экономической части Барбунова Т.И.

(Подпись)

Консультант по охране труда Дымкович М.Я.

(Подпись)

Дипломная работа допущена к защите " " 2011г.

Зам. директора по учебной части Сыли Н.В.

(Подпись)

Министерство просвещения ПМР

ГОУ «Тираспольский Техникум Информатики и Права»

Отделение Информационных технологий и экономических дисциплин









ЗАДАНИЕ НА ДИПЛОМНУЮ РАБОТУ

Студент: Калугин Константин Ильич группа: 414

Тема работы: Разработка стенда для анализа работы логического элемента «декодер 4 входа 16 выходов.

Утверждена приказом №_______________дата____________

Срок сдачи работы: " " 2011 г.

Перечень вопросов дипломной работы:

1.      Обзор литературных данных по теме диплома

2.      Провести исследования по данной тематике:

- разработка схемы

-        спроектировать стенд, устройство, узел.

         написать программу

         анализ рабочих характеристик

3.      Привести инженерные расчеты данного разрабатываемого устройства

4.      Задание по экономической части: Организация ремонтного хозяйства

5.      Задание по охране труда: Меры безопасности при техническом обслуживании электронной техники

Руководитель ________________________ , «____ »__________20 г.

(подпись)

Задание принял к исполнению___________ , «____ »__________20 г.

(подпись)

Реферат

Декодер является одним из основных элементов цифровой схемотехники, осуществляющим преобразование чисел из двоичной системы счисления в десятичные. Дешифраторы широко используются в разнообразных устройствах ввода и вывода информации в цифровых системах. Существуют разные виды дешифраторов, в стандартные серии входят дешифраторы на 4 выхода (2 разряда входного кода), на 8 выходов (3 разряда входного кода) и на 16 выходов (4 разряда входного кода). Они обозначаются соответственно как 2-4, 3-8, 4-16. двоичные, троичные, приоритетные.

В работе была поставлена задача, исследовать декодер с помощью программных средств Protel, OrCAD и SPICE. Рассмотрены принципы работы декодеров, а также проделана работа по изготовлению действующего макета стенда. В качестве элементной базы были выбраны логических элементы 3И-НЕ и инвертор, изготовляемые по КМОП технологии.

В экономической части изучена организация ремонтного хозяйства на предприятиях, Функции, задачи и назначение, виды выполняемых работ, рассмотрена организация ремонтного хозяйства на территории ПМР.

Для улучшения эксплуатации подвижного состава АТП разработана организационная структура системы обслуживания и ремонта подвижного состава АТП, а также предложен комплект оборудования для диагностирования и технического обслуживания. Определён оптимальный штат рабочих на участках диагностики и ТО.

Вопрос охраны труда является одним из важнейших на современном этапе жизни нашего общества, увеличение количества профессиональных заболеваний, несчастных случаев на производстве, приводящих к травмам а иногда и к гибели людей, всё это заставляет задуматься о совершенстве нашего законодательства в области охраны труда, и думается, что нашим законодательным, исполнительным и судебным органам государственной власти предстоит ещё много работы в этом направлении.

Оглавление

Введение

Глава 1. Техническая часть. Разработка стенда для анализа работы логического элемента «декодер»

.1 Аналитический обзор.

.1.1 Основные сведения о декодере

.1.2 Принцип работы дешифратора

.1.3 Функции декодера и кодера

.1.4 Виды дешифратора

.1.5 Способ увеличения количества выходов дешифратора

.1.6 Принцип работы дешифратора 4 входа 16 выходов

.1.7 Двоичные логические операции с цифровыми сигналами (битовые операции)

.1.7.1 Элементы И, И-НЕ, ИЛИ, ИЛИ-НЕ

.1.7.2 Логика на КМОП транзисторах

.2 Практическая часть

.2.1 Основные характеристики системы автоматизированного проектирования OrCAD

.2.2 Основные характеристики системы автоматизированного проектирования Protel

.2.3 Результаты исследований работы логических устройств с помощью программы схемотехнического моделирования PSpice AD

.2.4 Построение и исследование декодера 2 входа 4 выхода

.2.5 Исследование работы декодера 4 входа 16 выходов построенного в программе Protel

.3      Разработка стенда

.3.1   Проектирование электрической схемы для реализации дешифратора

.3.2 Изготовление печатной платы

Глава 2. Экономическая часть. Организация ремонтного хозяйства.

.1 Функции, задачи и назначение ремонтного хозяйства.

.2 Классификация ремонта и виды выполняемых работ.

.3 Основные направления совершенствования ремонтного хозяйства

.4 Организация ремонтного хозяйства на примере: Транспортно-экспедиторской компании RIATEC

Глава 3. Охрана труда. Меры безопасности при техническом обслуживании электронной техники.

.1 Анализ условий труда.

.2 Характеристика санитарно-гигиенических условий труда.

.3 Защита от шума и вибрации на рабочих местах.

.4 Электробезопасность. Требования безопасности при работе с электрооборудованием.

.5 Требования к организации и оборудованию рабочего места техника.

.6 Статическое электричество и электромагнитные излучения.

.7 Причины возникновения коротких замыканий, их профилактика.

.8 Требования безопасности при пайке.

.9 Требования пожарной безопасности. Причины возникновения пожаров в электронной аппаратуре.

Заключение

Список используемой литературы

Введение


Декодер - комбинационное устройство, преобразующее n-разрядный двоичный, троичный или k-ичный код в -ичный одноединичный код, где - основание системы счисления. Логический сигнал появляется на том выходе, порядковый номер которого соответствует двоичному, троичному или k-ичному коду.

Данная тема является актуальной, так как дешифраторы являются устройствами, выполняющими двоичные, троичные или k-ичные <#"804898.files/image003.jpg">

Рисунок 1

Пояснить работу ДШ можно с помощью временных диаграмм для схемы (Б). Во время действия сигнала ~OE=1 на нижних входах элементов И-НЕ(0..3) присутствует OE=0, и независимо от значений a0,a1, выходные значения ~yi=1, а yi=0, что и видно из рис.1. В эти отрезки времени t0..t1 и t2..t3 выходы "запрещены", т.е. на прямых выходах yi устанавливается пассивный уровень "0", а на инверсных выходах пассивная "1". В интервале t1..t2 сигнал ~OE=0(OE=1) и значения yi зависят только от переменных a1,a0.

Если код на входах A1A0=10, что соответствует десятичной двойке, на входах второго элемента И-НЕ соберутся 3 логических "1". Сигнал ~y2=0, а y2=1, что видно на диаграмме y2. Вместо инвертора OE,может применяться более сложная схема,показанная на рис.2а. Здесь OE=1 в случае,когда ~OE1 = ~OE2 = 0 и OE3 = 1.

Рисунок 2

Такая схема применяется в дешифраторе "3 в 8" типа 1533ИД7(555ИД7), условное обозначение которого приведено на рис.2б. Дешифраторы широко применяются в вычислительной технике, как часть больших интегральных схем, для выбора одного из нескольких внешних устройств (ВУ) при обмене данными между ним и микропроцессором. В этом случае на входы ai подаются сигналы, называемые адресом ВУ, а входы называются адресными.

1.1.3 Функции декодера и кодера

Функции дешифраторов и шифраторов понятны из их названий. Дешифратор преобразует входной двоичный код в номер выходного сигнала (дешифрирует код), а шифратор преобразует номер входного сигнала в выходной двоичный код (шифрует номер входного сигнала). Количество выходных сигналов дешифратора и входных сигналов шифратора равно количеству возможных состояний двоичного кода (входного кода у дешифратора и выходного кода у шифратора), то есть 2n, где n - разрядность двоичного кода (рис. 3). Микросхемы дешифраторов обозначаются на схемах буквами DC (от английского Decoder), а микросхемы шифраторов - CD (от английского Coder).

Рисунок 3 Функции дешифратора (слева) и шифратора (справа).

На выходе дешифратора всегда присутствует только один сигнал, причем номер этого сигнала однозначно определяется входным кодом. Выходной код шифратора однозначно определяется номером входного сигнала.

 

1.1.4 Виды дешифратора

Дешифратор - это комбинационный узел или комбинационная схема, имеющая при n информационных входах до 2n выходов и осуществляющая преобразование параллельного двоичного числа в унитарный код.

Унитарный означает такой способ представления числа, при котором величина числа определяется положением активного сигнала на множестве выходов. Двоичное число, подаваемое на информационные входы, указывает номер того выхода, на котором наблюдается активный сигнал. То есть входы дешифратора в данном случае являются адресными, определяют адрес выхода с активным сигналом. На остальных выходах наблюдаются в то же время пассивные сигналы. При определении номера выхода надо учитывать тот факт, что входная информация представлена в двоичном виде, а выходы пронумерованы в десятичной системе счисления. Следовательно, для определения номера выхода необходимо с учётом веса каждого информационного разряда осуществить преобразование двоичного числа, подаваемого на информационные входы, в десятичное. Полученное десятичное число и определяет номер выхода, на котором формируется активный сигнал.

В стандартные серии входят дешифраторы на 4 выхода (2 разряда входного кода), на 8 выходов (3 разряда входного кода) и на 16 выходов (4 разряда входного кода). Они обозначаются соответственно как 2-4, 3-8, 4-16. Различаются микросхемы дешифраторов входами управления (разрешения/запрета выходных сигналов), а также типом выхода: 2С или ОК.

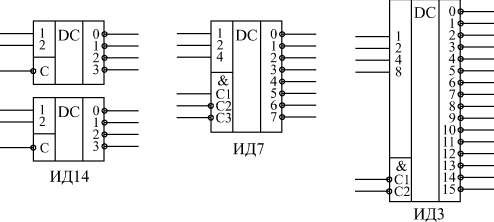
Выходные сигналы всех дешифраторов имеют отрицательную полярность. Входы, на которые поступает входной код, называют часто адресными входами. Обозначают эти входы 1, 2, 4, 8, где число соответствует весу двоичного кода (1 - младший разряд, 2 - следующий разряд и т.д.), или А0, А1, А2, А5. В отечественных сериях микросхемы дешифраторов обозначаются буквами ИД. На (рис. 4) показаны три наиболее типичных микросхемы дешифраторов.

Рисунок 4 Примеры микросхем дешифраторов.

Очень часто современные дешифраторы имеют специальный вход разрешения работы E (Enable). Только при наличии на этом входе активного сигнала дешифратор осуществляет требуемое преобразование, то есть на одном из выходов появится активный сигнал. Если на входе разрешения сигнал пассивный, то на всех выходах дешифратора наблюдается пассивный сигнал. Пусть активным сигналом по входу Е является 1, тогда предложенные выше функции, описывающее поведение дешифратора, следует скорректировать добавлением сигнала Е следующим образом:

y0 = E ⋅ x2 ⋅ x1⋅ x0 ; y1 = E ⋅ x2 ⋅ x1⋅ x0 ;

y2 = E ⋅ x2 ⋅ x1⋅ x0; y3 = E ⋅ x2 ⋅ x1⋅ x0 ;= E ⋅ x2 ⋅ x1⋅ x0; y5 = E ⋅ x2 ⋅ x1⋅ x0 ;= E ⋅ x2 ⋅ x1⋅ x0 ; y7 = E ⋅ x2 ⋅ x1⋅ x0.

Используя полученные выражения, можно предложить соответствующее условное изображение дешифратора, у которого активными сигналами на выходах являются единицы (рис. 5)

Рисунок 5 Условное графическое обозначение дешифратора с активными единичными сигналами на выходах и входе E

1.1.5 Способ увеличения количества выходов дешифратора

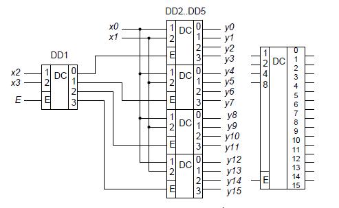
Рассмотрим способ увеличения количества выходов дешифратора. Пусть в нашем распоряжении имеются полные (число выходов равно 2n при n информационных входах) дешифраторы типа 2→4 (два входа - четыре выхода). Необходимо построить дешифратор, который имеет 4 информационных входа и 16 выходов, то есть дешифратор типа 4→16.

Пример построения такого дешифратора и условное обозначение микросхемы, реализующий такой дешифратор, предложены на рисунке 6.

В зависимости от состояний сигналов x3 и x2 при наличии на входе разрешения работы E дешифратора DD1 формируется единица на одном из четырёх выходов этого дешифратора. Это приводит к тому, что только один из выходных дешифраторов будет реагировать на комбинацию сигналов на входах x0 и x1. Только выбранный дешифратор сформирует единицу на одном из своих выходов, номер которого определяется сигналами x0 и x1.

Например, пусть на входах x3x2x1x0 присутствует число 1011. На входах x3x2 присутствует комбинация 10, что соответствует в десятичном виде числу 2.

Рисунок 6 Способ реализации сложного дешифратора и его условное обозначение

Следовательно, именно на выходе 2 дешифратора DD1 сформируется активный сигнал, равный единице. Только дешифратору DD4, который принимает по входу E активный уровень, будет разрешаться работа. На входах x1x0 присутствует число 11, что соответствует в десятичном виде числу 3. На третьем выходе выбранного дешифратора DD4 будет формироваться единица, то есть активный сигнал. На остальных выходах выбранного дешифратора будет присутствовать нуль так же, как и на выходах невыбранных дешифраторов DD2, DD3, DD5. То есть только на выходе y11 присутствует активный сигнал. Если перевести заданное двоичное число 1011 в десятичную систему, то получим номер выбранного выхода в десятичной системе: 11. Процедура перевода двоичного числа с учётом весов разрядов предлагается ниже.

=23+21+20=1110.

1.1.6 Принцип работы дешифратора 4 входа 16 выходов


Рисунок 7 Схема дешифратора 4 х 16

При логической 1 на входе разрешения на всех выходах будут также логические 1. При активизации входа разрешения, т. е. при Е = 0, логический 0 появляется на том выходе дешифратора, номер которого соответствует десятичному эквиваленту двоичного числа, поданного на информационные входы. Благодаря наличию входа разрешения можно наращивать размерность дешифраторов. Так, используя 5 дешифраторов 2x4, можно построить дешифратор 4 х 16 (рис. 7).

Понять принцип работы такой схемы несложно. Так, при подаче на вход числа 0100 (двоичный эквивалент десятичного числа 4) и при Е = 0 логический 0 появится лишь на втором (сверху) выходе дешифратора DC 1, а на всех остальных выходах будут логические 1. Это приведет к активизации лишь дешифратора DC3 и активизируется (появится логический 0) лишь его верхний выход, что и будет соответствовать десятичному числу 4. При подаче на вход числа 1111 будет активизирован дешифратор DC5 и на его нижнем выходе появится логический 0, что будет соответствовать десятичному числу 15.

Таблица истинности дешифратора 4входа 16 выходов.

Таблица 1


1.1.7 Двоичные логические операции с цифровыми сигналами (битовые операции)

Логические операции (булева функция) своё теоретическое обоснование получили в алгебре логики.

Логические операции с одним операндом называются унарными, с двумя - бинарными, с тремя - тернарными и т. д.

Из 0возможных унарных операций с унарным выходом интерес для реализации представляют операции отрицания и повторения, причём, операция отрицания имеет большую значимость, чем операция повторения, так как повторитель может быть собран из двух инверторов, а инвертор из повторителей не собрать.

Отрицание, НЕТ, НЕ

Инвертор           Таблица 2


Повторение, ДА

Повторитель (буфер) Таблица 3


Преобразование информации требует выполнения операций с группами знаков, простейшей из которых является группа из двух знаков. Оперирование с большими группами всегда можно разбить на последовательные операции с двумя знаками.

Конъюнкция (логическое умножение).

Операция 2И               Таблица 4


Мнемоническое правило для конъюнкции с любым количеством входов звучит так: - на выходе будет "1" тогда и только тогда, когда на всех входах действуют «1», а "0" тогда и только тогда, когда хотя бы на одном входе действует «0».

Дизъюнкция (логическое сложение).

Операция 2ИЛИ          Таблица 5


Мнемоническое правило для дизъюнкции с любым количеством входов звучит так: - на выходе будет "1" тогда и только тогда, когда хотя бы на одном входе действует «1», "0" тогда и только тогда, когда на всех входах действуют «0».

Инверсия функции конъюнкции.

Операция 2И-НЕ (штрих Шеффера)               Таблица 6


Мнемоническое правило для И-НЕ с любым количеством входов звучит так: - на выходе будет "1" тогда и только тогда, когда хотя бы на одном входе действует «0», а "0" тогда и только тогда, когда на всех входах действуют «1»

Инверсия функции дизъюнкции.

Операция 2ИЛИ-НЕ (стрелка Пирса)    Таблица 7


Мнемоническое правило для ИЛИ-НЕ с любым количеством входов звучит так: - на выходе будет "1" тогда и только тогда, когда на всех входах действуют «0», а "0" тогда и только тогда, когда хотя бы на одном входе действует «1».

Эквивалентность или равнозначность, т.е. функция ИСКЛЮЧАЮЩЕЕ ИЛИ-НЕ                                                                                               Таблица 8


Мнемоническое правило эквивалентности с любым количеством входов звучит так: - на выходе будет "1" тогда и только тогда, когда на входах действует четное количество «1», а "0" тогда и только тогда, когда на входа действует нечетное количество «1».

Сложение по модулю 2 (Исключающее ИЛИ, неравнозначность). В англоязычной литературе элемент 2XOR.

Инверсия равнозначности.            Таблица 9

Мнемоническое правило для суммы по модулю 2 с любым количеством входов звучит так: - на выходе будет "1" тогда и только тогда, когда на входах действует нечётное количество «1», а "0" тогда и только тогда, когда на входа действует чётное количество «1».[6]

1.1.7.1 Элементы И, И-НЕ, ИЛИ, ИЛИ-НЕ

Следующий шаг на пути усложнения компонентов цифровой электроники - это элементы, выполняющие простейшие логические функции. Объединяет все эти элементы то, что у них есть несколько равноправных входов (от 2 до 12) и один выход, сигнал на котором определяется комбинацией входных сигналов.

Самые распространенные логические функции - это И (в отечественной системе обозначений - ЛИ), И-НЕ (обозначается ЛА), ИЛИ (обозначается ЛЛ) и ИЛИ-НЕ (обозначается ЛН). Присутствие слова НЕ в названии элемента обозначает только одно - встроенную инверсию сигнала. В международной системе обозначений используются следующие сокращения: AND - функция И, NAND - функция И-НЕ, OR - функция ИЛИ, NOR - функция ИЛИ-НЕ.

Название самих функций И и ИЛИ говорит о том, при каком условии на входах появляется сигнал на выходе. При этом важно помнить, что речь в данном случае идет о положительной логике, о положительных, единичных сигналах на входах и на выходе.

Элемент И формирует на выходе единицу тогда и только тогда, если на всех его входах (и на первом, и на втором, и на третьем и т.д.) присутствуют единицы. Если речь идет об элементе И-НЕ, то на выходе формируется нуль, когда на всех входах - единицы (табл.10). Цифра перед названием функции говорит о количестве входов элемента. Например, 8И-НЕ - это восьмивходовой элемент И с инверсией на выходе.

Таблица истинности двухвходовых элементов И, И-НЕ, ИЛИ, ИЛИ-НЕ.

Таблица 10


Элемент ИЛИ формирует на выходе нуль тогда и только тогда, если на всех входах нуль. Элемент ИЛИ-НЕ дает на выходе нуль при наличии хотя бы на одном из входов единицы (табл.10). Пример обозначения: 4ИЛИ-НЕ - четырехвходовой элемент ИЛИ с инверсией на выходе.

Рисунок 8. Обозначения элементов И, И-НЕ, ИЛИ, ИЛИ-НЕ: зарубежные (слева) и отечественные (справа).

Отечественные и зарубежные обозначения на схемах двухвходовых элементов И, И-НЕ, ИЛИ, ИЛИ-НЕ показаны на рис. 8 Все эти элементы бывают с выходами типа «с двумя логическими состояниями», «с общим коллектором» и «стремя логическими состояниями». В последнем случае обязательно имеется вход разрешения третьего состояния (EZ).

Нетрудно заметить (см. табл. 10), что в случае отрицательной логики, при нулевых входных и выходных сигналах, элемент И выполняет функцию ИЛИ, то есть на выходе будет нуль в случае, когда хотя бы на одном из входов нуль. А элемент ИЛИ при отрицательной логике выполняет функцию И, то есть на выходе будет нуль только тогда, когда на всех входах присутствуют нули. И так как в реальных электронных устройствах сигналы могут быть любой полярности (как положительные, так и отрицательные), то надо всегда очень аккуратно выбирать требуемый в каждом конкретном случае элемент. Особенно об этом важно помнить тогда, когда последовательно соединяются несколько разноименных логических элементов с инверсией и без нее для получения сложной функции.

Поэтому элементы И, И-НЕ, ИЛИ, ИЛИ-НЕ разработчику далеко не всегда удобно применять именно как выполняющие указанные в их названии логические функции. Иногда их удобнее использовать как элементы разрешения/запрещения или смешивания/совпадения. Но сначала мы рассмотрим случаи реализации именно логических функций на этих элементах.

На рис. 9 приведены примеры формирования элементами выходных сигналов на основании требуемых временных диаграмм входных и выходных сигналов. В случае а выходной сигнал должен быть равен единице при двух единичных входных сигналах, следовательно, достаточно элемента 2И. В случае б выходной сигнал должен быть равен нулю, когда хотя бы один из входных сигналов равен единице, следовательно, требуется элемент 2ИЛИ-НЕ. Наконец, в случае в выходной сигнал должен быть равен нулю при одновременном приходе единичного сигнала Вх. 1, нулевого сигнала Вх. 2 и единичного сигнала Вх. 3. Следовательно, требуется элемент 3И-НЕ, причем сигнал Вх. 2 надо предварительно проинвертировать.

Рисунок 9. Примеры применения элементов И и ИЛИ.

Например, в случае элемента 2И-НЕ один из входов можно считать информационным, а другой - управляющим. В этом случае при единице на управляющем входе выходной сигнал будет равен проинвертированному входному сигналу, а при нуле на управляющем входе выходной сигнал будет постоянно равен единице, то есть прохождение входного сигнала будет запрещено. Элементы 2И-НЕ с выходом ОК часто используют именно в качестве управляемых буферов для работы на мультиплексированную или двунаправленную линию.

Точно так же в качестве элемента разрешения/запрещения могут применяться элементы И, ИЛИ, ИЛИ-НЕ (рис. 10). Разница между элементами состоит только в полярности управляющего сигнала, в инверсии (или ее отсутствии) входного сигнала, а также в уровне выходного сигнала (нуль или единица) при запрещении прохождения входного сигнала.

Рисунок 10. Разрешение/запрещение прохождения сигналов на элементах И, И-НЕ, ИЛИ, ИЛИ-НЕ.

 

1.1.7.2 Логика на КМОП транзисторах

В цифровых микросхемах если и применяются полевые транзисторы, то только с изолированным затвором (МОП) и только с индуцированным каналом. Каждый МОП транзистор в интегральных схемах имеет четыре вывода:

) исток, - от которого начинают движение в канале носители электрического заряда;

) сток, - к которому движутся в канале носители заряда;

) затвор, - потенциал на котором за счет электрического поля управляет толщиной канала (затворяет или отворяет путь протекания тока, - движения носителей заряда: электронов или дырок);

) подложка, - полупроводниковый кремниевый кристалл, в объеме которого на малом расстоянии друг от друга методом диффузии сделаны две области с проводимостью, обратной проводимости подложки - это области стока и истока.

На поверхности подложки между стоком и истоком создают тонкий слой окисла кремния (кварцевого стекла SiO2), а поверх него напыляют алюминиевый затвор. Когда на затвор такого МОП транзистора относительно подложки подается отпирающее напряжение, то внутри подложки под затвором между стоком и истоком индуцируются (наводятся) носители заряда с проводимостью, противоположной проводимости подложки, но совпадающей с проводимостью стока и истока. Если теперь подключить сток и исток к источнику питания, то через них и через наведенный канал потечет ток.

МОП транзисторы называют в соответствии с проводимостью канала, а стрелки в их условных графических обозначениях соответствуют проводимости подложки, которая, как было сказано, для таких транзисторов противоположна проводимости канала. Направление стрелки показывает проводимость подложки (внутрь, - транзистор p-типа, наружу, - n-типа).

Как известно обозначения n - NEGATIVE (отрицательный, при этом носители заряда, - электроны), а p - POSITIVE (положительный, при этом носители заряда, - дырки).

Значение порогового напряжения (Uпор) при напряжении питания (Ucc) = + 5 В обычно лежит в пределах: Uпор = 0,5 ... 2,0 В. При другом напряжении питания значение порогового напряжения лежит в пределах: Uпор = Uпит/3 ... Uпит/2.

Для МОП транзисторов характерны два существенных отличия их от обычных биполярных транзисторов:

сопротивление канала практически линейно, т. е. ток стока почти линейно зависит от напряжения сток-исток;

имеется почти полная взаимозаменяемость стока и истока, т.к. ток в канале может протекать в обоих направлениях в зависимости от полярности напряжения, приложенного к каналу.

Микросхемы на комплементарных транзисторах строятся на основе МОП транзисторов с n- и p-каналами. Один и тот же потенциал открывает транзистор с n-каналом и закрывает транзистор с p-каналом. При формировании логической единицы открыт верхний транзистор, а нижний закрыт. В результате ток через микросхему не протекает. При формировании логического нуля открыт нижний транзистор, а верхний закрыт. И в этом случае ток через микросхему не протекает. Простейший логический элемент - это инвертор. Его схема приведена на рисунке.

Рисунок 11. Принципиальная схема инвертора, выполненного на комплементарных МОП транзисторах.

На этой схеме для упрощения понимания принципов работы микросхемы не показаны защитные и паразитные диоды. Особенностью микросхем на комплементарных МОП транзисторах является то, что в этих микросхемах в статическом режиме ток практически не потребляется.

Потребление тока происходит только в момент переключения микросхемы из единичного состояния в нулевое и наоборот. Этим током производится перезаряд паразитной ёмкости нагрузки.

1.2 Практическая часть


1.2.1 Основные характеристики системы автоматизированного проектирования OrCAD

Корпорацией MicroSim разработаны варианты системы программ Design Center для различных операционных систем. Наиболее популярным является вариант для Windows. В него входят следующие программы (их конкретный перечень зависит от варианта поставки):- графический редактор принципиальных схем, который одновременно является управляющей оболочкой для запуска основных модулей сисОт чемы на всех стадиях работы с проектом;, PSpice Basics - моделирование аналоговых устройств;AID, PSpice A/D Basics* - моделирование смешанных аналогоцифровых устройств;- моделирование цифровых устройств. Имеет такие же функциональные возможности, как и программа PSpice A/D;- синтез цифровых устройств на базе интегральных схем (ИС) с программируемой логикой;- редактор входных сигналов (аналоговых и цифровых);- графическое отображение, обработка и документирование результатов моделирования;- идентификация параметров математических моделей диодов, биполярных, полевых, МОП- и арсенидгаллиевых транзисторов, операционных усилителей, компараторов напряжения, регуляторов напряжения и магнитных сердечников по паспортным данным;Optimizer - параметрическая оптимизация аналого-цифровых устройств по заданному критерию при наличии нелинейных ограничений.

1.2.2 Основные характеристики системы автоматизированного проектирования Protel

Система Protel предназначена для сквозного проектирования электронных устройств с реализацией либо на печатной плате, либо на ПЛИС.

Основные возможности Protel

Ввод проекта в виде иерархических многоканальных принципиальных схем

Проведение цифро-аналогового моделирования, базирующегося на Spice 3f5

Проектирования систем на базе ПЛИС с возможностью смешенного описания в виде принципиально схемы и/или VHDL

Анализ целостности на пред- и постпологическом уровне

Проектирование топологии на базе обширной системы заданных правил

Использование бессеточного втотрассировщика Situs

Доработка технологических файлов во встроенной CAM-система CAMtastic.

Отличительной особенностью Protel от других систем проектирования заключается в единой управляющей оболочкеDesign Explorer. Под управлениемDesign Explorer пользователь работает в одном интерфейсе со всеми составными частями проекта, будь то принципиальная схема, топология, описания на VHDL или любая другая часть проекта. Кроме того, работа ведется именно над единым проектом, части которого однозначно увязаны друг с другом и изменение одной из них может довольно легко быть передано во все другие.

При работе с принципиальной схемой пользователь может использовать как интегрированные так и разрозненные библиотеки. При этом пользователь может проводить поиск элементов как в подключенных так и во "внешних" библиотеках по нескольким параметрам. При выборе компонента из списка пользователю представляется вся информация о компоненте: тип корпуса, УГО, перечень подключенных математических моделей.

За счет использования Design Explorer пользователь работает с единой системой задания правил проектирования, которая позволяет задавать "физические" параметры будущей топологии еще на уровне принципиальной схемы. Говоря о задании правил проектирования стоит отметить несколько отличительных особенностей:

1.      Правила разбиты на несколько групп:

1.1. Электрические (например, зазоры)

.2. Трассировка (например, толщины, тип трассировки, приоритет трассировки цепей и т.д.)

.3. Планарные выводы (например, длинна отвода до изгиба, толщина отвода и т.д.)

.4. Масочные и трафаретные (зазоры)

.5. Экранные (тип подключения, зазоры и т.д.)

.6. Контрольные точки

.7. Расстановка компонентов (зазоры, привязка компонентов к комнатам и т.д.)

.8. Анализ целостности (параметры импульсов)

2.      Правила подробно проиллюстрированы, что позволяет довольно просто разобраться с тем, что именно описывает то или иное правило.

.        Одно и тоже правило может иметь несколько значений, в зависимости от того к какому объекту оно относится (все объекты, цепи, классы цепей, слои, цепи и слои, сложный подбор)

4.      Пользователь может самостоятельно построить иерархию для однотипных правил задавая приоритет для каждого из них.

1.2.3 Результаты исследований работы логических устройств с помощью программы схемотехнического моделирования PSpice AD

Анализ работы логического элемента “Инвертор”

Рисунок 12 Схемотехническая реализация логического элемента “Инвертор”.

Если сигнал X имеет высокий потенциал, то ключ, реализованный на транзисторе, замкнут, и потенциал точки Y низкий. В противном случае связь между точкой Y и "землей" разорвана, и сигнал Y имеет высокий уровень, что и обеспечивает реализацию логической функции "отрицание".

Рисунок 13 Схема элемента НЕ выполненная в Protel.

Рисунок 14 Результаты анализа работы элемента НЕ в статическом режиме.

Из рисунка видно, что состояние на выходе инвертора противоположно состоянию на его входе; при высоком уровне на входе инвертора на выходе устанавливается ноль, и наоборот.

Таблица истинности инвертора Таблица 11

Вход

Выход

0

1

1

0

декодер дешифратор логический печатный

Две основные области применения инверторов - это изменение полярности сигнала и изменение полярности фронта сигнала (рис. 12). То есть из положительного входного сигнала инвертор делает отрицательный выходной сигнал и наоборот, а из положительного фронта входного сигнала - отрицательный фронт выходного сигнала и наоборот. Еще одно важное применение инвертора - буферирование сигнала (с инверсией), то есть увеличение нагрузочной способности сигнала.

Построение и исследование работы элемента 3 И-НЕ

Базовые DTL-элементы реализуют логическую функцию И-НЕ. Функция И выполняется на диодной группе, а функцию усилителя-инвертора выполняет транзистор (рис 15).

Рисунок 15- Электрическая схема DTL - элемента 3И-НЕ.

Схема работает следующим образом. В исходном состоянии, когда на три входа поданы лог. «1» (высокий уровень) и диоды закрыты, через резистор R1 и переход база-эмиттер протекает базовый ток, транзистор Т1 находится в «замкнутом» состоянии, на выходе «Y» присутствует низкий потенциал, т. е. лог. «0». Если на любой из входов схемы подать низкий потенциал (лог. «0»), то основная часть базового тока ответвится в цепь диод - источник сигнала, при этом базовый ток транзистора уменьшится и транзистор перейдет в «разомкнутое» состояние, а на выходе схемы появится лог. «1». Таким образом, только при наличии на трех входах лог. «1» элемент на выходе устанавливает лог. «0», т. е. реализует логическую операцию 3И-НЕ.

Рисунок 16 Схема элемента 3И-НЕ выполненная в Protel.

Рисунок 17 Результаты анализа работы элемента 3И-НЕ в статическом режиме.

Таблица истинности для элемента 3И-НЕ

X1

X2

X3

Y=X1*X2*X3

0

0

0

1

1

0

0

1

1

0

1

1

1

1

0

1

0

1

0

1

0

1

1

1

0

0

1

1

0

1

1

1

1

1

1

0


1.2.4 Построение и исследование декодера 2 входа 4 выхода

На основе элементов 3И-НЕ и НЕ (он же инвертор) был построен декодер 2 входа 4 выхода.

Рисунок 18 Схема декодера 2 входа 4 выхода

Результат работы декодера был проверен с помощью программы OrCAD.

Рисунок 19 Результаты анализа работы декодера 2 входа 4 выхода.

Из рисунка видно, что выходной сигнал лог. 1 появляется на том выходе дешифратора, номер которого соответствует десятичному эквиваленту входного кода, на остальных выходах дешифратора при этом лог. 0.

Наиболее типичное применение дешифраторов состоит в дешифрировании входных кодов, при этом входы С используются как стробирующие, т.е. как управляющие сигналы. Номер активного (то есть нулевого) выходного сигнала показывает, какой входной код поступил. Если нужно дешифровать код с большим числом разрядов, то можно объединить несколько микросхем дешифраторов (пример показан на рис.20).

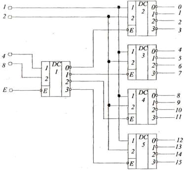
1.2.5 Исследование работы декодера 4 входа 16 выходов построенного в программе Protel

Данный декодер был построен на основе пяти декодеров 2 входа 4 выхода с входом разрешения С.

Рисунок 20 Схема декодера 4 входа 16 выходов

При этом старшие разряды кода подаются на основной дешифратор, выходы которого разрешают работу нескольких дополнительных дешифраторов. На объединенные входы этих дополнительных дешифраторов подаются младшие разряды входного кода. Из пяти микросхем дешифраторов 2-4 можно получить дешифратор 4-16, как показано на рисунке (20).

Результат работы декодера был проверен с помощью программы OrCAD.

Рисунок 21 Результаты анализа работы декодера 4 входа 16 выхода.

1.3    Разработка стенда


1.3.1 Проектирование электрической схемы для реализации дешифратора

Для разработки схемы устройства, я не стал пользоваться какими либо программами. Мною от руки была нарисована схема, по которой в дальнейшем и был собран прибор. Электрическая схема для реализации дешифратора изображена на (рис. 22).

Рисунок 22 Электрическая схема для реализации стенда Элементная база: DD1 - дешифратор К1533ИД3; SA1 - SA2 - кнопочные замыкатели; С1 - конденсатор 470µ, 10V; R1 - R16 - резистор 1 Ком; R17 - R32 - резистор 300 Ом; VT1 - VT16 - транзистор КТ315Г; 0 - 15 - семисегментные индикаторы, одноциферные и двухциферные

1.3.2 Изготовление печатной платы

Платы с печатными проводниками и контактными площадками в любительской практике удобно использовать лишь тогда, когда устройство предварительно хорошо отработано. В процессе настройки приходится несколько раз демонтировать отдельные детали и устанавливать другие, а печатные контактные площадки под действием многократных тепловых и механических нагрузок, как правило, отслаиваются. Поэтому на этапе отладки схемы лучше применять монтажные платы, которые являются как бы макетом будущей печатной платы.

Пластину требуемых размеров из нефольгированного изоляционного материала (текстолит, гетинакс, фанера) обрабатывают с одной стороны мелкозернистой наждачной бумагой, обезжиривают и укрепляют необработанной стороной на деревянной дощечке толщиной 15- 20 мм.

Сверху на пластину накладывают и в нескольких точках приклеивают лист бумаги с эскизом будущей печатной платы. В точках крепления выводов, изгиба проводников схемы, выводных контактных площадок сверлом 0,1-1,5 мм сверлят отверстия так, чтобы сверло, пройдя пластину насквозь, углубилось в дощечку на 10-12 мм. В полученные отверстия вставляют металлические штыри подходящего диаметра так, чтобы они выступали над поверхностью пластины на 5-10 мм. Можно использовать мелкие гвозди или отрезки жесткой проволоки.

Затем из луженого одножильного провода диаметром 0,3-0,5 мм изготовляют проводники платы. Для этого провод в соответствии с эскизом протягивают от штыря к штырю, обматывая каждый из них одним-двумя витками. Когда все соединения выполнены, эскиз, разрывая, удаляют пинцетом. Проводники должны быть плотно прижаты к поверхности.

После этого на участки проводников, расположенные между штырями, кисточкой осторожно наносят эпоксидный клей в таком количестве, чтобы проводники оказались приклеенными к поверхности платы. Необходимо следить за тем, чтобы клей не попал на штыри и витки провода, намотанные на них. После полного затвердевания клея штыри удаляют и готовую плату снимают с дощечки. Образовавшиеся на плате петли провода будут удобными контактными площадками для присоединения выводов радиоэлементов.

Закончив отладку схемы, отрабатывают рациональную компоновку элементов и уточняют эскиз.

Компоновка элементов на макетной плате. Работа по размещению элементов на плате значительно упрощается, если воспользоваться следующим приемом. На лист ватмана с размерами будущей платы наносят слой пластилина толщиной 2-4 мм. Этот лист в нескольких точках приклеивают к другому листу ватмана или миллиметровки.

В пластилин, слегка вдавливая выводы, устанавливают радиоэлементы и микросхемы. Необходимо при этом учитывать принципиальные особенности устройства (взаимовлияния цепей, температурные режимы элементов и т.д.), уменьшать длину соединительных проводников, не делать перемычек.

Выводы элементов предварительно изгибают соответствующим образом (формуют). Линии будущих печатных проводников прочерчивают на пластилине шилом. Перемещая элементы, находят наиболее рациональную компоновку.

Затем, поочередно снимая каждый элемент с макета, прокалывают шилом оба листа в точках будущих отверстий в плате. По нескольку проколов тонкой иглой делают вдоль будущих печатных проводников. После этого элемент устанавливают на прежнее место.

Отклеивают нижний лист, рисуют на нем соединения и обозначают места расположения элементов. Рисунок соединений переносят на фольгированную заготовку. После этого детали с макетной платы снимают. Макетная плата может быть использована несколько раз.

В качестве основы для макетирования можно применить пластину пенопласта толщиной 25-30 м. В этом случае выводы элементов формуют и вдавливают в пенопласт. Когда наиболее рациональный вариант размещения выбран, на пенопласте чертят две взаимно перпендикулярные базовые линии.

С помощью чертежного измерителя расстояния от базовых линий до контактных площадок измеряют и переносят на миллиметровую бумагу.

Отметки соединяют линиями, завершая тем самым подготовку рисунка печатной платы.

Лист миллиметровой бумаги можно сразу наложить на пластину и, устанавливая элементы, прокалывать и бумагу. После определения наилучшей компоновки рисуют на миллиметровке соединения и снимают поочередно элементы, помечая на бумаге их схемный номер.

Разметка печатной платы под некоторые микросхемы и малогабаритные элементы (миниатюрные трансформаторы, реле и др.) с торцевым расположением выводов довольно трудоемка.

Разметка упрощается, если на поверхность платы в предполагаемом месте установки нанести слой пластилина толщиной 0,5-1 мм. Слой должен быть гладким и ровным. Затем подготовляют элемент (микросхему): выводы укорачивают до одинаковой длины (10-12 мм) и подгибают так, чтобы они были перпендикулярны основанию корпуса.

Элемент (микросхему) опускают на предполагаемое место установки и вдавливают выводы в пластилин до упора в поверхность платы, затем осторожно вынимают и шилом или остро заточенным кернером намечают по оставшимся следам выводов центры будущих отверстий в плате. После разметки слой пластилина снимают и сверлят отверстия.

Этот способ удобен и при компоновке элементов на плате.

Сборка макета для исследования дешифратора 4 на 16

После того как плата была готова, я приступил к сборке самого устройства. Сборка заняла достаточное количество времени, и немало непредвиденных ситуаций. Первым делом я разместил в пластмассовой коробочке все индикаторы с уже напаянными проводами соответствующих определенным цифрам, далее на плату была припаяна схема дешифратора к нему припаял остальные необходимые детали. После того как все детали были припаяны я проверил работоспособность моего устройства. Проверка дала положительные результаты. После того как я убедился в работоспособности своей разработки я начал паять две отдельные составные моего устройства воедино, затем я скрепил коробочку шурупами и все еще раз было проверенно на работоспособность.

Принцип работы устройства. При подаче питания ±5В на входы питания активизируется вход разрешения, т. е. С = 0, и логический 0 появляется на первом выходе дешифратора, затем при подаче на входы дешифратора числовой комбинации 0001, активируется второй выход дешифратора что будет означать цифру 1, другими словами при подаче двоичного числа 0001 активизируется лишь тот выход дешифратора номер которого соответствует десятичному эквиваленту двоичного числа, поданного на информационные входы.

Исходя из вышесказанного в технической части диплома я изучил программы для проектирования схем. Protel позволяет проводить все виды анализа из стандартного набора, предлагаемого любыми программами на базе ядра SPICE. А также OrCAD с помощью которого можно проверять работоспособность схем реализованных в Protel. В этих программах мной были промоделированы логические элементы, на основе которых в дальнейшем было собранно устройство.

С помощью программы OrCAD ни были проверенны на работоспособность и уже с их помощью начал сбор схемы дешифратора 4 на 16. После сбора схемы я также проверил ее на работоспособность и только после всех этих действий я начал работу над самим стендом. По окончанию работы стенд был проверен на работоспособность.

Глава 2. Экономическая часть. Организация ремонтного хозяйства. Организация ремонтного хозяйства


Основной задачей функционирования ремонтного хозяйства предприятия является обеспечение бесперебойной эксплуатации оборудования. Служба ремонтного хозяйства в системе управления предприятием подчинена главному инженеру. В ее состав входят: ремонтно-восстановительная база предприятия, склады, цехи и общезаводские отделы ремонтного хозяйства (технологический, оборудования, диспетчерский).

В зависимости от масштабов производства ремонтно-восстановительная база предприятия может содержать ремонтно-механический цех, выполняющий ремонт технологического оборудования; ремонтно-строительный цех, выполняющий ремонт зданий, сооружений, производственных, складских и служебных помещений; электроремонтный цех, подчиненный главному энергетику и выполняющий ремонт энергооборудования, а также склады оборудования и запасных частей. Кроме того, в цехах целесообразно создание ремонтных баз, подчиненных цеховому механику, главной задачей которых является поддержание в работоспособном состоянии технологического оборудования, осуществление профилактических осмотров, разнообразных ремонтных работ.

В процессе эксплуатации оборудование подвергается физическому износу, из-за чего снижаются его точность, производительность и т.д. Это становится причиной снижения качества продукции, ухудшения технико-эксплуатационных характеристик оборудования и технико-экономических показателей производства. Для компенсации износа и поддержания оборудования в работоспособном состоянии необходимо своевременно заменять износившиеся части оборудования, восстанавливать их первоначальные свойства, производить настройку отдельных агрегатов и выполнять другие виды работ по техническому обслуживанию и ремонту оборудования.

Техническое обслуживание и ремонт оборудования на предприятии осуществляет ремонтное хозяйство. Назначение ремонтного хозяйства предприятия заключается в своевременном и в полном объеме удовлетворение потребностей производственных подразделений предприятия в техническом обслуживании и ремонте оборудования с минимальными затратами.

·      паспортизация и аттестация оборудования;

·              разработка технологических процессов ремонта и их оснащения;

·              организация и планирование технического обслуживания и ремонта оборудования, труда ремонтного персонала;

·              выполнение работ по техническому обслуживанию и ремонту, модернизации оборудования.

Координацию деятельности по техническому обслуживанию и ремонту оборудования на предприятии обычно выполняет главный механик. На небольшом предприятии эта функция может быть возложена непосредственно на управляющего производством.

Конечно, остановка производства из-за отказа оборудования крайне нежелательна. Поэтому в работе ремонтного хозяйства на большинстве предприятий преобладает профилактический подход, нацеленный на предотвращение отказа оборудования из-за технических неисправностей. С другой стороны, на практике часто оказывается технически невозможно и экономически нецелесообразно обеспечить полную безотказность работы оборудования за счет мер только профилактического характера, поэтому они дополняются мерами, предусматриваемыми на случай отказа (аварийного выхода из строя). Практической реализацией такого подхода является система планово-предупредительного ремонта (ППР) оборудования.

Планово-предупредительная форма организации ремонта технологического оборудования во всем мире признана наиболее эффективной и нашла наибольшее распространение.

Система планово-предупредительного ремонта (ППР) оборудования - это совокупность запланированных организационных и технических мероприятий по уходу, надзору за оборудованием, его обслуживанию и ремонту. Цель этих мероприятий - предотвращение прогрессивно нарастающего износа, предупреждение аварий и поддержание оборудования в постоянной готовности к работе.

2.1 Функции, задачи и назначение ремонтного хозяйства


Функции ремонтной службы предприятия: паспортизация и аттестация оборудования; разработка нормативов по уходу, надзору, обслуживанию и ремонту оборудования; планирование ППР (планово-предупредительных ремонтов); планирование потребности в запасных частях;

организация ППР и ППО (планово-предупредительного обслуживания), изготовления или закупки и хранения запчастей; модернизация оборудования; оперативное планирование и диспетчирование сложных ремонтных работ; организация работ по монтажу, демонтажу и утилизации оборудования; организация работ по приготовлению и утилизации смазочно-охлаждающих жидкостей (СОЖ); разработка проектно-технологической документации на проведение ремонтных работ и модернизации оборудования; разработка технологических процессов ремонта и их оснащения; контроль качества ремонтов; надзор за правилами эксплуатации оборудования и грузоподъемных механизмов; совершенствование организации труда работающих, занятых в этой службе.

Задача ремонтной службы предприятия - обеспечение постоянной работоспособности оборудования и его модернизация, изготовление запасных частей, необходимых для ремонта, повышение культуры эксплуатации действующего оборудования, повышение качества ремонта и снижение затрат на его выполнение.

Ремонтное хозяйство предприятия представляет собой совокупность отделов и производственных подразделений, занятых анализом технического состояния технологического оборудования, надзором за его состоянием, техническим обслуживанием, ремонтом и разработкой мероприятий по замене изношенного оборудования на более прогрессивное и улучшению использования. Выполнение этих работ должно быть организовано с минимальными простоями оборудования, в кратчайшие сроки и своевременно, качественно и с минимальными затратами.

Эффективность работы ремонтного хозяйства во многом предопределяет себестоимость выпускаемой продукции, ее качество и производительность труда на предприятии, т.к. удельный вес затрат на содержание и ремонт оборудования в себестоимости продукции достигает 10 %.

Главной причиной значительных затрат на ремонты и техническое обслуживание технологического оборудования является низкое его качество, вследствие чего затраты в сфере эксплуатации продукции машиностроения за нормативный срок использования в 5-25 раз больше ее цены. По сравнению с лучшими зарубежными образцами аналогичного класса отечественное технологическое оборудование и транспортные средства требуют в 3-5 раз больше средств на техническое обслуживание, использование и ремонты.

В свою очередь низкое качество отечественной продукции машиностроения объясняется низким качеством маркетинговых исследований и НИОКР. И как итог - удельный вес отечественной продукции машиностроения, конкурентоспособной на внешнем рынке, составлял в 1995 г. всего около 2 %.

Отсюда следует: эффективность ремонтного хозяйства зависит как от качества технологического оборудования, закладываемого на стадиях маркетинга и НИОКР и реализуемого на стадии производства, так и от уровня организации работы ремонтного хозяйства в сфере потребления оборудования.

Организация ремонтного хозяйства действующего крупного предприятия включает выполнение комплекса работ:

1.  анализ производственной и организационной структуры предприятия на предмет пропорциональности, прямоточности, непрерывности, параллельности и автоматичности производственных процессов;

2.      анализ уровня специализации, комбинирования с целью оптимизации этих параметров;

.        анализ технологического оборудования по следующим показателям (факторам):

§ необходимость данного оборудования;

§   удельный вес неустановленного оборудования;

§   удельный вес оборудования, находящегося в ремонте;

§   средний возраст технологического оборудования (по группам);

§   удельный вес физически изношенного оборудования;

§   коэффициент сменности работы технологического оборудования;

§   коэффициент использования оборудования по производительности (по группам);

§   коэффициент использования оборудования во времени (по группам);

§   анализ фондоотдачи;

§   анализ структуры активной части основных производственных фондов;

§   анализ уровня механизации производства;

4.  разработка предложений по совершенствованию форм организации производства, производственной и организационной структур предприятия;

5.      разработка предложений по улучшению использования оборудования (по видам);

.        разработка норм потребности в оборудовании для замены изношенного, технического перевооружения и капитального строительства;

.        разработка норм потребности в запасных частях для технологического оборудования;

.        разработка норм потребности в различных видах материалов и энергии для технологического оборудования и других элементов производственных фондов (ОПФ);

.        расчет потребности в производственных площадях для ремонтного хозяйства;

.        расчет потребности в трудовых ресурсах для ремонтного хозяйства и фонда заработной платы для них;

.        расчет показателей планово-предупредительного ремонта (ППР) оборудования (по видам):

§ анализ соблюдения ППР на предприятии;

§   структура межремонтного цикла по видам оборудования;

§   продолжительность межремонтного периода;

§   трудоемкость ремонтов оборудования (по видам ремонта и видам оборудования);

§   потребность по видам ресурсов для различных видов ремонта;

§   годовой объем ремонтных работ;

§   параметры организации ППР оборудования предприятия во времени и в пространстве;

12.    организация ремонтных работ;

13.    организация межремонтного обслуживания;

.        организация материально-технического обеспечения ремонтного хозяйства предприятия;

.        разработка, контроль и стимулирование стратегического плана повышения эффективности работы ремонтного хозяйства.

Перечисленные виды работ можно укрупнено объединить в три блока:

а) экономический блок, объединяющий работы по: учету и анализу эффективности использования ОПФ; разработке норм потребности в оборудовании для замены изношенного, технического перевооружения, капитального строительства; разработке норм потребности в запасных частях и материальных ресурсах для технического обслуживания, использования (эксплуатации) и ремонтов ОПФ; стратегическому планированию воспроизводства ОПФ, планированию ППР оборудования; планированию материально-технического обеспечения ремонтного хозяйства; разработке предложений по совершенствованию организационной и производственной структур ремонтного хозяйства (совместно со специалистами организационного блока);

б) технический блок, включающий: осуществление технического надзора за состоянием оборудования и других элементов ОПФ; проведение технического обслуживания технологического оборудования; проектирование, изготовление и восстановление запасных частей; выполнение различных видов ремонта элементов ОПФ;

в) организационный блок, включающий: организацию материально-технического обеспечения ремонтного хозяйства; организацию входного и выходного контроля качества материалов, комплектующих изделий, запасных частей и оборудования поступающих или выходящих из ремонтного хозяйства; разработку элементов ОПФ; внедрение прогрессивных для данных условий форм организации производства; совершенствование организационной и производственной структур ремонтного хозяйства.

Объем работ по каждому блоку определяется четырьмя основными факторами:

) сложностью и номенклатурой выпускаемой продукции;

) программой выпуска;

) уровнем специализации, комбинирования и кооперирования основного производства;

) уровнем специализации, комбинирования и кооперирования ремонтного хозяйства.

В условиях развития рыночных отношений наблюдается углубление и расширение специализации и интеграции. Поэтому большинство перечисленных работ могут выполняться специализированными фирмами (предприятиями, организациями), которые могут обеспечить высокое качество работ и приемлемые цены на их выполнение.

Ремонтное хозяйство на предприятии возглавляет главный механик, подчиняющийся главному инженеру (техническому директору)(рис 23).

Рисунок 23 Организационная структура управления предприятием (фирмой)

2.2 Классификация ремонта и виды выполняемых работ


Организация ремонтного хозяйства и техническое обслуживание оборудования базируются на системе планово-предупредительных ремонтов (ППР), разработанной в СССР и успешно применяемой как в отечественной промышленности, так и за рубежом.

Система ППР - это комплекс планируемых организационно-технических мероприятий по уходу, надзору, обслуживанию и ремонту оборудования.

Мероприятия носят предупредительный характер, т.е. после отработки каждой единицей оборудования определенного количества времени производятся его профилактические осмотры и плановые ремонты: малые, средние, капитальные.

Чередование и периодичность ремонтов определяется назначением оборудования, его конструктивными и ремонтными особенностями, а также условиями эксплуатации. ППР оборудования предусматривает выполнение следующих работ:

·      межремонтное обслуживание;

·        периодические осмотры;

·        периодические плановые ремонты: малые, средние, капитальные.

Межремонтное обслуживание - это повседневный уход и надзор за оборудованием, проведение регулировок и ремонтных работ в период его эксплуатации без нарушения процесса производства. Оно выполняется во время перерывов в работе оборудования (в нерабочие смены, на стыке смен и т.д.) дежурным персоналом ремонтной службы цеха.

Периодические осмотры - осмотры, промывки, испытания на точность и прочие профилактические операции, проводимые по плану через определенное количество отработанных оборудованием часов.

Периодические плановые ремонты делят на малый, средний и капитальный ремонты.

Малый ремонт - детальный осмотр, смена и замена износившихся частей, выявление деталей, требующих замены при ближайшем плановом ремонте (среднем, капитальном) и составление дефектной ведомости для него (ремонта), проверка на точность, испытание оборудования.

Средний ремонт - детальный осмотр, разборка отдельных узлов, смена износившихся деталей, проверка на точность перед разборкой и после ремонта.

Капитальный ремонт - полная разборка оборудования и узлов, детальный осмотр, промывка, протирка, замена и восстановление деталей, проверка на технологическую точность обработки, восстановление мощности, производительности по стандартам и ТУ.

ППР осуществляется по плану-графику, разработанному на основе нормативов ППР:

·      продолжительности ремонтного цикла;

·        продолжительности межремонтных и межосмотровых циклов;

·        продолжительности ремонтов;

·        категорий ремонтной сложности (КРС);

·        трудоемкости и материалоемкости ремонтных работ.

Ремонтный цикл - это период работы оборудования от начала ввода его в эксплуатацию до первого капитального ремонта, или период работы между двумя капитальными ремонтами.

Структура ремонтного цикла - это порядок чередования ремонтов и осмотров, зависящих от типа оборудования, степени его загрузки, возраста, конструктивных особенностей и условий эксплуатации.

Структура цикла технического обслуживания может включать, например, сменный осмотр, четыре пополнения смазки, одну замену смазки, один частичный осмотр и две профилактические регулировки.

Ремонтный цикл измеряется оперативным временем работы оборудования (время простоя в ремонте в цикл не включается) Определяется он расчетным способом, по эмпирическим зависимостям от ряда факторов.

Категория ремонтной сложности (КРС) присваивается каждой единице оборудования. В качестве ремонтной единицы принята 1/11 трудоемкости капитального ремонта токарно-винторезного станка 16К20, относящегося к одиннадцатой группе сложности.

Для единицы ремонтной сложности рассчитаны нормативы в часах для ремонтов по видам работ:

·      слесарные;

·        станочные;

·        прочие (окрасочные, сварочные и др.);

Категория ремонтной сложности для механической и электрической частей оборудования рассчитываются отдельно.

Трудоемкость и материалоемкость ремонта и технического обслуживания оборудования зависят от его конструкционных особенностей.

По этому признаку все оборудование распределено на категории сложности. Трудоемкость ремонтных работ определяется через трудоемкость единицы сложности ремонта.

За единицу ремонтной сложности механической части принята ремонтная сложность условного оборудования, трудоемкость капитального ремонта которого в условиях среднего ремонтно-механического цеха составляет 50 ч, а за единицу ремонтной сложности электрической части оборудования - соответственно 12,5 ч. Категория сложности ремонта оборудования определяется по числу единиц сложности ремонта, присвоенных данной группе оборудования.

Трудоемкость определяется раздельно по механической и электрической части оборудования. Аналогично определяют потребность в материалах на все виды ремонтов и техническое обслуживание, используя нормы расхода материалов, которые устанавливаются также на единицу ремонтной сложности.

Техническое обслуживание - это комплекс операций по поддержанию работоспособности оборудования при использовании его по назначению, при хранении и транспортировании. В процессе технического обслуживания периодически повторяющиеся операции - осмотры, промывки, проверки на точность и др. - регламентированы, выполняются по заранее разработанному графику. Кроме того, производственные рабочие, слесари, электрики, смазчики повседневно наблюдают за состоянием оборудования, соблюдают правила его эксплуатации, устраняют возникающие мелкие неисправности. Некоторые операции регламентированного технического обслуживания могут быть совмещены по времени, например смена масла с осмотрами. Проверку точности оборудования выполняет персонал отделов технического контроля и главного механика.

Текущий ремонт производится в процессе эксплуатации оборудования.

При этом виде ремонта заменяются и восстанавливаются отдельные части (детали, узлы) оборудования и выполняется регулировка его механизмов.

Цель такого ремонта - обеспечить работоспособность оборудования до очередного планового ремонта.

Капитальный ремонт осуществляют для восстановления полного или близкого к полному ресурса. Обычно он сопровождается модернизацией оборудования.

Ремонты, вызываемые отказами и авариями оборудования, называются неплановыми (аварийными). При хорошо организованной системе обслуживания, ремонта и высокой культуре эксплуатации оборудования необходимость в неплановых ремонтах, как правило, не возникает.

Система ремонта и технического обслуживания в зависимости от характера и условий эксплуатации оборудования может функционировать в различных организационных формах: в виде послеосмотровой системы, системы периодических ремонтов или системы стандартных ремонтов. При системе послеосмотровых ремонтов по заранее разработанному графику выполняются осмотры оборудования, в процессе которых устанавливается его состояние и составляется ведомость дефектов. На основании данных осмотра определяются сроки и содержание предстоящего ремонта. Система периодических ремонтов и нормативная её часть положены в основу типовой системы технического обслуживания и ремонта металло- и деревообрабатывающего оборудования. При этой системе планируются сроки и объемы ремонтных работ всех видов. Однако фактический объем работ корректируется при осмотре. Эта система находит наиболее широкое применение в машиностроении. При системе стандартных ремонтов объем и содержание их планируются и строго соблюдаются независимо от фактического состояния оборудования. Эта система базируется на точно установленных нормативах и применяется к оборудованию, неплановая остановка которого недопустима.

На основе расчетов разрабатывают годовые графики ППР, определяют трудоемкость предстоящих работ и устанавливают штат ремонтного персонала.

Ремонт и техническое обслуживание технологического оборудования на машиностроительных предприятиях осуществляют ремонтно-механические цехи и ремонтные службы цехов. В зависимости от доли работ, выполняемых производственными, ремонтно-механическими цехами и цеховыми ремонтными службами, различают три формы организации ремонта: централизованную, децентрализованную и смешанную. При централизованной форме все виды ремонта, а иногда и техническое обслуживание производит ремонтно-механический цех предприятия (РМЦ).

При децентрализованной они выполняются силами цеховых ремонтных баз (ЦРБ). На этих же базах изготовляют новые и восстанавливают изношенные детали. При смешанной форме наиболее трудоемкие работы (капитальный ремонт, модернизация оборудования, изготовление запасных частей и восстановление изношенных деталей) проводится в РМЦ, а техническое обслуживание и текущие ремонты - силами ЦРБ, комплексными бригадами слесарей, закрепляемых за отдельными участками.

С увеличением доли сложного, прецизионного и автоматического оборудования, с повышением требований к качеству продукции наметилась тенденция перехода от децентрализованной формы к смешанной.

2.3 Основные направления совершенствования ремонтного хозяйства


1.      в области организации производства - развитие специализации и кооперирования в выпуске основной продукции, в организации ремонтного хозяйства;

2.      в области планирования воспроизводства ОПФ - применение научных подходов и методов менеджмента;

.        в области проектирования и изготовления запасных частей - унификация и стандартизация элементов запасных частей, применение систем автоматизированного проектирования на основе классификации и кодирования, сокращение продолжительности проектных работ и повышение их качества;

.        в области организации работ - соблюдение принципов рациональной организации производства (пропорциональности, параллельности и др.), применение сетевых методов и ЭВМ;

.        в области технического надзора, обслуживания и ремонтов ОПФ - развитие предметной и функциональной специализации работ, повышение технического уровня ремонтно-механического цеха, усиление мотивации качественного труда и др.

2.4 Организация ремонтного хозяйства на примере: Транспортно-экспедиторской компании RIATEC


Грузоперевозки в Приднестровье, из Приднестровья или транзитом через Приднестровье занимают важное место в международном движении товаров как среди стран СНГ: Молдовы, России, Украины, Белоруссии и др., так и в страны ЕС - в товарообороте между ними и Приднестровьем наблюдается определенный рост и стабильность.

В январе-октябре 2010 года объем приднестровского экспорта составил $324,5 миллионов; лидерами среди перевозимых грузов являются металлургическая продукция - 41%, продукция легкой промышленности - 35%, а также машиностроительная и электротехническая продукция и алкогольная продукция. Основные покупатели продукции из Приднестровья по прежнему остаются страны СНГ, они же обеспечивают и преобладающую долю импорта в Приднестровье - до 75% продукции.

Нельзя не отметить высокий промышленный и транспортный потенциал региона, пик в развитии которого пришелся на 2000год, когда объем экспортно-импортных операций в перерасчете на душу населения был в 3 раза больше, чем в остальной Молдове.

Основная проблема Приднестровья в контексте международных грузоперевозок касается плачевного состояния транспортной инфраструктуры в регионе. Это в первую очередь касается качества дорожного покрытия, не соответствующего международным требованиям, что несет прямые убытки, как перевозчикам в виду изнашивания транспорта, так и самому региону, поскольку транзит по территории ПМР сведен к минимуму, а большегрузный автотранспорт с большой осевой нагрузкой, осуществляющий, к примеру, перевозку крупногабаритных тяжеловесных грузов, лишь усугубляет и без того плохое состояние дорог.

Всего же в хорошем состоянии в Приднестровье находится около 10% дорог. При этом автотранспорт является лидером по грузоперевозкам в регионе - на его долю приходится до 65% перевозок грузов. Преимущество перевозок автотранспортом - это широкая сетка автомобильных дорог, что позволяет доставить груз в любой населенный пункт, а плотность дорог сопоставима с аналогичным показателем Румынии, Болгарии, Украины - 31км на 100 кв.км.

Организационная структура технической службы АТП

Поддержание подвижного состава в работоспособном состоянии является одной из основных задач инженерно-технической службы автотранспортного предприятия (АТП).

Повышение производительности труда ремонтных и вспомогательных рабочих и эффективности работы систем обслуживания и ремонта является важной составной частью решения общей проблемы повышения эффективности работы подвижного состава. Однако эффективность работы систем обслуживания и ремонта в настоящее время находится на низком уровне. Надёжность работы подвижного состава на линии по наработке на отказ в ряде случаев не превышает 5000…7000 км.

Анализ причин неудовлетворительной эффективности работы систем технического обслуживания и ремонта показывает, что они условно могут подразделяться на две группы: объективные и организационные.

Общий объём простоев, таким образом, разделяется на две крупные составляющие (таблица 12).

Удельный вес причин простоя автотранспорта в АТП

Таблица №12

Причины

Удельный вес, %

1

2

Объективные причины

Отсутствие запасных частей

4

Условия эксплуатации

10

Возраст парка машин

18

Слабая производственная база

15

Прочие

18

Всего по объективным причинам

65

Организационные причины

Низкая трудовая дисциплина

11

Слабая организация работ

18

Всего по организационным причинам

35


Если устранение недостатков, отнесённых к группе объективных причин, не всегда зависит от усилий, предпринимаемых силами АТП, то вторая группа причин обусловлена главным образом низким организационным и управленческим уровнем работы систем технического обслуживания и ремонта в АТП. Ликвидация этих недостатков может значительно улучшить эффективность транспортной работы подвижного состава АТП. Структура систем технического обслуживания и ремонта подвижного состава на предприятии состоит из нескольких взаимосвязанных подсистем (рис. 24).

Основу структуры составляют три подсистемы производства: основное, вспомогательное и обслуживающее. Основное производство включает работы по ежесменному обслуживанию (ЕО), техобслуживанием №1 и №2 (ТО-1, ТО-2) и текущему ремонту (ТР). Вспомогательные участки - производственные цеха - выполняют механические, тепловые, малярные, обойные, электротехнические и другие работы. Обслуживающее производство включает в себя склады, транспортную группу для самообслуживания и др.

В организационную структуру технической службы кроме выше рассмотренных подсистем, входят следующие подразделения: технический отдел (ТО), отдел главного механика (ОГМ), отдел материально-технического снабжения (ОМТС), отдел технического контроля (ОТК).

В организационную структуру технической службы входит также технический отдел, который разрабатывает планы мероприятий по научной организации труда (НОТ), внедрению новой техники и прогрессивных технологий и производственных процессов, разрабатывает и проводит мероприятия по охране труда, изучает причины производственного травматизма, ведёт учёт расхода ТСМ, учёт и контроль пробега резинотехнических изделий - шин, ведёт учёт и контроль за своевременностью проведения ТО, осуществляет отчётность по технической службе.

Рисунок 24 Организационная структура системы обслуживания и ремонта подвижного состава АТП

Отдел главного механика отвечает за содержание в технически исправном состоянии технологическое оборудование, за правильностью его использования. Главный механик не является начальником производства, он отвечает за расстановку ремонтных рабочих и ремонт автомобилей, осуществляет заполнение табеля.

Отдел материально-технического снабжения обеспечивает предприятие необходимыми материалами (запасные части, агрегаты, ТСМ, строительные материалы и т.д.), составляет заявки на приобретение извне.

Отдел технического контроля проверяет техническое состояние при выпуске на линию и возвращении, обнаруживая неисправность, определяет вид необходимого воздействия и подаёт заявку в ремонтную зону на то или иное ТО или ремонт.

Между подсистемами и отделами существует многосторонняя взаимосвязь на всех уровнях.

Технологический процесс производства

Под технологическим процессом производства понимается последовательность технических воздействий на автомобиль на автотранспортном предприятии.

На КТП (рис.25) осуществляется инвентарный и технический приём автомобиля с линии, проверяется и оформляется принятой в АТП документацией в виде заявки.

основное движение; возможное движение.

КТП - контрольно-технический пункт; ЕО - ежесменное обслуживание; ТО - техническое обслуживание; ТР - текущий ремонт; Д-1 - диагностика общая; Д-2 - диагностика поэлементная; ДР - диагностика, выполняемая во время ТО и ремонта автомобилей.

Рисунок 25 Схема технологического процесса ТО и ТР

Затем автомобили проходят моечно-уборочное обслуживание, после чего исправные автомобили направляются в зону хранения, а нуждающиеся в ТО или ремонте - в соответствующие производственные зоны.

После выполнения ТО или ремонта автомобили направляются в зону хранения. Если количество автомобилей , возвращающихся с линии в единицу времени больше пропускной способности, то часть автомобилей направляется в зону ожидания ТО и ремонта и поступают на посты ТО и ремонта по мере высвобождения мест. Предприятие пользуется АЗС общего пользования, и автомобили заправляются топливом и маслом перед возвращением или утром после получения путевого листа.

В производстве организован пост диагностики, который часть автомобилей после ЕО, перед обслуживанием и ремонтом подвергает диагностированию. Затем автомобили поступают на посты обслуживания и ремонта. Выпуск автомобилей на линию обычно осуществляется из зоны хранения через КТП.

Периодичность технического обслуживания

Как показывает анализ деятельности автотранспортного цеха, преимущественная категория эксплуатации автомобилей - II.

Периодичность технических обслуживаний определяется по формуле:

ТО-1 = L`ТО-1 . К2, км(2.1)

LТО-2 = L`ТО-2 . К2, км(2.2)

где: LТО-1 , LТО-2 - скорректированная периодичность соответственно первого и второго технического обслуживания, км;

L`ТО-1 , L`ТО-2 - периодичность технического соответственно первого и второго обслуживания для I категории условий эксплуатации, км;

К2 - коэффициент, корректирующий периодичность в зависимости от категории эксплуатации. Для II категории К2 = 0,8.

Для автомобилей МАЗ:

LТО-1 = 4000 . 0,8 = 3200 км

LТО-2 = 12009 . 0,8 = 9600 км

Аналогично определяем периодичность ТО для остальных марок автомобилей. Результаты корректирования сводим в таблицу13.

Периодичность технического обслуживания подвижного состава

Таблица №13

Марка автомобиля

Периодичность


ТО-1

ТО-2

Автомобили МАЗ

3200

12800

ЗИЛ - 433512

3200

12800

ЗИЛ - 433100

2400

9600

ЗИЛ - 431410

3200

12800

ГАЗ - 2705 (Газель)

1600

6400

ГАЗ - 2703 (Газель)

1600

6400

 

Составление годового плана-графика проведения технического обслуживания и ремонта

При планировании работы зон обслуживания и ремонта годовой план-график проведения ТО и ТР облегчает планирование всех работ и увязку деятельности отдельных зон и цехов.

В основу составления годового плана-графика ТО и ТР заложен годовой бизнес-план предприятия с разбивкой его по кварталам и месяцам. В данном проекте, исходя из годового бизнес-плана с учётом специфики перевозок и природно- климатических условий, годовое распределение технических обслуживаний выглядит следующим образом (см. табл.14)

Годовое распределение количества технических обслуживаний

Таблица №14

Месяц

Количество ТО по месяцам


ТО-1

ТО-2

1

2

3

Январь

137

143

Февраль

132

138

Март

133

139

Апрель

142

147

Май

143

148

Июнь

144

151

Июль

142

157

Август

137

148

Сентябрь

127

125

Октябрь

128

128

Ноябрь

131

131

Декабрь

138

148

Итого

16461717



Оснащённость рабочих мест инструментом и приспособлениями

Разработка рабочих мест зоны технического обслуживания ТО-1

Рабочее место - это технологическая карта, в которой указано наименование работ и порядок их выполнения, трудоёмкость по каждой операции, наименование оснастки для проведения операций, технические условия, предъявляемые к объекту (узлу, агрегату, соединению), карта смазки автомобиля.

Проектом предусматривается проведение обслуживания ТО-1 по поточной технологии. При этом контрольно-диагностические операции выполняются на участке диагностики

Каждое рабочее место должно быть укомплектовано в соответствии с нормативно-технологической документацией.

Разработка рабочих мест зоны технического обслуживания ТО-2

Проектом предусматривается проведение обслуживания на тупиковых постах. При этом контрольно-диагностические операции выполняются на участке диагностики, а смазочно-заправочные работы проводятся на посту смазки линии ТО-1.

Для выполнения суточного задания предусматривается 2 тупиковых поста. Рабочие места укомплектовываются в соответствии с нормативно-технологической документацией: перечень работ, порядок их выполнения, нормативная трудоёмкость по каждой операции, наименование оснастки, технические условия.

Исходя из вышесказанного можно сделать следующий вывод, пути сокращения простоя оборудования в ремонтах - важная организационно-экономическая задача. Её решение приводит к уменьшению парка оборудования (или к увеличению выпуска продукции), повышению коэффициента его использования. Прогрессивным направлением организации ремонтного хозяйства является создание ремонтных баз на предприятиях - изготовителях оборудования. При такой организации предприятия-изготовители становятся более заинтересованными в совершенствовании конструкций изделий, повышении их ремонтопригодности и равно износостойкости отдельных их частей. Особо важное значение имеет развитие фирменного ремонта такого оборудования, как станки с ЧПУ, автоматизированные и роботизированные комплексы.

Важнейшая задача - добиться, чтобы все предприятия, эксплуатирующие оборудование, а также специализированные ремонтные предприятия были обеспечены запасными деталями. Все виды ремонтов выполняются за счет ремонтного фонда.

На основании анализа эксплуатации автомобильного парка на автотранспортном предприятии Транспортно-экспедиторской компании RIATEC выявлено следующее:

·   существующая организация технического обслуживания и текущего ремонта подвижного состава требует совершенствования.

·   необходима разработка мероприятий по совершенствованию организации производственно-технической службы предприятия.

Для улучшения эксплуатации подвижного состава АТП разработана организационная структура системы обслуживания и ремонта подвижного состава АТП, а также предложен комплект оборудования для диагностирования и технического обслуживания. Определён оптимальный штат рабочих на участках диагностики и ТО.

С целью снижения затрат на предэксплуатационные прогревы автомобилей разработана соответствующая установка, позволяющая достичь экономического эффекта до 3 247 тыс. руб. ежегодно.

Годовой экономический эффект от внедрения проекта - 3 274 тыс. руб. Срок окупаемости капиталовложений - 2,38 года.

Глава 3. Охрана труда. Меры безопасности при техническом обслуживании электронной техники

 

.1 Анализ условий труда


Особенностью труда работников является повышенное зрительное напряжение, связанное с обслуживанием компьютерной техники и со слежением за информацией, а также влияние других неблагоприятных факторов: шум оборудования, тепловыделения, вредные вещества, различные виды излучения, особенностью технологического процесса и организации рабочих мест. Работники утомляется из-за постоянного эффекта мелькания, неустойчивости и нечеткости изображения, необходимости частой переадаптации к освещенности экрана дисплея, а также общей освещенности помещения. Неблагоприятными также являются нечеткость и слабая контрастность изображения на экране, расплывчатость, яркие вспышки света.

На орган зрения воздействуют появление ярких пятен за счет отражения светового потока на клавиатуре и экране, различие в освещенности рабочей поверхности и ее окружения. Труд специалистов по обслуживанию вычислительной техники характеризуется повышенным уровнем психического напряжения. Последнее усиливается при угрозе какой-либо опасности во время работы. Стрессовые ситуации могут быть связаны со сложностями трудовой деятельности, необходимостью поддерживать постоянное внимание, ответственностью за качество выполняемой работы.

Признаками запредельного психического перенапряжения (переутомления) являются неправильные, ошибочные действия пользователя, уменьшение скорости двигательных реакций, снижение в целом физической активности, наблюдается также головная боль, усталость мышц спины, шеи и рук, резь в глазах, приводящие к ухудшению состояния здоровья, работающего с ПЭВМ, и снижению работоспособности. Одним из важных факторов, которые влияют на работоспособность и состояние здоровья пользователей ПЭВМ является организация рабочего места. Неправильная организация рабочего места приводит к общей усталости, головным болям, усталости мышц рук, болям в спине и шее. Такие негативные моменты чаще всего возникают из-за несоответствия помещений и организации рабочих мест эргономическим требованиям и санитарно-производственным нормам.

 

3.2 Характеристика санитарно-гигиенических условий труда


Для создания благоприятных санитарно-гигиенических условий труда все элементы производственной среды должны систематически подвергаться исследованию и приводиться в соответствие с нормативами. Основные руководящие документы, регламентирующие эти условия на предприятиях:

различные ГОСТы;

СанПиН - санитарные правила и нормы;

СП - санитарные правила;

СНиП - строительные нормы и правила;

ПДУ - предельно допустимые уровни;

ПДК - предельно допустимые концентрации;

ГН - гигиенические нормативы;

МУК - методические указания по контролю;

ОБУВ - ориентировочные безопасные уровни воздействия веществ в воздухе рабочей зоны и др.

Действующие санитарно-гигиенические нормативы разрабатываются по отдельным факторам и в основном регламентируют ПДК и ПДУ вредных факторов, т.е. уровни концентрации, которые при ежедневной работе в течение 8 ч. (40 ч. в неделю) не вызывают у работающих профессиональных заболеваний, общих отклонений в здоровье. Однако необходимо иметь в виду, что дозы и уровни вредных факторов, даже значительно меньше предельно допустимых, при комбинированном действии могут становиться опасными для здоровья.

В настоящее время наряду с предельно допустимыми по отдельным факторам разработаны и оптимальные нормы, на которые и следует ориентироваться при осуществлении мероприятий по совершенствованию санитарно-гигиенических условий труда. Если же оптимальные уровни еще не определены в нормативных документах, необходимо предусматривать дозы и уровни вредных факторов значительно более низкими, чем ПДК и ПДУ.

Микроклимат на рабочем месте оказывает большое влияние на состояние здоровья и производительность труда техника. Ввиду того, что видеотерминалы, паяльные установки являются источником тепловыделений и вредного вещества, это может привести к повышению температуры и снижению относительной влажности воздуха на рабочих местах, что способствует раздражению кожи. В соответствии ГОСТ 12.1.005-88 работы, выполняемые техником, который пользуется компьютером, относятся к категории 1а. Для помещения, где размещено рабочее место техника, принимаются следующие допустимые микроклиматические условия:

Температура воздуха в °С - 21- 25

Влажность воздуха в % - 40- 60

Скорость движения воздуха в м/с -0.1 - 0.2

Также должна быть обеспечена защита работающих от возможного перегревания и охлаждения, также система местного кондиционирования воздуха в данном помещении с оборудование ПК.

3.3 Защита от шума и вибрации на рабочих местах


При разработке мероприятий для защиты от шума и вибрации следует руководствоваться ГОСТ 12.1.003-80 "Шум. Общие требования безопасности".

Звук - это колебательное движение в материальной среде, обладающей упругостью и инерционностью, вызванное каким-либо источником.

Основным источником шума на рабочем месте является компьютер, допустимый уровень шума в соответствие с нормами 65Дб, если шум превышает допустимый уровень то необходимо использовать беруши, либо снизить звук.

Снижения шума и вибрации можно достичь следующими методами:

уменьшение шума и вибрации в источнике их образования;

изоляция источников шума и вибрации средствами звуко - и виброизоляции, звуко - и вибропоглощения;

- архитектурно-планировочные решения, предусматривающие рациональное размещение технологического оборудования, машин, механизмов, акустическая обработка помещений;

применение средств индивидуальной защиты.

Наиболее эффективна защита от шума и вибрации в источнике их образования. Поэтому при проектировании и конструировании оборудования и технологических процессов необходимо (где это возможно) заменять ударные взаимодействия деталей безударными, возвратно-поступательное движение - вращательным, подшипники качения - подшипниками скольжения, металлические детали - деталями из пластмасс или других материалов, шумные технологические процессы - бесшумными или малошумными и т.д.

При изготовлении оборудования необходимо соблюдать минимальные допуски в сочленениях и тщательную балансировку движущихся деталей, демпфировать (поглощать) вибрации соударяющихся деталей путем покрытия их материалами, имеющими большое внутреннее трение (резиной), а также применением прокладок из пробки, битумного картона, войлока, асбеста и т.п.

Защита от аэродинамического шума, возникающего при работе вентиляционных установок, кондиционеров, компрессоров, при обдувке деталей сжатым воздухом для их очистки, сушки и при других технологических операциях требует больших усилий и часто является недостаточной. Основное снижение шума достигается в основном звукоизоляцией источника или применением глушителей, которые устанавливают на воздуховодах, всасывающих трактах, магистралях выброса и перепуска воздуха.

Звукоизоляция - это специальные устройства - преграды (в виде стен, перегородок, кожухов, экранов и т.д.), препятствующие распространению шума из одного помещения в другое или в одном и том же помещении. Физическая сущность звукоизоляции состоит в том, что наибольшая часть звуковой энергии отражается от ограждающих конструкций.

Звукоизолирующая способность преград возрастает с увеличением их массы и частоты звука. В ряде случаев многослойные конструкции, состоящие из разных материалов, обладают более высокой звукоизоляцией, чем однослойные конструкции такой же массы. Воздушная прослойка между слоями увеличивает звукоизолирующую способность преграды.

В производственных условиях часто вместе со звукоизоляцией применяют звукопоглощение. Наиболее эффективно поглощают звук пористые материалы. Это объясняется переходом энергии колеблющихся частиц воздуха в теплоту, образующуюся в результате их трения в порах материала.

В качестве звукопоглощающего материала применяют капроновое волокно, поролон, минеральную вату, стекловолокно, пористый поливинилхлорид, асбест, пористую штукатурку, вату и др.

Очень часто для защиты от шума используют специальные кожухи, устанавливаемые на агрегатах. Их обычно изготавливают из тонких алюминиевых, стальных или пластмассовых листов. Внутренняя поверхность кожуха обязательно облицовывается звукопоглощающим материалом. При установке кожуха на пол должны использоваться резиновые прокладки. Кожух может обеспечить снижение шума на 15-20дБ.

Для защиты работающих от непосредственного (прямого) воздействия шума используют экраны, устанавливаемые между источником шума и рабочим местом. Акустический эффект экрана основан на образовании за ним области тени, куда звуковые волны проникают лишь частично. Экраны облицовывают звукопоглощающим материалом толщиной не менее 50-60 мм. Снижение шума в местах, защищенных экранами, составляет 5-8 дБ.

В шумных цехах ряд рабочих мест, например операторов пультов управления, размещают в звукоизолированных каби-нах, внутренние поверхности которых облицовывают звукопоглощающими материалами.

В больших производственных помещениях хороший эффект в снижении шума дают объемные звукопоглотители в виде перфорированных кубов, шаров или конусов. Их подвешивают над шумными агрегатами или размещают в определенном порядке вдоль ограждающих конструкций.

Большое значение для снижения шума и вибрации имеет правильная планировка территории и производственных помещений, а также использование естественных и искусственных преград, препятствующих распространению шума.

Для защиты от вибрации широко используют также вибропоглощающие и виброизолирующие материалы и конструкции.

Виброизоляция - это снижение уровня вибрации защищаемого объекта, достигаемое уменьшением передачи колебаний от их источника. Виброизоляция представляет собой упругие элементы, размещенные между вибрирующей машиной и ее основанием. Амортизаторы вибраций изготавливают из стальных пружин или резиновых прокладок.

Фундаменты под тяжелое оборудование, вызывающее значительные вибрации, делают заглубленными и изолируют со всех сторон пробкой, войлоком, шлаком, асбестом и другими демпфирующими вибрации материалами.

Для уменьшения вибрации кожухов, ограждений и других деталей, выполненных из стальных листов, на них наносят слой резин, пластиков, битума, вибропоглощающих мастик, которые рассеивают энергию колебаний.

В тех случаях, когда техническими и другими мерами не удается снизить уровень шума и вибрации до допустимых пределов, применяют индивидуальные средства защиты. В качестве индивидуальных средств защиты от шума в соответствии с ГОСТ 12.1.003-83 используют мягкие противошумные вкладыши, вставляемые в уши, тампоны из ультратонкого волокна или жесткие из эбонита или резины, эффективные при ?L = 5-20 дБ.

При звуковом давлении L>120 дБ рекомендуются наушники типа ВЦНИИОТ, предназначенные для защиты от высокочастотного шума; шлемы, каски и специальные противошумные костюмы.

Для защиты рук от воздействия локальной вибрации, согласно ГОСТ 12.1.012.90, «Вибрационная безопасность» применяют рукавицы или перчатки следующих видов: со специальными виброзащитными упруго-демпфирующими кладышами, полностью изготовленные из виброзащитного материала (литьем, формованием и т.п.), а также виброзащитные прокладки или пластины, которые снабжены креплениями к руке.

Для защиты от вибрации, передаваемой человеку через ноги, рекомендуется носить обувь на войлочной или толстой резиновой подошве.

Для исключения контакта с источником ультразвука необходимо применять дистанционное управление оборудованием; автоблокировку, т.е. автоматическое отключение оборудования при выполнении вспомогательных операций (загрузка и выгрузка продукции, нанесение контактных смазок и т.д.); приспособления для удержания источника ультразвука или обрабатываемой детали.

В качестве СИЗ работающих от вредного воздействия ультразвука, распространяющегося в воздушной среде, следует применять противошумы.

Для защиты рук от воздействия контактного ультразвука необходимо применять две пары перчаток - резиновые (наружные) и хлопчатобумажные (внутренние) или только хлопчатобумажные.

К работе с ультразвуковым оборудованием не допускаются лица моложе 18 лет. Лица, обслуживающие ультразвуковое оборудование, должны проходить предварительный и периодический медосмотры.

3.4 Электробезопасность. Требования безопасности при работе с электрооборудованием


ЭЛЕКТРОБЕЗОПАСНОСТЬ - система организационно-технических мероприятий и средств, обеспечивающих защиту людей от вредного и опасного воздействия электрического тока, электрической дуги, электромагнитного поля и статического электричества.

Действие электрического тока на организм человека.

Таблица 15

Сила тока, мА

Переменный ток 50 - 60 Гц

Постоянный ток

0,6 - 1,5

Легкое дрожание пальцев рук

Не ощущается

2 - 3

Сильное дрожание пальцев рук

Не ощущается

5 - 7

Судороги в руках

3yд. Ощущение нагревания

8 - 10

Руки с трудом, но еще можно оторвать от электродов. Сильные боли в руках, особенно в кистях и пальцах

Усиление нагревания

20 - 25

Руки парализуются немедленно, оторвать их от электродов невозможно. Очень сильные боли. Затрудняется дыхание

Еще большее усиление нагревания, незначительное сокращение мышц рук

50 - 80

Паралич дыхания. Начало трепетания желудочков сердца

Сильное ощущение нагревания. Сокращение мышц рук. Судороги. Затруднение дыхания

90 - 100

Паралич дыхания и сердца при воздействии более 0,1 с.

Паралич дыхания


Электрический удар ведет к возбуждению живых тканей; В зависимости от патологических процессов, вызываемых поражением электротоком, принята следующая классификация тяжести электротравм при электрическом ударе:

b.      электротравма II степени - судорожное сокращение мышц с потерей сознания,".         электротравма III степени - потеря сознания и нарушение функций сердечной деятельности или дыхания (не исключено и то и другое);.         электротравма IV степени - клиническая смерть.

Степень тяжести электрического поражения зависит от многих факторов: сопротивления организма, величины, продолжительности действия, рода и частоты тока, пути его в организме, условий внешней среды.

Исход электропоражения зависит и от физического состояния человека. Если он болен, утомлен или находится в состоянии опьянения, душевной подавленности, то действие тока особенно опасно. Безопасными для человека считаются переменный ток до 10 мА и постоянный - до 50 мА.

Основными причинами электротравматизма являются:

. Неожиданное возникновение напряжения там, где в нормальных условиях его не должно быть. Под напряжением могут оказаться корпуса электрического оборудования, строительные конструкции и приспособления (полы, подмости, металлические леса и др.). Чаще всего это происходит в результате пробоя или повреждения изоляции кабелей, проводов или обмоток электрических машин и аппаратов при присоединении токоведущих частей с указанными конструкциями.

. Прикосновение человека к неизолированным токоведущим частям.

. Попадание человека в зону короткого замыкания фазы на землю.

Электрозащитные средства:

По назначению электрозащитные средства условно делятся на изолирующие, ограждающие и вспомогательные.

Изолирующие защитные средства служат для изоляции человека от токоведущих частей и от земли и подразделяются, в свою очередь, на основные и дополнительные:

основные средства способны надежно выдерживать рабочее напряжение электроустановки и допускающие касание токоведущих частей, находящихся под напряжением. В электроустановках напряжением выше 1000 В к основным изолирующим защитным средствам относятся изолирующие штанги, изолирующие и электроизмерительные клещи, указатели напряжения, указатели напряжения для фазировки, изолирующие устройства и приспособления для ремонтных работ (изолирующие лестницы, площадки, тяги, канаты, корзины телескопических вышек и др.).

В электроустановках напряжением до 1000 В основными электрозащитными средствами являются изолирующие штанги, изолирующие и электроизмерительные клещи, указатели напряжения, диэлектрические перчатки, слесарно-монтажный инструмент с изолирующими рукоятками;

Дополнительные электрозащитные средства - это такие средства защиты, которые при данном напряжении не могут обеспечить защиту от поражения током, поэтому их применяют совместно с основными электрозащитными средствами.

К дополнительным электрозащитным средствам в электроустановках напряжением выше 1000 В относятся: диэлектрические перчатки, диэлектрические боты, диэлектрические ковры, индивидуальные экранирующие комплекты, изолирующие подставки и накладки, диэлектрические колпаки, переносные заземления, оградительные устройства, плакаты и знаки безопасности.

К дополнительным электрозащитным средствам в электроустановках напряжением до 1000 В относятся: диэлектрические галоши, диэлектрические ковры, переносные заземления, изолирующие подставки.

Требования безопасности при работе с электрооборудованием

. При питании трансформаторов, аккумуляторов и других источников, не имеющих средств взрывозащиты, их следует располагать за пределами взрывоопасной зоны.

2. Во взрывоопасных помещениях и на наружных объектах необходимо заземлять (занулять) электроустановки при всех напряжениях тока, а также электрооборудование, закрепленное на металлических конструкциях, независимо от заземления последних.

. Заземление необходимо выполнять в соответствии с требованиями действующих государственных стандартов и строительных норм и правил.

. Каждая часть электроустановки, подлежащая заземлению или занулению, должна быть присоединена к сети заземления или зануления при помощи отдельного ответвления. Последовательное включение в заземляющий или защитный проводник заземляемых или зануляемых частей электроустановки не допускается.

. При использовании в качестве заземляющих устройств металлических и железобетонных конструкций все металлические элементы этих конструкций должны быть соединены между собой, образуя непрерывную электрическую цепь, железобетонные элементы, кроме того, должны иметь металлические выпуски (закладные изделия) для присоединения к ним сваркой заземляющих или нулевых защитных проводников.

. При использовании технологических конструкций в качестве заземляющих и нулевых защитных проводников на перемычках между ними, а также в местах присоединений и ответвлений проводников должно быть нанесено не менее двух полос желтого цвета по зеленому фону.

. Электротехнические устройства и устройства, используемые как производственное оборудование, должны соответствовать требованиям действующих государственных стандартов.

. При необходимости электротехнические устройства должны быть снабжены сигнализацией, надписями и табличками.

Знаки, используемые на предупредительных табличках и сигнализации, должны выполняться в соответствии с требованиями действующих государственных стандартов и размещаться на устройствах в местах, удобных для обзора.

. Значение сопротивления между заземляющим болтом (винтом, шпилькой) и каждой, доступной прикосновению, металлической частью изделия, которая может оказаться под напряжением, не должно превышать 0,1 Ом.

10. Не допускается использовать в качестве заземлителей и заземляющей проводки технологические трубопроводы, содержащие горючие жидкости, а также трубопроводы, покрытые изоляцией для защиты от коррозии.

11. Светотехническое оборудование должно соответствовать званиям действующих государственных стандартов.

12. Взрывозащищенные светильники, не имеющие знаков взрывозащиты, пломб или отдельных деталей, предусмотренных инструкцией, к эксплуатации во взрывоопасных помещениях не допускаются.

13. Ручные взрывозащищенные светильники должны храниться в специальных помещениях, их следует выдавать в исправном состоянии и только на время выполнения работ.

. Профилактическое обслуживание взрывозащищенных светильников (замену ламп, зарядку или замену аккумуляторов) должны выполнять работники, имеющие соответствующую квалификации, допуск к работам.

. Эксплуатация ручных электрических машин и электроинструмента вне пределов взрывоопасных зон должна осуществляться соответствии с требованиями действующих государственных стандартами.

. Ремонт взрывозащищенного оборудования во взрывоопасных зонах должен осуществляться в соответствии с требованиями действующей нормативно-технической документации.

. Компьютеры и оргтехнику следует эксплуатировать в соответствии с требованиями действующих санитарных норм и правил, в помещениях, максимально очищенных и освобожденных от влаги, грязи, пыли.

3.5 Требования к организации и оборудованию рабочего места техника


Под условиями труда понимается совокупность факторов производственной среды, оказывающих влияние на здоровье и работоспособность человека в процессе труда.

Исследования условий труда показали, что факторами производственной среды в процессе труда являются: санитарно - гигиеническая обстановка, психофизиологические элементы, эстетические элементы, социально - психологические элементы.

Из вышеперечисленного следует, что производственная среда, создающая здоровые и работоспособные условия труда, главным образом обеспечивается выбором технологического процесса, материалов и оборудования; распределением нагрузки между человеком и оборудованием; режимом труда и отдыха, эстетической организацией среды и профессиональным отбором работающих.

Опасные и вредные производственные факторы.

При организации условий труда необходимо также учитывать воздействие на работающих опасных и вредных производственных факторов, которые могут привести к травме или другому внезапному резкому ухудшению здоровья и заболеванию или снижению работоспособности.

Опасным называется производственный фактор, воздействие которого на работающего в определённых условиях приводит к травме или другому внезапному резкому ухудшению здоровья. Если же производственный фактор приводит к заболеванию или снижению работоспособности, то его считают вредным.

Вредные и опасные производственные факторы подразделяются по природе действия на четыре группы: физические, химические, биологические и психофизиологические.

Техника безопасности при ремонте и обслуживании компьютера:

Первое, что нужно помнить при ремонте компьютера то, что компьютер - это электроприбор. Это значит, что есть вероятность поражения электрическим током. Самое высокое напряжение в 220 Вольт на входе блока питания, который преобразует переменное напряжение электрической сети (220 Вольт, 50 Герц) в постоянные (импульсные) напряжения не превыщающие 12 Вольт.

Правило первое: «Выключайте компьютер из сети при проведении ремонтных и профилактических работ!»

Второе, немало важное правило вытекает из особенностей строения компьютера. Компьютерные комплектующие в большинстве своем построены на основе ИМС (интегральных микросхем), которые очень «боятся» статического электричества.

Сформулируем правило два: «Прежде чем касаться микросхем, прикоснитесь к корпусу компьютера!»

Третье, касающееся работы с любой аппаратурой - это аккуратность и неспешность. Простой пример: «При установке или снятии процессора с сокета 775 можно легко погнуть контакты сокета (они пружинные), чтобы избежать этого - не касайтесь контактов и при транспортировке одевайте специальную заглушку сокета!» Третье правило: «Будьте аккуратны!»

3.6 Статическое электричество и электромагнитные излучения


Статическое электричество - это совокупность явлений, связанных с возникновением, сохранением и релаксацией свободного электрического заряда на поверхности или в объеме диэлектриков или на изолированных проводниках. Так звучит определение по ГОСТ 12.1.018-93 «Пожаровзрывобезопасность статического электричества».

Как возникает заряд В основном статическое электричество генерируется при трении объектов - эффект трибоэлектризации.

Трибоэлектричество (от греч. tribos - трение) - явление возникновения электрических зарядов при трении и последующем разделении материалов.

Примерами образования могут послужить самые элементарные вещи: ходьба является одним из самых больших источников трибоэлектрического заряда. При ходьбе происходит контакт подошвы обуви с напольным покрытием, а затем их последующее разделение. При этом данное действие происходит многократно. Человеческое тело является хорошим проводником, что позволяет ему проводить и накапливать заряды, образующиеся в ходе разделения двух материалов. При хождении по ковровому покрытию на человеке может образоваться потенциал до 15 000 В.

Как бороться с электростатикой Средства защиты от статического электричества по принципу действия делятся на следующие виды:

·      заземляющие устройства;

·              нейтрализаторы;

·              увлажняющие устройства;

·              антиэлектростатические вещества;

·              экранирующие устройства.

Прежде всего, электронное оборудование должно быть качественно заземлено. Цепь утечек на землю работает удовлетворительно, если ее сопротивление не превышает 106 Ом. Заземление эффективно только для материалов, имеющих удельное сопротивление не более 10 Ом•м. Таким образом, если поверхность приборов пластиковая, заземление может быть не всегда эффективно. В этом случае нужно использовать другие методы борьба со статикой. Для разрядки диэлектрических поверхностей применяют ионизаторы воздуха, способные генерировать ионы обеих полярностей.

Такие ионизаторы используются для локальной нейтрализации зарядов непосредственно на рабочих местах или же ими дополняют вентиляционные системы, чтобы поток отфильтрованного воздуха ионизировался и происходила нейтрализация зарядов на стенах, потолках, поверхностях оборудования и др. Электризация диэлектрических материалов резко снижается при увеличении влажности воздуха, однако при этом ухудшаются условия работы оборудования. Поэтому, как правило, влажность не должна превышать 40%. Кроме того, для исключения электризации при ходьбе, а также для организации дополнительного пути «стекания» электростатических зарядов помещение, где находится приемно-контрольное оборудование, следует оснастить напольным антистатическим покрытием.

Самое простое - настелить специальный электропроводящий линолеум, имеющий по отношению к земле электросопротивление порядка 107 Ом, при котором заряды на них уменьшаются до безопасных значений в течение 0,02 с. Крайне желательно защитить и само рабочее место оператора, если таковое имеется. Столы должны иметь проводящее покрытие из пропитанного углем пластика, проводящего дивинила или антистатического материала. Эти покрытия обычно заземляются с помощью шин, прокладываемых на столах под покрытием. Аналогичные покрытия могут иметь и стулья. При соблюдении всех вышеперечисленных условий мы получаем гарантированную защиту электронного оборудования от поражения электростатическим разрядом. А потери от одного такого удара могут многократно превысить все затраты на профилактические меры.

Электромагнитные излучения

Известно, что около проводника, по которому протекает ток, возникают одновременно электрическое и магнитное поля. Если ток не меняется во времени, эти поля не зависят друг от друга. При переменном токе магнитное и электрическое поля связаны между собой, представляя единое электромагнитное поле.

Электромагнитное поле обладает определённой энергией и характеризуется электрической и магнитной напряжённостью, что необходимо учитывать при оценке условий труда.

Источниками электромагнитных излучений служат радиотехнические и электронные устройства, индукторы, конденсаторы термических установок, трансформаторы, антенны, фланцевые соединения волноводных трактов, генераторы сверхвысоких частот, в том числе и компьютеры.

Компьютеры создают электромагнитные излучения широкого спектра:

рентгеновское, ультрафиолетовое, высокочастотное (10 - 300 МГц), низкочастотное (5 Гц - 300 кГц) и электростатическое поле.

При этом следует отметить следующее: рентгеновское излучение экрана монитора ничтожно, ультрафиолетовое излучение монитора, измеренное для ряда образцов, при длине волны 0,32 мкм не превышало 200 мкВт/см2 при гигиеническом нормативе 1000 мкВт/см2, что в несколько раз ниже, чем интенсивность солнечного ультрафиолета в облачный день.

Главную опасность для пользователей представляют электромагнитное излучение монитора в диапазоне частот 20 Гц - 300 МГц и статический электрический заряд на экране.

Однако некоторые работы и исследования в этой области определяют возможные факторы риска, так например считается что электромагнитное излучение может вызвать расстройства нервной системы, снижение иммунитета, расстройства сердечно-сосудистой системы и аномалии в процессе беременности и соответственно пагубное воздействие на плод.

Защита от электромагнитных полей радиочастот

Для обеспечения безопасности работ с источниками электромагнитных волн проводится систематический контроль фактических значений нормируемых параметров на рабочих местах и в местах возможного нахождения персонала. Если условия работы не удовлетворяют требованиям норм, то применяются следующие способы защиты:

·      Экранирование рабочего места или источника излучения.

·              Увеличение расстояния от рабочего места до источника излучения.

·              Рациональное размещение оборудования в рабочем помещении.

·              Использование средств предупредительной защиты.

·              Применение специальных поглотителей мощности энергии для уменьшения излучения в источнике.

·              Использование возможностей дистанционного управления и автоматического контроля и др.

Рабочие места обычно располагают в зоне минимальной интенсивности электромагнитного поля. Конечным звеном в цепи инженерных средств защиты являются средства индивидуальной защиты. В качестве индивидуальных средств защиты глаз от действия СВЧ-излучений рекомендуются специальные защитные очки, стёкла которых покрыты тонким слоем металла (золота, диоксида олова).

Защитная одежда изготовляется из металлизированной ткани и применяется в виде комбинезонов, халатов, курток с капюшонами, с вмонтированными в них защитными очками. Применение специальных тканей в защитной одежде позволяет снизить облучение в 100-1000 раз, защитные очки снижают интенсивность излучения на 20-25 %.

В целях предупреждения профессиональных заболеваний необходимо проводить предварительные и периодические медицинские осмотры. Женщин в период беременности и кормления грудью следует переводить на другие работы. Лица, не достигшие 18-летнего возраста, к работе с генераторами радиочастот не допускаются. Лицам, имеющим контакт с источниками СВЧ- и УВЧ-излучений, предоставляются льготы (сокращённый рабочий день, дополнительный отпуск) не реже одного раза в год.

 

3.7 Причины возникновения коротких замыканий, их профилактика


Короткие замыкания возникают в результате нарушения изоляции токоведущих частей электроустановок.

Опасные повреждения кабелей и проводок могут возникать вследствие чрезмерного растяжения, перегибов, в местах подсоединения их к электродвигателям или аппаратам управления, при земляных работах и т. п.

При нарушении изоляции на жилах кабеля возникают утечки тока, которые затем перерастают в токи короткого замыкания. В зависимости от характера повреждения внутри кабеля может нарастать аварийный процесс короткого замыкания с сопутствующим мощным выбросом в окружающую среду искр и пламени. Так как многие виды электрооборудования не являются влаго- и пыленепроницаемыми, то производственная пыль (особенно токопроводящая), химически активные вещества и влага проникают внутрь их оболочки и оседают на поверхности электроизоляционных частей и материалов. Некоторые нагревающиеся части электрооборудования при остановке охлаждаются, поэтому на них часто выпадает конденсат воды. Все это может привести к повреждению и переувлажнению изоляции и вызвать чрезмерные токи утечки, дуговые короткие замыкания, перекрытия или замыкания как изолированных обмоток, так и других токоведущих частей.

Изоляция электроустановок может повреждаться при воздействии на нее высокой температуры или пламени во время пожара, из-за перенапряжения в результате первичного или вторичного воздействия молнии, перехода напряжения с установок выше 1000 В на установки до 1000 В и т. д.

Причиной короткого замыкания может быть схлестывание проводов воздушных линий электропередач под действием ветра и от наброса на них металлических предметов. К возникновению короткого замыкания могут привести ошибочные действия обслуживающего персонала при различных оперативных переключениях, ревизиях и ремонтах электрооборудования.

Профилактика короткого замыкания

Наиболее действенным предупреждением короткого замыкания являются правильный выбор, монтаж и эксплуатация электрических сетей, машин и аппаратов. Конструкция, вид исполнения, способ установки и класс изоляции применяемых машин, аппаратов, приборов, кабелей, проводов и прочего электрооборудования должны соответствовать номинальным параметрам сети или электроустановки (току, нагрузке, напряжению), условиям окружающей среды и требованиям ПУЭ (Правила устройства электроустановок). Особенно строго следует соблюдать регулярное проведение осмотров, ремонтов, планово-предупредительных и профилактических испытаний электрооборудования во взрывоопасных установках как при приемке его, так и при эксплуатации. Кроме того, должна быть предусмотрена электрическая защита сетей и электрооборудования.

Основное назначение электрической защиты заключается в том, что питание поврежденной в любом месте проводки должно быть прекращено раньше, чем произойдет опасное развитие аварии. Наиболее эффективными аппаратами защиты являются быстродействующие реле и выключатели, установочные автоматы и плавкие предохранители.

3.8 Требования безопасности при пайке


Электрифицированный инструмент (далее - паяльник) для пайки деталей должен соответствовать III классу защиты от поражения электрическим током. Перед началом работ паяльник необходимо проверить:

·   внешним осмотром - исправное состояние кабеля и штепсельной вилки, целостность защитного кожуха и изоляции рукоятки;

·        работоспособность встроенных в его конструкцию отсосов;

·        работоспособность механизированной подачи припоя в случаях ее установки в паяльнике.

Работники, выполняющие пайку деталей паяльником, должны иметь II группу электробезопасности. Проверка исправного состояния паяльника и его испытание осуществляются работником из числа электротехнического персонала, имеющего группу электробезопасности не ниже III.

При пайке крупногабаритных деталей рекомендуется применять паяльник со встроенным отсосом.

Паяльник должен проходить проверку и испытания в сроки и объемах в соответствии с ТНПА, устанавливающими требования в данной области.

К эксплуатации допускается паяльник напряжением не выше 42 В, который по своему типу и исполнению соответствует классу зоны в соответствии с Правилами устройства электроустановок, а также характеристике окружающей среды.

Паяльник на рабочих местах должен устанавливаться на огнезащитные подставки, исключающие его падение.

В промежутках времени между паяльными операциями нагрев жала паяльников должен быть снижен до 150-180 °С, а при временном прекращении работ - отключен, для чего постоянные рабочие места следует оборудовать ограничителями (регуляторами) нагрева паяльников.

Кабель паяльника должен быть защищен от случайного механического повреждения и соприкосновения с горячими деталями.

Паяльник, находящийся в рабочем состоянии, постоянно должен находиться в зоне действия местной вытяжной вентиляции.

Излишки припоя и флюса с жала паяльника следует снимать с применением материалов, указанных в технологической документации (хлопчатобумажные салфетки и другие).

При пайке интегральных микросхем должны использоваться оптические приборы, преимущественно бинокулярные стереоскопические микроскопы с телевизионными экранами.

К эксплуатации должны допускаться микроскопы с исправными механическими узлами и юстированными оптическими системами. Микроскопы следует проверять и корректировать не реже одного раза в год.

3.9 Требования пожарной безопасности. Причины возникновения пожаров в электронной аппаратуре


. Пожарная безопасность объекта должна обеспечиваться системами предотвращения пожара и противопожарной защиты, в том числе организационно-техническими мероприятиями.

Системы пожарной безопасности должны характеризоваться уровнем обеспечения пожарной безопасности людей и материальных ценностей, а также экономическими критериями эффективности этих систем для материальных ценностей, с учетом всех стадий (научная разработка, проектирование, строительство, эксплуатация) жизненного цикла объектов и выполнять одну из следующих задач:

исключать возникновение пожара;

обеспечивать пожарную безопасность людей;

обеспечивать пожарную безопасность материальных ценностей;

обеспечивать пожарную безопасность людей и материальных ценностей одновременно.

. Объекты должны иметь системы пожарной безопасности, направленные на предотвращение воздействия на людей опасных факторов пожара, в том числе их вторичных проявлений на требуемом уровне.

Требуемый уровень обеспечения пожарной безопасности людей с помощью указанных систем должен быть не менее 0,999999 предотвращения воздействия опасных факторов в год в расчете на каждого человека, а допустимый уровень пожарной опасности для людей должен быть не более 10-6 воздействия опасных факторов пожара, превышающих предельно допустимые значения, в год в расчете на каждого человека.

. Объекты, пожары на которых могут привести к массовому поражению людей, находящихся на этих объектах и окружающей территории, опасными и вредными производственными факторами (по ГОСТ 12.0.004-91), а также опасными факторами пожара и их вторичными проявлениями, должны иметь системы пожарной безопасности, обеспечивающие минимально возможную вероятность возникновения пожара. Конкретные значения минимально возможной вероятности возникновения пожара определяются проектировщиками и технологами при паспортизации этих объектов в установленном порядке.

. Объекты, отнесенные к соответствующим категориям по пожарной опасности согласно нормам технологического проектирования для определения категорий помещений и зданий по пожарной и взрывопожарной опасности, должны иметь экономически эффективные системы пожарной безопасности.

. Опасными факторами, воздействующими на людей и материальные ценности, являются:

пламя и искры;

повышенная температура окружающей среды;

токсичные продукты горения и термического разложения;

дым;

пониженная концентрация кислорода.

К вторичным проявлениям опасных факторов пожара, воздействующим на людей и материальные ценности, относятся:

осколки, части разрушившихся аппаратов, агрегатов, установок, конструкций;

радиоактивные и токсичные вещества и материалы, вышедшие из разрушенных аппаратов и установок;

электрический ток, возникший в результате выноса высокого напряжения на токопроводящие части конструкций, аппаратов, агрегатов;

- опасные факторы взрыва по ГОСТ 12.1.010 <http://www.fireman.ru/bd/gost/12-1-010/12-1-010.html>.90, происшедшего вследствие пожара;

огнетушащие вещества.

. Классификация объектов по пожарной и взрывопожарной опасности должна производиться с учетом допустимого уровня их пожарной опасности (требуемого уровня обеспечения пожарной безопасности), а расчеты критериев и показателей ее оценки, в т. ч. вероятности пожара (взрыва), - с учетом массы горючих и трудно-горючих веществ и материалов, находящихся на объекте, взрывопожароопасных зон, образующихся в аварийных ситуациях, и возможного ущерба для людей и материальных ценностей.

. Вероятность возникновения пожара от (в) электрического или другого единичного технологического изделия или оборудования при их разработке и изготовлении не должна превышать значения 10-6 год. Значение величины допустимой вероятности пожара при применении изделий на объектах должно устанавливаться расчетом, исходя из требований п. 1.2 настоящего стандарта.

. Методики, содержащиеся в стандартах и других нормативно-технических документах и предназначенные для определения показателей пожарной опасности строительных конструкций, их облицовок и отделок, веществ, материалов и изделий (в т. ч. незавершенного производства) должны адекватно отражать реальные условия пожара.

. Перечень и требования к эффективности элементов конкретных систем пожарной безопасности должны устанавливаться нормативными и нормативно-техническими документами на соответствующие виды объектов.

Сущность и характеристика типичных причин пожаров от электроустановок.

Электроустановки можно объединить в группы по наиболее существенным признакам:

─ конструктивному исполнению;

─ электрическим характеристикам;

─ функциональному назначению и т.д..

Приведенные ниже шесть основных групп электроустановок достаточно полно охватывают практически все многообразие применяемых в практике электроустановок:

─ провода и кабели;

─ электродвигатели, генераторы и трансформаторы;

─ осветительная аппаратура;

─ распределительные устройства; электрические аппараты пуска, переключения,

─ управления, защиты;

─ электронагревательные приборы, аппараты, установки;

─ электронная аппаратура и ЭВМ.

Наиболее частыми причинами пожаров, возникающих при эксплуатации электроустановок являются: короткие замыкания в электропроводниках и электрическом оборудовании; воспламенение горючих материалов, находящихся в непосредственной близости от электроприемников, включенных на продолжительное время и оставленных без присмотра; токовые перегрузки электропроводок и электрооборудования; большие переходные сопротивления в местах контактных соединений; появление напряжения на строительных конструкциях и технологическом оборудовании, попадание раскаленных частиц нити накаливания на легкогорючие материалы и др.

Исходя из вышесказанного можно сделать следующий вывод: что вопрос охраны труда является одним из важнейших на современном этапе жизни нашего общества, в период когда работодатели ставят для себя основной задачей как можно быстрее и с минимальным вложением средств извлечь наибольшее количество прибыли, и пользуясь возникшим в последнее время у нас в стране дефицитом рабочих мест, когда наши граждане готовы за мизерную оплату выполнять самую грязную работу мало внимания уделяют, а порой и вообще игнорируют требования безопасности труда.

Увеличение количества профессиональных заболеваний, несчастных случаев на производстве, приводящих к травмам а иногда и к гибели людей, всё это заставляет задуматься о совершенстве нашего законодательства в области охраны труда, и думается, что нашим законодательным, исполнительным и судебным органам государственной власти предстоит ещё много работы в этом направлении.

Заключение


В данной дипломной работе была проделана работа по изучению и исследованию логического элемента «декодер». При исследование схемы декодера были изучены такие логические элементы как 3И, 3И-НЕ и НЕ.

Логические элементы - основной “строительный материал” цифровых систем обработки информации и управления. На логических элементах 3И, 3И-НЕ и НЕ в программе Protel смоделирована схема декодера на 4 входа и 16 выходов, а в программе PSpice AD проанализированы ее выходные характеристики.

Работа с логическими элементами требует не только знакомства с их принципиальными схемами и техническими характеристиками, но и знания основных положений алгебры логики, теории переключательных схем, а также умения по определенным правилам синтезировать логические схемы с заданными характеристиками.

Сокращения простоя оборудования в ремонтах - важная организационно-экономическая задача. Её решение приводит к уменьшению парка оборудования (или к увеличению выпуска продукции), повышению коэффициента его использования. Прогрессивным направлением организации ремонтного хозяйства является создание ремонтных баз на предприятиях - изготовителях оборудования. При такой организации предприятия-изготовители становятся более заинтересованными в совершенствовании конструкций изделий, повышении их ремонтопригодности и равно износостойкости отдельных их частей. Особо важное значение имеет развитие фирменного ремонта такого оборудования, как станки с ЧПУ, автоматизированные и роботизированные комплексы.

Вопрос охраны труда является одним из важнейших на современном этапе жизни нашего общества, увеличение количества профессиональных заболеваний, несчастных случаев на производстве, приводящих к травмам а иногда и к гибели людей, всё это заставляет задуматься о совершенстве нашего законодательства в области охраны труда, и думается, что нашим законодательным, исполнительным и судебным органам государственной власти предстоит ещё много работы в этом направлении.

В разделе охраны труда были рассмотрены такие вопросы как:

·        Характеристика санитарно - гигиенических условий труда

·        Защита от шума и вибраций

·        Электробезопасность, требования безопасности при работе с электрооборудованием

·        Статическое электричество и электромагнитные излучения

·        Требования к организации рабочего места техника

·        Причины возникновения коротких замыканий

·        Требования безопасности при пайке

·        Требования пожарной безопасности

Список используемой литературы


Глава 1

.        Шило В.Л.. Популярные цифровые микросхемы. - М.: Радио и связь, 1989 г.- 352c.

.        Табарин Б.В., Лунин Л.Ф. Интегральные микросхемы, диоды, транзисторы. Справочник.-M.:Машиностроение, 2000г.-319с.

.        Тули М. Справочное пособие по цифровой электронике. Пер. с англ. -М.: Энергоатомиздат, 2000г.-176с.

.        Зотов А.А., Муромцев Ю.Л. основы схемотехники радиоэлектронных средств. Учебное пособие -Тамбов. Тамб.гос.техн.ун-т.2005г.-273с.

.        Степанов Ю. И. Справочник по ЕСКД К. 1975 г.-214c.

.        Уильямс А. Применение интегральных схем.- М.: Мир 1987 г-432c..

.        ОСТ 11073.915-80. Микросхемы интегральные. Классификация и система условных обозначений.

.        ГОСТ 17467-88 (СТ СЭВ 5761-86). Микросхемы интегральные. Основные размеры.

.        Триполитов, А.В. Ермаков. Микросхемы, диоды, транзисторы. Справочник. - М. Машиностроение, 1994. - 319 с., ил.

Глава 2

1.      Фатхутдинов Р.А. Организация производства. М.: Инфра-М 2000

2.       Организация и планирование машиностроительного производства под ред. М.И. Ипатова. М.: Высшая школа 1998

3.      www.retail.ru - электронный еженедельник "RETAIL"

4.      Экономика предприятия. Учебник для ВУЗов. / Под ред. Н.А. Сафронова. - М.: «Юристъ», 1998. - 584 с.

5.       Грузинов В.П., Грибов В.Д. Экономика предприятия. Учебное пособие. - М.: «Финансы и статистика», 2001. - 294 с.

6.      Дубровский В.Ж., Чайкин Б.И. Экономика и управление предприятием. - М.: Инфра-М, 2004. - 368 с.

.        Зайцев Н.Л. Экономика, организация и управление предприятием. - М.: Инфра-М, 2004. - 502 с.

.        Козырев В.Л. Основы современной экономики. - М.: Финансы и статистика, 1999. - 368 с.

Глава 3

.        ГОСТ Р.50923 - 96. Рабочее место .техника, Общие эргономические требования, и требования к произвольной Среде. Методы измерения. Гигиенические критерии' оценки условий труда.

.        Гост 12.1.030-81 «Электробезопасность»

.        Охрана труда. Учебник. - К: Высшая школа, 240с, 2000г.

.        Н.А. Белова. Безопасность жизнедеятельности. - М: Знание, 2000г.

.        Самгин Э.Б. Освещение рабочих мест. - М.: НИРЭА, 1989г.

.        Е.Я. Юдин и др. Борьба с шумом на производстве: Справочник. М.: Машиностроение, 1988г.

.        Гост 12.1.004-91 «Пожарная безопасность»

.        Гост 12.1.003-83 «Шум. Общие требования безопасности»

Похожие работы на - Разработка электрической схемы стенда для анализа работы тактируемого декодера на 4 входа и 16 выходов

 

Не нашли материал для своей работы?
Поможем написать уникальную работу
Без плагиата!
Без нейросетей!