Разработка системы управления микроклиматом в теплице

  • Вид работы:
    Курсовая работа (т)
  • Предмет:
    Информатика, ВТ, телекоммуникации
  • Язык:
    Русский
    ,
    Формат файла:
    MS Word
    645,07 Кб
  • Опубликовано:
    2014-08-16
Вы можете узнать стоимость помощи в написании студенческой работы.
Помощь в написании работы, которую точно примут!

Разработка системы управления микроклиматом в теплице

ВВЕДЕНИЕ

Темой курсового проекта является: «Разработка системы управления микроклиматом в теплице».

На значительной территории нашей страны в связи с продолжительной, нередко суровой зимой и коротким, не всегда теплым летом складываются неблагоприятные условия для выращивания теплолюбивых растений в открытом грунте.

Для расширения возможности выращивания растений и снабжения населения свежими продуктами питания, особенно овощами, в неблагоприятные периоды года применяют различные сооружения защищенного грунта, в которых искусственно создаются необходимые условия для роста и развития растений. По степени удовлетворения потребностей растений в комплексе факторов жизнеобеспечения или по технологической сложности сооружения защищенного грунта подразделяют на парники, утепленный грунт и теплицы.

В сооружениях защищенного грунта необходимо стремиться к созданию оптимальных параметров среды выращивания. К сожалению, в простейших теплицах на приусадебных участках в основном на солнечном обогреве не всегда этому уделяется должное внимание. В результате растения в таких теплицах постоянно находятся в стрессовых условиях. Ночью, как правило, растения переохлаждаются, днем в солнечную погоду перегреваются. Особенно усугубляются неблагоприятные воздействия в теплицах, расположенных на садово-огородных участках, значительно удаленных от мест постоянного проживания владельцев. В таких теплицах, посещаемых, как правило, лишь в выходные дни, нет возможности оперативно вмешаться в формирование климата, в результате чего он нередко далек от оптимального. Правильный тепловой режим в теплицах позволяет повысить урожайность в 2-3 раза.

Существуют многочисленные системы автоматизированного управления микроклиматом теплиц. Как правило, такого рода системы, поставляемые многочисленными фирмами (НПО «Схемотехник», НПФ «Фито», система «Агротем») содержат полный комплекс управления микроклиматом.

Такие системы, конечно, хороши и эффективны, но обладают вполне ощутимым недостатком - высокой стоимостью. Использование такого рода систем в промышленной агротехнике оправдана: территория теплиц огромна, а такая система позволяет экономить на персонале, получать большой урожай, что позволяет увеличить прибыль, а, следовательно, окупить систему.

Особенностью агротехники нашей страны является то, что 70% населения сами обеспечивают себя овощами в летний и осенний период за счет выращивания культур на приусадебных участках. Естественно, что в таких условиях выращивания человек не может постоянно контролировать микроклимат в теплице, но и покупать дорогостоящую систему тоже нет возможности. Поэтому необходимо создать простую систему управления основными параметрами микроклимата: температура и влажность.

1. АНАЛИЗ ТЕХНИЧЕСКОГО ЗАДАНИЯ

1.1 Общие сведения

.1.1 Наименование системы

Система управления микроклиматом в теплице.

1.2 Назначение системы

. Контроль температуры в теплице;

. Контроль влажности в теплице;

. Обеспечение удобного управления микроклиматом в теплице;

. Возможность устанавливать различные типы микроклимата в теплице для выращивания разных видов культур.

1.3 Цель создания системы

. Точное соблюдение условий выращивания культур для повышения урожайности;

. Автоматизация операций полива и проветривания, не требующих непосредственного участия в выращивании культур;

. Слежение за изменением микроклимата для защиты культур от неблагоприятных факторов (резкое изменение температур, засуха).

1.4 Значение показателей

.4.1 Режимы работы

1) Режим включение системы: При включении системы производится анализ текущих климатических показателей;

) Режим установки параметров работы: выбирается тип выращиваемой культуры: томат, огурец, перец, розы, баклажаны;

) Режим проветривания теплицы в случае, когда температура в теплице выше рабочей;

) Режим нагрева теплицы, когда температура в теплице ниже рекомендуемой.

) Режим полива, если влажность воздуха ниже рекомендуемой.

) Режим индикации температуры и номера установленного режима в теплице.

1.4.2 Входные данные

1. Значения фактической температуры в теплице

. Значение фактической влажности в теплице

. Установленные значения температуры для выбранного продукта выращивания.

. Установленные значения влажности для выбранного режима работы.

. Сигналы нажатия кнопок управления.

1.4.3 Выходные данные

. Сигналы для индикации температуры в теплице.

. Сигнал индикации влажности.

. Сигналы на исполнительные устройства для проветривания, нагрева и полива.

1.5 Требования к системе

.5.1 Требования по электропитанию

1. Питание системы должно осуществляться от сети 220 В.

. Не должна потреблять более 100 Вт электроэнергии.

1.5.2 Требования к метрологическому обеспечению

1. Диапазон измеряемых температур: от 0°С до +50°С .

. Точность индикации: ±1°C .

. Погрешность измерений температуры : ±1°C.

. Погрешность измерений влажности : ±1%.

. Измерение производить не реже, чем 1 раз в час.

2. РАЗРАБОТКА СТРУКТУРНОЙ СХЕМЫ


2.1 Описание функций, которые выполняет система

Для разработки структурной схемы системы контроля микроклимата теплицы, кратко опишем функции, которые должна выполнять разрабатываемая система:

.        Начальный запуск системы

.        Выбор необходимого для поддержания типа микроклимата.

.        Прием данных с датчиков и обработка этих данных в соответствии с алгоритмом.

.        Вывод текущих параметров микроклимата среды.

.        Формирование выходных сигналов для запуска исполнительных устройств проветривания/нагрева, полива.

2.2    Основные модули

Исходя из требований технического задания и функций, которые должна выполнять разрабатываемая система, можно выделить основные модули, из которых должна состоять вычислительная система.

2.2.1 Датчики

Датчики - являются неотъемлемой частью системы, они используются для того, чтобы система могла в реальном времени реагировать на изменения внешних параметров по заранее разработанному алгоритму.

Так как мы проектируем систему, которая будет использоваться в небольших теплицах, поэтому ограничимся одним датчиком температуры и одним - влажности. Однако при выборе устройства управления следует учесть возможность подключения дополнительных датчиков с целью уточнения данных или с целью увеличения функциональных возможностей.

температурный датчик микроклимат теплица

2.2.2 Устройство управления

Устройство управления является главной частью системы, оно необходимо для сбора и обработки информации поступающей с системы датчиков, выработки управляющих сигналов для исполнительных устройств, а также вывода информации на устройство индикации.

.2.3 Пульт управления и устройство визуальной индикации

Пульт управления и устройство визуальной индикации необходимы для выбора типа микроклимата, для визуального вывода текущей температуры и влажности в теплице.

2.3 Выбор варианта структуры

В соответствии с определенными выше функциями можно определить общую структуру системы. Структурная схема системы представлена на первом листе графической части. Устройство управления получает от датчиков температуры, влажности и кнопок управления данные, преобразует их в соответствии с алгоритмом работы и выдает данные на индикаторы для отображения температуры и влажности, а также при необходимости сигналы на ключевые элементы. Ключевые элементы позволяют включать/выключать исполнительные устройства в том порядке, в который установлен в алгоритме.


3.1 Выбор микроконтроллера

Микроконтроллер решено взять из семейства AVR фирмы Atmel, поскольку данное семейство контроллеров имеет высокое быстродействие, обладает хорошим показателем функциональность/цена и имеет множество моделей различной функциональности. Эти микроконтроллеры широко распространены, для них существуют удобные среды разработки, и они имеют массу документации на различных языках, в том числе и на русском.

Корпорация Atmel (США) хорошо известна как на мировом, так и на российском рынках электронных компонентов и является одним из признанных мировых лидеров в разработке и производстве сложных изделий микроэлектроники - устройств энергонезависимой памяти высокого быстродействия и минимального удельного энергопотребления, микроконтроллеров общего назначения и микросхем программируемой логики.

Одним из самых активно развиваемых Atmel Corp. направлений современной микроэлектроники является линия 8-разраядных высокопроизводительных RISC (Reduced Instruction Set Computers) микроконтроллеров общего назначения, объединенных общей маркой AVR.

Они представляют собой мощный инструмент для создания современных высокопроизводительных и экономичных контроллеров многоцелевого назначения, в том числе и встраиваемых. На настоящий момент соотношение «цена - производительность - энергопотребление» для AVR является одним из лучших на мировом рынке 8-ми разрядных микроконтроллеров.

В настоящее время в производстве у Atmel Corp. находятся три семейства AVR - «tiny», «classic», «mega».

Области применения AVR многогранны. Для «tiny» AVR это интеллектуальные автомобильные датчики различного назначения, игрушки, игровые приставки, материнские платы персональных компьютеров, контроллеры защиты доступа в мобильных телефонах, зарядные устройства, детекторы дыма и пламени, бытовая техника, разнообразные инфракрасные пульты дистанционного направления. Для «classic» AVR это модемы различных типов, современные зарядные устройства, изделия класса Smart Cards и устройства чтения для них, спутниковые навигационные системы для определения местоположения автомобилей на трассе, сложная бытовая техника, пульты дистанционного управления, сетевые карты, материнские платы компьютеров, сотовые телефоны нового поколения, а также разнообразные промышленные системы контроля и управления. Для «mega» AVR это аналоговые (NMT, ETACS, AMPS) и цифровые (GSM, CDMA) мобильные телефоны, принтеры и ключевые контроллеры для них, контроллеры аппаратов факсимильной связи и ксероксов, контроллеры современных дисковых накопителей и CD-ROM и т.д.

Российские специалисты уже по достоинству оценили высокую скорость работы и мощную систему команд AVR, наличие двух типов энергонезависимой памяти на одном кристалле и активно развивающуюся периферию. Немаловажную роль в этом играет Atmel Corp. в процессе развития и распространения разнообразных, доступных средств поддержки разработок. Это позволяет разработчикам и производителям электронной техники надеяться на сохранение полноценной поддержки для перспективного семейства микроконтроллеров, закладывая AVR в свои новые изделия.

Микроконтроллер семейства AVR фирмы Atmel представляет собой восьмиразрядную однокристальную микро-ЭВМ с упрощенной (сокращенной) системой команд - RISC.

Большинство команд, входящих в систему команд, выбираются из памяти за один такт и выполняются за один такт работы микроконтроллера. При выполнении последовательности таких команд выборка из памяти очередной команды совмещается во времени с исполнением ранее выбранной команды(2-х ступенчатый конвейер). При этом число команд, выполняемых за 1с, совпадает с тактовой частотой работы микроконтроллера.

Микроконтроллеры изготовляются по высококачественной КМОП (CMOS) технологии, содержат энергонезависимые запоминающие устройства для хранения программы и данных, выполненные по Flash и EEPROM технологиям, и отличаются низким энергопотреблением при высокой тактовой частоте. Запись программы и исходных данных в память может выполняться после установки микроконтроллера в аппаратуре, где ему предстоит работать (ISP, In-System Programmable).

В состав семейства AVR входят микроконтроллеры трех серий - AT90(«classic»), ATtiny(«tiny»), ATmega(«mega»). В каждую серию входят микроконтроллеры нескольких типов. Микроконтроллеры серии AT90 по своим структурным характеристикам (объем памяти, состав периферийных устройств) близки к микроконтроллерам семейств AT89 фирмы Atmel и MCS-51 фирмы Intel. По своим вычислительным возможностям они занимают среднее положение между микроконтроллерами серий ATtiny и ATmega. Микроконтроллеры серии ATtiny имеют наименьшие, а микроконтроллеры серии ATmega - наибольшие вычислительные возможности в семействе AVR.

Микроконтроллеры одного типа выпускаются в нескольких вариантах, различающихся диапазоном допустимых значений напряжения питания, максимальным допустимым значением тактовой частоты, типом корпуса и диапазоном допустимых значений температуры окружающей среды.

Фирма Atmel выпускает программные и аппаратные средства поддержки разработок на базе микроконтроллеров семейства AVR.

На данный момент микроконтроллеры серии «classic» семейства AVR снимаются с производства, т.к. в наличии имеются сопоставимые с ними по вычислительной мощности микроконтроллеры серии «tiny», но последние имеют меньшую стоимость. Поэтому выбор микроконтроллера будет производиться из серий «tiny» и «mega» семейства AVR.

В литературе приведены наиболее характерные и подходящие к выполняемой задаче представители серий «tiny» и «mega». Как видно, серия «tiny» не сможет справиться с поставленной задачей, т.к. количество выводов у этих микроконтроллеров невелико (максимальное количество выводов у ATtiny2313 - 20), а для выполнения данной работы требуется большее количество.

Ориентировочно требуется 25 выводов: 12 для организации матрицы индикации на основе двух 7-ми сегментных индикаторов (двухразрядный и трехразрядный), 3 для подключения датчиков, 5 для подключения кнопок управления, 5 для управления исполнительных устройств.

Таким образом, выбор микроконтроллера будет осуществляться из серии «mega». Согласно литературы, оптимальным решением будет микроконтроллер ATmega16, т.к. он обладает достаточным объемом памяти, необходимым количеством выводов, высоким быстродействием и хорошим набором периферии (АЦП, таймеры, внутренний RC-генератор TWI-интерфейс.).

Рисунок 1- Микроконтроллер ATMega16.

Рисунок 2- Архитектура микроконтроллера ATMega16.

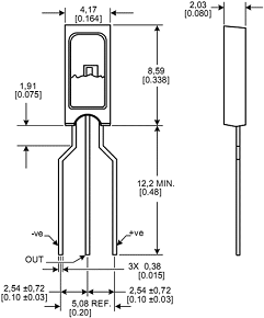
3.2 Выбор температурного датчика

В качестве датчика температуры был выбран датчик DS1621 фирмы Dallas, представленный на рисунке 3.

Рисунок 3 - Температурный датчик DS1621.

Основные его свойства:

·  Прямое преобразование температуры в цифровой код, без дополнительных АЦП

·        Возможность передачи данных через одно-, двух- проводной интерфейс

·        Возможность адресации нескольких датчиков на одной шине

·        Заводская калибровка и встроенная коррекция нелинейности, не нужно дополнительной подстройки

·        Широкий диапазон измерения температуры (-55 … +125°С)

·        Высокое быстродействие (время преобразования от 0.5 до 2 с)

·        защита от агрессивной среды

Технические характеристики датчика приведены в таблице 1:

Таблица 1

Точность

±0.5 °С

Время преобразования

1 с

Разрешение

9 бит

Интерфейс

2W (I2C)

Тип корпуса

DIP8


Температурный датчик необходимо установить таким образом, чтобы на него не попадали прямые солнечные лучи, а также вода при поливе, стремясь при этом максимально уменьшить удаленность от шкафа с микроконтроллером.

.3 Выбор датчика влажности

В качестве датчика влажности был выбран HIH 4000-003. Он обеспечивает широкий диапазон измерений, высокую надежность и низкую стоимость при использовании микроэлектронной технологии. Это позволяет производить емкости планарного типа тонкопленочным методом. Благодаря этому мы имеем миниатюрные габариты чувствительного элемента, возможность имплементации на кристалле специализированной интегральной схемы обработки сигнала. Технологичность и высокий выход годных кристаллов обеспечивают малую стоимость продукции данного типа. Параметры датчика влажности приведены в таблице 5. Возможно прямое подключение к АЦП микроконтроллера благодаря стандартному размаху выходного сигнала (от 1.0 до 4.0 В). Установить датчик необходимо таким образом, чтобы капли воды при поливе не попадали не него, а также защитить от воздействия прямых солнечных лучей, во избежание снижения точности измерения.

Рисунок 4 - Датчик влажности HIH 4000-003.

Таблица 2

Параметр


Значение

Диапазон измерения, % RH


0...100

Повторяемость, ±% RH


0,5

Напряжение питания, В


4,0...5,8

Ток потребления, мА


0,2

Рабочая температура, °С


-40...85

Температура хранения, °С


-50...125


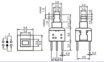
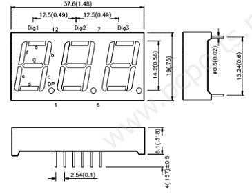
3.4 Выбор средств индикации

В системе нам необходимо визуально отображать текущую температуру в теплице и выбранный режим работы. Для этого будем использовать семисегментные индикаторы. Можно предположить, что возникнет такая ситуация, когда в теплице будет отрицательная температура, поэтому для визуализации текущей температуры возьмем трехразрядный семисегментный индикатор. Основных рабочих режимов у нас пять, поэтому для отображения рабочего режима используем одноразрядный семисегментный индикатор.

Будем использовать индикаторы BA56-12 фирмы KingBrigth и LDD3051 фирмы LIGI. Технические характеристики приведены в таблице 3.

Таблица 3

2,5 В

Максимальный прямой ток

25-30 мА

Максимальное обратное напряжение

Обратный ток(при напряжении 5В)

10 мкА

Мощность рассеивания

150 мВт

Максимальный импульсный прямой ток

140-160 мА

Диапазон рабочих температур

-40…+85 ° С

Устройства индикации и схемы их включения представлены на рисунке 4(а,б).

Рисунок 4а - Трехразрядный семисегментный индикатор

Рисунок 4б- Двухразрядный семисегментный индикатор и схема подключения

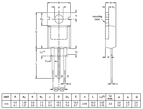
3.5 Выбор ключевых элементов

В качестве ключевых элементов выберем симистор, который как раз и предназначен для коммутации нагрузки на переменном токе. Так как коммутируем мы силовую высоковольтную цепь, 220 вольт, а контроллер у нас низковольтный, работает на пять вольт. Поэтому во избежание эксцессов нужно произвести потенциальную развязку. То есть сделать так, чтобы между высоковольтной и низковольтной частью не было прямого электрического соединения. Например, сделать оптическое разделение. Для этого существует специальная сборка - симисторный оптодрайвер MOC3041 (рисунок 5). Можно не бояться помех по питанию при включении и выключении симистора. В самом оптодрайвере сигнал подается светодиодом, а значит можно смело зажигать его от ножки микроконтроллера без всяких дополнительных ухищрений. Характеристики симисторного оптодрайвера приведены в таблице 4.

Таблица 4

 Прямой ток

50 мА

Обратное напряжение на выходе

400 В

Напряжение изоляции

5000 В

Ток включения

15 мА


Рисунок 5 - Cимисторный оптодрайвер MOC3041

В качестве симистора взят ВТ 139 (рисунок 6)

Рисунок 6 - Симистор ВТ 139

Параметры симистора приведены в таблице 5.

Таблица 5

Максимальное напряжение

600 В

Коммутируемый ток

16 А

Напряжение удержания

1.6 В

Ток УЭ

25 мА

Время включения

2 мкс


3.6 Выбор исполнительных устройств

В системе микропроцессор должен управлять открытием двери/фрамуг, поливом и обогреванием теплицы.

Для полива будем использовать капельную систему. Она состоит из труб, капельниц и электроклапана для воды. Электромагнитный клапан предназначен для включения или выключения подачи жидкости или газа в трубопроводе при подаче на него соответствующего электрического сигнала. Будем использовать клапан 2W21(рисунок 7).

Рисунок 7 - Клапан 2W21

Размеры клапана приведены в таблице 6

Таблица 6

Размер, мм


A

116

B

87

C

149

D

26

G

1 ¼’’


Этот же электроклапан будем использовать для подачи горячей воды в трубы при отоплении теплицы.

Для проветривания теплицы необходимо на дверь, боковую фрамугу и фрамугу в крыше поставить 3 мотор-редуктора, для открытия или закрытия фрамуг. Будем использовать IG32p-02. Параметры мотор-редуктора приведены в таблице 7.

Таблица 7

Диаметр (сторона квадрата), мм

Ø37

Скорость вращения , об/мин*

Крутящий момент, кгс•см

1-10

Тип редуктора

планетарный

Напр. питания, В

12;24

Мощность, Вт

14

Передаточн. отн.

5-721


3.7 Выбор дополнительных элементов

Для питания микропроцессора от сети 220 В необходима схема согласования, так как процессор питается от постоянного напряжения в 5В. Будем использовать импульсный источник питания TP220-12.Параметры приведены в таблице 8.

Таблица 8

Входное напряжение

220 В.

Выходное напряжение

12 В (переменное).

Номинальный выходной ток

1 А


В качестве стабилизатора напряжения будем использовать LM340K-5 (рисунок 9). Параметры приведены в таблице 9

Таблица 9

Макс. входное напряжение:

35 В

Падение выходного напряжения

2 В тип.

Допуск вых. напряжения:

±5 %

Потребляемый ток:

8 мА макс.

Выходной ток


миним.:

5 мА

макс.:

1 A

Тепловое сопротивление:

4 °C/Вт (переход-корпус)


Рисунок 9 - Стабилизатор напряжения LM340K-5

В схеме необходимо использовать 5 транзисторов в ключевом режиме для управления семисегментными индикаторами.

Схема работы: при наличии высокого уровня на базе транзистора, транзистор открывается и на выходе ключа будет низкий уровень. При низком уровне напряжения на базе транзистора транзистор будет закрыт и на выходе ключа будет высокий уровень, определяемый уровнем напряжения, подключенного к коллектору транзистора. Таким образом, транзистор все время либо разомкнут, либо замкнут, его потребляемая мощность практически нулевая, поэтому нам подходит практически любой транзистор. Выберем транзистор КТ315, поскольку он удовлетворяет нужным параметрам, распространен и недорого стоит. Его характеристики приведены в таблице 10.

Таблица 10

Рабочая частота:

250 МГц

Коэф. усиления по току:

30-120

Максимальный ток коллектора:

100 мА

Макс. напряжение коллектор-эммитер:

25В

Расс. мощность:

0,15Вт


Для установки и выбора режима нам необходимы пять кнопочных переключателя. Для этой цели будем использовать переключатели MPS-5802 (рисунок 10), параметры переключателя приведены в таблице 12.

Рисунок 10 - Переключатель кнопочный MPS-5802.

Таблица 11

Параметры:

30В пост. 0,1A

Сопротивление контактов:

<100мОм

Сопротивление изоляции:

>100MOм пост. 125В

Электрический ресурс:

10000 циклов

Сила нажатия:

150+_80г

Сопротивление изоляции:

>100Moм пост. 125В

Температура пайки: 250°C макс.

3 сек.

Выдерживаемое напряжение:

Механический ресурс:

100000 циклов

Выдерживаемое напряжение:

125В 1 мин.

Рабочая температура:

от _25°C до +65°C



4. ОПИСАНИЕ СХЕМЫ ЭЛЕКТРИЧЕСКОЙ ПРИНЦИПИАЛЬНОЙ

Электрическая принципиальная схема приведена на третьем листе графической части работы.

Питание нашей системы будет от стандартной сети 220В, 50 Гц. Для питания микропроцессора и других элементов схемы необходимо постоянное напряжение 5 В.

Импульсный источник питания подключен к сети 220В. В качестве стабилизатора напряжения включена микросхема интегрального стабилизатора U1 - LM340K-5, схема включения - стандартная, рекомендованная производителем.

Данные с датчика температуры считывается микропроцессором по интерфейсу I2C, а данные с датчика влажности - через АЦП. Переключение каналов АЦП, обработка данных с датчиков температуры, выработка сигналов на исполнительные устройства, вывод информации на устройство индикации осуществляется программно с помощью соответствующих средств микроконтроллера.

Для вывода визуальной информации об установленной влажности и температуре в теплице используем трехразрядный и двухразрядный семисегментные светодиодные индикаторы.

Принцип индикации следующий. Каждую 16 мс загорается одна цифра индикаторов. Для определения номера цифры в программе микроконтроллера есть счетчик (указатель индикатора), который считает от 0 до 2. Восьмиразрядный таймер счетчик запрограммирован так, что через каждые 16 миллисекунд возникает прерывание. Таким образом, каждые 16 миллисекунд горит одна цифра. В следующую миллисекунду загорается следующая цифра, а эта гаснет. Глаз же человека воспринимает это так, как будто горят одновременно все цифры.

При включении питания микроконтроллер принимает сигнал RESET, который определяет начальную синхронизацию встроенного калибруемого генератора. Узел программирования получает сигналы синхронизации от синхронизатора и управляет работой счетчика команд и FLASH-памятью программ.

Регистр команд содержит команду, которая выбирается из FLASH-памяти программ для выполнения. Дешифратор команд по коду операции определяет, какая команда должна выполняться. Далее происходит последовательная выборка и исполнение команд в соответствии с алгоритмом работы.

При нажатии на кнопки управления происходит прерывание и управление предается соответствующему обработчику прерывания, где по алгоритму происходит установка нужного режима. Заданные значения температур и влажности сохраняются в соответствующих РОН при выборе режима работы.

5. ОПИСАНИЕ АЛГОРИТМОВ ПРОГРАММЫ

В данном разделе будет приведено описание алгоритма программы микропроцессорной системы управления микроклиматом в теплице.

Алгоритм разрабатываемой программы предназначен для реализации следующих функциональных возможностей:

.Контроль температуры в теплице.

. Контроль влажности в теплице.

. Обеспечение удобного управления микроклиматом в теплице

. Возможность устанавливать различные типы микроклимата в теплице для выращивания разных видов культур.

Для организации этих возможностей необходимо реализовать следующий алгоритм.

Изначально необходимо инициализировать, используемые в МК порты.

Затем, производится опрос нажатия кнопки 1 и, если было нажатие, то выбирается режим 1. Если нажатия не было, опрашивается кнопка 2. Если снова нажатие не произошло, МК опрашивает следующую кнопку. Так происходит до тех пор, пока одна из кнопок выбора режима работы системы не будет нажата. Переменная Rezim получает соответствующее значение.

Затем, в соответствии со значением переменной, производится выбор соответствующего режима работы с соответствующими параметрами: Tm-температура максимальная, Tn-Температура номинальная, Vm-влажность максимальная, Vn-влажность номинальная. Далее производится считывание температуры в переменную T,а также считывание влажности в V.

Далее происходит индикация старшей цифры влажности, потом младшей цифры влажности, знака температуры, старшей цифры температуры, младшей цифры температуры, методом поджигания каждого сегмента дисплея на короткий промежуток времени (16мс), а наш глаз не видит этого мерцания, поэтому мы видим свечение цифры.

После этого, производится сравнение параметров температуры Т и максимального значения температуры Tm. Если значение температуры превышает максимум, то программа проверяет открыты ли дверь и фрамуга на крыше, если не открыты, то открывает их. Если выбран режим 1 или 5, то открывается фрамуга боковая и программа переходит к сравнению влажности V и влажности номинальной Vn. Если же температура T не превышает максимальную температуру Tm, то программа сравнивает температуру Т и температуру номинальную Тn. Если температура Т меньше Tn, то программа проверяет, открыта ли фрамуга боковая, если да, то закрывает ее, фрамуга на крыше, если да, то закрывает ее, дверь, если да, то закрывает ее. После этого программа дает команду включить обогреватель на 30 минут, затем выключить обогреватель.

Затем программа переходит к сравнению влажности V и влажности номинальной Vn. Если влажность V меньше, чем номинальная влажность Vn, то программа проверяет, выбран ли режим 1 или 3. Если нет, то программа включает капельный полив на 15 минут, потом выключает его, происходит задержка 30 минут и программа начинается сначала. Если же был выбран режим 1 или 3, то программа сравнивает значение влажности V и максимальное значение влажности Vm. Если влажность равна максимальной или больше ее то происходит задержка на 30 минут и программа начинается с начала. А если влажность V меньше максимальной влажности Vm, то программа включает капельный полив на 15 минут, затем выключает его и возвращается к сравнению влажности V и максимальной влажности Vm.

СПИСОК ЛИТЕРАТУРЫ

1)      Дубров Ф.И.. «Методические указания по выполнению курсового проекта по дисциплине «Микропроцессорные системы»» - Краснодар, ККЭП.

)        Баранов В.Н. Применение микроконтроллеров AVR: схемы, алгоритмы, программы. - М.Ж Издательский дом «Додэка XXI», 2004

)        Тигранян Р.Э. Микроклимат. Электронные системы обеспечения. - ИП. Радиософт, 2005

)        Гребнев В.В. Микроконтроллеры семейства AVR фирмы Atmel. - М.: ИП РадиоСофт, 2002 - 176с.


Не нашли материал для своей работы?
Поможем написать уникальную работу
Без плагиата!
Без нейросетей!