Разработка теплицы ангарного типа из поликарбоната

  • Вид работы:
    Дипломная (ВКР)
  • Предмет:
    Другое
  • Язык:
    Русский
    ,
    Формат файла:
    MS Word
    1,75 Mb
  • Опубликовано:
    2011-11-10
Вы можете узнать стоимость помощи в написании студенческой работы.
Помощь в написании работы, которую точно примут!

Разработка теплицы ангарного типа из поликарбоната

БАКАЛАВРСКАЯ РАБОТА

Разработка теплицы ангарного типа из поликарбоната

Введение

Теплица - это некое прозрачное или частично прозрачное сооружение из пленки, стекла или пластика, внутри которого создается свой, особый микроклимат.

С каждым годом в тепличных предприятиях все большее внимание уделяется качественному поддержанию микроклимата. Правильно выбранная технология поддержания микроклимата - одна из важнейших составляющих, позволяющих повысить урожайность. А эффективное использование энергоресурсов - дополнительная возможность существенно уменьшить себестоимость производимой продукции. Современная автоматизированная система управления микроклиматом должна поддерживать не только заданный режим, но и максимально эффективно использовать возможности исполнительных систем.

В настоящее время ведется активная модернизация теплиц, связанная с повышением количества исполнительных систем: разделение контуров, модернизация форточной вентиляции, установка систем зашторивания, установка вентиляторов. И чем больше исполнительных систем имеет теплица, тем важнее для нее выбор критерия, определяющего стратегию поддержания микроклимата.

Например, одним из наиболее популярных критериев управления является экономия теплоресурсов. В данном случае целесообразнее активно использовать нижние контура обогрева, т.к. они меньше всего отдают тепла внешней среде. Другой подход к выбору критерия предполагает поддержание температуры у точки роста выше, чем у корней растения и тем самым подразумевает активное использование верхних контуров обогрева. Еще один критерий управления основывается на том, что нижний контур должен поддерживать в корневой зоне постоянную температуру, так называемый оптимум, и лишь при исчерпанных ресурсах других исполнительных систем отклоняться от него.

Считается, что в системе управления должна существовать возможность оперативно задать критерий во время эксплуатации, причем методы его задания должны в наглядной форме отражать агрономические, экономические и теплотехнические требования, предъявляемые к системе. Таким образом, современная система управления должна позволять задать не только один из вышеперечисленных критериев управления или их комбинацию, но и любой другой возникающий в процессе производства, предоставляя агроному-технологу широкие возможности в выборе метода поддержания температурно-влажностного режима в теплице.

Применение полной автоматизации теплицы с более экономическими по характеристика установками и материалами сокращает затраты энергии и упрощает человеческий труд к минимуму, а также приносит доход с выращивания различной культуры.

Автоматизация технологических процессов - это этап комплексной механизации, характеризуемый освобождением человека от непосредственного выполнения функций управления технологическими процессами и передачей этих функций автоматическим устройствам. При автоматизации технологические процессы получения, преобразования, передачи и использования энергии, материалов и информации выполняются автоматически при помощи специальных технических средств и систем управления.

Дальнейшее повышение производительности труда в сельском хозяйстве, а, следовательно, и эффективности производства возможно лишь при условии максимальной механизации и автоматизации при неуклонном сокращении доли ручного труда. Сокращение доли тяжелого и малоквалифицированного физического труда - непременное условие дальнейшего экономического роста.

Автоматизация сельскохозяйственных процессов повышает надежность и продлевает срок работы оборудования, облегчает и оздоравливает условия труда, повышает безопасность труда, делает его более престижным, сокращает текучесть рабочей силы и экономит затраты труда, увеличивает количество и повышает качество продукции, ускоряет процесс стирания различий между трудом умственным и физическим, промышленным и сельскохозяйственным.

1. Общие сведения о сотовом поликарбонате

1.1   Что такое сотовый поликарбонат и где он применяется

Сотовый (или как его часто называют "ячеистый") поликарбонат радикально отличается от всех прочих прозрачных материалов. Полые панели толщиной 4, 6 и 8 мм состоят из двух слоев поликарбоната, соединенных продольными ребрами жесткости, получаемые из гранул поликарбоната методом экструзии, образующими воздушные прослойки (структура панелей сходна с гофрокартоном). Материалы большей толщины (10, 16, 20, 25, 32, 35, 40 мм), как правило, имеют более сложную структуру, включающую 3 и более слоев и усиленную скрещенными ребрами жесткости. Панели обладают исключительно высокой ударопрочностью. Наличие воздушных прослоек делает сотовый поликарбонат очень легким материалом и придает ему высокие показатели тепло- и звукоизоляции. Панели благоприятно рассеивают свет, задерживая при этом вредный спектр ультрафиолетовых лучей и пропуская, тем не менее, 55-86% видимого света и весь спектр полезных для человека и растений лучей солнца.

Рисунок 1.1 - Сотовый поликарбонат

Этот материал очень конструктивен - сочетание высокой прочности панелей, способных выдерживать значительные снеговые и ветровые нагрузки и теплоизоляционных свойств, не уступающих стеклопакету с аргоновым заполнением, делает этот пластик наиболее популярным при необходимости прозрачного перекрытия отапливаемых зданий [8].

Сотовый поликарбонат невозможно разбить, и это, в совокупности с его пожаробезопасностью выгодно отличает этот материал от других видов прозрачных материалов. Возможность интересных архитектурных решений и легкость изготовления различных строительных элементов и конструкций из ячеистого поликарбоната дают такие свойства этого материала, как гибкость (возможность создания арочных и купольных покрытий) и большие размеры панелей (до 2100 х 12000 мм) [13].

Наконец, для каждого вида конструкции Вы можете подобрать оптимальный функционально обоснованный вариант по толщине, цвету и светопропускающей способности. Максимальную освещенность дают прозрачные панели. Тонированные панели "бронза" несколько приглушают проникающий свет, оставаясь, тем не менее, прозрачными. Белые панели могут быть полупрозрачными или практически непрозрачными.

Спектр применения сотового поликарбоната в строительстве очень широк: неоценимую помощь он оказывает городскому строительству, сельскому хозяйству, дизайнерам, а также пользуется неизменным спросом индивидуальных застройщиков. Конструкции из сотового поликарбоната сегодня престижны, современны и являются показателем того, что их хозяин "не отстает от жизни". Сотовый поликарбонат изначально проектировался для использования в теплицах и других помещениях, где необходимо максимально сохранять необходимую температуру воздуха и пропускать солнечный свет. Основная область применения - сельское хозяйство (теплицы, оранжереи) и строительство (светопрозрачные кровля, арочные перекрытия, козырьки, навесы, автостоянки, торговые центры, спортивные сооружения, АЗС, павильоны для бассейнов, зимний сады). Одна из сфер применения сотового поликарбоната - это аграрный сектор. Сочетание высокой прозрачности с достаточно высоким светорассеиванием (исключающим ожоги растений прямыми солнечными лучами), очень низкой теплопроводностью (позволяющей снизить расходы на отопление примерно на 30 %), прочностью и долговечностью делает поликарбонатные панели незаменимым материалом[8]. Теплица, покрытая пленкой, по-видимому, навсегда останется в прошлом веке. Непрочность и недолговечность пленки (даже, если она не порвется, то под влиянием УФ-лучей солнца менее чем за три года она неизбежно придет в негодность, попросту разрушившись), необходимость снимать ее на зиму и устанавливать весной на прежнее место, да и просто неприглядный вид этого материала говорят о том, что сегодня пленка "устарела" и не имеет дальнейших перспектив. Стеклянные теплицы - более долговечны, но, тем не менее, необходимость почти ежегодной замены разбитых стекол удручает владельцев и этих теплиц. Кроме того, теплоизоляция одинарного остекления невелика, а устройство двойного остекления вызывает проблемы, и, прямо скажем, для простой теплицы - слишком дорогое удовольствие.

Сотовый поликарбонат - наилучший материал для покрытия теплиц на сегодняшний день. Даже самые тонкие панели по теплоизоляционным свойствам значительно превосходят простое остекление.

Панели легко гнутся, а один лист способен перекрыть сразу 24 кв.м. Гарантийный срок такого покрытия - не менее 10 лет. Поликарбонатные соединительные профили надежно закрепят листы на металлической или деревянной основе каркаса и придадут теплице законченный и очень красивый вид. Легкость этого материала позволяет применять в теплицах простейшие терморегуляторы для открывания форточек. Целесообразно использовать панели толщиной от 6 до 10 мм (для неотапливаемых теплиц) и толщиной 16 мм, если теплица отапливается[12].

Листы сотового поликарбоната выдерживают значительные снеговые и ветровые нагрузки и сохраняют все механические и оптические свойства в диапазоне температур от -60° до +80° С. Материал горит только в открытом пламени, не образует горящих капель и является самозатухающим. Кроме того, горение поликарбоната не сопровождается выделением ядовитых веществ.

1.2 Основные характеристики сотового поликарбоната

§   Легкий вес - от 0,8 до 3.0 кг/кв. м

§   Высокая степень прозрачности - до 86% (пропускает полный спектр солнечного излучения необходимый для развития растений)

§   Благоприятное светорассеивание (при использовании в теплицах, растения не получают солнечные ожоги и равномерно освещаются)

§   Отличные теплоизоляционные свойства (панели толщиной 6мм сопоставимы со стеклопакетом).

§   Возможность сгибания в холодном состоянии (позволяет монтировать панели в зимнее время).

§   Эстетическая привлекательность (имеются разные цвета - голубой, белый, коричневый, прозрачный).

§   Высокая ударопрочность (в 190 раз прочнее стекла).

§   Высокая несущая способность (при проектировании строительных конструкций следует учитывать, что максимальная прочность достигается при изгибе панелей поперек ребер жесткости).

§   Пожаробезопасность (при очень высоких температурах материал плавится, но не допускает распространение огня и не выделяет ядовитых веществ).

§   Стойкость к воздействию химикатов.

§   Морозостойкость до -60 С.

§   Максимальная температура применения до +120С

§   Защита от жесткого ультрафиолетового излучения (панели сотового поликарбоната необходимо устанавливать слоем, защищенным от УФ-лучей наружу)

§   Долговечность (гарантия до 10лет, срок службы теоретически равен 50 годам) [10].

Таблица 1.1 Технические характеристики сотового поликарбоната

 Характеристики

Масса1м2 в, граммах. Расстояние между ячейками в, миллиметрах.

 800 5,7

 1300 5,7

 1500 11

 1700 11

 2700 20

Светопропускание для прозрачного в, %. Светопропускание для матового в, %.

 80 32/42

 86 32/42

 81 32/42

 84 32/42

 73 32/42

Коэффициент теплопередачи в, Вт/м2*0С

 3,9

 3,6

 3,2

 2,8

 2,3

Водопоглощение за 24 часа в, %

0,35

0,35

0,35

0,35

0,35

Температурный рабочий диапазон в, 0С.

от -60 до +120

от -60 до +120

от -60 до +120

от -60 до +120

Теплостойкость в, 0С

150

150

150

150

150

Таблица 1.2 Свойства сотового поликарбоната

.4 Сравнение покрытий теплиц

Таблица 1.3 Сравнение сотового поликарбоната с другими материалами, применяемыми в покрытии теплиц.


Пленка

Стекло

Сотовый поликарбонат

Вес

Очень легкий, нуждается в надежном закреплении от ветра.

Тяжелый, требует фундамента.

Легкий, самонесущая конструкция без особых требований к опоре.

Долговечность

2-3 года, разрушение под действием солнца (УФ) и кислорода.

Раздавливается снегом, разбивается градом, неосторожным ударом, в т.ч. садовым инструментом. Стекло только ограждающий материал. Прямоугольные рамы нежесткие по определению. Морозное пучение грунта и последующее неравномерное оттаивание и просадка перекашивают рамы, стекло колется.

До 80 лет, не разрушается УФ и светом. Сотовый поликарбонат силовой элемент конструкции, теплица устойчива к перекосам.

Эстетика, внешний вид, шум

Страшная, пленка мутнеет очень быстро. Малейший ветер постоянно с шумом выгибает и треплет пленку.

Строгое и плоское. Прекрасный внешний вид после аккуратной мойки. Сильный ветер шумит на острых углах.

Модерновый. Пыль почти не видна, легко и просто моется. Аэродинамичная форма легко и просто обтекается воздухом

Безопасность

Не опасна

Хрупкое, осколки очень опасны. Падение людей на стекло и падение разбитого черенком лопаты стекла на человека случаются ежегодно. Вандалы легко могут нанести большой ущерб.

Прочный не травмоопасный, разбить практически нельзя.

Микроклимат

Ниже среднего

Средний

Высокие теплоизоляционные свойства. Конденсат скатывается на периметр, каплепадения на листья нет. Оптимальное светопропускание по длине волны, хорошее светорассеяние.

Цена

Низкая

Высокая

Высокая


Таблица 1.4 Теплоизолеционные свойства

Таблица 1.5 Сравнительный коэффициент теплопередачи структурных поликарбонатных листов в сравнении со стеклом.

Таблица 1.6 Сравнительная масса различных материалов для остекления со структурными поликарбонатными листами.

Таблица 1.7 Сравнительная звукоизоляция одинарного остекления листа из сотового поликарбоната и обыкновенным силикатным стеклом.


2. Свойства сотового поликарбоната

2.1 Характер пропускания световых лучей

U.V.: ультрафиолет 136-400 нанометров V.: видимый свет 400-780 нанометров I.R.p.: инфракрасные 780-1400 нанометров I.R.m.: инфракрасные >1400-3000 нанометров I.R.I.: инфракрасные 3000-1000000 нанометров. Кривая показывает общие параметры светопропускания для листа толщиной 6мм

Рис.2.1. Характеристики светопропускания.

Таблица 2.1 Светопропускание прозрачных панелей сотового поликарбоната.

4 мм

6 мм

8 мм

10 мм

16 мм

25 мм

32 мм

86%

80%

80%

79%

70%

55%

50%


Различная степень светопропускания тонированных и белых панелей (20-42%)

Светопропускание прозрачных двухслойных панелей достигает 86%. Светопропускание панели практически не снижается при долговременной эксплуатации на улице. Жесткое ультрафиолетовое излучение (диапазон менее 390 нанометров), оказывающее вредное влияние на человека, растения и оборудование, практически не проходит сквозь панель. Пропускание полезных лучей - оптимально. Пропускание сотовым поликарбонатом лучей, расположенных в крайней части инфракрасной зоны спектра (более 5000 нм) минимально, вследствие чего тепло, излучаемое объектами внутри ограждаемого помещения, остается внутри, создавая "тепличный эффект", что является дополнительным преимуществом при использовании этого материала в качестве остекления теплиц, оранжерей, зимних садов и т.д.

Все виды панелей сотового поликарбоната благоприятно рассеивают свет, многократно отражая лучи проникающего света от всех поверхностей (верхний слой, ребра жесткости, нижний слой).

Свет, пропускаемый стеклом или однослойными листами из других материалов, не рассеивается. Солнечные лучи, падающие на лист сотового поликарбоната практически не имеют своего направления по отношению к его плоскости. Отклонение лучей и изменение их направления ничтожно малы. В результате солнечные лучи попадают только на верхнюю часть растений, тогда как их нижняя часть остается в тени. Полная освещенность растений очень важна, её отсутствие приводит к заболеваниям растений и к их увяданию. У панелей ячеистой конструкции сотового поликарбоната рассеивание света значительно выше.

Солнечные лучи оседают на верхних и нижних листах и на ребрах сотового поликарбоната и выходят из панелей в разных направлениях. Лучи, проходящие через панель сотового поликарбоната под разными углами попадают на стены и другие поверхности, отражаются от них и доходят до всех элементов растений.

Максимальное светопропускание сотового поликарбоната происходит в диапазоне обычного света, именно той части спектра лучей, которые максимально поглощается растениями и способствует их росту. Для устранения вредного эффекта падающих капель образующегося конденсата на растения возможно нанесение на материал специального покрытия "антифог"[9].

2.2 Теплоизоляционные свойства

Воздушная прослойка в панелях сотового поликарбоната - великолепный теплоизолятор. Даже самые тонкие панели сотового поликарбоната (4 мм) почти в 2 раза превосходят по степени теплоизоляции простое остекление. Панели толщиной 4 мм сопоставимы с однокамерным стеклопакетом 12 мм (термосопротивление R=0,26, температура запотевания предположительно минус 5-7С, температура внутри + 6С, коэффициент потерь К=3,9 вт/кв.м.). Для панелей толщиной 6 мм - соответственно 18 мм (R=0,28, температура запотевания предположительно минус 7-10С, температура внутри + 8С, коэффициент потерь К=3,6 вт/кв.м.). С утолщением панелей теплоизоляционные свойства существенно улучшаются. При этом конструкции из сотового поликарбоната не бьются, весят на порядок меньше конструкций из стекла, что дает возможность существенно упростить каркас и т.д. Высокие теплоизоляционные свойства, низкая теплопроводность (коэффициент теплоотдачи - 2,5 Вт/м2К, сопротивление пропусканию тепла выше, чем у обычного однослойного стекла, что позволяет снизить расходы энергии на обогрев и охлаждение примерно на 30-50 %; благодаря низкой теплопроводности листы используются при остеклении зданий, теплиц, оранжерей). Выигрывают они и удобству транспортирования и монтажа, а, если есть необходимость, то и демонтажа (специализированные поликарбонатные и алюминиевые профили позволяют изготавливать также сборно-разборные конструкции)[11].

3. Монтаж и основные способы крепления листов из сотового поликарбоната

.1 Общие рекомендации

• Поверхность листов из сотового поликарбоната очень чувствительна к механическим воздействиям. Поэтому монтаж следует производить, не удаляя защитную пленку с обеих поверхностей листа

• Плиты нельзя крепить или зажимать слишком сильно, так как это будет препятствовать естественному тепловому расширению, вызывая отрицательное воздействие на конструкцию (напряжения и продольные изгибы). Необходимо предотвратить попадание влажности, пыли и насекомых в открытые концы листа. Для этого их необходимо обклеить соответствующими лентами и в случае необходимости одеть замыкающие профили для защиты лент от механических повреждений. Маленькие отверстия, просверленные в нижних профилях, служат для циркуляции воздуха, благодаря чему в большинстве случаев, будет предотвращена конденсация водяного пара внутри каналов. Верхний конец листа должен быть всегда тщательно закрыт.

• Материал способен впитывать влагу из атмосферы. Снижение относительной влажности может привести к образованию конденсата внутри каналов листа, удалить который уже в собранной конструкции будет нелегко. Поэтому перед монтажом необходимо выдержать материал несколько суток в сухом помещении, а затем заклеить торцы самоклеющейся алюминиевой лентой. В случае если конденсат уже образовался, его можно удалить, продувая пустоты сжатым воздухом.

• Не следует применять на поверхности сотового поликарбоната газо- и паронепроницаемые материалы (например, полиэфирные и металлизированные пленки). Влага, выпарившаяся на поверхность, образует тонкий слой воды между сотовым поликарбонатом и нанесенной пленкой. Следствием может явиться образование пузырей, отслоение пленки или почернение металлизированного слоя.

• Крыши из сотового поликарбоната следует всегда проектировать с наклоном как минимум 5 (около 90 мм/м), чтобы обеспечить сток дождевой воды.

• Запрещается ходить непосредственно по листам.

В случае необходимости следует применять доски, опирающиеся, как минимум, на несколько ребер листа. Складировать сотовый поликарбонат необходимо на деревянных брусьях шириной не менее 100 мм, в стопку один на один высотой не более 1000 мм. Стопку листов необходимо закрыть непрозрачным материалом. При хранении под интенсивным солнечным светом защитная пленка может склеиться с поверхностью листа. По возможности листы должны храниться в изолированном от внешних атмосферных воздействий помещении.

.2 Монтаж сотового поликарбоната

Для правильного монтажа, следует все настоящие рекомендации соотнести с особенностями конструкции и с условиями, в которых будет происходить монтаж.

Крепление сотового поликарбоната должно быть последней операцией монтажа. Несущая конструкция должна быть полностью подготовленной: все составляющие ее элементы закреплены на своих местах, если конструкция окрашивалась или покрывалась специальными растворами, то все они должны быть высушены.

Рис.3.2. Крепление листов сотового поликарбоната алюминиевым профилем к несущей.

Сотовый поликарбонат имеет слой, устойчивый от воздействия УФ. Эта сторона покрыта пленкой с многочисленными надписями (содержащими рекомендации по складированию, обработке, монтажу и т.д.). Листы следует монтировать указанной стороной вверх (наружу). Незадолго до монтажа, необходимо отсоединить защитную пленку с обеих сторон листа на расстоянии около 50 мм от краев листа и опорных поверхностей. Это сократит до минимума возможность повреждения или царапанья листа во время монтажа. Полностью защитную пленку следует снять только после завершения монтажа.

Листы нужно устанавливать так, чтобы направление ребер соответствовало направлению наклона крыши (плоскость ребер - вертикальная), что обеспечит более эффективный отвод конденсата (см. рис. 3.3).

Рис.3.3. Защита внутреннего пространства каналов.

Каналы должны быть защищены от проникновения пыли и насекомых, а также от излишней влаги (см. рис. 3.3). Верхний край листа должен быть плотно закрыт. Для этого применяется липкая непроницаемая лента HDPE (маркировка TZ-Z…) шириной, соответствующей ширине листа. Нижний край листа защищается липкой, пропускающей водяной пар, лентой HDPE (маркировка TZ-P…) соответствующей ширины. Она не позволяет проникать в каналы пыли и насекомым, но пропускает в каналы воздух, благодаря чему происходит выравнивание парциального давления водяного пара в воздухе, находящемся в каналах, и снаружи. При этом изоляционные свойства листа не ухудшаются.

Нужно убедиться в том, что все вспомогательные средства, использованные в ходе монтажа, не влияют отрицательным образом на лист.

Следует обеспечить необходимую ширину опорной поверхности листа в крепящем профиле не менее 20 мм (см. рис. 3.2. и 3.4.).

Рис.3.4. Крепление листов сотового поликарбоната алюминиевой системой.

Важно помнить, что, по крайней мере, одно ребро должно быть установлено и закреплено в профиле несущей системы. Ввиду теплового расширения поликарбонатных листов, которое, как правило, выше, чем у остальных материалов, применяющихся в конструкции, эти листы не могут быть закреплены слишком плотно. Установка без достаточного зазора приведет к температурным напряжениям и боковому выпучиванию! На практике, требуемый зазор может быть определен как 3,5 мм на каждый метр длины либо ширины формата.

Для того чтобы обеспечить листу свободу смещения при расширении, связанного с изменением температуры, в случае листа длиной 2000 мм, отверстия должны иметь диаметр, как минимум, на 6 мм больше чем диаметр крепящего винта, а отверстия для грибкообразных прокладок - диаметр не менее 18 мм. Каждая очередная 1000 мм длины листа требует увеличение диаметра отверстия на 2,5 мм. Запрещено чрезмерно крепкое крепление и зажим листов, ибо это ограничивает свободу расширения и отрицательно сказывается на конструкции.

Рис.3.5. Крепление листов сотового поликарбоната к несущей с помощью грибкообразного соединителя и поликарбонатного профиля.

На коньковых навесах, а также в местах больших ветровых нагрузок необходимы дополнительные крепления. Для этого применяются грибкообразные прокладки из полиамида (Рис. 3.5. и 3.6.). В этом случае не следует сильно зажимать винты. Максимальное провисание листа на коньковый навес должно составлять 50-60 мм, что обеспечит правильный сток дождевой воды в сточную трубу[8].

Рис.3.6. Дополнительное крепление листов сотового поликарбоната.

4. Ангарная теплица

.1 Почва. Уход за почвой в теплице

Перед посадкой почву в теплице обрабатывают так же, как в открытом грунте. Например, проводят глубокое рыхление. Мощность культурного слоя должна быть не менее 30 см. Улучшение почвы компостом также ничем нельзя заменить. Оптимальные условия для культивируемых растений создаст почвенный обогрев в лотках. Прост в использовании и идеален для согрева "ног" растений метод набивки навозом, листвой или соломой, но рассматриваемая в дипломном проекте теплица используется круглый год и для обогрева также используется подпочвенный обогрев асбестоцементными трубами.

Поскольку почва в теплице используется очень интенсивно, ее ежегодно надо заменять. Если теплица функционирует и зимой, ее меняют осенью. Если же зимой она не используется, замена производится весной перед посадкой. Использованную почву перемешивают с полуразложившимся компостом, соломистым навозом, описками или корьем отношении 1:2 и закладывают в компостную кучу. Чтобы получить хороший компост, кучу надо оберегать от дождей, высыхания и т.п. Тогда почва снова станет "живой".

Чтобы защитить кучу от сорняков, ее покрывают, например, старыми мешками или соломой. Через год вы получите питательный грунт с высоким содержанием органических веществ. Перед вторичным использованием надо провести анализ питательных веществ. В зависимости от результатов, почву дополнительно удобряют или, наоборот, вносят в нее обедняющие добавки. Если растениям понадобятся дополнительные питательные вещества, грунт снова удобряют.

Иногда вносят также минеральные удобрения - это очень действительно, но в нужных пропорциях. Если в прошлом году появилась инфекция - например, нематоды, грибные или бактериальные болезни, грунт следует, разумеется, соответствующим образом обработать, прежде чем переносить в теплицу. Или используют его через большой промежуток времени [3].

.2 Технологическая часть

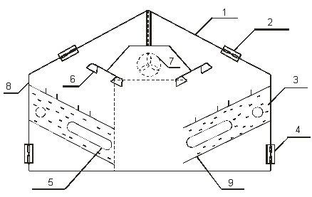
Теплица шириной 25 м, длиной 100 м и площадью 2500 м2.. Ангарными (от франц. Hangar - помещение с полусферической кровлей для хранения или ремонта самолетов) называют, однопролетные с полусферической (арочной) или двухскатной кровлей теплицы, не имеющие внутренних стоек (Рисунок 4.2). Ширина таких теплиц может быть 12...14 и даже 50 м, высота некоторых из этих сооружений достигает 8 метров Предельная, технологически обоснованная длина - не более 200 м. Таким образом, площадь одной ангарной теплицы может составлять 600...10000 м2. Рассматриваемый тип теплиц характеризуется лучшим, чем у блочных, световым режимом, имеются возможности для использования средств механизации технологических процессов и автоматического поддержания оптимальных параметров микроклимата, создает большие возможности для механизации работ в связи со значительной шириной пролета. Кроме того, снег почти не задерживается на кровле ангарных теплиц. Однако эти теплицы обладают большим коэффициентом ограждения, следовательно, требуют больших затрат материалов и средств на единицу инвентарной площади. Промышленность выпускает как блочные, так и ангарные теплицы, но ангарные в общем объёме производства конструкций стеклянных теплиц составляют по площади не более 15 %.

Разработана классификация теплиц со светопрозрачной кровлей, основанная на существующих внешних строительных и эксплуатационных признаках:

· продолжительность эксплуатационного периода - круглый год или весенне-летне-осенний период;

· назначение - производство овощей, рассады для защищенного грунта, рассады для открытого грунта;

· стационарность - возможность перемещать теплицы по участку;

. способы использования площади - стеллажный, бесстеллажный;

· способы корневого питания - почвенный, гидропонный;

· конфигурация кровельного ограждения - треугольная, полусферическая;

. количество пролетов - однопролетные, многопролетные;

. способ отопления или обогрева;

· вид светопрозрачного материала для ограждающих поверхностей.

Рис. 4.2. Ангарная теплица.

где: 1 - тепличный блок, 2,4 - вентиляторы для увлажнения воздуха, 5 - стальные трубы для подпочвенного обогрева рассады, 6 - светильники "Реатон" с зеркальными натриевыми лампами ДНаЗ, 7 - вытяжные вентиляторы, 8 - форточки, 9 - лотки,

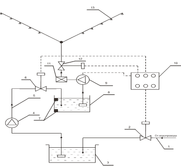
4.3 Система полива растений

В теплице предусмотрена система автоматического полива растений включающая в себя следующие элементы:

Таблица 4.2 Список элементов использующихся в системе полива.


Рис.4.3. Автоматизированная система полива растений.

От трубопровода по патрубку 1 вода через вентиль 2 поступает в резервуар 3 где отстаивается. После отстоя вода посредством насоса 4 по трубопроводу 5 поступает через вентиль 6 в резервуар, который служит для создания в нем питательного раствора. Вентиль 6 может работать автономно от датчиков уровня 7 или от блока управления 10. При заполнении резервуара 8 вентиль 6 закрывается. По программе питательный раствор посредством насоса 9 и гидропереключателя 11 подается в трубопровод системы полива 13.

Блок управления 10 по программе контролирует заполнение резервуара 3 по датчикам уровня, установки в резервуаре 3, которые подключаются к блоку 10.

Система располагается в самой теплице, т.к. при использовании теплицы в зимний период вода в баках замерзнет [14].

4.4 Расчет теплового баланса. Система обогрева теплицы

Тепловой баланс для покрытия из сотового поликарбоната

Теплопотери дверей:

 

 (1)

где  

 (2) - площадь дверей.

Теплопотери пола:

  (3)

где - коэффициент теплопередачи,  

 (4)

 - площадь пола в теплице.

 

Теплопотери стен:

(5)


где  - коэффициент теплопередачи,  

 (6)

- площадь стены в теплице.

  (рабочая минус 40С);

 - для двух стен теплицы.

Теплопотери торцовых стен теплицы:

 

(7)


где  - коэффициент теплопередачи,  

 (8) - площадь торцовых стен в теплице.

 - для двух торцовых стен теплицы.

Теплопотери верхней торцовой части теплицы:

 

 

(9)


где  - коэффициент теплопередачи,  

 (10)

- площадь верхних торцовых частей теплицы.

 - для двух верхних торцовых частей теплицы.

Теплопотери крыши:

 

(11)


где  - коэффициент теплопередачи,

 - площадь сторон крыши теплицы.

 - для двух сторон крыши теплицы.

Суммарные потери:

Суммарные потери на нагрев:

(12)


где  - расчетное время работы, - потери по трубам.


   (13)

 

Производительность нагревающего котла:

(14)


где  - удельная теплоемкость воды,

По данным расчета выбираем водонагреватель ЭПЗ - 60.

Тепловой баланс для покрытия из стекла

Теплопотери дверей:

(15)


где   - площадь дверей.

(16)



Теплопотери пола:

(17)


 (18) - площадь пола в теплице.


Теплопотери стен:

 

(19)


где  - коэффициент теплопередачи,  

 (20)- площадь стены в теплице.

  (рабочая минус 40С);

 - для двух стен теплицы.

Теплопотери торцовых стен теплицы:

 

(21)


где  - коэффициент теплопередачи,  

 (22)- площадь торцовых стен в теплице.

 - для двух торцовых стен теплицы.

Теплопотери верхней торцовой части теплицы:

 

(23)


где  - коэффициент теплопередачи,  

 (24)

 площадь верхних торцовых частей теплицы.

 - для двух верхних торцовых частей теплицы.

Теплопотери крыши:

 

(25)


где  - коэффициент теплопередачи,

 - площадь сторон крыши теплицы.

 - для двух сторон крыши теплицы.

Суммарные потери:


Суммарные потери на нагрев:

(26)


где  - расчетное время работы, - потери по трубам.

(27)


Производительность нагревающего котла:

(28)


где  - удельная теплоемкость воды,

Принимаем водонагреватель КЭВ - 400.

Тепловой баланс для покрытия из полиэтиленовой пленки

Теплопотери дверей:

(29)


где  

 (30)- площадь дверей.

[1].

Теплопотери пола:

 

(31)


где  - коэффициент теплопередачи,  

 (32)

- площадь пола в теплице.

Теплопотери стен:

(33)


где  - коэффициент теплопередачи,  

 (34)

- площадь стены в теплице.

 (рабочая минус 40С);

 - для двух стен теплицы.

Теплопотери торцовых стен теплицы:

(35)


где  - коэффициент теплопередачи,  

(36)


площадь торцовых стен в теплице.

 - для двух торцовых стен теплицы.

Теплопотери верхней торцовой части теплицы:

(37)


где  - коэффициент теплопередачи,  

(38)


- площадь верхних торцовых частей теплицы.

 - для двух верхних торцовых частей теплицы.

Теплопотери крыши:

 

(39)


где  - коэффициент теплопередачи,

 - площадь сторон крыши теплицы.

 - для двух сторон крыши теплицы.

Суммарные потери:

Суммарные потери на нагрев:

 

(40)


где  - расчетное время работы, - потери по трубам.

(41)


Производительность нагревающего котла:

(42)


где  - удельная теплоемкость воды,

Принимаем водонагреватель КЭВ - 1000.

Исходя из расчетов строится график потерь тепла относительно материала для покрытия теплицы [5].

Рис.4.4. Характеристика тепловых потерь

Как видно из расчета теплового баланса для теплицы ангарного типа с покрытием из сотового поликарбоната, стекла и полиэтиленовой пленки, в значительной степени выигрывает сотовый поликарбонат.

Количество потерь при сотовом поликарбонате составляет 46 кВт в отличие от стекла 221,7кВт и полиэтиленовой пленки 301,7 кВт.

Для теплицы из стекла применяется водонагреватель серии КЭВ - 400 мощностью 400 кВт, громоздкий водонагреватель на большую мощность. С покрытием из стекла необходимо большое количество энергии для поддержания тепла (экономически не подходящий фактор). Также и для покрытия из полиэтиленовой пленки применяется водонагреватель серии КЭВ - 1000.

Для теплицы с покрытием из сотового поликарбоната применяется электродный водонагреватель ЭПЗ - 60 с мощностью от 60 до 78 кВт. Он в достаточной степени восполняет то количество тепла, которое уходит через ограждения теплицы [6].

Система обогрева почвы в теплице

В теплице для подпочвенного обогрева растений применяются стальные трубы диаметром 100 м2, с глубиной заложения 0,55 м. Для обогрева почвы установлены четыре электродных водонагревателя ЭПЗ - 60. Два водонагревателя работают в нормальном режиме, а два являются резервными, т.е. в случае выхода из строя одного из водонагревателя, его восполняет резервный. Это сделано для того чтобы не прекращался обогрев растений не на секунду.

Электродные водонагреватели (котлы) применяют в системах отопления различных производственных и культурно-бытовых зданий, а также для получения горячей воды на технологические нужды.

В электродных котлах нагреваемая вода загрязняется продуктами электрохимических реакций, происходящих на металлических электродах и корпусе, и оксидами металлов. Поэтому она не пригодна для поения животных и не рекомендуется для открытого водоразбора. Для удовлетворения технологических нужд необходимо использовать теплообменник (бойлер), в первичный контур которого включают водонагреватель, а из вторичного (открытого) контура отбирают горячую воду.

Электродные водонагреватели принципиально не отличаются один от другого. Их основные части: резервуар с размещенной в нем электродной системой, устройство для регулирования мощности, патрубки для подвода холодной и отвода горячей воды.

Электроводонагреватели типа ЭПЗ имеют электродную систему, образованную тремя группами цилиндрических коаксиально расположенных электродов. Между ними размещены изоляционные трубы, положение которых по высоте электродов определяет мощность котлов [7].

ЭПЗ-60

Номинальная мощность……………………………… 60 - 78 кВт

Паропроизводительность, кг/ч………………………… -

Удельное сопротивление воды при 20 С, Ом-м…….. 10…30

Диапазон регулирования мощности, %......................... 10…100


 

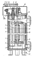
Рис.4.5. Электродный котел ЭПЗ:

- скобы; 2 - корпус; 3 - кожух; 4 - наружный изоляционный экран: 5-регулирующий электрод; 6 - фазные электроды; 7 - крышка; 8-шкала; 9 - ручка; 10 -токоввод; 11 - шины; 12 - изолятор; 13 -кожух токоввода; 14 и 23 - дренаж; 15 отвод воды; 16 - изоляционная пластина: 17 - поворотная ось: 18 - внутренний изоляционный экран; 19 траверса; 20- подвод воды: 21 - изолятор днища: 22 - днища

В модернизированном электроводонагревателе ЭПЗ электроды выполнены в виде сегментов. Увеличенные межэлектродные зазоры и движение воды через теплогенерирующие зоны повышают надежность и срок службы нагревателя.

Котел (рис. 4.5) состоит из корпуса 2, днища 22, крышки 7 и электродной системы, образованной тремя парами электродов 5 и 6. Электродная система смонтирована при помощи скоб 1 на проходных изоляторах 12, установленных на крышке, и образует блоки регулирующих 5 и фазных 6 электродов. Мощность изменяют, поворачивая регулирующие электроды относительно фазных при вращении оси 17 ручкой 9. Внутренняя поверхность корпуса и днища, а также зазоры между боковыми кромками регулирующих электродов изолированы полипропиленом. Теплота выделяется и межэлектродных промежутках.

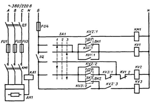
Рис. 4.6. Электрическая схема управления работой водонагревателя ЭПЗ: QS - пакетный выключатель; FU1...FU4 - предохранители; КМ1 - линейный контактор; АК1 - электроводонагреватель; КА1- реле максимального тока; SА1 - универсальный переключатель; KV1...KV3 - Промежуточное реле; BKl, ВК2 - электроконтактные термометры; SK1...SK3 - контакты, переключаемые от температуры: SQ - блок-контакты автоматического выключателя цепи питании электродвигателя насоса

Схема их замещения представляет собой треугольник. Токовводы 10 защищены кожухом 13, на котором укреплена шкала 8 мощности.

Принципиальная электрическая схема включения электродного котла ЭПЗ показана на рисунке 2. Режим работы (ручной или автоматический) устанавливают переключателем SA1. Схема поддерживает заданный температурный режим при помощи контактного манометрического термометра ВК2. Аварийное отключение котла вызывает срабатывание токового реле КА при токе в нулевом проводе, превышающем номинальный на 25%, а также при недопустимом перегреве воды на выходе из котла, контролируемом контактным термометром ВК1. Для повторного включения котла необходимо переключатель SA1 перевести в нулевое положение, разблокировав катушку реле KV1.

Особенности безопасной эксплуатации электроводонагревателей

К обслуживанию электроводонагревателей допускаются электромонтеры, имеющие квалификационную группу по технике безопасности не ниже третьей.

В процессе эксплуатации элементных электроводонагревателей следят за отсутствием утечек воды из трубопроводов и бака. В работу электроводонагреватели можно включать только после их полного заполнения водой.

Защита людей и животных от поражения электрическим током при использовании электроводонагревателей косвенного нагрева обеспечивается правильным выбором специальных аппаратов (предохранители и автоматические выключатели) и обязательным присоединением корпуса к нулевому проводу, а также применением изолирующих вставок в трубопроводах холодной и горячей воды или устройств защитного отключения.

Изолирующие вставки, устанавливаемые на трубопроводах, при аварийном режиме электроводонагревателей снижают до безопасного значения силу тока, проходящего через тело человека или животного, случайно оказавшегося в цепи электрического тока при прикосновении к трубопроводу.

В качестве изолирующих вставок применяют резинотканевые, полиэтиленовые, полихлорвиниловые шланги и трубы.

Работа электродных котлов разрешается только после приема их комиссией. При эксплуатации контролируют удельное электрическое сопротивление воды. Если оно больше значения, указанного в паспорте котла, в систему добавляют тринатрийфосфат, техническую соду, поваренную соль. При низком удельном электрическом сопротивлении доливают дистиллированную или дождевую воду.

Для безопасной эксплуатации электродных котлов мощностью менее 25 кВт их корпус соединяют с нулевым проводом.

Перед каждым отопительным сезоном проводят контрольный осмотр и текущий ремонт электродных котлов с заменой вышедших из строя деталей, очисткой электродной системы от накипи. Все работы по техническому обслуживанию и ремонту следует выполнять при полном снятии напряжения.

Электрический обогрев теплицы Нагревательным кабелем в изоляционной оболочке

Теплица применяется в Сибирской зоне России, где температура понижается до минус 40С. Поэтому для дополнительного обогрева почвы в теплице применяется нагрев кабелем в изоляционной оболочке [1].

Нагревательный кабель имеет несколько изоляционных слоев. Нагревательный кабель типа НО (рис.4.8) имеет нагревательную жилу, двухслойную изоляцию, экранирующую оплетку и оболочку. Общий диаметр нагревательного кабеля не превышает 8 мм.

Одножильные нагревательные секции ТЛЭ. Одножильная нагревательная секция изображена на рисунке 4.7.

Рис. 4.7. Одножильная нагревательная секция ТЛЭ

Нагревательная секция ТЛЭ состоит из нагревательного кабеля НО изображенного на рисунке 4.8, двух соединительных муфт и монтажных концов.

В соединительной муфте нагревательная жила и экран надежно соединены с двумя медными проводами монтажного конца, предназначенного для подключения нагревательной секции к термостату и защитному заземлению (показано на рисунке 4.9) [15].

Для правильного подключения секции ТЛЭ обращается внимание на различную расцветку проводов в монтажных концах.

Рис. 4.8. Нагревательный кабель НО

Рис. 4.9. Соединение нагревательной секции с термостатом и защитным заземлением

Белые провода монтажных концов соединены с нагревательной жилой кабеля и подключается к термостату.

Желто-зеленые или черные провода монтажных концов соединены с защитным экраном кабеля.

Эти провода необходимо подключить к заземляющему контуру здания (или нулевому проводу).

Кабель укладывается следующим способом. На песчаную подушку в лотке теплицы насыпают слой торфа от 5 до 15 см, который служит теплоизоляцией. Если песчаный слой насыпан на слой шлака, то кабель укладывают в песке. Поскольку кабель имеет небольшой диаметр, то укладывать его следует змейкой из расчета 4 м кабеля на на 1 м2 обогреваемой площади. Только в этом случае слой почвы будет нагреваться достаточно равномерно. Поверх кабеля рекомендуется насыпать слой песка толщиной 5 см. Затем насыпается культурный слой почвы. Кабель необходимо защитить сеткой из проволоки. Защита при помощи проволочной сетки целесообразнее по соображениям техники безопасности: она способствует снижению потенциала на почве при пробое изоляции кабеля. Кабель включают на сетевое напряжение это его преимущество. Нагрузка 16 Вт на 1 м.

Рекомендуется также использовать УЗО. УЗО необходимо обязательно использовать, когда кабель монтируется во влажных помещениях.

Выбирается место расположения термостата. Он устанавливается на стене в наиболее удобном месте.

Установка датчика температуры и термостата. Располагается датчик температуры в пластмассовой гофрированной трубке диаметром 14 - 20 мм. Датчик должен располагаться внутри трубки вблизи ее конца, его соединительный провод должен выходить с другого конца трубки. Выводится трубка от места расположения термостата или распаечной коробки в землю. Радиус изгиба трубки должен быть не менее 5 см.

Подключается термостат к питающей сети, нагревательным секциям и датчику температуры, следуя паспорту на термостат. Затем проверяются электрические соединения. Кратковременно ( на 1-2 минуты) подается сетевое напряжение и проверяется работоспособность системы (должен загореться светодиод на лицевой панели термостата). Затем надежно отключается питание для окончательного выключения системы.

Терморегуляторы. Термостат позволяет экономить электроэнергию, подавая напряжение на нагревательные секции только когда это необходимо для поддержания температурного режима в теплице. Пользуясь термостатами серии PRO, можно задать программу поддержания температуры на сутки и на неделю.

В теплице используем следующую модель термостата:

Теплолюкс РТП-500А. Программируемый термостат с цифровым дисплеем задания требуемой температуры, изображен на рисунке 4.10. Имеет 8 стандартных недельных программ поддержания температуры с различением дневной и ночной температуры и рабочих/выходных дней. Этот термостат полезен для загородных домов, дач, офисов, мастерских и других периодически используемых помещений. Может разогреть помещения к приезду хозяев на выходные, понизить температуру или совсем выключить отопление в ночное время. Позволяет извлечь максимальную выгоду из двухтарифной системы оплаты электроэнергии, автоматически включая обогрев и накапливая тепло во время действия пониженного тарифа. Выпускается также в корпусе для внешнего монтажа. С помощью этого термостата можно достичь максимального теплового комфорта и сэкономить до 50 % электроэнергии за счет ее оптимального использования. Максимальный ток нагрузки - 16 А.

Рис. 4.10 Терморегулятор РТП-500А

5. Светотехническая часть проекта

.1 Выбор источника света

Из всего многообразия выпускаемых промышленностью источников света для освещения, теплиц наиболее приемлемы и благоприятными по экономичности тепличные светильники с зеркальными натриевыми лампами ДНа3 - 150 фирмы "Рефлакс".

Спектр излучения лампы ДНа3 близок к солнечному, то есть перекрывает ультрафиолетовую, так и инфракрасную зоны. Светильник предназначен для облучения растений в теплицах, оранжереях, зимних садах и т.д.

Светильник позволяет:

значительно снизить потребление электроэнергии;

сократить сроки выращивания рассады и улучшить её качество;

повысить продуктивность производства;

снизить затраты на обслуживание светотехнического оборудования.

Светильник имеет открытую конструкцию, предназначенную для подвешивания к тросам.

Фокусировка светового пятна осуществляется зеркальной лампой.

Основной отличительной особенностью светильника является наличие встроенного электронного пускорегулирующего аппарата "Реатон АПРЭ".

5.2

Похожие работы на - Разработка теплицы ангарного типа из поликарбоната

 

Не нашли материал для своей работы?
Поможем написать уникальную работу
Без плагиата!
Без нейросетей!