|
Производительность,
м3/ч
|
30
|
|
Частота
вращения валов, мин-1
|
55
|
|
Максимальный
размер крупного заполнителя, мм
|
70
|
|
Мощность
электродвигателя, кВт
|
22
|
|
Вместимость
расходных бункеров, м3:
|
цемента - 20;
каменных материалов - 18
|
|
Габаритные
размеры, мм: длина ширина высота
|
4735 1655 2420
|
|
Масса, кг
|
3115
|
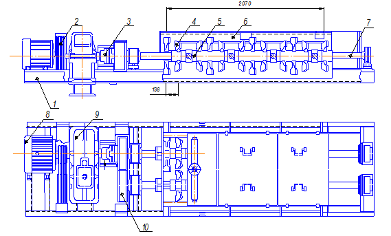
Рис. 4.2 Бетоносмеситель непрерывного действия с принудительным
перемешиванием.
Смеситель состоит из рамы 1, приводов короткообразного корпуса 6,
двух валов 7 с насаженными на них лопастями. Корпус смесителя изготовлен из
листовой стали и смонтирован на раме 1 сварной конструкции из прокатной стали.
Внутри корпуса расположены параллельно два лопастных вала 7, соединённые между
собой зубчатой передачей 10 и вращающиеся навстречу друг другу. Лопасти 4,
посаженные на валу, заканчиваются лопатками размером 100*100 мм, расположенные
по винтовой линии. Угол поворота лопаток вокруг своей оси можно менять в
пределах от 0 до 900. Интервал между лопастями регулируется
распорными втулками 5. Лопастные валы 7 получают вращение от электродвигателя 8
через клиноремённую передачу 2, редуктор 9 и гибкую муфту 3.
3.4
Разработка технологической схемы производственного процесса
Принятую технологию материалов, полуфабрикатов, изделий
иллюстрируют на агрегатной схеме производства. От технологической схемы эта
схема отличается тем, что она отражает не только последовательность операции,
но и агрегаты, на которых эта операция выполняется. Несовпадение этих схем
обуславливается ещё и тем, что принятый агрегат может выполнять не одну, а
несколько операций.
Технологическая схема производственного процесса
приготовления ц/б смеси показана на рис. 3.3.
Рисунок 3.3 Агрегатная схема производства
4.
Организация складского хозяйства
Организация складского хозяйства сводится к назначению типов
складов, установлению запасов хранения, расчёту площадей складов, способов и
средств погрузо-разгрузочных работ.
4.1
Назначение типов складов
Затраты на организацию складского хозяйства входят накладные
расходы и составляют от 1.5 до 3% стоимости материалов. Сокращение затрат на
организацию складов существенным образом зависит от правильности выбора типа
склада, обеспечивающего минимальные потери при транспортировании и хранении
материалов, перевозки организуются по возможности транзитным способом, минуя
центральные и перегрузочные склады.
Для хранения материалов, требующих особые условия хранения и
сложного оборудования для погрузки, разгрузки и перемещения в пределах склада,
сооружают специальные склады. В дорожном строительстве к специальным складам
относят силосные хранилища цемента. Специальные склады зачастую являются частью
производственного предприятия, а их оборудование используют в общем комплексе
технологического оборудования. Поэтому организация таких складов является
составной частью проектирования схемы технологического процесса
производственного предприятия.
Для повышения эффективности эксплуатации ЦБЗ следует широко
применять инвентарные склады материалов силосного типа хранения расчётного
запаса цемента.
Принимаем следующие виды складов:
Склад щебня в виде подрельсовых бункеров с
радиально-штабелирующими конвейерами (наличие тупика)
Песок на складах отрытого типа (конусного типа);
Цемент - силосная банка для цемента;
Рис. 4.1 Схема прирельсового силосного склада.
Цемент, поступающий в вагонах-цистернах (5) разгружается в
сдвоенный приёмный бункер (2) и подаётся пневмоподъёмниками (эрлифтами) (1) на
верх силосов в бункер-осадитель (7) и фильтр (6). Цемент, отделённый от
воздуха, поступает в верхний аэрожолоб (8), который распределяется по силосам
для цемента (9). Цемент из силосов (9) в расходные бункера смесительной
установки можно подавать или непосредственно из вагонов с помощью пневмовинтового
насоса (16) с бункером выдачи (15), или из силосов через разгрузчики донной
выгрузки (11) и нижние аэрожолоба (13). Последние можно использовать для
перекачки цемента из силоса в силос при длительном хранении цемента. С помощью
боковых разгружателей (10) можно подавать цемент в автоцементовозы (12).
4.2
Установление запасов хранения
Решая основной вопрос при проектировании складского хозяйства
- установление запасов хранения материалов, необходимо помнить, что
сверхнормативные запасы требуют дополнительных складских площадей и большого
расходования средств. Запасы грузов на складах должны быть минимальными, но
достаточными для бесперебойного производства работ.
Различают 3 вида запасов: минимальный, максимальный и
текущий. Минимальный запас - это такое количество хранимых материалов,
которое достаточно для ведения строительства заданными темпами в течение
определённого периода при наибольших интервалах между отдельными поставками.
Минимальный запас материалов определяем по формуле (4.1):
Qmin=Tстp∙Кп∙Рсут
(4.1)
Где Тстр - минимальная норма запаса хранения
материла, дни (4.2);
Кп - к-т, учитывающий естественные потери, равный
1.01 - 1.03;
Рсут - суточная потребность запаса материала.
Тстр=Тот+Тр+Тскл
(4.2)
Где Тот - время, необходимое для установления
связи с поставщиком по договору и отгрузки очередной партии;
Тр - длительность транспортирования материала от
поставщика до склада;
Тскл - время, требуемое для принятия материала,
складирования и отпуска.
Согласно /10 табл.54/принимаем:
Для щебня Тстр=18 дней
Для песка: Тстр=7 дней
Для цемента: Тстр=23 дней;
Для воды: Т стр = 2 дня
Тогда минимальный запас материалов:
Для щебня: Qmin=18∙1.02∙230= 4222,8 (м3)
Для песка: Qmin=7∙1.02∙92=656,88 (м3)
Для цемента Qmin=23∙1.02∙104=2142 (м3)
=2440 (т)
Для воды Qmin= 2∙1,02∙58 =118,32 (т)
Максимальный запас - это предельное количество
материалов, которое можно хранить на складах:
Qmax=Тн∙Кп∙Ррез
(4.3)
Где Тн - максимальная норма хранения материала/11,
таблVII.3/;
Ррез - общая сезонная потребность в данном
материале.
Для щебня: Qmax=0,3∙1.02∙23900=7313,4м3
Для песка: Qmax=0,3∙1.02∙9500=2907м3
Для цемента: Q max =0,2∙1.02∙10800=2203,2
м3 = 2644 (т)
Для воды: Q max =0,5∙1,02∙6000= 3060 (т)
Текущий запас характеризует количество хранимого в данный
момент материала (4.4):
Qmin<Qт<Qmax (4.4)
Примем Qт равным:
для щебня-5768 (м3)
для песка-1780 (м3)
для цемента-2542 (т)
для воды - 1590 (т)
4.3 Расчёт
площади хранения
Площадь склада должна быть по возможности минимальной,
обеспечивать размещение материалов, рассчитанных для единовременного хранения,
удобные подъезды для транспорта и выполнения погрузо-разгрузочных работ. Кроме
того, территория склада должна соответствовать требованиям пожарной
безопасности - иметь противопожарные разрывы и проезды для автомобилей.
Площадь склада зависит от его вместимости, вида хранимых
грузов, нормативов запасов.
Различают полезную и общую площадь склада. Полезная площадь
предназначена для непосредственного расположения груза. Общая площадь слагается
с полезной площади, проездов, проходов, площади весовой, конторы и пр.
Для открытых складов сыпучих материалов (песка и щебня)
полезная площадь определяется по формуле (4.5):
(4.5)
Где Ку - коэффициент устойчивости штабеля, учитывающий
угол естественного откоса сыпучих материалов, равный 1,2 - 1,4;
h - высота штабеля, равный 4 - 12м; /10, табл.55/
Для песка:
;
Для щебня:
;
Общая площадь склада рассчитывается по формуле (4.6):
S0=Sn∙Куп (4.6)
Где Куп - коэффициент увеличения площади:
для открытых складов - 1,2 - 1,3;
Для бункерных и силосных - 1,3 - 1,4;
Для универсальных - 1,5 - 1,7;
Для щебня: S0=750∙1,3=975м2
Для песка: S0=366∙1,3=476м2
Для щебня при наличии железнодорожного тупика разгрузку из вагонов
осуществляем в подрельсовый бункер, а затем в штабель. Длина подрельсового
бункера должна быть больше величины, определяемой по формуле 4.7:
Lв= [nв∙lв+а∙ (nв-1) ∙кв] (4.7)
где nв - число одновременно подаваемых вагонов под разгрузку (nв=5);
lв - длина
вагона (для крытых вагонов равна14,3 метра /11, табл. VII.1/);
а - расстояние между вагонами при разгрузке (равна 1,0 метр);
кв=0.7
-коэффициент неравномерности подачи вагонов.
LB= [5∙14,3+1∙ (5-1) ∙0,7]
=74,3 (м)
Принимаем длину подрельсового бункера равной 75 метров.
Высота его равна 3,0 метра.
Ширина: 5768/ (75∙3,0) =26 (м)
Расчет хранилища цемента.
Вместимость склада цемента равна 2542 тонн. По /11, табл. VII.11/ принимаем склад прирельсовый
вместимостью 3000 тонн. Вместимость каждой банки 500 тонн. Размеры силоса:
высота-14 метров;
диаметр - 6 метров;
Мощность электродвигателя-200 кВт. Количество банок-6 шт.
Расчет площади:
Sn=6∙3,14∙62/4=169,6 (м2)
S0=169,6∙1,3=220,5
(м2)
4.4 Расчет
погрузочно-разгрузочных работ
Проектирование погрузочно-разгрузочных работ должно
осуществляться при соблюдении условий этих работ без прекращения выдачи
материалов со склада.
Число погрузочно-разгрузочных машин рассчитывают по
среднемесячному грузообороту склада (4.9):
(4.9)
где Qгод - годовой оборот склада;
Ккр - коэффициент кратности перегрузки материала на
складе (т.е. число показывающее сколько раз груз проходит через склад);
Тгод - число смен работы склада в году;
Квр - коэффициент использования времени в течение года,
равный 0.75 - 0.80.
Для щебня:
;
Для песка:
.
Для цемента:: 


Среднее число однотипных погрузочно-разгрузочных машин, необходимых
для выполнения складских операций (4.10):
(4.10)
где Ппр - сменная эксплуатационная производительность
погрузочно-разгрузочной машины.
Погрузочно-разгрузочные средства принимаются в зависимости от вида
материала, темпов строительства, вида строительства, вида транспорта с учетом
возможности комплексной механизации и автоматизации этих процессов.
) Рассчитаем производительность одноковшового фронтального
погрузчика по формуле: (4.11)
(4.11)
где q - грузоподъёмность погрузчика, т;
tц - время
полного цикла, ч (tц = 0,012ч);
- плотность материала т/м3;
Кр - коэффициент разрыхления грунта (1,1);
КВ - коэффициент использования времени (0,8);
КТ = 0,6
Для погрузки песка используем фронтальный погрузчик типа ТО-11 со
сменной производительностью 91 м3/см.
Nпр = 85/91 =0,93
Принимаем один фронтальный погрузчик марки ТО-11
) Для разгрузки щебня в подрельсовый бункер используем
разгрузочная машина ТР-2 с производительностью 1433 м3/см.
NПР=212/1433=0,15
Применяем одну машину ТР-2
) Для транспортирование цемента на склад (на расстояние до 500км)
используем силосовагоны грузоподъёмностью 60 т с пневматической разгрузкой.
Определим количество вагонов прибывающих на завод в сутки.
(4.12)
где Q - потребность цемента в сутки, т;
- коэффициент неравномерности подачи железнодорожных вагонов
q - грузоподъёмность вагона;
(вагона)
Выгрузка крытых вагонов осуществляется пневморазгрузчиками
всасывающе-нагнетательного действия в приемный бункер. Из приёмного бункера с
помощью пневмоподъёмника в силосы.
Применяем пневматический разгрузчик цемента из вагонов
(всасывающе-нагнетательного действия) ТА-27 /10 табл.57/ производительностью до
50т/ч, расход сжатого воздуха 8м3/мин; установленная мощность
электродвигателя 50,8 кВт
5. Расчет
потребных энергоресурсов
Организация, обеспечения, дорожных промышленных предприятий
энергией и водой является одним из видом работ подготовительного периода
строительства. На дорожном строительстве используют различные виды энергии:
электричество, пар, газ, сжатый воздух, жидкое топливо для двигателей
внутреннего сгорания являющихся источником получения энергии непосредственно на
месте работ.
.1
Электрообеспечение
Оборудование, машины, аппараты производственных предприятий
имеют преимущественно электропривод с длинным или повторно-кратковременным
режимом работы. Электродвигатели этих установок, как правило, работает от сети
с минимальным напряжением 220/380 В.
При организации электроснабжения решают следующие задачи:
· Вычисляют мощность
· Выбирают систему электроснабжения
· Проектируют схему электросети
Различают установочную, требуемую и потребляемую мощности
предприятия.
Установочная мощность Wу - суммарная мощность
установленных на предприятии действующих электродвигателей и источников
освещения.
Требуемая, или присоединяемая, Wтр - это мощность, которая
необходима предприятию. Она вычисляется делением установленной на мощности на
КПД силовых установок Wп < Wтр, поскольку не все установки одновременно
работают, что учитывается так называемый коэффициентом спроса.
Общая потребляемая мощность источников электроснабжения
(5.1):
(5.1)
где Кс1, Кс2, Кс3
- коэффициенты спроса;
W1 -
номинальная мощность силовых установок, кВт;
сosφ - коэффициент мощности силовых
потребителей, равный 0.95;
W2-потребляемая
мощность для наружного освещения территории, кВт;
W3 -
потребляемая мощность для внутреннего освещения, кВт;
Кп - коэффициент потерь в сети, равный 1.05.
W1=22+1,7+0,6+1,2=25,5
кВт.
· Смеситель С - 543-0102 - 22 кВт
· Насос - дозатор воды С-750 - 1,7 кВт
· Дозатор каменных материалов по массе СБ-26
- 0,6 кВт.
· Дозатор цемента по массе СБ - 39 - 1,2 кВт
Расход электроэнергии на внутреннее или наружное освещение
(кВт) вычисляют по формулам (5.2), (5.3).
(5.2)
(5.3)
где: Fi - площадь, подлежащая освещению, м2;
Pi - мощность необходимая для нормального
освещения, кВт; / 10, 183 табл 51; табл 52/
ti - продолжительность освещения, ч;
Fi - площади, подлежащие освещению: открытые
склады песка и щебня, охранная территория, смесительный агрегат, компрессорная,
ремонтно-механическая мастерская, подсобно-бытовые помещения, административное
помещения, душевая, столовая с кухней.
Наружное освещение:
· склад щебня - 824 м2;
· склад песка - 277 м2;
· смеситель - 180 м2;
· проезды - 3000 м2;
· тупик - 2160 м2;
· охранная территория - 4500 м2.
Внутреннее освещение:
· компрессорная - 70 м2;
· мастерская - 70 м2;
· подсобно-бытовые помещения - 140м2;
· административные помещения - 150 м2;
· душевая - 36 м2;
· весовая с автомобильными весами-70 м2;
.
Расход электроэнергии при применении машин и механизмов с
электроприводом рассчитаем по формуле 5.4/9/:
(5.4)
где Мi - число
маш. - смен работы машин и механизмов данного типа;
di - удельный расход электроэнергии на 1
маш. - смену, потебляемый данной машиной или механизмом.
· ТА-27-37,8 маш. - смен, di=1,6 кВт/см;
· ТР-2 - 2,92 маш. - смен, di=10 кВт/см;
Wм=37,8*1,6+2,92*10=89,68 (кВт)
Wмаx=90,6+89,68=180,28 (кВт)
Для обеспечения потребности предприятия в электроэнергии
выбираем 2 передвижных электроподстанции ДЭС-100А, мощностью основного блока 100кВт.
двигатель типа ЯМЗ-238, масса установки 7.5т, напряжение 400В, тип генератора
ГСФ-100Д. /6/
.2 Снабжение
паром
На дорожно-строительных предприятиях пар используют для
подогрева вяжущих материалов, воды, песка и щебня в зимний период, обогрева
зданий.
Расчёт потребности пара не производим, т. к работы производим
только в тёплое время года.
5.3
Обеспечение сжатым воздухом
На предприятиях сжатый воздух используют для работы
инструмента, пневмотранспортирования сыпучих материалов (цемента),
Суммарная потребность в сжатом воздухе (5.5):
, (5.5)
Расход воздуха для транспортирования сыпучих материалов (цемента):
, (5.6)
Где: Мч - часовой расход сыпучих материалов, кг/ч;
γв = 1.6 - 2кг/м3 - объёмная масса воздуха для
нагнетательных устройств;
μ - весовая концентрация транспортируемой
смеси материала и воздуха, которая принимается в зависимости от длины
трубопровода (100 метров)
Число передвижных компрессоров (5.7):
, (5.7)
Где Пк - эксплуатационная производительность
компрессора, равная 3 - 20м3/мин.
Принимаем 42 компрессора марки ВП-20/8, производительностью 20 м3/мин.
/6, 116 табл 71/
Воздух к потребителям подают по стальным трубам диаметром 25 -
125мм от компрессорных установок.
Диаметр воздухопровода (см) приближённо можно определить по
формуле (5.8);
, (5.8)
Принимаем 10 стальных труб диаметром 100 мм от компрессорных
установок. Для транспортирования минерального порошка или цемента можно
применять вентиляторы низкого давления (до 0.1МПа).
5.4
Водоснабжение
Для организации водоснабжения надо вычислить потребность в
воде и расчётный расход, установить источники водоснабжения, спроектировать
водопроводную сеть.
Суммарная максимальная потребность в воде для организации
работы:
, л/см (5.9)
Где: Qn - потребность на промышленные нужды;
QxиQc - расход воды соответственно на хозяйственно-питьевые и
санитарно-бытовые нужды.
Промышленный расход,
, слагается из затрат на промывку материалов (5.10):
, (5.10)
Где: Vм - объём материалов, подлежащих промывке за смену, м3;
ni - расход воды на промывку 1 м3 загрязнённого
песка, щебня, гравия (1200 - 3000л).
Для щебня:
Для песка:
Вода на приготовление бетонов:
м3=29000 (л)
На поливку территории или уход за цементобетонном (5.11):
(5.11)
Где FT - площадь поливки территории, м2
NT - норма расхода воды
Qn3=630*20=12600 (л)
Qп=230000+69000+29000+12600=340600
(л)
На хозяйственно-питьевые нужды (5.12):
(5.12)
где: Р - численность работников на объекте;
nх = 20 -
25 - норма водопотребления одним работником, л;
Кн. в - коэффициент неравномерности водопотребления.
Расход воды за смену на санитарно-гигиенические нужды для одного
работника предприятия составляет 20 - 25л, одно посещение душа - 25 - 30л,
столовой - 10-15л. Суммарный ориентировочный расход воды на 1 работника во
временных жилых посёлках составляет, в среднем, до 100л за сутки. Сумма этих
расходов для всех рабочих составляет:
С учётом того, что в течение смены потребление воды неравномерно,
расчетный расчёт воды (5.13):
(5.13)
Где - Кут =1.15 - 1.25 - коэффициент, учитывающий
утечку воды в сети;
Кнв=1.2-1.6 - коэффициент неравномерности
водопотребления;
Тсм - продолжительность смены, ч.
Расчетный расход воды больше пожарного, равного 10л/с.
Диаметр водопроводных труб определяют по расчетному расходу воды Qрасч и по средней скорости движения воды в трубе (V=1-1.5м/с). Диаметр основного коллектора вычисляют по
формуле (5.14):
(5.14)
Принимаем диаметр коллектора равным 127 мм. Так как планируется
использовать предприятие более 1 года, то устраиваем 3 запасных водопроводный
бака объемом не менее 3-5 расходов суточного потребления =95 л. (габариты:
ширина - 15 м; длина - 23 м; высота - 3 метра). Устраиваем противопожарный
резервуар объемом 55 м3.
6. Разработка
генерального плана
Генеральный план - это проект расположения
всех зданий и сооружений, инженерных сетей, автомобильных дорог и
железнодорожных путей, обеспечивающих эффективную деятельность намеченного к
строительству производственного предприятия.
Генеральные планы производственных предприятий разрабатывают
с целью решить вопросы рационального расположения производственных зданий,
сооружений, оборудования, необходимых строительных материалов, полуфабрикатов,
изделий, складов для хранения материалов и изделий, бытовых и
административно-хозяйственных помещений; установить положение и протяжённость
дорог, сетей водопровода, теплоснабжения, электроснабжения и других
коммуникаций.
Разработке генеральных планов предшествует определение
размеров всех зданий и сооружений, площадей под склады материалов, стоянки
машин и проезды. С этой целью в пояснительной записке приводится экспликация
зданий и сооружений с указанием их числа и габаритных размеров. Потребность в
административных и бытовых учреждениях определяется, исходя из списочного
состава работающих на предприятии. Площадка производственного предприятия
должна выбираться с учётом благоприятных почвенно-грунтовых и гидрологических
условий. Площадка должна быть ровной, с обеспеченным водоотводом и минимальными
объёмами планировки поверхности.
7.
Календарный график строительства
Продолжительность строительства предприятия - один из главных
показателей, определяющих эффективность строительства, так как сокращение
сроков строительства обеспечивает ускорение ввода в действия предприятий и
сооружений и снижение объемов незавершенного строительства. Прогрессирование
нормы продолжительности строительства являются мерой концентрации сил и средств
в строительном производстве, выраженной во времени выполнения работ.
В общем случае последовательность выполнения работ по
постройке производственного предприятия следующая: в первую очередь выполняют
подготовительные работы, затем возводят здания и сооружения и в последнюю
очередь объекты вспомогательных служб.
Таблица 7.1 Календарный график строительства
|
№ п/п
|
Наименование
работ
|
Ед. изм.
|
Объемы работ
|
Требуется чел.
дн
|
Октябрь
|
Ноябрь
|
Декабрь
|
Январь
|
Февраль
|
Март
|
Апрель
|
|
|
|
|
|
6
|
7
|
8
|
7
|
7
|
8
|
8
|
7
|
7
|
7
|
7
|
6
|
9
|
9
|
8
|
6
|
8
|
7
|
7
|
7
|
7
|
|
Подготовительные
работы
|
|
1
|
Планировка
площади под ЦБЗ
|
м2
|
22200
|
42
|
7
|
|
|
|
|
|
|
|
|
|
|
|
|
|
|
|
|
|
|
|
|
|
|
|
|
|
6
|
|
|
|
|
|
|
|
|
|
|
|
|
|
|
|
|
|
|
|
|
|
2
|
Постройка
туалета на 2 очка
|
м3
|
16
|
120
|
|
8
|
|
|
|
|
|
|
|
|
|
|
|
|
|
|
|
|
|
|
|
|
|
|
|
|
15
|
|
|
|
|
|
|
|
|
|
|
|
|
|
|
|
|
|
|
|
3
|
Рытье
котлованов и траншей
|
м3
|
2100
|
220
|
11
|
|
|
|
|
|
|
|
|
|
|
|
|
|
|
|
|
|
|
|
|
|
|
|
20
|
|
|
|
|
|
|
|
|
|
|
|
|
|
|
|
|
|
|
|
4
|
Устройство
бутобетонных и бетонных стен
|
м3
|
882
|
330
|
|
12
|
|
|
|
|
|
|
|
|
|
|
|
|
|
|
|
|
|
|
|
|
|
|
29
|
|
|
|
|
|
|
|
|
|
|
|
|
|
|
|
|
|
5
|
Улучшение пло-
щади под склады щебня и песка
|
м2
|
4850
|
175
|
|
|
8
|
|
|
|
|
|
|
|
|
|
|
|
|
|
|
|
|
|
|
|
|
|
|
|
22
|
|
|
|
|
|
|
|
|
|
|
|
|
|
|
|
|
|
6
|
Устройство
внутризаводских проездов
|
м2
|
1780
|
130
|
10
|
|
|
|
|
|
|
|
|
|
|
|
|
|
|
|
|
|
|
|
|
|
|
|
|
13
|
|
|
|
|
|
|
|
|
|
|
|
|
|
|
|
|
|
|
|
|
Здания и
сооружения для выпуска а/б смеси
|
|
1
|
Строительство
склада минеральных материалов
|
м2
|
1451
|
168
|
|
|
|
|
|
|
|
|
8
|
|
|
|
|
|
|
|
|
|
|
|
|
|
|
|
|
|
|
|
|
|
|
|
21
|
|
|
|
|
|
|
|
|
|
|
|
2
|
Строительство
силосного склада
|
м2
|
220,5
|
704
|
|
|
|
|
|
16
|
|
|
|
|
|
|
|
|
|
|
|
|
|
|
|
|
|
|
|
|
44
|
|
|
|
|
|
|
|
|
|
|
|
3
|
Строительство
бетоносмесительного отделения
|
м2
|
180
|
440
|
|
|
|
10
|
|
|
|
|
|
|
|
|
|
|
|
|
|
|
|
|
|
|
|
|
|
44
|
|
|
|
|
|
|
|
|
|
|
|
|
|
|
4
|
Строительство
дозировочного цеха
|
м2
|
400
|
440
|
|
|
|
10
|
|
|
|
|
|
|
|
|
|
|
|
|
|
|
|
|
|
|
|
|
|
44
|
|
|
|
|
|
|
|
|
|
|
|
|
|
|
5
|
Строительство
моечного отделения
|
м2
|
1420
|
324
|
|
|
|
|
|
|
|
|
12
|
|
|
|
|
|
|
|
|
|
|
|
|
|
|
|
|
|
|
|
|
|
|
27
|
|
|
|
|
|
|
|
|
|
|
Вспомогательные
службы
|
|
1
|
Административные
помещения
|
м3
|
450
|
264
|
|
|
|
|
|
|
|
|
|
4518
|
|
11
|
|
|
|
|
|
|
|
|
|
|
|
|
|
|
|
|
|
|
|
|
|
|
|
24
|
|
|
|
|
|
|
|
|
2
|
Подсобно-бытовые
помещения
|
м3
|
490
|
338
|
|
|
|
|
|
|
|
|
|
|
|
|
13
|
|
|
|
|
|
|
|
|
|
|
|
|
|
|
|
|
|
|
|
|
|
|
|
26
|
|
|
|
|
|
|
|
3
|
Лаборатория
|
м3
|
75
|
88
|
|
|
|
|
|
|
|
|
|
|
|
|
|
|
11
|
|
|
|
|
|
|
|
|
|
|
|
|
|
|
|
|
|
|
|
|
|
|
|
|
|
8
|
|
|
|
|
|
|
|
4
|
Душевая
|
м3
|
90
|
24
|
|
|
|
|
|
|
|
|
|
|
|
|
|
|
8
|
|
|
|
|
|
|
|
|
|
|
|
|
|
|
|
|
|
|
|
|
|
|
|
|
6
|
|
|
|
|
|
|
5
|
Мастерская
|
м3
|
280
|
64
|
|
|
|
|
|
|
|
|
|
|
|
|
|
|
|
|
8
|
|
|
|
|
|
|
|
|
|
|
|
|
|
|
|
|
|
|
|
|
|
|
|
|
|
8
|
|
|
|
|
|
6
|
Компрессорная
|
м3
|
150
|
168
|
|
|
|
|
|
|
|
|
|
|
|
|
|
|
|
12
|
|
|
|
|
|
|
|
|
|
|
|
|
|
|
|
|
|
|
|
|
|
|
|
|
14
|
|
|
|
|
|
7
|
Строительство
противопожарного резервуара
|
м2
|
55
|
98
|
|
|
|
|
|
|
|
|
|
|
|
|
|
|
|
|
|
7
|
|
|
|
|
|
|
|
|
|
|
|
|
|
|
|
|
|
|
|
|
|
|
|
|
14
|
|
|
|
8
|
Строительство
водопроводных баков
|
м2
|
345
|
231
|
|
|
|
|
|
|
|
|
|
|
|
|
|
|
|
|
|
11
|
|
|
|
|
|
|
|
|
|
|
|
|
|
|
|
|
|
|
|
|
|
|
|
|
21
|
|
|
|
9
|
Строительство
электростанции
|
м2
|
10
|
126
|
|
|
|
|
|
|
|
|
|
|
|
|
|
|
|
|
|
|
|
9
|
|
|
|
|
|
|
|
|
|
|
|
|
|
|
|
|
|
|
|
|
|
|
|
|
14
|
|
10
|
Весовая и пункт
кон
|
м2
|
30
|
66
|
|
|
|
|
|
|
|
|
|
|
|
11
|
|
|
|
|
|
|
|
|
|
|
|
|
|
|
|
|
|
|
|
|
|
|
|
|
|
6
|
|
|
|
|
|
|
|
|
|
|
11
|
Склад ГСМ
|
м3
|
120
|
216
|
|
|
|
|
|
|
|
|
|
|
|
|
12
|
|
|
|
|
|
|
|
|
|
|
|
|
|
|
|
|
|
|
|
|
|
|
|
|
8
|
|
|
|
|
|
|
|
|
|
|
|
|
|
|
|
|
|
|
|
|
|
|
|
|
|
|
|
|
|
|
|
|
|
|
|
|
|
Библиографический
список