Разработка микропроцессорной системы управления подачей воздуха в термотравильный агрегат ТТА№3 цеха №1 ООО 'Спецтехнологии'
Содержание
Введение
Теоретическое обоснование разработки микропроцессорной
системы управления подачей воздуха в термотравильный агрегат ТТА №3
.1 Общая характеристика цеха №1 ООО «Спецтехнологии»
.2 Общая характеристика технологического процесса нагрева проволоки
в термотравильном агрегате ТТА №3. Задачи автоматизации
.3 Описание функциональной схемы автоматизации
термотравильного агрегата
.4 Принципы выбора типовых элементов САУ
Расчетное обоснование выбора элементов автоматики
разрабатываемой системы управления подачей воздуха в термотравильный агрегат
.1 Выбор типовых элементов, входящих в разрабатываемую
систему управления подачей воздуха
.1.1 Выбор первичного датчика
.1.2 Выбор регулирующего устройства
.1.3 Выбор усилителя
.1.4 Выбор блока ручного управления
.2 Выбор сужающего устройства
.3 Расчет и выбор регулирующего органа
.4 Расчет и выбор исполнительного механизма
.5 Описание принципиальной схемы системы управления подачей
воздуха в термотравильный агрегат ТТА №3
Охрана труда и промышленная безопасность
.1 Описание опасных и вредных производственных факторов в
цехе
.2 Мероприятия по охране труда при работе в электроустановках
Организационно-экономическая часть
.1 Организация работ на участке КИП и А
.2 Расчет капитальных и эксплуатационных затрат для САУ
подачи воздуха
Заключение
Список используемых источников
Введение
Автоматизация технологического процесса - совокупность методов и средств,
предназначенная для реализации системы или систем, позволяющих осуществлять
управление самим технологическим процессом без непосредственного участия
человека, либо оставления за человеком права принятия наиболее ответственных
решений.
Основа автоматизации технологических процессов - это перераспределение
материальных, энергетических и информационных потоков в соответствии с принятым
критерием управления (оптимальности).
Основными целями автоматизации технологического процесса являются:
Повышение эффективности производственного процесса.
Повышение безопасности.
Повышение экологичности.
Повышение экономичности.
Металлокорд
представляет собой трос
<https://ru.wikipedia.org/wiki/%D0%A2%D1%80%D0%BE%D1%81>, свитый из
стальной латунированной проволоки
<https://ru.wikipedia.org/wiki/%D0%9F%D1%80%D0%BE%D0%B2%D0%BE%D0%BB%D0%BE%D0%BA%D0%B0>.
Металлокорд применяется в качестве армирующего
<https://ru.wikipedia.org/wiki/%D0%90%D1%80%D0%BC%D0%B8%D1%80%D0%BE%D0%B2%D0%B0%D0%BD%D0%B8%D0%B5>
материала при производстве различных резинотехнических изделий: конвейерных
лент, клиновидных ремней, шлангов высокого давления и т. д. Но самое широкое
применение металлокорд нашел при производстве автомобильных и других резиновых
шин. Шины
<https://ru.wikipedia.org/wiki/%D0%90%D0%B2%D1%82%D0%BE%D0%BC%D0%BE%D0%B1%D0%B8%D0%BB%D1%8C%D0%BD%D0%B0%D1%8F_%D1%88%D0%B8%D0%BD%D0%B0>,
армированные металлокордом, имеют ходимость в 1,5 - 2 раза выше, чем шины,
армированные хлопчатобумажным кордом.
Актуальность темы дипломного проекта в том, что применение
автоматизированных систем в производстве металлокорда способствует повышению
качества продукции, понижению издержек производства и расходов на техническое
обслуживание систем автоматизации.
Целью дипломного проекта является разработка микропроцессорной системы
управления подачей воздуха в термотравильный агрегат ТТА№3 цеха №1 ООО
«Спецтехнологии»
Задачи дипломного проекта:
. Описать технологический процесс нагрева проволоки, а также описать
функциональную схему автоматизации термотравильного агрегата.
. Выбрать элементы автоматики для САУ подачей воздуха в термотравильный
агрегат и на основе выбранных элементов автоматики разработать принципиальную
электрическую схему.
. Описать опасные и вредные производственные факторы в цехе и мероприятия
по охране труда при работе в электроустановках.
. Выполнить расчёт капитальных и эксплуатационных затрат для САУ подачей
воздуха.
1
Теоретическое обоснование разработки микропроцессорной системы управления
подачей воздуха в термотравильный агрегат №3
термотравильный агрегат
микропроцессорный
1.1 Общая
характеристика цеха №1 ООО «Спецтехнологии»
Цех №1 ООО «Спецтехнлогии» предназначен для производства металлокорда.
Данный цех включает в себя канатный участок, участок тонкого волочения,
термотравильный участок, участок грубо-среднего волочения, термотравильно -
гальванический участок, участок сортировки, упаковки и отгрузки. В цеху
осуществляются производственные операции по подготовке и производству
металлокорда. Операции включают в себя травление катанки, грубое волочение,
патентирование, охлаждение проволоки в расплаве селитры, охлаждение и промывку
проволоки после ванны с расплавом селитры, химическое травление, нанесение
покрытий, сушку проволоки, среднее волочение, тонкое волочение, намотку
проволоки, окончательный контроль и отгрузку.
.Травление катанки
Травление катанки производится в двух ваннах предварительного и окончательного
травления. В зависимости от состава раствора травления, травильная ванна
сначала является ванной окончательного травления, затем, по мере накопления
сульфата железа и снижения концентрации серной кислоты, становится ванной
предварительного травления. После травления с целью удаления травильного шлама
и остатков кислоты, катанка промывается водой методом окунания, а затем
душирования с подачей воды под давлением от 3 до 7 атм.
. Волочение катанки
Бунты травленой катанки навешиваются на размоточное устройство с помощью
кран-балки. Размотка катанки осуществляется с горизонтально-размоточного
устройства, позволяющего производить непрерывную подачу катанки в волочильный
стан с помощью сварки конца вырабатываемого конца мотка катанки с началом нового.
Заправка маршрута волочения стана производится при полной или частичной замене
волок, при обрыве проволоки, на заправочной скорости («тихий ход»). Волочение
проволоки производится на твердосплавных волоках. Место сварки проволоки
пропускается по всему маршруту волочения на заправочной скорости, после чего
стан переводится на рабочую скорость волочения. Наматывание проволоки
производится на металлические катушки или в бухты.
. Патентирование
Печь патентирования предназначена для термообработки проволоки с целью
восстановления структуры и механических свойств металла, измененных после
операции волочения. Нагрев заготовки производится в 24 ниточных печах
малоокислительного нагрева. Проволока протягивается через рабочее пространство
печи по каналам или по поду печи. Для обеспечения минимально возможного
окисления проволоки при нагреве необходимо в рабочем пространстве печи
поддерживать соотношение расхода «газ-воздух». Регулирование соотношения
«газ-воздух» осуществляется путем изменения расхода горячего воздуха,
подаваемого на горелки зоны догрева. Маршрут прохождения проволоки внутри
патентировочной печи должен обеспечивать прямолинейность проволоки, отсутствие
перекрещивания и переплетения нитей проволок.
. Охлаждение проволоки в расплаве селитры
Охлаждение нагретой в печи проволоки осуществляется в расплаве селитры, с
целью получения требуемой микроструктуры металла, необходимой для обеспечения
последующего волочения. Нагрев и поддержание заданной температуры расплава
селитры осуществляется тепловыми электронагревателями, а также за счет тепла,
вносимого проволокой из печи. Прохождение проволоки в охлаждающей ванне с
расплавом селитры должно обеспечивать одинаковое расстояние между нитями
проволоки, прямолинейность проволоки и отсутствие касания нитей между собой.
5. Охлаждение и промывка проволоки после ванны с расплавом селитры
После выхода из ванны с расплавом селитры проволока охлаждается и
промывается в двух последовательно расположенных ваннах для удаления с её
поверхности остатков селитры. Далее проволока поступает в ванну химического
травления.
. Химическое травление
Снятие окалины, загрязнений и подготовка поверхности проволоки перед
нанесением покрытия осуществляется химическим травлением в растворе серной
кислоты. Для интенсификации процесса травления травильный раствор подогревается
паром, проходящим через теплообменники.
. Нанесение покрытий
Фосфатирование заготовки производится с целью образования на её
поверхности подсмазочного слоя (для процесса мокрого волочения), состоящего из
фосфатов цинка и железа. Фосфатирование проволоки производится в переливной
ванне. Нити проволоки должны быть полностью погружены в раствор фосфатирования.
Известкование фосфатированной заготовки производится с целью
нейтрализации остатков кислоты на поверхности проволоки и нанесения
дополнительного подсмазочного слоя для улучшения процесса мокрого волочения.
Бурирование заготовки производится для нейтрализации остатков кислоты на
поверхности проволоки и для создания подсмазочного слоя, являющегося
наполнителем и закрепителем смазки при сухом волочении проволоки, для
обеспечения снижения трения при протяжке и предотвращение прилипания металла к
поверхности рабочей зоны волоки.
. Сушка проволоки
Сушка проволоки является завершающей операцией подготовки поверхности
проволоки к среднему и тонкому волочению. Сушило предназначено для удаления
остатков влаги с движущейся проволоки перед намоточным аппаратом для
предотвращения ее ржавления. Сушка проволоки осуществляется в протяжных
электрических сушилах горячим воздухом.
. Намотка проволоки
Намоточное устройство предназначено для протяжки стальной проволоки через
все стадии процесса патентирования и подготовки поверхности к волочению и
намотки патентированной проволоки на металлические технологические катушки.
Намотка заготовки производится на катушки ёмкостью 1000 кг. На вытяжном
барабане должно быть не менее двух витков проволоки. Проскальзывание проволоки
недопустимо. Намотка проволоки регулируется так, чтобы обеспечить равномерное
распределение проволоки ровными рядами по всей ширине катушки. Не допускается
перепутывания витков и образования выпуклостей и впадин.
Далее готовая проволока проходит визуальный осмотр на наличие дефектов и
поступает в отсек отгрузки потребителю.
.2 Общая характеристика технологического процесса нагрева проволоки в
термотравильном агрегате ТТА №3. Задачи автоматизации термотравильного агрегата
Основными задачами автоматизации являются повышение эффективности
производственного процесса и его безопасности.
В производственном цехе №1 ООО «Спецтехнологии» установлена безмуфельная
печь, предназначенная для малоокислительного нагрева проволоки диаметром
0,8…2,1 мм и установлена в поточном агрегате №3.
По конструкции печь представляет собой туннель, выложенный из
огнеупорного материала и заключенный в прочный газоплотный металлический
каркас. Свод печи уплотнен металлическими съемными щитками, уложенными в
песочные затворы. Вся печь установлена на ножках и находится выше уровня пола
на 500 мм, что позволяет расположить воздуховоды под печью.
Через щель одновременно протягивается до 24-х ниток проволоки. Для равномерного
размещения проволоки по ширине рабочего пространства и облегчения ее заправки,
под печи выложен огнеупор в виде 12 каналов. В каждом канале располагается по 2
нитки проволоки.
Проволока нагревается непосредственно продуктами сгорания природного газа.
Рабочая камера печи по длине условно разделена на 2 тепловые зоны: зону
нагрева и зону догрева.
Совмещенный процесс термической обработки и подготовки поверхности
проволоки к волочению включает в себя следующие операции:
размотку проволоки с катушек;
нагрев проволоки в печи:
охлаждение проволоки в расплаве селитры (патентирование);
охлаждение проволоки на воздухе;
промывка проволоки в ванне с проточной водой;
травление проволоки в растворе серной кислоты;
промывка проволоки в ванне с проточной водой;
бурирование или фосфатирование (в зависимости от назначения проволоки);
промывка проволоки после фосфатирования;
нейтрализация остатков кислоты с поверхности проволоки в растворе извести
после фосфатирования и нанесение подсмазочного слоя извести;
сушка проволоки;
намотка проволоки на катушки.
В зоне нагрева проволока нагревается от 20°С до 600…650°С в окислительной
атмосфере, образующейся при дожигании продуктов неполного горения (полугаза),
поступающего из зоны догрева.
В зоне догрева при температуре 950…1050°С происходит окончательный нагрев
проволоки до рабочей температуры 900…920°С и выдержка ее при этой температуре.
В этой зоне производится сжигание природного газа с расходом воздуха, что
обеспечивает предохранение поверхности проволоки от окисления. В зону нагрева
природный газ не подается. Для отопления зоны догрева применяется природный
газ.
Продукты неполного сгорания из зоны догрева поступают в зону нагрева, где
дожигаются и разбавляются до необходимой в этой зоне температуры посредством
подачи в подсводовое пространство холодного воздуха. Холодный воздух подается в
зону нагрева через 6 сопел диаметром 50 мм, равномерно расположенных по ширине
печи.
Из зоны нагрева дымовые газы поступают в радиационно-конвективный
рекуператор, служащий для нагрева вентиляторного воздуха, подаваемого на
горелки зоны догрева. Дымовые газы из рекуператора через дымовую трубу
выбрасываются в атмосферу.
Для поддержания и регулирования необходимого давления в рабочем пространстве
печи в дымовой трубе после конвективной ступени рекуператора смонтирован
поворотный шибер.
Применение радиационно-конвективного рекуператора, обеспечивает нагрев
вентиляторного воздуха до 400…500°С, что необходимо для печей
малоокислительного нагрева.
Кроме того, наряду с высоким тепловым КПД, такой комбинированный
рекуператор имеет ряд преимуществ: газоплотность, жаростойкость, компактность.
Это дало возможность отказаться от традиционного расположения дымового
канала под печью и установки рекуператора сбоку печи и позволило поместить
рекуператор над печью, а трубопроводы горячего воздуха проложить под печью и
сократить габариты печи.
Проволока перед печью располагается в катушках на размоточных
устройствах, проходит печь развернутой нитью, попадает в селитровую ванну
длиной 8000 мм, проходит через промывочную ванну, затем ванну травления, где
травится кислотой при температуре 78…80°С, снова в ванну промывки, далее в
ванну бурирования, после чего она охлаждается в струях холодной воды, сушится в
электросушилке и наматывается на катушки намоточного аппарата ВСП 7/600.
.3 Описание функциональной схемы автоматизации термотравильного агрегата
ТТА №3
Функциональная схема термотравильного агрегата представлена на
демонстрационном листе ДП.220703.15 15.АТХ-1
Данной схемой предусмотрен контроль и регулирование следующих
технологических параметров:
контроль температуры отходящих газов осуществляется с помощью
термоэлектрического преобразователя температуры ТХК. Сигнал с датчика
передается на микропроцессорный контроллер Simatic S7-300;
регулирование соотношения «газ-воздух» осуществляется путем изменения
расхода горячего воздуха и расхода газа. Для измерения расхода применяют датчик
Метран-100ДД. Сигнал с датчика передается на микропроцессорный контролер
Simatic S7-300;
регулирование температуры зоны нагрева осуществляется путем изменения
расхода холодного воздуха, подаваемого в подсводовое пространство печи. Для
измерения температуры применяют термоэлектрический преобразователь ТПР. Сигнал
с датчика передается на микропроцессорный контроллер устройство Simatic S7-300;
регулирование температуры в зоне догрева, осуществляется путем изменения
расхода газа и горячего воздуха. Для измерения температуры применяют
термоэлектрический преобразователь ТПР. Сигнал с датчика передается на
микропроцессорный контроллер Simatic S7-300;
контроль расхода холодного воздуха осуществляется с помощью датчика
Метран-100ДД. Сигнал с датчика передается на микропроцессорный контроллер
Simatic S7-300;
контроль температуры селитровой ванны, ванны травления и ванны
фосфатирования осуществляется с помощью термоэлектрического преобразователя
ТХК. Сигнал с датчика передается на микропроцессорный контроллер Simatic
S7-300;
контроль температуры электросушилки осуществляется с помощью
термоэлектрического преобразователя температуры ТХК. Сигнал с датчика
передается на микропроцессорный контроллер Simatic S7-300;
регулирование давления газа в левом и правом коллекторе. Для измерения
давления применяют датчик Метран-100ДД. Сигнал с датчика передается на
регулирующее устройство Simatic S7-300;
регулирование давления воздуха в левом и правом коллекторе. Для измерения
давления применяют датчик Метран-100ДД. Сигнал с датчика поступает на
микропроцессорный контроллер регулирующее устройство Simatic S7-300;
регулирование давления воздуха и газа перед печью. Для измерения давления
применяют датчик Метран-100ДД. Сигнал с датчика передается на микропроцессорный
контроллер Simatic S7-300.
.4 Принципы выбора типовых элементов САУ
На основании эскизного проекта и разработанной функциональной схемы
автоматизации производиться выбор технических средств, для проектируемой
системы управления процессом. Правильный выбор технических средств
автоматизации являются непременным условием эффективного и надежного функционирования
системы, залогом ее минимальной стоимости и безопасности для персонала и
окружающей среды.
Конкретные типы средств автоматизации выбирают с учетом особенностей
технологического процесса и его параметров.
В первую очередь принимают во внимание такие факторы, как пожар и
взрывоопасность, агрессивность и токсичность среды, число параметров,
участвующих в управлении, и их физико-химических свойствах, дальность передачи
сигналов информации и управления, требуемые точность и быстродействие. Эти
факторы определяют выбор методов измерения технологических параметров,
требуемые функциональные возможности регуляторов и приборов (законы
регулирования, показания, запись и т.д.), диапазоны измерения, классы точности,
вид дистанционной передачи и т.д.
Конкретные приборы и средства автоматизации следует подбирать по
справочной литературе, исходя из следующих соображений:
для контроля и регулирования одинаковых параметров технологического
процесса необходимо применять однотипные средства автоматизации, выпускаемые
серийно. При этом нужно отдавать предпочтения приборам и средствам
автоматизации Государственной системы промышленных приборов(ГСП);
при большом числе одинаковых параметров рекомендуется применять
многоточечные приборы;
при автоматизации сложных технологических процессов необходимо
использовать вычислительные и управляющие машины;
класс точности приборов должен соответствовать технологическим
требованиям;
для автоматизации технологических аппаратов с агрессивными средами
необходимо предусматривать установку специальных приборов, а в случае
применения приборов в нормальном исполнении нужно защищать их.
Выбирая тот или иной прибор по функциональному признаку, необходимо
простоту и дешевизну аппаратуры сочетать с требованиями контроля и
регулирования данного параметра. Наиболее важные параметры следует
контролировать самопищущими приборами, более сложными и дорогими, чем
показывающие приборы. Регулируемые параметры технологического процесса
необходимо, как правило также контролировать самопищущими приборами, что имеет
значения для корректировки настройки регуляторов.
Выбирая датчики и вторичные приборы для совместной работы, следует
обращать внимание на согласование выходного сигнала датчика и выходного сигнала
вторичного прибора.
При выборе датчиков и приборов следует обращать внимание не только на
класс точности, но и на диапазон измерения. Следует помнить, что номинальное
значение параметра должны находиться в последней трети диапазона измерения
датчика и прибора. При невыполнении этого условия относительная погрешность
измерения параметра значительно превысит относительную приведенную погрешность
датчика или прибора. Таким образом, не следует выбирать диапазон измерения с
большим запасом(достаточно иметь верхний предел измерения, не более чем на 25%
привыкающий номинальное значение параметра).
Выбор
регулирующего органа
Регулирующие органы служат для регулирования расхода вещества (или
энергии) с целью поддержания заданного значения регулируемой величины в
управляемом объекте.
Основными параметрами, определяющими выбор регулирующих органов,
являются: условное или рабочее давление; условный проход; определяющий
необходимую пропускную способность клапана; пропускная (расходная)
характеристика, выражающая зависимость относительной пропускной способности от
относительного хода штока регулируемого органа; величина негерметичности
(допустимый начальный пропуск при полном закрытии клапана).
Различают дозирующие и дроссельные РО. К дозирующим относятся такие
устройства, которые изменяют расход вещества за счёт изменения производительности
агрегатов (дозаторы, питатели, насосы, компрессоры, плужковые сбрасыватели и
др.). Дроссельный РО представляет собой переменное гидравлическое
сопротивление, изменяющее расход вещества за счёт изменения своего проходного
сечения; к ним относятся регулирующие клапаны, поворотные заслонки, шиберы и
краны. РО характеризуется многими параметрами, основными из которых являются
пропускная способность и условная пропускная способность, условное и рабочее
давление, перепад давления на РО и условный проход.
Пропускной способностью Кu называется расход жидкости с плотностью
1000кг/м3, пропускаемой РО при перепаде давления на нём 105 Па. - размерность -
(м3/ч).
Условной пропускной способностью Кuу называется номинальное значение
пропускной способности РО при максимальном (условном) ходе затвора, выраженное
(м3/ч). Она зависит от типа РО и размера его условного прохода ДУ.
Условное давление РУ - это наибольшее допустимое давление среды на РО при
нормальной температуре.
Условным проходом ДУ в РО называется номинальный диаметр прохода в
присоединительных патрубках.
Максимальное рабочее давление - это наибольшее установленное давление
среды на РО при фактической температуре. Разрешается превышение фактического
рабочего давления на 5% сверх установленного для заданной температуры.
Расход вещества определяется не только конструктивной характеристикой
регулирующего органа, он также зависит от свойств вещества (вязкости, плотности
и т.п.) и от условий, в которых работает регулирующий орган.
Выбор
исполнительного механизма
Исполнительный механизм, работающий в системе автоматического
регулирования, должен не только совершать работу по перемещению регулирующего
органа, но и обеспечивать это перемещение с возможно меньшими искажениями
законов регулирования, формируемых регулирующим устройством.
По виду потребляемой энергии все исполнительные механизмы можно разделить
на следующие группы:
электрические, - пневматические, - гидравлические. Одним из основных
требований, предъявляемых ко многим исполнительным механизмам, является
обеспечение быстродействия и необходимой точности. К исполнительным механизмам
предъявляется также ряд требований конструктивного, эксплуатационного и
экономического характера. Они выражаются в следующем:
исполнительный механизм должен иметь минимальные габариты и вес, быть
конструктивно простым, обладать высокой надёжностью, а также обеспечивать
плавность и равномерность движения приводного механизма;
исполнительный механизм должен быть безопасен в эксплуатации, устойчив в
работе, обеспечивать постоянство скорости перемещения регулирующего органа, а
также возможность регулирования скорости и крутящего момента;
исполнительный механизм должен иметь устройство защиты для предохранения
регулирующего органа от перегрузок и поломок, а также систему ручного управления
на случай возможных отказов в схеме управления приводом при нарушении
энергоснабжения.
Основными показателями исполнительных механизмов являются:
номинальные значения вращающего момента на выходном валу исполнительного
механизма или усилия на его выходном штоке;
максимальное значение вращающего значения на выходном валу
исполнительного механизма или усилия на выходном штоке.
постоянная времени - этот показатель определяет величину быстродействия
исполнительного механизма в системе автоматического регулирования;
время оборота выходного вала исполнительного механизма или хода его
штока.
Помимо вышеперечисленных показателей, для всех исполнительных механизмов
одними из важнейших показателей являются их различные динамические и
статические характеристики. Знание этих показателей позволяет осуществить
правильный выбор исполнительного механизма для конкретных систем регулирования
и управления.
Выбор
сужающего устройства
Для измерения расходов газов и жидкостей, широко применяют сужающие
устройства (диафрагмы, сопла, трубы и сопла Вентури). Сужающие устройства для
измерения расхода коксового и доменного газа, воды и воздуха, выполняют из
стали 1Х13 или 1Х18Н9Т; для измерения агрессивных жидкостей и газов - из
высоколегированных сталей, латуни, бронзы в зависимости от свойств измеряемой
среды.
Нормальные диафрагмы применяют для круглых трубопроводов диаметром не
менее 50 мм. По конструкции диафрагмы бывают камерными и бескамерными.
При использовании камерных диафрагм, обеспечивается выравнивание
давлений, до и после диафрагмы. Отбор давления производят через кольцевые
камеры.
При использовании бескамерных диафрагм, импульсы давлений отбирают до и
после диафрагмы через просверленные во фланцах и трубопроводах отверстиях.
Нормальные сопла применяют в трубопроводах диаметром не менее 50 мм.
Отбор давления производят через кольцевые камеры или отдельные отверстия.
Длинное и короткое нормальное сопла Вентури используют в трубопроводах
диаметром не менее 20 мм. Отбор давлений производят через кольцевые камеры.
Длинная и короткая нормальная труба Вентури, устанавливается в трубопроводах
диаметром 100-800 мм. Отбор давления производят через кольцевые камеры.
Вывод: в теоретической части дипломного проекта для разработки САУ
управления подачей воздуха в термотравильный агрегат, рассмотрен
технологический процесс нагрева проволоки в термотравильном агрегате, приведено
описание функциональной схемы автоматизации термотравильного агрегата, а так же
приведено теоретическое обоснование к выбору типовых элементов (типовых элементов,
регулирующего органа, исполнительного механизма, сужающего устройства). Таким
образом для выполнения практической части курсового проекта имеются все
необходимые теоретические данные.
2 Расчетное обоснование выбора элементов автоматики разрабатываемой
системы управления подачей воздуха в термотравильный агрегат
.1 Выбор
типовых элементов, входящих в разрабатываемую систему управления подачей
воздуха
.1.1 Выбор первичного датчика
Для регулирования расхода, в системах автоматизации применяют различные
расходомеры. Рассмотрим расходомер Метран-100ДД и Метран 43 Ф-ДД.
Первичный преобразователь Метран-100ДД
Назначение
Датчики давления Метран-100 предназначены для работы в системах
автоматического контроля, регулирования и управления технологическими процессами
и обеспечивают непрерывное преобразование измеряемых величин -давления
избыточного, абсолютного, разрежения, давления- разрежения, разности давлений,
гидростатического давления нейтральных и агрессивных сред в унифицированный
токовый выходной сигнал дистанционной передачи.
Технические характеристики
Измеряемые среды: жидкости, пар, газ, в т.ч. газообразный кислород и
кислородосодержащие газовые смеси.
Диапазоны измеряемых давлений:
минимальный 0-0,04 кПа;
максимальный 0-100 МПа.
Основная погрешность измерений: до ±0,1% от диапазона.
Диапазон перенастроек пределов измерений: до 25:1.
Устройство и работа датчика
Датчик состоит из преобразователя давления (в дальнейшем сенсорный блок)
и электронного преобразователя. Датчики имеют унифицированный электронный
преобразователь. Измеряемая входная величина подается в камеру сенсорного блока
и преобразуется в деформацию чувствительного элемента (тензопреобразователя),
вызывая при этом изменение электрического сопротивления его тензорезисторов.
Электронный преобразователь датчика преобразует это изменение сопротивления в
токовый выходной сигнал. Чувствительным элементом тензопреобразователя является
пластина из монокристаллического сапфира с кремниевыми пленочными
тензорезисторами, прочно соединенная с металлической мембраной
тензопреобразователя.
1-фланец, 2-корпус, 3 мембрана, 4 жесткий центр, 5 тяга, 7,6 камеры, 8 тензопреобразователь, 9 электронный преобразователь.
Рисунок 2.1 - Устройство датчика
Первичный преобразователь Метран-43-ФДД
Назначение
Предназначен для непрерывного преобразования разности давлений в
стандартный токовый выходной сигнал в системах автоматического контроля,
регулирования и управления технологическими процессами.
Технические характеристики:
Питание 36 В постоянного тока
Условия эксплуатации -40…+600С
Погрешность измерения + 0,2; 0,25, 0,5%
Пределы измерения, МПа 1…630 КПа; Р допустимое избыточное 4…16 МПа
Форма представления информации выходные сигналы 0…5; 0…20, 4…20мА
Контролируемая среда газ, жидкость, пар
Устройство и работа датчика
Датчик состоит из преобразователя давления (в дальнейшем - измерительный
блок) и электронного преобразователя.
Датчики различных моделей имеют унифицированный электронный
преобразователь и отличаются лишь конструкцией измерительного блока.
В качестве чувствительного элемента в датчиках используются
тензопреобразователи.
1-фланец, 2-корпус, 3-мембрана, 4-жесткий центр, 5-электронный
преобразователь, 6,7- камеры, 8-рычаг тензопреобразователя, 9-тяга
Рисунок 2.2 - Устройство датчика
Измеряемый параметр воздействует на мембрану измерительного блока и
линейно преобразуется в деформацию чувствительного элемента, вызывая при этом
изменение электрического сопротивления тензорезисторов тензопреобразователя,
размещенного в измерительном блоке.
Электронный преобразователь датчика преобразует это изменение
сопротивления в токовый выходной сигнал.
Чувствительным элементом тензопреобразователя является пластина
монокристаллического сапфира с кремниевыми пленочными тензорезисторами, прочно
соединенная с металлической мембраной тензопреобразователя.
Вывод: выбираем первичный датчик Метран-100ДД. Так как данный датчик
обладает простой конструкцией и широким диапазоном измерения и меньшей
стоимостью.
.1.2
Выбор регулирующего устройства
Контроллер Simatic
S7-400
Назначение
Программируемые логические контроллеры (ПЛК) Siemens Simatic S7-400 - это
модульные контроллеры высшего класса для решения задач автоматического
управления и построения систем автоматизации среднего и высокого уровня
сложности.
Устройство прибора
Система автоматизации S7-400 имеет модульную конструкцию. Она может
комплектоваться широким спектром модулей, устанавливаемых в монтажных стойках в
любом порядке. Система включает в свой состав:
Модули блоков питания (PS): используются для подключения SIMATIC S7-400 к
источникам питания =24/ 48/ 60/ 120/ 230В или ~120/ 230В. Модули центральных
процессоров (CPU): в составе контроллера могут использоваться центральные
процессоры различной производительности. Все центральные процессоры оснащены
встроенными интерфейсами PROFIBUS-DP. При необходимости, в базовом блоке
контроллера может быть использовано до 4 центральных процессоров.
Сигнальные модули (SM): для ввода-вывода дискретных и аналоговых сигналов.
Коммуникационные модули (CP): для организации последовательной передачи
данных по PtP интерфейсу, а также сетевого обмена данными.
Функциональные модули (FM): для решения специальных задач управления, к
которым можно отнести счет, позиционирование, автоматическое регулирование и
т.д.
При необходимости в составе S7-400 могут быть использованы:
Интерфейсные модули (IM): для связи базового блока контроллера со
стойками расширения. К одному базовому блоку контроллера SIMATIC S7-400 может
подключаться до 21 стойки расширения.
Простота конструкции S7-400 существенно повышает его эксплуатационные
характеристики:
Простота установки модулей. Модули устанавливаются в свободные разъемы
монтажных стоек в произвольном порядке и фиксируются в рабочих положениях винтами.
Фиксированные места занимают только блоки питания, первый центральный процессор
и некоторые интерфейсные модули.
Контроллер Simatic
S7-300
Назначение-300 находит применение для автоматизации машин специального
назначения, оборудования для производства технических средств управления и
электротехнического оборудования.
Устройство прибора
Программируемые контроллеры S7-300 могут включать в свой состав:
Модуль центрального процессора (CPU).
Блоки питания (PS) для питания контроллера от сети переменного или
постоянного тока.
Сигнальные модули (SM), предназначенные для ввода и вывода дискретных и
аналоговых сигналов.
Коммуникационные процессоры (CP) - интеллектуальные модули, выполняющие
автономную обработку коммуникационных задач в промышленных сетях связи. Для
организации модемной связи в составе S7-300 могут использоваться
коммуникационные модули семейства SINAUT ST7.
Функциональные модули (FM) - интеллектуальные модули, оснащенные
встроенным микропроцессором и способные выполнять задачи автоматического регулирования,
взвешивания, позиционирования, скоростного счета, управления перемещением и
т.д. Целый ряд функциональных модулей способен продолжать выполнение
возложенных на них задач даже в случае остановки центрального процессора.
Интерфейсные модули (IM) для подключения стоек расширения к базовому
блоку контроллера, что позволяет использовать в системе локального ввода-вывода
до 32 модулей различного назначения..
Вывод: Среди рассмотренных контроллеров выбираем Simatic S7-300, т.к контроллер предназначен для построения систем
автоматизации низкой степени сложности обладает меньшим количеством входов, что
наиболее оптимально подходит для САУ подачей воздуха в термотравильный агрегат.
Кроме того контроллер имеет меньшую цену и обладает простотой конструкции
.1.3
Выбор усилителя
Пускатель ПБР-2М
Назначение
Пускатель предназначен для бесконтактного управления электрическим
исполнительным механизмом с однофазным конденсаторным электродвигателем.
Техническая характеристика
Входной сигнал 24В постоянного пульсирующего тока или замыкание ключей;
Входное сопротивление пускателя 750 Ом;
Максимальный коммутируемый ток 4А;
Быстродействие (время запаздывания выходного тока при подаче и снятии
управляющего сигнала) 25 мс;
Разница между длительностями входного и выходного сигналов не более 20
мс;
Напряжение источника питания цепей управления 22-26В Электрическое
питание 220В, 50 Гц;
Потребляемая мощность 7 Вт;
Устройство и работа прибора
Пускатель состоит из платы, кожуха и передней панели.
На передней панели расположены две клеммные колодки для подключения
пускателя к внешним цепям, а также винт заземления. Клеммные колодки
закрываются крышками. На плате устанавливаются элементы схемы пускателя. Плата
вставляется в кожух и закрепляется двумя винтами.
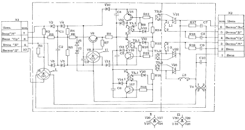
Рисунок 2.3- Схема электрическая принципиальная пускателя ПБР-2М
В схеме управления резисторы R1, R2 задают входное сопротивление
пускателя при малом уровне входного сигнала. Резистор R3 ограничивает бросок
входного тока при подаче сигнала управления на вход пускателя. Конденсаторы C1,
C2 и диоды V2, V3 сглаживают пульсацию управляющего сигнала. Транзистор V8,
резисторы R4, R5 и выпрямительный мост V9 исключают включение
блокинг-генераторов при подаче сигнала управления на оба входа.
Стабилитроны V6, V7 предназначены для защиты транзистора V8 от пробоя при
перегрузке пускателя по входному сигналу.
Блокинг-генераторы, формирующие импульсы управления триаками, состоят из
транзисторов V15 - V17 [V15, V16], диодов V12 - V14 [V10 - V13], V18 - V20
[V18, V19], трансформаторов Т1 - Т3 [T1, Т2], конденсаторов С4 - С6 [C4, С3],
резисторов R8 - R16.
В силовой схеме триаки V21 - V23 [V21, V22] коммутируют напряжение, от
которого осуществляется электрическое питание механизма, а конденсаторы С7 - С9
[С8, С9] и резисторы R17 - R19 [R18, R19] улучшают условия коммутации. Дроссели
L1 - L3 [L1, L2] ограничивают величину ударного тока при аварийных перегрузках
триаков.
Источник питания цепи дистанционного управления состоит из трансформатора
Т4 и выпрямительного моста В1. Вывод источника с отрицательным потенциалом
соединен с клеммой 10 (выход "Д"), а с положительным - с клеммой 8
(выход "Ср").
Входной сигнал управления пускателем - постоянное напряжение (24±6) В -
подается на клеммы 8-7 или 8-9. На клемму 8 (вход "Ср") подается
положительный потенциал, на клеммы 7 (вход "М") или 9 (вход
"Б") - отрицательный потенциал сигнала управления.
Обозначения "М" (меньше) и "Б" (больше) приняты
условно.
В исходном состоянии (входные сигналы отсутствуют) напряжения питания на
схеме управления нет, триаки закрыты.
При подаче управляющего сигнала на клеммы 8-7 (8-9) заряжаются
конденсаторы C1 (C2) и С3.
Напряжение с конденсатора С3 через выпрямительный мост V9 подается на
вход эмиттерного повторителя, выполненного на транзисторе V8.
Напряжение с выхода эмиттерного повторителя подается на
блокинг-генераторы, выполненные на транзисторах V15 (V16), V17 [V15 (V16)] и
трансформаторах T1 (T2), Т3 [T1 (T2)] . Блокинг-генераторы формируют импульсы,
отпирающие триаки V22, V21 и V23 [V22 (V21)]. Питающее напряжение с клеммы 1
через открытые триаки V23, V22 (V21) [V22 (V21)] подается на выход пускателя
клемму 3 (5).
Пускатель ПБР 3А
Назначение
Пускатель ПБР-3А обеспечивает пуск и реверс, защиту трехфазного
электродвигателя с короткозамкнутым ротором от перегрузки.
Техническая характеристика
Входной сигнал 24В постоянного тока;
Входное сопротивление пускателя 750 Ом;
Максимальный коммутируемый ток 3А;
Разница между длительностями входного и выходного сигналов не более 20
мс;
Напряжение источника питания цепей управления 22-26В
Электрическое питание 380В, 50 Гц;
Потребляемая мощность 5 Вт;
Устройство и работа прибора
Входным сигналом пускателя является напряжение отрицательной полярности,
подаваемого на вход.
Для осуществления управления пускателем с помощью ключей в пускателе
имеется источник напряжения, положительный потенциал которого выведен на одну
клемму, отрицательный - на другую.
С помощью ключей контакт подключается к входу пускателя. В исходном
состоянии (входные сигналы отсутствуют) напряжение на эмиттере транзистора
меньше напряжения включения за счет малой величины сопротивление резисторов
уменьшающих напряжение на эмиттере через положительный вывод выпрямительного
моста. В связи с этим транзисторы и закрыты управляющих импульсов на
трансформаторах нет. Триаки закрыты. Напряжение на выходе отсутствует.
При подаче управляющего напряжения на клеммы происходит заряд
конденсаторов, выполняющие функции фильтров и элементов схемы задержки на
реверсе. Протекание тока через резисторы, отрицательный вывод выпрямительного
моста и диод приводит к увеличению падения напряжения на резисторах и открытие
диода отрицательного вывода выпрямительного моста. В результате этого на базе
транзистора напряжение уменьшается, происходит заряд конденсаторов и увеличение
напряжения на базе транзистора и эмиттере транзистора относительно базы
транзистора. При достижении напряжения на эмиттере транзистора, транзистор
открывается и конденсатор разрежается по цепи: резистор, переход база -
эмиттер, транзистор, диод, переход эмиттер - база транзистора, и отрицательной
вывод выпрямительного моста.
Ток разряда конденсатора, протекающий через базу транзистора, усиливается
им в трансформаторе и формулируется импульс, отпирающий триаки. Процесс
заряд-разряд конденсатора повторяется периодически и прекращается только после
снятие входного напряжения.
Триаки силовой цепи служат для подачи напряжения на электродвигатель.
Конденсатор и резисторы предназначены для улучшения условий коммутации триаков.
Пускатель защищен от одновременного отпирания триаков, вызванного подачей
напряжения на оба входа, или быстрым реверсом напряжения управления. Пускатель
ПБР-3А содержит схему защиты электродвигателя от перегрузки. Схема защиты
обеспечивает отключение электродвигателя механизма при выходе выходного органа
механизма на упор, либо в промежуточном положении.
Входной сигнал схемы защиты - ток электродвигателя.
Выходное напряжение трансформаторов тока через выпрямительный мост и
резистор подается на конденсатор. Если конденсатор зарядится до напряжения
отпирания транзистора, то транзистор откроется, уменьшит потенциал эмиттера
транзистора (при практически постоянном напряжении на базе этого транзистора).
Транзистор откроется и зашунтирует цепь питания эмиттера транзистора,
формулирование импульсов прекратится. В таком положении схема остается до
снятия входного напряжения со входа пускателя.
Вывод: среди рассмотренных пускателей выбираем пускатель ПБР-2М, так как
он управляет электрическими исполнительными механизмами, в приводе которых используются
однофазные конденсаторные электродвигатели.
.1.4
Выбор блока ручного управления
Блок ручного управления БРУ-32
Назначение
Блок ручного управления БРУ-32 предназначен для выполнения следующих
функций в системах автоматического управления различными технологическими
процессами:
ручное или дистанционное переключение цепей автоматического и ручного
управления;
кнопочное управление интегрирующим исполнительным устройством при ручном
режиме управления;
формирование импульсов с регулируемой скважностью для управления
интегрирующим исполнительным устройством;
индикация положения выходного вала электрического исполнительного
механизма на цифровом индикаторе;
световая индикация выходного сигнала регулирующего устройства с
импульсным выходным сигналом;
световая индикация о срабатывании конечных выключателей в крайних
положениях выходного вала исполнительного механизма.
Блок предназначен для эксплуатации в следующих условиях:
температура окружающего воздуха от 5 ºС до 50 ˚С;
относительная влажность воздуха до 80 % при температуре 25 ˚С;
вибрация частотой до 25 Гц и амплитудой до 0,1 мм;
магнитные поля постоянные или переменные частотой 50 Гц напряженностью до
400 А/м.
Обозначение блока при заказе и в документации другой продукции, в которой
он может быть применен, должно содержать запись о принадлежности к изделиям
ГСП, наименование, условное обозначение, обозначение технических условий.
Технические характеристики
Входные аналоговые сигналы цифрового индикатора:
постоянный ток от 0 до 5 мА, входное сопротивление не более 400 Ом;
постоянный ток от 0(4) до 20 мА, входное сопротивление не более 100 Ом;
напряжение постоянного тока от 0 до 10 В, входное сопротивление не менее
10 кОм.
Количество входов 1.
2.2
Выбор сужающего устройства
Для измерения расхода газа применяют стандартные диафрагмы.
Лист исходных данных
. Общие исходные данные
цех: ООО «Спецтехнологии»;
агрегат: термотравильный агрегат №3;
объект измерения: трубопровод воздуха;
среднее барометрическое давления местности, Рб=101,325 кПа;
. Трубопровод
). Определяем внутренний диаметр трубопровода
(2.1)
где V - допустимая скорость вещества в
трубопроводе; м/с
Qmax -
максимальный расход вещества; м3/ч
мм
)
По ряду стандартных значений принимаем Д20=150 мм, материал: 1Х18Н9Т
.
Характеристика измеряемой среды:
наименование:
воздух;
расход
вещества в рабочих условиях: Qmax=600 м3/ч
средний
расход воздуха Qср, м3/ч
(2.2)
Qср=(300-400)
м3/ч; принимаем Qср=350 м3/ч
минимальный расход воздуха
(2.3)
Qmin=(150-199,88)
м3/ч; принимаем Qmin=175 м3/ч
средняя температура t=20
0С;
среднее избыточное давление Ри=90 кПа;
-допустимая потеря давления
Рпд’=(0,2-0,4)Ри (2.4)
Рпд’=0,3·90=27 кПа;
- средний химический состав воздуха составляет 100%;
-относительная
объемная влажность воздуха,
=60-80%.
Расчетный
лист
.
Сужающее устройство
а)
тип: стандартная камерная диафрагма;
б)
материал диафрагмы: сталь 20;
в)
поправочный коэффициент на тепловое расширение, Kt’=1
.
Трубопровод
а)
поправочный коэффициент на тепловое расширение, Kt”=Kt’=1;
б) внутренний диаметр,
Д=Д20·Kt” (2.5)
Д=150·1=150 мм
3. Измеряемая среда
а) наименование: воздух
б) расчетный максимальный расход, Qнп=6,3·102 м3/ч
в) квадрат отношения расходов, п
(2.6)
г)
среднее абсолютное давление
Р=Ри+Рб (2.7)
Р=90+101,325=191,325 кПа
д) средняя абсолютная температура,
Т=t+2730С (2.8)
Т=200С +2730С =2930С
е) расчетная допустимая потеря давления
(2.9)
ж)
плотность воздуха в нормальных условиях
рн=1,205
кг/м3
з)
максимально возможная плотность водяного пара при t=200С
рвпм=0,01729
кг/м3
и)
максимально возможное давление водяного пара при t=200С
Рвпм=2,333
кг/м3
к)
относительная влажность в долях единицы:
л)
коэффициент сжимаемости К=1
м)
промежуточная величина Z для определения р
Z=1,02·10-5(Р-Рвпм)/Т·К
(2.10)
Z=1,02·10-5(191325-0,8·2,333)/293·1=0,0066
н) плотность сухой части воздуха в рабочем состоянии
рсч=283,6·рн·Z (2.11)
рсч=283,6·1,205·0,0066=2,2554 кг/м3
о) плотность влажного воздуха в рабочем состоянии
р=рсч+
·рвпм (2.12)
п) показатель для адиабаты: c=1,4
р) динамическая вязкость
=2·(1,18-1,03)/5=0,06·10-5
Па
.
Контрольно-измерительный прибор - Метран-100, тип: ДД
Выбор
перепада давления и модуля диафрагмы
).
Промежуточная величина, С
(2.13)
2).
Предварительное значение предельного перепада Метрана-100, и модуля диафрагмы,
Рн’=25 кПа; m=0,10
).
Число Рейнольдса, Re
(2.14)
(2.15)
(2.16)
Reгр=0,10·10-3
4). Заключение по числу Рейнольдса
Reср>Reгр, поэтому расход по всему диапазону
измеряют не учитывая поправки на вязкость.
). Максимальный перепад в сужающем устройстве
Р=
Рн=25 кПа
).
Промежуточное значение отношения,
(2.17)
Значение
множителя
7).
(2.18)
Соответствующие
значения
и
;
)
Уточненное значение модуля m, m1
(2.19)
).
Потеря давления в сужающем устройстве
(2.20)
Па
10).
Диаметр сужающего устройства
(2.21)
d20=d/Kt” (2.22)
d20=113,2/1=113,2
мм
). Проверка расчета
а) коэффициент расхода
(2.23)
(2.24)
в)
погрешность расчета
(2.25)
%
%,
, т.е. условие по проверке расчета выполняется.
Вывод:
выбранная диафрагма с внутренним диаметром 113,2 мм подходит для данного
трубопровода диаметром 200 мм по всем параметрам, т.к. создаваемый с помощью СУ
перепад давления 25 кПа обеспечивает измерение расхода воздуха 6,3
102м3/ч в
заданных условиях работы.
.3
Расчет и выбор регулирующего органа
Исходные
данные
агрегат:
термотравильный агрегат.
регулируемая
среда - воздух.
объемный
расход - Qmax=600м3/ч.
избыточное
давление в начале участка Ри,нач=90кПа.
избыточное
давление в конце участка Ри,кон=56кПа.
плотность:
r=1,205 кг/м3.
кинематическая
вязкость: n=1,72·105 нс/м2.
Трубопровод
имеет четыре поворота под углом 900 с радиусом изгиба 0,7 м; на трубопроводе
установлена запорная задвижка, одно сужающее устройство.
.
Суммарная длина трубопровода:
L=4+2+1+1+20+4·
(2p/4) · 0,7=32,39м (2.26)
2. Средняя скорость потока:
(2.27)
, м/c
.
Потеря давления на прямых участках трубопровода:
DPпр
(2.28)
где l - коэффициент
трения, определяется в зависимости от числа Рейнольдса D/n
Число Рейнольдса при Qmax:
(2.29)
(2.30)
Тогда l=0,042
DР=
.
Потери давления в местах сопротивления трубопровода:
DРм=(x90+xсу+xв+xро)·
(2.31)
DРм=(4∙0,66+1·0,66+0+2)∙
=0,00012 , Мпа
5. Общие потери давления в линии:
DРл=DРпр+DРл (2.32)
DРл=0,00016+0,00012=0,00028,Мпа
6. Определяем перепад давления в регулирующем органе:
DРроmax=DРсети-DРл (2.33)
DРсети=0,09-0,056=0,32 ,Мпа
DРроmax=0,034-0,00028=0,0337 ,Мпа
7. Уравнение для потока газа:
Кvmax=
(2.34)
Кvmax=
, м3/ч
8.
Выбираем регулирующий орган с условной пропускной способностью Кvy:
Кvy³1,2·Кvmax (2.35)
Кvy³42,6703 ,м3/ч
Вывод: выбираем односедельный регулирующий орган с условным диаметром Dу=150 мм.
2.4
Расчет и выбор исполнительного механизма
Исходные данные:
Перепад давления - DРро=0,0337∙106Мпа.
Диаметр трубопровода 200 мм
Исполнительный механизм выбирают в зависимости от величины усилия,
необходимого для перестановки регулирующего органа.
Величина момента, необходимого для вращения:
М=К∙(m р+m т) (2.36)
где К=2¸3 -
коэффициент, учитывающий затяжку сальников
Момент на валу исполнительного механизма должен быть равен или больше
момента, необходимого для вращения заслонки.
Реактивный момент, обусловленный стремлением потока закрыть заслонку:
mр=0,07·DРро∙Dу3 (2.37)
где DРро - перепад
давления;
Dy -
условный диаметр газопровода.
mр=0,07·0,0337∙106·0,23=18 ,Нм
Момент трения в опорах:
mт=0,785∙ Dу2·Pи∙rш·l
(2.38)
где rш =0,03 - радиус шейки;
l=0,15 - коэффициент трения в опорах
m т=0,785∙0,22·0,0337∙106·0,03∙0,15=4 , Нм
М=2·(18+4)=44 , Нм.
Выбираем исполнительный механизм типа МЭО-4/100 с моментом на валу 40 Нм,
временем одного оборота 100 сек., угол поворота вала 2400, напряжением питания
220 В.
2.5
Описание принципиальной электрической схемы
Принципиальная электрическая схема представлена на демонстрационном листе
ДП.220703.15.15.ЭЗ
В дипломном проекте разработана принципиальная электрическая схема
контура регулирования расхода воздуха в термотравильонм агрегате №3. В состав
данного контура входят: датчик измерения расхода Метран 100 ДД, микроконтроллер
Simatic S7-300, блок ручного управления БРУ-32, пускатель
бесконтактный реверсивный ПБР-2М, исполнительный механизм МЭО-4/100.
Для измерения расхода используется датчик Метран 100 ДД. Сигнал с датчика
поступает на микропроцессорный контроллер Simatic S7-300.
В микропроцессорном контроллере Simatic S7-300 происходит
сравнение текущего значения расхода с заданным значением. Если эти значения
равны, то система регулирования в целом останется в «покое» до тех пор, пока не
изменится либо задание необходимое для изменения технологического режима, либо
отклонение контролируемого параметра в большую или меньшую сторону от
поддерживаемого значения. При неравенстве сигнала с датчика и сигнала задания
на контроллере формируется управляющее воздействие. Это воздействие передается
на пускатель бесконтактный реверсивный ПБР-2М, где усиливается для управления
исполнительным механизмом МЭО 4/100. Вращение электродвигателя выходного вала
исполнительного механизма в свою очередь перемещает регулирующий орган на
трубопроводе с подачей воздуха в сторону уменьшения сигнала рассогласования до
тех пор, пока действующее значение расхода не станет равным заданному.
Вывод: в практической части дипломного проекта для микропроцессорной
системы управления подачей воздуха в термотравильный агрегат ТТА №3, выбраны
типовые элементы первичный датчик - Метран 100ДД, регулирующее устройство -
контроллер Simatic S7-300, пускатель ПБР- 2М.
По расчетным данным выбраны исполнительный электрический механизм МЭО
4/100, с моментом на валу 40 Нм, временем одного оборота 100 сек., угол
поворота вала 2400, напряжением питания 220В, регулирующий орган с условным
диаметром Dу=150 мм, и сужающее устройство
диаметром 113,2мм. На основе выбранных элементов автоматики построена
принципиальная электрическая схема САУ подачей воздуха на паровой котел в
термотрвильный агрегат ТТА №3
3 Охрана труда и промышленная безопасность
.1 Описание
опасных и вредных производственных факторов в цехе
К опасным и вредным производственным факторам относятся:
использование химически вредных веществ;
подвижные части производственного оборудования;
загазованность воздуха рабочей зоны;
опасность поражения электрическим током.
движущиеся машины и механизмы;
передвигающиеся изделия, заготовки;
повышенная температура поверхностей оборудования, материалов;
острые кромки, заусенцы на поверхностях заготовок.
Травильные отделения должны размещаться в изолированных помещениях.
Помещения должны быть оборудованы приточно-вытяжной вентиляцией.
Двери в травильное отделение должны быть самозакрывающимися, иметь тамбур
или должны быть оборудованы воздушной завесой.
Полы на участках травления должны быть устойчивыми к воздействию кислот,
щелочей, солей и т.п. В полах должны быть установлены перекрытые решетками
устройства для стока травильных растворов, обеспечивающие сбор и удаление также
и их паров.
Ванны для травления металла кислотой и внутренняя облицовка их должны
изготавливаться из кислотостойкого материала.
Трубопроводы для подвода пара к ваннам должны быть теплоизолированы до
места подвода. Прокладывать паро-, водо- газопроводы в одном тоннеле (канале) с
трубопроводами кислот для травильных и других агрессивных растворов
запрещается.
Кислота должна подаваться в травильную ванну трубопроводом, выполненным
по проекту, только после наполнения ее водой. Одновременная подача кислоты или
регенеративных травильных растворов и слив отработанных растворов из ванны
запрещается.
Выпуск отработанных растворов должен осуществляться в специальную
канализацию.
Режимы травления, а также количество проволоки и калиброванного металла,
помещаемых в травильные ванны, должны быть регламентированы проектом,
технологическими регламентами и инструкциями, утвержденными главным инженером
(техническим директором) предприятия.
Промывка металла после травления должна производиться на огражденных от
разбрызгивания раствора стендах.
Для подготовки металла к травлению в травильном отделении должны быть
предусмотрены специальные места. Готовить металл к травлению у ванн
запрещается.
Заправка конца ленты в наматывающий барабан должна быть, как правило,
механизирована. Перед барабаном или тянущими роликами должны быть установлены
предохранительные щиты.
Сушильно-моечные машины непрерывного действия должны быть сверху укрыты и
иметь местные отсосы.
3.2
Мероприятия по охране труда при работе в электроустановках
Организационными мероприятиями, обеспечивающими безопасность работы в
электроустановках, являются:
а) оформление работы нарядом-допуском (далее нарядом), распоряжением или
перечнем работ, выполняемых в порядке текущей эксплуатации;
б) допуск к работе;
в) надзор во время работы;
г) оформление перерыва в работе, переводов на другое рабочее место,
окончания работы.
В действующих электроустановках монтажные и ремонтные работы проводят
только по распоряжению ответственных за состояние электроустановки лиц,
уполномоченных на это распоряжением по предприятию (начальников электроцехов,
подстанций, сетевых районов, их заместителей, мастеров). Ответственными
руководителями работы могут быть назначены инженеры, техники, мастера и другие
инженерно-технические работники, имеющие V квалификационную группу и включенные
в специальный список, утвержденный главным инженером предприятия.
При работе в электроустановках, необходимо использовать индивидуальные
средства защиты. Основные средства защиты допускают касание к токоведущим
частям электроустановки. Дополнительные средства защиты не допускают касание к
токоведущим частям, но усиливают действие основных средств защиты. К основным
средствам защиты в электроустановках до 1000В относят: инструменты с изолированными
ручками, диэлектрические перчатки, указатели напряжения, изолирующие штанги. К
дополнительным средствам защиты относят: диэлектрические перчатки,
диэлектрические резиновые коврики, изолирующие подставки, переносные
заземления. При работе в электроустановках выше 1000В к основным средствам
защиты относят: изолирующие штанги, изолирующие и токоизмерительные клещи,
высоковольтный указатель напряжения, изолирующие лестницы. К дополнительным
средствам защиты относят: диэлектрические перчатки, боты, резиновые коврики,
переносные заземления.
Установка и снятие переносных заземлений должны выполняться в
диэлектрических перчатках с применением в электроустановках напряжением выше
1000В изолирующей штанги. Закреплять зажимы переносных заземлений следует этой
же штангой.
Устанавливать заземления на токоведущие части необходимо непосредственно
после проверки отсутствия напряжения. Переносное заземление сначала нужно
присоединить к заземляющему устройству, а затем, после проверки отсутствия
напряжения, установить на токоведущие части.
Снимать переносное заземление необходимо в обратной последовательности:
сначала снять его с токоведущих частей, а затем отсоединить от заземляющего
устройства. Запрещается при установке, снятии переносного заземления или
выполнения работы касаться проводящих частей заземления.
На подготовленных рабочих местах в электроустановках (на оборудовании, на
котором предстоит производить работы, а также в месте прохода внутрь
выгороженного рабочего места) должен быть вывешен плакат "Работать
здесь".
В электроустановках должны быть вывешены плакаты "Заземлено" на
приводах разъединителей, отделителей и выключателей нагрузки, при ошибочном
включении которых не исключается подача напряжения на заземленный участок
электроустановки, и на ключах и кнопках дистанционного управления
коммутационными аппаратами.
На приводах (рукоятках приводов) коммутационных аппаратов с ручным
управлением (выключателей, отделителей, разъединителей, рубильников, автоматов)
во избежание подачи напряжения на рабочее место должны быть вывешены плакаты
"Невключать! Работают люди".
На стационарных лестницах и конструкциях, по которым для проведения работ
разрешено подниматься, должен быть вывешен плакат "Влезать здесь". На
конструкциях, граничащих с той, по которой разрешается подниматься, внизу
должен быть вывешен плакат "Не влезай! Убьет". Выгораживание рабочих
мест осуществляется щитами, ширмами, барьерами или шнуром из растительных либо
синтетических волокон (с оставлением прохода) и вывешиванием на них плакатов
"Стой! Напряжение", обращенными внутрь огражденного пространства.
Вывод: Были определены влияния опасных и вредных факторов, таких как
использование химически вредных веществ, подвижные части производственного
оборудования, загазованность воздуха рабочей зоны, опасность поражения
электрическим током, движущиеся машины и механизмы, передвигающиеся изделия,
заготовки, повышенная температура поверхностей оборудования, материалов; острые
кромки, заусенцы на поверхностях заготовок. А также установлены мероприятия по
охране труда при работе в электроустановках.
4
Организационно-экомическая часть
.1 Организация работ на участке КИП и А
Ремонт приборов осуществляется цехом КИП, в составе которого создаётся
ремонтное отделение. В настоящее время действует “Положение о системе ППР приборов
теплового контроля”. Это Положение предусматривает систему ППР следующих групп
приборов: 1) приборов для измерения и регулирования температуры; 2) приборов
для измерения и регулирования расхода и количества; 3) приборы для измерения и
регулирования уровня; 4) приборы для измерения и регулирования давления и
вакуума; 5) приборы для определения и регулирования состава и свойств вещества;
6) вторичных приборов и устройств дистанционной передачи; 7) регулирующих
систем.
Системой ППР предусматриваются следующие виды профилактических работ: 1)
ежесменное техническое обслуживание приборов, выполняемое в течение всей смены;
2) периодическое техническое обслуживание, выполняемое согласно плану-графику.
В соответствии с назначением, характером и объемом выполняемых работ
ремонты приборов подразделяются на следующие виды: а) текущий ремонт
(устранение мелких дефектов, чистка приборов с частичной заменой поврежденных
мелких деталей и узлов); б) капитальный ремонт (полная разборка прибора, замена
и восстановление всех изношенных деталей и узлов, ремонт базовых деталей,
сборка и проверка прибора). Периодичность капитального ремонта приборов
составляет не менее одного года.
Годовые планы профилактических и ремонтных работ с квартальной разбивкой
утверждаются директором завода. Годовой план-график служит основанием для
определения потребности в запасных деталях, узлах, ремонтных материалах и
трудовых ресурсах.
Планы ремонта приборов по срокам согласовываются с планами ремонта
основного и вспомогательного оборудования.
Практическая работа по проверке точности и ремонту приборов ведется на
основании графика государственных и периодических поверок, журнала поверок
ремонта КИП. Системой ППР приборов установлены нормативы на выполнение поверок
и ремонтов приборов. Количество периодических поверок и ремонтов приборов в
планируемом году устанавливается в зависимости от условий эксплуатации
приборов.
Структура и численность работников ремонтного отделения определяется в
зависимости от наличия приборов на заводе.
Ремонтные работы, выполняемые ремонтным отделением, можно разделить на
следующие основные виды: а) прием и выдача приборов, подготовка к ремонтам; б)
монтажно-механические работы; в) ремонт теплоизмерительных приборов и
регуляторов; г) ремонт приборов и регуляторов расхода, давления и газового
анализа.
План работы ремонтного отделения на месяц составляется на основе графика
ремонтов и поверок приборов, заявок цеховых участков КИП, заявок руководителей
отделений цеха КИП, а также с учетом объема работ по изготовлению запасных
частей, приспособлений, стендов для собственных нужд ремонтного отделения.
План работы ремонтного отделения на месяц содержит номенклатуру приборов,
подлежащих ремонту, и общий объем работы в нормированных человеко-часах. Для
непредвиденных и аварийных работ резервируется 5-8 % рабочего времени.
Приборы принимаются в ремонт приемщиком группы (бригады) подготовки
ремонта. Приборы должны быть чистыми, комплектными, иметь ярлык дефектов. На
каждый ремонтируемый прибор выписывается ремонтная карта, корешок которой
выдается заказчику.
Поступившие в ремонт приборы вместе с необходимыми запасными частями и
материалами передаются в соответствующую группу ремонта. В ремонтной карте
проставляют норму времени на ремонт. Руководитель ремонтной группы указывает в
карте фамилию слесаря, которому поручен ремонт. При наличии специализированных
бригад по ремонту отдельных узлов, применяемых в различных приборах (приводы
диаграмм, реверсивные двигатели, трансформаторы и т.д.), эти узлы направляются
в соответствующие бригады. Об этом делается отметка в ремонтной карте.
Ремонтная группа , в которую поступили приборы, получает указанные в карте узлы
от специализированных бригад.
После ремонта приборы передаются в группу градуировки, где они
градуируются государственной поверке. С клеймом государственной поверки приборы
предаются в группу приема и выдачи. Здесь проверяется правильность оформления
рабочей карты, наличие необходимых записей в паспорте прибора (в необходимых
случаях и аттестата). Паспорт с соответствующей отметкой о ремонте передается в
группу учета. Отремонтированный прибор выдается по предъявлению корешка
ремонтной карты.
.2 Расчёт капитальных и эксплуатационных затрат для САУ подачей воздуха
Сумма капитальных затрат на САР рассчитывается по формуле:
К=О+М+Тр+Зс+Зч+Зк (4.1)
где О - затраты на приобретение оборудования, руб.;
М - затраты на монтаж, руб.;
Тр - транспортные расходы, руб.;
Зс - заготовительно-складские расходы, руб.;
Зч - резерв средств на запасное оборудование и запасные части в период
монтажа оборудования, руб.;
Зк - затраты на комплектацию оборудования, руб.
К=120142,00+52045,75+44116,14+2133,58+2623,28+1336,84=222397,59 рублей
Расчет
стоимости необходимого оборудования (О)
Расчет стоимости приобретенного оборудования рекомендуется выполнять по
форме, представленной в таблице 1. Перечень необходимого оборудования
устанавливается на основании спецификации.
Прочее неучтенное оборудование это кабели, проводка и прочее мелкое
оборудование. Стоимость неучтенного оборудования принимается в размере (10-20)%
от стоимости учтенного оборудования.
Таблица 1 - Расчет стоимости приобретенного оборудования (О)
|
Наименование оборудования
|
Кол-во единиц шт.
|
Оптовая цена за единицу,
руб.
|
Общая стои-мость, руб.
|
|
1. Метран-100ДД
|
1
|
14000,00
|
14000,00
|
|
2. Simatic
S7-300
|
1
|
71500,00
|
71500,00
|
|
3. Пбр-2М
|
1
|
3620,00
|
3620,00
|
|
4. МЭО 4/100
|
1
|
16000,00
|
16000,00
|
|
5. БРУ-32
|
1
|
4100,00
|
4100,00
|
|
Итого учтенное оборудование
|
5
|
109220,00
|
109220,00
|
|
Прочее неучтенное
оборудование
|
-
|
-
|
10922,00
|
|
Итого стоимость
оборудования
|
-
|
-
|
120142,00
|
Расчет затрат на монтаж оборудования (М)
Расчет затрат на монтаж рекомендуется выполнять по форме, представленной
в таблице 2. Затраты на монтаж определяются по ценнику на монтаж оборудования.
Если таких данных не имеется, цену монтажных работ принимаем в размере 30% от
стоимости оборудования.
Таблица 2- Расчет затрат на монтаж оборудования (М)
|
Наименование монтируемого
оборудования
|
Цена монтажа, руб.
|
Основная з/п, руб.
|
З/п по эксплуатации машин,
руб.
|
Доплата по районному к-ту
|
Доплата по прочим к-ам
|
Косвенные расходы, руб.
|
Накладные расходы, руб.
|
Себестоимость монта-жа,
руб.
|
Плановые накопления, руб.
|
Всего затрат, руб.
|
|
|
|
|
На основную з/п, руб.
|
На з/п по эксплуатации
машин, руб.
|
На основную з/п, руб.
|
На з/п по эксплуатации
машин, руб.
|
|
|
|
|
На единицу
|
На весь объем
|
|
1
|
2
|
3
|
4
|
5
|
6
|
7
|
8
|
9
|
10
|
11
|
12
|
13
|
14
|
|
Метран- 100 ДД
|
4200,00
|
630,00
|
420,00
|
94,50
|
63,00
|
63,00
|
42,00
|
193,20
|
685,12
|
5147,62
|
411,80
|
5559,42
|
5559,42
|
|
Simatic S7-300
|
21450,00
|
3217,50
|
2145,00
|
482,62
|
321,75
|
321,75
|
214,50
|
986,70
|
3499,02
|
26289,64
|
2103,17
|
28392,81
|
28392,81
|
|
БРУ-32
|
1230,00
|
184,50
|
123,00
|
27,67
|
18,45
|
18,45
|
12,30
|
56,58
|
200,63
|
1507,50
|
120,60
|
1628,10
|
1628,10
|
|
ПБР-2М
|
1086,00
|
162,90
|
108,60
|
24,43
|
16,29
|
16,29
|
10,86
|
49,95
|
177,14
|
1331,01
|
106,48
|
1437,49
|
1437,49
|
|
МЭО 4/100
|
4800,00
|
720,00
|
480,00
|
108,00
|
72,00
|
72,00
|
48,00
|
220,80
|
783,00
|
5883,00
|
470,64
|
6353,64
|
6353,64
|
|
Итого учтенное оборудование
|
|
|
|
|
|
|
|
|
|
40159,07
|
3212,69
|
43371,46
|
43371,46
|
Пример расчета для прибора Метран-100ДД, для остальных приборов расчёт
аналогичен.
Графы 2-4 (см. таблица 2) заполняются на основе сборника расценок на
монтаж оборудования и коэффициента инфляции.
Графы 5 и 6 заполняются с учетом районного коэффициента (15%);
графа 5 = графа 3·0,15 руб.;
графа 5 = 630,00·0,15 = 94,5 , руб.
графа 6 = графа 4·0,15 руб.;
графа 6 = 420,00·0,15=63 , руб.
При расчете затрат на монтаж оборудования необходимо учитывать отклонение
по заработной плате с учетом коэффициента на стесненность и вредные условия
труда. При производстве монтажных работ в обстановке, ухудшающей условия труда,
применяются следующие поправочные коэффициенты к заработной плате:
1. В эксплуатируемых зданиях всех назначений в действующих цехах и на
производственных участках в связи с наличием в зоне производства работ
действующего оборудования или загромождающих помещений предметов (лабораторное
оборудование и т.п.) или движение транспорта по внутрицеховым путям 1,1.
. То же при особой стесненности рабочих мест 1,16.
. При производстве работ вблизи объектов, находящихся под высоким
напряжением, что связано с ограничением действий рабочего требованиями техники
безопасности 1,2.
4. При температуре воздуха на рабочем месте более 40°С в помещении 1,25.
. При работе в действующих цехах предприятий с вредными условиями труда,
в которых рабочим промышленного предприятия установлен сокращенный рабочий
день, а рабочие, занятые на монтажных работах, имеют рабочий день нормальной
продолжительности 1,25.
При наличии условий, дающих право применения нескольких коэффициентов,
соответствующие коэффициенты перемножаются.
Таким образом, расчеты в графах 7 и 8 ведутся в следующем порядке:
графа 7 = графа 3·0,1 , руб.;
графа7 = 630,00·0,1=63,00 , руб.
графа 8 = графа 4·0,1 , руб.;
графа 8 = 420,00·0,1=42,00 , руб.
Косвенные расходы начисляются в размере 40% от стоимости зарплаты по
эксплуатации машин и на отклонение по заработной плате рабочих по эксплуатации
машин.
Расчет косвенных расходов ведется в следующем порядке:
графа 9 = (графа 4 · графа 6)·0,4 , руб.
графа 9 = (420,00+63,00)·0,4=193,20 , руб.
В том случае, если к заработной плате рабочих по эксплуатации машин
начисляется доплата за стесненность и вредные условия труда, то сумма косвенных
расходов не рассчитывается.
графа 10 = (графа 3 + графа 5 + графа 7)·0,87 , руб.
графа 10 = (630,00+94,50+63,00)·0,87=685,12 , руб.
В графе 11 рассчитывается себестоимость монтажа по ценнику с учетом
доплат, косвенных и накладных расходов:
графа 11 = графа 2 + графа 5 + графа 6 + графа 7 + графа 8 + графа 10 ,
руб.
графа11 = 4200,00+94,50+63,00+63,00+42,00+685,12=5147,62 , руб.
Плановые накопления образуют прибыль строительно-монтажных организаций, и
определяются в размере 8% от себестоимости монтажных работ:
графа 12 = 0,08 · графа 11 , руб.;
графа12 = 0,08∙5147,62=411,80 , руб.
графа 13 = графа 11 + графа 12 , руб.;
графа 13 = 5147,62+411,80=5559,42 , руб.
графа 14 = графа 13·n
руб.;
где n- количество монтируемых единиц оборудования
данного типа.
графа 14 = 5559,42·1=5559,42 , руб.
При расчете затрат на монтаж оборудования необходимо учесть затраты на
монтаж неучтенного оборудования, они определяются в размере (10-20)% от затрат
на монтаж учтенного оборудования.
Расчет величины транспортных, заготовительно-складских расходов, затрат
на запасные части и расходов на комплектацию оборудования
Затраты на запасные части берутся в размере (2-3)% от стоимости
оборудования.
Транспортные расходы в размере 10% от стоимости оборудования и запасных
частей.
Заготовительно-складские расходы в размере 1-2% от стоимости оборудования
и запасных частей, включая транспортные расходы.
Затраты на комплектацию оборудования в размере (0,5-1,5)% от стоимости
оборудования и запасных частей.
Укрупненно сумма всех затрат составляет (6,3-7,5) % от стоимости
оборудования.
Ниже приведена схема расчёта указанных выше величин расходов на
монтируемое оборудование. Расчёт расходов сведён в таблицу 3.
Пример расчета для прибора Метран-100ДД, для остальных приборов расчёт
аналогичен
Затраты на запасные части берутся в размере (2-3)% от стоимости
приобретаемого оборудования.
Зч = 0,02·О , руб. (4.2)
Зч = 0,02·14000,00 = 280,00 , руб.
Транспортные расходы - в размере 3,3% от стоимости оборудования и
запасных частей.
Тр = 0,33·(О+Зч) , руб. (4.3)
Тр = 0,033·(14000,00+280,00) = 4712,4 , руб.
Заготовительно-складские расходы - в размере 1,2% от стоимости
оборудования, запасных частей и транспортных расходов.
Зс = 0,012·(О+ Зч+ Тр) , руб. (4.4)
Зс = 0,012·(14000+280+4712,4)=227,9 , руб.
Затраты на комплектацию оборудования - в размере (0,5-1,5)% от стоимости
оборудования и запасных частей.
Зк = 0,01·(О+Зч) , руб. (4.5)
Зк = 0,01·(14000+280)=142,8 , руб.
Таблица 3 - Расчёт величины расходов
|
Статья расходов
|
Стоимость, руб.
|
|
Монтируемое оборудование
|
|
Наименование
|
Метран- 100ДД
|
Simatic S7-300
|
БРУ-32
|
ПБР-2М
|
Мэо 4/100
|
Прочее неучтённое
оборудование
|
Всего
|
|
Затраты на запасные части
(Зч)
|
280,00
|
1430,00
|
82,00
|
72,4
|
320
|
436,88
|
2623,28
|
|
Транспортные расходы (Тр)
|
4712,4
|
24066,9
|
1380,06
|
1218,4
|
5385,6
|
7352,69
|
44116,14
|
|
Заготовительно-складские
расходы(Зс)
|
227,9
|
1163,96
|
66,74
|
58,93
|
260,46
|
355,59
|
2133,58
|
|
Затраты на комплектацию
(Зк)
|
142,80
|
729,30
|
41,82
|
36,92
|
163,20
|
222,80
|
1336,84
|
|
Итого затрат
|
5363,10
|
27390,16
|
1570,62
|
1386,7
|
6129,26
|
8367,97
|
50207,8
|
Расчет затрат на эксплуатацию системы автоматического управления подачей
воздуха в термотравильный агрегат
В данном разделе необходимо определить состав и размер эксплуатационных
расходов, связанных с работой САУ.
Эксплуатационные расходы, связанные с работой САУ, состоят, как правило,
из следующих видов затрат:
а) стоимости потребляемой электроэнергии (Пэi);
б) амортизационных отчислений (Ai);
в) затрат на ремонты и обслуживание электрооборудования (Cтрi).
Таким образом, затраты на эксплуатацию системы автоматического
регулирования (Ci) можно
рассчитать по формуле:
Ci =
Пэi + Ai + Стрi,
(4.6)
Сi = 1203,57+21328,03+814,43=23346,03
руб.
Эксплуатационные расходы определяются за год.
Расчет
величины потребляемой энергии
Пример расчета для прибора Метран-100ДД, для остальных приборов расчёт
аналогичен.
Определяем затраты на электроэнергию по формуле:
Ээлек = Nycт ·Тэф · П · Ц (4.7)
Ээлек = 0,0008·8600·1·1,5=10,32 руб.
Пример расчета для прибора Метран-100ДД, для остальных приборов расчёт
аналогичен.
где Nycт - установленная мощность, кВт; П -
количество приборов; Тэф - эффективный фонд времени работы оборудования, час; Ц
- Тариф 1кВТ/ч (руб.). Расчет
рекомендуется вести по форме предложенной в таблице 4.
Таблица 4 - Расчет стоимости электроэнергии
|
Наименование
|
Кол-во
|
Установленная мощность, кВт
|
Эффективный фонд времени ч
|
Тариф за один руб. кВт/ч
|
Сумма,руб.
|
|
Метран-100ДД
|
1
|
0,0008
|
8600
|
1,5
|
10,32
|
|
Simatic S7-300
|
1
|
0,048
|
8600
|
1,5
|
619,2
|
|
БРУ-32
|
1
|
0,0025
|
8600
|
1,5
|
32,25
|
|
ПБР-2М
|
1
|
0,007
|
8600
|
1,5
|
90,3
|
|
МЭО 4/100
|
1
|
0,035
|
8600
|
1,5
|
451,5
|
|
Итого
|
5
|
-
|
-
|
-
|
1203,57
|
Расчет величины амортизационных отчислений
Годовую сумму амортизации (А) рекомендуется определять по форме,
представленной в таблице 5
Таблица 5 - Расчет годовой суммы амортизации
|
Наименование оборудования
|
Первоначальная стоимость
(Спер), руб.
|
Количество, шт.
|
Общая стоимость (Со), руб.
|
Норма амортизации (На), %
|
Сумма амортизации (А), руб.
|
|
Метран-100ДД
|
24382,52
|
1
|
24382,52
|
10
|
2438,25
|
|
Simatic S7-300
|
127282,97
|
1
|
127282,97
|
10
|
12728,29
|
|
БРУ-32
|
7298,72
|
1
|
7298,72
|
10
|
729,87
|
|
ПБР-2М
|
6444,23
|
1
|
6444,23
|
10
|
644,42
|
|
МЭО 4/100
|
28482,9
|
1
|
28482,9
|
10
|
2848,29
|
|
Прочее неучтенное
оборудование
|
19389,13
|
-
|
19389,13
|
10
|
1938,91
|
|
ИТОГО
|
21328,03
|
Первоначальная стоимость оборудования рассчитывается по каждому виду
оборудования по формуле:
Спер = О + М + Тр + Зс + Зч + Зк (4.8)
где О - оптовая цена оборудования по прейскуранту, руб.( табл.1.1); М -
затраты на монтаж единицы оборудования, (табл. 1.2); Тр,3с,3ч,3к -
рассчитываются по каждой единице оборудования аналогично п.1.3.
Спер = 14000+5559,42+4172,4+227,9+280+142,8=24382,52 руб.
Норма амортизации (На) берется по каждому виду оборудования из
справочника норм амортизации.
Норму амортизации по каждому виду оборудования можно рассчитать по
следующей формуле:
Пример расчета для прибора Метран-100ДД, для остальных приборов расчёт
аналогичен
(4.9)
Нai
= 100/10=10%
где
- норма амортизации для i - го вида
оборудования, %;
- нормативный срок службы i - го вида
оборудования, лет. Величина Тн даётся в справочниках по нормам амортизации.
Первоначальная стоимость неучтенного оборудования берется в размере
(10-20)% от учтенного оборудования.
Амортизация по неучтенному оборудованию начисляется по средневзвешенной
норме, которая рассчитывается по формуле:
(4.10)
где
j -количество учтенных видов электрооборудования по
каждому варианту.
Нaнеучт=(24382,52·0,1+127282,97·0,1+7298,72·0,1+6444,23·0,1+28482·0,1)/
(24382,52+127282,97+7298,72+6444,23+28482)·100=10%
Расчет затрат на ремонты и обслуживание САУ
Затраты на ремонты и обслуживание равны на сумме затрат на ремонтные
работы, поверки, наладки.
Пример расчета для прибора Метран-100ДД, для остальных приборов расчёт
аналогичен.
Сумма затрат определяется по формуле:
СР = t·n·TCT , руб. (4.11)
СР = 15,90·1·16,3=259,17 руб.
Пример расчета для прибора Метран-100ДД, для остальных приборов расчёт
аналогичен.
где п - количество приборов; t - трудоемкость ремонта чел/час; Тст - тарифная ставка руб/час
Расчет затрат на ремонты и обслуживание Сар рекомендуется вести по форме,
представленной в таблице 6.
Затраты: на ремонт Эр=679,65 руб.
на поверку Эпов=83,13 руб.
на наладку Энал=51,65 руб.
Таким образом, все составляющие формулы (4.11) известны, можно произвести
расчет затрат на эксплуатацию системы САР.
Вывод: в ходе организационно-экономической части дипломного проекта были
определены капитальные затраты на приобретение и монтаж элементов системы для
системы автоматического регулирования расхода воздуха подаваемого в
термотравильный агрегат, которые составляют 222397,59 рублей. Из них: затраты
приобретенного оборудования составляют 120142 рубля, затраты на монтаж
оборудования 52045,75 рублей, затраты транспортных, заготовительно-складских
расходов, затраты на запасные части и расходы на комплектацию оборудования
составляют 50207,85 рублей.
Затраты на эксплуатацию системы автоматического регулирования, которые
составляют 23346,03 рубля. Из них:
затраты на потребляемую электроэнергию составляют 1203,57 рублей,
амортизационные отчисления составляют 21328,03 рубля, затраты на ремонт и
обслуживание САР составляют 814,43 рубля.
Таблица 6 - Расчёт ремонтных работ
|
Наименование
|
Кол, шт.
|
Тарифная ставка,руб./час
|
Ремонт
|
Поверка
|
Наладка
|
Итого
|
|
|
|
Норма трудоемкости, чел-час
|
Сумма, руб.
|
Кол-во поверок
|
Норма трудоемкости, чел-час
|
Сумма,руб.
|
Норма трудоемкости, чел-час
|
Стоимость одной наладки,
чел-час
|
Сумма, руб.
|
|
Метран-100ДД
|
1
|
16,3
|
15,90
|
259,17
|
1
|
3,70
|
60,31
|
1,67
|
27,20
|
346,68
|
|
Simatic S7-300
|
1
|
16,3
|
6,11
|
99,59
|
1
|
1,40
|
22,82
|
1,50
|
24,45
|
146,86
|
Заключение
Согласно цели и задачам курсового проекта в пояснительной записке
раскрыты следующие вопросы:
Выбраны элементы автоматики для системы автоматического регулирования
расхода природного газа подаваемого в доменную печь.
Рассмотрена краткая характеристика и технологический процесс доменной
печи, что позволило нам понять работу данного агрегата.
Описана функциональная схема автоматизации доменной печи с основными
контурами контроля и регулирования основных технологических параметров, с
помощью которой мы рассмотрели весь технологический процесс на схеме.
Выбраны типовые элементы входящих в систему автоматического регулирования
расхода природного газа подаваемого в доменную печь: первичный датчик - Метран
100 ДД, вторичный прибор А-100 микропроцессорный контроллер Simatic S7-400, пускатель бесконтактный реверсивный ПБР - 2М,
Исполнительный механизм МЭО 400/100КО. Произведен расчет и выбор
регулирующего органа, в ходе которого для контроля расхода природного газа
подаваемого в доменную печь, был выбран регулирующий орган с условной
пропускной способностью Кvy=800
м3/ч и условным диаметром Dу=125
мм.
Описана принципиальная электрическая схема системы автоматического
регулирования природного газа подаваемого в доменную печь.
Список используемых
источников
1. Андреев, С.М. Автоматизация технологических процессов и
производств в металлургии / С.М. Андреев, Б.Н. Парсункин, Е.С. Рябчикова
-Учебное пособие - Магнитогорск: Издательство МГТУ имени Г.И. Носова, 2011. -
151 с. [1]
. Беленький, А.М. Автоматизация технологических
процессов/А.М. Беленький.:-М. Металлургия, 2008 - 516с. [2]
. Гончаров, В.И. Автоматика/В.И. Гончаров, Б.А. Иванов.:-М.
Металлургия, 2008 - 316с. [3]
. Гресько, А.А. Справочник слесаря по контролю измерительных
приборов/ А.А Долгая - Киев: Техника, 2008 - 176с. [4]
. Датчик давления МЕТРАН 100 ДД. Руководство по эксплуатации.
Челябинск 2005 - 53с. [5]
. Датчик давления Метран 43. Руководство по эксплуатации.
Челябинск 2007 - 53с. [6]
. Ившин, В.П. Современная автоматика в системах управления
технологическими процессами./ В.П. Ившин, М.Ю. Перухин.-М.: ИНФРА-М, 2013 -
400с. [7]
8. Каминский, М.Л. Монтаж приборов и систем автоматизации./
М.Л. Каминский, В.М. Каминский.- М: Высшая школа, 2005-304с. [8]
9. Прибор аналоговый А100. Руководство по эксплуатации.
2.600.019 РЭ 54с. [9]
. Прибор регистрирующий Диск 250. Руководство по
эксплуатации. 2.556.086. РЭ 54с. [10]
. Пускатель бесконтактный реверсивный Пбр-2м. Руководство по
эксплуатации. Ялби. 421235.002 РЭ 70с. [11]
. Сольницев, Р.И. Автоматизация проектирования систем
автоматического управления/ Р.И. Сольницев. -М.: Высшая школа, 1991.-335с. [12]