Проектирование автогрейдера
Исходные данные
. Рабочее оборудование Отвал
. Характерные параметры РДИЗЕЛЯ=80 кВт.
Колесная формула 1х3х3
. Привод Механический
. Система управления Гидравлическая
. Особые условия Грунт супесь
Введение
В последние годы в некоторых
отраслях интенсивно развивается комплексная механизация отдельных видов
строительства, особенно линейных сооружений, таких, как автомобильные и
железные дороги, линии электропередач, магистральные трубопроводы и т. п.
Структуры комплексной
механизации строительства могут быть простые, последовательные и
комбинированные. Характерным для последовательной структуры является
ограничение производительности комплекта машин производительностью низшего
звена, т. е. элемента с минимальной производительностью. При комбинированной структуре
изменение производительности одного из параллельно соединенных звеньев не
влияет на производительность другого.
В составе комплектов различают
ведущие, вспомогательные и резервные машины. Ведущие машины выполняют
технологически взаимосвязанные операции строительного процесса, вспомогательные
способствуют выполнению ведущими машинами основных функций и повышению их
производительности, резервные предназначены для обеспечения надежности
функционирования строительных процессов. Ведущие машины в составе комплекта
могут быть соединены последовательно, параллельно и комбинированно. При
последовательном соединении машин простой одной машины вызывает простой всего
комплекта; при параллельном соединении отдельные машины работают независимо
друг от друга, а условиями простоя всего комплекта является одновременный
простой всех машин. Вспомогательные машины по отношению к основной могут быть
соединены и последовательно, и параллельно.
Для повышения эффективности
применения комплексной механизации работ в строительстве необходимо постоянно
совершенствовать машины и оборудование.
Одной из важных направлений
повышения качества строительных машин является широкое использование в их
конструкциях индивидуального гидро- и электропривода для исполнительных рабочих
механизмов, что обеспечивает возможность перехода на частичную и комплексную
автоматизацию строительных процессов. При комплексной автоматизации основных н
вспомогательных процессов необходимо применение манипуляторов и роботов.
Несмотря на высокий уровень
комплексной механизации отдельных видов работ, достигнутая эффективность
строительства в целом отстает еще от запланированных уровней. В значительной
мере это является результатом неправильного формирования парков машин в
строительных организациях, недостаточной долговечностью и надежностью и низким
уровнем организации использования и техники и эксплуатации строительных машин.
Поэтому задачи, поставленные
правительством по ускорению социально-экономического развития страны, требуют
коренной перестройки работы в строительном и дорожном машиностроении. В связи с
этим проектирование современных, высоко производительных строительных и
дорожных машин является актуальной задачей.
Цель работы изучение и проектирование
автогрейдера. Система управления - гидравлическая , РДИЗЕЛЯ=80 кВт.
1.
Назначение, описание работы машины
Автогрейдер тяжелого типа предназначен для
ведения планировочных работ и профилировочных работ большого объема.
В настоящее время выпускают автогрейдеры четырех
типов: легкие, средние, тяжелые и сверхтяжелые.
Колесную схему, характеризующую конструктивную
компоновку машины, обозначают буквами АxБxВ,
где А - число осей с управляемыми колесами; Б - число ведущих колесных осей; В
- общее число осей автогрейдера, в данном случае колёсная формула 1х3х3.
Схема автогрейдера показана на рисунке (1.1).
- дизель; 2 - кабина; 3 - рулевое управление; 5
- гидроцилиндры подъема и опускания рабочего оборудования; 6 - основная рама; 7
- гидроцилиндр подъема и опускания кирковщика; 8 - кирковщик; 9 - передний
мост; 10 - тяговая рама; 11 - отвал; 12 - средний мост; 13 - балансирная
подвеска; 14 - задний мост; 15 - колесо
Рисунок 1.1 - Схема автогрейдера
Автогрейдер может обрабатывать поверхность
грунтов любой плотности. Рабочим органом машины является отвал. К нему иногда
прилагают сменное оборудование в виде удлинителя или откосника, которые нужны
для увеличения ширины захвата при отделке откосов насыпей. В комплект
автогрейдера входит также кирковщик, который используется для рыхления старого
покрытия или грунта. Для выполнения автогрейдером различных работ изменяют
положение отвала в вертикальной и горизонтальной плоскостях. Автогрейдер также
успешно работает по очистке площадок и дорог от снега.
Большие тяговые возможности машины, все ведущие
колеса, мощный двигатель, а также значительная масса машины обеспечивает
высокую проходимость в плохих грунтовых условиях.
Основная рама автогрейдера сварной конструкции
трубчатого сечения. Это сделано, для увеличения прочности рамы автогрейдера
В целях сохранения максимального сцепления колес
с грунтом в различных условиях и снижения сопротивления перекатыванию, шины
автогрейдера снабжены устройством регулирования давления
По мощности двигателя прототипом выбран
автогрейдерGR135 предназначен для работы на дорогах, аэродромах и других
объектах, нуждающихся в выравнивании поверхности. Она необходима при
строительстве оборонных объектов, работе в горнодобывающей промышленности,
сооружении городских и гидротехнических объектов.
. Тормозная система: мощная немецкая
гидравлическая система тормозов, действующая на средние и задние колеса, для
стоянки машины применяется ручной тормоз, в коробке передач использованы
импортные детали.
. Поворотная система: маневренность,
обеспеченная гидравлической системой, координирование поворота тележки - все
это дает легкость управления.
. Кабина: просторная, широкий обзор, удобство и
комфорт.
. Система управления: маневренность, высокая
скорость.
. Нож: двухсторонняя заточка, высокое качество
ТЕХНИЧЕСКИЕ ХАРАКТЕРИСТИКИ АВТОГРЕЙДЕРА GR135
Модель GR135
Марка XCMG
Тип двигателя 6BT5.9
Ном. Мощность/скорость оборотов, 100/2200
Габаритные размеры целой машины, мм 8015x2380x3050
Масса целой машины, кг 11000
Скорость переднего хода, км/ч 5,8,13,20,30,42
Скорость заднего хода, км/ч 5,13,30
Тяговая сила, кН 61.3
Макс. Подъемопредолеваемость, % 20
Давление зарядки пневматического колеса, Kpa 300
Давление рабочей системы , Mpa 16
Давление коробки передач, Mpa 1.3~1.8
Рабочие параметры
Макс. угол поворота переднего колеса ,град ±49
Макс. угол наклона переднего колеса, град ±17
Макс. угол отклонения переднего моста, град ±15
Макс. угол отклонения уравнительного бачка, град
Вперед и назад 16
Макс. угол поворота рамы ,град ±27
Мин. радиус поворота, м 6.6
Отвал
Макс. высота подъема, мм. 410
Макс. глубина резания, мм. 535
Макс. угол бокового наклонения, град 90
Угол резания,град 54-90
Угол разворота, град 360
Длина x стрела (сегмента), мм 3710x610
2. Описание
кинематической схемы машины
От вала двигателя 1 крутящий момент передается
на гидротрансформатор 2, шестерню 3, на муфту сцепления 9. С шестерни 3
крутящий момент идет на шестерню 4. С шестерни 4 момент передается на шестерни
5, 6. Валы шестерен 5, 6 приводят в движения насосы 7 и 8. При замыкании муфты
сцепления 9 крутящий момент передается через вал на коробку передач. В
зависимости от замыкания зубчатых муфт перемены передач, обозначенных на схеме
11; 14; 20 и 26, будет изменяться скорость автогрейдера или крутящий момент,
передаваемый на соответствующие валы.
С коробки скоростей крутящий момент идет на
задний, средний и передний мосты автогрейдера. Между коробкой скоростей, задним
и средним мостом установлен раздаточный редуктор, он служит для увеличения
крутящего момента. С вала коробки скоростей вращающий момент передается на
шестерню 29 затем на шестерню 30, 31, 32. Затем с вала раздаточного редуктора
момент передается на средний и задний мост карданными валами 33 и 44, для
переднего моста также, но сразу же с коробки скоростей через карданный вал 55.
С карданных валов вращающий момент идет на конические шестерни 34; 45; 56. Они
в свою очередь начинают вращение конических шестерен 35; 46; 57. Посредством
вала момент передается на шестерни 36; 40 - для заднего моста, 47; 51 - для
среднего моста, 58; С данных шестерен момент идет на шестерни 37; 41; 48; 52;
59; 63, они в свою очередь приводят колеса 39; 43; 50; 54; 61; 65 в движение.
Цифрами 38; 42; 49; 53; 60; 64 обозначены
тормоза автогрейдера. Римскими цифрами на схеме обозначены валы.
Цепочка передачи вращающего момента для трех
передач:
для первой передачи:
-2-I-9-V-11(влево)-10-16-VI-20(влево)-19-23-VII-22-26(влево)-25-
VIII 28-IX-29-30-X-31-XI-32-XII
33-XIII-34-35-XIV
36-37-XV-38-39
-XVII-45-46-XVIII
47-48-XIX-49-50
-52-XX-53-54
-XXI-56-57-XXII
58-59-XXIII-60-61
-63-XXIV-64-65
для шестой передачи:
-2-I-9-V-14(влево)-13-18-VI-20(влево)-19-23-VII-26(вправо)-27-
VIII 28-IX-29-30-X-31-XI-32-XII
33-XIII-34-35-XIV
36-37-XV-38-39
-41-XVI-42-43
-XVII-45-46-XVIII
47-48-XIX-49-50
-52-XX-53-54
-XXI-56-57-XXII
58-59-XXIII-60-61
-63-XXIV-64-65
для заднего хода:
-2-I-9-V-11(влево)-10-16-VI-20(вправо)-21-15-24-VII-22-26(влево)-25-
VIII 28-IX-29-30-X-31-XI-32-XII
33-XIII-34-35-XIV
36-37-XV-38-39
-41-XVI-42-43
-XVII-45-46-XVIII
47-48-XIX-49-50
-52-XX-53-54
-XXI-56-57-XXII
58-59-XXIII-60-61
-63-XXIV-64-65
3. Определение основных
параметров машины и рабочего оборудования
Основными параметрами автогрейдера являются
мощность двигателя, колесная формула, размер шин, первая расчетная рабочая
скорость и максимальная расчетная транспортная скорость, число передач и ряд
передаточных чисел трансмиссии, размеры отвала, ширина колеи и база
автогрейдера. Главный параметр автогрейдера - масса.
3.1 Размеры и массы
Необходимая мощность двигателя определяется для
двух расчетных условий.
Первое условие. Мощности двигателя
должно быть достаточно для того, чтобы на первой рабочей передаче трансмиссии
при скорости движении
обеспечивался
режим номинальной тяги движителей
:
(3.1)
где
- мощность двигателя, (
=80 кВт);
- номинальная сила тяги,
сответствующая значению коэффициента буксования d =0,2;Wf -
сопротивление перекатыванию колес; f -
коэффициент сопротивления перекатыванию (при движении по плотному
свежесрезанному грунту f=0,06…0,08);j - коэффициент сцепления шины
с грунтом (j =0,7…0,8);m - масса
автогрейдера;
-
коэффициент (для колёсной формулы 1х2х3х
=0,7…0,75);hм - к.п.д. механической
трансмиссии (
);
-
коэффициент выходной мощности дизеля, учитывающий неустановившийся характер
нагрузки на рабочем органе и валу дизеля (
);
- коэффициент, учитывающий отбор
мощности на привод системы управления (
).
Из формулы (3.1) масса автогрейдера
, кг:
(3.2)
3.2 Определение
мощности двигателя
Скорость движении по грунтовой
дороге
Второе условие. Мощности двигателя
должно быть достаточно для обеспечения движения автогрейдера с максимальной
транспортной скоростью
по
грунтовой дороге при коэффициенте сопротивления перекатыванию f=0,025…0,035.
(3.3)
где
- коэффициент аэродинамического
сопротивления воздуха (
);
А - лобовая площадь автогрейдера
(А=5,0…7,5 м2).
Получено, что
из этого
следует, что мощности двигателя достаточно для обеспечения движения
автогрейдера с максимальной транспортной скоростью
.
3.3 Выбор
пневматических шин
На автогрейдеры устанавливаются, как
правило, одиночные большегрузные шины низкого или регулируемого давления и
широкопрофильные шины, которые подбирают по статической радиальной нагрузке на
наиболее нагруженное колесо (ГОСТ 8430 - 85).
Давление в шинах составляет не более
0,25…0,35 МПа. У автогрейдеров с централизованной накачкой шин оно может
регулироваться от 0,07…0,08 до 0,3 МПа. При колесной схеме
нагрузка на
каждую ось составляет 33%. Нагрузка на шину
:
(3.4)
.
По таблице 2.1
выбираем
шины с параметрами:
обозначение
шины……………………………………...1400 -20;
наружный диаметр………………………………………1220
18 мм;
ширина профиля………………………………………….375
12 мм;
статический радиус………………………………………555
12 мм;
масса шины, кг не
более………………………………...113;
допустимая нагрузка,
кН.................................................28,5;
давление в шинах,
МПа......................................................0,25.
3.4 Размеры
отвала
Высота отвала определяется из
условия непересыпания грунта через отвал при разработке кювета концом отвала
.
Это условие соблюдается, если объем
грунта, поступающего из забоя на пути полного замещения призмы волочения, равен
объему Vпр призмы
волочения, который может разместиться перед отвалом. Из этого условия высота
отвала:
(3.5)
где
- площадь поперечного сечения
стружки, вырезаемой автогрейдером в режиме номинальной тяги, м2;j0 - угол естественного откоса
грунта в движении (j0=350); r - угол трения грунта об
отвал (r= 250); kф -
коэффициент формы поперечного сечения призмы волочения (
); a0 - угол захвата (a0=300…400).
Площадь поперечного сечения стружки
, м2:
(3.6)
где Ft н -
номинальная сила тяги автогрейдера, Н;
k - удельное
сопротивление копанию расчетного грунта грейдерным отвалом (k=2,0×105…2,4×105 Н×м-2);
,3 - коэффициент, учитывающий
неравномерность площади поперечного сечения стружки, а также уменьшение
нагрузки на тяговые колеса вследствие отпора грунта.
Номинальная сила тяги автогрейдера
, Н:
(3.7)
Н=0,3349 м.
Длина отвала определяется из условия
сдвижки вырезаемого из кювета грунта на такое расстояние, чтобы после прохода
отвала грунт не ссыпался обратно в кювет. Профиль отвала выполняют постоянным
радиусом r.
Длина отвала Lотв, м:
где m - масса
автогрейдера, т.
Радиус профиля отвала r, м:
(3.9)
где
- угол резания отвала (
).
Угол отваливания
принимают
равным 600
3.5 Выбор
размеров базы и колеи
Ширина колеи назначается из условий
обеспечения поперечной устойчивости при движении автогрейдера и вписывания в
габарит подвижного состава по ГОСТ 9420 - 79. Рекомендуемые значения колеи для
тяжелых автогрейдеров 2,0…2,4 м. Принимаем равной 2,0 м.
B0 - ширина
колеи;
- база
двухосного автогрейдера;
- база
трехосного автогрейдера;
- длина
отвала;
- внешний
диаметр шины;
- расстояние
между шинами задней и средней оси; e -
минимальный зазор между шиной и овалом.
Рисунок 3.1 - Расчетная схема к
определению размеров базы и колеи автогрейдера.
Минимальный размер базы определяется
необходимостью поворота отвала в плане на 3600 с учетом необходимых зазоров между
боковыми кромками отвала и шинами.
Размер базы трехосного автогрейдера
:
(3.10)
где
- база двухосного автогрейдера, м;
- внешний диаметр шины, м D=1,40 м;
- расстояние между шинами задней и
средней оси, м (
).
Размер базы двухосного автогрейдера
, м:
(3.11)
где
- длина отвала, м;
B0 - ширина
колеи, м (
);
e -
минимальный зазор между шиной и овалом, м (
).
Радиус поворота трехосного
автогрейдера при одной оси с управляемыми колесами
:
(3.12)
где
- угол поворота внешнего
управляемого колеса (
).
Дорожный просвет принимаем равным
0,4 м, при этом отвал находится в поднятом положении.
3.6
Скорости движения при рабочем и транспортном режиме
Скорости движения автогрейдера
определяют в значительной мере его производительность. Величина скорости обычно
ограничивается в рабочем режиме технологическими соображениями (качество
выполняемых работ, квалификация машиниста, видимость и т. д.), а в транспортном
- мощностью двигателя и дорожными условиями. Поэтому у автогрейдеров с
механической трансмиссией коробки перемены передач имеют два диапазона: рабочий
и транспортный. Для эффективного использования мощности дизеля передаточные
отношения в диапазонах образуют геометрическую прогрессию. Показатель
прогрессии для трансмиссии автогрейдеров равен q=1,6. Тогда
передаточные отношения и скорости рабочего диапазона определяется по формулам:
;
(3.13)
;
(3.14)
где
,
,
- передаточные отношения
соответственно на 1-ой, 2-ой, 3-ей рабочих передачах;
,
,
- скорости соответственно на 1-ой,
2-ой, 3-ей рабочих передачах, м/с (принимаем
).
Передаточное отношение на 1-ой передаче
:
(3.15)
где
- номинальная угловая скорость
вращения вала двигателя, с-1;
- радиус качения колес, м.
(3.16)
где
- число оборотов выходного вала
двигателя, об/мин (
).
.
Передаточные отношения в рабочем
диапазоне:
;
;
.
Рабочие скорости:
;
.
Для определения передаточных
отношений и скоростей транспортного диапазона сначала определяется передаточное
отношение на высшей передаче
этого диапазона - из условия
обеспечения максимальной транспортной скорости
при номинальной угловой скорости
вращения вала двигателя wен:
(3.17)
.
После этого определяются остальные передаточные
отношения и соответствующие скорости движения:
;
(3.18)
;
(3.19)
Передаточные отношения в
транспортном диапазоне:
.
.
Транспортные скорости:
.
.
Найденный диапазон передаточных
отношений обеспечивается трехступенчатой коробкой перемены передач и
ходоуменьшителем (мультипликатором) с передаточным отношением
в рабочем
диапазоне и
в
транспортном диапазоне.
Передаточное отношение мультипликатора
в рабочем диапазоне:
.
4. Расчет
отвала на прочность
Цель расчета: определить размеры
поперечного сечения отвала.
Условие расчета: при работе на
первой передаче отвал максимально выдвинут относительно поворотного круга и
встретился концом с непреодолимым препятствием.
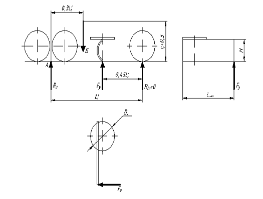
Рисунок 4.1 - Схема к расчету отвала
на прочность
Горизонтальная сила Fx принимается
равной силе тяги по сцеплению Ft j..
Максимальное значение вертикальной
составляющей Fy
соответствует случаю вывешивания переднего моста на отвале и может быть
определено из условия равновесия автогрейдера при Rп=0.
Уравнение равновесия относительно
точки А:
(4.1)
(4.2)
При известных высоте и радиусе
кривизны необходимо определить толщины листов отвала. Учитывая сложное
поперечное сечение, определение толщины листов проводится методом последовательного
подбора. Для этого, задаваясь неизвестными размерами, определяют моменты
инерции сечения относительно главных осей, моменты изгибающие и крутящие от сил
Fx и Fy в опасном
сечении (место крепления отвала к кронштейну), эквивалентные максимальные
напряжения в опасном сечении и сравнивают их с допускаемыми для выбранного
материала. В качестве материала принимаем легированную сталь 09Г2-12
Допускаемое напряжение при изгибе
:
(4.3)
где
- расчетный предел текучести
материала, (
);
- коэффициент неоднородности
материала, (
);
- коэффициент условия работы, (
);
- коэффициент, учитывающий
дополнительные деформации при монтаже, (
);
- коэффициент, учитывающий
дополнительную степень ответственности конструкции, (
).
.
Допускаемое напряжение при кручении
, МПа:
(4.4)
где
- расчетное напряжение при
кручении, МПа:
(4.5)
где gм - коэффициент надежности по материалу, (gм=1,05).
.
.
Конструктивно принимаем толщину
отвала d=6 мм.
Рисунок 4.2 - Схема к расчету
сечения отвала
Проверка прочности при изгибе s, МПа:
(4.6)
где
- напряжение при изгибе, МПа;
Мх - изгибающий момент от силы Fx, Нм;
Мy -
изгибающий момент от силы Fy, Нм;
,
- моменты инерции относительно
соответствующих координатных осей, м4;
x, y -
координаты точки приложения силы, действующей на отвал, м.
(4.7)
где
- длина отвала, м (
);
- диаметр поворотного круга, м (
).
.
(4.8)
Координаты x, y, м:
. (4.9)
(4.10)
где R - внешний
радиус отвала, м;
а - расстояние от центра тяжести
поперечного сечения отвала до центра окружности, по которой выполнен профиль
отвала, м.
Внешний радиус отвала R, м:
(4.11)
Расстояние от центра тяжести
поперечного сечения отвала до центра окружности, по которой выполнен профиль
отвала, а, м
:
(4.12)
.
.
Моменты инерции
,
,
:
(4.13)
(4.14)
где
- момент инерции относительно оси U, м4;
А - площадь поперечного сечения
отвала, м2.
Момент инерции относительно оси U, м4
:
(4.15)
.
Площадь поперечного сечения отвала
А, м2:
(4.16)
.
.
.
Напряжения при изгибе
:

Проверка условия (4.7):
Условие (4.7) выполняется, значит
изгибная прочность отвала достаточна.
Проверка прочности при кручении:
где
- напряжение при кручении, МПа;
,
- крутящие моменты соответственно
от сил
,
, Нм;
- полярный момент инерции, м4.
Крутящие моменты
,
, Нм:
(4.18)
(4.19)
Тх=50,8∙103 ∙0,245=12,4∙103
Н∙м
Ту=39,6∙103 ∙0,207=2,8∙103
Н∙м
Полярный момент инерции
:
(4.20)
.
Напряжение при кручении
:
Проверка условия (4.14):
Условие (4.18) выполняется, значит
прочность отвала при кручении достаточна.
Вывод: выбранная марка стали
пригодна для изготовления данного отвала, конструктивно принятая толщина отвала
достаточна.
гидроцилиндр колесо скорость отвал
5. Расчет механизмов
системы управления
.1 Механизм подъема
отвала
Цель расчета: определение силы, скорости
подъема; выбор гидроцилиндров.
Для качественного проведения планировочных
работ, своевременной разгрузки дизеля при увеличении нагрузок на отвале или
движителе скорость подъема следует выбирать в пределах 0,1…0,3 м/с.
Расчетное положение для определения силы подъема
Fп: симметрично
установленный отвал заглублен одной стороной; производится подъем заглубленного
конца, на отвал действует максимальная горизонтальная составляющая реакции
грунта (F01= Ftj).
Допущения: вертикальная составляющая реакции
грунта препятствует выглублению отвала; масса отвала, поворотного круга и всей
тяговой рамы сосредоточена в центре тяжести системы; нагрузка воспринимается
одним гидроцилиндром.
Рисунок 5.1 - Схема к расчёту
механизма подъема отвала
Сила подъема Fп, Н:
(5.1)
где
- вес рабочего оборудования, Н (
);
;
;
;
.
Силу F02 можно
принять
. По усилию
подъема выбирается гидроцилиндр. Горизонтальная сила F01
принимается равной силе тяги по сцеплению Ft j.
F01 =50,8∙103 Н
F02
=0,5∙50,8∙103=25,4∙103
Н
Так как на подъём отвала работают 2
гидроцилиндра, то сила подъёма 1-го гидроцилиндра:
(5.2)
Fп1=11,6∙103
:2=5,8 ∙103 Н.
(5.3)
где
- номинальное давление в
гидропередече цилиндра, МПа (
);
- диаметр поршня гидроцилиндра, м;
- диаметр штока гидроцилиндра, м.
Учитывая, что отношение
, получим
(5.4)
Из условия заглубления отвала на
половину высоты принимаем ход штока гидроцилиндра равным 700 мм.
Учитывая необходимый диаметр и ход
штока принимаем стандартный гидроцилиндр диаметром 90 мм, при
ход поршня
710 мм
.
.2 Механизм
поворота отвала
В современных автогрейдерах отвал
поворачивается в горизонтальной плоскости на ходу во время копания и
перемещения грунта.
Расчетное положение: отвал
установлен симметрично и перпендикулярно продольной оси машины; на край режущей
кромки у конца отвала действует реакция грунта равная номинальной силе тяги.
Необходимый вращающий момент
поворота отвала
:
(5.5)
где
- номинальная сила тяги, Н
=38,1∙103
Н;
kз -
коэффициент, учитывающий потери на трение в опорах и разгон, (kз=1,1).
Мощность на валу гидромотора
:
(5.6)
где w - угловая скорость поворота отвала с-1;
hп
- полный КПД привода.
Угловая скорость поворота отвала
:
(5.7)
где
- линейная скорость поворота на
радиусе поворотного круга, м/с (
).
Полный КПД привода
:
(5.8)
где
- КПД открытой зубчатой передачи, (
);
- КПД червячного редуктора, (
).
.
.
По мощности
выбираем
гидромотор МР-700
· номинальная мощность 26,17кВт;
· номинальное давление 16 МПа;
· рабочий объём 707 см3.
5.3 Механизм наклона
колес
Наклонное положение передних колёс увеличивает
устойчивость автогрейдера при действии на косопоставленный отвал боковой силы,
а также при работе на поперечных уклонах.
Максимальное усилие в механизме
возникает при выведении колёс из наклонного положения в вертикальное.
Усреднённое значение силы на штоке гидроцилиндра
можно найти из условия равенства
работ:
(5.9)
где
,
,
- перемещение точек приложения сил
,
,
;
- вес, приходящийся на переднюю
ось, Н (
);
- боковая сила, действующая на
передние колёса, Н (
).
Величина
:
(5.10)
где
- диаметр колеса, м;
- максимальный угол наклона колес (
).
.
Для определения остальных
перемещений построим в масштабе схему наклона. Масштаб 1:20.
Рисунок 5.2 - Схема к расчету
механизма наклона колес
Из рисунка 5.2 определим оставшиеся
размеры:
.
.
Усредненное значение силы на штоке
гидроцилиндра
:
(5.11)
.
Диаметр поршня гидроцилиндра
:
(5.12)
.
Ход поршня определим также из
рисунка 5.2, он равен 530 мм. Принимаем стандартный гидроцилиндр диаметром 60
мм, при
ход поршня
630 мм
.
6.
Производительность автогрейдера
Производительность автогрейдера
зависит от его основных параметров, условий работы и выражается в объёме
вырезанного и перемещенного грунта в единицу времени, в километрах
спрофилированной дороги или квадратных метрах спланированной площади.
Производительность в метрах
возведенной насыпи за час:
(6.1)
где L - длина
участка, м (L=2000 м);
- коэффициент использования рабочего
времени (
=0,9);
- продолжительность рабочего цикла,
с.
Продолжительность рабочего цикла
:
(6.2)
где
- числа проходов в одном
направлении при вырезании грунта, при боковом перемещении грунта и при отделке
насыпи соответственно;
- средние действительные скорости
движения автогрейдера, соответствующие этим проходам, определённые с помощью
тяговой характеристики, м/с;
- время на переключение передач, (
=5…6 с).
Величину
можно
принять соответствующей действительной скорости движения на первой передаче в
режиме номинальной тяги (
);
принимается
равной
.
Перемещение грунта и планировочные
работы проводят на 2-ой передаче в режиме номинальной тяги (
).
Число проходов при копании
:
(6.3)
где
- площадь поперечного сечения
кювета, (
=1,5
);
k - удельное
сопротивление копанию расчётного грунта грейдерным отвалом (k=
; m’ -
коэффициент, учитывающий неравномерность толщины срезаемой стружки (
).
.
Число проходов при перемещении
грунта
:
(6.4)
где
- средняя потребная длина
перемещения грунта, (от внутренней бровки кювета до продольной оси земляного
полотна
);
-
перемещение грунта за один проход (
);
- коэффициент перекрытия проходов
при перемещении (
).
.
Количество проходов по отделке
принимают
.
Продолжительность рабочего цикла
:
Производительность
:
.
Заключение
В ходе курсового проекта были
рассчитаны и выбраны следующие параметры автогрейдера:
· масса автогрейдера m=7393
кг;
· высота отвала Н=335 мм;
· длина отвала Lот=3100
мм;
· ширина колеи В0=2000 мм;
· база автогрейдера
;
Расчет механизмов:
· рулевого управления;
· наклона колёс;
· поворота отвала.
Список литературы
1.
СТП СГУПС 01.01-2000. Курсовой и дипломный проекты. Требования к оформлению.
Новосибирск, 2000. 40с.
.
Б.Н. Смоляницкий, Е.Г. Шевчук. Проектирование землеройно-транспортных машин:
Методические указания к выполнению курсового проекта. Новосибирск 2003. 38 с.
.
Анурьев В. И. Справочник конструктора-машиностроителя: в 3-х томах. Том 1.
Москва: Машиностроение, 1978. 728 с.
.
Бромберг А. А. Машины для земляных работ: атлас конструкций. Москва:
Машиностроение 1968. 135 с.
.
Ронинсон Э.Г. Автогрейдеры. Москва, 1982. 173 с.