Електропривід кормодробарки ФГФ-120МА
Електропривід
кормодробарки ФГФ-120МА
Зміст
Вступ
1 Технологія і технічні дані
кормодробарки ФГФ-120МА
2 Визначення потужності та
вибір типу електродвигуна для приводу робочої машини
Розробка схем підключення
пристрою. Вибір апаратури керування і захисту
4 Вибір проводів і кабелів
силової мережі
5 Розробка схеми керування
електроприводом кормодробарки, опис роботи схеми
6 Розрахунок та вибір елементів
схеми керування, складання переліку елементів
7 Визначення розрахункової
потужності установки
8 Розробка конструкції шафи
керування і схеми з’єднань шафи керування
9 Заходи з охороні праці та ТБ
при експлуатації установки
10 Протипожежні заходи
Висновок
Список використаної літератури
Вступ
Ефективність засобів виробництва,
які має в розпорядженні людське суспільство, значною мірою визначається
досконалістю способів отримання енергії, необхідної для виконання механічної
роботи у виробничих процесах. Виробничі механізми, без яких не можна нині
уявити собі жодне виробництво пройшли тривалий шлях свого розвитку, перш ніж
набрали вигляду сучасного автоматизованого електроприводу, що приводить в рух
незліченну безліч робочих машин і механізмів в промисловості, транспорті, в
сільському господарстві і в побутовій техніці і що автоматично управляє їх технологічними
процесами.
Межі використання по потужності
сучасного електроприводу дуже великі - від десятків тисяч кіловат в одиничному
двигуні до доль вата.
Сучасний автоматизований
електропривод є складною електромеханічною системою, призначеною для приведення
в рух робочого органу машини і управління її технологічним процесом. Він
складається з трьох частин: електричного двигуна, що здійснює електромеханічне
перетворення енергії, механічної частини, передавальної механічну енергію
робочому органу машини, і системи управління, що забезпечує оптимальне за тими
або іншими критеріями управління технологічним процесом. Діапазон зміни
номінальних частот обертання електроприводу має дуже широкі межі. Використання
засобів дискретної техніки в системах управління приводами постійно струму
розширює діапазон регулювання швидкості до (1000-1500: 1 і вище).
Не
можна уявити собі жодного сучасного виробничого механізму, у будь-якій області
техніки, який не наводився б в дію автоматизованим електроприводом. У
електроприводі основним елементом, що безпосередньо перетворює електричну
енергію в механічну являється електричний двигун, який найчастіше управляється
за допомогою відповідних перетворюючих пристроїв, що управляють, з метою
формування статистичних і динамічних характеристик електроприводу, виробничих
механізмів, що відповідають вимогам.
Йдеться про забезпечення за
допомогою автоматизованого електроприводу оптимального режиму роботи машин, при
якому досягається найбільша продуктивність при високій точності.
Різноманіття виробничих процесів
обумовлює різні види і характери руху робочих органів машини, а отже, і
електроприводів. По виду рухи електроприводи можуть забезпечити: обертальний
однонапрямлений рух, обертальний реверсивний і поступальний реверсивний рух.
Характеристики двигуна і можливості системи управління визначають
продуктивність механізму, точність виконання технологічних операцій.
Властивості електромеханічної системи роблять вирішальний вплив на найважливіші
показники робочої машини і значною мірою визначають якість і економічну
ефективність технологічних процесів.
Розвиток автоматизованого
електроприводу веде до вдосконалення конструкцій машин, до корінних змін
технологічних процесів, до подальшого прогресу в усіх галузях народного
господарства, тому теорія електропривода - технічна наука, що вивчає загальні
властивості електромеханічних систем, закони управління їх рухом і способи
синтезу таких систем за заданими показниками має найважливіше практичне
значення.
Системи автоматичного управління
електроприводами постійного і змінного струму, в яких використовуються усі
досягнення напівпровідникової техніки, а так само можливості електронної
обчислювальної техніки, дозволяють істотно спростити конструкції виробничих
механізмів, підвищити їх точність і підняти продуктивність, тобто сприяти
технічному прогресу.
1 Технологія і технічні дані
кормодробарки ФГФ-120МА
1 - живильник; 2- магнітні
вловлювачі; 3 - подрібнюючий барабан; 4 - протиріжучі деки; 5 - подрібнюючий
молоток; 6 - решето; 7 - вентилятор.
Рисунок 1 Технологічна схема
кормодробарки ФГФ-120МА
Кормодробарка ФГФ-120МА призначена
для подрібнення грубих кормів. Складається з рами з ходовою частиною,
живильника, подрібнювача, центробіжного вентилятора, магнітного вловлювача і
електрообладнання.
Живильник уявляє собою стрічковий
транспортер.Привід його здійснюється ланцюговою передачею від редуктора.
Подрібнюючий апарат складається з молоткового ротора, двох протиріжучих дек,
змінних решет і всмоктуючої камери. У дисках ротора встановлені вісім сталевих
пальців, на яких шарнірно підвішені 120 подрібнюючих молотків.
Привод подрібнюючого ротора
здійснений клиноремінною передачею від електродвигуна. Центробіжний вентилятор,
призначений для транспортування подрібненого корму
і подача його в транспортний засіб, складається з робочого колеса діаметром 560
мм, на котрому розташовано шість лопатей. В залежності від вологості
подрібнюваного корму передбачений кран для регулювання притоку повітря до
всмоктувальної камери.
Робочий процес полягає у наступному.
Грубий корм загружається на стрічковий живильник подрібнювача і останнім
подається в дробильну камеру, перед входом в яку підвішені магнітні вловлювачі.
В дробильній камері грубий корм подрібнюється і відсмоктується вентилятором
крізь отвори решета і далі, лопатями вентилятора, подається в
циклон-заспокоювач і в транспортний засіб.
Таблиця 1 - Технічні дані
кормодробарки ФГФ-120МА
|
Найменування
|
Одиниця виміру
|
Значення
|
|
Продуктивність
|
т/год.
|
0,8-2,5
|
|
Кількість електродвигунів
|
шт.
|
3
|
|
Встановлена потужність
|
кВт
|
51,5
|
|
Довжина різки по масі 0 - 25 мм 25-75 мм Понад
75 мм
|
%
|
88,56 11,09 0,35
|
|
Висота завантаження(максимальна)
|
мм.
|
5200
|
|
Габарити: довжина ширина висота
|
мм
|
4630 1435 1480
|
|
Маса
|
кг
|
1830
|
|
Кількість обслуговуючого персоналу (при
механічному завантаженні)
|
чол.
|
2
|
2 Визначення потужності і вибір типу
електродвигуна
Двигун обираємо трифазний з
короткозамкненим ротором на напругу 380В, і частоту струму 50 Гц. Призначений
для тривалого режиму роботи.
.1 Потужність двигуна знаходимо за
формулою:

(1)
кВт
де,
-
коефіцієнт, який враховує втрати холостого ходу (1,5…1,2);
А- енергія, яка затрачується
на подрібнення 1т продукції за годину,
кВт *год/т (для грубих кормів
А= 1,7…8);
Q - продуктивність
машини,
т/год
- ККД передачі
За розрахованою потужністю
обираю двигун АИР180М4.
Ммакс/Мн=2,7; Мпуск/Мн=1,7.
.2 Перевіряємо електродвигун
на пускову здатність
Визначаємо номінальну кутову
швидкість електродвигуна, рад/с:
, (2)
рад/с
Визначаємо номінальний момент
електродвигуна, Нм:
(3)
Нм
Визначаємо момент опору при пуску
електродвигуна, Нм
(4)
Нм
Визначаємо номінальний
пусковий момент за формулою:
, (5)
Нм
де,
- кратність
номінального моменту електродвигуна;
- коефіцієнт зниження напруги мережі
під час пуску двигуна, виражена у відносних одиницях;
Кз - коефіцієнт запасу.
194,8>136,3
Н*м
Умова Мн>Мн(пуск)
виконується. Отже, запуск двигуна в навантаженому стані можливий.
Для відсмоктуючого вентилятора
обираю двигун АИР160М6.
Рн = 15кВт; n=970
хв-1; Ін=30,1 А; ККД= 88 %; cosᵠ=0,85;
Кі= 6,5; Ммін/Мн=1,6.
Для стрічкового транспортера обираю
двигун АИР132М8.
Рн = 5,5кВт; n=710
хв-1; Ін=13,6 А; ККД= 83 %; cosᵠ=0,74;
Кі= 6,0; Ммін/Мн=1,4; Ммакс/Мн=2,2; Мпуск/Мн=1,8.
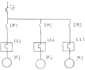
3 Розробка схем підключення
пристрою. Вибір апаратури керування і захисту
.1 Відобразимо однолінійну схему
силової частини:
де QF
- автоматичний вимикач; KM1,
KM2, KM3
- магнітні пускачі; KK1,KK2,
KK3 - теплові реле;
М1, М2, М3 - електродвигуни.
Рисунок 2 - Однолінійна схема
під’єднання електродвигунів до мережі
.2 Вибір автоматичного вимикача QF
Автоматичний вимикач, необхідний для
захисту електродвигунів, вибираємо так, щоб його виконання за родом струму,
кількістю полюсів, видом розчіплювачів, захищеністю від впливу навколишнього
середовища та іншими даними відповідало вимогам двигунів і умовам їх
експлуатації.
Повинні виконуватися такі умови:
Uн.
≥ Uмер.,
(6)
де Uмер.
- номінальна напруга електромережі;
Uн.
≥ 380 В
Іа.ном. ≥ ∑Ідв.ном , (7)
де Іа.ном. - номінальний струм
головного кола вимикача;
∑Ідв.ном - сума номінальних
струмів двигунів, яка дорівнює:
∑Ідв.ном=
Ін.дв.1+Ін.дв.2+Ін.дв.3 (8)
∑Ідв.ном =
30,1+56,8+13,6=100,5 А
Ін.т.р. = Ін.е.р. ≥ ∑Ідв.ном.
(9)
де Ін.т.р та . Ін.е.р. - номінальний
струм теплового і електромагнітного розчіплювачів;
Ін.т.р. = Ін.е.р. ≥ 100,5 А
Виконуючи дані вимоги, вибираємо
автоматичний вимикач типу
ВА51-33-34 із [Л-2, с.124]. Іа.ном.
= 160А, Ін.т.р = Ін.е.р. = 125 А.
Перевірка автоматичного вимикача на
можливість регулювання теплового розчіплювача:
m =
, (10)
m
- що в
межах норми
(m = 0,8 … 1)
Щоб забезпечити надійний
захист двигуна від струмів коротких замикань і не допустити вимикання його під
час пуску, треба виконати перевірку на не спрацювання, виходячи з умов:
= 380 В; 2.
= 160А; 3.
Інтр = 125 А.
Іспр.кат > Іспр.роз , (11)
Іспр.кат = 10 ∙ Інтр (12)
Іспр.кат = 10 ∙ 125 = 1250 А
Іспр.роз = Кзап∙Кру[∑Ідв.ном
+ Ідв.ном.нб(Крп∙Кі.нб - 1)] , (13)
де ∑Ідв.ном - сума номінальних
струмів одночасно працюючих електродвигунів;
Ідв.ном.нб і Кі.нб - номінальний
струм, А і кратність пускового струму двигуна, тякий має найбільший пусковий
струм. [Л-1, с.29].
Іспр.роз = 1,1∙1,25[13,6+ 30,1
+ 56,8(1,2∙1,7 - 1)]= 649,6 А
> 649,6 А
Умова виконується, отже
вибраний
автоматичний
вимикач не спрацює помилково при запуску двигуна М2.
.3 Вибір електромагнітних пускачів
КМ1, КМ2, КМ3
Електромагнітний пускач вибирають за
умовами:
.Uн
≥ Uм;
Uмер=380В
. Іном ≥ Іном.дв;
.Ін > Іп.дв /6 (14)
де
- пусковий
струм двигуна
, (15)
=13,6 ∙ 6 = 81,6
Іп.дв /6= 81,6/6=13,6 А
Умовам вибору пускача КМ1
відповідає пускач ПМЛ-210104.
Uном=380
В; Іном = 25 А; Uкот=220 В.
А >
13,6 А
Умови виконуються, отже
пускач підходить.
Аналогічно обираємо пускачі
КМ2 і КМ3.
Умовам вибору КМ2 відповідає
пускач ПМЛ-510004.
Uном=380
В; Іном = 80 А; Uкот=220 В.
380=380В; 2. 80 >
56,8 А;
80>
397,6/6; 80>66,3 А
Умовам вибору КМ3 відповідає пускач
ПМЛ-310004
Uном=380
В; Іном = 40 А; Uкот=220
В.
.380=380В; 2. 40 >
30,1 А;
> 195,7/6; 40>32,6
А.
.4 Вибираємо
електротеплові реле КК1,КК2, КК3.
Вибираємо за умовами:
.Uн
≥ Uм
.Іном.р. ≥ Ін.дв
.Ін.т.е ≥ Ін.дв
Для магнітного пускача, що захищає
двигун М1 обираємо із [Л-2, с.141] реле типу РТЛ-2055O4,
номінальний струм Ін = 80А, Uн=660В,
межі регулювання 30… 41 А.
Для магнітного пускача, що захищає
двигун М2 обираємо із [Л-2, с.141] реле типу РТЛ-2061O4,
номінальний струм Ін = 80А, Uн=660В,
межі регулювання 54… 66 А.
Для магнітного пускача, що захищає
двигун М3 із [Л-2, с.141] обираємо реле типу РТЛ-1021O4,
номінальний струм Ін = 25 А, Uн=660В,
межі регулювання 13… 19 А.
4 Вибір проводів і кабелів силової
проводки
Вид електропроводки, марку та спосіб
прокладання проводу або кабелю вибирають залежно від призначення, цінності та
архітектурних особливостей будівлі, умов навколишнього середовища,
характеристики та режиму роботи електроприймачів, вимог техніки безпеки та
протипожежних правил тощо.
З урахуванням навколишнього
середовища, матеріалів будівлі обираємо кабель АВРГ з прокладанням в стальних
трубах.
Вибір площі поперечного перерізу
здійснюємо за умовами:
.За тривалодопустимим струмовим
навантаженням по нагріву:
Ідоп ≥ Імак.р,
де Ідоп - тривало допустимий струм
для конкретного поперечного перерізу;
Імак.р - максимальний робочий струм.
.На відповідність перерізу апарату
захисту за умовою:
Ідоп ≥ Кз Із
де Кз - кратність допустимого
тривалого струму провідника по відношенню до номінального струму або струму
спрацювання захисного апарату. (Для автоматичних вимикачів з тепловим
розчіплювачем приймаємо Кз=1);
Із - сила номінального струму або
струму спрацювання захисного апарату. (Для автоматичних вимикачів з тепловим
розчіплювачем Із=Інтр=125 А.).
Кз Із= 1∙125=125 А
Виходячи з двох умов, обираємо
трижильний кабель АВРГ площею поперечного перерізу S=70
мм2, силою струму Ідоп= 140 А.
А ≥ 125А.
Обидві умови виконуються.
5 Вибір схеми керування
електроприводом кормодробарки, опис роботи схеми
Схема працює наступним чином:
Електродвигуни до мережі підключаються автоматичним вимикачем QF,
який захищає силове коло від струмів короткого замкнення. Після вмикання
автоматичного вимикача QF
від фази С струм тече через запобіжник FU,
який захищає електричне коло керування від струмів короткого замкнення, струм
протікає по замкненому контакту SB(загальний
стоп всіх трьох двигунів), спрацьовує сигнальна лампа HL,
що сигналізує про подання напруги. При натисканні кнопки SB2,
живлення отримує котушка КМ1 і замикає головні контакти, струм тече через
теплове реле КК1, яке захищає електродвигун М1 від теплових перевантажень.
Після того, як силові контакти КМ1 замкнені, можемо запустити двигун М2,
натиснувши кнопку SB5,
замкнувши контакти КМ2 і подавши напругу на котушку КМ2, далі струм протікає
через теплове реле КК2, яке, в свою чергу, захищає двигун М2 від теплових
перевантажень. Після того, як замкнулись контакти КМ2, можемо запустити двигун
М3 кнопкою SB7,
замикаються контакти котушки КМ3, вона отримує живлення, далі струм протікає
через теплове реле КК3, що захищає електродвигун М3 від теплових перевантажень.
Перед запуском трьох двигунів оператор має подати звуковий сигнал гудком НА,
натиснувши кнопку SB3.
Відключаємо обладнання послідовно
кнопками SB6(
стоп М3), SB4(стоп
М2), SB1(стоп
М1) і SB(
загальний стоп).
6 Розрахунок та вибір елементів
схеми керування, складання переліку елементів
.1 Обираємо апаратуру в колі
керування
Обираємо QF
-
типу: ВА51-33-34.
У випадку аварійної ситуації
електродвигун
машини може бути зупинений натисканням кнопки керування «Стоп» SB.
Обираю кнопкові пости із [Л-2,
с. 112]
по номінальній напрузі, номінальному струмі, кількості штовхачів, ступеню
захисту і способу установки.
Виходячи з цих умов обираю кнопкові
пости для SB
і SB3 типу
ПКЕ112-1У3(Uн=500В,
Ін=6А);
кнопкові пости для SB1,
SB2; SB4,
SB5; SB6,
SB7 обираю типу
ПКЕ112-2У3
(Uн=500В,
Ін=6А);
Для захисту апаратури керування від
струмів КЗ по номінальній напрузі, номінальному струмі, ступеню захисту і
способу установки із [Л-2, с. 131] вибираємо запобіжник FU - типу ПРС - 6, Ін.=
6 А, Іп.вст. = 2 А.
Вибираємо сигнальну лампу із [Л-7,
с. 21]:
HL
- сигнальна лампа типу 8LP2TILM3,
зелений індикатор, Uн=230
В.
Вибираємо звуковий сигнал НА із [Л-8]
типу ЗВП24 .
Таблиця 2- Перелік елементів
|
Позначення
|
Найменування, тип
|
Кількість
|
Примітка
|
|
QF
|
ВА51-33-34
|
1
|
Іа.ном. = 160А, Ін.т.р = Ін.е.р. = 125 А
|
|
SB1, SB2 SB4,
SB5 SB6,
SB7
|
ПКЕ112-2У3
|
3
|
Uн=500В,
Ін=6А
|
|
SB,
SB3
|
ПКЕ112-1У3
|
2
|
Uн=500В,
Ін=6А
|
|
FU
|
ПРС - 6
|
Ін.= 6 А, Іп.вст. = 2 А
|
|
HL
|
8LP2TILM3
|
1
|
зелений індикатор, Uн=230
В
|
|
НА
|
ЗВП24
|
1
|
|
7 Визначення повної, активної і
реактивної потужності, споживаної електродвигуном
з
електричної мережі
.1 Активна потужність споживача із
мережі, кВт:
, (16)
де, ∑Рн - сума
номінальних потужностей електродвигунів, кВт;
- коефіцієнт завантаження
(1,1…1,25);
- середнє значення ККД трьох
двигунів, %
Ƞд.н.сер=(ƞд.н.1+ƞдн2+ƞд.н.3)/3;
(17)
Ƞд.н.сер=(0,88 +0,85
+0,92)/3=0,88 %
.2 Реактивна потужність, кВАР
:
, (18)
де,
- тангенс
кута при номінальному значенні cosᵠ.
Оскільки маємо
знайдемо ᵠ:
ᵠ=arccos0,82=35о;
tgᵠ=tg35о=0,7
7.3 Повна потужність, кВА:
, (19)
= 87,5 кВА.
8 Розробка конструкції шафи
керування і схеми з’єднань шафи керування
Позначаємо ділянки кола
розділені контактами апаратів, обмотками реле, приладів установки, резисторами
та іншими елементами відповідними літерами та цифрами.
Ділянки кола, які проходять
через роз’ємні, розбірні та нерозбірні контактні з’єднання повинні мати
однакові позначки. Послідовність позначень повинна бути від джерела живлення до
споживача, а відгалужені ділянки кола позначають з верху вниз в напрямку зліва
на право на схемі позначення біля кінцівок чи в середині ділянки кола:
- при
вертикальному розміщенні елементів схеми - зліва на право від зображення
елемента;
- при
горизонтальному розміщенні елементів схеми - над зображенням елемента.
Силові кола змінного струму
позначаємо буквами та послідовними великимичислами, наприклад: А,В,С,N…, та
числами 1,2,3… відповідно зверху вниз.
Виконуємо розміщення апаратури
керування та захисту на задній панелі і передній панелі шафи керування.
План розміщення апаратури керування
та захисту розміщено на задній і передній панелі шафи керування, і приведено на
рисунку 3 пояснювальної записки.
Рисунок 3 - Ескіз передньої і внутрішньої
панелей шафи керування
QF
- автоматичний вимикач; FU
- запобіжник; KM1,
КМ2, КМ3 - електромагнітні пускачі; HL
- сигнальна лампа; КК1, КК2, КК3 - теплові реле; XT1, XT2
- клемні колодки; SB
- кнопка «Загальний стоп»: SB3
- кнопка ввімкнення звукового сигналу; SB1
кнопка «Стоп» двигуна М1; SB2
- кнопка «Пуск» двигуна М1; SB4
- кнопка «Стоп двигуна М2; SB5
- кнопка «Пуск» двигуна М2; SB6
- кнопка «Стоп двигуна М3; SB7
- кнопка «Пуск» двигуна М3.
9 Заходи з охорони праці і ТБ при
експлуатації електроустановки
До роботи з машинами і механізмами допускають
лише осіб, що пройшли спеціальну підготовку і одержали посвідчення на право
керування (або обслуговування) даною машиною. Працюючи біля машини чи
механізму, слід суворо додержуватись правил, техніки безпеки, а також знати і
виконувати вимоги інструкції з експлуатації машини, яка обов'язково має бути на
робочому місці. Працювати на стаціонарних машинах можна лише після міцного
закріплення їх на фундаментах. Пересувні машини (розчинонасоси, компресори,
розчинозмішувачі тощо) варто встановлювати на рівних майданчиках, після чого
закріплювати розтяжками або класти під їхні колеса колодки.
Усі рухомі частини машин і механізмів повинні
бути закриті кожухами, а робочий майданчик навколо машини - обгороджений.
Перед пуском машини після монтажу або ремонту
слід уважно оглянути її і перевірити, щоб на ній не залишилось запасних частин
або монтажного інструменту, які під час роботи можуть потрапити в її рухомі
частини і спричинити аварію. Категорично забороняється залишати працюючу машину
без нагляду.
Особливо небезпечна для людини дія
електричного струму, яка може призвести до різних видів травматизму: обпалений
тіла, розриву тканин і пошкодження кісток, захворювань очей, паралічу нервової
системи, розкладання (електролізу) крові тощо. У деяких
випадках дія струму може призвести до смерті потерпілого.
Сила дії електричного струму на організм людини
залежить від напруги: чим більша напруга, тим більша можливість ураження
струмом, оскільки при постійному опорі людського тіла (сила струму
збільшуватиметься. Струм силою 0,1 А вважається смертельним для людини. Слід
враховувати, що більшість електричних машин на будівництві працюють від напруги
220 або 380 В, що дуже небезпечно, а струм напругою 12-36 В вважається більш
безпечним за умови додержання відповідних правил техніки безпеки.
10 Протипожежні заходи
Пожежі в електроустановках, що
знаходяться під напругою, і спалахнувші двигуни внутрішнього згорання треба
гасити вуглекислотним або вуглекислотнобометиловим вогнегасником. Водяні струї
дозволяється застосовувати тільки в відкритих для огляду електроустановках при
напрузі до 10 кВ. При цьому рукав повинен бути заземлений, а пожежник повинен
працювати в діелектричних рукавицях та діелектричних чоботах і стояти на відстані
не менше 3,5 метри, в установках напругою до 1 кВ і 4,5 м при напрузі 6…10 кВ,
якщо діаметр сопла 13мм (при діаметрі 19мм - відповідно 4-8м). Ці відстані
допустимі, якщо прісна вода має ρ ≥
10 Ом * м. Використовувати під напругою пінні вогнегасники забороняється.
Висновок:
В ході виконання курсового проекту я
закріпила та систематизувала знання, набуті під час вивчення загально-технічних
та спеціальних предметів.
Навчилася використовувати теоретичні
знання при розв’язанні конкретних технічних виробничих завдань, пов’язаних з
електрифікацією технологічних процесів у сільському господарстві.
Придбала навики самостійної роботи з
науковою та довідниковою літературою, мережею Інтернет. Оволоділи методикою
дослідження при вирішенні розроблюваних проблем і питань.
Цей курсовий проект дає нам
можливість набути важливих знань, які знадобляться нам в нашій професії.
електродвигун привід кабель потужність
Список використаної літератури:
. Електропривод с.г. машин.
Навчально-методичний посібник, 2010
. Олійник В.С., Довідник
сільського електрика - К.: Урожай, 1989.- 264
с
. Електропривод с.г. машин.
Методичні рекомендації щодо виконання курсової роботи - К.:
Навчально-методичний центр по підготовці молодших спеціалістів, 2010
. Каганов
И.Л. Курсовое и дипломное проектирование.- м.: Агропомиздат,1990
5. Герасимович Л.С., Калинин
Л.А., Корсаков А.В., Сериков В.К. Электрооборудование
и автоматизация сельскохозяйственных агрегатов и установок. - М.: Колос, 1980
6. Електропривод: Ч.І./За ред.
О.С. Марченка. - К.: Урожай,2009
7. Каталог для энерегетиков и
инженеров по автоматизации - «С.В. Альтера», 2008
8. Електронний каталог компанії «СигналПлюс»,
сайт <http://ingserv.ru/>.