Електропостачання підприємства

  • Вид работы:
    Курсовая работа (т)
  • Предмет:
    Физика
  • Язык:
    Украинский
    ,
    Формат файла:
    MS Word
    771,18 Кб
  • Опубликовано:
    2015-05-02
Вы можете узнать стоимость помощи в написании студенческой работы.
Помощь в написании работы, которую точно примут!

Електропостачання підприємства













Курсовий проект

Електропостачання підприємства

Зміст

Вступ

1. Вибір і розрахунок електричних навантажень

. Компенсація реактивної потужності

. Вибір числа і потужності трансформаторів, типу і числа підстанцій і їх місцезнаходження

. Розрахунок і вибір живильних і розподільчих мереж високої напруги

. Розрахунок струмів короткого замикання в мережах до 1000В

6. Вибір електрообладнання і перевірка його на дію струмів короткого замикання

. Розрахунок і вибір релейного захисту

. Розрахунок заземлення

. Охорона праці, безпека життєдіяльності та екологія

Висновки

Література

Вступ

Дочірнє підприємство "Бердянський завод сільгосптехніки" Засновано в 2003р. Відкритим акціонерним товариством "Бердянський" Агротехсервіс ". Основні напрямки діяльності: виробництво сільськогосподарської техніки. Розробка та забезпечення підприємств АПК принципово новими, сучасними машинами для збирання зернових, олійних, кормових та інших культур. ДП "Бердянський завод сільгосптехніки", це підприємство, яке займає вагоме місце у вітчизняному сільгоспмашинобудуванні, послідовно спрямовуючи свої зусилля на забезпечення розвитку виробничих потужностей і науково-технічного потенціалу.  Завод має в своєму розпорядженні виробничою базою з сучасним обладнанням, власним конструкторським бюро, професійним трудовим колективом і достатнім досвідом у сільськогосподарському машинобудуванні. Продукція заводу поставляється споживачам України, експортується в Росію, Казахстан, Молдову, країни Євросоюзу (Болгарії, Литви, Латвії).  ДП "Бердянський завод сільгосптехніки" залучений до участі в Державних програмах підтримки вітчизняного сільгоспвиробника. Підприємство забезпечує вітчизняних сільгоспвиробників збиральною технікою на пільгових умовах через Національну акціонерну компанію "Украгролізинг". Швидке і точне реагування на потреби споживача, високий рівень якості, сучасні інженерно-технічні рішення при проектуванні, дозволили випередити конкурентів і стати постачальником навісного обладнання таким гігантам комбайнобудування як ВАТ "Ростсільмаш" Ростов-на-Дону та інших.

Конструкторським бюро "Бердянський завод сільгосптехніки" проектуються перспективні зразки новітньої кормо та зернозбиральної техніки, в основу яких закладені сучасні європейські та світові тенденції, дослідження наукових галузевих інститутів, побажання споживачів.

% нашої продукції - власні розробки в яких застосовані передові винаходи, такі як подвійне копіювання ґрунту, високо надійні системи без редукторного приводу, збільшення швидкості різання й інше. Продовжуючи наукову тематику слід зазначити, що завод також співпрацює з багатьма науковими закладами, в тому числі: Український науково-дослідний інститут прогнозування та випробування техніки і технологій для сільськогосподарського виробництва імені Леоніда Погорілого;  Державне підприємство "Херсонський науково-виробничий центр стандартизації, метрології та сертифікації". На сьогодні ДП "Бердянський завод сільгосптехніки" знаходиться в числі лідерів України з виробництва техніки сільськогосподарського призначення. Долаючи економічні та політичні негаразди, підприємство, постійно збільшує випуск товарної продукції, темпи зростання якої постійно зростають.

1. Вибір і розрахунок електричних навантажень

Коефіцієнт попиту

  , (1.1)

де  - коефіцієнт максимуму [4,с.87]

 

Розрахункова активна потужність , кВт

 (1.2)

 кВт

 кВт

 кВт

Розрахункова активна потужність освітлення , кВт

 (1.3)

де g - питома освітленість, кВт/

 кВт

Сумарна розрахункова активна потужність , кВт

 (1.4)

 

Реактивна потужність Q, кВАр

 (1.5)

 відповідає

 відповідає

 відповідає

 кВАр

 кВАр

 кВАр

Cума реактивної потужності

 (1.6)

 кВАр

Повна потужність цеху

 (1.7)

 кВА

Розрахунки для інших цехів проводяться аналогічно і результати зносяться в таблицю 1.1

Таблиця 1.1- Розподіл навантаження по цехам

Назва цеху

РрІ, кВт

РрІІ, кВт

РрІІІ, кВт

Рросв, кВт

∑Рр, кВт

, кВАр

, кВАр

, кВАр

∑Q, кВАр

Sп, кВ∙А

Механічний цех №1

352

418

176

81

1027

359,04

313,5

132

804,54

1304,85

Ливарний цех

630

252

168

81

1131

302,4

189

126

617,4

1288,54

Ковальський цех

546

168

294

81

1089

409,5

126

220,5

756

1325,69

Складальний цех

504

168

336

81

1089

378

126

252

756

1325,69

Насосна станція

324

405

486

81

1296

243

303,75

364,5

911,25

1584,29

Разом

2356

1411

1460

405

5605

1691,94

1558,2

1077

3845,1

6829,06


2. Компенсація реактивної потужності

Коефіцієнт потужності цеху

 (1.8)

 

 відповідає

 відповідає

Потужність компенсуючого пристрою , кВАр

 (1.9)

 кВАр

Вибираються дві конденсаторні батареї типу УКН-0,38-200 УЗ потужністю по 200 кВАр кожна  кВАр

Сумарна потужність конденсаторних батарей , кВАр

  (1.10)

кВАр

Реактивна потужність яка передається через трансформатор , кВАр

 (1.11)

 кВАр

Розрахунки для інших цехів проводяться аналогічно і результати зносяться в таблицю 1.2

Таблиця 1.2- Розподіл реактивної потужності по цехам

Назва цеху

, кВАр

, кВАр

Механічний цех

421,07

400

404,54

Ливарний цех

305,37

300

317,4

Ковальський цех

435,6

400

356

Складальний цех

435,6

400

356

Насосна станція

557,28

500

411,25


Вибір числа і потужності трансформаторів, типу і числа підстанцій і їх місцезнаходження.

 

Таблиця 1.3 - Залежність коефіцієнта завантаження Kз.н від категорії надійності електропостачання

Категорія

Kз.н

І

0,6-0,65

ІІ

0,7-0,75

ІІІ

0,8-0,95


Коефіцієнт завантаження розрахунковий Kз.р

 (1.12)

 

Повна потужність цеху з урахуванням реактивної потужності , кВА

 (1.13)

 

Розрахункова потужність трансформатора Sт, кВА

 (1.14)

де - n - кількість трансформаторів, шт.

 

Вибирають два трансформатори потужністю по 1000 кВА типу ТМ 1000/10 кожний,  кВА

Коефіцієнт завантаження дійсний Kз.д

 (1.15)

 

Перевірка роботи вибраного трансформатора в аварійному режимі Sав, кВА

 (1.16)

 

Повинна виконуватись умова

Sав1,4

,8кВА˂1044,1кВА

Умова роботи трансформатора в аварійному режимі виконується, тобто трансформатор вибраний вірно

Розрахунки для інших цехів проводяться аналогічно і зносяться в таблицю1.4

Таблиця 1.4 - Потужності трансформаторів і коефіцієнт завантаження

Цех

kзр

Sт, кВА

kзд

Sав, кВА

Механічний цех

0,74

745,8

0,55

758,8

Ливарний цех

0,71

827,18

0,58

895,16

Ковальський цех

0,74

774,12

0,57

794,14

Складальний цех

0,75

763,8

0,57

757,82

Насосна станція

0,79

860,66

0,67

733,6


Вибір трансформатора для ГЗП

Розрахунковий коефіцієнт завантаження ГЗП Кз.р ГЗП

 (1.17)

 

Потужність трансформатора ГЗП Sт ГЗП ,кВА

 (1.18)

кВа

Вибирається два трансформатора потужністю 6300 кВА кожний , марки ТМН 6300 /110

Таблиця 1.5 - Технічні дані вибраних трансформаторів

 Цех

Тип трансформатора

S, кВ∙А

U1,кВ ВН

U2,кВ НН

Втрати

Uкз, %

Іхх, %

Кіль-кість






∆Рхх , кВт

∆Ркз , кВт




Механічний цех

ТМ-1000/10

1000

10

0,4

3,8

12,7

5,5

2

2

Ливарний цех

ТМ-1000/10

1000

10

0,4

3,8

12,7

5,5

2

2

Ковальський цех

ТМ-1000/10

1000

10

0,4

3,8

12,7

5,5

2

2

Складальний цех

ТМ-1000/10

1000

10

0,4

3,8

12,7

5,5

2

2

Насосна станція

ТМ-1000/10

1000

10

0,4

3,8

12,7

5,5

2

2

ГЗП

ТМН-6300/110

6300

110

10

9,4

46,5

7,5

0,9

2


Картограма навантажень

Приймається, що центр електричних навантажень співпадає з геометричним центром будівлі цеху. Для побудови картограми навантажень вибирається масштаб: 1см : 20м.

Відповідно рисунку 1.1 координати розташування цехів зносяться в таблицю 1.6

Таблиця 1.6 - Координати розташування цехових підстанцій

Назва цеху

Координати


Х,м

У,м

Механічний цех

120

70

Ливарний цех

200

70

Ковальський цех

200

220

Складальний цех

200

370

Насосна станція

120

370

ГЗП

160

220


Координати ГЗП Х0, У0, м

 (1.19)

 

 (1.20)

 

З конструктивних міркувань координати ГЗП переносяться в точку

х0 =160 м, у0=220 м

Таблиця 1.7 - Довжини кабелів напругою 10кВ від ГЗП до цехових трансформаторних підстанцій

Цех

Шліфувальний цех

Ковальський цех

Ремонтно-механічний цех

Насосна станція

Відстань від ГЗП до ТП, м

180

180

30

180

180


4. Розрахунок і вибір живильних і розподільчих мереж високої напруги

Повітряна лінія напругою 110кВ

Розрахунковий струм повітряної лінії напругою 110кВ Ір, А

 (1.21)

 

Економічний перетин повітряної лінії ,

 , (1.22)

Де - економічна щільність струму, А

 

З умов механічної міцності вибирається сталеалюмінієвий провід перерізом 120мм2 марки АС-120, Ід=380А.Розрахунковий струм кабельної лінії напругою 10кВ, який споживається механічним цехом

  (1.23)

 

Економічний перетин кабелю , проводимо за формулою (1.22)

 

З умов механічної міцності вибирається кабель перерізом q = 50 , марки ААШв-10 350, Ід=140 А

Перевірка вибраного кабелю на втрату напруги , В

 

  , (1.24)

де - питомий опір алюмінію , Ом   , L - відстань від ГЗП до ТП , км

 

 (1.25)

 

Допустима втрата напруги

 

% 0,06%

Умова по втраті напруги виконується

Перевірка роботи кабелю в аварійному режимі

 

 

 

 

 

Умова роботи кабелю в аварійному режимі виконується

Розрахунки кабелів для інших цехів проводяться аналогічно і розрахунки зносяться до таблиці 1.8

Таблиця 1.8 - Параметри вибраних кабелів

Цех

 Ір, А

 ,

Марка кабелю

Кількість жил, шт

  

Кількість кабелів,шт

Механічний цех

31,86

50

ААШв

10

3

140

0,06

2

Ливарний цех


50

ААШв

10

3

140



Ковальський цех


50

ААШв

10

3

140



Складальний цех


50

ААШв

10

3

140



Насосна станція


50

ААШв

10

3

140




Розрахунок і вибір живильних і розподільчих мереж напругою

,4 кВ (рис.1).

Таблиця 1.9 - Паспортні дані двигунів

Тип двигуна

Рн,кВт

Ін, А

η, %

cos φ

Іпн

nн,об/хв

4А 250S2

75

141

91

0,89

7,5

1,2

2,6

2960

4А 200М6

22

41,4

90

0,9

6,5

1,3

2,4

975

4А 160M4

18,5

35,8

89,5

0,88

7

1,4

2,3

1465

4А 280M8У3

75

145

92,5

0,85

5

1,2

2

735

4А 132М6

7,5

16,5

85,5

0,81

7

2

2,5

970


Вибір запобіжників для двигунів

Плавка в ставка не повинна відключити двигун при тривалому струмі навантаження .

Плавка вставка не повинна перегорати при короткочасних пікових навантаженнях, пов’язаних з пусковими струмами електродвигунів  , де - коефіцієнт, - пусковий струм, А

Для двигуна 4А 250S2

 запобіжника

= 423 (1.27)

Вибирається запобіжник ПР-2 ,

Запобіжники для інших двигунів вибираються аналогічно і результати заносяться до таблиці 1.10.

Таблиця 1.10 - Параметри вибраних запобіжників

Двигун

Тип запобіжника

Іпл.в, А

Ін.патр.

Ін.п.в., А

Марка і переріз кабеля

4А 250S2

ПР-2

453

600

430

141


4А 200М6

ПР-2

107,64

200

125

41,4


4А 160M4

ПР-2

100,24

200

125

35,8


4А 280M8У3

ПР-2

290

350

300

145


4А 132М6

ПР-2

46,2

100

60

16,5


Ввід

ВА51-39


600

350




Кабель для живлення кожного двигуна вибирається по нагріву або по тривало допустимому струму.

В проекті кабель вибирається по номінальному струму кожного двигуна марка і переріз зносяться до таблиці 1.10.

Розрахунковий струм від розподільчого щита до силового пункту Ір, А

 (1.28)

 

АЗ140

Вибирається магістральний кабель для прокладки скобами по стіні перерізом кабеля перерізом 185 мм2

2АВВГ-0,38 4ˣ185

 

Вибраний кабель перевіряється на втрату напруги не більше 5% ∆U,В

(1.29)

 

Втрата напруги у відсотках

 (1.30)

 

Вибраний кабель проходить по втрати напруги 2,74% ˂ 5%

Розділ 1.7 розрахунок струмів короткого замикання в мережах понад 1000В.

Електроустаткування яке встановлюється в системах електропостачання повинно бути стійким до струмів короткого замикання і вибиратися з урахування цих струмів. В проекті струми короткого замикання розраховуються у відносних базисних одиницях. При цьому методі всі розрахункові дані приводяться до базисної напруги і базисної потужності.

Задаються базисні величини.

 

 

 

 

Базисні струми

 (1.31)

 

 

 

Складається розрахункова і замісна схема системи електропостачання


Для спрощення записів в позначеннях відносних опорів опускається знак *

Живлення електроприймачів заводу сільгосптехніки здійснюється по двом окремим лініям.

Розрахунок параметрів короткого замикання проводиться для однієї незалежної лінії

Індуктивний опір повітряної лінії напругою 110кВ ,

 (1.32)

де  - індуктивний опір ПЛ-10кВ, Ом/км

 Ом/км

Струм короткого замикання в точці

 (1.33)

 

Ударний струм короткого замикання в точці ,

 (1.34)

 

Потужність короткого замикання в точці

 (1.35)

 

Результуючий опір в точці К2

 

 (1.36)

 

Струм короткого замикання в точці К2 Ік2, кА

 (1.37)

 

Ударний струм в точці К2 іу2,кА

 (1.38)

 

Потужність короткого замикання в точці К2 Sк2 МВА

 (1.39)

 

Відносний індуктивний опір кабельної лінії КЛ-10 кВ ,

Індуктивний опір х5, х6

 (1.40)

 

Результуючий відносний опір в точці К3

Активний опір кабельної лінії 10 кВ R, Ом

 (1.41)

 

Відносний активний опір кабеля rк

 (1.42)

 

Результуючий відносній опір в точці К3,

 (1.43)

 

Відношення  тому активний опір не враховується

Струм короткого замикання в точці К3 Ік3,кА

 (1.44)

 

Ударний струм короткого замикання в точці К3 іу3,кА

 (1.45)

 

Потужність короткого замикання в точці К3 Sк3 МВА

 (1.46)

 

. Розрахунок струмів короткого замикання в мережах до 1000В

Розрахунок проводиться для Механічного цеху

Трансформатор цехової підстанції потужністю 1000кВА напругою 10/0,4кВ зв’язаний з РП-0,4кВ алюмінієвими шинами довжиною 20м. В електричному колі встановлено трансформатор струму 600/5 і автомат ВА 51-39

Складається розрахункова і замісна схема.


Опори розрахункової схеми низької напруги обчислюються в іменованих одиницях мОм

Активний опір трансформатора rm, мОм

 (1.47)

 

Повний опір трансформатора Zm ,мОм

 (1.48)

 

Індуктивний опір трансформатора Хm, мОм

 (1.49)

 

Опори трансформатора струму [7,с.104]

rmc=0,05мОм

хmс=0,07мОм

Опори автоматичного вимикання А3140

ra=0,12мОм

ха=0,084мОм

Сумарний опір контактів складає  

Алюмінієві плоскі шини перерізом 50ˣ5мм² мають опори´ш=0,049мОм/м

х´ш=0,157мОм/м

Опори шини rм, хм, мОм

 (1.50)

 

 (1.51)

 

Сумарний активний опір кола ∑r, мОм

 (1.52)

 

Сумарний індуктивний опір кола короткого замикання ∑х, мОм

 (1.53)

 

Повний опір кола Z, мОм

 (1.54)

 

Струм трифазного короткого замикання в точці К4

 

 (1.55)

 

Комутаційна здатність автоматичного вимикача складає 15 кА. Автоматичний вимикач стійкий до струмів короткого замикання.

Результати розрахунків струмів короткого замикання зносяться до таблиці 1.11

Таблиця 1.11 - Параметри струмів короткого замикання

Точка короткого замикання

Ір

Ік,кА

іу,кА

S,МВА

К1

17,92

50

127,5

10000

К2

31,86

4,58

11,67

83,33

К3

31,86

4,54

11,57

82,64

К4

-

10,64

-

-


6. Вибір електрообладнання і перевірка його на дію струмів короткого замикання

Високовольтне електроустаткування вибирається по розрахункових максимальним значеннях струмів, напруг, потужності, для нормального режиму роботи і режиму короткого замикання. Для цього порівнюються розрахункові дані і допустимі значення для всього устаткування.

Для забезпечення надійної безаварійної роботи устаткування, розрахункові дані повинні бути нижче допустимих.

Умови вибору і перевірки

Розрахункові дані

Довідкові дані МКП-110М-1000-20

Розрахункові дані

Довідкові дані ВВТЕ-10-630

Uу ≤ Uн

Uу= 110 кВ

=110 кВ

Uу= 10 кВ

=10 кВ

Ір ≤ Ін

=17,92 А

=1000 А

= 31,86 А

= 630 А

іу ≤ Ідин

іу1=127,5 кА

Ідин=52

іу3=11,57 кА

Ідин=52

Ік.з ≤ Івідпс.

Ік1=50 кА

Івідпс=50 кА

Ік3=4,54 кА

Івідпс=10 кА

,  

10000 кА2с

10000 кА2с

82,44 кА2с

400 кА2с

Вид установки

Зовнішній

Зовнішній

Внутрішній

Внутрішній


Таблиця 1.13 Роз’єднувачі

Умови вибору і перевірка

Розрахункові дані

Довідкові дані РНД(3) - 110кВ

Uу ≤ Uн

Uу=110 кВ

Uн=110 кВ

Ір ≤ Ін

Ім=17,92 А

Ін=1000А

іу ≤ Ідин

іу1=127,5 А

Ідин=63 кА

Вид установки

Зовнішня

Внутрішня



Таблиця 1.14 Відокремлювачі

Умови вибору і перевірки

Розрахункові данні

Довідникові данні

Uу ≤ Uн

Uу=110 кВ

Uн=110 кВ

Ір ≤ Ін

Ім=17,92 А

Ін=1000 А

іу ≤ Іампл

іу1=127,5 А

Іампл=80 кА

Вид устаткування

Зовнішня

Зовнішня


Таблиця 1.15 Короткозамикачі

Умови вибору і перевірки

Розрахункові дані

Довідникові данні

Uу ≤ Uн

Uу=110 кВ

Uн=110кВ

іу ≤ Іампл

іу1=127,5А

Іампл=42 кА

Вид устаткування

Зовнішня

Зовнішня


Таблиця 1.16 Розрядники

Умови вибору і перевірки

Розрахункові дані

Довідникові дані МКП-35Б

Розрахункові дані

Довідникові дані ВВТЭ 10-630У3

Uу ≤ Uн

Uу=110 кВ

Uн=110кВ

Uу=10 кВ

Uн=10кВ

Uд ≤ 0,8  Uн

Uд =88 кВ

Uн =110 кВ

Uд =8 кВ

Uн =10 кВ

Вид установки

Зовнішня

Зовнішня

Внутрішня

Внутрішня


Таблиця 1.16 - Трансформатори струму

Умови вибору і перевірки

Розрахункові дані

Довідникові дані ТФНД-35

Розрахункові дані

Довідникові дані ТРОЛ-10

Uу ≤ Uн

Uу=110 кВ

Uн=110 кВ

Uу=10 кВ

Uн=10 кВ

Ір ≤ Ін

Ір=17,92 кА

Ін=600 А

Ір=31,86 А

Ін=600 А

По конструкції і класифікації


0,5/10Р/10Р


10Р/10Р

іу ≤ кт··Ін

іу1=127,5 кА

кд··Ін=30кА

іу3=11,57кА

кд··Ін=100кА

Iк2·t

Iк=50 кА

10000 кА2·с

Iк=4,54 кА

1322,04 кА2·с

Вид установки

Зовнішня

Зовнішня

Внутрішня

Внутрішня


Таблиця 1.17 - Трансформатори напруги

Умови вибору і перевірки

Розрахункові дані

Довідникові дані

Uу ≤ Uн

Uу=110кВ

Uн=110кВ

Клас точності

0,5

3

Вид установки

Зовнішня

Внутрішня

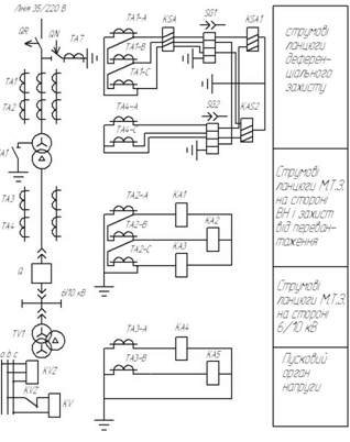
7. Розрахунок і вибір релейного захисту

електричний навантаження трансформатор підстанція

В проекті вибирається і розраховується релейний захист силового трансформатора цехової підстанції ТМ 1000/10 потужністю 1000 кВА,напругою 10/0,4 кВ

Приймається для захисту трансформатора максимальний струмовий захист на стороні низької напруги, струмову відсічку на стороні високої напруги трансформатора, а також газовий захист від внутрішніх пошкоджень, реле ПГ-22

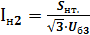
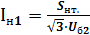
Номінальна сила струму на стороні низької і високої напруги трансформатора Ін1, Ін2, А

 (1.56)

 

 (1.57)

 

Приймаємо до установку на стороні низької напруги двох трансформаторів струму з’єднанням їх в неповну зірку (Ксх.=1), а на стороні високої напруги три трансформатори струму з’єднанням їх в трикутник (Ксх.=)

Для максимально струмового захисту приймається реле РТ40/20 і реле часу ЕВ-122 з установками 0,2-3,5/с.

Струм спрацювання максимального струмового захисту Іспр.з, А

 (1.58)

де Кн - коефіцієнт надійності

Кв - коефіцієнт повернення

 

Коефіцієнт чутливості захисту при двофазному короткому замиканні на стороні низької напруги трансформатора

 (1.59)

 

Допустимий коефіцієнт чутливості схеми релейного захисту Кч.доп=1,5 повина виконувать умова Кч ˃ Кч.доп 5,0,1 ˃ 1,5 захист на стороні низької напруги чутливий.

Струм спрацювання відсічки яка встановлюється з сторони живлення трансформатора Іспр.р, А

 (1.60)

 

Коефіцієнт чутливості відсічки при двохфазному короткому замиканні

 (1.61)

 

Кч2 ˂ 1,50,79˂1,5

Максимальний струмовий захист на стороні з напругою 0,4 кВ трансформатора не чутливий до струмів короткого замикання, тому додаткового встановлюється спеціальний захист нульової послідовності на стороні 0,4кВ, який діє на відключення автомата вводу низької напруги.

Струм спрацювання реле вибирається по умові відстрочки від найбільшого додаткового струму в нейтралі силового трансформатора Іспр.р, А

 (1.62)

де Км - коефіцієнт максимуму, Кост - коефіцієнт відстрочки

 

Приймається струм спрацювання реле

Струм однофазного короткого замикання

 (1.63)

 

Струм спрацювання реле по розрахункових даних Ір, А

 (1.64)

 

Коефіцієнт чутливості захисту Кч

 (1.65)

Захист чутливий 4,48 ˃ 1,5


. Розрахунок заземлення

При розрахунку заземлюючого пристрою визначається: тип заземлювачів їх кількість і місце розташування. Розрахунок проводиться відповідно з існуючими вимогами правилами будови електроустановок

В курсовому проекті розраховуються заземлюючий пристрій цехової підстанції напругою 10/0,4кВ. На стороні з напругою 10кВ нейтраль ізольована, а на стороні з напругою 0,4кВ наглухо заземлена.

Загальна протяжність кабельної лінії напругою 10кВ КЛ lкаб=4км, ПЛ lпл=25

Струм однофазного замикання на землю Із, А

 (1.66)

 

Опір заземлюючого пристрою Rз, Ом

 (1.67)

де U - напруга заземлюючого контуру = 125 В

 

Опір заземлювального пристрою для мережі 0,4кВ з глухо заземленою нейтралю не більше 4Ом. Приймається найменший опір заземлюючого пристрою Rн=4Ом

Розрахунковий питомий опір грунта , Ом∙см

 (1.68)

де - питомий опір суглинку 1104 Омсм

 

Вибирається в якості заземлювачів пруткові електроди довжиною l=5м

Опір одиночного пруткового електрода Rо.пр, Ом

 (1.69)

 

Приймається розміщення заземлювачів вряд з відстанню між ними а=6 м

Число заземлювачів n штук

 (1.70)

де 𝜂 - коефіцієнт екранування при  ˃ 1 𝜂=0,8

 

Приймається до установки 10 електродів

Периметр заземлюючого контуру складе Р=106=60 метрів

. Охорона праці, безпека життєдіяльності та екологія

Для забезпечення виконання заходів з охорони праці на підприємстві існують певні вимоги до персоналу. Існує 5 груп з електробезпеки. Проводиться періодична перевірка знань персоналу, оформляється за встановленими нормами допуск до роботи, тобто виписують наряди. Періодично перевіряють виконання правил з техніки безпеки.

При вимиканні напруги 10кВ та 1кВ для проведення ремонтних робіт приймаються міри для виключення помилкового вмикання комутаційної апаратури. В електроустаткуванні напругою вище 1000В з усіх сторін, звідки може бути подана напруга на місце роботи , при вмиканні повинен бути певний розрив, який здійснюється вимиканням роз’єднувачів, відокремлювачів без автоматичного вмикання їх. В електроустановках до 1000В в залежності від конструкції замикаються рукоятки або дверці шаф, роз’єднують кінці проводів під час ремонтних робіт, вивішують плакати, які забороняють вмикати напругу. Для захисту працюючих від ураження електричним струмом в випадку помилкової подачі напруги до місця роботи виконують накладання заземлення. Переносні заземлення спочатку приєднують до землі, а потім до струмоведучої частини. А в електроустановках вище 1000В використовують для накладання заземлення ізолюючи штанги.

Електропостачання представляє собою небезпеку для екології електромагнітним випромінюванням, що є негативним впливом на навколишнє середовище. Для уникнення цих факторів ЛЕП розташовується відносно жилих масивів і зелених зон з суворим дотриманням санітарних норм і правил, а також з дотриманням ПЕБ.

Велику шкоду навколишньому середовищу завдає розлите трансформаторне масло (у потужних трансформаторах його об’єм складає до 6 кубометрів). Для того, щоб при заміні трансформаторне масло і каніфольно-бітумні суміші не подали в грунт і сточні води при виконанні робіт виконується обвал трансформаторних майданчиків і ремонтних площин.

Висновки

В курсовому проекті розглянуто ряд питань, в яких визначені характеристики споживачів і три основні категорії електропостачання.

В проекті визначені розрахункові активні, реактивні і повні потужності, вибрані трансформатори відповідної потужності, їхні типи і технічні характеристики. Виконано техніко-економічне порівняння двох варіантів, першого - в якому трансформаторі підстанції знаходяться в кожному цеху, і другого - в якому об’єднується два цеха, і в цеху з більшою потужністю електроустаткування встановлюється ТП, від якої заживлюється розподільчий пристрій цеху з меншою потужністю електроустаткування. На основі розрахункових навантажень накреслена картограма і визначене місце знаходження ГЗП, розраховані і вибрані живлячі і розподільчі мережі високої напруги, напруги 0,4кВ,визначені втрати напруги в лініях і трансформаторах. Складена розрахункова схема мереж і схема заміщення, розрахункові струми короткого замикання і ударні струми. По максимальних значеннях струмів, напруги, потужностей вибрано високовольтне устаткування: роз’єднувачі, відокремлювані, короткозамикачі, масляні вимикачі, розрядники, шини,трансформатори струму і напруги. Накреслена схема підключення вимірювальних приладів, розрахунковий і вибраний релейний захист і складена схема релейного захисту ГЗП і ТП. В проекті виконаний розрахунок захисного заземлення, розглянуто питання охорони праці, техніки безпеки та екології.

Література

.        ГОСТ 2.105-95 ЕСКД. Общие требования к текстовым документам.

.        ГОСТ 2.109-68. Основные требования к вертежам.

.        Правила устройства електроустановок. М. Энергоатомиздат. 1985.

.        ДьяковВ.М. Типовые расчеты по электрооборудованию. М. Высшая школа 2011.

.        Рожкова Л.Д., Козулин В.С. Электрооборудование станций и подстанций. М. Энергоатомиздат. 2007

.        Посников Н.П., Рубашов Г.М. Электроснабжение промышленных предприятий. Ленинград. Стройиздат. 2009

.        Справочник по проектированию электроснабжения. М. Энергоатомиздат. 2010.

Похожие работы на - Електропостачання підприємства

 

Не нашли материал для своей работы?
Поможем написать уникальную работу
Без плагиата!
Без нейросетей!