Кондиционирование зрительного зала кинотеатра
Министерство
образования и науки Российской Федерации
Федеральное
государственное бюджетное образовательное учреждение
высшего
профессионального образования
Белгородский
государственный технологический университет
имени В.Г.
Шухова
Губкинский
филиал
Кафедра
Теплогазоснабжение и вентиляция
Курсовой
проект
Кондиционирование
зрительного зала кинотеатра
Выполнил:
Студент группы ТВ-41
Руденко С.В.
Проверила:
Ильина Т.Н., профессор, д.т.н.
Губкин 2015
г.
Содержание
Введение
. Исходные
данные и параметры воздуха
. Определение
количества вредных выделений
.1
Тепловыделения в помещении
2.2 Влаговыделения в помещении
.3 Газовые выделения в помещении
3. Выбор
схемы организации воздухообмена в помещении. Расчет производительности СКВ
. Построение
процессов изменения состояния воздуха на I-d диаграмме и расчет процессов
обработки воздуха
.1 Построение
на
-диаграмме и расчет процессов
обработки воздуха для прямоточной схемы
.2 Построение
на
-диаграмме и расчет процессов
обработки воздуха для схемы с рециркуляцией
.
Теплотехнический и аэродинамический расчет элементов установки
кондиционирования воздуха
.1 Подбор
воздухонагревателей
5.2 Расчет
камеры орошения
5.3 Подбор
фильтра
5.4 Подбор
вспомогательного оборудования кондиционера
6. Выбор схем
тепло- и холодоснабжения кондиционера
Список
литературы
Введение
Под термином кондиционирование воздуха подразумевается создание и
автоматическое поддержание необходимых кондиций воздушной среды в помещении или
сооружении. В общем случае понятие кондиция воздуха включает в себя следующие
его параметры: температуру, влажность, скорость движения, чистоту, содержание
запахов, давление, газовый и ионный состав.
Кондиционирование воздуха обеспечивается применением специальных систем.
Под термином системы кондиционирования воздуха (СКВ) подразумевается комплекс
устройств, предназначенных для создания и автоматического поддержания в
обслуживаемых помещениях заданных параметров воздушной среды.
Указанный комплекс может включать шесть составных частей:
1) установку кондиционирования воздуха (У К В);
2) средства автоматического регулирования и контроля за
приготовлением воздуха нужных кондиций в УКВ;
) Устройства для транспортирования и распределения
кондиционированного воздуха;
) устройства для транспортирования и удаления избытков внутреннего
воздуха;
) устройства для глушения шума, вызываемого работой элементов СКВ;
) устройства для приготовления и транспортирования источников
энергии.
Классификацию по назначению СКВ можно разделить на три вида: комфортные,
технологические и комфортно-технологические.
Для комфортных СКВ характерно выполнение требований по обеспечению в
обслуживаемых помещениях воздушной среды, наиболее благоприятной для труда и
отдыха.
Для технологических СКВ характерно выполнение требований по созданию и
поддержанию воздушной среды, наиболее благоприятной для технологического
производственного процесса, создание специальных условий для испытания готовых
изделий и веществ, обеспечение микроклимата для выращивания или испытания
биологических сред, сохранения изделий и веществ и т.п.
Для технологически-комфортных СКВ
характерно выполнение требований по созданию и поддержанию воздушной среды,
благоприятной как для проведения технологического производственного процесса,
так и достаточно комфортной для пребывания обслуживающего персонала.
В аппаратах СКВ осуществляют процессы нагревания или охлаждения воздуха,
увлажнения или осушения.
1. Исходные
данные и параметры воздуха
Исходные
данные
1. Общественное здание - зрительный зал кинотеатра.
2. Количество мест - 1000
. Место расположения - г. Саратов
. Ориентация по сторонам света главного фасада - юг.
. Коэффициент теплопередачи покрытия - 0,24
.
. Теплоснабжение от внешнего источника Т1= 90
С, Т2= 70
С.
. Расчетная географическая широта: 53
с. ш.
. Расчетное барометрическое давление: 990 гПа.
Влагосодержание dн (Г/кг) и относительную влажность j (%) определяют графически по I-d-диаграмме или
аналитическим путем по зависимостям
=(I-1,024t)/2,53=(-15,5-1,024*(-17))/2,53=
0,75г/кг;
j=(d*Pбар)/[(623-d)*Pнп]=(0,75*990)/(623-0,75)*735,6=0,01%;
Рнп - давление водяных паров
в насыщенном воздухе, Па
Рнп=479 +(11,52 +1,62t)²=2986,6 Па
Для г. Саратов; Рбар.= 990 гПа; 53°с. ш.
Параметры
наружного воздуха.
Принимаются согласно приложению 8 [1].
Таблица 1.1
|
Период года
|
Параметры
|
tн, С.
|
Iн,
|
D.
|
,%
|
|
ТП
|
А
|
23,8
|
51,1
|
11,2
|
60
|
|
ХП
|
Б
|
-17
|
-15,5
|
0,75
|
75
|
Параметры
внутреннего воздуха.
Таблица 1.2
Оптимальные параметры внутреннего воздуха
|
Период года
|
Температура, °С
|
Относительная влажность φ, %, не более
|
Скорость движения V, м/с, не более
|
|
Холодный и переходный
|
20
|
65
|
0,2
|
|
Теплый
|
20
|
60
|
0,2
|
|
|
|
|
Таблица1.3
Допустимые параметры внутреннего воздуха
|
Период года
|
Температура, °С
|
Относительная влажность φ, %, не более
|
Скорость движения, V, м/с, не более
|
|
Холодный и переходный
|
20
|
65
|
0,2
|
|
Теплый
|
14
|
65
|
0,2
|
Для расчета воздухообмена по СО2 принимаем концентрацию СО2 в наружном и
внутреннем воздухе согласно с.37(2).
2. Определение количества вредных выделений
Вредными выделениями для помещений любого назначения считаются:
избыточные теплота (явная и полная) и влага, выделяемые людьми и технологическими
установками, углекислый газ (СО2), выделяемый людьми, газы и пыль, выделяющиеся
при технологическом процессе.
.1 Тепловыделения в помещении
Избыточная теплота определяется в холодный и переходный периоды как сумма
теплопоступлений от людей по явной или полной теплоте
,
.
=
-
=90000-6650=83350 Вт (2.1)
=
-
=120000-6650=113350 Вт (2.2)
Избыточная теплота в теплый период определяется как:
=90000 Вт (2.3)
=120000=120000Вт (2.4)
Количество явной и полной теплоты, Вт, выделения CO2,г/ч, и влаги, г/ч, в
помещении определяются:
=90*1000*1= 90000 Вт (2.5)
(2.6)
(2.7)
(2.8)
где
и
- выделения явной и полной теплоты одним человеком
(мужчиной), Вт;число людей в помещении;- коэффициент снижения выделений.
Теплопоступления от искусственного освещения определяются как
(2.9)
Где: Е - освещенность, лк (табл. 2.2);
А - площадь пола помещения, м2;осв - удельные тепловыделения,
Вт/(м2∙лк), для помещений площадью 200-400 м2,
ηосв = 1 - доля теплоты, поступающей в
помещение.
Количество теплоты, поступающей в помещение общественных зданий через
световые проемы за счет солнечной радиации, в случае, когда над окнами
отсутствуют солнцезащитные козырьки, определяются как:
Вт (2.10)
Где q- максимальное количество теплоты, поступающее в помещение в июле
через одинарные остекления, Вт/м2:
Вт (2.11)
.2 Влаговыделения в помещении
Источниками влагопоступлений в помещение являются
люди, технологическое оборудование, горячая пища и т.д.
В некоторых помещениях (души, прачечные и пр.)
влаговыделение происходит со смоченных поверхностей ограждающих конструкций и
оборудования.
Влаговыделения от людей определяют по таблице
"Количество теплоты и влаги, выделяемое взрослыми людьми (мужчинами)"
из уравнения 2.8, учитывая интенсивность физической нагрузки, но рекомендуется
уточнение по ниже приведенной формуле, г/час:
.3 Газовые выделения в помещении
Выделение в помещение углекислого газа, выдыхаемого
людьми, определяется в одинаковом размере для всех периодов года с учетом
интенсивности физической нагрузки по следующей таблице ([2], с изменениями).
Таблица 2.1
Сводная таблица вредных выделений в помещения
|
Период года
|
Теплопоступления в помещение, кВт
|
Тепловыделения из помещения, Вт
|
Теплоизбытки или теплонедостатки в помещении, кВт
|
Влаговыделения W, г/ч
|
Выделения МСО2углекислого газа, г/ч
|
|
от людей
|
от освещения
|
от солнечной радиации
|
теплопотери
|
|
|
|
|
|
|
|
|
|
явной теплоты
|
Полной теплоты
|
|
|
|
теплый
|
90000
|
120000
|
7700
|
15000
|
6650
|
90000
|
120000
|
40000
|
40000
|
|
холодный
|
83350
|
113350
|
7700
|
15000
|
6650
|
83350
|
113350
|
40000
|
40000
|
. Выбор схемы организации воздухообмена в помещении. Расчет
производительности СКВ
Организацию воздухообмена в помещении необходимо осуществлять таким
образом, чтобы весь объем помещения проветривался приточным воздухом и в
помещении не возникало застойных зон при действии приточно-вытяжных систем
вентиляции.
Так как в помещениях нет местных отсосов, расчет производительности, м3/ч,
проводят по формулам (3.1-3.7), где Q, Вт
по избыткам явной теплоты
=3,6*90000/1,2(25-19)=45000 м3/ч (3.1)
по избыткам полной теплоты
=3,6*120000/1,2(50-40)=36000 м3/ч (3.2)
по влагоизбыткам
по избыткам углекислого газа
=40000/3,6-0,91=14670 м3/ч
по санитарным нормам
где ρв - плотность внутреннего воздуха, кг/м3,ρв =1,2кг/м3;
Iу, Iп - энтальпия удаляемого и приточного воздуха,
взятые по I-d диаграмме для т.У и т.П, кДж/кг;, dnp- влагосодержание удаляемого
и приточно го воздуха, взятые по I-d диаграмме для т.У и т.П, кгвл/кгс.в.;
k'y, k'np - содержание СО2 соответственно в удаляемом из помещения и в
приточном воздухе, г/м3;- нормируемый расход воздуха, м3/(ч∙чел),
на одного человека;
Угловой коэффициент ε, кДж/кг, характеризует направление
луча процесса на I-dдиаграмме и определяется по формуле
где
- избытки полной теплоты или теплонедостатки в помещении, Вт;
W- влаговыделения в помещении, г/ч.
Температуру удаляемого и приточного воздуха определяют по формуле

Где tв- температура внутреннего воздуха в рабочей зоне, °С;
β- градиент температур, выбирают по
таблице 10;
Нп - высота помещения, м;
Нр.з. - высота рабочей зоны в помещении Нр.з.= 1,5 м.
Градиент температур выбирается в зависимости от удельных избытков явной
теплоты, кДж/(м3∙ч), которые определяются
где
- избытки явной теплоты помещения, Вт, принимаются из таблицы
2.4 в зависимости от периода года;объем помещения по внутреннему обмеру, м3
Производительность вытяжной системы в м /ч будет определяться по формуле
м3/ч (3.9)
где V - то же, что в формуле (3.8)
Производительность приточной системы в кг/ч определяется по плотности при
температуре приточного воздуха (т. П) рт.П
г/ч (3.10)
а производительность вытяжной системы в кг/ч - по плотности удаляемого
воздуха (т. У) ртУ
г/ч (3.11)
Кратность воздухообмена определяется
(3.12)
Результаты расчетов вносятся в таблицу 3.1.
Таблица 3.1
Расчет производительности СКВ
|
Период года
|
Объем помещения V, м3
|
Расход воздуха L, м3/ч
|
Приточная система
|
Вытяжная система
|
|
|
по теплоизбыткам
|
по влагоизбыткам
|
по СО2
|
по санитарным нормам
|
производительность
|
кратность воздухообмена кпр, ч-1
|
производительность
|
кратность воздухообмена квыт,ч-1
|
|
|
Явной теплоты
|
Полной теплоты
|
|
|
|
Lпр, м3/ч
|
Gпр, г/ч
|
|
Lвыт, м3/ч
|
Gвыт, г/ч
|
|
|
1
|
2
|
3
|
4
|
5
|
6
|
7
|
8
|
9
|
10
|
11
|
12
|
13
|
|
Теплый
|
5978
|
36000
|
45000
|
33333
|
14670
|
25000
|
45000
|
56250
|
7,52
|
33044
|
41305
|
5,52
|
|
Холодный
|
5978
|
36000
|
45000
|
33333
|
14670
|
25000
|
45000
|
56250
|
7,52
|
33044
|
41305
|
5,52
|
. Построение процессов изменения состояния воздуха на I-d диаграмме и
расчет процессов обработки воздуха
.1 Построение на
-диаграмме и расчет процессов обработки воздуха для
прямоточной схемы
Теплый период
Выбор схемы обработки воздуха осуществляется студентом самостоятельно и
описывается в разделе.
. На I-dдиаграмме нанесены т. В, т. У, т. П на луче процесса с
коэффициентом εдля теплого периода года.
2. Через т. П проводим линию постоянного влагосодержания dn = const до
пересечения с кривой φ= 90-95%, это т. О, характеризующая состояние воздуха
после камеры орошения. На линии ОП от т. П вниз откладываем отрезок 1-1,5°С,
соответствующий нагреву воздуха в вентиляторе и воздуховодах.
Получим т. П’, параметры воздуха после его нагрева в воздухонагревателе
II подогрева (линия ОП’).
3. Соединяем т. О с т. Н, процесс ОН - обработка воздуха в оросительной
камере (т. Н строится по
и
).
4. Вычисляем расход теплоты воздухонагревателя, Вт:
(4.1)
Гдеп' и Iо - энтальпии соответственно воздуха в т. П’ и т. О, кДж/кг.
Если в зависимости от теплоизбытков в помещении и значения луча процесса,
величина тепла для подогрева воздуха незначительна, ей можно пренебречь.
5. Находим количество влаги, кг/ч, сконденсировавшейся в камере орошения
(4.2)
где dH и dО - соответственно влагосодержание воздуха в т. Н и т. О, г/кг.
6. Определяем охлаждающую мощность камеры орошения, Вт
(4.3)
Где Iн и Iо - энтальпии воздуха в т. Н и т. О, кДж/кг.
Для сокращения расходов холода Qx и теплоты QII необходимо строить процессы
с I и II рециркуляциями.
Примечание: температура т. О должна быть выше или равна 6°С.
Холодный период
В холодный период воздух нагревают и увлажняют.
При этом необходимо учитывать имеющиеся влагоизбытки в помещении.
Для этого рассчитывают вдагосодержание приточного воздуха и находят на
I-d диаграмме точку Пх.
Через точку
(внутренние параметры воздуха для зимы) проводим луч
процесса
для зимнего режима и определяем
приращение влагосодержания воздуха в помещении,
:
=0,7 (4.4)
Где W - количество выделяющейся в помещении влаги в зимний период,
,
- массовая производительность, определенная по уравнению
(3.10) для теплого периода.
Влагосодержание приточного воздуха,
:
(4.5)
На пересечении линии
с линией
получим точку
даже на пересечении с линией
точку
;
- нагрев воздуха в
воздухонагревателе
подогрева. Нагрев воздуха в вентиляторе и воздуховодах в
зимний период не учитывают. Из точки
проводится линия изоэнтальпийного
увлажнения воздуха до пересечения с линией
(точка
). Линия
- характеризует процесс подогрева в I
воздухонагревателе.
Расход теплоты в воздухонагревателе первого подогрева,
:
=56250*(26-(-15,5))=2334375 (4.6)
Расход теплоты в воздухонагревателе второго подогрева,
:
=56250(30-26) =209000 (4.7)
Количество воды, испарившейся в оросительной камере,
:
=56250(6,9-1)
= 331,8 (4.8)
4.2 Построение на
-диаграмме и расчет процессов обработки воздуха для схемы с
рециркуляцией
Теплый период
Схема воздухообмена с рециркуляцией позволяет снизить расходы тепла на
подготовку воздуха в холодный период и расход холода в теплый период. Выбор
рециркуляционной схемы возможен при соответствии параметров вытяжного
(рециркуляционного) воздуха требованиям СНиП и экономической целесообразностью
ее применения.
Положение точек
и
определяем аналогично прямоточной схеме.
Через точку
проводим линию
и откладываем на ней линию нагрева
рециркуляционного воздуха
на 0,5-1оС, соединяем точки
и
Положение точки смеси внутреннего и наружного воздуха (точка
) находим по длине отрезка
, мм:
=1,2*25000/56250=0,53 (4.9)
где
и 
- отрезки на
- диаграмме, характеризующие соответственно пропорции
наружного и всего количества подаваемого воздуха, мм;
- минимально необходимое количество наружного воздуха
(определяется по уравнению 3.5).
Положение точки С можно также найти на пересечении линии смеси
с линией энтальнии Ic или dc
(4.10)
Соединяем точки
и
прямой линией, которая характеризует процесс изменения
состояния воздуха в оросительной камере.
Следует отметить, что если забор рециркуляционного воздуха проводится из
рабочей зоны помещения, в расчетах параметров точки используется уравнение (4.9). Если удаление воздуха происходит из
верхней зоны, в расчетах используется уравнение (4.10)
Количество рециркуляционного воздуха, рассчитывается по разности общего
расхода и нормируемого,
:
=56250-25000=21250 г/ч (4.11)
Расход холода,
:
=56250(50,1-38)=680625 Вт (4.12)
Расход теплоты на второй подогрев,
:
Вт (4.13)
Холодный период
Точки
, характеризующие состояние воздуха на разных стадиях
обработки, находим по аналогии с расчетами прямоточной схемы (см. п. 4.2.2).
На прямой
(находим вспомогательную точку
, положение которой определится
длиной отрезка
, мм:
= 8,5*25000/56250=3,7 (4.14)
На рис 4.2 представлен вариант теплонедостатков в помещении, когда луч
процесса отрицательный и температура приточного воздуха должна быть выше
требуемой температуры воздуха в помещении.
Параметры точки С1 можно найти также по уравнению (4.11), используя в
расчетах параметры точки В вместо У1.
На пересечении линий
и
получим точку смеси
. Проведя через точки
и
прямую линию до пересечения с линией
, получим точку
(параметры воздуха после подогрева).
Расход теплоты в воздухонагревателе первого подогрева,
:
=56250(20-(-15,5))=1996875 Вт (4.15)
Расход теплоты в воздухонагревателе второго подогрева,
:
=56250(34-20)=787500 Вт (4.16)
=56250(6,9-1)
=331,8 (4.17)
Рассчитана система кондиционирования на базе центрального кондиционера
для помещений большого объема.
5. Теплотехнический и аэродинамический расчет элементов установки
кондиционирования воздуха
5.1 Подбор воздухонагревателей
Центральные установки кондиционирования воздуха типа КЦКП-50 выпускаются
Харьковским машиностроительным заводом ’’Кондиционер" номинальной
производительностью по воздуху 10-250 тыс. м3/ч. Кондиционеры КЦКП
имеет высоту 1952 мм, ширину 1703 мм. Центральные кондиционеры номинальной
производительностью 31,5-250 тыс. м3/ч унифицированы на базе
кондиционеров КЦКП-31,5 и КЦКП-40.
Основные секции и блоки центрального кондиционера монтируют на
всасывающей стороне вентилятора. В установку кондиционирования воздуха могут
входить приточный и рециркуляционный вентиляторные агрегаты, поверхностные
воздухонагреватели, увлажняющий аппарат, фильтр и регулировочные воздушные
клапаны.
Между собой рабочие секции соединяются с помощью камер обслуживания,
имеющих герметичные дверцы для обслуживания основных секций.
Центральные кондиционеры КЦКП-50 (индекс 243.1-185-200) рекомендуется
применять по базовым схемам компоновки. Добавляя в базовую схему отдельные
секции, создают её модификации.
Вычисляется расход воды, кг/ч, проходящей через калорифер
где Q- расход теплоты в воздухонагревателе, Вт (определенный по формулам
(4.1), (4.6), (4.7), Вт;
сw - теплоемкость воды, сw = 4,19 кДж/(кг∙град);
Т и То - соответственно температуры воды, поступающей и уходящей из
воздухонагревателя (параметры теплоносителя), °С.
Скорость воды, м/с, в трубках воздухонагревателя находится по формуле
где рw - плотность воды, рw = 1000 кг/м3;- площадь живого сечения
трубок для прохода теплоносителя, м2, принимается по табл. П.4-1 в
зависимости от выбранного теплообменника.
Определяется массовая скорость воздуха, кг/(м2∙с) по
формуле
где G - массовое количество воздуха, проходящее через воздухонагреватель,
кг/ч;ф - площадь фронтального сечения воздухонагревателя для прохода воздуха, м2,
принимаемая по табл. П.4-1.
Определяется коэффициент теплопередачи, Вт/(м2°С), по формуле
где n,n1, n2 - опытные коэффициенты, принимаемые по табл. 5.1.
Находится расчетная площадь поверхности нагрева воздухонагревателя, м2,
по формуле
Где tK и tH- соответственно температуры воздуха в конце и начале процесса
нагрева, принимается по I-dдиаграмме, °С.
Полученное значение сравнивается с площадью поверхности теплообменника
F,м, для выбранного воздухонагревателя (табл. П. 4-1) и считается коэффициент
запаса.
Если Fp>F, выбирается другая компоновка теплообменника или
устанавливается несколько рядов теплообменников.
Сопротивление проходу воздуха, Па, определяется по формуле
где n3 и n4 - опытные коэффициенты, принимаемые по табл. 5.1.
.2 Расчет камеры орошения
По расходу приточного воздуха L=56250 м3/ч задаёмся типом
камеры орошения и числом форсунок nф. Для кондиционера КЦКП-50 принимаем камеру
орошения ОКФ (индекс 04.01300). Число форсунок:
в 1-ом ряду 74
во 2-ом ряду 54
всего 128
Вычисляется коэффициент адиабатной эффективности ЕА по формуле
где tО - температура воздуха в конце процесса обработки в камере
орошения, на линии φ= 90-95%, °С;- температура воздуха в начале
процесса обработки в камере орошения, °С;м1 - температура точки, лежащей на
пересечении продолжения линии процесса обработки воздуха в камере орошения (НО
или С1О) и φ= 100 %, °С (температура мокрого термометра).
Коэффициент орошения общий расход форсунок определяется по формуле:
=nф×qф=130×400=52000 кг/ч;
Приведенный коэффициент энтальпийной эффективности для теплого периода
(политропный процесс) рассчитывается по формуле
Где
энтальпия воздуха в начале и в конце процесса охлаждения
воздуха,
- энтальпия воздуха, соответствующая температуре воды,
поступающей в оросительную камеру.
Температуру воды на входе в оросительную камеру принимаем
=5-7°С. По значению показателя
принимаем коэффициент орошения В по
таблице 5.2.
Температура воды, выходящей из камеры орошения, определяется по выражению
Количество воды, кг/ч, поступающей на обработку воздуха, в камере
орошения определяется по формуле
где Gор - массовое количество воздуха, проходящее через камеру орошения,
кг/ч.
Количество воды, кг/ч, подаваемое одной форсункой будет равно
где n- число форсунок, установленных в камере орошения.
Коэффициент орошения для камер ОКФ-З должен быть В ≥ 0,7=460 кг/ч
для форсунок ЭШФ7/10
кинотеатр воздух помещение кондиционирование
5.3 Подбор фильтра
Выбирается фильтр ФР (для очистки в том числе и от волокнистой пыли) или
ФС (для очистки воздуха, не содержащего волокнистой пыли) /6/.
Находится продолжительность работы фильтра до регенерации или замены фильтрующего
материала
где qk- конечная пылеемкость материала, г/м, для ФР - qk=300-800г/м2;
сн - начальная запыленность воздуха, мг/м3, принимается по
заданию;
η- коэффициент очистки, ФР - η= 0,88-0,98;ф - удельная воздушная
нагрузка на фронтальное сечение фильтра, м3/(м2∙ч);
Lф = 10000-12500 м3/(м2∙ч).
Рассчитывается число суток работы фильтра
где τсут - число часов работы фильтра в день.
Начальное аэродинамическое сопротивление начальное аэродинамическое
сопротивление фильтра ФР-5 Па, конечное - Δрф= 300 Па.
Кондиционер КЦКП-50 комплектуется воздушным фильтром ФР-5.
Серия 04.21130.
Аэродинамическое сопротивление, Па:
начальное - 55; конечное - 300.
5.4 Подбор вспомогательного оборудования кондиционера
Кроме основного оборудования: воздухонагревателей, камеры орошения,
фильтра в состав кондиционера входят: приемный блок с воздушным утепленным
клапаном, камеры обслуживания, камеры воздушные, блок присоединительный.
Блок приемный предназначеный для приема, регулирования, смешения и
распределения по живому сечению объема наружного и рециркуляционного воздуха,
поступающего в кондиционер. Блок прямоточный с электроприводом БПЭ-3.
Аэродинамическое сопротивление приемных блоков с воздушным клапаном составляет
около 70 Па.
Камера обслуживания КО-3 предназначены для формирования воздушного потока
и обслуживания соседнего оборудования в кондиционере.
Воздушные камеры предназначены для смешения воздушных потоков и
обслуживания соседнего оборудования. Камеры воздушные шириной 565 мм
обозначаются КВ 0,5-3
Клапан воздушный предназначеный для регулирования объемов наружного и
рециркуляционного воздуха, поступающего в кондиционер, а также регулирования
количества воздуха, проходящего через воздухонагреватели. Воздушный клапан
КЭ-0,5-3
Клапаны воздушные могут быть установлены в воздушных камерах, их
аэродинамическое сопротивление равно 25 Па.
Подбор вентиляторного агрегата
Вентиляторные агрегаты предназначены для перемещения воздуха в
центральных кондиционерах и подачи его к местам потребления. Во всех
кондиционерах применяются вентиляторы радиальные.
Вентиляционный агрегат выбирается по большему расходу воздуха и общему
аэродинамическому сопротивлению кондиционера и сети воздуховодов по каталогу.
Общее сопротивление СКВ включает:
ΔPСКВ=ΔPФ+ΔPВП1+ΔPОК+ΔPВП2+ΔPвспом+ΔPсети =300+37+37+165+95+462=1096
(5.17)
Сопротивление секций кондиционеров КЦКП принимается по таблице приложения
5.
Кондиционер КЦКП-50 комплектуется вентиляторным агрегатом №9 с
электродвигателем 4A225M6 (серия 04.41332).
Характеристики:
Номинальная производительность: 50000 м3/ч;
Полное давление: 1,6 кПа;
Электродвигатель:
4A225M6;
мощность 37 кВт
частота вращения n=890 об/мин.
Гидравлический расчет
Приступая к гидравлическому расчету, чертим аксонометрическую схему. По
схеме берем циркуляционное кольцо. Рассчитываем расход воды в системе
1. Расчет расхода воды:
,
По пункту (5.1)
По пункту (5.1) скорость равна 0,22, м/с и
Удельные потери давления на трение R=60,5, Па/м;
Определяем сумму коэффициентов местных сопротивлений, пользуясь
приложением 6 III [5], Σζ=4,12.
Находим суммарные потери давления на участке:
, Па; (5.18)
где
, Па (5.19)
2. Находим суммарные потери давления в насосной станции:
,Па (5.20)
|
№
|
Длина l, м
|
Расход воды, л/с
|
Скорость воды, м/с
|
Потери напора по длине
|
Потери давления на трение
|
Потери давления на местных сопротивлениях
|
|
Т1
|
13,1
|
0,36
|
0,22
|
0,027
|
4,12
|
224,9
|
|
Т2
|
13,1
|
0,36
|
0,22
|
0,027
|
4,12
|
224,9
|
6. Выбор схем тепло- и холодоснабжения кондиционера
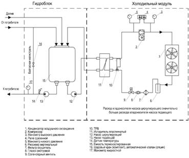
Чиллеры с тепловым насосом серии WRAN, спроектированные для установки в
помещении и работы с хладагентом R-22, предназначены для выработки как горячей
воды для обогрева в зимний период, так и охлажденной води для кондиционирования
воздуха в летний период, при весьма высокой энергетической эффективности.
Блоки снабжены полугерметичными компрессорами.
Блоки WRAN оснащены новой микропроцессорной системой управления, которая
настраивает, регулирует и оптимизирует все рабочие функции. Корпус и каркас
блока изготовлены из одинаковой листовой стали с лакокрасочным покрытием, что
обеспечивает полную защиту от атмосферного воздействия.
Жесткое основание из швеллеров равномерно распределяет вес блока.
Такелажные отверстия в основании позволяют ускорить подъемно-транспортные
операции и облегчают монтаж.
От холодильной станции к потребителям холодной воды прокладывается сеть
водопроводов. В целях выравнивания режима работы холодильных машин внутренний
объем системы хладоснабжения (суммарный объем бака, аппаратов и трубопроводов)
должен быть не менее:
(6.1)
где
- хладопроизводительность наименьшей холодильной машины, Вт.
При применении только турбокомпрессионных машин объем систем
хладоснабжения
(6.2)
Сброс в канализацию хладоносителя (циркулирующей воды) при остановке
насосов не допускается. Поступающая через переливные устройства из поддонов
камер орошения и других аппаратов вода должна собираться в приемнике, роль
которых могут выполнять баки - аккумуляторы.
Минимальный объем системы рассчитывают не менее, чем 15 минут работы
одной (наименьшей) холодильной машины, за исключением турбокомпрессорной
машины, для которой время непрерывной работы должно быть не менее 7 часов.
Система управления современной холодильной установкой (чиллера) не допускает
повторного включения компрессора в течении определенного времени. Во время
вынужденной остановки чиллера отклонение температуры воздуха в помещении не
должно превышать заданных размеров.
Размеры бака зависит от мощности чиллера, количества холодильных контуров
в чиллере, количества воды в системе и допустимых отклонений температуры в
помещении (точности регулирования).
Емкость аккумулирующего бака рассчитывается по формуле:
(6.3)
где
- вместимость бака л.,
- максимальная холодопроизводительность кВт,
- объем кондиционируемого помещения,
,
- количество воды в системе,
- количество контуров или ступеней мощности.
Требуемая холодопроизводительность секции воздухоохлаждение в центральном
кондиционере определяется по формуле:
456428Вт. (6.4)
С учетом потери холода хладопроизводитель холодильной станции:
(6.5)
По произведенному выбираем чиллер типа WRAN.
Чиллер с тепловым насосом WRAN, спроектирован для установки вне помещения
и работает с хладагентом R-22, предназначен как для выработки горячей воды
зимой, так и для охлажденной воды для кондиционирования воздуха летом.
По производительности принимаем чиллер типа WRAN типоразмер 4.200(код
ФФ567400):
- холодопроизводительность 473,4 кВт;
- мощность, потребляемая компрессорами 157,6 кВт;
теплопроизводительность 586,4 кВт;
мощность, потребляемая компрессорами 156,6 кВт;
длина 2950 мм;
глубина 2040 мм;
высота 2113 мм.
Двухнасосная
схема
Обычно используется для установок холодопроизводительностью более 100
кВт, а также для установок меньшей мощности, если разница температур между
входом и выходом из установки превышает10-15 К. Двухнасосная схема обладает
следующими основными преимуществами по сравнению с однонасосной:
По сравнению со схемой с промежуточным контуром двухнасосная схема
позволяет поддерживать более высокую температуру кипения хладагента в
испарителе вследствие отсутствия промежуточного теплообменника, и, как
следствие, обладает более высокой энергетической эффективностью.
Требуемая полезная вместимость баков - аккумуляторов холодной воды с
температурой
может быть определена по выражению:
(6.6)
Период работы холодильной машины (или несколько машины) обеспечивающих
накопление холодной воды в баке - аккумуляторе, находят по уравнению:
(6.7)
где
- часовая холодопроизводительность работающих холодильных
машин в период накопления холода в баке - аккумуляторе, Вт/ч.
Для подбора насосной станции необходимо знать:
потребляемый расход жидкости
=0,24*456428/0,91=3,65 л/с (6.8)
Насос Wilo BL 40/160-4/2
Технические характеристики
· Минимальный индекс эффективности (MEI) ≥ 0,4
· Допустимый диапазон температур от -20°C до +140°C
· Подключение к сети 3~400 В, 50 Гц (другие по запросу)
· Класс защиты IP 55
· Номинальный диаметр от DN 32 до DN 125
· Макс. рабочее давление 16 бар
· Объем бака 85 л
График рабочих характеристик насоса
Список литературы
1. В.Н.
Богословский и др. Кондиционирование воздуха и холодоснабжение.- М.:
Стройиздат, 1985. - 367 с.
. СНиП
2.04.05-91. Отопление, вентиляция и кондиционирование. - М.: Стройиздат, 1992.
. СНиП
2.08.02-89. Общественные здания и сооружения. - М.: Стройиздат, 1989.
. СНиП
2.09.04-87. Административные и бытовые здания. - М.: Стройиздат, 1988.
.
Теплоснабжение и вентиляция. Курсовое и дипломное проектирование / Под. ред.
проф. Б.М. Хрусталева - Мн.: Дизайн ПРО, 1997. - 384 с.
. Пекер Я.Д.,
Мардер Е.Я. Справочник по выбору оборудования для кондиционирования воздуха. -
Киев: Будивельник, 1990. - 22
7.Бройда В.А. Центральные однозональные системы кондиционирования с
постоянным расходом воздуха: Учебное пособие. - Казань: КГАСУ, 2012. - 210 с.
. Белова Б.М. Центральные системы кондиционирования воздуха в зданиях.
М.: Евроклимат, 2006. - 640 с.
. СНиП 23-01-99*. Строительная климатология / Госстрой России. -M.: ФГУП
ЦПП, 2003. - 70 с.
. ГОСТ 30494 - 96. Здания жилые и общественные. Параметры микроклимата в
помещениях, 1999. - 9 с.
. СНиП 41-01-2003. Отопление, вентиляция и кондиционирование / Госстрой
России. - М: ФГУП ЦПП, 2004. - 54 с
. Справочник проектировщика. Внутренние санитарно-технические устройства,
Ч. 3. Вентиляция и кондиционирование воздуха. Кн. 1 / В.Н. Богословский и др.
4- изд., перераб. и доп. - М: Стройиздат,1992. - 319 с.
. Каталог кондиционера КЦКП и программа расчета кондиционера КЦКП,
http//www.veza.ru.
. Каталог продукции "ВМТ" http://www.xiron.ru/prog/chiller.php
. Оборудование для кондиционирования воздуха. Каталог "YORK".
AJonsoncontrolscompany. - 581 с.
. Регулирующие клапаны и электрические приводы. Каталог. - М.: ООО
"Danfoss", 2008. - 296.
. Балансировочные клапаны. Каталог. - М.: ООО "Danfoss", 2008,
- 76.
. Программа подбора насосов фирмы "Wilo",http//www.wilo.ru.
. Тахциди Ю.Н., Никитин Ю.В. Автоматизация систем ТГВ: Учебное пособие;
Казань КГАСУ, 2008. - 76 с.
20. СНиП
31-06-2009. Общественные здания и сооружения. Актуализированная редакция СНиП
2.08.02-89* /Минрегион России. - М.- ФГУП ЦПП, 2009. - 57 с.