Проектирование цифровой подстанции связи

  • Вид работы:
    Дипломная (ВКР)
  • Предмет:
    Информатика, ВТ, телекоммуникации
  • Язык:
    Русский
    ,
    Формат файла:
    MS Word
    1,56 Мб
  • Опубликовано:
    2014-07-30
Вы можете узнать стоимость помощи в написании студенческой работы.
Помощь в написании работы, которую точно примут!

Проектирование цифровой подстанции связи

Введение


Интеграция Республики Казахстан в мировое общество открыла рынки сбыта для ведущих мировых производителей в различных отраслях промышленности. Резко возросла потребность в дополнительных видах связи, а также требования к качеству предоставляемых услуг связи. На казахстанском рынке оказалось большое разнообразие оконечных абонентских устройств различного класса сложности для сетей телекоммуникаций. Таких как - многофункциональные телефонные аппараты, телетексты, телефаксы, дата факсы и бюро факсы. Данные устройства, в большинстве своем, предназначены для работы в цифровой сети и оказывают множество различных видов услуг высокого качества. Они охотно приобретаются всеми группами потребителей телефонной сети.

Существующее техническое состояние сети местной и междугородной телефонной связи в Талдыкорганской области не позволяет использовать как отдельные виды новых оконечных абонентских устройств, так и большую группу услуг, предоставляемых такими устройствами. Для удовлетворения возрастающих потребностей абонентов по качеству связи, необходимо создание цифровой сети местной, междугородной телефонной связи и сети абонентского доступа (САД).

Создание цифровой САД позволит решить и другие кардинальные проблемы развития телефонной связи в Республике Казахстан.

Такие как:

·   повышение качества предоставления услуг потребителям в целом по сети Казахстана;

·   повышение эффективности линейных и магистральных сооружений сети связи;

·   увеличение доступности коммутационного оборудования;

·   повышение надежности коммутационного оборудования и систем связи;

·   снижение энергоемкости производства;

·   повышение автоматизации и снижение трудоемкости производства;

·   и другие проблемы.

Развитие телефонной связи в развитых государствах мира идет по пути цифровизации сети местной и междугородной телефонной связи. По существу телефонные сети развитых стран цифровизированы на 100%. Задача для телефонной сети этих государств сегодня - увеличение количества и качества услуг для потребителей, и непрерывное совершенствование цифрового оборудования.

Телекоммуникационные сети развитых стран соединены между собой с помощью международных и трансконтинентальных магистралей. Эти магистрали выполнены с использованием цифрового оборудования, и подключиться к ним можно только при наличии цифровой сети в телекоммуникациях. Создание цифровой сети в Республике Казахстан сделает возможным интеграцию в сеть телекоммуникаций мирового сообщества.

По мере введения цифровых коммутационных станций с выносными модулями (концентраторами и мультиплексорами) эта величина будет по всей вероятности сокращаться, но стоимость САД останется все же достаточно большой. По этой причине особую актуальность приобретает разработка таких принципов проектирования САД, которые позволили бы в дальнейшем значительно минимизировать затраты на этот элемент телекоммуникационной сети.

Так как технологии xDSL зачастую тесно связаны с использованием систем уплотнения РСМ, в данном дипломном проекте рассматривается вопрос организации абонентского доступа с применением технологии xDSL и систем уплотнения РСМ на ГТС г. Талдыкоргана.

1. Анализ существующей сети г. Талдыкоргана


1.1 Краткий обзор состояния сети г. Талдыкоргана

Талдыкорганский район по своему роду деятельности считается сельскохозяйственным. Население города Талдыкоргана по данным статистического управления на 15.09.2009 года составляет 113 000 человек. На территории города имеется аккумуляторный завод, высшие и средние учебные заведения, музей им И. Жансугурова.

На территории города в настоящее время имеется 4 сельских округа, которые имеют телефонные станции. В данное время всем селам даны по два или три телефона от станции АТС-7 через систему РСМ или по соединительным линиям.

Существующая междугородная телефонная станция г. Талдыкоргана является коммутационным узлом междугородной и внутризоновой связи для абонентов Талдыкорганского региона. Магистральные и внутризоновые направления на станции обслуживаются по заказной и сходной системам обслуживания. Прием заказов на междугородние разговоры в дневное время осуществляется по заказным линиям, включенным в поле заказных коммутаторов и междугородних коммутаторов по индексу «07». Абоненты ГТС г. Талдыкоргана пользуются междугородной телефонной связью, имея выход на 5 магистральных и 13 внутриобластных направлений, исходящая автоматическая связь организована со всеми магистральными и внутриобластными направлениями.

В 1976 году была запущена АТС-2 типа ДШ-54А, во 2-ом микрорайоне г. Талдыкоргана на 4000 номеров, в 1979 году - в 5 микрорайоне АТС-5 ДШ-54А на 6000 номеров.

В 1980 году включились АТС-3 АТСКУ - 100/2000 на 2000 номеров, в районе аккумуляторного завода.

В 1986 году была построена, в центре города АТС-4 типа АТСК-У на 7000 номеров.

В 1990 году - на 9 площадке АТСКУ-6 на 4000 номеров.

В 1992 году АТСДШ-7 была реконструирована в координатно-усовершенствованную АТСКУ-1 на 5000 номеров, в здании АТС-4 на 5 этаже.

Также в городе Талдыкоргане есть 2 ПСК:

·   ПСК-26 построена в 1977 году на 1000 номеров в микрорайоне Юбилейный г. Талдыкоргана, оборудование АТСК-100/2000.

·   ПСК-29 построена в 1979 году, оборудование АТСК-100/2000 на 700 номеров в пригородном поселке «Заря Коммунизма».

Общая монтированная емкость сети ГТС г. Талдыкоргана в настоящее время составляет почти 36000 номеров при пятизначной нумерации абонентских линий. Схема организации городской телефонной сети приведена на рисунке 1.1. Существующие станции, их тип и емкость на настоящее время приведены в таблице 1.1.

Таблица 1.1 - Существующие станции г. Талдыкорган

Номер АТС

Тип оборудования

Монтированная емкость

Задействованная емкость

Нумерация

АТС-1

АТСК-У

5100

3614

10000-15099

АТС-2

АТСДШ-54А

4100

3320

20000-24099

АТС-3

АТСК-100/2000

2000

1203

33000-34999

АТС-4

АТСК-У

8200

6004

40000-48199

АТС-5

АТСДШ-54А

6100

4807

52000-58099

АТС-6

АТСК-У

4100

2141

60000-64099

АТС-7

DMS-АТСЦ

3114

2661

70000-74113

ПСК

DRX-4

512

491

59000-59511

ПСК-26

АТСК-100/2000

1000

629

26000-26999

АТС-Заречный

АТСК-50/200

100

100


АТС-Заря, ПСК-29

АТСК-100/2000

700

560

29000-29699


В течении 1998 года была выполнена большая работа по развитию и модернизации сети ГТС: была произведена установка электронной станции DMS; были построены 2 новых шкафных района №707, 610.

С целью уменьшения затрат на содержание здания, отопление и электроэнергию была демонстрирована АТС ПСК- 4 на 1000 номеров и переключена на электронную станцию DMS. Качественные показатели работы ГТС как по станционному оборудованию, так и по линейному хозяйству соответствует всем техническим нормам и ухудшения незамечено. Ведется работа по инвентаризации и паспортизации линейно-кабельного хозяйства и станционного оборудования, составлен план капитального и текущего ремонта с разбивкой по кварталам, согласно обследованием и состояния линейного хозяйства.

В настоящее время составлен план мероприятий по дальнейшему развитию и модернизации линий ГТС и задействованию свободной емкости ГТС. Укрепление и модернизация городской сети не обошлось без модернизации междугородной, междугородной связи.

Существующая междугородная связь работает в основном по коаксиальным и симметричным кабелям с медными жилами и уплотняется аналоговой аппаратурой типа К-60. В настоящее время ведется переход на новую цифровую аппаратуру, работающую по оптико-волоконному кабелю, основой которой является аппаратура SDH, работающая на международной сети ТАЕ.


Рисунок 1.1. Схема городской телефонной сети

В трех райцентрах работает радиорелейная связь. Кроме того на сети используется системы FLUX. Каналы по FLUX организованы по цифровым системам оптического уплотнения на участках: АТС-7 - АТС-1, АТС-7 - АТС-2; АТС-7 - АТС-3; АТС-7- АТС-5; АТС7 - АТС-4; АТС-7 - АТС-6. Данные по межстанционным соединительным линиям Талдыкорганской городской дирекции телекоммуникаций (ГДТ) приведены в таблице 1.2.

Таблица 1.2 - Данные по межстанционным соединительным линиям

Наименование

АТС-1

АТС-2

АТС-3

АТС-4

АТС-5

АТС-6

АТС-7

АМТС

09

АТС-1 АТСКУ-2

4х пр. 145 вн.

3х пр. 50 исх. 50 вх.

3х пр. 35 исх 35 вх.

4х пр. 80 исх. 100 вх.

2х пр. 60 исх. 60 вх.

2х пр. 50 исх. 50 вх.

FLUX 25 исх. 20 вх.

FLUX 30 ЗСЛ 30 СЛМ

15 сп.

АТС-2 АТСДШ-54А

3х пр. 50 исх. 50 вх.

-

3х пр. 40 исх. 34 вх.

2х пр. 60 исх. 70 вх.

2х пр. 49 исх. 50 вх.

ИКМ 30 исх. 30 вх.

FLUX 25 исх. 25 вх.

FLUX 35 ЗСЛ 25 СЛМ

20

АТС-3 АТСК-100/200

3х пр. 35 исх. 35 вх.

3х пр. 34 исх. 40 вх.

-

3х пр. 40 исх. 40 вх.

3х пр. 40 исх. 38 вх.

ИКМ 20 исх. 20 вх.

FLUX 25 исх. 25 вх.

FLUX 20 ЗСЛ 20 СЛМ

10

АТС-4 АТСКУ

4х пр. 100 исх. 80 вх.

70 исх. 60 вх.

55 исх. 40 вх.

4х пр. 260 вн.

90 исх. 78 вх.

17 исх. ИКМ 33 исх. Ф.Л. 30 вх. ИКМ 15 вх. 2х пр.

FLUX 35 исх. 30 вх.

FLUX 60 ЗСЛ 50 СЛМ


АТС-5 АТСДШ-54А

2х пр. 60 исх. 60 вх.

2х пр. 50 исх. 49 вх.

3х пр. 36 исх. 40 вх.

2х пр. 68 исх. 90 вх.

-

ИКМ 35 исх. 35 вх.

FLUX 25 исх. 25 вх.

 30 ЗСЛ 40 СЛМ

20

АТС-6 АТСКУ

2х пр. 50 исх. 50 вх.

ИКМ 30 исх. 30 вх.

ИКМ 20 исх. 20 вх.

30 исх. ИКМ 15 исх. 2х пр. 15 вх. ИКМ 35 вх. 2х пр.

ИКМ 35 исх. 34 вх.

4х пр. 75 вн.

FLUX 25 исх. 25 вх.

 30 ЗСЛ 30 СЛМ

2х пр. 12 сп.

ПСК

-

80 исх. 76 вх.

-

-

-

-

-

9 СЛМ

-

Заря

-

20 исх. 25 вх. ИКМ 30/4

-

-

-

-

-

8 СЛМ

-


1.2 Обзор развития местных телефонных сетей

По оценкам зарубежных специалистов, использование средств связи в сочетании со средствами вычислительной техники обеспечивает 10-15 % экономии капиталовложений в национальное хозяйство, на 5-7 % снижает производственные затраты и на 8-10 % сокращает численность управленческого персонала. Несмотря на это, состояние местных телефонных сетей не соответствует потребностям страны по качеству и количеству услуг телефонной связи. И если по суммарной емкости местных телефонных сетей наша страна занимает одно из средних мест среди самых развитых стран мира, то по телефонной плотности, а это основной показатель развития связи, она значительно уступает не только развитым, но и некоторым развивающимся странам.

На сегодняшний день на 100 жителей приходится только 7,3 телефонных аппаратов: в городах и поселках городского типа 9,7 и в сельской местности - 1,7. Правда, в последние годы телефонная плотность значительно увеличилась в квартирном секторе, в целом по Республике Казахстан она доведена до 20,39, в том числе в городах - до 19,29, в сельской местности - до 5,15. В результате сейчас в городах каждая вторая семья имеет телефон.

Значительно хуже телефонизирован аграрно-промышленный комплекс, поскольку построение сетей сельской телефонной связи убыточно и, следовательно, мало привлекательно для инвесторов.

Сложность заключается в том, что 80 % АТС состоит из морально устаревшего оборудования. Так, сегодня на местных телефонных сетях работает 18,8 % декадно-шаговых, 61,2 % координатных АТС и лишь 15 % электронных и 4,9 % квазиэлектронных систем коммутации. Несколько лучше обстоит дело с внедрением цифровых систем передачи - на ГТС организовано 79,12 % цифровых высококачественных каналов соединительных линий, на СТС - 53,55 %. Дальнейшее развитие местных сетей будет идти не только по пути увеличения номерной емкости, но и по пути реконструкции устаревших АТС и линейных сооружений.

До недавнего времени соотношение отечественного и зарубежного оборудования, внедряемого на казахстанских сетях, составляло на все 100% зарубежное, но в последнее время картина начинает меняться. Сегодня сертификат соответствия имеет следующее коммутационное оборудование, запущенное в серийное производство совместной турецко-казахстанской фирмой «Веснет».

Следующий этап работы по совершенствованию местных телефонных сетей - повсеместное внедрение повременного учета разговора, причем в очень сжатые сроки. Это объясняется тем, что бесконтрольное использование имеющихся возможностей может создать серьезные проблемы в обеспечении бесперебойной работы местных телефонных сетей, так как 80 % устаревших аналоговых систем могут пропускать нагрузку 0,15 Эрл на одну абонентскую линию. В то же время огромные нагрузки, которые создают офисные станции (до 0,7 Эрл), офисы, размещающиеся в частных квартирах, надомники, работающие с помощью телефонов, телефонные аппараты с определителем номера, переговорные пункты и др., могут резко снизить качество предоставляемых услуг и привести к тому, что малоговорящие абоненты будут платить за часть разговоров многоговорящих. В связи с этим ОАО «Казактелеком» провел большую работу по сертификации и отбору различных систем АПУС. В частности, к внедрению допускаются только те системы, которые позволяют вести повременный учет телефонных разговоров с фиксацией номеров обоих абонентов, диагностику технического состояния АТС, статистический анализ работы телефонной станции, контроль нагрузки (трафика) на межстанционных линиях и др. Правда, пока лишь около 27 % телефонных номеров оборудовано АПУС.

На данный момент сертифицировано 11 типов АПУС. Новым ОТТ удовлетворяют: АТЕ plus (фирма Strom Telekom, Чехия), «АДД Тариф» (фирма АДД, Молдова), СТН-2000 (фирма Kobir, Эстония), TPLAK 100 и ANN 50/200S (фирма «Элсис», Литва), АПУС-В (фирма «Амфител», г. Электросталь Московской обл.). Не удовлетворяют требованиям новых ОТТ системы АПУС-3 (Екатеринбургский завод «Промсвязь»), АСД (АО «ПТС»), АПУС, ИТЭК (г. Чернигов), TEMS-10000 (фирма Lipman, Израиль).

Существенным фактором, определяющим качество работы местной телефонной связи, является состояние таксофонного парка. Сейчас на местной телефонной сети работают около 192 тыс. таксофонов, в том числе 3 365 универсальных. Кроме того 1162 таксофона установлены операторами коммерческих сетей. Однако основу таксофонного парка составляют морально устаревшие таксофоны семейства АМТ-69, которые переоборудуются под жетонный и карточный варианты.

Наиболее уязвимой составляющей таксофонной системы оказались таксофонные карты. Проблема безопасности производства и эмиссии карт может быть решена только централизованно - путем объединения и координации сил и средств всех операторов и поставщиков. При этом необходима разработка ведомственных нормативных актов, подкрепленных конкретными требованиями к системам безопасности.

Подводя итоги, можно сказать, что местные телефонные сети вступили в фазу качественной реконструкции, характеризующуюся прежде всего широким внедрением цифровых коммутационных станций. В данном случае подразумевается не только смена поколений технических средств на ГТС и СТС, но и существенное изменение основных принципов развития всей телекоммуникационной системы.

Одной из особенностей этого процесса является быстрое формирование спроса на информационное обслуживание самого современного уровня, что требует концентрации усилий и финансов для создания и внедрения новейших технологий. Поэтому особое значение приобретает организация национальной сети сигнализации ОКС № 7, полностью стыкующейся с мировыми сетями, и интеллектуальной сети. Уже сейчас реализована опытная зона ОКС № 7 и внедряется ЦСИО.

По мере использования оптического кабеля на абонентской сети представляется целесообразным использованием цифровых коммутационных станций большой емкости. Универсальные стыки между сетью доступа и групповым оборудованием превратили современную коммутационную станцию в совокупность двух модулей - сети доступа и группового оборудования. При этом сеть доступа должна обеспечивать подключение стандартных абонентских устройств, а групповое оборудование - сеть ОКС № 7 и стык с интеллектуальной сетью. Сеть доступа и групповое оборудование должны иметь стык с сетью технической эксплуатации (TMN).

Ожидаемые изменения в программно-аппаратных средствах будут отражать процесс эволюции современных коммутационных станций, вплоть до того момента, когда услуги широкополосной ЦСИО начнут играть доминирующую роль в развитии местных сетей. На этом этапе цифровые коммутационные станции будут преобразованы в АТМ - коммутаторы.

1.3 Абонентский доступ

Абонентская сеть, соединяющая терминальное оборудование с коммутационной станцией, считалось самым консервативным элементом телекоммуникационной системы. В конце ХХ века ситуация кардинально изменилась; к абонентской сети предъявляются новые требования. Выполнение этих требований ведет к существенным изменениям принципов построения и дальнейшего развития абонентской сети. В своем новом качестве она стала называться сетью абонентского доступа.

Процессы модернизации существующих серей абонентского доступа в самое ближайшее время изменят этот элемент телекоммуникационной системы до неузнаваемости. Операторам электросвязи следует обратить самое серьезное внимание на сети абонентского доступа. Использованные ранее принципы их создания и развития могут стать серьезнейшим тормозом дальнейшей модернизации всей телекоммуникационной системы. Одним из основных препятствий - проблемы существующей кабельной магистральной сети.

Проблемы кабельной магистрали существуют также давно, как и сами кабельные магистральные сети. На сегодняшний день - это:

физический износ;

перегруженность кабельной канализации и отсутствие свободных каналов;

моральный износ;

высокая стоимость эксплуатации, имеющая тенденцию к увеличению.

Растущий спрос на новые услуги при условии достаточного количества обычных медно-проводных абонентских линий предопределил разработку технологий «цифровых абонентских линий» (английский термин - Digital Subscriber Loop). Технологии, получившие название xDSL по английской аббревиатуре, позволили организовывать высокоскоростную цифровую передачу по существующим абонентским линиям. Таким образом, новые услуги, требовавшие цифрового метода передачи, стали предоставляться с использованием существующей кабельной распределительной сети.

В абонентских распределительных сетях стали широко применяться также оптические технологии. Получили распространение концепции FTTB (Fiber to the Building), FTTZ (Fiber to the Zone) и другие. Суть их сводится к отказу от дальнейшего строительства медных кабельных линий, вместо которых используются оптические. Такая концепция широко использовалась и используется при новом строительстве, однако она не нашла широкого распространения в районах со сложившейся инфраструктурой медных линий, где существенно дешевле применение xDSL.

В обоих случаях операторов интересовали возможности предоставления современных цифровых или интегрированных услуг и сеть доступа модернизировалась для решения именно этой задачи.

В развивающихся странах, к которым (по крайней мере в смысле сети связи) можно отнести Казахстан, потребности операторов другие. Спрос на новые виды услуг, хотя и растет, но все равно составляет единицы процентов, да и то в основном в крупных городах. Основной задачей развития сети по-прежнему остается традиционная «телефонизация», то есть обеспечение абонентов обычной аналоговой телефонной связью.

В развивающихся странах, в том числе и в Казахстане, также прошла (или идет) модернизация магистральных линий, затем транзитных станций, и, наконец, городских и сельских АТС. Под модернизацией в данном случае понимается новое строительство с постепенным выводом из эксплуатации устаревшего оборудования. При этом емкость новых коммутационных станций обычно в несколько раз больше заменяемых старых. Таким образом, у оператора появляется возможность предоставления качественных услуг традиционной телефонии с точки зрения возможностей коммутационного оборудования и магистральной сети, но отсутствует или явно недостаточна по емкости абонентская распределительная сеть.

Современные технологические решения, разработанные изначально для предоставления цифровых услуг, были с успехом применены и для задач, характерных для развивающихся стран. Так, на основе решений xDSL была создана целая гамма оборудования уплотнения абонентских линий. Это оборудование позволяет повысить эффективность использования существующих АЛ в 4,8, а иногда и в 30, 60 раз.

Как и в развитых странах, операторы заинтересованы в максимально эффективном использовании существующей кабельной сети, а при новом строительстве предпочтение отдают прокладке широкополосных, надежных и удобных в эксплуатации волоконно-оптических линий связи (ВОЛС). Применение ВОЛС на участке «последней мили» давно стало нормой в странах Юго-Восточной Азии, Южной и Центральной Америки и т.д. При этом на первом этапе ВОЛС используется в основном для предоставления обычных аналоговых услуг, а в дальнейшем, по мере возникновения платежеспособного спроса, по тем же линиям предоставляются услуги ISDN или передачи данных.

Несколько особняком стоит фиксированный радиодоступ (английский термин WLL - Wireless Local Loop). Данный способ подключения абонентов в последние годы начал широко применяться во всем мире для решения задач, предоставления традиционных услуг аналоговой телефонии. Предоставление с помощью средств радиодоступа цифровых, особенно широкополосных услуг затруднено ограниченностью частотного ресурса. Для беспроводной передачи данных используются специализированные системы. Радиодоступ применяется в основном альтернативными операторами, не имеющими собственной кабельной распределительной сети. Эффективен он также в труднодоступных и малонаселенных районах.

Все эти тенденции не должны обойти и Республику Казахстан которая становится все более активным участником создаваемого глобального информационного сообщества.

1.4 Классификация технологий xDSL

Под названием xDSL подразумевается семейство технологий, предназначенных для организации цифровых абонентских линий - DSL (Digital Subscriber Line) - с использованием в качестве среды передачи медных витых пар существующих абонентских телефонных кабельных систем.

На современном этапе развития семейство xDSL включает следующие технологии:

- DSL;

IDSL;

HDSL, SDSL;

ADSL, RADSL, UADSL;

- VDSL и др.

Модемы xDSL имеют отличительную особенность по сравнению с модемами для физических линий. Они используют спектр частот, не пересекающийся со спектром канала ТЧ, благодаря чему на абонентской линии можно вести телефонные переговоры одновременно с передачей цифровой информации.

Прогнозы развития рынка xDSL, предоставленные различными фирмами, учитывают особенности различных регионов мира и сделаны отдельно для делового и частного секторов. Например, по прогнозам Datamonitor в 2004 г. 21% всех европейских предприятий в качестве средства доступа в Интернет будут использовать DSL. Если в 1998 г. это число составляло 500 тыс. предприятий, то к 2005 г. ожидается, что оно достигнет 900 тыс., а к 2010 г. - 1,5 млн. В частном секторе Европы к 2005 г. количество пользователей ADSL вырастет до 6,6 млн.

Рисунок 1.2. Часть "родословного дерева" xDSL с разделением по средствам и направлению передачи

Для наглядной классификации методов xDSL необходимо распределить их по технологиям и применению этих технологий в различных службах и оборудовании. При составлении "родословного дерева" xDSL ограничиваемся рассмотрением различных технологий xDSL.

.4.1 Разделение технологий xDSL по среде передачи

Первоначально понятие DSL употреблялось только в связи с передачей по симметричным медным линиям, в США оно приравнивалось к BRI-ISDN (Basic Rate Interface Integrated Services Digital Network). Со временем варианты беспроводных линий Wireless Local Loop стали также обозначать DSL (чего, однако, не приемлют некоторые специалисты), например, WDSL - Wireless DSL, AirDSL, skyDSL. Недавно фирмой Alcatel Kommunikations-Elektronik в рамках представления нового оборудования LineRunner для СеВ1Т2000 были введены сокращения FDSL (Fiber DSL) и PDSL (Powerline DSL). На рис. 18 показана часть "родословного дерева" технологий xDSL. Далее в качестве среды передачи мы будем рассматривать только медь.

1.4.2 Разделение технологий xDSL по отдельным направлениям

Для передачи xDSL используются симметричные пары медных проводов, причем технологии отличаются тем, сколько пар используется и как осуществляется разделение в различных направлениях.

Самое простое и лежащее на поверхности решение - передача данных в прямом и обратном направлениях (прямое: от АТС к абоненту; обратное - от абонента к АТС) по разным парам (пространственное уплотнение), то есть по каждой из пар передача осуществляется только в одну сторону, отсюда и название - симплекс. В этом случае говорят о UDSL (Unidirectional DSL).

Большая часть технологий xDSL является дуплексной, то есть передача происходит по одной паре в прямом и обратном направлениях, причем разделение осуществляется с помощью эхокомпенсации и/или частотного разделения. При полу дуплексе происходит передача в обоих направлениях тоже только по одной паре, но разновременно. В зависимости от времени, необходимого для передачи в обоих направлениях, возможно разделение по постоянной и переменной временной сетке. Основными представителями являются VDSL (Very high bitrate DSL) с использованием TDD (Time Division Duplex), японский вариант ISDN с ТСМ (Time Compression Multiplexing) и EtherLoop (рисунок 1.2).

Разделение дуплексных технологий xDSL по соотношению скоростей передачи в прямом и обратном направлениях

Дуплексные технологии xDSL можно разделить по соотношению скоростей передачи в прямом и обратном направлениях. Если скорости в обоих направлениях одинаковы, то говорят о симметричных технологиях xDSL (Symmetric DSL). В асимметричных технологиях (Asymmetric DSL) скорость передачи в прямом направлении намного выше, чем в обратном. В частном случае ADSL могут эксплуатироваться и в симметричном режиме. Говоря о Reverse ADSL - сокращенно RDSL (это сокращение используется также для Residential DSL), имеют в виду обратимую ADSL, скорость передачи которой в обратном направлении больше, чем в прямом (что недопустимо из-за больших переходных помех).

Симметричные технологии xDSL.

Симметричные технологии xDSL различают по числу пар используемых проводов. HDSL (High bitrate DSL) - один из важнейших представителей симметричных технологий xDSL - применяется для передачи по одной, двум или трем парам. Часть "родословного дерева" xDSL для симметричных технологий представлена на рисунке 1.3.

Сначала появился вариант HDSL для двух пар, нормированный в ANSI (American National Standards Institute, который использует кодирование 2B1Q). Затем прошла стандартизация вариантов HDSL для трех, двух и одной пар в ETSI (European Technical Standards Institute) (с использованием 2B1Q или CAP - Carrierless Amplitude Phase Modulation). Все виды технологий HDSL нашли всемирное применение. Особое место занимает ненормированный вариант wDSL (wavelet DSL).

Рисунок 1.3. Симметричные технологии xDSL

Рисунок 1.4. Симметричные технологииx DSL для одной пары

Симметричные технологии xDSL для одной пары различают по скорости передачи: постоянная или переменная, или же с возможной установкой (рисунок 1.4). Для таких технологий также принято сокращение SDSL, поэтому проблемы в понимании "запрограммированы".

Самая старая симметричная технология xDSL для одной пары с постоянной скоростью - европейская или американская технология для BRI-ISDN, при которой осуществлялась дуплексная передача на скорости 160 кБит/с и разделение с помощью эхокомпенсации (кодирование: 2B1Q или 4ВЗТ). Модификация ISDN обозначается IDSL (ISDN DSL).

Для передачи Т1 по одной паре на минимальное расстояние 3,65 км при сечении провода 0,511 мм, на скорости 1,5 Мбит/с (например, на базе кода 2B1Q), были разработаны системы HDSL, которые не были нормированы в ANSI, так как их дальность достигала лишь 80-85% требуемой. Эти системы явились шагом на пути к разработке систем передачи на скорости 2,048 Мбит/с и позже на 2,304 Мбит/с по одной паре. В рамках ETSI была стандартизована передача на 2,304 Мбит/с (плюс 16 кБит/с) по одной паре.

Под эгидой ANSI в последние годы интенсивно велись поиски возможностей передачи Т1 по одной паре на минимальное расстояние 3,65 км. В результате появилась технология HDSL2, которая скоро будет стандартизована.

Одно из ее важных новшеств (по сравнению с HDSL) - применение различных спектров источников в прямом и обратном направлениях ("спектральная асимметрия"). В технологии HDSL2, которая уже нашла практическое применение, используется OPTIS (Overlapped РАМ Transmisson with Interlocking Spectra).

На основании знаний о развитии HDSL2 в ETSI, а также в МСЭ начались исследования новой технологии HDSL. В ETSI она получила название SDSL. Это вызвало еще большую неразбериху, так как для того, чтобы отличить ETSI-SDSL от вышеуказанных технологий SDSL, здесь (в соответствии с HDSL2) также употребляется сокращение SDSL2. Существенно то, что HDSL2 рассчитано исключительно на передачу Т1, SDSL2 требует скорости 384 кБит/с до 2,304 Мбит/с (с возможным растром 64 кБит/с).

Нормирование SDSL2 в ETSI должно быть предварительно завершено в первой половине 2000 г. В МСЭ проходят мероприятия по новым симметричным высокоскоростным технологиям под названием G.shdsl (в будущем G.991.2).

Зачастую полная скорость (544 или 2,304 Мбит/с) не требуется или необходимая дальность при этих скоростях не достигается. Отсюда появились новые системы, заполняющие "зазоры в скоростях": сначала это были системы MDSL (в интервале скоростей между 160 и 784 кБит/с), позднее - системы MSDSL, занимающие диапазон скорости передачи 160-2320 кБит/с. MDSL представляют собой множество подсистем MSDSL, которые не были нормированы, а используемая технология соответствует HDSL.

MDSL расшифровывают по-разному: Medium speed DSL; Medium bitrate DSL; Multi-rate DSL; Mid range DSL; Multiline DSL. MSDSL' означает Multi-rate Symmetric DSL. Здесь также приняты разные сокращения - MR-SDSL (Multi-Rate Symmetric SDSL) или М/SDSL (Multispeed Symmetric SDSL). Для указания возможности ступенчатого регулирования скорости передачи используется обозначение RA-HDSL (Rate Adaptive HDSL). В зависимости от технического исполнения, возможна ручная либо автоматическая установка оптимального значения скорости, обусловленная также качеством кабеля. MDSL/MSDSL в основном применяется в системах voice pair gain (например, ИКМ4А; ИКМ6А; ИКМ8А; ИКМ10А; ИКМ11А; ИКМ16А).

Сначала производители ИМС предложили решения для передачи на постоянной скорости, а затем - на переменной. Были разработаны решения с использованием конкретных линейных кодов. Однако сейчас большинство производителей ИМС предлагают универсальные решения, в которых с помощью программного обеспечения можно установить тот или иной вид кодирования (например, GlobeSpan Semiconductor для MSDSL/HDSL2/SDSL2). Фирма Metalink в этой связи ввела понятие Multi-Mode DSL. Так как симметричные технологии DSL для одной пары распространены очень широко, то появилось множество обозначений для оборудования, базирующегося на этих технологиях. Эти сокращения либо содержат буквы от названия фирм (например, GDSL, WaiDSL), либо уточняют отдельные особенности (FDSL, EA-sDSL), либо это просто "изобретения рынка" (TurboISDN).

Сначала технологии SDSL2 предназначались в основном для делового сектора. Но возможности комбинированной передачи речи и данных, повышенная потребность частного сектора в скорости передачи и хороших технических характеристиках (таких, как спектральная совместимость, аварийное питание и т.д.) могут в будущем привести к тому, что SDSL2 заменят ISDN в частном секторе и тем самым создадут серьезную конкуренцию асимметричным службам xDSL. Первые образцы оборудования SDSL2 были представлены уже на выставках "CeBIT'99" и "Telecom'99" .

Стремление к комбинированной передаче речи и данных, использование симметричных технологий xDSL привело к появлению такого оборудования, как, например, PoDSL, EDSL и EA-sDSL.

Асимметричные технологии xDSL.

Если первоначально развитие симметричных технологий xDSL в основном было ориентировано на потребности делового сектора, то асимметричные технологии xDSL были предназначены для частного сектора. Такой подход определяет существенную разницу в требованиях к ним. В частном секторе было необходимо, чтобы уже существующая телефонная служба (ТфОП или BRI-ISDN) продолжала работать и при переходе на ADSL. Иначе говоря, помимо телефонной службы требовалось обеспечить и передачу данных. С целью разделения речевых сигналов и сигналов передачи данных введены частотные разветвительные фильтры, называемые разветвителями. На рисунке 1.5 приводятся асимметричные технологии xDSL.

Асимметричные технологии xDSL с разветвителем.(т.н. Full-rate ADSL) - наверное, самая известная технология xDSL, первоначально требовала наличия разветвителя. По этой технологии максимальная скорость передачи в прямом направлении достигала 6,144 Мбит/с и в обратном 0,640 Мбит/с. Разделение осуществлялось с помощью эхокомпенсации или методом частотного разделения. Разветвители необходимы как со стороны АТС, так и со стороны потребителя. В ADSL после долгой "войны" CAP и DMT (Discrete Multitone Technology) последний вид модуляции получил наибольшее распространение.

Первые линии ADSL могли работать только на постоянных скоростях. Между тем решения ADSL могут регулировать скорость передачи в зависимости от качества линии. Из-за адаптивности скорости передачи эту технологию иногда ошибочно называют RADSL (технология Rate Adaptive DSL). Она базируется на CAP и включена ANSI в спецификацию TR-59.

Различают "ADSL over POTS" и "ADSL over ISDN". В зависимости от вида применения могут быть использованы различные диапазоны частот. При этом важен способ передачи для терминала базового доступа ISDN (2B1Q или 4ВЗТ, или ТСМ в Японии).

Интересно заметить, что сегодняшняя технология ADSL должна была бы называться ADSL3, поскольку первые идеи ADSL были выполнены с другими соотношениями скоростей передачи в прямом и обратном направлениях (ADSL1 -1,5Мбит/с/16 кБит/с; ADSL2 -3 Мбит/с/16 кБит/с; ADSL3 - 6 Мбит/с/64 кБит/с).

Очень высокие скорости передачи в прямом и обратном направлениях достигаются с помощью VDSL. Ранее для VDSL использовались также обозначения VADSL, BDSL (Broadband DSL) или VHDSL (Very High bitrate DSL). Стандартизация VDSL пока не закончена и не решено, какая из технологий будет выбрана: упомянутая технология, основанная на TDD (ей отдает предпочтение так называемый альянс VDSL), или технология на основе FDD (Frequency Division Duplex), предпочитаемая коалицией VDSL. В настоящее время нормирование этих технологий не может быть полностью завершено, так как ни у одной из них нет особых преимуществ по сравнению с другой.

Асимметричные технологии xDSL без разветвителя.

Внедрение ADSL на практике показало, что установка разветвителей связана с большими затратами. Поэтому были начаты поиски технологий ADSL, которые могут обойтись без разветвителя. Целым рядом фирм были предложены различные варианты исходя из уменьшения скорости передачи в обоих направлениях по сравнению с ADSL (например, MVL - Multiple Virtual Line DSL; CDSL - Consumer DSL; CiDSL - Consumer installable DSL). После проведения множества испытаний удалось сэкономить разветвитель на стороне абонента, но практика показала, что во многих случаях передача без фильтра получается не всегда (Microfilter; distributed filter; In-line-Filter). Технологии ADSL, не требующие разветвителя, были нормированы в МСЭ (G.992.1) и получили название G.Lite (а также ADSL. Lite или DSL. Lite )..Lite - технология, которая должна заполнить "зазор в скоростях передачи" между ADSL и VDSL.

Между тем "full rate ADSL" удалось реализовать без разветвителя.

Перейдем от классификации технологии xDSL к сопоставлению служб и оборудования xDSL по отдельным технологиям.

Так как службы и оборудование xDSL относятся как к симметричным, так и к асимметричным технологиям, то однозначно отнести их к определенной категории можно не всегда.

Один из самых популярных в последнее время, но до сих пор не упомянутых нами терминов - VoDSL (Voice over DSL) - буквально означает передачу речевых сигналов по цифровым линиям сети абонентского доступа. По нашему мнению, сокращение выбрано не совсем удачно, так как передача речи возможна почти по всем технологиям xDSL.

Различают VoSDSL и VoADSL, при этом их особенностью часто является сочетание сжатия речевых сигналов и ATM. Таким образом осуществляется передача до 16 ТфОП.

Рисунок 1.5. Асимметричные технологии xDSL службы и оборудование xDSL

Стандарты на технологии DSL.

Наиболее значимые (с точки зрения ожидаемого массового внедрения) DSL-технологии стандартизованы ETSI - European Technical Standards Institute, ANSI - American National Standards Institute или МСЭ.

В таблице 1.3 приведен список стандартов, действующих в DSL-мире. Естественно, если та или иная технология не стандартизована, это не значит, что ее нельзя применять. Многие из технологий стандартизировались "де факто", т. е. стандарт создавался уже после того, как технология прошла проверку массовым использованием.

Таблица 1.3 - Список стандартов, действующих в DSL-мире 

Наименование

ETSI

ANSI

ITU-T

HDSL

TS 101 135 (V1.5.1.)

TR28

G.991.1

ADSL

TS 101 388 (V1.2.1) ETR 328

T1.413

G.992.1 «G.dmt»

ADSL-lite

TS 101 388 (V1.2.1) ETR 328

T1.413

G.992.2 «G. lite»

SDSL

TS 101 524-1 (V1.1.1) TS 101 524-2 (V1.1.1)


G.991.2 «G.shdsl»

HDSL-2

-

T1E1-006 (draft)


VDSL

TS 101 270-1 (V1.2.1) TS 101 270-2 (V1.1.1)

T1E1.4-004

«G.vdsl»


Примеры применения и построения систем HDSL.

Ниже, как пример одного из наиболее гибких решений оборудования HDSL, приведено краткое описание серии WATSON2, WATSON3 и WATSON4 производства Schmid Telecom AG.

Для организации линейного тракта в аппаратуре HDSL используются две технологии кодирования - 2В1Q И CAP, В зависимости от примененной технологии линейного кодирования различается и дистанция безрегенераторной передачи. Компания Schmid Telecom AG (Цюрих, Швейцария) является одним из ведущих мировых производителей оборудования HDSL. В отличие от большинства других поставщиков, Schmid поставляет системы HDSL, основанные на обеих технологиях кодирования - 2В1Q (WATSON2) и CAP (WATSON3, WATSON4). В системе WATSON4 впервые в мире применена технология кодирования CAP-128, обеспечивающая передачу потока 2 Мбит/с по одной паре медного кабеля. Благодаря единству конструктивного исполнения систем WATSON, оператор имеет возможность гибкого выбора модема, оптимального по соотношению возможность/цена.

Опыт применения систем HDSL в России показывает, что оборудование WATSON3 (технология CAP-64) безусловно превосходит по качественным параметрам (дальность, помехозащищенность и т.д.) аппаратуру, основанную на технологии 2В1Q. Однако по ценовым показателям, системы WATSON3 уступают WATSON2 ввиду того, что технология 2В1Q является существенно более распространенной и дешевой в производстве. Существенно, что с появлением системы WATSON4 (CAP-128) появилась возможность использования на относительно коротких линиях оборудования WATSON4, работающего по одной паре приблизительно на той же дистанции, что 2В1Q по двум парам. Стоимость WATSON4 практически одинакова с WATSON2, а благодаря экономии одной пары экономическая эффективность использования WATSON4 еще более увеличивается. Таким образом, появилась возможность полностью отказаться от применения технологий 2В1Q.

Компанией Schmid Telecom AG предлагаются следующие системы HDSL:

WATSON2 с технологией 2В 1Q, передает поток 1 Мбит/с по одной паре или 2 Мбит/с по двум парам;

WATSONS с технологией САР64, передает поток 1 Мбит/с по одной паре или 2 Мбит/с по двум парам;

WATSON4 с технологией CAP 128, передает поток 2 Мбит/с по одной паре;

WATSON4 Multi-Speed с технологией CAP, с изменяемой линейной скоростью, позволяет вести дуплексную передачу на скоростях от 128 кбит/с до 2048 кбит/с по одной паре с увеличением дальности работы при снижении линейной скорости.

Технология HDSL Schmid обладает явными преимуществами перед другими технологиями организации цифровых трактов. В отличие от оптического волокна, коаксиального кабеля или радиолиний, системы HDSL могут быть установлены в считанные часы и имеют низкую стоимость. Автономно или в комбинации с другим телекоммуникационным оборудованием HDSL WATSON может применяться для:

межстанционных связей цифровых или (совместно с мультиплексорами ИКМ-30 любого типа) аналоговых АТС, для подключения учрежденческих АТС;

замены сложных в обслуживании и требующих множества промежуточных регенераторов линейных трактов ИКМ-30;

уплотнения абонентских линий и организации абонентского выноса (совместно с мультиплексорами временного разделения);

организации доступа к высокоскоростным оптоволоконным трактам SDH или PDH;

связи локальных сетей или высокоскоростного доступа к сетям передачи данных, в том числе Internet;

соединения узлов коммутации и базовых радиостанций сотовых сетей связи.

Некоторые типовые примеры использования технологии HDSL даны на рисунке 1.6 - 1.11.

Рисунок 1.6. Межстанционная связь между цифровыми АТС

Рисунок 1.7. Межстанционная связь между аналоговой и цифровой АТС

Рисунок 1.8. Абонентский вынос

Перечень применений технологии HDSL расширяется с каждым годом по мере роста потребности в недорогом, быстром и надежном решении для высокоскоростной связи.

Рисунок 1.9. Доступ к сети SDH

Рисунок 1.10. Объединение локальных вычислительных сетей

Рисунок 1.11. Применение HDSL для соединения базовых станций в сотовых сетях связи

При построении систем HDSL WATSON применен блочный принцип. Оператор может выбрать вариант конструктивного исполнения, технологии линейного кодирования, протокола сетевого управления, тип интерфейса. Таким образом достигается гибкость выбора параметров системы при сохранении низкой стоимости из-за отсутствия ненужной избыточности. В состав аппаратуры WATSON входят следующие блоки:

Блок линейного окончания (LTU) для монтажа в модульной кассете 19" или в корпусе minirack для стойки 19"

Блок сетевого окончания (NTU) в настольном исполнении или в корпусе minirack для монтажа в стойку 19".

Резервированный модуль подключения питания (PCU) для кассеты 19" (выполнен в виде двух раздельных модулей).

Модуль управления (CMU) для кассеты 19" для легкой интеграции с системами централизованного сетевого управления на базе протокола SNMP.

Регенератор для особенно больших расстояний.

Кассета 19", в которую могут устанавливаться модули WATSON2, WATSONS и WATSON4.

Функциональные возможности системы WATSON:

Скорость по интерфейсу пользователя (G.703) 2 Мбит/с.

Любая скорость (кратная 64 кбит/с) - до 2 Мбит/с (V.35, V.36, Х.21) по интерфейсу пользователя.

Изменения линейной скорости (144, 256, 512, 1048 кбит/с) с соответствующим изменением дальности работы.

Интерфейс Ethernet 10BaseT с функцией моста (bridge) - для непосредственного подключения ЛВС.

Работа по одной паре - со скоростью до 1 Мбит/с (WATSON2, WATSON3) или до 2 Мбит/с (WATSON4).

Два интерфейса (N*64 кбит/с каждый) - для независимой работы двух трактов со скоростью до 1 Мбит/с каждый, т.е. система выполняет функции двухканального мультиплексора.

Резервирование по одной паре - в случае обрыва одной из пар по другой передаются 15 информационных временных каналов, а также каналы 0 и 16, используемые обычно для сигнализации и управления.

Полное резервирование 1+1 - две пары систем HDSL устанавливаются параллельно, в случае выхода из строя одной из них, вторая (горячий резерв) обеспечивает передачу полного потока 2 Мбит/с.

Режим работы - прозрачный или режим с разбивкой по кадрам (G.703, G.704, ISDN PRA).

Управление - локальное (по интерфейсу RS232) или дистанционное (по вторичному каналу), централизованное сетевое управление.

Система измерения параметров линии, сигнализации ошибок и определения качества передачи - встроенная.

1.5 Планирование и оптимизация топологии сетей абонентского доступа

Один из важных аспектов процесса планирования состоит в разрешении вопросов проектирования и модернизации топологии сети на основе достоверных исходных данных о территории и существующих объектах. Ниже обсуждается вопрос о применении современной программной объектно-ориентированной технологии для решения задач паспортизации и проектирования сетей связи.

Сеть абонентского доступа (САД). Под САД понимается совокупность линий и устройств, включенных в одну АТС напрямую или через выносной модуль (концентратор, мультиплексор). Ее структура состоит из абонентских и магистральных линий, зоны прямого питания, распределительного участка.

Современный этап развития электросвязи характеризуются рядом качественных изменений, из которых наиболее существенные протекают именно на САД. В первую очередь следует отметить широкое применение радиосредств для обеспечения доступа абонентов к телефонной сети общего пользования (ТфОП). В качестве одной из задач использования радиосредств можно выделить организацию абонентского доступа для подключения стационарных абонентов к ТфОП.

Второй важнейший шаг в эволюции САД - широкое применение оптоволоконного кабеля (ОК). Использование этой среды распространения сигналов эффективно уже на современном этапе эволюции электросвязи. По мере предоставления услуг, требующих применения широкополосных каналов, использование ОК считается сегодня необходимым условием.

Оптимальная структура САД выбирается на этапе расчета различных вариантов. Абоненты могут включаться в цифровую коммутационную станцию (ЦКС) одним из приведенных ниже способов:

·   посредством индивидуальных двухпроводных физических абонентских линий (АЛ), включаемых в кросс ЦКС;

·   через концентраторы или мультиплексоры, которые посредством ИКМ - трактов соединяются прямо с ЦКС;

·   через концентраторы или мультиплексоры, которые, в свою очередь, подключаются к другому концентратору или мультиплексору;

·   посредством индивидуальных АЛ, образованных так называемыми радиоудлинителями;

·   с помощью цифровых систем с множественным доступом сопрягаемым с ЦКС по ИКМ - трактам.

Конкретные характеристики, определяющие целесообразность этих вариантов, зависят от многих факторов, характеризующих как конкретную местную сеть, так и тип используемого коммутационного оборудования. В настоящее время основное внимание уделяется вариантам внедрения цифровых АТС с концентраторами, но, тем не менее, мультиплексоры также достаточно широко применяются в ряде стран. Можно считать, что каждая ЦКС выполняет две основные функции: установление соединения между абонентами и концентрацию нагрузки с целью эффективного использования ресурсов первичной сети.

Планирование САД - комплексная процедура, включающая в себя вопросы анализа потоков размещения концентраторов, выбора топологии сети, емкостей и состава оборудования. При этом предполагается увеличение надежности, качества обслуживания сети одновременном снижении стоимостных показателей (капитальных вложений или приведенных затрат). Сеть доступа для ЦКС должна отвечать как требованиям цифровой телефонии, так и задачам реализации перспективных телекоммуникационных технологий.

Задача оптимизации размещения оборудования. Выбор оптимального количества оборудования, размещение его и емкостей выносных модулей необходимы при моделировании ситуаций, при которых известен спрос на услуги связи (требуемая подводимая емкость). Из фиксированной совокупности типов существующих или перспективных коммутационных устройств (новые модули, оборудование для модернизации станций и др.) требуется выбрать такое подмножество устройств, которое бы удовлетворяло спрос наилучшим образом. Критерием качества удовлетворения потребности в связи будем считать суммарные затраты. Поэтому при выборе оптимального множества устройств, станем исходить из критерия минимума суммарных затрат. Сфера применения описываемой модели не ограничивается данной задачей. Она может быть использована, когда необходимо выбрать оптимальный ряд обслуживающих устройств, исходя из заданной потребности в обслуживании и критерия минимизации затрат. При этом может учитываться специфика различных вариантов задачи (выбор перспективных устройств, реконструкция существующих и др.).

Задачи оптимизации структуры сети. По структуре САД можно выделить три основные топологии: кольцевую, радиально-узловую и радиальную. Большой интерес представляет кольцевая структура, так как она характеризуется большей надежностью и многообразием вариантов.

Применение программной объектно-ориентированной технологии для представления и структурного анализа САД. Приведенный анализ некоторых задач и алгоритмов для планирования САД показывает, что даже частные подзадачи достаточно сложны и могут решаться только с применением эвристических методов.

Общая задача оптимизации САД еще сложнее. Ее решение может быть получено путем анализа частных подзадач. Применение автоматизированной системы для решения оптимизационных задач позволит рассматривать сеть в целом, как сложный многофункциональный объект с учетом трудно формализуемых требований, которые в диалоговом режиме могут быть предъявлены проектировщиком.

Развитие компьютерной технологии и математических методов пространственного анализа сделали возможным сохранять, накапливать отдельно или в совокупности, находить и показывать данные о различных объектах, имеющих топологию. Современные объектно-ориентированные информационные системы могут легко обрабатывать данные и воспроизводить результаты работы моделей.

Анализ информации при проектировании, маркетинге и развитии сетей должен производиться на основе достоверных данных о сетях. Возникает необходимость в паспортизации существующих сетей. Эту проблему решают с помощью компьютерных технологий.

Технология объектно-ориентированной системы позволяет вводить и анализировать картографическую информацию, сохраняемую в цифровой базе данных. Атрибутивные данные служат описательной информацией об особенностях объектов, размещенных на карте. Обычно эти особенности относятся к физическим объектам, которые легко отобразить (здание, улица, кабельная канализация, колодец и др.). Но часто они не видны (например, число пар в кабеле или абонентов в здании). Атрибутивные данные позволяют описывать и анализировать распределения характеристик на некоторой заданной территории города (распределение абонентов в районе, подключенных к электронным цифровым станциям; распределение абонентов, имеющих факс-модемы, и др.). В этом случае атрибутивная информация собирается об объектах, территориально привязанных на карте. Логическая структура подобных данных требует пространственной привязки к координатам цифровой карты. Исправление и внесение информации определяются топологическими взаимоотношениями всех точек, линий и областей и осуществляются с помощью набора программных средств.

Для решения задач планирования САД требуется: план пристанционного участка, содержащий информацию обо всех существующих элементах САД; дополнительная информация к плану (новые районы застройки, препятствия для прокладки кабельной канализации и пр.); характеристика кабельной канализации, типы и возможность использования существующих кабелей; требования по размещению и емкости новых абонентов; типы и стоимость оборудования; финансовые ограничения.

Декомпозиция задач планирования может рассматриваться как выделение элементов и структуры первичной и вторичной сети доступа. К первичной сети можно отнести элементы линейно-кабельных сооружений и систем коммутации различных типов. Требования к пропускной способности первичной сети, наличнонезависимых путей передачи информации и др. определяются вторичными сетями. При анализе первичной сети необходимо помнить о взаимосвязи требований, налагаемых вторичными сетями. Например, выбор оптимальной емкости концентраторов для ЦКС, значение которой определяет пропускную способность линий САД и её структуру.

Большинство задач по реализации современной САД относится к планированию первичной сети: делению САД на сектора; выбору мест расположения и ёмкости концентраторов; определению структуры подключения абонентов; выбору оптимальной кольцевой структуры на плане пристанционного участка по критерию минимальных затрат.

Анализ пространственных данных включает определение моделей данных и алгоритмов их обработки, связанных с получением новой информации об исследуемом объекте. Следовательно, анализ возможности развития САД подразумевает сначала определение модели её исследование, исходя из топологических структур, обусловленных атрибутивными данными. Пространственный анализ начинается с постановки задачи, изучения географической карты и атрибутивных данных с помощью различных статистических, математических, геометрических и картографических методов, определяемых как средства пространственного анализа. Эти средства являются компьютерными программами, осуществляющими поиск данных, обработку и графическое представление результатов. Одним из видов пространственного анализа, реализуемым в системе, служит сетевой анализ. Топологические данные, представленные точечными и линейными объектами, обеспечивают возможность получения взаимосвязанной структуры сетевого объекта и обработки его атрибутивных данных с помощью алгоритмов сетевого анализа.

Теоретические и концептуальные вопросы создания современных систем абонентского доступа разрабатывались ИВММГ СО РАН совместно с ЛОНИИС.

1.6 Принципы проектирования перспективных сетей абонентского доступа

Для того чтобы проиллюстрировать отличия в принципах построения существующей и перспективной САД, рассмотрим модель сети абонентского доступа.

Общий подход к проектированию САД. Процесс проектирования целесообразно разделить на несколько этапов.

а) Постановка задачи, в результате которой выбираются критерии планирования сети и формируются исходные данные, формализованные по заранее заданным правилам.

б) Краткосрочное и долгосрочное прогнозирование необходимых для процесса проектирования величин.

в) Декомпозиция задачи, состоящая в постановке вопросов по первичной (транспортной) и вторичным (информационным) сетям.

г) Разработка возможных сценариев по созданию или развитию фрагмента телекоммуникационной системы.

д) Анализ возможных сценариев с учетом финансовых, технических и иных ограничений; выбор тех сценариев, которые могут быть реализованы.

е) Решение поставленной задачи путем использования соответствующих математических методов.

ж) Интерпретация результатов решения с учетом различных ограничений и составление необходимой проектной документации.

Все этапы взаимосвязаны между собой более сложным образом, чем простая последовательность операций. Сплошные линии отображают переходы между смежными этапами. Пунктирные введены для изображения условных переходов, которые определяются в зависимости от результатов, полученных на каком-либо этапе.

1.6.1 Способы построения сетей абонентского доступа

Развитие телекоммуникационных сетей и служб связано с переоборудованием АТС, заменой аналоговых систем передачи на цифровые. Трудности переоснащения сетей связаны в настоящее время с тем, что государственная телефонная сеть общего пользования как единое целое прекратила свое существование. Местные телефонные сети перешли в ведение самостоятельных предприятий связи, что замедляет инвестирование средств в информационную инфраструктуру.

По планам развития ТфОП в ближайшее время предполагается ввод в эксплуатацию значительной номерной емкости за счет установки новых электронных (цифровых) коммутационных станций и замены устаревших АТС декадно-шаговой и координатной систем. На телефонных сетях при этом сохраняется также аналоговое коммутационное и каналообразующие оборудование. Поэтому новые технические средства, применяемые на так называемой "последней мили", должны быть пригодны для работы как с аналоговым, так и с цифровым оборудованием. Именно это факт характеризует специфику российских телефонных сетей, так как в большинстве западных стран вся сеть связи оснащена цифровой техникой.

В мировой практики сфера информационного бизнеса является привлекательной с точки зрения вложения капитала, так как дает возможность инвесторам получать гарантируемые доходы в течение примерно 15 лет после возврата первоначально вложенного капитала. Средний срок эксплуатации оборудования связи, как правило, значительно превосходит этот срок. В наших условиях срок окупаемости оборудования больше при меньшей норме прибыли ( около 11% к вложенному капиталу).

Значительную часть общих затрат на сооружение ГТС составляют затраты на абонентскую распределительную сеть (до 30%). Наиболее распространены следующие способы, позволяющие повысить эффективность использования АЛ, а также получить абонентам дополнительный доступ к телефонной и другим сетям (через ресурсы ТфОП):

. Спаренное включение телефонных аппаратов;

. Применение всевозможного каналообразующего оборудования (систем уплотнения и мультиплексоров);

. Организация выноса станционного оборудования в места концентрации абонентов (подстанции и концентраторы);

. Бесшнуровое подключение (радио доступ).

При спаренном включении двух близко расположенных телефонных аппаратов (ТА), каждому из которых присвоен свой абонентский номер, оба подключаются к одной АЛ. На рисунке 1.12 показано такое подключение к АТС через комплекты спаренных аппаратов (КСА), при этом в корпусах спаренных ТА вмонтированы разделительные диодные цепи, позволяющие переключать ТА при поступлении соответствующего вызова. При разговоре по одному ТА, второй отключается от общей линии запертыми диодами. Как показывают расчеты, применение спаренного включения оказывается выгодным по затратам, начиная с расстояния 0,3 - 0,5 км от АТС. Данный способ снижает расход кабеля, но является крайне неудобным и нежелательным для абонентов.

Применение систем уплотнения (системы передачи) на всех участках сети позволяет увеличить дальность передачи и число каналов в линии связи. При этом под каналом обычно понимают совокупность технических средств и среды распространения, обеспечивающую передачу сигналов в определенной полосе частот (при аналоговой передаче) или с определенной скоростью (при цифровой передачи).

Рисунок 1.12. Спаренное включение ТА

В общем виде системы уплотнения имеют общую структурную схему, приведенную на рисунке 1.13. Сигналы от N источников информации (абонентов) поступают на входы N каналов оборудования системы уплотнения. В каждом канале с помощью соответствующего модулятора М происходит преобразование исходного сигнала в канальный и на выходе сумматора уже действует групповой сигнал S(t). Необходимость преобразования исходных сигналов в канальные обусловлена тем, что совокупность исходных каналов не обладает свойством разделимости.

Рисунок 1.13. Структурная схема системы уплотнения

Передающая часть оборудования преобразует групповой сигнал в линейный, который поступает в линию связи. Это преобразование обусловлено большим разнообразием линий связи на сети: воздушные, кабельные, радиорелейные, спутниковые, волоконно-оптические и др. При формировании линейного сигнала из группового должны учитываться рабочий диапазон передаваемых частот, уровни передаваемых и принимаемых сигналов, а также помех в линии.

Приемная часть восстанавливает форму передаваемых сигналов и преобразует линейный сигнал в групповой. С выхода линейного тракта сигнал S(t) поступает на вход совокупности разделителей канальных сигналов (P), затем с помощью демодуляторов (ДМ) канальные сигналы преобразуются в исходные.

При передаче по линиям происходит искажение формы сигнала и наложение помех. Уменьшить влияние этого фактора позволяют усилительные или регенерационные пункты линии, восстанавливающие форму сигналов и обеспечивающие их помехозащищенность.

Система абонентского высокочастотного уплотнения (АВУ) позволяет получить на одной АЛ, кроме немодулированного исходного сигнала с частотами 0,3-3,4 кГц (эффективный спектр речи), еще один дополнительный высокочастотный канал. Этот канал получается с помощью модуляторов и несущих частот однократным преобразованием исходного сигнала. Для передачи по высокочастотному каналу от ТА к АТС используется частота 28 кГц, а от АТС к ТА - частота 64 кГц. С помощью этих несущих формируются сигналы, спектры которых занимают взаимно непересекающиеся диапазоны частот рисунок 1.14. В линию передается несущая частота и две боковые частоты, получившиеся при преобразовании исходного сигнала. Такой способ передачи является нерациональным, так как ширина спектра передаваемого по линии сигнала более чем в 2 раза больше, чем ширина спектра исходного сигнала. Обе боковые полосы несут одинаковую информацию об исходном сигнале, а несущая не содержит полезной информации, при этом ее мощность значительно (примерно в 100 раз) превосходит мощность боковых полос. При таком способе большая часть мощности линейного сигнала расходуется бесполезно, однако, построение системы максимально упрощается и удешевляется.

Рисунок 1.14. Спектр передаваемых АВУ сигналов

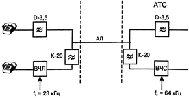
Система АВУ состоит из двух фильтров для выделения частот низко частотного канала (Д-3,5), двух фильтров для выделения частот высоко-частного канала (К-20) и двух блоков высокочастотных преобразователей: станционного ВЧС и линейного ВЧЛ рисунок 1.15. Система АВУ имеет невысокую надежность и низкое качество связи (особенно низкочастотный канал), что обуславливает необходимость ее замены на цифровые системы.

Рисунок 1.15. Схема построения АВУ

В настоящее время все шире внедряются цифровые системы уплотнения (передачи) АЛ, для которых характерны следующие преимущества: высокая помехозащищенность; стабильность параметров каналов; эффективность использования пропускной способности каналов при передачи дискретных сигналов; слабая зависимость качества передачи от длины линии связи; возможность построения цифровой сети связи; высокие технико-экономические показатели.

Структурная схема цифровой системы передачи (ЦСП) приведена на рисунке 1.16. Функционирование этих систем передачи связано с разбиением времени передачи на циклы длительностью Т, при этом частота следования (частота дискретизации) будет f=1/T. Каждый цикл N - канальной системы передачи разбивается на N канальных интервалов (КИ) длительностью t =T/N. При этом в течении каждого канального интервала передается информация соответствующего канала, которая содержит информацию о мгновенных значениях отсчётов в исходном сигнале. Отсчёты производятся с частотой дискретизации fд. Временное расположение канальных сигналов в групповом сигнале рисунок 1.17 определяется распределителем канальных импульсов (РИК).

Рисунок 1.16. Структурная схема ЦСП

Рисунок 1.17. Упрощенная схема циклов

С помощью аналого-цифрового преобразователя (АЦП) каждому импульсу группового сигнала будет соответствовать кодовая комбинация и на выходе АЦП сформируется групповой сигнал импульсно-кодовой модуляции (ИКМ). На приемном конце под воздействием импульсов РИК приема замкнется соответствующий канальный ключ (КЛ), в результате чего будет выделен канальный сигнал.

Обычно Т =125 мкс fд=кГц, число элементов в кодовой комбинации m=8, структура циклов для одной из самых распространенных цифровых систем ИКМ - 30 показано на рисунке 1.18. Выбор частоты дискретизации 8 кГц обоснован теоремой В.А. Котельникова, в соответствии с которой исходный сигнал, представленный с помощью дискретных отчетов, может быть восстановлен, если значение частоты f не менее удвоенной максимальной частоты спектра исходного сигнала.

Рисунок 1.18. Структура циклов ИКМ - 30

Для передачи речевых сигналов считается достаточным передавать спектр 300 - 3400 кГц. На рисунке 1.19, показана область частот, где сосредоточена основная энергия звуков речи (Р) на русском и английском языках. Из рисунка видно, что за максимальную частоту речевых сигналов можно принять частоту равную, 4кГц. Этим и объясняется выбор частоты отсчётов (дискретизации) fд=кГц.

Рисунок 1.19. Энергетический спектр речевого сигнала

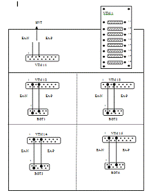
Применение мультиплексоров MUX (рисунок 1.20) позволяет строить гибкие распределительные телефонные сети различной топологии и объединять потоки информации разного вида (телефонные сигналы и передачу данных, текста и видеоизображений).

Современные мультиплексоры разделения времени, предназначенные для использования на телефонных сетях, являются каналообразующим оборудованием, их основное отличие от традиционных систем уплотнения с импульсно кодовой модуляцией состоит в том, что:

. Мультиплексоры позволяют, кроме традиционной передачи телефонных сигналов, передавать данные с разной скоростью, для этого мультиплексоры снабжены портами (точками подключения), поддерживающими разные скорости;

. Мультиплексоры, обладающие свойством "drop&insert" (add/drop), позволяют выделять часть каналов из общего линейного потока, а также объединять каналы в общий линейный поток, это дает возможность строить сети сложной топологии. Широко применяются мультиплексоры для децентрализации оборудования АТС путем выноса его части в места концентрации абонентов (городской микрорайон, многоэтажный и многоквартирный дом, офис крупной фирмы и т. д.).

Рисунок 1.20. Пример построения сети с использованием мультиплексоров

При внедрении электронных цифровых АТС построение сети с помощью цифровых выносных подстанций, иногда называемых концентраторами, является весьма эффективными уже при расстоянии 500-700 метров до оконечных абонентских устройств. Основное отличие цифровых подстанций от мультиплексоров разделения времени заключается в возможности замыкания внутренней нагрузки через коммутационные поля (КП) подстанций. Для управления этими коммутационными полями предусматриваются управляющие устройства (УУ), более сложные, чем у мультиплексоров. Это приводит к более высокой стоимости подстанций по сравнению с мультиплексорами.

Цифровые подстанции (концентраторы) как и мультиплексоры, осуществляют аналого-цифровое преобразование сигналов; концентрацию нагрузки и коммутацию абонентский линий, при этом концентратор может представлять собой управляемую с основной (опорной) АТС подстанцию. Таким образом, вместо абонентских линий, имеющий сравнительно небольшое использование, от подстанций до опорной АТС идет пучок уплотненных соединительных линий (рисунок 1.21). Потребность в магистральных кабелях для абонентской сети при этом резко уменьшается. Цифровой поток доходит до подстанции, затухание соединительного цифрового тракта будет равно 0 дБ, тогда затухание, отведенное по нормам на абонентскую линию и равное 4,5 дБ, теперь будет считаться от подстанции, допустимая длина линии от подстанции до оконечного абонентского устройства как бы увеличится, тем самым увеличится зона действия АТС.

Рисунок 1.21. Пример построения сети с использованием подстанций (концентраторов)

Для установки подстанций требуются специально приспособленные помещения. Целесообразность построения телефонной сети по тому или иному варианту обычно определяется специальным расчетом, учитывающим конкретные условия. Особенностью абонентских линий является их значительная протяженность. На рисунке 1.22 показано распределение длин АЛ в разных странах (данные фирмы Schmid Telecom AG). Из этого рисунка видно, что самые длинные АЛ - в странах Восточной Европы, это делает задачу решения проблемы "последней мили" в этих странах, особенно в России, которая выделяется значительным разбросом длин АЛ, весьма актуальной.

Рисунок 1.22. Распределение длин АЛ в разных странах

На рисунке 1.23 и в таблице 1.4 показаны основные способы решения этой проблемы и даны сравнительные характеристики этих способов.

Рисунок 1.23. Три способа решения проблемы "последней мили" (BSC-контроллер базовой станции системы радиодоступа, BS-базовая станция, RTU-абонентский оконечный блок; HDSL-оборудование цифровой абонентской линии; ОLT, ONU, ONT-линейные комплекты оптической системы передачи; MUX - мультиплексор)

Таблица 1.4 - Основные способы решения проблемы "последней мили"

Способ организации абонентских линий

Пропускная способность и функциональность

Время установки

Стоимость

Уплотнение уже проложенных линий

+/-

+

+

Прокладка ВОЛС

+

-

-

Беспроводное подключение

+/-

+

+/-


Примечание. Знаком (+) показано определенное преимущество способа перед другими, знаком (-) - данный способ проигрывает по сравнению с другими.

Модернизация абонентской распределительной сети и установка систем уплотнения позволяют быстро и с небольшими затратами увеличить пропускную способность АЛ, а также дает возможность обеспечить абонентам новые информационные возможности (например, получить высокоскоростной доступ к ресурсам глобальной информационной сети Internet и т.д.). Полоса пропускания при этом остается несколько ограниченной. Прокладка ВОЛС обеспечивает абонентам более широкие возможности по полосе пропускания, но прокладка нового кабеля, как правило, это весьма длительный и дорогостоящий процесс.

Радиодоступ (радиоудлинение) или беспроводное подключение (WLL - Wireless Local Loop) обеспечивает максимальную мобильность и оперативность связи, является быстрым способом организации связи, особенный эффект достигается, если прокладка кабеля связана со значительными затратами, или невозможна (например, в помещениях, имеющих, железобетонные полы и стены, и т. д.) или нецелесообразно (например, в помещении, снятом на короткий срок). Полоса пропускания для систем радиодоступа также ограничивается частотным ресурсом. На рисунке 1.24 показано сравнения стоимостей прокладки кабеля и организации беспроводного доступа в зависимости от числа телефонных аппаратов на единицу площади территории, охватываемой связью, при этом стоимость беспроводного доступа определяется стоимостью радиооборудования (по материалам фирмы SAT, Франция).

Рисунок 1.24. Сравнение стоимостей способов подключения

Из рисунка видно, что при невысокой плотности беспроводной доступ довольно эффективен.

1.7 Описание отдельных этапов проектирования

Задачи этапа 1. Постановка задачи проектирования САД в значительной мере определяется типом коммутационной станции, для которой оптимизируются затраты на реализацию пристанционного участка. Эта задача может быть сведена к анализу двух вариантов:

организация САД для цифровой коммутационной станции, которая устанавливается в качестве новой АТС на городской (ГТС) или сельской (СТС) телефонной сети (например, при расширении какого-либо района, города);

·   модернизация существующей САД при замене аналоговой АТС на цифровую.

Процесс построения перспективной САД связан с местом установки цифровой коммутационной станции. Если она монтируется как новая районная АТС (РАТС), то структура абонентской сети может быть спроектирована самым оптимальным способом. Если же цифровая станция заменяет существующую РАТС, то структура абонентской сети будет в значительной степени определяться топологией кабельной канализации и проложенными ранее кабелями связи.

Использование существующей абонентской сети, созданной в свое время для аналоговой АТС, может теоретически осуществляться без всяких ее изменений. На практике обычно требуется подключить ряд новых абонентов, находящихся как в зоне обслуживания демонтируемой аналоговой РАТС, так и за ее пределами.

В качестве критерия оптимизации используется стоимостной показатель (капитальные вложения или приведенные затраты), выражаемый либо непосредственно в денежных единицах, либо в виде физической величины (протяженность линейных сооружений, число концентраторов и т.п.). Следует отметить, что одновременно оптимизировать надежность.

Исходные данные, подготовленные для проектирования САД, должны включать следующие компоненты:

·   план пристанционного участка, содержащий графическую информацию о всех существующих элементах САД;

·   дополнительную информацию к графическому плану, которая существенна с точки зрения планирования САД (районы новой застройки, естественные препятствия для прокладки кабельной канализации и т.п.);

·   характеристику кабельной канализации, типы и состояние эксплуатируемых кабелей связи;

·   требования к размещению новых терминалов и пропускной способности САД;

·   перечень предпочтительных типов оборудования для развития САД;

·   финансовые и иные ограничения, которые не могут быть формализованы.

Характеристика кабельной канализации, типы и состояние эксплуатируемых кабелей связи - обычные сведения, используемые в практике проектирования САД. Применительно к современным требованиям, необходимо оценить целесообразность (с точки зрения перспективы данного фрагмента местной телекоммуникационной системы) дальнейшей эксплуатации всех кабелей связи. Требования к размещению новых терминалов определяются на основе очереди на установку телефонов, норм на число таксофонов, заявок на подключение других типов оконечного оборудования. Эти данные (с учетом эксплуатационного запаса) определяют пропускную способность САД.

Для снижения затрат на систему технической эксплуатации целесообразно унифицировать типы применяемого оборудования. В подобной ситуации возможность выбора поставщика оборудования может вообще отсутствовать. Финансовые аспекты связаны, в основном, с возможностью получения льготных кредитов. Характерным примером влияния финансовых соображений может считаться ситуация, когда банк выдает кредит при условии закупки оборудования у конкретной фирмы или в конкретной стране. Ограничения, которые не могут быть формализованы, включают группу специфических для каждого проекта факторов. Эти ограничения, в принципе, могут отсутствовать.

Перечисленные задачи, свойственные этапу I, могут широко варьироваться в зависимости орт каждого конкретного проекта.

Задачи этапа 2. На начальном этапе прогнозирования основных характеристик САД необходимо сформулировать перечень задач, стоящих перед проектировщиком. В качестве основных можно выделить следующие:

·   когда и каким способом (интегрированное с сетью доступа или отдельной системой) будет внедряться кабельное телевидение?

·   когда сформируется спрос на услуги обычной (узкополосной) ЦСИО, в какое время пользователи заинтересуются возможностями, предоставляемыми широкополосной сетью (Ш-ЦСИО);

·   как и когда могут повыситься требования к качеству передачи информации, обслуживания вызовов и надежности САД?

·   какие новые тенденции в развитии электросвязи будут оказывать существенное влияние на эволюцию САД.

Эти пять задач составляют почти полный перечень тех характеристик доступа, которые необходимо спрогнозировать для принятия оптимальных проектных решений по САД.

Что касается исходных данных, то для них можно сформулировать две проблемы прогнозирования. Во-первых, рост абонентов ТфОП, появление пользователей ЦСИО и других новых телекоммуникационных услуг потребуют расширения пропускной способности САД. Это обстоятельство, в свою очередь, стимулирует разработку метода прогнозирования пропускной способности САД на несколько лет вперед. Обычно в практике международного союза электросвязи (МСЭ) используется пятилетний период прогнозирования. Во-вторых, ожидаемое появление широкополосных услуг потребует весьма существенного повышения пропускной способности САД. Здесь особую актуальность приобретает прогнозирование времени начала коммерческой эксплуатации Ш-ЦСИО, численность ее абонентов и динамика их роста.

Подобный подход может быть использован для прогнозирования процессов и явлений, для которых известен соответствующий статистический ряд. Существенно сложнее прогнозировать новые процессы. В качестве них могут рассматриваться многие аспекты создания Ш-ЦСИО (7). В этих случаях прогнозирование может основываться на методе экспертных оценок, 6на результатах, полученных для каких-либо похожих процессов, и на специальных методиках, ориентированных на ограниченный статистический материал (4).

Задачи этапа 3. Декомпозиция задачи должна состоять в постановке вопросов по первичной и вторичным сетям. Формирование таких требований, как пропускная способность первичной сети, наличие двух или более независимых путей передачи информации, допустимое время восстановление отказов и т. п., осуществляется в рамках вторичных сетей. В этом смысле, первичная сеть лишь поддерживает заданные требования по переносу информации между коммутационными станциями вторичных сетей.

С другой стороны, современные первичные сети имеют специфическую топологию (отличную практически от всех структур вторичных сетей), собственные принципы собственные принципы управления своими ресурсами и ряд других оригинальных характеристик. В совокупности, эти обязательства стимулируют анализ первичной сети доступа как самостоятельного объекта. Существенно то, что при анализе первичной сети необходимо помнить о наличии «обратной связи» в части тех требований, которые диктуются вторичными сетями.

Задачи этапа 4. По исходным данным может быть разработано несколько возможных сценариев по созданию или развитию САД. Целесообразно выделить, по крайней мере, три сценария, подлежащих детальному анализу.

Первый должен быть ориентирован на оптимизацию стоимости САД на ближайшее время ее функционирования.

При реализации услуг телефонной связи и обычной ЦСИО используются N1 пар оптических волокон (ОВ) из доступных N пар (N=N1+N2+N3). На этапе развития кабельного телевидения и других подобных услуг в эксплуатацию вводятся еще N2 пар ОВ. Для первых пользователей Ш-ЦСИО становятся доступны N3 пар ОВ. Когда все ОВ использованы, дальнейшее расширение пропускной способности сети осуществляется за счет спектрального уплотнения.

Проработка нескольких вариантов третьего сценария может оказаться весьма полезной и привести к появлению эффективным сетевых решений.

Задачи этапа 5. Анализ возможных сценариев с учетом финансовых, технических и иных ограничений служит тем этапом планирования САД, на котором могут быть в полной мере учтены все объективно существующие ограничения. Здесь проектировщик упрощает дальнейшие процедуры за счет отказа от сценариев, которые не могут быть реализованы. Этап V целесообразно выполнять лицами, принимающими решения по развитию данной местной сети.

Задачи этапа 6. На данном этапе должны быть решены задачи, позволяющие значительно снизить затраты на реализацию сценария САД, выбранного по результатам предыдущих пяти этапов. К таким задачам следует отнести:

·   оптимизацию мест расположения коммутационного оборудования (станций и концентратов) и границ пристанционного участка;

·   оптимальное прохождение трасс магистрального и распределительного кабеля;

·   нахождение оптимальных вариантов подключения выносных элементов;

·   определение оптимальных границ районов подключения (шкафных районов);

·   синтез структуры сети заданной связанности с минимальной стоимостью;

·   оптимизацию структуры первичной сети (в частности, с кольцевой структурой).

Для решения поставленных задач необходимо построить математическую модель проектируемой САД. Построение математической модели - важнейшая часть всего исследования, так как она определяет его конечный результат.

Задачи этапа 7. После решения математических задач необходима соответствующая интерпретация полученных результатов. Подобные ситуации возникают либо из-за ошибок в исходных данных, либо на том этапе, когда математические методы (или программное обеспечение) еще не отработаны. Задачи проектировщика заключаются в поиске и устранении ошибок в исходных данных. Если ошибок не обнаружено, то необходимо найти причины в математических методах, либо в программном обеспечении, автоматизирующем процесс планирования САД.

Когда требуемое решение получено, составляется проектная документация на проведение соответствующих работ по проектированию САД.

Изложенные принципы служат основой для составления алгоритмов и разработки соответствующего программного обеспечения, автоматизирующего процесс проектирования.

1.8 Постановка задачи

Телефонная сеть в г. Талдыкоргана, до 90-х годов строилась исключительно на аналоговом оборудовании АТС и меднопроводных линиях связи. При замене аналоговых АТС на цифровые, существующие абоненты остаются подключенными по существующим АЛ, а для подключения к АТСЦ новых телефонизируемых абонентов невыгодно заново прокладывать медные АЛ как по экономическим, так и по техническим соображениям. Поэтому применяют уплотнение существующих АЛ с помощью оборудования цифровых систем передач абонентских линий (ЦСПАЛ). Такой способ позволяет не только подключить к существующей АЛ несколько абонентов, но и превращает аналоговую АЛ в цифровую.

Цифровизация медных АЛ позволяет без больших затрат увеличить количество абонентов ГТС и предоставить им более качественную связь.

Данный проект рассматривает размещение нового оборудования исходя из необходимой емкости предусмотренной шкафным районом и существующей канализации с наименьшими затратами.

Поэтому в ДП необходимо рассмотреть вопросы:

·   выбор типа оборудования;

·   описание оборудования;

·   расчет необходимого количества оборудования;

·   расчет пропускной способности;

·   Бизнес-план (расчет экономической эффективности) дипломного проекта;

·   рассмотреть вопросы по охране труда.

 

2. Выбор типа оборудования


В Республике Казахстан нет собственного производства цифровых электронных станций и цифровой аппаратуры уплотнения телефонных линий, поэтому необходимо такое оборудование закупить. Перед закупкой цифровых систем передачи (ЦСП) для сети абонентского доступа (САД) необходимо проанализировать преимущество различных видов оборудования. Критерием для приоритета одной фирмы перед другой может быть и техническое обоснование закупаемого оборудования, и экономические выгоды от осуществляемого контракта.

Наиболее возможными партнерами для осуществления проекта реконструкции сети абонентского доступа являются фирмы Schmid Telecom AG (Швейцария), ведущий производитель оборудования хDSL в США, компания Pair Gain Technologies, FMX производства SAT(Франция), фирма AFC (США), фирма DSC Communication (США), фирма Teledata (Израиль), НТЦ НАТЕКС (Россия), фирма Tadiran Telecommunicatin (Израиль), фирма Siemens (Германия), фирма Newbridge (Канада) и многие другие.

Всего в настоящее время насчитывается более ста поставщиков оборудования САД. Фирмы Siemens (PCM-4Q), ECI TELECOM (PCM-2, PCM-4), АО “Морион” (ИКМ - 4-4, Морион-30А), ЗАО “НТЦ Натекс” (TOPGАIN-4-NATEKS, РСМ-8ВА), фирма Tadiran (Израиль РСМ-2, РСМ-4) зарекомендовали себя на международных телефонных сетях, включая СНГ, как фирмы выпускающие оборудование со стабильной и качественной работой.

Достоинством работы этих фирм можно назвать тщательный подход к исследованию технических особенностей СAД и дальнейшей адаптации к ней своего оборудования. Эти фирмы при разработке программного управления работой оборудования в местных условиях вносят корректировки по особенностям технических параметров сети, выявленных в процессе предварительного обследования. Кроме того заказчику вместе с оборудованием поставляется подробное описание технической части оборудования.

Одним из главных достоинств системы абонентского уплотнения является минимальное количество затрат, высокоскоростная цифровая связи по существующим медным линиям с помощью технологий хDSL, и применение современного оборудования, соответствующего мировым стандартам при строительстве сетей телекоммуникаций.

Недостатком использования данного оборудования в Казахстане является отсутствие технических центров по обслуживанию ЦСПАЛ; требующее ремонта оборудование отправляется на фирму обратно, т.к. не обеспечивается поставка комплектов конструкторской документации (принципиальные схемы, микропрограммы и испытательные стенды) и не производится обучение специалистов.

Фирма ELKOM Systemtechnik Gmah (Германия) занимается производством и продажей оборудования ЦСПАЛ. Различные виды цифровых систем уплотнения абонентских линий этой фирмы давно успешно работают в телекоммуникационных сетях Германии, Европы и СНГ.

Фирма ELKOM пытается занять свое место на рынке продажи цифровых систем уплотнения абонентских линий с помощью изобретений и производства новых видов оборудования. Фирма ELKOM предлагает все виды услуг по обслуживанию устанавливаемого оборудования и комплектации его запасными частями и технической документацией.

Одним из преимуществ ЦСПАЛ фирмы ELKOM в наличии большой мощности специализированного для телефонной связи процессора, что позволяет гибко реагировать на любое изменение параметров сети.

Республика Казахстан, став независимым государством, оказалась в категории развивающихся стран. Правительство республики было вынуждено искать пути развития экономики по опыту развитых и успешно развивающихся стран. Одной из таких хорошо развитых стран стала Германия. Своевременно оценив перспективы открывающегося рынка, германские торговые и производственные фирмы сконцентрировали свои усилия по завоеванию этого рынка. Среди фирм оказалась и фирма из Германии ELKOM Systemtechnik Gmah. Фирма организовала с Казахстанскими производителями обмен опытом по основным направлениям, по которым будут развиваться сети абонентского доступа в Казахстане.

Помимо модернизации ТФОП, предполагается реконструкция сетей кабельного телевидения, строительство сетей доступа на оборудование LMDS (технология интерактивного или сотового телевидения) обеспечивающем интеграцию всех видов трафика, и наконец, использование систем спутниковой связи.

Талдыкорганская ГТД выбрала для себя фирму ELKOM Systemtechnik Gmah и её оборудование РСМ-4, так как РСМ-4 позволит решить много возникающих проблем, таких как:

а) Эффективное использование кабельной емкости.

б) Быстрое расширение сети при увеличении числа абонентов.

в) Оперативное начало предоставления услуг.

г) Организация как фиксированного, так и мобильного доступа.

3. Общее описание цифровой четырехканальной системы передачи РСМ - 4А


Система передачи РСМ-4А используется в области подстанционной сети для экономии двойной медной жилы. Она позволяет переключить четыре аналоговые абонентские линии через одну двойную жилу за счет применения технологии HDSL (High Bit Rate Digital Line - высокоскоростная цифровая абонентская линия), которая представляет собой комбинацию линейного кодирования 2В1Q и методов уплотнения времени и эхо-компенсации. При скорости передачи HDSL 288 кбит/с (скорость передачи данных пользователя: 4х64 кбит/с) данный метод обеспечивает те же самые длины проводов как при подключении базового доступа ISDN (Uk0 - 2В1Q). Преимущество ЦСПАЛ по сравнению с классическими системами РСМ-4, с использованием АDРСМ (подробно описано в разделе 4.4) для уменьшения скорости передачи, заключается в том, что при том же расстоянии могут быть прозрачно переданы четыре полноценных информационных по 64 кбит/с - каналов. Благодаря этому не возникает никаких ограничений при передаче телефаксов или данных с высокой скоростью (возможность передачи через интерфейс) [11].

Система передачи РСМ-4А состоит из двух компонентов - из устройства РСМ-4VА на стороне опорной телефонной станции и устройства РСМ-4ТА на стороне абонента (рисунок 3.1). В устройстве РСМ-4VА интерфейсы а/b согласуются с телефонной станцией. Наряду с аналого-цифровым преобразованием речевой информации осуществляется преобразование сигналов в шлейфовые метки, а также распознавание и обработка вызывного напряжения, тарифных импульсов и определение полярности a/b.

Рисунок 3.1

В противоположном направлении поступающая от устройства РСМ-4ТА информация, как шлейфные, так и аварийные сигналы, симулируются на абонентских а/b - жилах, а системные ошибки симулируются на а/b - интерфейсах устройства РСМ-4VА и/или индицируются на РСМ-4VА.

Необходимые рабочие напряжения для функциональных блоков PCM-4VA и дистанционного питания РСМ-4ТА производится из поданного напряжения питания 60В.

Готовность к работе устройства РСМ-4ТА показывается зеленым светодиодом в покрытой области панели подсоединения.

3.1 Принцип работы аппаратуры уплотнения

Рассмотрим принцип действия аппаратуры уплотнения PCM-4А. В традиционном случае ТА подключаются к аналоговым портам АТС медной парой по так называемому интерфейсу a/b. Помимо речевых сигналов, по аналоговой АЛ передаются линейные сигналы управления: зуммеры “ответ станции”, “занято”, вызывной сигнал (звонок), импульсы набора номера (кратковременное замыкание шлейфа) и т.д. Применение ЦСПАЛ, в дополнение к передаче нескольких речевые каналов, также позволяет передать от АТС к абоненту сигналы абонентской сигнализации, а в обратном направлении сигналы набора номера и состояние абонентского шлейфа (замкнут/разомкнут) (таблица 3.1).

Таблица 3.1 - Состояние станционного и абонентского полукомплектов

СОТ:

RT:

Оцифровывает аналоговые телефонные каналы

Восстанавливает аналоговые телефонные каналы

Определяет вызывной сигнал

Восстанавливает вызывной сигнал

Эмулирует состояние “поднятая/опущенная трубка”

Определяет состояние “поднятая/опущенная трубка”

Набирает телефонный номер

Распознает импульс набора номера


ЦСПАЛ построена по принципу временного мультиплексирования цифровых потоков, кодирующих речь.

Аналоговый сигнал от абонентских комплектов АТС через схему согласования поступает на кодер-декодер (кодек) ИКМ, реализующий алгоритм кодирования ИКМ. Таким образом, физическая АЛ от станционных портов заканчивается на входе станционного полукомплекта (СОТ) аппаратуры уплотнения. Далее кодек ИКМ преобразует аналоговые сигналы в цифровой поток со скоростью 64 кбит/с на каждый канал. Цифровые потоки мультиплексируются микросхемой, реализующей так называемый U-интерфейс.интерфейс является наиболее широко используемым интерфейсом в сети ISDN. Он реализует подключение абонентов и обеспечивает передачу по медной паре двух каналов по 64 кбит/с (В) и одного канала D со скоростью 16 кбит/с. Для служебных целей в системе, кроме указанных каналов, организуется еще один дополнительный канал со скоростью 16 кбит/с.

В ЦСПАЛ четыре канала В используются для передачи цифровых потоков, кодирующих речь. На микросхему U-интерфейса подаются также управляющие и линейные сигналы (различные зуммеры, вызов и т.д.), а также служебные сигналы, используемые ЦСПАЛ для самодиагностики и диагностики цифровой АЛ.

Линейная часть микросхемы U-интерфейса осуществляет кодирование 2B1Q, наиболее распространенное в настоящее время для передачи цифровых потоков по медным парам. Обеспечивается также эхокомпенсация, что позволяет одновременно вести и прием и передачу по одной паре [11].

На выходе станционного полукомплекта ЦСПАЛ сигнал от U-интерфейса проходит через схему согласования с линией, которая обеспечивает подачу в линию дистанционного питания от источника дистанционного питания, защитное отключение дистанционного питания в случае обрыва или замыкания АЛ, а также грозозащиту.

Вся работы станционного полукомплекта ЦСПАЛ проходит под управлением микропроцессора и микропрограммы. В свою очередь, микропроцессор станционного полукомплекта обменивается информацией с центральным процессором модуля диагностики и управления.

Абонентский полукомплект ЦСПАЛ по своей структуре во многом повторяет станционный. Особенностью абонентского полукомплекта является необходимость реализации в нем абонентской сигнализации, в том числе вызывного сигнала (звонка) и питания абонентских телефонных аппаратов, что требует достаточно большой мощности. Все методы кодирования, используемые в ЦСПАЛ, соответствуют рекомендации ITU-T.

Для передачи сигналов по ЦАЛ используется технология HDSL, обеспечивающая дуплексный обмен со скоростью передачи по АЛ 288 кбит/с (4B+8+24кбит/с), таким образом организуется мультиплексирование четырех каналов. Система уплотнения PCM-4А является гибкой и позволяет независимое программирование процесса кодирования по каждой из АЛ.

3.2 Станционный полукомплект модуля РСМ-4VА

На рисунке 3.2. показана структурная схема модуля РСМ-4VА. В ней различают следующие функциональные блоки: Блок питания - состоящий из схем преобразования DС/DС для генерации рабочих напряжений, необходимых внутри устройства, для генерации дистанционного электропитания HDSL.

·   Микропроцессорная система - состоящая из микроконтроллера 80С32, ЕРRОМ 512 кбит и SPАМ 64 кбит.

·   Интерфейсная схема а/b - состоящая из 4-х кратного интерфейса СОdеr и DЕСоder (СОDЕС) ТР 3057 и соответствующих входных - выходных компонентов с передатчиками и компонентами защиты.


Интерфейсная схема HDSL - состоящая из одного одноплатого приемопередатчика 2В1Q (Вt8960) фирмы Вгоокtrее и соответствующих входных - выходных компонентов с гибридом, передатчиками и компонентами защиты, а также из "Vоiсе Раir - Gain Frаmer" (Вt8954) фирмы Вгоокtrее, коммутирующего В - каналы между Соdес и HDSL - приемопередатчиком и управляющего сигнализацией в Оvеrhеаd - канале (сигнализация FIFO).

·   Контакт EА (контакт внешних аварийных сигналов) состоящий из полупроводникового реле с логикой управления для обслуживания "внешнего аварийного контакта".

3.2.1 Блок питания

Функциональный блок "блок питания" генерирует необходимое внутреннее напряжение +5 В из напряжения питания 48/60 В. Питающее и рабочее напряжение контролируются постоянно, и соответствующие управляющие сигналы передаются на mР. Дополнительно дистанционное напряжение для провода НDSL генерируется при помощи преобразователя и контролируется. Подача напряжения на НDSL осуществляется с 200 В с автоматическим ограничением тока £ 59 мА.

.2.2 Микропроцессорная система

Для управления РСМ-4VА используется микропроцессор типа 80С32 с частотой такта 11,0592 МГц. В качестве программной памяти служит одно внешнее ЕРRОМ 512 кбит, а в качестве памяти данных используется одно внешнее SRАМ 64 кбит.

3.2.3 Подсоединение к а/b интерфейсу

Подсоединение к а/b- интерфейсу осуществляется через разные полупроводниковые реле с оптической развязкой. Переключение между состоянием покоя (телефонная трубка положена) и состоянием разговора (телефонная трубка поднята) осуществляется через дополнительное реле. Это реле переключает речевую информацию на выдачу тарифных импульсов / запирающий фильтр и дальше через DС-схему удержания на Соdес.

Распознавание вызова/тарифных импульсов осуществляется через два оптрона. После пропускания через 16 кГц - запирающий фильтр (LC- фильтр) речевой сигнал поступает на электронную схему удержания постоянного тока. Она обеспечивает, что соблюдаются как условия постоянного тока, так и симуляция полного оконечного сопротивления в области переменного тока на интерфейсе а/b.

Гальваническая развязка осуществляется при помощи передатчика. После дальнейшего пропускания через пассивный фильтр ВЧ - сигнал поступает на Соdес - блок для кодирования (СОМВ01) с целью аналого-цифрового преобразования и кодирования РСМ. В противоположном направлении поставленный Соdес аналоговый речевой сигнал переключается через активный усилительный каскад и RС - сеть на передатчик с целью симуляции ВЧ - сопротивления.

Технологические свойства передачи по а/b - интерфейсу в разговорном состоянии (затухание рефлексий, затухание вилочного затухания, характеристика частоты и т.д.) определяются внешними компонентами и структурами фильтров в блоке СОМВО1. Преобразованная в цифровую форму речевая информация четырех абонентов передается на Vоiсе Раir - Gаin Frаmer в четырех 64 кбит/с - каналах 2.048 Мбит/с - шину РСМ, а затем дальше на НDSL - приемопередатчик.

3.2.4 Подсоединение к НDSL - интерфейсу

Подсоединение к НDSL - интерфейсу осуществляется через одноплатный приемопередатчик 2В1Q (Вt8960) фирмы Вгооktrее. Управление состояниями проводов (активирование/деактивирование) на НDSL - интерфейсе осуществляется через mС. Все процессы и протоколы (Start - Uр, ЕОС и т.д.) на НDSL - интерфейсе соответствуют ЕТSI ЕТR-152. НDSL - интерфейс передает полезную нагрузку 4 х 64 = 256 кбит/с, один 8 кбит/с - Оverhead - канал и один 24 кбит/с - канал сигнализации на РСМ-4ТА.

Внешняя схема к Вt8960 состоит из гибридной сети, объединяющей оба направления передачи (преобразование 4-проводный/2-проводный интерфейс), линейного передатчика и разными компонентами ЭМС и молниезащиты. В качестве блока сопряжения между РСМ - и НDSL-приемопередатчиками используется Vоiсе Раir-Gain Frаmer (Вt8954) фирмы Вrооktree. Данный блок, управляемый микропроцессором типа 80С32, осуществляет следующие функции:

·   DPLL - схема для генерации частот такта РСМ.

·   Коммутирование четырех 64 кбит/с - каналов между РСМ - интерфейсом (2.048 Мбит/с) и интерфейсом НDSL - приемопередатчика (288 кбит/с).

·   Генерирование структуры цикла НDSL согл. ЕТR152. Доступ к, или, соотв., обслуживание битов СRС6, ЕОС и IND в цикле НDSL.

·   FIFО - контроллер для передачи по каналу сигнализации.

3.2.5 ЕА- контакт

Контакт "внешних аварийных сигналов" осуществляется при помощи полупроводникового реле с оптической развязкой и специальной логики управления. Таким образом обеспечивается, что при вставке блока не вызывается аварийный сигнал (контакт размыкается). При отказе питающего напряжения контакт затягивается и остается замкнутым даже в обесточенном состоянии устройства (эффект самоудержания).

3.3 Абонентский полукомплект модуля РСМ-4ТА

На рисунке 3.3 показана структурная схема блока РСМ-4ТА, где различают следующие функциональные блоки:

·   Блок питания - состоящий из схем преобразования DС/DС для генерации рабочих напряжений, необходимых внутри системы, для генерации напряжений линейных абонентских устройств а/b, а также из схем контроля напряжения и генерации сброса.

·   Микропроцессорная система - состоящая из микроконтроллера 80С32, одного 512 кбит ЕРRОМ и одного 64 кбит SRАМ.

·   Схема для подсоединения к а/b-интерфейсу - состоящая из микросхем 4х-кратного интерфейса кодера/декодера (СОDЕС) типа ТР 3057 и соответствующих входных - выходных компонентов с SLIС - компонентами и компонентами по защите ЭМС.

Подсоединение к НDSL - интерфейсу состоящее из одноплатного приемопередатчика 2В 10 (Вt8960) фирмы Вrооktree и соответствующих входных - выходных компонентов с гибридом, передатчиками и компонентами за щиты, а также из Voicе Раir-Gain Framer (Вt8954) фирмы Вrooktree, коммутирующий В-каналы между Соdес и НDSL - приемопередатчиком и управляющий сигнализацией в Оverhеаd - канале (сигнализация FIFО).

Генератор вызывного напряжения, состоящий из генератора РWМ, силового выходного каскада и фильтра нижних частот.


3.3.1 Блок питания

Функциональный блок "блок питания" генерирует необходимые для работы напряжения -130, -30 и +5 В из дистанционного питания НDSL - интерфейса. -130 В требуется для генерации вызывного переменного напряжения, -30 В для питания линейного интерфейса а/b, а +5 В для внутренних электронных схем. Питающее и рабочее напряжение контролируется постоянно, и соответствующие управляющие сигналы передаются на mР. Достаточно рассчитанная конденсаторная схема подпитки обеспечивает звонок также и при максимальной нагрузке звонка и максимальном расстоянии дистанционного питания.

Преобразователи DС/DС обеспечивают гальваническую развязку между НDSL - интерфейсом и а/b - интерфейсами.

3.3.2 Микропроцессорная система

Для управления функциями РСМ-4ТА используется микропроцессор типа 80С32 с частотой такта 11,0592 МГц. В качестве программной памяти служит одно внешнее 512 кбит - ЕРRОМ, а в качестве памяти данных внешнее 64 кбит - SRАМ.

3.3.3 Подсоединение к а/b-интерфейсу

Подсоединение к а/b - интерфейсу осуществляется через многоконтактное полупроводниковое реле:

·   Первая пара релейных контактов переключает между состояниями покоя и разговора. В этом режиме работы жила а/b питается от дискретно построенного источника электропитания. При открытом шлейфе имеется минимальное напряжение -24 В между жилами а и b, и вилочный детектор находится в активном состоянии. При замкнутом шлейфе вилочный детектор срабатывает, и линия снабжается постоянным током ³ 22 мА. ВЧ - сигнал поступает через SLIС и активную ступень фильтра (16 кГц - заграждающий фильтр с последовательным фильтром нижних частот) на блок СОМВ01 с целью аналого-цифрового преобразования и кодирования РСМ. В противоположном направлении поставленный Соdес аналоговый речевой сигнал передается через активный усилительный и суммирующий каскад и RС-сеть на SLIС для симуляции ВЧ - сопротивления. Суммирующий каскад служит для подачи 16 кГц - тарифных импульсов.

Технологические свойства а/b - интерфейса в разговорном состоянии (затухание рефлексий, затухание вилочного перехода, характеристика частоты и т.д.) определяются внешними компонентами SLIС и СОDЕС.

Для каждой из четырех жил а/b предусмотрен блок СОМВ01 (ТР3057). Преобразованная в цифровую форму речевая информация этих четырех абонентов передается на Voice Pair-Gain Framer в четырех 64 кбит/с - каналах 2.048 Мбит/с - РСМ - шины, а затем дальше на НDSL-приемопередатчик.

·   Вторая пара релейных контактов служит для переключения вызывного состояния. В таком случае ВЧ - путь и вилочный детектор постоянного тока полностью отключаются. Исключительно вызывное переменное напряжение 25 Гц/35 В переключается на жилы а/b. Теперь является активным второй вилочный детектор, который может распознавать каскадированный постоянный ток. При каждом вызове генератор вызывного напряжения контролируется на достаточное напряжение (> 50%), и в случае ошибки выдается сообщение на РСМ-4VА (индикация красным СИД).

3.3.4 Подсоединение к НDSL-интерфейсу

Подсоединение к НDSL - интерфейсу осуществляется через одноплатный приемопередатчик 2В1Q (Вt8960) фирмы Вrооktree. Управление состояниями проводов (активизация/дeактивизация) на НDSL - интерфейсе осуществляется через mС. Все процессы и протоколы (Start -Uр, ЕОС и т.д.) на НDSL - интерфейсе соответствуют ЕТSI ЕТR-152. НDSL - интерфейс передает полезную нагрузку 4 х 64 = 256 кбит/с, один 8 кбит/с - Оverhеаd - канал, и один 24 кбит/с - канал сигнализации на РСМ-4ТА.

Внешняя схема к Вt8960 состоит из гибридной сети, объединяющей оба направления передачи (преобразование 4-проводный/2-проводный интерфейс), линейного передатчика и разных компонентов ЭМС и молниезащиты. В качестве блока сопряжения между приемопередатчиком РСМ и НDSL используется Voicе Раir-Gain Framer (Вt8954) фирмы Вrооktree. Данный блок, управляемый микропроцессором 80С32, осуществляет следующие функции:

·   DPLL - схема для генерации частот тактов для РСМ.

·   Коммутация четырех 64 кбит/с - В-каналов между РСМ-интерфей-сом (2.048 Мбит/с) и интерфейсом НDSL-приемопередатчика (288кбит/с).

·   Генерирование структуры цикла НDSL согл. ЕТR152.

·   Доступ к, или, соотв., обслуживание битов СRС6, ЕОС и IND в цикле НDSL.

·   FIFО - контроллер для передачи в канале сигнализации.

3.3.5 Генератор вызывного напряжения

Генератор вызывного напряжения генерирует необходимое для вызова 25 Гц - переменное напряжение, имеющее напряжение > 35 Вэфф. при максимальной нагрузке четырех вызывных органов. Коэффициент линейных искажений ниже 10 %. Наличие генераторного напряжения проверяется при каждом вызове. При снижении вызывного напряжения ниже 50% своей номинальной амплитуды в РСМ-4VА управляется красный СИД ошибок.

.3.6 Генератор тарифных импульсов

Для генерации синусоидальных 16 кГц - тарифных импульсов прямоугольный ТТЛ - сигнал, стабилизированный кварцем и предоставляемый в распоряжение внутри системы, делится на 16 кГц при помощи делителя частоты и освобождается от высших гармоник посредством фильтров нижних частот. Результирующий сигнал с коэффициентом искажений < 8 % распознается при необходимости, т.е. так же, как и от РСМ-4VА, и прибавляется ВЧ- сигналу через суммирующий усилитель.

Технические параметры отклоняющиеся от технических требований для РСМ-4А приведены в таблице 3.2.

Таблица 3.2 - Технические параметры РСМ-4А

Поз.

Характеристика

Требуемое  значение

Имеющиеся значение

Замечания

1

2

3

4

5

19.1.5

Макс. сопр. шлейфа, Ом

1300 Ом

2000 Ом


19.2.1

Дист. питание, В

Макс. 180 В

Макс. 200 В

180 В возможно.

19.2.4

Ост. затухание реч. кан., дБ

4 дБ

< 5 дБ


19.2.6

Искажение имп., мс

0,8 мс

2 мс


19.2.9

Ток в шлейф, мА

20 мА

22 мА


19.3

Подключение таксофонов



Подкл. таксофонов не рекомендуется

19.3

Подключение таксофонов

Произвольная смена полярности

1.смена а/b жил разрешается 2.Polarity reversal в настоящее время не поддерживается


19.3

Подключение таксофонов

Тарифный импульс с частотой 12 кГц и 16 кГц

Либо 12 кГц либо 16 кГц поддерживаются одним прибором

Требуемая частота надо указать

19.3

Подключение таксофонов

Передача сигналов защиты от несанкционированного подключения

Имеется сист. в циф-м шлейфе с пом. HDSL (между станц. и аб. частями)

Если этой защиты не достаточно, надо указать требования

19.5.3.1

Амплитуда вызывного сигнала

70 - 110 В

100 В пик-пик со ст. ТА (пер-е) 40-80 В эффективная величина (RMS) со ст.VA (приним.)


19.7.1

Батарейное напряжение

-56 … - 65 В

-40…75 В


19.11.1

Центр. сист. управления


В РСМ 4 в настоящее время не предусмотрено

Имеется в системе SISA для РСМ11

19.11.4.2

Индикация на платах

Индикация «занято» по каждому каналу, нома, тревога, обрыв

Контроль линии и сигнал «Тревога»

В РСМ11 с помощью доп-ного модуля реализовано


3.4 Принцип организации и работы оборудования HDSL

Основным параметром оборудования HDSL считается дальность его работы, которая практически полностью определяется типом используемого линейного кодирования. По этому параметру все оборудование с кодированием 2В1Q, как правило, обеспечивает одинаковую дальность и помехоустойчивость. Системы с модуляцией САР также практически равноценны, но несколько превосходят оборудование 2В1Q по этим параметрам.

Различия в оборудовании (дополнительные функции, разница в энергопотреблении, наличие режимов резервирования и т.п.) объясняются применением разных наборов микросхем, отличиями в программном обеспечении, конструкторской разработке и т.д. Кроме линейных параметров, можно выделить следующие характеристики аппаратуры НDSL, на которые полезно обратить внимание при выборе ее типа.

а) Варианты конструктивного исполнения. Как правило, оборудование НDSL выпускается в двух основных конструктивах: "настольном" и "стоечном".

Под "настольным" понимается автономный блок на одну линию, не требующий для своей работы какого-либо общего для нескольких трактов НDSL оборудования. "Настольный" вариант чаще всего используется на "абонентском" конце линии или в сетевых приложениях в тех точках, где количество линий НDSL не превышает одну-две.

"Стоечный" конструктив представляет собой общую для нескольких блоков НDSL конструкцию, выполненную, как правило, в виде модульной кассеты стандартного размера (19') с общим блоком питания и иногда блоком управления. "Стоечный" вариант удобен для применения в узлах сетей, откуда выходит много линий НDSL.

Некоторые фирмы предлагают также варианты конструктива minirack: один-два блока НDSL устанавливаются непосредственно в 19-дюймовую стойку. Такая конструкция, как и настольная, применяется при небольшом числе трактов НDSL в узле, но часто оказывается удобнее в сетевых приложениях, где в стойку уже смонтировано другое оборудование (например, УАТС или маршрутизатор); блоки HDSL устанавливаются в тот же конструктив, и нет нужды монтировать дополнительную модульную кассету.

Наконец, некоторые из систем НDSL имеют специальный конструктив для репитера, применение которого необходимо тогда, когда длина линии превышает допустимые значения. Конструктив репитера делается таким образом, чтобы обеспечить установку в колодцах, и, как правило, предусматривает установку нескольких репитеров (для нескольких трактов НDSL) в одном корпусе.

б) Варианты электропитания. "Стоечный" вариант оборудования НDSL всегда должен иметь возможность электропитания от станционных батарей напряжением 48-60 В постоянного тока. "Настольный" и minirack -блок обычно питается от бытовой сети напряжением 220 В переменного тока. Полезной является опция электропитания настольного или minirack -модуля от сети 48-60 В постоянного тока, так как в сетевых приложениях эти блоки часто устанавливаются в помещениях телефонных станций (узлов), где предпочтительнее использование гарантированного электропитания.

Другая необходимая опция электропитания "настольных" и minirack-блоков - дистанционное фантомное электропитание (по сигнальным линиям). В этом случае при установке оконечных (или абонентских) блоков НDSL для сохранения энергонезависимости работы сети не нужны источники бесперебойного питания, так как вся сеть НDSL запитывается от станционных батарей гарантированного питания. Блок НDSL, установленный на центральном узле, преобразует входное напряжение 48-60 В в напряжение дистанционного питания (около 100-150 В), которое используется оконечным блоком НDSL. Опция дистанционного электропитания позволяет также легко организовать репитер НDSL путем соединения двух блоков "спина к спине" с двухсторонней подачей дистанционного питания на них.

в) Выбор пользовательских интерфейсов. На стороне линии (медной пары) модем НDSL имеет линейный интерфейс с кодом 2В1Q или САР, определяемый фирмой-производителем оборудования и не совместимый ни с какими стандартами (за исключением собственно линейного кодирования и энергетических параметров сигнала). На стороне пользователя (на стороне модема НDSL, подключаемой к устройствам пользователя) - стандартный интерфейс, полностью отвечающий международным спецификациям для достижения совместимости с пользовательским оборудованием. В телефонии широко применяется интерфейс Е1 (скорость передачи 2 Мбит/с), регламентируемый рекомендацией IТU-Т G.703 и обеспечиваемый всеми производителями оборудования НDSL. Этот интерфейс предусматривает различные варианты деления на кадры (фреймы), в частности, в соответствии с рекомендацией G.704 или ISDN РRА (NT1). Многие модемы НDSL не производят деления на кадры, работая лишь в "прозрачном" режиме. Однако такой режим не обеспечивает ряд важных функций резервирования (см. ниже), поэтому наиболее универсальное оборудование HDSL поддерживает разбиение на кадры.

Для применения оборудования в сетях передачи данных (часто и в сетях мобильной связи) нужны интерфейсы, позволяющие программировать скорость по интерфейсу пользователя от 64 кбит/с до 2 Мбит/с с шагом 64 кбит/с (напомним, что в технологии НDSL - линейная скорость при этом остается неизменной). Таких интерфейсов несколько, например, V.35, V.36, Х.21. Чаще всего используется V.35, а наличие других интерфейсов важно при разнообразии типов пользовательского оборудования.

Некоторые системы позволяют установить два цифровых интерфейса, каждый из которых работает со скоростью М*64 кбит/с, при этом суммарная скорость по двум интерфейсам не превышает 2048 кбит/с. Такая функция позволяет организовать два независимых цифровых канала по единственному тракту НDSL. Для связи локальных сетей или выхода в Интернет применяется Ethernet-интерфейс - как правило, 10BaseT.

г) Режимы резервирования и защиты. В случаях, когда необходимо обеспечить полное резервирование тракта Е1, применяется защита типа 1+1. Две пары модемов НDSL включаются параллельно, желательно с использованием пар из разных кабелей. При выходе из строя одного из трактов передача осуществляется по второму: обеспечивается полное горячее резервирование.

д) Система управления. Чаще всего для программирования локального блока НDSL - применяется обычный последовательный интерфейс, а управление реализуется с компьютера, эмулирующего работу алфавитно-цифрового терминала, например, типа VT100.

В некоторых случаях возможно также дистанционное конфигурирование, когда с локального терминала обеспечивается управление удаленным устройством НDSL. Управляющая информация передается по тракту НDSL с использованием "избыточной" пропускной способности (суммарная линейная скорость по линейному тракту HDSL выше, чем скорость по пользовательскому интерфейсу - 2048 кбит/с).

Сложнее всего организовать централизованную систему управления, которая контролирует и координирует работу многих сотен систем HDSL, установленных на обширной территории. Для связи между блоками HDSL используются, кроме HDSL-трактов, глобальные сети типа Интернет, Х.25 или Frame Relay. Централизованное сетевое управление происходит по определенным протоколам - частным (применяемым только одной фирмой-производителем) или стандартным (описанным в международных рекомендациях). Для систем HDSL особенно важно наличие стандартных протоколов (например, SNМР или SМIР), так как в этом случае для линий HDSL можно использовать уже установленные единые средства сетевого управления. Некоторые производители аппаратуры HDSL включают в свои системы частные протоколы некоторых фирм - крупных поставщиков телекоммуникационного оборудования. Это облегчает оператору задачу интеграции управления HDSL с существующей системой централизованного сетевого управления.

ж) Диагностика линии. Пара модемов HDSL представляет собой достаточно точный измерительный прибор, показаний которого достаточно для оценки качества линии и определения параметров цифрового тракта. Большинство систем могут определить соотношение сигнал/шум на проверяемой линии, а некоторые даже позволяют проводить полный мониторинг линии в соответствии с рекомендацией G.826.

Производством оборудования HDSL занимается несколько десятков зарубежных компаний. Параметры некоторых наиболее известных систем HDSL приведены в таблице 3.3.

Таблица 3.3 - Сравнительные характеристики оборудования HDSL

Наименование

LGHD-2000D Standalone

CAPSPAN-2000 Standalone

WATSON 3 Table Top

1

2

3

4

Питание, В

220 B, 50 Гц

220 B, 50 Гц

40-60 В, адаптер

Потребл. мощность, Вт

9

12 (8)

6

Дистанционное питание, В

Нет

Есть, 180 пост.

120 пост.

Управление

С локальной клавиатуры и ЖКИ, RS-232 (VT100) только на корзине, ПО для WINDOWS

RS-232 (VT100)

RS-232 (VT100), централизованное сетевое управление через Х.25 или Ethernet, протоколы SNMP, SMIP, частотные протоколы NVS Nokia, XMP Bosch

Интерфейсы

E1 (T1), V.35

E1 (T1), V.35

E1, V.35, V.36, X.2, (2 порта № 64 до 1 Мбит/с каждый, IS)

Резервирование по пользовательскому интерфейсу

Нет

Нет

Е1 (1+1)

Защиту по HDSL тракту

Нет

Нет

При обрыве одной пары сохраняется половина временных интервалов

Режим работы

2 пары

2 пары

2 пары или 1 пара (половина потока)

Внешняя синхронизация, кГц

Нет

2048 кГц

2048 кГц

Измерение качества линии

S/N

Нет

S/N, G.826

Сбор статистики (ошибки)

нет

Errored Second (ES), SES

ES,SES, ERS%,BBER%


3.5 Оконечное оборудование

В качестве оконечного оборудования необходимо использовать мультиплексор временного разделения, который может работать с соединительными и абонентскими линиями и цифровыми интерфейсами (например, мультиплексор RESIСОМ-МХLР или ВМХ фирмы SАТ). Такое требование вызвано тем, что в будущем может возникнуть необходимость передачи данных и прямых абонентских подключений по цифровым трактам, созданным с помощью HDSL.

Конструктивно мультиплексор RESIСОМ-МХLР выполнен в виде 19-дюймовой кассеты, приспособленной для крепления в стойках различных конструкций. Платы имеют формат, соответствующий рекомендации 917 МЭК. МХLР включает в себя блоки группового оборудования, к которым подключаются платы различных портов, предназначенных для конкретных случаев применения. Плата СТМ (плата группового тракта) реализует главные функции системы передачи вместе с функциями управления и контроля. Она поддерживает два стыка 2048 кбит/с с импедансом 120 Ом и два стыка с импедансом 75 Ом в соответствии с рекомендацией МСЭ-Т G.703. Плата СIЕ добавляет мультиплексору МХLР дополнительные функции управления, контроля и техобслуживания, включая централизованное управление и сбор статистики. Основными платами низкоскоростных окончаний являются платы абонентских интерфейсов FХS, платы станционных интерфейсов FХО, платы интерфейсов данных СID и платы соединительных линий СRТ. Платы FХS и FХО обеспечивают стандартные интерфейсы с абонентским оборудованием (телефонный аппарат, телефакс, модем, таксофон) и телефонными станциями (любой системы). С помощью плат СRТ происходят межстанционные соединения с сигнализацией Е&М, а платы СID осуществляют непосредственное подключение цифровых устройств, например, компьютеров или маршрутизаторов локальных вычислительных сетей.

В случае, когда оператор сети планирует осуществлять интегрированный сервис - передачу голоса (телефонию) и данных, можно использовать более сложные мультиплексоры разделения времени, например, ВМХ (SАТ), Z-5000 (ZЕТА СОММUNICATION, Великобритания) и др. Такие мультиплексоры реализуют значительно больше цифровых интерфейсов с различными скоростями (V.24, V.26, V.26, V.35, RS-232, 449, 485, 530, Х.21 и т.д.). Кроме того, эти мультиплексоры обеспечивают статистическое уплотнение данных и сжатие речевой информации. Это позволяет повысить эффективность использования канала связи в десятки раз. Так, например, в тракте 2 Мбит/с (Е1), обычно используемом для передачи 30 телефонных каналов (кодирование ИКМ 64 кбит/с), применение мультиплексоров Z-5000 с платами LBRV (низкоскоростная передача голоса, кодирование СELP - 4,8 кбит/с) дает возможность организовать свыше 400 (!) каналов тональной частоты. Однако необходимо отметить, что алгоритмы кодирования СЕLР не рекомендованы IТU-Т к применению на телефонной сети общего пользования.

3.6 Объединенные методы мультиплексирования и коммутации для адаптивной дельта - модуляции

Метод обработки сигнала для мультиплексного преобразования большого числа речевых каналов в каналы с адаптивной дельта - модуляцией, основан на использовании быстродействующих решающих схем, буферной памяти и конвейерной обработки. Микропроцессорное управление позволяет коммутировать каналы через буферные ЗУ, что делает такой подход привлекательным для построения небольших АТС.

В системах с адаптивной дельта - модуляцией (АДМ) обычно пользуются одноканальные кодеры/декодеры (кодеки), однако во многих приложениях более эффективным оказывается применение мультиплексируемого кодека. Боксолл [1] описал схему для мультиплексируемого аналого-цифрового преобразования применительно к системам с АДМ и ИКМ. Однако эти схемы налагают серьезные ограничения на быстродействие и пропускную способность каналов. В данном сообщении описан метод преодоления этих ограничений за счет применения конвейерного способа выполнения наиболее критичных во временном отношении операций. Это позволяет мультиплексировать большое число каналов, в типичном случае до 200, что совместно с возможностью объединения операций по коммутации каналов и периферийных схем обеспечивает простое решение для ориентированных на СБИС автоматических телефонных станций (АТС).

Рисунок 3.4. Принцип адаптивной дельта - модуляции

На рисунке 3.4 показана принципиальная схема кодирования декодирования АДМ - сигнала [2]. Цифровой выход, равный 1 ли 0, определяется выражением:

 ,                   (3.1)

где Vi - входной сигнал; Vf - напряжение обратной связи; (пТ) - n-отсчет; Т - интервал дискретизации.

Напряжение Vf генерируется решающей схемой по некоторому числу предыдущих выходных битов. Таким образом:

                        (3.2)

где рs - предыдущее значение напряжения обратной связи ; qs - новое (отрицательное или положительное) приращение этого напряжения; s - размер шага; р и q - положительные или отрицательные числа, причем q зависит от фиксированного числа предыдущих выходов. Схема мультиплексирования показана на рисунке 3.5. Все каналы нагружены на соответствующие аналоговые компараторы, выходы которых опрашиваются цифровым мультиплексором (МUХ 1) и подаются на вход быстродействующей решающей схемы. (Можно также использовать аналоговый мультиплексор, который включается после одного быстродействующего компаратора.) Предыдущий и текущий отсчеты во всех каналах совместно с выходами решающей схемы и интегратора записываются в запоминающие устройства (ЗУ) М1 и М2. Работа такого устройства фактически аналогична работе устройства, показанного на рисунке 3.4 с тем лишь отличием, что теперь одна быстродействующая решающая схема и быстродействующий интегратор совместно используются всеми каналами.

Рисунок 3.5. Объединение операций мультиплексирования и коммутации

Каждый из каналов С1 - Сn используется в течение некоторого интервала времени, за время которого выполняется ряд операций. К ним (совместно со своими временными требованиями) относятся:

а) Считывание из памяти (65 нс) данных, обрабатываемых и хранимых на последнем цикле.

б) Подача данных на вход быстродействующего ЦАП и их преобразование (50 нс).

в) Формирование выхода компаратора (50 нс).

г) Обработка новых данных (150 нс).

д) Запись новых обработанных данных в память (65 нс).

е) Передача соответствующей информации.

В том случае, когда эти задачи выполняются последовательно с сохранением некоторого запасного интервала времени, для обработки данных каждого канала требуется примерно 500 нс. При использовании 32 кбит/с АДМ - алгоритма максимальная пропускная способность такого устройства будет ограничена примерно 60 каналами. Эту цифру можно несколько увеличить, выполняя ряд операций параллельно, как описано ниже.

Каждый из каналов С1 - Сn опрашивается в течение временного интервала, состоящего из четырех подинтервалов ts1, …, ts4. Для канала Сx на этих четырех подинтервалах выполняются следующие операции:

-  ts1 - Сигнал с выхода компаратора (Vf из предшествующего канального времени) передается через мультиплексор МUХ на вход решающей схемы совместно с содержимым памяти для конкретного канала Сx. Это предыдущие выходы решающей схемы и интегратора).

-  ts2 - Адрес памяти сдвигается на один шаг. Выход интегратора для канала Сx+1 стробируется в быстродействующем ЦАП (1). Выход компаратора используется для стабилизация Сх+1.

-  ts2 и ts3 - Решающая схема и интегратор вычисляют новые значения.

-        ts4 - Запись обработанных данных в запоминающие устройства М1 и М2.

Если положить, что время цикла памяти составляет 65 мс, то наложенным требованиям будет удовлетворять подинтервал длительностью 75 нс. Следовательно, для обработки одного канала потребуется около 300 нс, что дает пропускную способность, равную примерно 100 каналам. (Наименее быстрый элемент в этом процессе, а именно быстродействующий ЦАП для стабилизации требует примерно 225 нс.). Пропускную способность данного устройства можно увеличить применяя более быстродействующие запоминающие устройства и аппаратное обеспечение.

Мультиплексируемый поток двоичных данных всех каналов доступен для наблюдения в точке х. Он стробируется в течение времени ts4 и подается на специальную схему (не показана) для передачи в исходящую линию. Аналогичным образом демультиплексирование входного потока данных осуществляется посредством введения его в ту же точку х; выход получается из распределителя посредством его стробирования в течение времени ts4. Выходы отдельных каналов, имеющие длину 7 бит, с помощью простых резистивных ЦАП преобразуются в аналоговые выходы. Кодирование каждого канала требует двух циклов работы памяти и выполнения одной арифметической операция. При использовании стандартных схем на это затрачивается от 150 до 200 нс.

На рисунках 3.6 и 3.7 показаны две схемы реализации описанной логики, основанные соответственно на табличном поиске и арифметических вычислениях, а на рисунке 3.8 приведена схема реализации интегратора.

Q2, Q3 и Q4 - это отсчеты выходов компараторов на предыдущем цикле, а Q1 - текущий отсчет выхода компаратора. S1, … , S6 задают размер шага, AV0, ..., AV6 - выходы интегратора. Размер шага увеличивается если все Q1, … Q4 идентичны, в противном случае размер шага уменьшается. Скорость увеличения или уменьшения размера шага определяется слоговыми характеристиками, которые реализованы в ПЗУ рисунок 3.6, или же устанавливается селектором рисунок 3.7. Новый размер шага используется для генерации нового выхода интегратора с помощью сложения (если Q1=1) или вычитания (если Q1=0) нового размера шага из предыдущего выхода интегратора, хранимого в памяти.

Если необходимо соединить два канала Сx и Су, то данные (т. е. содержимое памяти) канала Сx считываются на интервале времени, выделенном каналу С, а данные канала Су - на интервале времени, выделенном каналу Сх.

Такой режим реализуется для всех каналов с помощью схем коммутации адресов памяти (функция присвоения метки) и синхронизации, которые обеспечивают считывание и запись адресов из М1 и М2 при каждом требуемом соединении. Для этой цели можно использовать подинтервал времени ts3 в тех случаях, когда он не используется для выполнения операций с памятью. Для управления используется микропроцессор, который принимает заявки на обслуживание и другую служебную информацию через интерфейс линии (на рисунке не показан). В режиме коммутации каждый канал требует для обработки своих данных четыре цикла обращения к памяти; при использовании стандартных биполярных схем полное время на канал составит от 100 до 200 нс.

Проверка и результаты:

На основе стандартных биполярных интегральных схем (всего их было использовано около 40) был построен и успешно испытан экспериментальный модуль на 54 канала. Уровень искажений был лучше - 22 дБ, а уровень переходного разговора (межканальных помех) был сравним с аналогичным показателем для стандартного одноканального кодека, т. е. Составлял - 65 дБ.

Рисунок 3.6. Схема реализаций на основе табличного поиска

Рисунок 3.7. Схема реализации с использованием дискретной логики

Рисунок 3.8. Схема реализации на основе интегратора

3.7 Микросхема ИКМ-КОФИДЕК ТР3057

Микросхема ИКМ-КОФИДЕК ТР3057, рисунок 3.9, это система с полным набором функциональных возможностей устройств типа КОДЕК и ФИЛЬТР, включая:

·   ФНЧ и ФВЧ в передающем канале;

·   ФНЧ с коррекцией искажений типа sinx/х в приемном канале;

·   Активные RС-фильтры для улучшения шумовых параметров;

·   ИКМ КОДЕК (кодер и декодер), поддерживающий компандирование сигнала по А- или m-закону (см. Типономиналы);

·   Внутренний прецизионный источник опорного напряжения;

·   Последовательный интерфейс ввода/вывода;

·   Схему компенсации ухода нулевого уровня;

·   Соответствие стандартам D3/D4 и СС1ТТ;

·   Напряжение питания ±5 В;

·   Низкое энергопотребление в рабочем режиме 50 мВт;

·   Дежурный режим с пониженным энергопотреблением 3 мВт;

·   Автоматический переход в режим с пониженным энергопотреблением;

·   ТТЛ- и КМОП- совместимость цифровых входов-выходов ИС;

·   Позволяет максимально повысить плотность монтажа на плате интерфейса ИКМ- линии;

·   Полная взаимозаменяемость с ТР3057.

ОСНОВНЫЕ ПРИМЕНЕНИЯ:

·   Линейный интерфейс для стандартов Т1/Е1 систем передачи и коммутации, использующих несущую частоту стандарта Т1, телефонных подстанций и ГТС;

·   концентраторы абонентских линий;

·   системы с цифровым шифрованием;

·   цифровые системы накопления данных с речевой полосой частот;

·   устройства обработки цифрового сигнала.

Рисунок 3.9. Типовая схема включения в синхронном режиме ТР3057А/В

Описание выводов микросхемы ТР3057А/В приведено в таблице 3.4.

Таблица 3.4 - Описание выводов микросхемы ТР3057А/В

Символ

Назначение

1

2

Vвв

Отрицательное напряжение питания - 5 В ± 5%

GNDA

Общий вывод аналоговый. Этот вывод является опорным уровнем для отсчета напряжений всех аналоговых и цифровых сигналов.

VFкO

Аналоговый выход фильтра приемного канала.

Vcc

Положительное напряжение питания + 5 В ±5%

FSR

Вход кадровых синхроимпульсов приемного канала частотой 8 кГц. После положительного фронта FSR последовательное ИКМ-слово на входе DRI вводится в приемный регистр данных посредством тактирования ВСLKR.

DRI

Вход цифровых данных приемного канала. После положительного фронта FSR последовательное ИКМ-слово на входе DRI вводится в приемный регистр данных посредством тактирования импульсами ВСLKR.

ВСLKR/CLKS

Вход тактовых импульсов приемного канала, которые тактируют ввод данных через вход DRI. Частота тактовых импульсов данных может изменяться от 64 кГц до 2048 кГц. Кроме того, при подачи на этот вход постоянного логического уровня он служит для выбора главной тактовой частоты (1.536/1.544 МГц или 2.048 МГц) в синхронном режиме работы, когда импульсы ВСLKX используются для тактирования данных как в передающем, так и в приемном каналах (см. раздел Выбор главной тактовой частоты).

MСLKR/PDN

Вход главных тактовых импульсов приемного канала и включения режима пониженного энергопотребления. Частота импульсов MСLKX может принимать значения 1.536,1.544 или 2.048 МГц. Допускается асинхронность MСLKR с MСLKX, но для получения лучших характеристик требуется синхронность главных тактовых частот. Когда MСLKR имеет постоянный НИЗКИЙ уровень, MСLKX используется для всего внутреннего тактирования. Когда на MСLKR подается постоянно ВЫСОКИЙ уровень, потребляемая мощность прибора понижается.

MСLKх

Вход главных тактовых импульсов передающего канала. Частота импульсов MСLKх может принимать значения 1.536,1.544 или 2.048 МГц. Допускается асинхронность MСLKХ с MСLKR.

BСLKx

Вход тактовых импульсов передающего канала, которые тактирует вывод данных через выход DхO. Частота тактовых импульсов данных может изменяться от 64 кГц до 2048 кГц при соблюдении синхронности с MСLKх.

DхO

Трехстабильный выход цифровых данных передающего канала. После положительного фронта FSх вход DхO переводится в активное состояние, после чего последовательное ИКМ- слово выводится через выход DхO посредством тактирования импульсами BСLKx.

FSх

Вход кадровых синхроимпульсов передающего канала частотой 8 кГц. После положительного фронта FSх последовательное ИКМ-слово выводится через выход DхO посредством тактирования BСLKx.

TSх

Выход импульса передающего временного интервала. Это выход с открытым стоком, который переводится на НИЗКИЙ уровень во время передающего временного интервала. Рекомендуется заземлять в случае не использования.

GSх

Выход входного ОУ передающего канала. Служит для установки коэффициента усиления передающего канала.

VFхI-

Инвертирующий вход входного ОУ передающего канала.

VSхI+

Неинвертирующий вход входного ОУ передающего канала.


Максимальные значения параметров и режимов:

Напряжение Vсc относительно GNDА, В.................…......7

Напряжение Vвв относительно GNDА, В..............…......-7

Напряжение на аналоговых входах/выходах, В. + 0.3…. - 0.3

Напряжение на цифровых входах/выходах, В.+ 0.3. GNDА - 0.3

Рабочая температура, °С...………………….....………..-25…+125

Температура хранения, °С ..……………….…...........-65…+150

Температура пайки, °С ………………………….………...300

3.7.1 Общее описание

Микросхемы ТР3057А/В, рисунок 3.10, объединяют в себе ИКМ- кодек, выполняющий кодирование (А/Ц преобразование) в канале передачи и декодирование (Ц/А преобразование) в канале приема и необходимую полосовую фильтрацию перед кодированием и после декодирования. Они выполняют функции сопряжения дуплексной (2-проводной) речевой телефонной линии с цифровыми ИКМ- системами или ИКМ магистралью. Аппаратно совместимы с микросхемами фирмы Nаtiоnаl Semiconductor ТР3057А/В. Для работы микросхемы необходимо наличие предающих приемных главных тактовых импульсов фиксированной частоты 1.536 МГц, 1.544 МГц или 2.048 МГц, которые могут быть асинхронны, передающих и приемных импульсов тактирования данных частотой от 64 кГц до 2.048 МГЦ, которые должны быть синхронны с главными тактовыми импульсами и передающих и приемных кадровых синхроимпульсов.


Микросхемы, ТР3057 используют патентованную схемотехнику, позволяющую уменьшить шум незанятого канала передачи до минимума. Эти микросхемы не рекомендуются применять в устройствах с уровнем передаваемого сигнала ниже -55 dВm0.

3.8 Схема интерфейса абонентской линии

Микросхема L3037, рисунок 3.11, выполненная по 70-ти вольтовой биполярной технологии, представляет собой схему интерфейса абонентской линии (SLIC) и предназначена для применения в местных и учрежденческих АТС.

Данный SLIC осуществляет прием/передачу сигнала, батарейное питание, контроль абонентской линии. Передача сигнала осуществляется в соответствии с Европейским и Североамериканским стандартами и с рекомендациями МККТТ.

Формирование сигнала вызова, защита от перенапряжения и касания силового провода производятся внешними цепями.

В микросхеме реализованы следующие функции: возможность передачи при поднятой трубке, связь по шлейфу, связь к земле, импульсный код на землю, контроль состояния шлейфа, определение поднятия трубки при вызове и управление вызывным реле по переходу сигнала вызова через нуль.

Импеданс двухпроводного окончания устанавливается внешней схемой и может быть комплексным. Преобразование двухпроводной линии в четырехпроводную выполняется внешней дифференциальной системой. В случае использования совместно с микросхемой COMBOII (кофидек второго поколения) преобразование двухпроводной линии в четырехпроводную осуществляется в кофидеке фильтром эхо-балансировки.

Схема производит ввод на линию измерительных импульсов, подаваемых через вывод ТТХIN. Фильтрация измерительных импульсов выполняется обычной RC-цепью на компонентах со стандартным разбросом номинала. Если функция ТТХ не используется, то данный вход следует соединить с GNDA. Можно использовать это для изменения постоянного падения напряжения между проводами линии NIP и RING, а также для регулировки напряжения батареи в применениях, требующих оптимизации напряжения батареи от размаха сигнала.

Выходное сопротивление по постоянному току со стороны абонентской линии устанавливается одним внешним резистором.

Ограничение тока (25, 44 и 55 мА) программируется по параллельному цифровому интерфейсу. Микросхема L3037 имеет низкую потребляемую мощность во всех режимах работы, при этом управление мощностью осуществляется посредством дешевого внешнего транзистора.

Рисунок 3.11. Структурная схема интерфейса абонентских линий

Дополнительная контрольная функция устанавливает вывод TIP в высокоимпендансное состояние, что позволяет использование несимметричной связи RING-земля (связь к земле).

Различные режимы L3037 управляются по 4-х разрядному логическому интерфейсу, два дополнительных выхода обеспечивают определение кодовых импульсов на землю и состояние линии/снятие трубки при вызове.

Влияние рассогласования защитных резисторов компенсируется ОС с выходного каскада, что позволяет получить хорошее подавление синфазной помехи на линии при большом разбросе номиналов внешних защитных резисторов (РТС). В результате микросхема L3037 полностью отвечает требованиям BELLCORE по касанию силового провода и выбросам напряжения на линии, а также спецификации по синфазным помехам для местных и офисных АТС, при этом не требуется использование согласованных резисторов РТС.

Если температура кристалла превышает 150 0С, то внутренняя схема защиты от перегрева переводит микросхему L3037 в дежурный режим пониженного энергопотребления.

Характеристики схемы нормируются в диапазоне температур -40…+850С.

Микросхема выпускается в корпусах для поверхностного монтажа PLCC-44 или QFP-44.

4. Проектное решение


4.1 Расчет количества оборудования станции

Для расчета объема оборудования РСМ (количества абонентских и станционных полукомплектов) необходимо знать величины потоков нагрузки поступающих от абонентов РСМ на АТС, к которой они подключены.

Для определения интенсивностей нагрузок, поступающих на коммутационное поле станции, обратимся к схеме организации связи рисунок 1.1. Из данной схемы видно, что возникающую нагрузку создают вызова поступающие от абонентов самой АТС и от абонентов ГТС, и от существующих станций СТС региона.

Новые абоненты подключаемые через РСМ к АТС создают нагрузку которая поступая на коммутационное поле станции должна быть обслужена, поэтому необходимо рассчитать эту нагрузку и определить достаточно ли существующего станционного оборудования для обслуживания дополнительной нагрузки от РСМ.

Согласно нормам технологического проектирования [10], различают три категории источников: деловой сектор, квартирный сектор и таксофоны. При этом интенсивность местной возникающей нагрузки может быть определена, если известны следующие ее основные параметры:

·    - число телефонных аппаратов делового сектора, квартирного сектора и таксофонов;

·    - среднее число вызовов в ЧНН от одного источника i-й категории;

·    - средняя продолжительность разговора абонентов i-й категории в ЧНН;

·    - доля вызовов закончившихся разговором.

Структурный состав источников, то есть число аппаратов различных категорий определяется изысканиями, а остальные параметры () - статистическими наблюдениями на действующих АТС города, таблица 3.1 [10].

Расчет нагрузки от уплотненных абонентов подключенных через РСМ-4А к АТС-7 типа DMS.

Количество новых абонентов подключаемых к DMS через системы уплотнения составляет 252 абонента.

Процентное соотношение от общей ёмкости РСМ:

·   квартирный сектор - 80%;

·   деловой сектор - 20% .

Количество абонентов квартирного сектора:

, номеров,                    (4.1)

, номеров

Количество абонентов делового сектора:

, номеров,                   (4.2)

, номеров,

где - ёмкость уплотненных абонентов.

Тогда для уплотненных абонентов значения основных параметров нагрузки приведены в таблице 4.1 [10].

Таблица 4.1 - Средние значения основных параметров нагрузки  

Категория аппаратов

Число аппаратов, NN

Ci

Ti,c

Pp

Деловой сектор

50

2,4

90

0,5

Квартирный сектор

201

1,2

140

0,5


Для определения интенсивности возникающей местной нагрузки от уплотненных абонентов i-й категории, воспользуемся формулой (4.3):

                    (4.3)

где  - средняя продолжительность одного занятия, с.

               (4.4)

Продолжительность отдельных операций по установлению связи, входящих в формулу (4.4), можно принять следующей:

·   время слушания сигнала ответа станции

·   время набора n=5 знаков номера с дискового ТА  т.к. на ГТС г. Талдыкоргана принята пятизначная система нумерации;

·   время набора n знаков номера с тастатурного ТА

·   время посылки вызова вызываемому абоненту при состоявшемся разговоре

·   время установления соединения tУ с момента окончания набора номера до подключения к линии вызываемого абонента зависит от вида связи, способа набора номера и типа станции, в которую включена требуемая линия, т.к. тип АТС цифровой, то .

Коэффициент a учитывает продолжительность занятия приборов вызовами, не закончившихся разговором (занятость, не ответ вызываемого абонента, ошибки вызывающего абонента). Его величина в основном зависит от средней длительности разговора  и доли вызовов закончившихся разговором , и определяется по графику рисунок 4.1:

.

Теперь определим время продолжительности одного занятия (ti, с), для квартирного сектора:

Тогда возникающая нагрузка:



Для делового сектора:

Тогда возникающая нагрузка:

Возникающая местная нагрузка от абонентов РСМ различных категорий, включенных в станцию, определится по формуле 4.5.

                   (4.5)

Тогда:

Междугородную исходящую нагрузку от абонентов РСМ, то есть нагрузку на заказно-соединительные линии (ЗСЛ), от одного абонента можно считать равной 0,003 Эрл, можно определить по формуле 4.6.

                    (4.6)

где N - число абонентов РСМ.

Международная нагрузка от абонентов РСМ определяется аналогично междугородней нагрузке, исходящую и входящую международную нагрузку считаем равными, но 0,006 Эрл на одного абонента, и она равна

                    (4.7)

Общая нагрузка от абонентов РСМ определяется по формуле:

                (4.8)

Стандартный абонентский модуль, позволяет включать 4 абонентские линии. Количество станционных плат определяется по формуле:

                (4.9)

где  - количество абонентов РСМ; 4 - количество абонентов в станционном плате.

В одном модульном кассете устанавливается 14 станционных плат РСМ-4VA, общее количество модульных кассет РCM на станции будет:

т.е. необходимо установить 5 модульных кассет.

Далее приведем расчет общей нагрузки абонентов РСМ с применением ЭВМ по программе Бейсик, алгоритм программы изображен на рисунке 4.2, далее приведен листинг программы и сама программа.


Шаг 0. Начало.

Шаг 1. Ввод данных.

Шаг 2. Вычисление продолжительности занятия и нагрузки квартирного сектора.

Шаг 3. Вычисление продолжительности занятия и нагрузки делового сектора.

Шаг 4. Определение возникающей нагрузки.

Шаг 5. Определение междугородней нагрузки.

Шаг 6. Определение международной нагрузки.

Шаг 7. Определение общей нагрузки.

Шаг 8. Вывод значения общей нагрузки.

Шаг 9. Конец.

10 REM

INPUT A, P, tco, m, tn, tu, tpv, Ti, N, C, A1, P1, tco1, m1, tn1, tu1, tpv1, Ti1, N1, C1

tkv = A * P * (tco + m * tn + tu + tpv + Ti)

Ykv = (1 / 3600) * N * C * tkv

tdel = A1 * P1 * (tco1 + m1 * tn1 + tu1 + tpv1 + Ti1)

Ydel = (1 / 3600) * N1 * C1 * tdel

Y1 = Ykv + Ydel

80 Yмг = 0.003*(N+N1)

90 Yмн = 0.006*( N+N1)

PRINT "YРСМ="; YРСМ

130 END

? 1.16,0.5,3,5,1.5,3,8,140,201,1.2,1.24,0.5,3,5,1.5,3,8,90,50,2.7РСМ = 11.14215

5. Панель подсоединения и присвоение контактов и разъемов


На панели подсоединения имеются все сигналы модулей, а также подсоединение блока питания, отдельного аварийного сигнала и присоединение к системе управление, рисунок 5.1.

Интерфейсы NF и U отдельных платомест выведены на разъемы А до Е. Присоединение к системе управления через шину RS485 осуществляется через разъемы H и J. При этом разъем H является началом, а разъем J концом шины RS485. Пример соединения показан на рисунке 5.2.

При установке шины RS485 используется исключительно экранированный кабель. Экран следует соединить с контактом 5 (PIN5).



На разъеме К находится контакт ЕА. Он выполняет как шина в BGT и соответственно поляризован, рисунок 5.3.

Отрицательный полюс источника постоянного питания следует подключить к ЕА_N для распространения сигнала тревоги, а положительный плюс - к ЕА_Р.


К этому разъему можно подключить блок оценки, либо через заземленное или незаземленное напряжение, рисунок 5.4.

рисунок 5.4

5.1 Указание к установке

Спецификация необходимых кабелей.

В ниже приведенных рисунках 5.5 представлена спецификация всех видов кабелей для подключения модуля управления СМ, соединения каркасов между собой, а также предоставления ЕА - контакта. Кабель для электропитания должен быть изготовлен в соответствии с требованиями.

.2 Указания к применению и прокладке кабелей

При прокладке разновидных кабелей и подсоединении каркасов необходимо обратить внимание на следующее:

а) Подключение напряжения питания. 

Для подключения BGT к панели предохранителей и т.п. следует применять только питающий кабель. В зависимости от системной стойки при этом могут быть применимы кабели разной длины. Затем можно устанавливать предохранители и подключать напряжение питания. Обязательно следить за правильной полярностью.

б) Подключение шины RS 485.

Для соединения BGT друг с другом предусматривается применять кабель 1. Рекомендуется устанавливать модуль управления СМ на платоместе 14 первого каркаса (обратить внимание на правильную адресацию) и начинать шину у штекера OUT. В последнем каркасе (от макс. 16) необходимо установить замыкающий штекер шины RS-BA1 на штекере OUT. При модуле управления СМ следует обратить внимание на активирование ведущего интерфейса «REAR». Более подробная информация содержит инструкция по пользованию модуля управления СМ.

в) Подключение линий NF и ASL.

Рисунок 5.5 Соединение кабелей между собой

Подключение низкочастотных линий NF (аналоговый a/b-интерфейс) осуществляется от главного распределителя на АТС к Sub-D-штекерам А….Е. Распределение контактов для отдельных РСМ-систем описано в соответствующих разделах.

Для РСМ-4А абонентские линии (ASL) находятся в Sub-D- штекерах А…Е.

г) Подключение ЕА-контакта.

Индивидуальные ЕА-контакты систем РСМ-4А и модуля управления СМ доводятся в BGT на совместной шине на Sub-D- штекер ЕА. В соответствии с рисунками в разделе 5 возможны два варианта установки. Для дальнейшей передачи сигналов тревоги нужен распределительный модуль VTM-1. Для присоединения к главному распределителю или к блоку оценки результатов этот кабель следует вставить в контакт 1 (верхний штекер), а кабели от каркасов - в контакты 2 до 8 на VTM-1.

Вариант А.

В этом варианте контакты EA-N и EA-P от каждого каркаса доводятся до VTM-1 и собираются, рисунок 5.6. Оценка сигналов тревоги здесь производится только для общей системной стойки, а не для индивидуального каркаса.

Вариант Б.

В отличие от варианта (а) в этом случае соединяется кабелем только контакт EA-N с контактом VTM-1, рисунок 5.7. Однако, в соответствии с рисунком в разделе 5 в каждом гнезде на BGT необходимо установить мостик между EA-P и OV. Этот вариант позволяет осуществить оценку сигналов тревоги на каркасах.

При использовании модуля управления СМ в каркасе (BGT) - обычно в каркасе 1 - достаточным является подключать этот BGT прямо к главному распределителю или к блоку оценки результатов.

д) Подключение сервисного компьютера.

Сервисный компьютер присоединяется через последовательный интерфейс посредством кабеля 2 или нулевого модемного кабеля к модулю управления (гнездо «РС»).



.3 Лицевая панель РСМ-4VA

Лицевая панель оборудования РСМ-4VA приведена на рисунке 5.8. Рабочее состояние и неполадки сигнализируется в РСМ-4VA при помощи светодиодов, расположенных на лицевой панели PCM-4VA, на панели имеются по одному светодиоду F1, ERROR, ACT, ACK, INT, SERVICE и ON. Состояние светодиодов приведено в таблице 5.1.


Таблица 5.1 - Состояния светодиодов

LED F1 (красный) мигает   горит

Сигнализирует следующие состояние пути передачи: Построение пути передачи. Сбой пути передачи из-за потери синхронизации или BFH ³ 10 - 3.

LED ERROR (красный) мигает  горит

Сигнализирует следующие неполадки/ошибки: Отключение напряжения дистанционного питания из-за перегрузки, несимметричности и работы в холостом ходу или соотв., перебоя работы Ошибка PCM-4TA из-за исчезновения вызывного напряжения.

LED ACT (желтый) горит

Показывает действия по абонентским линиям: Действие при одном абоненте как минимум.

LED ACK (желтый) горит

Сигнализирует наличие квитированных аварийных сигналов: Наличие одного квитированного аварийного сигнала как минимум.

LED INT (красный) горит

Сигнализирует наличие внутренних ошибок PCM4VA: Распознана ошибка самотеста.

LED SERVICE (желтый) горит

Показывает сервисные действия на модули: Управляющий доступ к модулю.

LED ON (зеленый)    горит


6. Безопасность жизнедеятельности

6.1 Анализ условий труда в производственном помещении

В целях создания экономичных сетей связи по всем технико-экономическим показателям на Талдыкорганском предприятии связи предложено применение оборудование РСМ-4А.

Помещение кросса расположено в 3-х этажном здании на 2-ом этаже. Здесь расположены зал кросса, производственная лаборатория электросвязи, зал операторов 09, комната отдыха, санитарный узел.

Распределение работающих: в лаборатории работают 3 инженера 1 электромеханик и начальник лаборатории, в зале операторов 09 работают 3 оператора и 1 старший оператор, в зале кросса 1 инженер и 2 электромеханика. Все работники работают по сменно, кроме работников производственной лаборатории. 1 смена работает с 900 до 1800 часов, 2 смена работает с 1900 до 800 часов с перерывом на обед с 1300 до 1400 часов.

План размещения помещений приведен на рисунке 6.1.

Для аппаратуры уплотнения РСМ-4А имеется помещение кросса, состоящее из 1-ой комнаты размером 12´7´4 м, в комнате которой имеются 3 световых оконных проема размером 3´2 м каждый, выходящими на север, высота проема от пола 2,8 м.

Для того чтобы аппаратура абонентского уплотнения РСМ-4А долго эксплуатировалась, ей необходимо обеспечить оптимальные климатические условия: температуру от 0оС до 50 оС с относительной влажностью от 10 до 75. Аппаратура абонентского уплотнения РСМ-4А работает на постоянном токе напряжением 48/60В.

Исходя из анализа необходимо разместить оборудование в кроссе, так, чтобы его можно было удобно обслуживать, поскольку аппаратура абонентского уплотнения РСМ-4А питается постоянным током от напряжения 48/60В, что по мировым стандартам является опасным напряжением (свыше 25В) необходимо разработать меры по обеспечению электробезопасности в кроссе.

Создаем оптимальные условия рабочего места инженера, а также создание микроклимата в помещение кросса, путем установления кондиционеров.

Категория работы в кроссе средней тяжести, т.е. кассеты, сменные блоки весят не более 1 кг, категорию работ по ГОСТ 12.11.005-76 ССБТ “Воздух рабочей зоны, общие санитарно-гигиенические требования ”[6].

По энергозатратам определим параметры микроклимата помещения кросса. Различают два периода года, первый теплый т.е. среднесуточная температура наружного воздуха составляет выше +10 0С, в холодный период года, среднесуточная температура наружного воздуха составляет +10 0С и ниже. Приведем оптимальные параметры микроклимата для категории работ IIа [6].


Таблица 6.1 - Категория работ по энергозатратам организма

Работа

Категория работы

Энергозатраты организма Дж/с (ккал/час)

Характеристика работы

Средней тяжести

IIа

172-232 (150-200)

Связана с ходьбой, перемещением мелких (до 1 кг) изделий или предметов в положении стоя или сидя и требует определенного физического напряжения.


Таблица 6.2 - Оптимальные нормы параметров микроклимата

Период работы

Категория работы

Температура, 0С

Скорость движения воздуха, м/с, не более

Холодный Теплый

IIа IIа

18-20 21-23

0,2 0,3


Работа инженера и электромеханика заключается в обслуживании аппаратуры абонентского уплотнения РСМ-4А в течении 24 часов в сутки (днем и ночью), естественного освещения от окон для работы в кроссе недостаточно. Целесообразнее произвести расчет искусственного освещения, и установление необходимого количества светильников в кроссе.

Таблица 6.3 - Минимальные и максимальные пределы освещения на рабочих поверхностях

Помещение

Система освещения

Лампы накаливания, лк

Люминесцентные лампы, лк

Телефонные предприятия

Общее  Комбинированное

150/30-400/75 150/50-500/75

100-200 500/150-1000/150


Примечание: числители дробей определяют суммарную освещенность на рабочей поверхности от светильников общего и местного освещения. Знаменатели дробей определяют освещенность от светильников общего освещения. Общее освещение, соответствует санитарным нормам, использованы светильники АОД с высоким КПД 80%. Расчет которого приведен ниже.

Персонал кросса работает с переменным током напряжением 220 В и постоянным током напряжением 60 В. Оборудование коммутатора работает при напряжении питания менее 1000 В, от одной фазы напряжением 220 В, при этом мерой защиты является защитное заземление. Перед стойками, где используется напряжение 220 В, располагаться диэлектрические коврики, а также для предупреждения персонала об опасности нанесены знаки электрического напряжения.

Помещение кросса является пожароопасным, причиной пожара могут служить искрение электрических аппаратов, перегрузки проводов, замыкание проводов и т.д., категория производства В, степень огнестойкости здания IIIа, при этом для безопасной эвакуации рассчитаем минимальную ширину дверных проемов. На стене в кроссе подвешен щит пожарного инвентаря, состоящий из: лопаты, ведро, лом, топор, ящик с песком. На лестничной площадке расположен противопожарный кран. Для тушения не больших возгорания используем ручные углекислотные огнетушители типа ОУ-8, емкостью 8 л. Применяются в закрытых помещениях и используются в электроустановках, находящихся под напряжением, так как электропроводность углекислоты низка.

6.2

Похожие работы на - Проектирование цифровой подстанции связи

 

Не нашли материал для своей работы?
Поможем написать уникальную работу
Без плагиата!
Без нейросетей!