|
Поддиапазон
|
Границы
поддиапазона, кГц
|
|
1
|
25670….25880
|
|
2
|
25880….26100
|
Так же необходимо определить коэффициент перекрытия для
диапазона с kпд=0.992.
В качестве органа настройки выбираем конденсатор переменной
ёмкости КПЕ-18 с емкостью секции от 2 до 120 пФ.
При выборе конденсатора была учтена возможность достижения
выбранных значений скорректированного коэффициента перекрытия k
ПД на поддиапазонах:

,
Сk max, Сk
min - максимальное и минимальное значения емкости выбранного КПЕ,
пФ;
C сх =10-20 пФ-емкость схемы, пФ.
Условие 
kс ³ kпд выполняется. Значит КПЕ
выбран правильно.
В КВ диапазоне часто используют растянутую настройку для
уменьшения плотности станций на единицу длины шкалы. Растягивание диапазона
осуществляется путем уменьшения коэффициента диапазона контуров принимаемой
частоты и гетеродина, для чего в контуры включают дополнительные конденсаторы.
Переход между поддиапазонами осуществляется путём переключения катушек
индуктивности.
Рисунок 1 - Схема контура с растянутой настройкой.
2. Выбор и
обоснование структурной схемы преселектора
Основным назначением преселектора является предварительная
селекция сигналов, подавление побочных каналов приёма, повышение
чувствительности радиоприёмника. Преселектор, как правило, состоит из входной
цепи (ВЦ) и усилителя радиочастоты (УРЧ). Во входной цепи происходит
предварительная селекция сигналов и передача энергии от антенны к входу первого
каскада с наименьшими потерями и искажениями. Усилитель радиочастоты
предназначен для усиления полезного сигнала, а так же для уменьшения
коэффициента шума приёмника, дополнительного подавления зеркального прямого и
побочных каналов приёма. Так же в состав преселектора может входить ВЦ и одно -
двухкаскадный УРЧ. Но при невысоких требованиях к чувствительности и
избирательности приёмника, преселектора содержит только ВЦ.
На данном этапе курсовой работы, необходимо произвести выбор
структуры и расчёт преселектора. Для начала необходимо распределить частотные
искажения по отдельным трактам приёмника: преселектор, УПЧ, детектор, УНЧ.
Согласно техническому заданию, общий коэффициент частотных искажений РПУ
составляет 9 дБ. Для распределения частотных искажений необходимо опираться на
следующею формулу:
Где 
- частотные искажения в преселекторе;

- частотные искажения в УПЧ;

- частотные искажения в амплитудном детекторе;

- частотные искажения в УНЧ, заданы в ТЗ.
Исходя из технического задания, а так же задавшись 
, очевидно, что допустимые частотные искажения трактов
преселектора и УПЧ составляют 5 дБ. Зададимся значением 
, тем самым обеспечив запас для УПЧ. Если для реализации данного
условия потребуется усложнение схемы преселектора, то будет необходимым
увеличение значения 
.
Далее необходимо рассчитать ширину полосы пропускания. Для приёма
с наименьшими искажениями, полосу пропускания П высокочастотного тракта
приёмника необходимо выбирать равной реальной ширине спектра принимаемого
сигнала. Для радиовещательных приёмников обычно считается допустимой подстройка
при приёме, при этом полоса пропускания высокочастотного тракта выбирается
равной реальной ширине спектра принимаемого сигнала.
Согласно техническому заданию, верхняя частота усиливаемых частот
НЧ тракта 
. Тогда ширина спектра АМ сигнала определяется по следующей
формуле:
Промежуточную частоту выберем стандартной, как в большинстве
промышленных приемников 
Для расчета преселектора мы будем пользоваться программой
"Расчёт преселектора с одиночными контурами", скриншот работы
программы приведен на рисунке 2.
супергетеродинный приемник амплитудная модуляция
Рисунок 2. Расчет преселектора с одиночными колебательными
контурами
Нам необходимо заполнить все поля данной программы чтобы
провести расчет преселектора.
Сперва нам необходимо ввести диапазон частот. В нашем случае
это короткие волны (КВ) с диапазоном частот (25.88-26.1 МГц).
Избирательность по зеркальному каналу нам задана в ТЗ.
Промежуточную частоту мы выбрали из стандартизированных
значений и она ровняется 465 кГц [1].
Полосу пропускания мы взяли равной реальной ширине спектра
принимаемого сигнала, а именно 7кГц.
Ослабление на краях полосы пропускания мы взяли равным 1дБ.
Конструктивную добротность мы взяли равной 150.
Так же мы выбрали число контуров равное двум.
Вид связи мы выбрали индуктивный, так как у нас штырь.
Коэффициент шунтирования мы взяли равным 0,5.
Результаты расчета приведены ниже:
Эквивалентная добротность на максимальной частоте: 77.3488
Эквивалентная добротность на минимальной частоте: 77.6659
Избирательность по зеркальному каналу на макс. частоте:
29.6557 дБ
Избирательность по зеркальному каналу на мин. частоте:
29.8739 дБ
Избирательность на ПЧ на макс. частоте: 110.5164 дБ
Избирательность на ПЧ на мин. частоте: 110.5138 дБ
Ослабление на краях полосы пропускания на макс. частоте:
0.0037дБ
Ослабление на краях полосы пропускания на мин. частоте:
0.0038 дБ
По рисунку 1 можно сделать вывод, что для реализации
преселектора необходимо использовать 2 каскада. Следовательно преселектор
состоит из ВЦ и УРЧ.
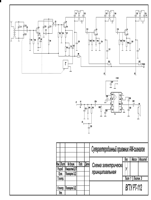
Схема электрическая принципиальная ВЦ представлена на рисунке
3.
Рисунок 3. Схема ВЦ
Схема электрическая принципиальная усилителя радиочастоты
представлена на рисунке 4.
Рисунок 4 - Схема электрическая принципиальная УРЧ
Схема УРЧ, представленная на рисунке 4 является усилителем с
двойной автотрансформаторной связью на транзисторе с общим эмиттером. Данная
схема усилителя позволяет получить наибольшее усиление мощности вследствие
большого входного сопротивления. Избирательным элементом усилителя служит
одиночный контур, включающий катушку индуктивности L1, конденсатор настройки контура С3. Конденсатор С4 включен для
подстройки колебательного контура на верхнюю граничную частоту диапазона. На
нижнюю частоту диапазона контур настраивается с помощью сердечника из
ферримагнитного материала катушки индуктивности L1. Цепь резисторов базового делителя R1, R2 служит для подачи смещения на базу
транзистора от источника питания. Цепь С5 R4 является развязывающим фильтром.
3. Расчет УПЧ
Проведем расчет усилителя промежуточной частоты (УПЧ). Для
этого
воспользуемся программой для расчета УПЧ с двухконтурным
полосовым фильтром. Скриншот работы программы приведен на рисунке 5
Рисунок 5 - Расчет УПЧ с двухконтурным полосовым фильтром
В данной программе так же для расчета необходимо ввести
некоторые значения.
Промежуточную частоту мы взяли такую же как и при расчете
преселектора, а именно 465 кГц.
Полосу пропускания УПЧ мы выбрали близкой к полосе
пропускания преселектора с небольшим превышением [2]:
Поэтому полосу пропускания мы взяли равной 8кГц.
Избирательность по соседнему каналу нам задана в ТЗ.
Конструктивную добротность контура мы взяли такой же как и
при расчете преселектора.
Расстройку по соседнему каналу мы выбрали равной 9кГц, так
как у нас АМ сигнал.
Результаты расчета приведены ниже:
Число полосовых фильтров 3
Эквивалентная добротность контура 99,543
Фактор связи 1,5
Избирательность по соседнему каналу, Дб 40
Ослабление на краях полосы пропускания, дБ 3,5646
Коэффициент шунтирования 0,7
Рисунок 6 - Резонансная характеристика УПЧ с двухконтурным
полосовым фильтром
Схема электрическая принципиальная тракта УПЧ представлена на
рисунке 7
Рисунок 7 - Схема электрическая принципиальная УПЧ
На вход Х1 данной схемы подаётся сигнал с выхода УРЧ через
разделительный конденсатор на базу транзистора VT1, на основе которого
построен смеситель. На вход X2 подаётся сигнал с выходе гетеродина.
4.
Определение коэффициента усиления
Для работы детектора в линейном режиме, на вход должен подаваться
сигнал с уровнем
Для обеспечения такого напряжения сигнала требуется, чтобы
каскады УРЧ и УПЧ обладали достаточно высоким усилением. Требуемый коэффициент
усиления всего устройства определяется по формуле:
где 
-чувствительность приёмника (150 мкВ - из ТЗ);

- коэффициент запаса (для КВ диапазон 1,4.2).
Проведя расчёт усиления, получили следующее значение:
Общее усиление ВЧ тракта супергетеродинного приемника с
однократным преобразованием частоты равно произведению коэффициентов усиления
отдельных каскадов:
где 
- коэффициент передачи ВЦ: (0.5 при использовании внешней
антенны)

- коэффициенты усиления УРЧ, ПЧ и УПЧ.
Коэффициент усиления УРЧ должен быть порядка 20 дБ, то есть
Далее перейдём к выбору транзистора. Изучив параметры транзисторов
в справочнике [4] был выбран транзистор КТ340Д. Значение h11Б (входное сопротивление транзистора в
схеме включения с общей базой) определим с помощью формулы:
где
- сопротивление эмиттерного перехода;

- коэффициент усиления тока базы в схеме с общим эмиттером
(КТ340Д: 40);
где
- постоянная времени цепи обратной связи (КТ340Д: 150пс);

-технологический коэффициент (КТ340Д: 5);

- емкость коллекторного перехода (КТ340Д: 6 пФ)
Имея все данные проведём расчёт 
:
С помощью программы "Yparam" были определены Y-параметры
транзистора. Для начала были определены Y - параметры для транзистора в УРЧ на рабочей частоте 1607 кГц. В
результате расчёта были найдены следующие параметры:
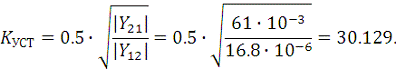
Рассчитаем коэффициент устойчивого усиления каскада УРЧ:
Как было сказано ранее, коэффициент усиления УРЧ должен быть
порядка 20 дБ, такое усиление можно получить за счёт неполного включения
контура УРЧ. Поскольку контур УРЧ имеет два коэффициента усиления 
, то будем считать что они одинаковы и равны m. Тогда получим следующее выражение:
,
Далее с помощью программы "Yparam" были определены Y -
параметры транзисторов в каскадах УПЧ на рабочей частоте 465 кГц.
В результате расчета, были найдены параметры:
Рассчитаем коэффициент устойчивого усиления одного каскада УПЧ:
Рассчитаем коэффициент устойчивого усиления каскада ПЧ:
Далее определим общий коэффициент усиления:
Полученное усиление получилось много меньше требуемого, это
говорит о том, что необходимо добавить ещё один каскад УПЧ.
Проведём расчёт общего усиления с добавление ещё одного каскада
УПЧ:
Такое значение коэффициента предварительного усиления превышает
рассчитанное ранее значение по требованиям к чувствительности. Это говорит о
том, что введение дополнительных каскадов усиления не требуется. Требуемое
усиление можно получить за счет неполного включения контуров УПЧ. Тогда получим
следующее выражение:
,
Поскольку добавленный каскад УПЧ будет оконечном в тракте
промежуточной частоты, то необходимо выбрать схему резонансного усилителя.
Данная схема представлена на рисунке 8
Рисунок 8 - второй каскад УПЧ
В схеме, представленной на рисунке 8 на вход Х1 подаётся сигнал с
выхода предыдущего каскада, а к выходу Х2 подключается детектор.
5. Выбор
схемы амплитудного детектора и эскизный расчет режимного АРУ
В транзисторных приемниках для детектирования непрерывных АМ
сигналов используют диодные и транзисторные детекторы. Диодные детекторы могут
иметь как последовательные, так и параллельные схемы включения. Предпочтительны
последовательные детекторы, имеющие относительно большое входное сопротивление.
Параллельные детекторы применяют лишь тогда, когда контур каскада УПЧ находится
под напряжением питания и сигнал на детектор подается через разделительный
конденсатор. Обычно диодные детекторы работают в режиме линейного
детектирования при входном напряжении сигналов 0,5.1 В.
Воспользуемся схемой последовательного детектора с АРУ,
представленной на рисунке 9.
Рисунок 9 - Электрическая схема амплитудного детектора с АРУ
На вход X1 от контура УПЧ сигнал подается на анод диода VD1.
Преобразованный сигнал фильтруется с помощью ФНЧ VD1-C1 и подается на вход УНЧ
(клемма X2). Режимный АРУ состоит из цепи R2-С2. Положительное напряжение с
выхода X3 подается на усилительные каскады и, путем смещения рабочей точки,
снижает усиление.
Проведем эскизный расчет АРУ. Необходимый диапазон
регулирования усиления приемника:
где 
- диапазон изменения уровня сигнала на входе приемника (26 дБ из
ТЗ); 
- диапазон изменения уровня сигнала на выходе линейного тракта
приемника (6 дБ из ТЗ);
Введение АРУ в каскад ПЧ нецелесообразно ввиду роста коэффициента
нелинейных искажений. Поэтому АРУ будет заводиться в каскады УПЧ.
6. Эскизный
расчет УНЧ
Задача УНЧ заключается в усилении мощности сигнала,
поступающего от детектора (или любого другого источника сигнала) до уровня,
необходимого для нормальной работы динамической головки.
При невысоких требованиях к уровню частотных и нелинейных
искажений, и в тех случаях, когда требуется обеспечить малую массу и
энергопотребление, целесообразнее всего использовать УНЧ на интегральных
микросхемах.
Согласно требованиям ТЗ, УНЧ должен обеспечивать номинальную
выходную мощность 0,2 Вт на нагрузке 8 Ом (динамическая головка 0.5ГД-5) при
входном напряжении 250 мВ. Коэффициентом нелинейных искажений должен быть не
более 6 дБ.
Напряжение сигнала в нагрузке:
Коэффициент усиления УНЧ по напряжению:
Данные требования являются невысокими, и позволяют выбрать
интегральный УНЧ. Была выбрана микросхема LA4145 и типовая схема
включения с ее использованием. Электрическая принципиальная схема УНЧ
представлена на рисунке 10.
Рисунок 10 - Электрическая принципиальная схема УНЧ
7. Общая
структурная схема приемника
После структурного расчета всех узлов радиопередатчика
сформируем функциональную схему РПУ, представленную на рисунке 11.
Принципиальная электрическая схема представлена в приложении А.
Рисунок 11 - Структурная схема приемника
Заключение
В ходе выполнения данной курсовой работы были приобретены
навыки эскизного расчета супергетеродинного приемника. С помощью программ для
автоматизированного расчета была определена функциональная схема преселектора и
УПЧ. Главным образом, было определено минимальное количество функциональных
блоков и определены фактические параметры, которые они могут обеспечить. В
итоге, тракт УПЧ обеспечил достаточную селективность при использовании фильтров
сосредоточенной селекции. Был рассчитан общий коэффициент усиления ВЧ тракта и
выбраны транзисторы КТ340Д, обеспечивающие достаточное усиление в УПЧ и ПЧ.
Далее была выбрана схема детектора, и проведен эскизный расчет
системы АРУ и УНЧ. Построена полная функциональная схема радиоприемника и
составлена схема электрическая принципиальная.
В результате, все требования технического задания были
выполнены.
Список
литературы
1.
Поликарпов Э.Д. Проектирование устройств приема и обработки сигналов: учеб.
пособие/ Э. Д Поликарпов, В.В. Бутенко, А.Н. Самойлов.2-е изд., перераб. и доп.
Воронеж: ГОУВПО "Воронежский государственный технический
университет", 2007.192 с.
.
Поликарпов Э. Д Устройства приема и обработки сигналов: практические занятия:
учеб. пособие/ Э. Д Поликарпов. Воронеж: ГОУВПО "Воронежский
государственный технический университет", 2010.93 с.
.
Проектирование радиоприемных устройств. Под ред. А.П. Сиверса. Учебное пособие
для вузов. М., "Сов. радио", 1976.
.
Полупроводниковые приборы: транзисторы. Справочник. Под ред.Н. Н. Горюнова. 2-е
изд, перераб. М., "Энергоиздат", 1985.
Приложения
Приложение А
- схема электрическая принципиальная