Выбор вариантов и основного электрооборудования подстанции
Содержание
Введение
.
Выбор вариантов и основного электрооборудования подстанции
.1
Выбор и обоснование двух вариантов схемы проектируемой подстанции
.2
Выбор силовых трансформаторов и автотрансформаторов
.3
Технико-экономическое сравнение двух вариантов подстанции
.
Выбор электрических аппаратов, токоведущих частей, конструкции ОРУ-220 кВ,
заземляющего устройства, схемы и трансформаторов собственных нужд
.1
Расчет токов короткого замыкания
.2
Выбор выключателей и разъединителей
.3
Выбор сборных шин
.4
Выбор токопроводов
.5
Выбор изоляторов на 10 кВ
.6
Выбор измерительных трансформаторов
.7
Выбор электрических аппаратов по номинальным параметрам
.8
Конструкция ОРУ-220 кВ
.9
Выбор трансформаторов и схемы собственных нужд
Список
литературы
Введение
Важнейшие задачи, решаемые энергетиками и
энергостроителями, состоят в непрерывном увеличении объемов производства, в
сокращении сроков строительства новых энергетических объектов и реконструкции
старых, уменьшении удельных капиталовложений, в улучшении структуры
производства и передачи электроэнергии.
Важнейшую роль в энергетике выполняют
электрические подстанции - электроустановки, предназначенные для преобразования
и распределения электроэнергии.
В Республике Казахстан, как и во всех странах
СНГ, для производства и распределения электроэнергии принят трехфазный
переменный ток частотой 50 Гц. Применение трехфазного тока по сравнению с
установками однофазного переменного тока экономично, а также отличается
возможностью широкого использования в качестве электропривода наиболее
надежных, простых и дешевых асинхронных электродвигателей.
При выборе схем электроустановок должны
учитываться следующие факторы:
значение и роль подстанции для энергосистемы;
положение подстанции в энергосистеме, схемы и
напряжения прилегающих сетей;
категория потребителей по степени
электроснабжения;
перспектива расширения и промежуточные этапы
развития подстанции и прилегающего участка сети.
При выборе схем электроустановок учитывается
допустимый уровень токов КЗ. При необходимости решаются вопросы секционирования
сетей, деления электроустановки на независимо работающие части, установки
специальных токоограничивающих устройств.
Из сложного комплекса предъявляемых условий,
влияющих на выбор главной схемы подстанции, можно выделить основные требования:
надежность электроснабжения потребителей;
приспособленность к проведению ремонтных работ;
оперативная гибкость электрической схемы;
экономическая целесообразность.
1. Выбор вариантов и основного
электрооборудования подстанции
.1 Выбор и обоснование двух вариантов схемы
проектируемой подстанции
Определяем нагрузки на шинах подстанции:
МВт (1.1)
МВт
МВт
где Рн∙max - максимальная активная
нагрузка, МВт;- количество линий, шт;одн - коэффициент одновременности.
Определяем полную мощность по формуле:
S=P/cosφ (1.2)
МВА
МВ·А
МВА
Таблица 1.1 Значения нагрузок
|
U,
кВт
|
Р,
МВт
|
Cos
φ
|
S,
МВА
|
|
220
35 10
|
314
16 39
|
0,9
0,9 0,9
|
349
18 43
|
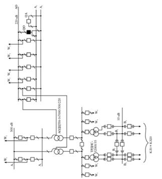
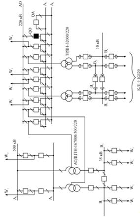
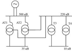
Далее выбираем два варианта проектируемой мощности
подстанции. В обоих вариантах устанавливаем два автотрансформатора напряжением
500/220 кВ.
Далее в первом варианте выбираем два
двухобмоточных трансформатора напряжением 220/10 кВ. Во втором варианте два
двухобмоточных трансформатора напряжением 35/10 кВ.
Рисунок 1 Структурная схема первого варианта
Рисунок 2 Структурная схема второго варианта
.2 Выбор силовых трансформаторов и
автотрансформаторов
вариант
Определяем нагрузку автотрансформаторов 500/220
кВ
Smax=S10+S35+S220=43+18+349=410 МВ·Атр
МВ·А
Принимаем к установке шесть автотрансформаторов
типа АОДЦТН-1670000/500/220.
АТ=3·167=501 МВА.
Проверяем нагрузку обмотки низкого напряжения
автотрансформатора, которая должна быть меньше номинальной мощности обмотки НН.
НН=50·3=150 МВ·А >S35=18 МВ·А
Определяем нагрузку трансформаторов 220/10 кВ
=S10=43 МВ·А
Мощность трансформаторов
МВ·А (1.3)
Выбираем 2 трансформатора типа
ТРДН-32000/220.вариант
Автотрансформатор на 500/220 кВ такой же как и в
первом варианте. Проверяем загрузку обмотки НН АТ:
НН=150 МВ·А >S10+S35=18+43=61 МВ·А
Выбираем трансформаторы 35/10 кВ.
Smax=S10=43 МВ·Атр≥30 МВ·А
Выбираем 2 трансформатора типа ТРДНС-32000/35
Таблица 1.2 Технические данные трансформаторов и
автотрансформаторов
|
Тип
автотрансформаторов и трансформаторов
|
Sн/
Sнн, МВА
|
Uн,
кВ
|
Uк,
%
|
Потери,
кВт
|
|
|
ВН
|
СН
|
НН
|
ВН-СН
|
ВН-НН
|
СН-НН
|
ХХ
|
к.з.
|
|
|
|
|
|
|
|
|
|
ВН-сН
|
ВН-НН
|
СН-НН
|
|
АОДЦТН
167000/500/220
|
167/50
|
500/
|
230/
|
38,5
|
11
|
35
|
21,5
|
90
|
315
|
105
|
95
|
|
ТРДН-32000/220
|
32
|
230
|
-
|
11-11
|
-
|
11,5
|
-
|
45
|
-
|
150
|
-
|
|
ТРДНС-32000/35
|
32
|
36,75
|
-
|
10,5-10,5
|
-
|
12,7
|
-
|
29
|
-
|
143
|
-
|
.3 Технико-экономическое сравнение двух
вариантов подстанции
Расчет потерь энергии в трансформаторахвариант
Определяем потери энергии в автотрансформаторах:
АОДЦТН-167000/550/220:
(1.4)
(1.5)
(1.6)
(1.7)
где Квыг - коэффициент выгодности;
ΔРк - потери
мощности короткого замыкания для обмоток.
(1.8)
где ΔРхх
- потери мощности холостого хода, кВт,
ΔРк - потери
мощности КЗ, кВт,- расчетная (максимальная) нагрузка автотрансформатора,
МВА,ном - номинальная мощность автотрансформатора, МВА,
Т - продолжительность работы автотрансформатора
(Т = 8760ч).
τ - продолжительность
максимальных потерь, ч
Потери энергии в трансформаторах:
ТРДН-32000/220.
вариант
Потери энергии в автотрансформаторах:
АОДЦТН-167000/500/220.
Потери энергии в ТРДНС-32000/35:
Суммарные потери активной энергии в I варианте:
кВт∙ч.
Во II варианте: ΣΔWаII=4838266+895395=5733661
кВт∙ч
Определяем годовые эксплуатационные издержки
ИамI=ρотч
тыс.тг
(1.9)
где Иам - годовые эксплуатационные издержки
К - капиталовложения
Ротч - отчисления на амортизацию и обслуживание,
%
Таблица 1.3 Капитальные затраты
|
Тип
оборудования
|
Стоимость
единицы, тыс.тг
|
Варианты
|
|
|
Первый
|
Второй
|
|
|
кол-во
|
общ.ст.
тыс.тг
|
кол-во
|
общ.ст.
тыс.тг
|
|
1
|
2
|
3
|
4
|
5
|
6
|
|
3хАОДЦТН-167000/500/220
|
80000
|
2
|
160000
|
2
|
160000
|
|
ТРДН-32000/220
|
13000
|
2
|
26000
|
|
|
|
ТРДНС-32000/35
|
8750
|
|
|
2
|
17500
|
|
Ячейки
ОРУ 500 кВ 220 кВ 35 кВ 10 кВ
|
35000
12400 2600 190
|
4
10 7 28
|
140000
124000 18200 5320
|
4
8 9 28
|
140000
99200 23400 5320
|
|
Всего
К
|
|
|
287520
|
|
267920
|
ИамII=0,078∙267920=20898тыс.тг.
Определяем стоимость потерь
Рисунок 3 Главная схема первого варианта
Рисунок 4 Главная схема второго варианта
ИпI=β ·∑WI=1,15∙6027861=6932040
тг/кВт·ч
где β - стоимость
1 кВт·ч потерянной энергии
ИпII=1,15∙5733661=6593710 тг/ кВт ч
Определяем приведенные затраты
З=ρнК+И
(1.10)
где ρн
- нормативный коэффициент экономической эффективности (Рн=0,12)
ЗI=0,12∙287520+22427+6932=63861 тыс.тг.
ЗII=0,12∙267920+20898+6594=59642 тыс.тг.
Второй вариант экономичнее первого на 7%.
Дальнейший расчет производится по 2 варианту.
2. Выбор электрических аппаратов, токоведущих
частей, конструкции ОРУ-220 кВ, заземляющего устройства, схемы и
трансформаторов собственных нужд
.1 Расчет токов короткого замыкания
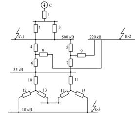
Составляем схему замещения
Рисунок 5 Схема замещения подстанции
Определяем сопротивления схемы при базовой
мощности Sб=1000 МВА и базовом напряжении равному среднему Uб=Uср.
Сопротивление системы:
(2.1)
где Sб - базовая мощность, МВАном,с -
номинальная мощность
- относительное
сопротивление энергосистемы.
Сопротивление линии
(2.2)
где х0- удельное индуктивное сопротивление
линии, Ом/км;- длина линии, км;ср - среднее напряжение в месте установки
данного элемента, кВ.
Для автотрансформатора определяем напряжения
короткого замыкания:
КВ=0,5(UК,В-Н+UК,В-С-UК,С-Н)=0,5(35+11-21,5)=12,25%
(2.3)КС=0,5(UК,В-С+UК,С-Н-UК,В-Н)=0,5(11+21,5-35)=-1,25≈0 % (2.4)КН=0,5(UК,С-Н+UК,В-Н-UК,В-С)=0,5(21,5+35-11)=22,75%
(2.5)
Сопротивление обмоток высшего напряжения АТ:
(2.6)
Сопротивление обмоток среднего напряжения АТ:
хс=х8=х9=0, т.к. UКС=0.
Сопротивление обмоток низкого напряжения АТ:
(2.7)
Определяем сопротивления ТРДНС-32000/35.
где UКВ=0,125 UКВ-Н=0,125·12,7=1,59%
где UКН=0,175 UКВ-Н=0,175·12,7=22,23%
Сворачиваем схему к точкам короткого замыкания.
х18=х16+х17=0,35+0,12=0,47
х22=х18+х19+х20+х21=0,47+0,76+0,25+6,95=8,43
Определяем начальное значение периодической
составляющей тока К.З:
а) в точке К-1
кА (2.8)
где Iб - базовый ток, кА
кА (2.9)
где
-
ЭДС источника, о.е.
б) в точке К-2
кА
кА
в) в точке К-3
кА
кА
Определяем ударный ток:
К-1
кА
Куд=1,85
где ky - ударный коэффициент;
К-2 kуд=1,717
кА
К-3 kуд=1,82
кА
Определяем апериодические и периодические
составляющие токов К.З.:
а) в точке К-1
τ=tСВ+tР.З.=0,025+0,01=0,035
с
где tСВ - собственное время выключателя, сР.З. -
время действия релейной защиты, с
τ - расчетное время, с
Та=0,06с
Та - постоянное время затухания, с
Т.к. система бесконечна, то
кА (2.10)
кА
б) в точке К-2
Та=0,03 с
τ=tСВ+tР.З.=0,025+0,01=0,035
с
кА
в) в точке К-3
Та=0,05 с
τ=tСВ+tР.З.=0,06+0,01=0,07
с
с.
кА
Определим тепловой импульс квадратичного тока КЗ
а) в точке К-1
кА2∙соткл=tрз+tОВ=0,1+0,04=0,14с.
б) в точке К-2
кА2∙соткл=
tОВ+tрз=0,1+0,04=0,14 с.
в) в точке К-3
кА2∙соткл=tрз+tОВ=0,1+0,075=0,175
с.
Таблица 2.1 Значения токов короткого замыкания
|
Источн.
питания
|
Точка
К3
|
U,
кВ
|
In,o,
кА
|
In,τ,
кА
|
ia,τ,
кА
|
Вк,
кА2∙с
|
iy,
кА
|
|
С
|
К-1
К-2 К-3
|
500
220 10
|
3,21
5,35 6,53
|
3,21
5,35 6,53
|
2,36
3,02 2,3
|
2,06
4,87 9,59
|
8,4
12,95 16,76
|
2.2 Выбор выключателей и разъединителей
Выбор выключателей и разъединителей на 500 кВ
приведен в таблице 2.2.
Таблица 2.2 Расчетные и каталожные данные
выключателя и разъединителя 500 кВ
|
Условия
выбора
|
Расчетные
данные
|
Каталожные
данные
|
|
|
ВВБК-500-50
|
РНД-500
|
|
Uуст
≤ Uном
|
Uуст
=500 кВ
|
Uном=500
кВ
|
Uном=500
кВ
|
|
Imax
≤ Iном
|
Imax
=811 кА
|
Iном=3200
А
|
Iном=3200
А
|
|
In,τ
≤
In,откл
|
In,τ
=3,21 кА
|
Iн,откл=50
кА
|
|
|
ia,τ
≤
ia,ном
|
ia,τ
=2,36 кА
|
ia,ном=32
кА
|
|
|
iуд
≤ iдин
|
iуд
=8,4 кА
|
iдин
=128 кА
|
iпр.скв=160
кА
|
|
In,o
≤ Iдин
|
In,o
=3,21 кА
|
Iдин=50
кА
|
|
|
Вк
≤
|
Вк
=2,06 кА2∙с
|
Вк=5000
кА2∙с
|
Вк=7938
кА2∙с
|
=502∙2 =5000
кА2∙с - для выключателей;
=632∙2 =7938
кА2∙с - для разъединителей;
тер - ток термической стойкости, кА;тер - время
протекания тока термической стойкости, с.
А (2.11)
Гдеа,ном - номинальное допускаемое значение
апериодической
составляющей в отключаемом токе для времени τ,
кА;
βн - нормированное
значение содержания апериодической
составляющей в отключаемом токе, %.
б) на 220 кВ
А
кА
Вк=
=562∙2=9408
кА2∙с
Вк=402∙3=4800 кА2∙с
Таблица 2.3 Расчетные и каталожные данные
выключателя и разъединителя на 220 кВ
|
Условия
выбора
|
Расчетные
данные
|
Каталожные
данные
|
|
|
ВВБК-200-40
|
РНД-220
|
|
Uуст
≤ Uном
|
Uуст
=220 кВ
|
Uном=220
кВ
|
Uном=220
кВ
|
|
Imax
≤ Iном
|
Imax
=1763 А
|
Iном=3150
А
|
Iном=2000
А
|
|
In,τ
≤
In,откл
|
In,τ
=5,35 кА
|
Iн,откл=56
кА
|
|
|
ia,τ
≤
ia,ном
|
ia,τ
=3,02 кА
|
ia,ном=37,11
кА
|
|
|
iуд
≤ iдин
|
iуд
=12,95 кА
|
iдин
=143 кА
|
iпр.скв=100
кА
|
|
In,o
≤ Iдин
|
In,o
=5,35 кА
|
Iдин=56
кА
|
|
|
Вк
≤
|
Вк
=4,87 кА2∙с
|
Вк=9408
кА2∙с
|
Вк=4800
кА2∙с
|
в) на 10 кВ
А (2.12)
Гденагр - наибольшая мощность потребителей,
присоединенных к линиям
Imax=2 ∙Iном=2 ∙617=1234 А
кА
Вк=
=202∙4=1600
кА2∙с
Вк=
=
кА2∙с
Таблица 2.4 Расчетная и каталожные данные
|
Условия
выбора
|
Расчетные
данные
|
Каталожные
данные
|
|
|
ВЭ-10-20
|
РВР-10/2000
|
|
Uуст
≤ Uном
|
Uуст
=10 кВ
|
Uном=10
кВ
|
Uном=10
кВ
|
|
Imax
≤ Iном
|
Imax
=1234 А
|
Iном=1250
А
|
Iном=2000
А
|
|
In,τ
≤
In,откл
|
In,τ
=6,53 кА
|
Iн,откл=20
кА
|
|
|
ia,τ
≤
ia,ном
|
ia,τ
=2,3 кА
|
ia,ном=5,66
кА
|
|
|
iуд
≤ iдин
|
iуд
=16,76 кА
|
iдин
=51 кА
|
iпр.скв=85
кА
|
|
In,o
≤ Iдин
|
In,o
=6,53 кА
|
Iдин=20
кА
|
|
|
Вк
≤
|
Вк
=9,56 кА2∙с
|
Вк=1600
кА2∙с
|
Вк=20164
кА2∙с
|
.3 Выбор сборных шин
Выбор сборных шин на 10 кВ
Выбираем жесткие шины прямоугольного сечения,
окрашена полоса 80 х 8 мм2, Iдоп=1320 А
доп =1320 А > Imax =1234 А
Проверка сборных шин на термическую стойкость
мм2 < F=640 мм2
(2.13)
где С - для алюминия С=91
Проверка на механическую стойкость проводится по
условию:
, (2.14)
где σрасч
и σдоп
- допустимое расчетное и механическое напряжение в материале шин, МПа
(2.15)
где l - длина пролета, м;
а - расстояние между фазами, м;- момент
сопротивления, см3.
Для шин, расположенных плашмя
(2.16)
Гдеи h - размеры шины
см3
МПа
Для алюминия σдоп=40
МПа
Поэтому шины будут механически прочными
Выбор сборных шин 220 кВ
По условию нагрева принимаем два провода в фазе
АС-500/27
=1763 А < Iдоп=2·960=1920 А
Проверка на термическую стойкость:
мм2 < F=1000
мм2
Проверка на коронный разряд:
кВ/см (2.17)
где Е0 - начальное значение напряженности
электрического поля, кВ/см;- коэффициент, учитывающий шероховатость поверхности
провода;- радиус провода, см.
кВ/см (2.18)
где К - коэффициент,
а - шаг расцепления, смэкв - эквивалентный
радиус, см
см
где n - число проводов в фазе, шт
Е - напряженность электрического поля;- линейное
напряжение;
Дср - среднее геометрическое расстояние между
проводами фаз.
Условия проверки: 1,07Е ≤ 0,9Е0.
,07∙16,72=17,89 кВ/см < 0,9·30,97=27,87
кВ/см
Таким образом, провод 2хАС 500/27 по условиям
короны проходит. Проверка на схлестывание не производится, т.к.
,о=5,35 кА< 20 кА
Выбор сборных шин 500 кВ
По условию коронного разряда выбираем
3хАС-500/27 в фазе
доп 3·960=2880 А > Imax =811 А
мм2 ≤ F=1500
мм2
Проверка на корону
r0=1,47 см.
см
кВ/см
кВ/см.
Условия проверки:
,07·23,61=25,3 кВ/см < 0,9·30,97=27,87 к.
,07∙13,3=14,2 ≤ 0,9∙31,7=28,53.
Таким образом, провод 3хАС 500/27 по условиям
короны проходит. Проверка на схлестывание не производится, т.к.
,о=3,21 кА< 20 кА.
.4 Выбор токопроводов
Выбор гибких токопроводов на 10 кВ
Токопроводы выбираем по экономической плотности
тока:
мм2 (2.19)
где Iнорм - ток нормального режима, Аэ -
экономическая плотность тока, А/мм2
Выбираем АС-600/72
Проверка сечения на нагрев:
=1234 А ≤ Iдоп = 1050 А
Выбранное сечение не проходит на нагрев.
Выбираем 2хАС-300/48
доп=690∙2=1380 А
Проверка сечения на термическое действие токов
КЗ.
Выбор гибких токопроводов на 220 кВ
мм2
А (2.20)
Выбираем 2хАС-400/22;доп=830А
Проверка сечения на нагрев:
≤ Iдоп: Imax=1763А<Iдоп=2∙830=1660А
Выбираем 2хАС-500/27;
доп=2∙960=1920А
Проверка сечения на термическое действие токов
КЗ.
мм2 ≤
q=100 мм2
Выбор гибких токопроводов на 500 кВ
По условию коронного разряда выбираем
3хАС-500/27
.5 Выбор изоляторов на 10 кВ
Выбор изоляторов производится по условиям:
) по номинальному напряжению:
уст≤Uном;
) по допустимой нагрузке Fрасч ≤ Fдоп.
Н (2.21)
Принимаем изолятор типа: ИО-10-3,75IУЗ
Fдоп=0,6∙Fразр=0,6∙3750=2250 Н
(2.22)расч=kn∙Fu=1∙114=114 Н
где FИ - максимальная сила действующая на изгиб;
а - расстояние между фазами (а=0,8 м);разр -
разрушающая нагрузка на изолятор;доп - допустимая нагрузка на головку
изолятора;- поправочный коэффициент на высоту шин.
Проверяем изолятор на механическую прочность.
расч=114 Н < Fдоп=2250 Н.
Выбираем проходной изолятор на 10 кВ.
) по номинальному напряжению
уст=Uном,, Uном=10 кВ.
) по току Imax=1234 А ≤ Iном=1500 А.
) по допустимой нагрузке
Изолятор типа: ИП-10/1500-400 У, ХЛ, Т2
расч=0,5∙Fu=0,5∙114=57 Ндоп=0,6∙Fразр=0,6∙4000=2400
Нрасч=57 Н < Fдоп=2400 Н.
.6 Выбор измерительных трансформаторов
Выбор ТТ на 10 кВ в цепи ТРДНС-32000/35
Выбираем ТПОЛ-10-УЗ
Таблица 2.5 Расчетные и каталожные данные
|
Условия
выбора
|
Расчетные
данные
|
Каталожные
данные
|
|
Uном
≥ Uуст
|
Uуст
=10 кВ
|
Uном=10
кВ
|
|
Iном
≥ Imax
|
Imax
=1234 А
|
Iном=1500
А
|
|
iу
≤ iдин
|
iуд
=16,76 кА
|
iдин=95,2
кА
|
|
Вк
≤
|
Вк
=9,56 кА2∙с
|
Вк=(18∙1,5)2∙3=2187
кА2∙с
|
дин=45∙1,5∙
=95,2кА
Выбор измерительных приборов ТТ- 10 кВ в таблице
2.6
Таблица 2.6 Вторичная нагрузка ТТ
|
Прибор
|
Тип
|
Нагрузка,
В а фазы
|
|
|
А
|
В
|
С
|
|
Амперметр
|
Э-335
|
0,5
|
0,5
|
0,5
|
|
Ваттметр
|
Д-335
|
-
|
0,5
|
-
|
|
Счетчик
актив.эн.
|
САЗ-И680
|
2,5
|
-
|
2,5
|
|
Счетчик
реактивной энергии
|
СРЧ-И-689
|
2,5
|
-
|
2,5
|
|
Варметр
|
Д-335
|
-
|
0,5
|
0,5
|
|
Итого:
|
|
5,5
|
1,5
|
6
|
Прибор
Ом (2.23)
Ом
где rприб - общее сопротивление проводовпр -
допустимое сопротивление проводовк - переходное сопротивление контактов
Ом (2.24)
мм2
Принимаем контрольный кабель АКРВГ с жилами
сечением 6 мм2.
Выбираем ТТ на 220 кВ в цепи автотрансформатора
Таблица 2.7 Расчетные данные и каталожные данные
ТФЗМ 220-У1
|
Условия
выбора
|
Расчетные
данные
|
Каталожные
данные
|
|
Uном
≥ Uуст
|
Uуст
=220 кВ
|
Uном=220
кВ
|
|
Iном
≥ Imax
|
Imax
=1763 А
|
Iном=2000
А
|
|
iу
≤ iдин
|
iуд
=12,95 кА
|
Iдин=100
кА
|
|
Вк
≤
|
Вк
=4,87 кА2∙с
|
Вк=39,22∙3=4609
кА2∙с
|
Вторичная нагрузка трансформатора тока
аналогична ТТ-10 кВ и приведена в таблице 2.6
ном =
=1,2
Ом
Ом
мм2
Ом.
Принимаем контрольный кабель АКРВГ с жилами
сечением 4 мм2.
Выбор ТТ на 500 кВ в цепи ВН автотрансформатора.
Таблица 2.8 Расчетные данные и каталожные данные
ТФУМ 500-У1
|
Условия
выбора
|
Расчетные
данные
|
Каталожные
данные
|
|
Uном
≥ Uуст
|
Uуст
=500 кВ
|
Uном=500
кВ
|
|
Iном
≥ Imax
|
Imax
=811 А
|
Iном=1000
А
|
|
iу
≤ iдин
|
iуд
=8,4 кА
|
Iдин=180
кА
|
|
Вк
≤
|
Вк
=2,06 кА2∙с
|
Вк=682∙1=4624
кА2∙с
|
Выбор измерительных приборов ТТ-500кВ
Таблица 2.9 Вторичная нагрузка ТТ
|
Прибор
|
Тип
|
Нагрузка,
В а фазы
|
|
|
А
|
В
|
С
|
|
Амперметр
|
Э-335
|
-
|
0,5
|
-
|
|
Итого:
|
|
|
0,5
|
|
ном =
Ом
Ом
мм2
Ом.
Принимаем контрольный кабель АКРВГ с жилами
сечением 4 мм2.
Выбор трансформатора напряжения на 10 кВ.
Таблица 2.10 Расчетные и каталожные данные
|
Условия
выбора
|
Расчетные
данные
|
Каталожные
данные
|
|
Uуст
≤ Uном
|
Uуст
=10 кВ
|
Uном=10
кВ
|
|
S2
∑ ≤ Sном
|
S2∑=191
В∙А
|
Sном=225
В∙А
|
В∙А
Принимаем к установке 3хНОМ-10-66
ном=3∙75=225 В∙А>S2∑=191 В∙А
Таблица 2.11 Выбор измерительных приборов на 10
кВ
|
Прибор
|
Тип
|
Sодн.обм,
ВА
|
Число
обмо-ток
|
cosφ
|
sinφ
|
Число
приборов
|
Общая
потреб. мощ-ность
|
|
|
|
|
|
|
|
Р,
Вт
|
Q,
вар
|
|
Счетчик
активной энергии
|
И-674
|
3
|
2
|
0,38
|
0,925
|
6
|
36
|
87,63
|
|
Счетчик
реактивной энергии
|
И-676
|
3
|
2
|
0,38
|
0,925
|
6
|
36
|
87,63
|
|
Вольтметр
|
Э-335
|
2
|
1
|
0
|
2
|
4
|
-
|
|
Итого:
|
|
|
|
|
|
|
76
|
175
|
Для соединения ТН с приборами принимаем
контрольный кабель АКРВГ с сечением жил 2,5 мм2 по условию механической
прочности.
Выбор трансформатора напряжения на 220 кВ
Таблица 2.12 Расчетные и каталожные данные
|
Условия
выбора
|
Расчетные
данные
|
Каталожные
данные
|
|
Uуст
≤ Uном
|
Uуст
=220 кВ
|
Uном=220/ кВ
|
|
S2∑
≤ Sном
|
S2∑=111,5
В∙А
|
Sном=400
В∙А
|
Принимаем к установке трансформатор типа:
НКФ-220-58
В∙А
из таблицы 2.13
∑=111,5 В∙А < Sном=400 В∙А
Таблица 2.13 Вторичная нагрузка трансформатора
напряжения 220 кВ
|
Прибор
|
Тип
|
Sодн.
обм, ВА
|
Число
обмоток
|
cosφ
|
sinφ
|
Число
приборов
|
Общая
потреб. мощность
|
|
|
|
|
|
|
|
Р,
Вт
|
Q,
вар
|
|
Ваттметр
|
Д-335
|
1,5
|
2
|
1
|
0
|
3
|
9
|
|
|
Вольтметр
|
Э-335
|
2
|
1
|
1
|
0
|
1
|
2
|
|
|
Вольтметр
регистрирующ.
|
Н-394
|
10
|
1
|
1
|
0
|
1
|
10
|
|
|
Фиксирующий
прибор
|
ФИП
|
3
|
1
|
1
|
0
|
2
|
3
|
|
|
Варметр
|
Д-335
|
1,5
|
2
|
1
|
0
|
3
|
9
|
|
|
Счетчик
актив. эн.
|
4674
|
3
|
2
|
0,38
|
0,925
|
3
|
1833
|
43,82
|
|
Счетчик
реакт. энергии
|
4676
|
3
|
2
|
0,38
|
0,925
|
3
|
18
|
4382
|
|
Итого:
|
|
|
|
|
|
|
69
|
87,64
|
Выбор трансформатора напряжения на 500 кВ
Таблица 2.14 Расчетные и каталожные данные
ТТ-500 кВ
|
Условия
выбора
|
Расчетные
данные
|
Каталожные
данные
|
|
Uуст
≤ Uном
|
Uуст
=500 кВ
|
Uном=500/
|
|
S2∑
≤ Sном
|
S2∑=48
В∙А
|
Sном=500
В∙А
|
Таблица 2.15 Вторичная нагрузка трансформатора
напряжения 500 кВ
|
Прибор
|
Тип
|
Sодн.
обм, ВА
|
Число
обмоток
|
cosφ
|
sinφ
|
Число
приборов
|
Общая
потреб. мощность
|
|
|
|
|
|
|
|
Р,
Вт
|
Q,
вар
|
|
Ваттметр
|
Д-335
|
1,5
|
2
|
1
|
0
|
1
|
3
|
|
|
Вольтметр
|
Э-335
|
2
|
1
|
1
|
0
|
1
|
2
|
|
|
Вольтметр
регистрирующ.
|
Н-394
|
10
|
1
|
1
|
0
|
1
|
10
|
|
|
Датчик
активной мощности
|
Е-829
|
10
|
2
|
1
|
0
|
1
|
10
|
|
|
Датчик
реактивной мощности
|
Е-830
|
10
|
2
|
1
|
0
|
1
|
10
|
|
|
Фиксатор
импульсного действия
|
ФИП
|
3
|
1
|
1
|
0
|
2
|
3
|
|
|
Варметр
|
Д-335
|
1,5
|
2
|
1
|
0
|
1
|
36
|
|
|
Регистрирующий
частотомер
|
Н-397
|
7
|
1
|
1
|
0
|
7
|
7
|
|
|
Итого:
|
|
|
|
|
|
|
48
|
|
.7 Выбор электрических аппаратов по номинальным
параметрам
По номинальным параметрам выбираем на напряжение
35 кВ.
Определяем максимальный ток:

А
где
-
перспективная нагрузка на стороне НН автотрансформатора
Принимаем к установке:
Выключатель: ВВУ-35-40ном=35 кВ; Iном=2000 А;
Разъединитель: РДЗ-35/2000;ном=35 кВ;
Iном=2000А;
Трансформатор тока: ТФЗМ 35-У1ном=35 кВ; Iном=2000А;
Трансформатор напряжения: ЗНОЛ-35ном=35
;
Sном=150 В∙А
.8 Конструкция ОРУ-220 кВ
Распределительные устройства, расположенные на
открытом воздухе называются открытым распределительным устройством.
ОРУ должны обеспечивать надежность работы,
безопасность и удобство обслуживания при минимальных затратах на сооружение,
возможность расширения, максимальное применение крупноблочных узлов заводского
изготовления.
На ОРУ-220 кВ расположены разъединители обходной
системы шин, конденсатор связи, заградитель, линейные и шинные разъединителей,
силовые воздушные выключатели и шинные опоры, опорные изоляторы, разъединители
шинных аппаратов, трансформаторы напряжения, разрядники. Каждый полюс шинных
разъединителей второй системы шин расположен под проводами соответствующей фазы
сборных шин. Такое расположение (килевое) позволяет выполнить соединение шинных
разъединителей (развилку) непосредственно под сборными шинами и на этом же
уровне присоединить выключатель. Рассмотренные разъединители имеют пополюсное
управление.
Ошиновка ОРУ выполняется гибким сталеалюминевым
проводом, марки Ас-500/27 два провода в фазе. Линейные и шинные порталы и все
опоры под аппаратами - стандартные, железобетонные. Общая площадь ОРУ-220 кВ
130х90м2 и выполнена с учетом расширения. Все аппараты ОРУ располагаются на
невысоких основаниях, что облегчает их ремонт. Для безопасности обслуживания
блоки имеют сетчатое ограждение.
.9 Выбор трансформаторов и схемы собственных
нужд
Выбор рода оперативного тока. Потребители
энергии постоянного тока
На крупных подстанциях необходима установка
постоянного тока с аккумуляторными батареями для питания цепей управления,
сигнализации, автоматики, аварийного освещения, а также электроснабжения
наиболее ответственных механизмов собственных нужд, которые обеспечивают
сохранение оборудования в работоспособном состоянии.
Всех потребителей энергии, получающих питание от
аккумуляторной батареи, можно разделить на следующие три группы:
постоянно включенная нагрузка. Сюда относятся
аппараты устройств управления, блокировки, сигнализации и релейной защиты, а
также постоянно включенная часть аварийного освещения;
временная нагрузка, появляющаяся при
исчезновении переменного тока во время аварийного освещения;
кратковременная нагрузка - длительностью не
более 5 с. Такая нагрузка создается токами включения и отключения приводов
выключателей и автоматов, а также пусковыми токами электродвигателей и токами
нагрузки аппаратов управления, блокировки, сигнализации и релейной защиты,
кратковременно обтекаемых током.
Выбор трансформаторов и схемы электроснабжения
собственных нужд
Определяем нагрузку потребителей собственных
нужд
Таблица 2.16 Нагрузка собственных нужд
подстанции
|
Вид
потребления
|
Установленная
мощность
|
Cos
φ
|
tg
φ
|
Нагрузка
|
|
Единицы,
кВт, кол-во
|
Всего
кВт
|
|
|
Руст,
кВт
|
Qуст,
Квар
|
|
Охлаждение
|
|
|
|
|
|
|
|
АОДЦТН-167000/500/220
|
29,6х6
|
177,6
|
0,85
|
0,62
|
177,6
|
110,1
|
|
ТРДНС-32000/35
|
3х2
|
6
|
0,85
|
0,62
|
6
|
3,7
|
|
Подогрев
ВВБК-500Б-40
|
5,5х4
|
22
|
1
|
0
|
22
|
-
|
|
ВВБК-220Б-3Б
|
3,6х8
|
28,8
|
1
|
0
|
28,8
|
|
|
ВВУ-35-40
|
0,9х9
|
8,1
|
|
|
8,1
|
-
|
|
Освещение
ОРУ 500 кВ
|
10х1
|
10
|
1
|
0
|
10
|
|
|
ОРУ
220 кВ
|
5х1
|
5
|
1
|
0
|
5
|
-
|
|
ОРУ-35
|
2х1
|
2
|
|
|
2
|
|
|
Подогрев
КРУ 10 кВ
|
1х28
|
28
|
1
|
0
|
28
|
-
|
|
Подогрев
рел. шкаф
|
1х21
|
21
|
1
|
0
|
21
|
-
|
|
Маслохоз.
|
1х200
|
200
|
1
|
0
|
200
|
-
|
|
Подзарядно-
зарядный агрегат, ВАЗП
|
2х23
|
46
|
|
|
46
|
-
|
|
Подогрев
приводов, разъединителей
|
0,6х47
|
28,2
|
1
|
0
|
28,2
|
-
|
|
Отопление,
освещение ЗРУ 10 кВ
|
5
|
5
|
1
|
0
|
5
|
-
|
|
ОПУ
|
80
|
80
|
1
|
0
|
80
|
-
|
|
Здание
персонала
|
5,5
|
5,5
|
|
|
5,5
|
-
|
|
Компрес-
Сорная: электродвигатели
|
30х3
|
90
|
0,85
|
0,62
|
90
|
55,8
|
|
Отопление,
освещение
|
20х3
|
60
|
|
|
60
|
-
|
|
Итого
|
|
|
|
|
823,2
|
169,6
|
кВА (2.25)
где kс - коэффициент спроса учитывающий
коэффициент одновременности и загрузки, (kс=0,8)
тр
кВ∙А (2.26)
п - коэффициент допустимой аварийной нагрузки
(kп=1,4)
Принимаем 2 трансформатора ТМ-630 кВА.
Рисунок 6 Схема питания потребителей с.н.
подстанции
Так как на подстанциях с воздушными
выключателями применяется постоянный оперативный ток, то трансформаторы
собственных нужд подстанции присоединяем со стороны ВН к шинам 10 кВ.
Список литературы
подстанция трансформатор заземляющий
электрический
1. Л.Д.
Рожкова, В.С. Кузьмин. "Электрооборудование станций и подстанций"
Москва энергоатомиздат, 1987 г.
2. В.А.
Боровиков, В.К. Косарев. "Электрические сети энерготехнических
систем". 3-е издание переработанное, М. Энергия, 1977 г.
. Руководящие
Указания по релейной защите. "Защита понижающих трансформаторов и
автотрансформаторов" Составлено Всесоюзным Государственным проектным
институтом "Теплоэлектропроект", 1962 г.
. Правила
устройства электроустановок" 6-е издание переработанное и дополненное, 198
. Неклепаев.
"Справочник для проектирования станций и подстанций".- 3-е издание М.
Энергоатомиздат, 1980 г.