Асинхронные двигатели
ВВЕДЕНИЕ
В настоящее время асинхронные двигатели являются наиболее
распространенными электрическими машинами. В большинстве своем двигатели
выпускаются для работы от трехфазных сетей. Они потребляют около 50% всей
электрической энергии, вырабатываемой электрическими станциями. Потребность в
асинхронных двигателях непрерывно растет. Такое широкое распространение
двигатели получили благодаря конструктивной простоте, низкой стоимости и
высокой эксплуатационной надежности при минимальном обслуживании. Широк диапазон
мощностей, на которые выпускаются эти двигатели, - от долей ватта до десятков
тысяч киловатт. Асинхронные двигатели имеют относительно высокий КПД: при
мощностях более 1кВт он составляет 0,7-0,95 и только в микродвигателях
снижается до 0,2-0,65.
Появление трехфазных асинхронных двигателей связано с именем М.О.
Доливо-Добровольского. Эти двигатели были изобретены им в 1889 году.
Предложенная М.О. Доливо-Добровольским конструкция асинхронных двигателей в
основных чертах сохранилась до наших дней.
ИСХОДНЫЕ ДАННЫЕ
|
Тип двигателя
|
МТВ 311-6
|
|
Номинальная мощность электродвигателя 40
|
|
|
Номинальное число оборотов ротора 730
|
|
|
Коэффициент мощности 0,73
|
|
|
Номинальное значение линейного напряжения прикладываемого к
статору 380
|
|
|
Фазный ток обмотки статора 101
|
|
|
Активное сопротивление обмотки статора 0,08
|
|
|
Реактивное сопротивление обмотки статора 0,17
|
|
|
Номинальное значение ЭДС индуцируемое в одной фазе
неподвижного ротора 322
|
|
|
Ток в одной фазе неподвижного ротора 77
|
|
|
Активное сопротивление одной фазы неподвижного ротора 0,072
|
|
|
Реактивное сопротивление одной фазы неподвижного ротора 0,24
|
|
|
Коэффициент трансформации 1,12
|
|
|
Приведенный момент инерции 1,40
|
|
|
Момент сопротивления рабочей машины приведенный к валу
электродвигателя
|
|
|
Схема соединения обмоток
|
|
1. РАСЧЕТ ЧИСЛА И ЗНАЧЕНИЙ ПУСКОВЫХ РЕЗИСТОРОВ
.1 Построение естественной механической характеристики
Определяем
скорость идеального холостого хода. Поскольку номинальная частота вращения
, тогда:
Определяем
номинальное скольжение:
Для
определения числа пар полюсов используем следующую формулу:
Из
данной формулы следует, что:
Определяем
угловую скорость идеального холостого хода:
Определяем
приведенное значение сопротивление ротора:
Определяем
значение максимального момента ротора:
Определяем
критическое скольжение:
Определяем
значение коэффициента
:
Определяем
значение номинального момента:
Производим
расчет естественной характеристики, изменяя значение скольжение в пределах
, по следующей формуле:
Данные
расчетов сведены в таблицу 1.
Таблица
1 - Расчет естественной механической характеристики
|
S
|
S/Sк
|
Sк/S
|
S/Sк+Sк/S+q
|
M, Н*м
|
|
|
1
|
2
|
3
|
4
|
5
|
|
|
0
|
0
|
0
|
0
|
0
|
|
|
0,01
|
0,05291
|
18,9
|
19,28791005
|
209,0832
|
|
|
0,02
|
0,10582
|
9,45
|
9,890820106
|
407,7293
|
|
|
0,03
|
0,15873
|
6,3
|
6,793730159
|
593,6028
|
|
|
0,04
|
0,21164
|
4,725
|
5,271640212
|
764,9948
|
|
|
0,05
|
0,26455
|
3,78
|
4,379550265
|
920,82
|
|
|
0,06
|
0,31746
|
3,15
|
3,802460317
|
1060,571
|
|
|
0,07
|
0,37037
|
2,7
|
3,40537037
|
1184,24
|
|
|
0,08
|
0,4233
|
2,3625
|
3,1207804
|
1292,23
|
|
0,09
|
0,4762
|
2,1
|
2,9111905
|
1385,27
|
|
0,1
|
0,5291
|
1,89
|
2,7541005
|
1464,28
|
|
0,11
|
0,582
|
1,71818
|
2,6351924
|
1530,35
|
|
0,12
|
0,6349
|
1,575
|
2,5449206
|
1584,64
|
|
0,13
|
0,6878
|
1,45385
|
2,4766768
|
1628,3
|
|
0,14
|
0,7407
|
1,35
|
2,4257407
|
1662,49
|
|
0,15
|
0,7937
|
1,26
|
2,3886508
|
1688,31
|
|
0,16
|
0,8466
|
1,18125
|
2,3628108
|
1706,77
|
|
0,17
|
0,8995
|
1,11176
|
2,3462356
|
1718,83
|
|
0,18
|
0,9524
|
1,05
|
2,337381
|
1725,34
|
|
0,19
|
1,0053
|
0,99474
|
2,3350278
|
1727,08
|
|
0,2
|
1,0582
|
0,945
|
2,3382011
|
1724,74
|
|
0,21
|
1,1111
|
0,9
|
2,3461111
|
1718,92
|
|
0,22
|
1,164
|
0,85909
|
2,3581121
|
1710,17
|
|
0,23
|
1,2169
|
0,82174
|
2,3736703
|
1698,96
|
|
0,24
|
1,2698
|
0,7875
|
2,3923413
|
1685,7
|
|
0,25
|
1,3228
|
0,756
|
2,4137513
|
1670,75
|
|
0,26
|
1,3757
|
0,72692
|
2,4375845
|
1654,42
|
|
0,27
|
1,4286
|
0,7
|
2,4635714
|
1636,96
|
|
0,28
|
1,4815
|
0,675
|
2,4914815
|
1618,63
|
|
0,29
|
1,5344
|
0,65172
|
2,5211157
|
1599,6
|
|
0,3
|
1,5873
|
0,63
|
2,5523016
|
1580,06
|
|
0,31
|
1,6402
|
0,60968
|
2,5848891
|
1560,14
|
|
0,32
|
1,6931
|
0,59063
|
2,6187467
|
1539,96
|
|
0,33
|
1,746
|
0,57273
|
2,653759
|
1519,65
|
|
0,34
|
1,7989
|
0,55588
|
2,6898242
|
1499,27
|
|
0,35
|
1,8519
|
0,54
|
2,7268519
|
1478,91
|
|
0,36
|
1,9048
|
0,525
|
2,7647619
|
1458,63
|
|
0,37
|
1,9577
|
0,51081
|
2,8034828
|
1438,49
|
|
0,38
|
2,0106
|
0,49737
|
2,8429504
|
1418,52
|
|
0,39
|
2,0635
|
0,48462
|
2,8831074
|
1398,76
|
|
0,4
|
2,1164
|
0,4725
|
2,9239021
|
1379,24
|
|
0,41
|
2,1693
|
0,46098
|
2,9652878
|
1360
|
|
0,42
|
2,2222
|
0,45
|
3,0072222
|
1341,03
|
|
0,43
|
2,2751
|
0,43953
|
3,0496672
|
1322,37
|
|
0,44
|
2,328
|
0,42955
|
3,0925878
|
1304,01
|
|
0,45
|
2,381
|
0,42
|
3,1359524
|
1285,98
|
|
0,46
|
2,4339
|
0,41087
|
3,179732
|
1268,28
|
|
0,47
|
2,4868
|
0,40213
|
3,2239001
|
1250,9
|
|
0,48
|
2,5397
|
0,39375
|
3,2684325
|
1233,86
|
|
0,49
|
2,5926
|
0,38571
|
3,3133069
|
1217,15
|
|
|
0,5
|
2,6455
|
0,378
|
3,3585026
|
1200,77
|
|
|
0,51
|
2,6984
|
0,37059
|
3,4040009
|
1184,72
|
|
|
0,52
|
2,7513
|
0,36346
|
3,4497843
|
1168,99
|
|
|
0,53
|
2,8042
|
0,3566
|
3,4958366
|
1153,59
|
|
|
0,54
|
2,8571
|
0,35
|
3,5421429
|
1138,51
|
|
|
0,55
|
2,9101
|
0,34364
|
3,5886893
|
1123,75
|
|
|
0,56
|
2,963
|
0,3375
|
3,635463
|
1109,29
|
|
|
0,57
|
3,0159
|
0,33158
|
3,682452
|
1095,13
|
3,0688
|
0,32586
|
3,7296451
|
1081,28
|
|
|
0,59
|
3,1217
|
0,32034
|
3,7770321
|
1067,71
|
|
|
0,6
|
3,1746
|
0,315
|
3,8246032
|
1054,43
|
|
|
0,61
|
3,2275
|
0,30984
|
3,8723493
|
1041,43
|
|
|
0,62
|
3,2804
|
0,30484
|
3,920262
|
1028,7
|
|
|
0,63
|
3,3333
|
0,3
|
3,9683333
|
1016,24
|
|
|
0,64
|
3,3862
|
0,29531
|
4,0165559
|
1004,04
|
|
|
0,65
|
3,4392
|
0,29077
|
4,0649227
|
992,092
|
|
|
0,66
|
3,4921
|
0,28636
|
4,1134271
|
980,394
|
|
|
0,67
|
3,545
|
0,28209
|
4,1620631
|
968,937
|
|
|
0,68
|
3,5979
|
0,27794
|
4,2108248
|
957,717
|
|
|
0,69
|
3,6508
|
0,27391
|
4,2597067
|
946,727
|
|
|
0,7
|
3,7037
|
0,27
|
4,3087037
|
935,961
|
|
|
0,71
|
3,7566
|
0,2662
|
4,3578109
|
925,414
|
|
|
0,72
|
3,8095
|
0,2625
|
4,4070238
|
915,08
|
|
|
0,73
|
3,8624
|
0,2589
|
4,456338
|
904,953
|
|
|
0,74
|
3,9153
|
0,25541
|
4,5057493
|
895,029
|
|
|
0,75
|
3,9683
|
0,252
|
4,555254
|
885,302
|
|
|
0,76
|
4,0212
|
0,24868
|
4,6048482
|
875,768
|
|
|
0,77
|
4,0741
|
0,24545
|
4,6545286
|
866,42
|
|
|
0,78
|
4,127
|
0,24231
|
4,7042918
|
857,255
|
|
|
0,79
|
4,1799
|
0,23924
|
4,7541347
|
848,267
|
|
|
0,8
|
4,2328
|
0,23625
|
4,8040542
|
839,453
|
|
|
0,81
|
4,2857
|
0,23333
|
4,8540476
|
830,807
|
|
|
0,82
|
4,3386
|
0,23049
|
4,9041121
|
822,326
|
|
|
0,83
|
4,3915
|
0,22771
|
4,9542452
|
814,004
|
|
|
0,84
|
4,4444
|
0,225
|
5,0044444
|
805,839
|
|
|
0,85
|
4,4974
|
0,22235
|
5,0547074
|
797,826
|
|
|
0,86
|
4,5503
|
0,21977
|
5,105032
|
789,961
|
|
|
0,87
|
4,6032
|
0,21724
|
5,155416
|
782,241
|
|
|
0,88
|
4,6561
|
0,21477
|
5,2058574
|
774,662
|
|
|
0,89
|
4,709
|
0,21236
|
5,2563543
|
767,219
|
|
|
0,9
|
4,7619
|
0,21
|
5,3069048
|
759,911
|
|
|
0,91
|
4,8148
|
0,20769
|
5,3575071
|
752,734
|
|
|
0,92
|
4,8677
|
0,20543
|
5,4081597
|
745,684
|
|
|
0,93
|
4,9206
|
0,20323
|
5,4588607
|
738,758
|
|
|
0,94
|
4,9735
|
0,20106
|
5,5096088
|
731,953
|
|
|
0,95
|
5,0265
|
0,19895
|
5,5604024
|
725,267
|
|
|
0,96
|
5,0794
|
0,19688
|
5,6112401
|
718,696
|
|
|
0,97
|
5,1323
|
0,19485
|
5,6621205
|
712,238
|
|
|
0,98
|
5,1852
|
0,19286
|
5,7130423
|
705,89
|
|
|
0,99
|
5,2381
|
0,19091
|
5,7640043
|
699,649
|
|
|
1
|
5,291
|
0,189
|
5,8150053
|
693,512
|
|
|
|
|
|
|
|
|
|
|
|
пусковой резистор реостатный
По результатам расчетов построена естественная механическая
характеристика представленная на рисунке 1.
Рисунок 1 - Естественная механическая характеристика
1.2 Определение числа и значения пусковых резисторов
Определение числа и значения пусковых резисторов выполнено графическим
способом в следующем порядке (см. рисунок 2):
. Строим естественную механическую характеристику привода.
. Восстанавливаем перпендикуляры к оси моментов из точек, соответствующих
моментам
и
.
. Через
точку S=0 проведем горизонтальную прямую параллельную оси абсцисс. Она
пересечет вертикальные прямые M1 и М2.
. Отметим
точку v и точку w на пересечении естественной механической характеристики с
вертикальными прямыми M2 и М1,
. Через
точку v и точку w проводим прямую до пересечения с горизонтальной прямой в
точке z.
. Через
точку М2 и точку z проведем прямую. Она пересечет вертикальную прямую M1 в
точке а.
. Через
точку а проводим горизонтальную прямую, которая пересечет вертикальную прямую
М2 в точке f.
. Через
точку f и точку z проводим прямую. Она пересечет вертикальную прямую M1 в точке
d.
. Через
точку d проводим горизонтальную прямую, которая пересечет вертикальную прямую
М2 в точке с.
.Через
точку с и точку z проводим прямую. Она пересечет вертикальную прямую M1 в точке
h.
.
Через точку h проводим горизонтальную прямую, которая пересечет вертикальную
прямую М1 в точке w, а также пересечет график естественной механической
характеристики; разгон асинхронного электродвигателя закончен.
Для
определения значений сопротивлений пусковых резисторов необходимо произвести
некоторые графические построения. Определяем точку O, как точку пересечения
прямой, соответствующей моменту
, с
прямой, проведенной из точки
параллельно
оси моментов (см. рисунок 2). Исходя из проведенных построений имеем следующий
порядок расчета пусковых резисторов:
Найдем
значение сопротивления первого пускового реостата:
Значение
сопротивления второго пускового реостата находим по формуле:
Найдем
значение сопротивления третьего пускового реостата:
Все
построения выполнены с помощью учебника Вешеневский С.Н. «Характеристики
двигателей в электроприводе» и представлены на рисунке 2.
Рисунок
2 - Расчет числа и значений пусковых резисторов
Рисунок 3 - Принципиальная схема соединения резисторов
1.3 Выбор пусковых резисторов
Выбор резисторов проводим по максимальному пусковому току:
IPmax=
Сумма
приведенных сопротивлений пусковых резисторов одной фазы ротора меняет свои
значения в зависимости от ступени разгона электродвигателя. По мере разгона из
R’0i исключается каждый предыдущий пусковой резистор при переходе на каждую
следующую ступень разгона.
Для
первой ступени разгона максимальный ток:=
==
= 232,328 A
Для
второй ступени разгона максимальный ток:=
=
= 255,092 A
Для
третьей ступени разгона максимальный ток:=
=
=
=244,06 А
Для
естественной характеристики, в момент перехода на нее с третьей ступени,
максимальный ток (при выключенных пусковых резисторах):=
=
=
= 227,765 A
Полученные
значения максимального тока представлены в таблице 2.
Таблица
2 - Значения максимального тока для каждой ступени разгона
|
Si
|
r’i, Ом
|
IPmax, A
|
|
1,0000
|
0,733
|
232,328
|
|
0,42
|
0,275
|
255,092
|
|
0,83
|
0,0797
|
244,06
|
|
0,071
|
0,000
|
227,765
|
По данный таблицы примем максимальный ток равный 260 А.
Выбираем ящики чугунных резисторов по табличным данным - Вешеневский,
«Характеристики двигателей и электроприводов».
Расчетная
величина сопротивления первой ступени пусковых резисторов
. Так как резисторов с таким номиналом в ящиках
пусковых резисторов нет, собираем эту ступень путем последовательного
соединения двадцати шести резисторов:
,
(взятых из ящиков резисторов под каталожными номерами
9018, 9017).
Расчетная
величина сопротивления второй ступени пусковых резисторов
. Так как резисторов с таким номиналом в ящиках
пусковых резисторов нет, собираем эту ступень путем последовательного
соединения двадцати резисторов:
,
(взятых из ящиков резисторов под каталожными номерами
9017, 9015).
Расчетная
величина сопротивления третьей ступени пусковых резисторов
. Выбираем из ящика под каталожным номером 9005
соответственно один резистор:
Результаты
выбора резисторов занесены в таблицу 3.
Таблица
3 - Выбор пусковых резисторов
|
№ ступени
|
Расчетное сопротивление, Ом
|
Каталожный номер ящика
|
Сопротивление элемента, Ом
|
Кол-во элементов
|
Общее сопротивление, Ом
|
Погрешность, %
|
|
1
|
0,46
|
9018
|
0,02
|
20
|
0,46
|
0
|
|
|
9017
|
0,01
|
6
|
|
|
|
2
|
0,195
|
9017
|
0,01
|
19
|
0,195
|
0
|
|
|
9015
|
0,005
|
1
|
|
|
|
3
|
0,08
|
9005
|
0,08
|
1
|
0,08
|
0
|
Схема соединения пусковых резисторов представлена на рисунке 4.
Рисунок 4 - Схема соединения резисторов для каждой ступени: а) первая
ступень; б) вторая ступень; в) третья ступень
.4 Расчет и построение искусственных реостатных механических
характеристик
Расчет и построение искусственных механических характеристик производится
таким же образом, как и естественные характеристики, только с учетом
рассчитанных ранее значений сопротивлений пусковых реостатов.
Расчет первой искусственной характеристики.
Определяем критическое скольжение:
Расчет
производим по следующей формуле:
Результаты
расчета приведены в таблице 4.
Таблица
4 - Расчет 1-й искусственной механической характеристики
|
   
|
|
|
|
|
|
1
|
2
|
3
|
4
|
5
|
|
0
|
0
|
0
|
0
|
0
|
|
0,01
|
0,004719
|
211,9
|
212,2397192
|
19,00104
|
|
0,02
|
105,95
|
106,2944384
|
37,93967
|
|
0,03
|
0,014158
|
70,63333
|
70,98249095
|
56,81367
|
|
0,04
|
0,018877
|
52,975
|
53,32887683
|
75,62087
|
|
0,05
|
0,023596
|
42,38
|
42,73859604
|
94,35911
|
|
0,06
|
0,028315
|
35,31667
|
35,67998191
|
113,0263
|
|
0,07
|
0,033034
|
30,27143
|
30,63946302
|
131,6203
|
|
0,08
|
0,037754
|
26,4875
|
26,86025366
|
150,1392
|
|
0,09
|
0,042473
|
23,54444
|
23,92191731
|
168,5808
|
|
0,1
|
0,047192
|
21,19
|
21,57219207
|
186,9433
|
|
0,11
|
0,051911
|
19,26364
|
19,65054764
|
205,2246
|
|
0,12
|
0,05663
|
17,65833
|
18,04996382
|
223,4229
|
|
|
0,13
|
0,06135
|
16,3
|
16,69634969
|
241,5364
|
|
|
0,14
|
0,066069
|
15,13571
|
15,53678319
|
259,5631
|
|
|
0,15
|
0,070788
|
14,12667
|
14,53245477
|
277,5014
|
|
|
0,16
|
0,075507
|
13,24375
|
13,65425731
|
295,3493
|
|
|
0,17
|
0,080227
|
12,46471
|
12,8799324
|
313,1054
|
|
|
0,18
|
0,084946
|
11,77222
|
12,19216795
|
330,7677
|
|
|
0,19
|
0,089665
|
11,15263
|
11,57729652
|
348,3349
|
|
|
0,2
|
0,094384
|
10,595
|
11,02438414
|
365,8051
|
|
|
0,21
|
0,099103
|
10,09048
|
10,52457954
|
383,1769
|
|
|
0,22
|
0,103823
|
9,631818
|
10,07064074
|
400,4488
|
|
|
0,23
|
0,108542
|
9,213043
|
9,656585243
|
417,6193
|
|
|
0,24
|
0,113261
|
8,829167
|
9,277427639
|
434,6869
|
|
|
0,25
|
0,11798
|
8,476
|
8,928980179
|
451,6502
|
|
|
0,26
|
0,122699
|
8,15
|
8,607699387
|
468,508
|
|
|
0,27
|
0,127419
|
7,848148
|
8,310566742
|
485,2588
|
|
|
0,28
|
0,132138
|
7,567857
|
8,034994944
|
501,9015
|
|
|
0,29
|
0,136857
|
7,306897
|
7,77875356
|
518,4347
|
|
|
0,3
|
0,141576
|
7,063333
|
7,539909549
|
534,8573
|
|
|
0,31
|
0,146295
|
6,835484
|
7,316779293
|
551,1682
|
|
|
0,32
|
0,151015
|
6,621875
|
7,10788963
|
567,3661
|
|
|
0,33
|
0,155734
|
6,421212
|
6,911945958
|
583,4502
|
|
|
0,34
|
0,160453
|
6,232353
|
6,727805985
|
599,4192
|
|
|
0,35
|
0,165172
|
6,054286
|
6,554457965
|
615,2722
|
|
|
0,36
|
0,169891
|
5,886111
|
6,391002569
|
631,0083
|
|
|
0,37
|
0,174611
|
5,727027
|
6,236637692
|
646,6266
|
|
|
0,38
|
0,17933
|
5,576316
|
6,090645662
|
662,1262
|
|
|
0,39
|
0,184049
|
5,433333
|
5,952382413
|
677,5062
|
|
|
0,4
|
0,188768
|
5,2975
|
5,821268287
|
692,7659
|
|
|
0,41
|
0,193487
|
5,168293
|
5,696780177
|
707,9044
|
|
|
0,42
|
0,198207
|
5,045238
|
5,578444797
|
722,9212
|
|
|
0,43
|
0,202926
|
4,927907
|
5,465832885
|
737,8154
|
|
|
0,44
|
0,207645
|
4,815909
|
5,358554207
|
752,5866
|
|
|
0,45
|
0,212364
|
4,708889
|
5,256253212
|
767,234
|
|
|
0,46
|
0,217084
|
4,606522
|
5,158605269
|
781,757
|
|
|
0,47
|
0,221803
|
4,508511
|
5,065313375
|
796,1553
|
|
|
0,48
|
0,226522
|
4,414583
|
4,976105278
|
810,4282
|
|
|
0,49
|
0,231241
|
4,32449
|
4,890730947
|
824,5753
|
|
|
0,5
|
0,23596
|
4,238
|
4,808960359
|
838,5962
|
|
|
0,51
|
0,24068
|
4,154902
|
4,730581527
|
852,4905
|
|
|
0,52
|
0,245399
|
4,075
|
4,655398773
|
866,2579
|
|
|
0,53
|
0,250118
|
3,998113
|
4,583231188
|
879,898
|
|
|
0,54
|
0,254837
|
3,924074
|
4,513911261
|
893,4105
|
|
|
0,55
|
0,259556
|
3,852727
|
4,447283667
|
906,7953
|
|
|
0,56
|
0,264276
|
3,783929
|
4,383204173
|
920,052
|
|
|
0,57
|
0,268995
|
3,717544
|
4,321538669
|
933,1806
|
|
|
0,58
|
0,273714
|
3,653448
|
4,262162292
|
946,1808
|
|
|
0,59
|
0,278433
|
3,591525
|
4,204958647
|
959,0525
|
|
|
0,6
|
0,283152
|
3,531667
|
4,149819097
|
971,7956
|
|
|
0,61
|
0,287872
|
3,47377
|
4,096642129
|
984,4101
|
|
|
0,62
|
0,292591
|
3,417742
|
4,04533278
|
996,896
|
|
|
0,63
|
0,29731
|
3,363492
|
3,995802115
|
1009,253
|
|
|
0,64
|
0,302029
|
3,310938
|
3,947966759
|
1021,482
|
|
|
0,65
|
0,306748
|
3,26
|
3,901748466
|
1033,582
|
|
|
0,66
|
0,311468
|
3,210606
|
3,857073734
|
1045,553
|
|
|
0,67
|
0,316187
|
3,162687
|
3,813873448
|
1057,396
|
|
|
0,68
|
0,320906
|
3,116176
|
3,772082558
|
1069,111
|
|
|
0,69
|
0,325625
|
3,071014
|
3,731639788
|
1080,698
|
|
|
0,7
|
0,330345
|
3,027143
|
3,692487359
|
1092,157
|
|
|
0,71
|
0,335064
|
2,984507
|
3,654570752
|
1103,488
|
|
|
0,72
|
0,339783
|
3,617838472
|
1114,692
|
|
|
0,73
|
0,344502
|
2,90274
|
3,58224185
|
1125,769
|
|
|
0,74
|
0,349221
|
2,863514
|
3,547734844
|
1136,719
|
|
|
0,75
|
0,353941
|
2,825333
|
3,514273871
|
1147,542
|
|
|
0,76
|
0,35866
|
2,788158
|
3,48181764
|
1158,239
|
|
|
0,77
|
0,363379
|
2,751948
|
3,450327004
|
1168,81
|
|
|
0,78
|
0,368098
|
2,716667
|
3,419764826
|
1179,255
|
|
|
0,79
|
0,372817
|
2,682278
|
3,390095848
|
1189,576
|
|
|
0,8
|
0,377537
|
2,64875
|
3,361286574
|
1199,772
|
|
|
0,81
|
0,382256
|
2,616049
|
3,333305164
|
1209,843
|
|
|
0,82
|
0,386975
|
2,584146
|
3,30612133
|
1219,791
|
|
|
0,83
|
0,391694
|
2,553012
|
3,279706244
|
1229,615
|
|
|
0,84
|
0,396413
|
2,522619
|
3,25403245
|
1239,316
|
|
|
0,85
|
0,401133
|
2,492941
|
3,229073786
|
1248,896
|
|
|
0,86
|
0,405852
|
2,463953
|
3,204805305
|
1258,353
|
|
|
0,87
|
0,410571
|
2,435632
|
3,181203208
|
1267,689
|
|
|
0,88
|
0,41529
|
2,407955
|
3,158244777
|
1276,904
|
|
|
0,89
|
0,420009
|
2,380899
|
3,135908315
|
1285,999
|
|
|
0,9
|
0,424729
|
2,354444
|
3,11417309
|
1294,975
|
|
|
0,91
|
0,429448
|
2,328571
|
3,093019281
|
1303,831
|
|
|
0,92
|
0,434167
|
2,303261
|
3,072427929
|
1312,57
|
|
|
0,93
|
0,438886
|
2,278495
|
3,052380891
|
1321,19
|
|
|
0,94
|
0,443605
|
2,254255
|
3,032860793
|
1329,694
|
|
|
0,95
|
0,448325
|
2,230526
|
3,013850997
|
1338,081
|
|
|
0,96
|
0,453044
|
2,207292
|
2,995335555
|
1346,352
|
|
|
0,97
|
0,457763
|
2,184536
|
2,977299178
|
1354,508
|
|
|
0,98
|
0,462482
|
2,162245
|
2,959727201
|
1362,55
|
|
|
0,99
|
0,467202
|
2,140404
|
2,942605551
|
1370,478
|
|
|
1
|
0,471921
|
2,119
|
2,925920717
|
1378,293
|
|
|
|
|
|
|
|
|
|
|
|
|
|
Расчет второй искусственной характеристики.
Определяем критическое скольжение:
Расчет
производим по следующей формуле:
Результаты
расчета приведены в таблице 5.
Таблица
5 - Расчет 2-й искусственной механической характеристики
|
   
|
|
|
|
|
|
1
|
2
|
3
|
4
|
5
|
|
0
|
0
|
0
|
0
|
0
|
|
0,01
|
0,010977
|
91,1
|
91,44598
|
44,10009
|
|
0,02
|
0,021954
|
45,55
|
45,90695
|
87,84673
|
|
0,03
|
0,032931
|
30,36667
|
30,7346
|
131,2129
|
|
0,04
|
0,043908
|
22,775
|
23,15391
|
174,1726
|
|
0,05
|
0,054885
|
18,22
|
18,60988
|
216,7007
|
|
0,06
|
0,065862
|
15,18333
|
15,5842
|
258,7735
|
|
0,07
|
0,076839
|
13,01429
|
13,42612
|
300,3678
|
|
0,08
|
0,087816
|
11,3875
|
11,81032
|
341,4622
|
|
0,09
|
0,098793
|
10,12222
|
10,55601
|
382,0358
|
|
0,1
|
0,109769
|
9,11
|
9,554769
|
422,0694
|
|
0,11
|
0,120746
|
8,281818
|
8,737565
|
461,5446
|
|
0,12
|
0,131723
|
7,591667
|
8,05839
|
500,4444
|
|
0,13
|
0,1427
|
7,007692
|
7,485393
|
538,7528
|
|
0,14
|
0,153677
|
6,507143
|
6,99582
|
576,4551
|
|
0,15
|
0,164654
|
6,073333
|
6,572988
|
613,5377
|
|
0,16
|
0,175631
|
5,69375
|
6,204381
|
649,9884
|
|
0,17
|
0,186608
|
5,358824
|
5,880432
|
685,7959
|
|
0,18
|
0,197585
|
5,061111
|
5,593696
|
720,9501
|
|
0,19
|
0,208562
|
4,794737
|
5,338299
|
755,4421
|
|
0,2
|
0,219539
|
4,555
|
5,109539
|
789,2642
|
|
0,21
|
0,230516
|
4,338095
|
4,903611
|
822,4094
|
|
0,22
|
0,241493
|
4,140909
|
4,717402
|
854,8722
|
|
0,23
|
0,25247
|
3,96087
|
4,548339
|
886,648
|
|
0,24
|
0,263447
|
3,795833
|
4,39428
|
917,733
|
|
0,25
|
0,274424
|
3,644
|
4,253424
|
948,1247
|
|
0,26
|
0,285401
|
3,503846
|
4,124247
|
977,8212
|
|
0,27
|
0,296378
|
3,374074
|
4,005452
|
1006,822
|
|
0,28
|
0,307355
|
3,253571
|
3,895926
|
1035,126
|
|
0,29
|
0,318332
|
3,141379
|
3,794711
|
1062,736
|
|
0,3
|
0,329308
|
3,036667
|
3,700975
|
1089,652
|
|
0,31
|
0,340285
|
2,93871
|
3,613995
|
1115,878
|
|
0,32
|
0,351262
|
2,846875
|
3,533137
|
1141,415
|
|
0,33
|
0,362239
|
2,760606
|
3,457845
|
1166,268
|
|
0,34
|
0,373216
|
2,679412
|
3,387628
|
1190,442
|
|
0,35
|
0,384193
|
2,602857
|
3,32205
|
1213,942
|
|
0,36
|
0,39517
|
2,530556
|
3,260726
|
1236,773
|
|
0,37
|
0,406147
|
2,462162
|
3,203309
|
1258,941
|
|
0,38
|
0,417124
|
2,397368
|
1280,453
|
|
0,39
|
0,428101
|
2,335897
|
3,098998
|
1301,316
|
|
0,4
|
0,439078
|
2,2775
|
3,051578
|
1321,538
|
|
0,41
|
0,450055
|
2,221951
|
3,007006
|
1341,127
|
|
0,42
|
0,461032
|
2,169048
|
2,965079
|
1360,09
|
|
0,43
|
0,472009
|
2,118605
|
2,925613
|
1378,438
|
|
0,44
|
0,482986
|
2,070455
|
2,88844
|
1396,178
|
|
0,45
|
0,493963
|
2,024444
|
2,853407
|
1413,32
|
|
0,46
|
0,50494
|
1,980435
|
2,820374
|
1429,873
|
|
0,47
|
0,515917
|
1,938298
|
2,789214
|
1445,846
|
|
0,48
|
0,526894
|
1,897917
|
2,75981
|
1461,251
|
|
0,49
|
0,53787
|
1,859184
|
2,732054
|
1476,097
|
|
0,5
|
0,548847
|
1,822
|
2,705847
|
1490,393
|
|
0,51
|
0,559824
|
1,786275
|
2,681099
|
1504,15
|
|
0,52
|
0,570801
|
1,751923
|
2,657724
|
1517,379
|
|
0,53
|
0,581778
|
1,718868
|
2,635646
|
1530,09
|
|
0,54
|
0,592755
|
1,687037
|
2,614792
|
1542,293
|
|
0,55
|
0,603732
|
1,656364
|
2,595096
|
1553,999
|
|
0,56
|
0,614709
|
1,626786
|
2,576495
|
1565,218
|
|
0,57
|
0,625686
|
1,598246
|
2,558932
|
1575,961
|
|
0,58
|
0,636663
|
1,57069
|
2,542353
|
1586,238
|
|
0,59
|
0,64764
|
1,544068
|
2,526708
|
1596,06
|
|
0,6
|
0,658617
|
1,518333
|
2,51195
|
1605,436
|
|
0,61
|
0,669594
|
1,493443
|
2,498036
|
1614,378
|
|
0,62
|
0,680571
|
1,469355
|
2,484926
|
1622,896
|
|
0,63
|
0,691548
|
1,446032
|
2,472579
|
1631
|
|
0,64
|
0,702525
|
1,423438
|
2,460962
|
1638,699
|
|
0,65
|
0,713502
|
1,401538
|
2,45004
|
1646,004
|
|
0,66
|
0,724479
|
1,380303
|
2,439782
|
1652,925
|
|
0,67
|
0,735456
|
1,359701
|
2,430157
|
1659,471
|
|
0,68
|
0,746432
|
1,339706
|
2,421138
|
1665,653
|
|
0,69
|
0,757409
|
1,32029
|
2,412699
|
1671,479
|
|
0,7
|
0,768386
|
1,301429
|
2,404815
|
1676,959
|
|
0,71
|
0,779363
|
1,283099
|
2,397462
|
1682,102
|
|
0,72
|
0,79034
|
1,265278
|
2,390618
|
1686,918
|
|
0,73
|
0,801317
|
1,247945
|
2,384262
|
1691,414
|
|
0,74
|
0,812294
|
1,231081
|
2,378375
|
1695,601
|
|
0,75
|
0,823271
|
1,214667
|
2,372938
|
1699,487
|
|
0,76
|
0,834248
|
1,198684
|
2,367932
|
1703,079
|
|
0,77
|
0,845225
|
1,183117
|
2,363342
|
1706,387
|
|
0,78
|
0,856202
|
1,167949
|
2,359151
|
1709,419
|
|
0,79
|
0,867179
|
1,153165
|
2,355343
|
1712,182
|
|
0,8
|
0,878156
|
1,13875
|
2,351906
|
1714,684
|
|
0,81
|
0,889133
|
1,124691
|
2,348824
|
1716,934
|
|
0,82
|
0,90011
|
1,110976
|
2,346085
|
1718,938
|
|
0,83
|
0,911087
|
1,09759
|
2,343677
|
1720,705
|
|
0,84
|
0,922064
|
1,084524
|
2,341587
|
1722,24
|
|
0,85
|
0,933041
|
1,071765
|
2,339805
|
1723,552
|
|
0,86
|
0,944018
|
1,059302
|
2,33832
|
1724,647
|
|
0,87
|
0,954995
|
1,047126
|
2,337121
|
1725,532
|
|
0,88
|
0,965971
|
1,035227
|
2,336199
|
1726,213
|
|
0,89
|
0,976948
|
1,023596
|
2,335544
|
1726,697
|
|
0,9
|
0,987925
|
1,012222
|
2,335148
|
1726,99
|
|
0,91
|
0,998902
|
1,001099
|
2,335001
|
1727,098
|
|
0,92
|
1,009879
|
0,990217
|
2,335097
|
1727,027
|
|
0,93
|
1,020856
|
0,97957
|
2,335426
|
1726,784
|
|
0,94
|
1,031833
|
0,969149
|
2,335982
|
1726,373
|
|
0,95
|
1,04281
|
0,958947
|
2,336757
|
1725,8
|
|
0,96
|
1,053787
|
0,948958
|
2,337745
|
1725,071
|
|
0,97
|
1,064764
|
0,939175
|
2,338939
|
1724,19
|
|
0,98
|
1,075741
|
0,929592
|
2,340333
|
1723,163
|
|
0,99
|
1,086718
|
0,920202
|
2,34192
|
1721,996
|
|
1
|
1,097695
|
0,911
|
2,343695
|
1720,692
|
Расчет третьей искусственной характеристики.
Определяем критическое скольжение:
Расчет
производим по следующей формуле:
Результаты
расчета приведены в таблице 6.
Таблица 6 - Расчет 3-й искусственной механической характеристики
|
   
|
|
|
|
|
|
1
|
2
|
3
|
4
|
5
|
|
0
|
0
|
0
|
0
|
0
|
|
0,01
|
0,025063
|
39,9
|
40,26006
|
100,1681
|
|
0,02
|
0,050125
|
19,95
|
20,33513
|
198,3158
|
|
0,03
|
0,075188
|
13,3
|
13,71019
|
294,1445
|
|
0,04
|
0,100251
|
9,975
|
10,41025
|
|
0,05
|
0,125313
|
7,98
|
8,440313
|
477,7993
|
|
0,06
|
0,150376
|
6,65
|
7,135376
|
565,1806
|
|
0,07
|
0,175439
|
5,7
|
6,210439
|
649,3544
|
|
0,08
|
0,200501
|
4,9875
|
5,523001
|
730,1783
|
|
0,09
|
0,225564
|
4,433333
|
4,993897
|
807,5408
|
|
0,1
|
0,250627
|
3,99
|
4,575627
|
881,3604
|
|
0,11
|
0,275689
|
3,627273
|
4,237962
|
951,5838
|
|
0,12
|
0,300752
|
3,325
|
3,960752
|
1018,184
|
|
0,13
|
0,325815
|
3,069231
|
3,730045
|
1081,16
|
|
0,14
|
0,350877
|
2,85
|
3,535877
|
1140,531
|
|
0,15
|
0,37594
|
2,66
|
3,37094
|
1196,336
|
|
0,16
|
0,401003
|
2,49375
|
3,229753
|
1248,633
|
|
0,17
|
0,426065
|
2,347059
|
3,108124
|
1297,495
|
|
0,18
|
0,451128
|
2,216667
|
3,002794
|
1343,008
|
|
0,19
|
0,47619
|
2,1
|
2,91119
|
1385,267
|
|
0,2
|
0,501253
|
1,995
|
2,831253
|
1424,378
|
|
0,21
|
0,526316
|
1,9
|
2,761316
|
1460,454
|
|
0,22
|
0,551378
|
1,813636
|
2,700015
|
1493,613
|
|
0,23
|
0,576441
|
1,734783
|
2,646224
|
1523,974
|
|
0,24
|
0,601504
|
1,6625
|
2,599004
|
1551,662
|
|
0,25
|
0,626566
|
1,596
|
2,557566
|
1576,802
|
|
0,26
|
0,651629
|
1,534615
|
2,521244
|
1599,518
|
|
0,27
|
0,676692
|
1,477778
|
2,48947
|
1619,934
|
|
0,28
|
0,701754
|
1,425
|
2,461754
|
1638,172
|
|
0,29
|
0,726817
|
1,375862
|
2,437679
|
1654,351
|
|
0,3
|
0,75188
|
1,33
|
2,41688
|
1668,588
|
|
0,31
|
0,776942
|
1,287097
|
2,399039
|
1680,996
|
|
0,32
|
0,802005
|
1,246875
|
2,38388
|
1691,686
|
|
0,33
|
0,827068
|
1,209091
|
2,371159
|
1700,762
|
|
0,34
|
0,85213
|
1,173529
|
2,36066
|
1708,326
|
|
0,35
|
0,877193
|
1,14
|
2,352193
|
1714,475
|
|
0,36
|
0,902256
|
1,108333
|
2,345589
|
1719,302
|
|
0,37
|
0,927318
|
1,078378
|
2,340697
|
1722,896
|
|
0,38
|
0,952381
|
1,05
|
2,337381
|
1725,34
|
|
0,39
|
0,977444
|
1,023077
|
2,335521
|
1726,714
|
|
0,4
|
1,002506
|
0,9975
|
2,335006
|
1727,094
|
|
0,41
|
1,027569
|
0,973171
|
2,33574
|
1726,552
|
|
0,42
|
1,052632
|
0,95
|
2,337632
|
1725,155
|
|
0,43
|
1,077694
|
0,927907
|
2,340601
|
1722,966
|
|
0,44
|
1,102757
|
0,906818
|
2,344575
|
1720,046
|
|
0,45
|
1,12782
|
0,886667
|
2,349486
|
1716,45
|
|
0,46
|
1,152882
|
0,867391
|
2,355274
|
1712,233
|
|
0,47
|
1,177945
|
0,848936
|
2,361881
|
1707,442
|
|
0,48
|
1,203008
|
0,83125
|
2,369258
|
1702,126
|
|
0,49
|
1,22807
|
0,814286
|
2,377356
|
1696,328
|
|
0,5
|
1,253133
|
0,798
|
2,386133
|
1690,089
|
|
0,51
|
1,278195
|
0,782353
|
2,395548
|
1683,446
|
|
0,52
|
1,303258
|
0,767308
|
2,405566
|
1676,435
|
|
0,53
|
1,328321
|
0,75283
|
2,416151
|
1669,091
|
|
0,54
|
1,353383
|
0,738889
|
2,427272
|
1661,444
|
|
0,55
|
1,378446
|
0,725455
|
2,438901
|
1653,522
|
|
0,56
|
1,403509
|
0,7125
|
2,451009
|
1645,354
|
|
0,57
|
1,428571
|
0,7
|
2,463571
|
1636,963
|
|
0,58
|
1,453634
|
0,687931
|
2,476565
|
1628,375
|
|
0,59
|
1,478697
|
0,676271
|
2,489968
|
1619,61
|
|
0,6
|
1,503759
|
0,665
|
2,503759
|
1610,688
|
|
0,61
|
1,528822
|
0,654098
|
2,51792
|
1601,63
|
|
0,62
|
1,553885
|
0,643548
|
2,532433
|
1592,451
|
|
0,63
|
1,578947
|
0,633333
|
2,547281
|
1583,169
|
|
0,64
|
1,60401
|
0,623438
|
2,562448
|
1573,798
|
|
0,65
|
1,629073
|
0,613846
|
2,577919
|
1564,353
|
|
0,66
|
1,654135
|
0,604545
|
2,593681
|
1554,847
|
|
0,67
|
1,679198
|
0,595522
|
2,60972
|
1545,29
|
|
0,68
|
1,704261
|
0,586765
|
2,626025
|
1535,696
|
|
0,69
|
1,729323
|
0,578261
|
2,642584
|
1526,073
|
|
0,7
|
1,754386
|
0,57
|
2,659386
|
1516,431
|
|
|
0,71
|
1,779449
|
0,561972
|
2,67642
|
1506,78
|
|
|
0,72
|
1,804511
|
0,554167
|
2,693678
|
1497,126
|
|
|
0,73
|
1,829574
|
0,546575
|
2,711149
|
1487,478
|
|
|
0,74
|
1,854637
|
0,539189
|
2,728826
|
1477,843
|
1,879699
|
0,532
|
2,746699
|
1468,226
|
|
|
0,76
|
1,904762
|
0,525
|
2,764762
|
1458,634
|
|
|
0,77
|
1,929825
|
0,518182
|
2,783006
|
1449,072
|
|
|
0,78
|
1,954887
|
0,511538
|
2,801426
|
1439,544
|
|
|
0,79
|
1,97995
|
0,505063
|
2,820013
|
1430,056
|
|
|
0,8
|
2,005013
|
0,49875
|
2,838763
|
1420,611
|
|
|
0,81
|
2,030075
|
0,492593
|
2,857668
|
1411,212
|
|
|
0,82
|
2,055138
|
0,486585
|
2,876723
|
1401,864
|
|
|
0,83
|
2,080201
|
0,480723
|
2,895923
|
1392,57
|
|
|
0,84
|
2,105263
|
0,475
|
2,915263
|
1383,332
|
|
|
0,85
|
2,130326
|
0,469412
|
2,934738
|
1374,152
|
|
|
0,86
|
2,155388
|
0,463953
|
2,954342
|
1365,034
|
|
|
0,87
|
2,180451
|
0,458621
|
2,974072
|
1355,978
|
|
|
0,88
|
2,205514
|
0,453409
|
2,993923
|
1346,987
|
|
|
0,89
|
2,230576
|
0,448315
|
3,013891
|
1338,063
|
|
|
0,9
|
2,255639
|
0,443333
|
3,033972
|
1329,207
|
|
|
0,91
|
2,280702
|
0,438462
|
3,054163
|
1320,419
|
|
|
0,92
|
2,305764
|
0,433696
|
3,07446
|
1311,702
|
|
|
0,93
|
2,330827
|
0,429032
|
3,094859
|
1303,056
|
|
|
0,94
|
2,35589
|
0,424468
|
3,115358
|
1294,482
|
|
|
0,95
|
2,380952
|
0,42
|
3,135952
|
1285,981
|
|
|
0,96
|
2,406015
|
0,415625
|
3,15664
|
1277,553
|
|
|
0,97
|
2,431078
|
0,41134
|
3,177418
|
1269,199
|
|
|
0,98
|
2,45614
|
0,407143
|
3,198283
|
1260,919
|
|
|
0,99
|
2,481203
|
0,40303
|
3,219233
|
1252,713
|
|
|
1
|
2,506266
|
0,399
|
3,240266
|
1244,582
|
|
|
|
|
|
|
|
|
Рассчитанные выше искусственные механические характеристики представлены
на рисунке 5.
Рисунок 5 - Искусственные
механические характеристики
1.5 Описание движения рабочей точки
При
запуске двигателя в трехфазную цепь ротора, для ограничения пускового тока,
включены в каждую фазу последовательно по три ящика пусковых резисторы. В
момент пуска рабочая точка из точки 0 скачком переместиться в точку А и начнёт
перемещаться по кривой АВ, которая соответствует искусственной механической
характеристике при
(см. рисунок 6). Поднявшись по этой характеристике до
точки В, рабочая точка скачком переместится в точку С, что соответствует выводу
из каждой фазы ротора первого пускового резистора
.
Далее
рабочая точка начнёт подниматься по кривой CD, которая соответствует
искусственной механической характеристике при
.
Поднявшись
по этой характеристике до точки D, рабочая точка скачком переместится в точку
Е, что соответствует выводу из каждой фазы ротора второго пускового резистора
.
Затем
рабочая точка начнёт подниматься по кривой ЕF. которая соответствует
искусственной механической характеристике при
.
Поднявшись по этой характеристике до точки F, рабочая точка скачком
переместится в точку G, что соответствует выводу из каждой фазы ротора третьего
пускового резистора
.
Последующий
разгон двигателя проходит по естественной механической характеристике до точки
Н, в которой момент, развиваемый двигателем, становиться равным моменту сопротивления
рабочего механизма
М
= Мс = 479 Нм.
Рисунок
6 - Движение рабочей точки при пуске на механических характеристиках
2.
РАСЧЕТ ПЕРЕХОДНОГО ПРОЦЕССА ПРИ ПУСКЕ ЭЛЕКТРОПРИВОДА
.1
Расчет и построение графика изменения скорости электропривода при пуске
Для
построения нам необходимо знать величину тормозного момента, который
рассчитывается следующим образом:
Построение
производим методом площадей. Этот метод выбран в связи с тем, что в данном
методе производится меньшее количество графических построений, что, в свою
очередь, приводит к увеличению точности расчетов. Графическое построение
осуществляется следующим образом:
В
левом верхнем квадранте строим механические характеристики двигателя
(искусственные и естественную).
В
этом же квадранте строим кривые динамического момента
.
Все
кривую динамического момента разбиваем на участки
и для каждого участка определяем среднее значение
момента.
Из
следующего выражения находим изменение времени для каждого участка
:
Величину
откладываем по оси времени, прибавляя к предыдущему
значению.
На
пересечении перпендикуляра, проведенного из
, с
прямой
получим точку графика.
Далее
расчет повторяется для каждого участка
.
Результаты
расчета приведены в таблице 7.
Таблица
7 - Расчет графика изменения скорости электропривода при пуске
|
Mд.ср, Н*м
|
Δω, рад/с
|
ω, рад/с
|
Δt, c
|
t, c
|
|
Первая ступень
|
|
860
|
5.54
|
5.54
|
0.323
|
0.323
|
|
762.34
|
5.54
|
11.11
|
0.365
|
0.688
|
|
659.67
|
5.54
|
16.73
|
0.421
|
1.109
|
|
557.79
|
5.54
|
22.29
|
0.498
|
1.607
|
|
458.21
|
5.54
|
27.8
|
0.607
|
2.214
|
|
355.13
|
5.54
|
33.4
|
0.783
|
2.997
|
|
259.95
|
5.54
|
39.3
|
1.069
|
4.066
|
|
Вторая ступень
|
|
805.46
|
4.55
|
43.61
|
0.283
|
4.349
|
|
653,9
|
4.55
|
48.2
|
0.349
|
4.698
|
|
462,5
|
4.55
|
52.87
|
0.494
|
5.192
|
|
327.28
|
4.55
|
57.53
|
0.698
|
5.89
|
|
Третья ступень
|
|
784.33
|
3
|
60.5
|
0.192
|
6.082
|
|
525.5
|
3
|
63.5
|
0.286
|
6.368
|
|
341.76
|
3
|
66.5
|
0.44
|
6.808
|
|
Естественная характеристика
|
|
597.53
|
2.35
|
68.8
|
0.197
|
7.005
|
|
336.13
|
2.35
|
71.27
|
0.351
|
7.356
|
Построение графика изменения скорости представлено на рисунке 7.
2.2 Определение интервала времени работы на каждой ступени
пусковых резисторов и общего времени пуска
Из графика на рисунке 7 определяем время работы на каждой ступени
пусковых реостатов и общее время пуска двигателя. Результаты расчетов сведены в
таблице 8.
Таблица 8 - Результаты расчетов времени работы
|
Время работы на ступенях, с
|
Общее время пуска, с
|
|
1 ступень
|
2 ступень
|
3 ступень
|
|
|
4,066
|
1,824
|
0,918
|
7,356
|
3. РАЗРАБОТКА СХЕМЫ УПРАВЛЕНИЯ ПУСКОМ ЭЛЕКТРОПРИВОДА В ФУНКЦИИ
ВРЕМЕНИ
.1 Разработка принципиальной схемы управления
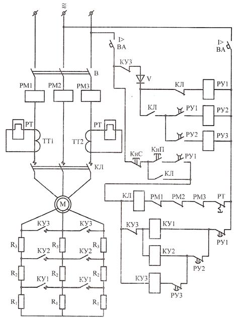
Принципиальная схема силовых цепей представлена на рисунке 7,
принципиальная схема цепей управления представлена на рисунке 8 (см. Чиликин
М.Г. «Общий курс электропривода»). Управление пуском электродвигателя будем
осуществлять с помощью электромагнитных реле времени (РУ1…РУ3), включенных
через вентиль V. Для защиты цепей двигателя от коротких замыканий служат
максимальные реле (РМ1…РМ3), от перегрузки - тепловые реле РТ, нагревательные
элементы которых включены через трансформаторы тока ТТ1 и ТТ2. Цепи управления
включены через автоматический выключатель, имеющий максимальную токовую защиту.
3.2 Настройка каждого из используемых в схеме реле времени
Необходимая выдержка времени каждого реле определяется на основании
пусковой диаграммы. Для определения выдержки времени реле нужно из времени
пуска двигателя, полученного по расчету, вычесть собственное время включения
контакторов. Для контакторов переменного тока эта величина лежит в пределах от
0,05с до 0,07. Определение выдержки времени каждого реле приведены в таблице 9.
Таблица 9 - Настройка каждого реле времени
|
Обозначение реле
|
РУ1
|
РУ2
|
РУ3
|
|
Выдержка времени, с
|
4,1
|
1,95
|
0,98
|
Рисунок 8 - Принципиальная схема управления пуском электропривода
3.3 Описание работы схемы управления пуском электропривода
Сначала подается напряжения переменного тока, включаются выключатели В и
В А. При включении В А включится реле РУ1 и замыкающие контакты закроются.
Таким образом подготавливается цепь включения РУ2 и КЛ; размыкающий контакт РУ1
разомкнётся и выключит цепь катушек контакторов ускорения КУ1, КУ2 и КУЗ.
При нажатии кнопки КнП, через замкнувшийся контакт реле РУ1 включится
контактор КЛ, подается напряжение на обмотку статора двигателя М; в обмотку
ротора при этом включены все пусковые резисторы - начинается пуск привода на
первой реостатной характеристике.
При включении контактора КЛ один из его замыкающих вспомогательных
контактов шунтирует кнопку КнП, это позволяет не удерживать ее в нажатом
состоянии, а другой замыкающий - подает питание на цепь катушек реле ускорения
РУ2 и РУЗ. Размыкающий вспомогательный контакт К Л отключит цепь реле РУ1; так
как оно отпускает якорь с выдержкой времени при отключении ее катушки, то РУ2
сразу не выключится и его размыкающий контакт РУ2 будет открыт. Размыкающий
контакт РУ1 остается открытым; по истечении выдержки времени реле РУ1 его
замыкающий контакт откроется, а размыкающий - закроется. Включается контактор
КУ1, и будет шунтирована первая пусковая ступень резистора- двигатель с первой
реостатной характеристики перейдет на вторую, разгоняясь до большей угловой
скорости. Кроме того, выключится реле времени РУ2, и его размыкающий контакт с
выдержкой времени замкнет цепь катушки контактора КУ2 - шунтируется вторая
пусковая ступень резистора - двигатель переходит на третью реостатную
характеристику. После размыкания с выдержкой времени замыкающего контакта РУ2
выключится реле РУЗ - с выдержкой времени, на которое настроено реле РУЗ
(соответственно времени пуска двигателя на последней реостатной
характеристике), замкнется его контакт РУЗ, и включится контактор КУЗ, обмотка
ротора М окажется замкнутой накоротко, и двигатель начнет разгоняться в
соответствии с его естественной характеристикой. Заканчивается ступенчатый пуск
асинхронного двигателя, контролируемый в функции времени электромагнитными реле
времени РУ1, РУ2, РУЗ.
При нажатии кнопки КнС, двигатель остановится.
ЗАКЛЮЧЕНИЕ
Любое современное производство, в любой области техники приводится в
действие автоматизированным электроприводом. В электроприводе основным
элементом, непосредственно преобразующим электрическую энергию в механическую,
является двигатель, который чаще всего управляется при помощи соответствующих
преобразовательных и управляющих устройств.
Управление осуществляется, как уже было сказано выше, в функции времени.
Достоинством схем управления, работающих в функции времени, является отсутствие
опасности сколько-нибудь продолжительной работы двигателя с неполной угловой
скоростью, чего не удается избежать в схемах, использующих принципы управления
в функции угловой скорости или функции тока. Опасность, возникающая при весьма
резком возрастании нагрузки, устраняется наличием максимальной защиты, с
помощью которой двигатель отключается от сети.
Простота и надежность в работе, так же как и возможность применения
однотипных реле времени, привели к широкому применению электроприводов,
управляемых в функции времени.
СПИСОК ИСПОЛЬЗОВАННОЙ ЛИТЕРАТУРЫ
1. Вешеневский
С.Н. Характеристики двигателей в электроприводе. М.: Энергия, 1977.
. Чиликин
М.Г., Сандлер А.С. Общий курс электропривода. М.: Энергоиздат, 1981.