Анализ и оптимизация электропотребления на металлургическом предприятии

  • Вид работы:
    Дипломная (ВКР)
  • Предмет:
    Физика
  • Язык:
    Русский
    ,
    Формат файла:
    MS Word
    700,78 Кб
  • Опубликовано:
    2014-07-27
Вы можете узнать стоимость помощи в написании студенческой работы.
Помощь в написании работы, которую точно примут!

Анализ и оптимизация электропотребления на металлургическом предприятии

Министерство образования и науки Российской Федерации

Филиал федерального государственного бюджетного образовательного учреждения высшего профессионального образования

«Национальный исследовательский университет МЭИ» в г. Смоленске

Кафедра электроэнергетических систем

Направление 140200- «Электроэнергетика»







МАГИСТЕРСКАЯ ДИССЕРТАЦИЯ

Программа: «Оптимизация развивающихся систем электроснабжения»

(140200.03)

Тема: Анализ и оптимизация электропотребления на металлургическом предприятии

Студент ЭС-06 (м) Шунаев С. А.

Руководитель д.т.н. профессор Кавченков В.П.

Магистерская диссертация допущена к защите

Зам. зав. кафедрой к.т.н. Киселев В.Ф.

«Электроэнергетические системы»



Смоленск 2012 г.

УДК 621.31: 669

Ш 96

Шунаев С.А.

Анализ и оптимизация электропотребления на металлургическом предприятии

Выпускная работа на степень магистра техники и технологии по направлению «Электроэнергетика». - Смоленск: филиал ФГБОУ ВПО «НИУ МЭИ», . 2012г. - 83 с.; 14 ил.; 14 табл.

В магистерской диссертации рассмотрены правовые нормы регулирования электроэнергетики, дана оценка их влияния на технико-экономические показатели работы предприятия. Большое внимание уделено вопросам оперативного управления электропотреблением - прогнозированию, оптимизации режимов энергопотребления и использованию информационных технологий для управления потоками энергоресурсов. Описаны методы повышения точности прогнозирования с применением регрессионного анализа. Разработана технико-экономическая политика потребления электроэнергии на основе системного анализа влияния изменения цен

Филиал ФГБОУ ВПО «НИУ МЭИ» В г. Смоленске, 2012г.

СОДЕРЖАНИЕ

1. Анализ нормативной базы электроэнергетики и её влияние на технико-экономические показатели предприятия

.1 Актуальные задачи обновления нормативной базы электроэнергетики Украины в современных условиях

.2 Украина и Энергетическое Сообщество

. ХАРАКТЕРИСТИКА СИСТЕМЫ ЭЛЕКТРОСНАБЖЕНИЯ ЗАВОДА

.1 Схемы электроснабжения и состав оборудования

.2 Структура и эффективность использования электроэнергии с учетом нормативов

.3 Компенсация реактивной мощности, колебания напряжения и фильтрация высших гармоник

.4 Выводы и предложения

. ОПТИМИЗАЦИЯ ЭЛЕКТРОПОТРЕБЛЕНИЯ

.1 Прогнозирование электропотребления

.2 Методические вопросы моделирования режимов электропотребления

.3 Оптимальное управление нагрузкой

.4 Оптимизация режима работы дуговой сталеплавильной печи

ЗАКЛЮЧЕНИЕ

Использованная литература

ВВЕДЕНИЕ

Проблематика и актуальность. В условиях рыночной экономики и значительного повышения цен на энергоресурсы особую важность приобретает задача эффективного использования энергии в различных отраслях промышленности. Проблема эта многоплановая и включает комплекс задач, каждая из которых имеет большое значение при решении вопросов энергосбережения. Прежде всего, это задачи учета и анализа расхода энергоносителей, установление энергетических характеристик оборудования и его оптимальных режимов работы, нормирования и планирования энергозатрат, оперативное управление потоками энергоносителей, с учетом эффективности их использования, прогнозные оценки энергопотребления на различных уровнях управления производством и др.

Металлургические предприятия потребляет более 17% топлива, 16% электроэнергии и 13% природного газа от общего потребления в стране.

Использование возобновляемых видов энергии (электрической и тепловой) на отечественных предприятиях незначительно - менее 10%. Зато, вторичные энергетические ресурсы - коксовый и доменный газ обеспечивают 16-25% общего энергопотребления.

Затраты энергоресурсов в металлургической отрасли Украины намного превышают энергопотребление ведущих зарубежных производителей металла. Значительная энергоемкость производства, изношенный парк технологического и энергетического оборудования предприятий, длительные ограничения в поставках угля, природного газа и электроэнергии диктуют необходимость существенных преобразований в структуре и технологии производства и максимального снижения потребления энергоресурсов. Решение актуальных проблем экономической стабильности металлургических предприятий, конкурентоспособности их продукции и энергобезопасности требуют существенного повышения эффективности использования топливно-энергетических ресурсов (ТЭР), реализации энергосберегающих технологий, развития собственной энергетической базы и улучшения экологической обстановки.

Цели исследования. В изменяющихся условиях металлургического производства при расчетах и планировании энергозатрат возникает необходимость учитывать эти изменения, что возможно только с помощью математического аппарата и методов, отражающих конкретные условия и особенности эксплуатации оборудования. Потребление энергоресурсов в металлургической промышленности зависит от множества производственных и технологических факторов, большинство которых в настоящее время не учитывается при анализе, планировании и управлении на всех уровнях. Это приводит к тому, что реализация комплекса вопросов по улучшению использования энергии оказывается слишком ориентировочной, в большой степени субъективной и слабо связано со спецификой и производственной программой предприятия и теми изменениями, которые происходят в процессе ее выполнения.

Для выработки и принятия технически верных и экономически обоснованных решений по энергосбережению и управлению режимами энергопотребления необходимо решение следующих задач:

.        Установить закономерности формирования энергозатрат.

.        Выявить тот причинно-следственный механизм, который определяет уровень и динамику энергопотребления в переделах металлургического производства.

.        Получить оценки объективно необходимых энергозатрат.

.        Установить неиспользованные резервы энергосбережения.

.        Разработать методику оперативного контроля и оптимального управления энергопотреблением с учетом изменения условий производства, поддерживающую технологические и режимные параметры процессов и обеспечивающую эффективное энергоиспользование.

Методика исследования. При решении поставленных задач использовались методы статистической обработки информации, теории моделирования, теории оптимальных процессов сложных систем в сочетании с нормативно-правовыми документами, регулирующими электроэнергетическую отрасль.

Научная новизна в работе :

.        Рассмотрен ряд методических вопросов, способствующих эффективному использованию математического аппарата теории вероятностей и математической статистики при нахождении закономерностей энергопотребления.

.        Описаны методы повышения эффективности оперативного управления электропотреблением - прогнозирование, оптимизации режимов энергопотребления и использование информационных технологий для управления потоками энергоресурсов.

.        Проанализировано влияние графиков нагрузок предприятия на стоимость электрической энергии.

Практическая ценность и реализация работы. Обобщенный материал по нормативно-правовому регулированию электроэнергетики в совокупности с анализом нагрузки предприятия позволил подобрать наиболее выгодную ценовую категорию для исследуемого завода. Повышение точности прогнозирования графиков нагрузки привело к снижению расходов при оплате электроэнергии. Реализация рекомендаций описанных во второй главе работы позволяет повысить надежность и экономичность заводского электроснабжения.

Достоверность и обоснованность научных результатов, выводов и рекомендаций подтверждается:

Корректным использованием основных положений теории моделирования. Применением проверенных методик анализа статистических данных. Учетом действующих нормативно-правовых документов в области электроэнергетики.

Апробация работы.

По структуре работа состоит из введения трех глав основной части, заключения и библиографического списка.

Первая глава посвящена рассмотрению нормативно-правовых документов, регулирующих отношения производителей, поставщиков и потребителей электрической энергии.

Во второй главе произведен анализ систем электроснабжения исследуемого металлургического предприятия. Даны рекомендации по модернизации с целью уменьшения экономических издержек.

В третьей главе изложены основные оптимизационные решения, а также проведена оценка влияния графиков нагрузки предприятия на стоимость электрической энергии.

В заключении представлены основные результаты и выводы по магистерской диссертационной работе.

В конце приведен библиографический список работ использованных при написании диссертации.

1. Анализ нормативной базы электроэнергетики и её влияние на технико-экономические показатели предприятия

Законодательство Российской Федерации, регулирующее организационные и экономические вопросы электроэнергетики, базируется на Конституции РФ и состоит из Гражданского кодекса РФ, Федерального закона «Об электроэнергетике» а также ряда других Федеральных законов, Указов Президента РФ и нормативных (подзаконных) актов Правительства РФ (постановлений и приказов), принимаемых в соответствии с федеральными законами для их реализации.

Следует отметить, что федеральное законодательство об электроэнергетике в последние годы существенно видоизменилось, и постоянно обновляемся путем внесения изменений и корректировок с учетом динамики процессов развития электроэнергетики, изменяющихся условий и выявившихся в процессе его реализации недоработок и пробелов.

Начинается законодательство об электроэнергетике с Гражданского Кодекса РФ (ГК), в котором определяются правовые нормы договоров об энергоснабжении между потребителем электрической энергии и энергоснабжающей организацией [статьи 539-547]: Эти нормы требуют от энергоснабжающей организации соблюдения принципа публичности (доступности) услуг по электроснабжению и предоставляют потребителю определение права в выборе условий предоставляемых услуг. Потребитель, в свою очередь, обязуется оплачивать принятую электроэнергию в установленном порядке, а также соблюдать предусмотренный договором режим её потребления, обеспечивать безопасность эксплуатации находящихся в её ведении энергетических сетей и исправность используемых им приборов и оборудования, связанных с потреблением энергии.

С момента принятия ГК осенью 1994 года в разделах, посвященных электроснабжению, произошли заметные изменения. Так, например, появилась норма, разрешающая энергоснабжающей организации прекращать или ограничивать подачу электроэнергии без согласования с абонентом - юридическим лицом, но с соответствующим его предупреждением в случае нарушения указанный абонентом обязательств по оплате электроэнергии.

В ГК отражены наиболее значимые для взаимоотношений потребителя и энергоснабжающеи организации положения; касающиеся сроков действия договора энергоснабжения, количества и качества получаемой потребителем электроэнергии, её оплаты и ответственности сторон.

Договор энергоснабжения. Например, когда абонентом по договору энергоснабжения выступает гражданин, использующий энергию для бытового потребления, договор считается заключенным с момента первого фактического подключения абонента в установленном порядке к присоединенной сети.

Если иное не предусмотрено соглашением сторон, такой договор считается заключенным на неопределенный срок и может быть изменен или расторгнут по основаниям, предусмотренным статьей 546 [ГК].

Договор энергоснабжения, заключенный на определенный срок, считается продленным на тот же срок и на тех же условиях, если до окончания срока его действия ни одна из сторон не заявит о его прекращении или изменении либо о заключении нового договора.

Количество электроэнергии. Что касается количества электроэнергии, то энергоснабжающая организация обязана подавать абоненту энергию через присоединенную сеть в количестве, предусмотренном договором энергоснабжения, и с соблюдением режима подачи, согласованного сторонами. Количество поданной абоненту и использованной им энергии определяется в соответствии с данными учета о её фактическом потреблении.

Договором энергоснабжения может быть предусмотрено право абонента изменять количество принимаемой им энергии, определенное договором, при условии возмещения им расходов, понесенных энергоснабжающеи организацией в связи с обеспечением подачи энергии не в обусловленном договором количестве.

В современных условиях внедрения рыночных отношений в электроэнергетику это дает возможность взимать плату за отклонения от заявленного почасового режима потребления, как в сторону увеличения, так и уменьшения. Такой подход к оплате электроэнергии является важным стимулирующим потребителя фактором, направленным на применение энергосберегающих технологий и совершенствование процесса потребления электрической энергии.

В случае, когда абонентом по договору энергоснабжения выступает гражданин, использующий энергию для бытового потребления, он вправе использовать энергию в необходимом ему количестве. Тем не менее, заметный рост тарифа на электроэнергию для населения, также способствует энергосбережению в быту.

Качество электроэнергии. Особое внимание ГК уделяет качеству энергии. В случае нарушения энергоснабжающеи организацией требований, предъявляемых к качеству энергии, абонент вправе отказаться от оплаты такой энергии. При этом энергоснабжающая организация вправе требовать возмещения абонентом стоимости того, что абонент неосновательно сберег вследствие использования этой энергии [пункт 2 статьи.;-1105 ГК]. При перерывах электроснабжения абонента, допущенных по вине энергоснабжающеи организации, последняя обязана возместить причиненный этим реальный ущерб. На практике это означает, как правило, судебное рассмотрение вопроса об оплате за некачественную или недополученную энергию.

Федеральный Закон «Об электроэнергетике». Безусловно, главное положение в современном законодательстве об электроэнергетики России занимает Федеральный закон «Об электроэнергетике», принятый 26 марта 2003 года, после почти двухлетних обсуждений и споров о целесообразности его принятия. Именно этот закон определил пути и сроки реформирования Российской электроэнергетики и направление её развития и видоизменил (путем внесения изменений и поправок в другие нормативные акты) все Российское законодательство об электроэнергетике. В частности, в тот же день был принят Федеральный-закон «Об особенностях функционирования электроэнергетики в переходный период» и о внесении изменений в некоторые нормативные акты Российской Федерации в связи с принятием Федерального Закона «Об электроэнергетике».

Законодательно электроэнергетика определяется как отрасль экономики Российской Федерации, включающая в себя комплекс экономических отношений, возникающих в процессе)производства (в том числе производства в режиме комбинированной выработки электрической и тепловой энергии), передачи электрической энергии, оперативно-диспетчерского управления в электроэнергетики, сбыта и потребления электрической энергии с использованием производственных и иных имущественных объектов (в том числе входящих в Единую энергетическую систему России), принадлежащих на праве собственности или на ином предусмотренном федеральными законами основании субъектам электроэнергетики или иным лицам.

При этом следует подчеркнуть, что электроэнергетика является основой функционирования экономики и жизнеобеспечения. Поэтому законодательно установлено монопольное право государства на правовое регулирование отношений в сфере электроэнергетики путем принятия Правительством РФ и уполномоченными им федеральными органами исполнительной власти нормативных правовых актов в соответствии с Федеральными Законами.

Органы государственной власти субъектов РФ и органы местного самоуправления не вправе принимать нормативные акты, направленные на регулирование отношений в сфере электроэнергетики, за исключением случаев, предусмотренных Федеральными Законами. К таким исключениям, например, относится регулирование уполномоченными исполнительными органами субъектов РФ размеров отдельных составляющих региональных тарифов на электрическую энергию: услуги по её передаче по региональным электрическим сетям и сбытовой надбавки гарантирующим поставщикам электроэнергии в рамках предельных уровней, установленных Федеральной службой по тарифам. На региональном уровне также решается вопрос о плате за присоединение к региональным электрическим сетям.

В законе определена технологическая основа функционирования электроэнергетики, которую составляют единая национальная (общероссийская) электрическая сеть, территориальные распределительные сети, по которым осуществляется передача электрической энергии, и единая система оперативно-диспетчерского управления.

Экономической основой функционирования электроэнергетики является обусловленная технологическими особенностями функционирования объектов электроэнергетики система отношений, связанных с производством и оборотом электрической энергии на оптовом и розничных рынках.

При этом все субъекты электроэнергетики обязаны соблюдать требования технических регламентов в сфере функционирования единой энергетической системы России.

Государственная политика в сфере электроэнергетики направлена на обеспечение соблюдения общих принципов организации экономических отношений в сфере электроэнергетики, которые включают:

• обеспечение энергетической безопасности;

• технологическое единство электроэнергетики;

• обеспечение бесперебойного и надежного функционирования электроэнергетики в целях удовлетворения спроса на электрическую энергию потребителей, обеспечивающих надлежащее исполнение своих обязательств перед субъектами электроэнергетики;

• свободу экономической деятельности в сфере электроэнергетики и единство экономического пространства в сфере обращения электрической энергии с учетом ограничений, установленных федеральными законами;

• соблюдение баланса экономических интересов поставщиков и потребителей электрической и тепловой энергии;

• использование рыночных отношений и конкуренции в качестве одного из основных инструментов формирования устойчивой системы удовлетворения спроса на электрическую энергию при условии обеспечения надлежащего качества и минимизации стоимости электрической энергии;

• содействие посредством мер, предусмотренных федеральными законами, развитию российского энергетического машиностроения и приборостроения, электротехнической промышленности и связанных с ними сфер услуг;

• обеспечение экономически обоснованной доходности инвестированного капитала, используемого при осуществлении субъектами электроэнергетики видов деятельности, в которых применяется государственное регулирование цен (тарифов) на электрическую и тепловую энергию;

• обеспечение недискриминационных и стабильных условий для осуществления предпринимательской деятельности в сфере электроэнергетики, обеспечение государственного регулирования деятельности субъектов электроэнергетики, необходимого для реализации вышеперечисленных принципов, при регламентации применения методов государственного регулирования, в том числе за счет установления их исчерпывающего перечня.

Кроме отмеченных выше основ организации электроэнергетики, закон подробно определяет понятия, правовой статус, организацию, принцип функционирований (включая оказание услуг) и ответственность всех субъектов электроэнергетики, а также описывает систему государственного регулирования и контроля в электроэнергетике. Отдельные разделы Закона посвящены оптовому и розничным рынкам электроэнергии, а также особенностям осуществления хозяйственной деятельности в электроэнергетике.

Важно заметить, что ФЗ «Об электроэнергетики» является базовым законодательным актом, объединяющим положения других федеральных законов в части их применения в электроэнергетике.

Особо отметим закон «О государственном регулировании тарифов на электрическую и тепловую энергию в Российской Федерации» действующий с 1995 года и «Об основах регулирования тарифов организаций коммунального комплекса», вступивший в силу с 4 января 2006 года, а также «О естественных монополиях», «О техническом регулировании», «Об энергосбережений».

Постановления Правительства РФ.

Среди наиболее важных нормативных правовых актов, определяющих правила, положение и нормы применения законодательства об электроэнергетики отметим следующие.

«Положение об отнесении объектов электросетевого хозяйства к единой национальной (общероссийской) электрической сети и о ведении реестра объектов электросетевого хозяйства, входящих в единую национальную (общероссийскую) электрическую сеть» №648 от 28 октября 2003 г. .

«Об утверждении правил согласования инвестиционных программ субъектов естественных монополий в электроэнергетике» от 19.01.2004 № 19;

«Об утверждении правил оперативно-диспетчерского управления в электроэнергетике» от 27.12.2004 № 854;

«Об утверждении Правил недискриминационного доступа к услугам по передаче электрической энергии и оказания этих услуг,

Правил недискриминационного доступа к услугам по оперативно-диспетчерскому управлению в электроэнергетике и оказания этих услуг,

Правил недискриминационного доступа к услугам администратора торговой системы оптового рынка и оказания этих услуг,

Правил технологического присоединения энергопринимающих устройств (энергетических установок) юридических и физических лиц к электрическим сетям» от 27.12,2004 № 861;

«Основы ценообразования в отношении электрической и тепловой энергии в Российской Федерации» и «Правил, государственного регулирования и применения тарифов на электрическую и тепловую энергию в Российской Федерации» от 26 февраля 2004 г №109.

«О совершенствовании порядка функционирования оптового рынка электрической энергии (мощности) №529 от 31 августа 2006 г.

Приказы Федеральной службы по тарифам.

Из них отметим следующие.

«Об утверждении регламента рассмотрения дел об установлении тарифов и (или) их предельных уровней на электрическую (тепловую) энергию (мощность) и на услуги, оказываемые на оптовом и розничных рынках электрической (тепловой) энергии (мощности)» от 08.04.2005 г. № 130-э.

Методические указания по определению платы за технологическое присоединение к электрическим сетям, от 15 февраля 2005 г. №22-Э/5.

Представленный перечень Постановлений Правительства и Приказов ФСТ не исчерпывает, а лишь иллюстрирует общую картину построения федерального законодательства об электроэнергетике.

Ценовое регулирование в основе осуществляется законами «О естественных монополиях» и законом «Об электроэнергетике»

В соответствии с Федеральными Законами № 41-ФЗ (ст. 6 ч.1) от 14.04.1995 «О государственном регулировании тарифов на электрическую и тепловую энергию в Российской Федерации» и № 35-ФЗ (ст. 21 п.4) от 26.03.2003 тарифы на услуги по передаче электрической энергии устанавливают органы исполнительной власти субъектов Российской Федерации в области государственного регулирования тарифов (в рамках предельных уровней, установленных ФСТ России). ФСТ - федеральная служба по тарифам.

Расчет тарифов производится в соответствии с Основами ценообразования и Правилами государственного регулирования тарифов, утвержденными постановлением Правительства РФ от 26.04.2004 №109 и Методическими указаниями по расчету регулируемых тарифов и цен на электрическую (тепловую) энергию на розничном (потребительском) рынке, утвержденными Приказом ФСТ России от 06.08.2004 № 20-э/2.

При регулировании тарифов на передачу электрической энергии применяются:

метод экономически обоснованных расходов («затраты +»);

метод доходности инвестированного капитала (RAB).

Выбор метода регулирования производится регулирующим органом.

Тарифы на услуги по передаче электроэнергии дифференцируются по четырём уровням напряжения (ВН, СНI, СНII, НН) и устанавливаются едиными (котловыми) с учетом равенства тарифов для всех потребителей услуг, расположенных на территории соответствующего субъекта РФ и подключенных к сетям одного уровня напряжения, и не зависят от того, к сетям какой организации они подключены.

С 1 января 2011 года весь объем электрической энергии (мощности) поставляется по свободным (нерегулируемым) ценам всем категориям потребителей, кроме населения.

Нерегулируемые цены на розничных рынках электрической энергии на территориях, объединенных в ценовые зоны оптового рынка, определяются и применяются гарантирующими поставщиками в рамках предельных уровней, рассчитываемых в соответствии с основными положениями функционирования розничных рынков электрической энергии.

Гарантирующие поставщики определяют нерегулируемые цены в рамках предельных уровней нерегулируемых цен, дифференцируемых по следующим ценовым категориям:

.        первая ценовая категория - для объемов покупки электрической энергии (мощности), учет которых осуществляется в целом за расчетный период

.        вторая ценовая категория - для объемов покупки электрической энергии (мощности), учет которых осуществляется по зонам суток расчетного периода

.        третья ценовая категория - для объемов покупки электрической энергии (мощности), в отношении которых осуществляется почасовой учет, и стоимость услуг по передаче электрической энергии определяется по цене услуг в одноставочном выражении

.        четвертая ценовая категория - для объемов покупки электрической энергии (мощности), в отношении которых осущетсвляется почасовой учет. и стоимость услуг по передаче определяется по цене услуг в двухставочном выражении

.        пятая ценовая категория - для объемов покупки электрической энергии (мощности), в отношении которых осуществляются почасовое планирование и учет, и стоимость услуг по передаче электрической энергии определяется по цене услуг в одноставочном выражении

.        шестая ценовая категория - для объемов покупки электрической энергии (мощности), в отношении которых осуществляются почасовое планирование и учет, и стоимость услуг по передаче электрической энергии определяется по цене услуг в двухставочном выражении.

Выводы по главе: Системный анализ действующего законодательства в области электроэнергетики, тарифной политики, а также динамики энергетических потоков исследуемого предприятия позволил выбрать основные концептуальные направления энергосбережения на предприятии.

.        В результате анализа графиков нагрузки предприятия представленного в третьей главе работы, установлено, что наиболее выгодной для исследуемого предприятия является пятая (из рассмотренных выше) ценовая категория.

.        С учетом выбранной ценовой категории, особенную важность приобретают вопросы почасового планирования электропотребления, в частности прогнозирования графиков электрической нагрузки предприятия, детально рассмотренные в третьей главе работы.

.        Дифференциация тарифов по четырем уровням напряжения указывает на необходимость анализа потребителей на каждом из этих уровней и возможных путей оптимизации их электропотребления.

.        Варьирующийся в течение суток уровень цен на электрическую энергию требует рассмотрения вопросов оперативного управления нагрузкой с целью ее уменьшения в пиковые и полупиковые зоны. Как показано в третьем разделе работы, данный метод оптимизации дает весьма ощутимую экономию при оплате электроэнергии.

.        Установленные вышерассмотренными законами, основы государственного управления энергосбережением, включают стимулирование компенсации реактивной мощности на предприятии. Решения по данному вопросу представлены во втором разделе работы.

2. ХАРАКТЕРИСТИКА СИСТЕМЫ ЭЛЕКТРОСНАБЖЕНИЯ ЗАВОДА

.1 Схемы электроснабжения и состав оборудования

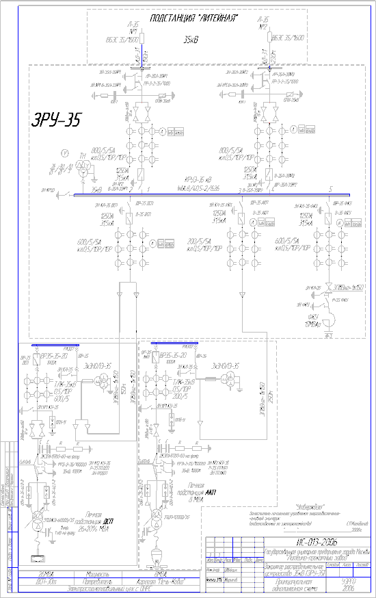
Электроснабжение завода производится от ПС с тремя уровнями напряжения 220/110/35 кВ. ПС присоединена двумя ответвлениями к двухцепной ВЛ-220 кВ.

Точками присоединения системы электроснабжения завода на напряжении 110 кВ к ПС - являются кабельные наконечники кабельных линий КЛ-166 в ячейке 10, КЛ-167 в ячейке 24, КЛ-168 в ячейке 12, КЛ-169 в ячейке 26 распределительного устройства (РУ) ПС. В ячейках 10,24,12,26 ПС установлены масляные выключатели (МВ).

ЗРУ -35 кВ завода получает электроэнергию от шин 35 кВ автотрансформатора ПС .

Учет получаемой предприятием электроэнергии ведется в точках присоединения на ПС системой АИИСКУЭ.

Схема электроснабжения завода, а также схемы и состав оборудования ГПП-1, ГПП-2, ГПП-4 и ЗРУ-35 кВ представлены на рис. 3.1-3.5.

В качестве оперативного тока на подстанциях принят постоянный ток 220 В.

Источниками оперативного тока являются малогабаритные аккумуляторные батареи 220 В шкафного типа с зарядными и подзарядными устройствами.

На всех присоединениях подстанций предусмотрены устройства релейной защиты, автоматики, измерения, учета электроэнергии и управления в соответствии с требованиями Правил Устройства Электроустановок и технологическими требованиями.

В качестве устройств релейной защиты и подстанционной автоматики применяются современные микропроцессорные многофункциональные устройства.

Аппаратура релейной защиты размещается в релейных отсеках шкафов КРУ 35 и 10 кВ. Аппараты сложных релейных защит (дифференциальных, специальных и др.) размещаются на отдельно стоящих релейных панелях.

Управление присоединениями на ЗРУ-35кВ и ГПП осуществляется со щита управления с мнемосхемой, измерительными приборами, сигнальными и командными устройствами, а также микропроцессорной системой управления, контроля и представления данных.

Технические характеристики силовых трансформаторов и кабельных линий 110 кВ и 35 кВ приведены в таблицах 2.1¸2.3.

Электроэнергия напряжением 110 кВ поступает в ГПП-1 и ГПП-2. Затем от РУ -10 кВ по кабельным линиям электроэнергия поступает на трансформаторные подстанции 10/0,4 кВ. Электроснабжение закрытого распредустройства ГПП-4 в настоящее время производится по кабельным линиям от ГПП-2.

Таблица 2.1

Технические характеристики трансформаторов 110 кВ и 35 кВ

Место установки

Тип

Напряжение, кВ

S, МВА

Завод изготовитель

Зав.№

Тип и кол-во масла

Год ввода в эксплуатацию

ГПП-1 Т1

ТРДЦНК-63000/110

110/10

63

Электрозавод г. Москва

1187534

ТКПЗ1,0

1986

ГПП-1 Т2





1175592

ГК21,0

1986

ГПП-2 Т1





1459211

ТЛК31,0

1993

ГПП-2 Т2





1144689

ТКП23,0

1983

ГПП-4 Т1

ТРДН-80000/110

110/10

80

Запорожтрансформатор

1324083

ТКП23,0

1989

ГПП-4 Т2





1352525

ТКП23,0

1989

ДСПТ1

ЭТЦНКД-60000/35

35

26

ОАО «ПКХК электрозавод» г. Москва

1501373


2006

АКПТ1

ЭТЦП-12000/35

35

8

ОАО «ПКХК электрозавод»

1501038


2006


Таблица 2.2.

Технические характеристики кабельных линий 110 кВ

Диспетчерский номер линии

КЛ-166

КЛ-167

КЛ-168

КЛ-169

Наименование линии

ПС Яч.10доГПП1 Т1

ПС Яч.24доГПП1 Т2

ПС Яч.12доГПП2 Т1

ПС Яч.26доГПП2 Т2

Напряжение линии, кВ

110

110

110

110

Марка кабеля

МНАШв

МНАШв

МНАШв

МНАШв

Завод изготовитель

«Камкабель» г. Пермь

«Камкабель» г. Пермь

«Камкабель» г. Пермь

«Камкабель» г. Пермь

Количество и сечение жил

3(1х270)

3(1х270)

3(1х270)

3(1х270)

Длина, м

690

680

1170

1060

Тип заливаемого масла

МН-4

МН-4

МН-4

МН-4

Способ прокладки

В кабельном тоннеле

В кабельном тоннеле

В кабельном тоннеле

В кабельном тоннеле

Год ввода в эксплуатацию

1986

1986

1983

1983


Рис. 2.1. Схема электроснабжения завода

Рис. 2.2. Схема ГПП-1

Рис. 2.3. Схема ГПП-2

Рис. 2.4. Схема ГПП-4

Рис. 2.5. Схема ЗРУ-35 кВ

Таблица 2.3.

Технические характеристики кабельных линий 35 кВ

Наименование линии

КЛ ЗРУ 35 яч.1 до КУ35 ДСПЗО

КЛ ЗРУ 35 яч.3 до КУ35 АКПЗО

Напряжение линии, кВ

35

35

Марка кабеля

ПвВнг

ПвВнг

Завод изготовитель

АНОЦ «Секаб»

АНОЦ «Секаб»

Количество и сечение жил

2х3(1х150)

3(1х150)

Длина, м

150

250

Способ прокладки

В кабельном тоннеле

В кабельном тоннеле

Год ввода в эксплуатацию

2006

2006


Воздушные линии ВЛ-821 и ВЛ-822 в электроснабжении завода не участвуют.

Сеть 10 кВ завода получает питание от ГПП1 и ГПП2. Сеть 10 кВ ГПП4 подключена кабелем длиной 2100 м от ГПП2, причем от ГПП4 получают электроэнергию в основном субабонетны. ГПП1 и ГПП2 обеспечивают в основном собственных потребителей завода.

От шин РУ 10 кВ ГПП1 и ГПП2 получают питание распределительные пункты 10 кВ и трансформаторные подстанции с трансформаторами мощностью в основном 2500,1600,1000,630 кВА. Также имеются в номенклатуре трансформаторы меньшей мощностью: 400,250,160 и 63 кВА.

Суммарная длина кабельной сети 10 кВ составляет: ГПП1-20205 м; ГПП2-20400 м; ГПП4-27350 м; РП-1 -1581 м.

Всего завод насчитывает 55 трансформаторов различной единичной мощности. Суммарная установленная мощность трансформаторов на предприятии составляет 361240 кВА.

Табл.2.4

С ведения о протяженности воздушных и кабельных линий передачи электроэнергии, м

№п/п

Класс напряжения

2010 год

1.

Воздушные линии

1.1

110 кВ

6330

1.2

10 кВ

28160

1.3

Итого 6 кВ и выше

34490

1.4

0,4 кВ

1950

1.5

Итого ниже 6 кВ

1950

1.6

Всего по воздушным линиям

36440

2.

Кабельные линии

2.1

110 кВ

3630

2.2

35 кВ

500

2.3

10 кВ

38560

2.4

6 кВ

310

2.5

Итого от 6 кВ и выше

43000

2.6

0,4 кВ

39920

2.7

Итого ниже 6 кВ

39920

Всего по кабельным линиям

82920

3

Всего по воздушным и кабельным линиям 116947 м

4.

Токопроводы

4.1

35 кВ

420

4.2

Всего по токопроводам

420


2.2 Структура и эффективность использования электроэнергии с учетом нормативов

Для анализа и планирования электропотребления, правильной разработки мероприятий по снижению расхода электроэнергии необходимо прежде всего установить энергоемкость каждого технологического передела, цеха или операции, и места, занимаемого ими в общем балансе электропотребления.

Энергоемкость технологических переделов и цехов зависит от их структуры, технологических особенностей, числа, типов и мощности оборудования, режимов их работы и отражает не только фактические показатели потребления электроэнергии, но и качественный уровень их использования за рассматриваемый период. Рассмотрение структуры электропотребления за длительный период позволяет выявить и оценить степень использования электроэнергии связанную с изменением в технологии, организации и объемах производства, а также системе электроснабжения предприятия. Анализ этих изменений служит основой для установления причин отклонений от норм электропотребления, выявления источников нерационального использования и резервов экономии электроэнергии.

Рассмотрим структуру электропотребления металлургического завода за 2010 год.

Анализ распределение потребления электроэнергии по подразделениям завода показывает, что наиболее энергоемким в 2010 году был электросталеплавильный цех (ЭСПЦ) - 61.2 %, причем 51 % объема потребления ЭСПЦ, это потребление электропечей ДСП-30 и АКП-30 на напряжении 35 кВ, т.е. остальное потребление электроэнергии (38,8%) осуществлялось на напряжении 110 кВ через понизительные подстанции ГПП1 и ГПП2.

Вторым по объемам потребления был цех теплогазовоздухоснабжения (ЦТГВС) с участками теплоснабжения компрессорной станции - 10,9 %

Третьим по объемам потребления электроэнергии являлся цех водоснабжения и канализации (ЦВиК) 10.4 %. На четвертом месте сортопрокатный цех (СПЦ) 9.7 %. Пятое место было у чугунно-литейного производство (ЧЛП) - 9.5%. На долю остальных цехов подразделений завода (транспортного, ремонтного, складов и т.д.) приходилось 3.4% потребляемой энергии.

Для наглядности круговая диаграмма распределения электроэнергии по подразделениям завода в 2010 году представлена на рисунке 2.6.

Рис. 2.6 Круговая диаграмма распределения потребления электроэнергии по подразделениям завода в 2010 году

Следует отметить, что любое металлургическое производство имеет большую постоянную составляющую энергозатрат, что увеличивает удельную составляющую электроэнергии в стоимости продукции. По этой причине полного соответствия между темпами снижения электропотребления и производительности для большинства технологических переделов металлургического производства быть не может, поскольку при снижении объемов производства всегда возрастает доля постоянных затрат энергии.

Как показывает анализ, повышенные энергозатраты часто вызваны не только влиянием постоянной составляющей, но в значительной степени неритмичной работой основного оборудования литейного и прокатного цехов с длительными простоями (без отключения агрегатов), не связанными с плановыми ремонтами и перестройкой механизмов на выпуск другого сортамента.

Таким образом, специфика конкретного цеха, определяемая особенностью технологического процесса, составом и мощностью оборудования и режимом его работы, в значительной мере формирует характер и динамику электропотребления.

Поэтому рассмотрим фактические затраты электроэнергии по основным цехам ЭСПЦ, СПЦ и ЧЛП.

Изменения удельных показателей электропотребления основных производств предприятия в виде графиков по месяцам 2010 года и отдельно по годам (рис. 2.7 - 2.8).


Рис. 2.7 Изменение фактического удельного расхода электроэнергии основных производств по месяцам 2010года

Рис. 2.8. Динамика изменения удельных показателей расхода электроэнергии основных производств.

Анализ рис. 2.7 показывает, что по месяцам 2010 года заметны колебания удельного расхода электроэнергии на тонну выпускаемой продукции. Наибольший размах колебаний присущ чугунно-литейному производству, что характеризует нестабильность производственного процесса и с годовыми объемами, существенно меньшими нормативных возможностей установленных 2х индукционных печей FS40 TwinPower (2006 год выпуска). Тем не менее, очевидна положительная тенденция по снижению среднего удельного расхода электроэнергии на тонну выплавляемого чугуна с 2608,8 кВт*ч/т в2009году до 2169,3 кВт*ч/т (на 439,5 кВт*ч/т) в 2010 году. При годовом росте объемов производства с 2972,2 тонн (2009г) до 4126,2 тонн (2010г).

Таким образом, одна из очевидных причин снижения удельного расхода электроэнергии ЧЛП это уменьшение влияния постоянной составляющей производства при росте его объемов. В августе 2011 года уже достигнут более положительный результат по снижению удельного расхода электроэнергии на выплавку одной тонны чугуна до величины 1585,7 кВт*ч/т, т.е. на 583,44 кВт*ч/т меньше, чем в 2010 году.

Таким образом потенциал энергосбережения ЧЛП в пересчете на объем производства в базовом 2010 году (4126,231 кВт*ч/год) составляет не менее 2,4 млн кВт*ч/год. При росте объемов производства до 10,0 тыс. тонн годного литья в год, предусмотренные рабочим проектом, потенциал энергосбережения может ещё более возрасти.

Сортопрокатный цех (СПЦ) имеет наилучшую динамику и характеристику удельного электропотребления, с показателями 2009 и 2010 года ниже нормативного значения 110 кВт*ч/т, что объясняется применением современного электроэнергетического оборудования и приводов.

Исследование фактических и нормативных показателей наиболее энергоемкого электросталеплавильного цеха (ЭСПЦ) показывает наличие существенных резервов.

Средний фактический расход электроэнергии печей ДСП30 и АКП30 на тонну литья заметно превышает нормативное значение в 2009 году на 91 кВт*ч/т (18,6%), в 2010 году - на 78,8 кВт*ч/т (15,9%), хотя очевидна положительная тенденция снижения удельных расходов на 2,7 %.

Если исходить из нормативного удельного расхода печей на тонну литья, то по показателям базового 2010 года потенциал энергосбережения составит:

ΔWуд1 Wг =77,8 · 198699,71 =15,459 млн. кВт*ч/год

Аналогичная картина наличия заметного потенциала энергосбережения наблюдается и для прочих потребителей ЭСПЦ. В 2009 году разница фактического и нормативного значения (см. табл. 2.7) составила 30,9 кВт*ч/т в; в 2010 году - 23,9 кВт*ч/т.

Таким образом, хотя и имеется положительная динамика снижения рассматриваемого удельного расхода, потенциал энергосбережения по прочим потребителям ЭСПЦ по показателям базового 2010 года составит величину:

ΔWуд2 Wг =23,9 · 189699,71= 4,749 млн. кВт*ч/год

Таким образом, в целом потенциал энергосбережения ЭСПЦ составит:

,459 +4,749 = 20,208 млн. кВт*ч/год

Как показывают результаты работы ЭСПЦ уже в 2011 году получено снижение удельного расхода ЭСПЦ на 40 - 50 кВт*ч/т за счет совершенствования и оптимизации технологического процесса ЭСПЦ.

.3 Компенсация реактивной мощности, колебания напряжения и фильтрация высших гармоник

На предприятии имеются конденсаторные установки (КУ) в сетях 10 кВ для повышения коэффициента мощности (Cosj) до величины 0,98. Всего на предприятии имеется 5 компенсирующих устройств (БСК и СТК) на напряжении 10 и 35 кВ суммарной мощностью 27,6 МВАр.

При определении расчетных значений КУ учитывалась компенсирующая возможность синхронных двигателей.

Суммарная мощность конденсаторных установок в сети 10 кВ составляет около 12,6 МВАр. Для защиты конденсаторных батарей от перегрузки токами высших гармоник в цепи конденсаторных установок предусмотрена установка реакторов.

Особое место в составе потребителей электроэнергии завода занимают дуговая сталеплавильная печь и агрегат ковш-печь в электросталеплавильном отделении и главные приводы клетей мелкосортного стана в прокатном цехе, которые имеют «ударный» характер нагрузки и достаточно низкий коэффициент мощности, а также являются источниками высших гармоник тока и напряжения.

Для обеспечения нормативных требований к качеству электрической энергии и устойчивой работы агрегатов и установок необходимо, чтобы колебания напряжения в «общей» точке сети, к которой подключены электроприемники с «ударным» характером нагрузки, не превышали 1% номинального.

Значение колебаний напряжения в заданной точке сети определяется по формуле:

ΔV = ΔQ/ Sкз х 100 % для электросталеплавильных агрегатов и

ΔV = ΔS / Sкз х 100 % для главных приводов прокатного стана;

где: Sкз - мощность короткого замыкания в рассматриваемой точке сети;

ΔQ и ΔS - размах колебаний реактивной и полной мощности соответствующих электроприемников с «ударным» характером нагрузки.

«Общей» точкой сети, в которой должны обеспечиваться нормативные параметры качества электроэнергии, в этом случае являются шины 110 кВ подстанции. По сообщению энергоснабжающей органицации мощность короткого замыкания в этой точке в минимальном режиме составляет 1656 МВА.

Ниже приведены данные по воздействию электроприемников ЭСПЦ и прокатного стана на питающую сеть и определены основные параметры установок для компенсации реактивной мощности и обеспечения нормативных значений параметров качества электроэнергии.

Основные потребители электросталеплавильного отделения ДСП и АКП подключены к сети 35 кВ.

Максимальный размах колебаний реактивной мощности ДСП - ΔQдсп≈ 11 МВАр, а размах колебаний реактивной мощности АКП - ΔQакп≈ 2,5 МВАр. Суммарный размах колебаний реактивной мощности, определяемый как геометрическая сумма его составляющих - Δqсум≈ 11,3 МВА.

В этом случае максимальное значение колебаний напряжения на шинах 110 кВ подстанции составит ΔV = ΔQ/ Sкз х 100 %=0,68%, что позволяет не принимать специальных мер по подавлению колебаний напряжения.

Естественный коэффициент мощности ДСП в период расплавления равен Cosφ=0,7. Естественный коэффициент мощности АКП равен Cosφ=0,8. Для двух агрегатов установлено общее компенсирующее устройство 15,0 МВАр 35кВ для повышения значения коэффициента мощности до величины 0,98.

Установка компенсации реактивной мощности, выбранная по условию повышения Cosφ до величины 0,98, оборудована реакторами для фильтрации 3-й гармоники и, при указанной мощности к.з. на шинах 110 кВ, и должна обеспечить снижение искажения формы кривой напряжения в сети, а коэффициент несинусоидальности напряжения при этом не должен превышать нормативного значения.

Однако в настоящее время находится в отключенном состоянии вследствие завышенного уровня напряжения на шинах 35 кВ подстанции.

Результаты оценки показателей качества электроэнергии ЗРУ 35 кВ проведенные в процессе энергоаудита показывают не соответствие требованиям ГОСТ показателей установившегося значения отклонения напряжения, коэффициента n-гармонической составляющей и дозы фликера.

Прокатный стан имеет в своем составе черновую группу из 6 клетей с мощностью главных приводов по 300 кВт, промежуточную группу из 6 клетей с мощностью главных приводов по 500 кВт и чистовую группу из 6 клетей с мощностью главных приводов по 500 кВт.

Все главные привода через индивидуальные трансформаторы подключаются к ГПП-1 на напряжении 10 кВ.

Максимальный размах колебаний полной мощности при любых режимах прокатки не превышает ΔS≈ 2 МВА.

«Общей» точкой сети, в которой должны обеспечиваться нормативные параметры качества электроэнергии, являются шины 10 кВ ГПП со значением мощности короткого замыкания в минимальном режиме Sк.з.= 230 МВА.

В этом случае максимальное значение колебаний напряжения на шинах 10 кВ ГПП составит ΔV= ΔS / Sк.з. х 100% = 0,87% , что позволяет не принимать специальных мер по подавлению колебаний напряжения.

В свою очередь шины 10кВ ГПП-1 через трансформаторы 110/10кВ подключены к шинам 110кВ подстанции и максимальное значение колебаний напряжения, создаваемое клетями прокатного стана на шинах 110 кВ, будет составлять ΔV= ΔS / Sк.з. х 100% =0,12%.

Таким образом, максимальные значения колебаний напряжения на шинах 110 кВ подстанции в «общей» точке определяются как геометрическая сумма колебаний напряжения, создаваемых печными агрегатами, и колебаний напряжения, создаваемыми клетями прокатного стана, и составляет примерно 0,69 %, что позволяет не принимать специальных мер по подавлению колебаний напряжения. Вместе с тем результаты проверки качества электроэнергии показали не соответствие показателей качества по коэффициенту n-гармонической составляющей и дозе фликера.

Результаты потребления активной и реактивной мощности и коэффициента мощности приведен в таблицах 2.9-2.13.

Табл.2.5

Объем транспортировки электроэнергии в год, кВт*ч

год

КЛ166 110кВ

КЛ167 110кВ

КЛ168 110кВ

КЛ168 110кВ

ВЛ 1 35кВ

ВЛ 2 35 кВ

ВСЕГО

2010

38 176 446

40 133 566

16 848 042

19 401 809

62 635 650

50 190 973

227 386 486


Табл.2.6

Потребление реактивной энергии в год кВар*ч

год

КЛ166 110кВ

КЛ167 110кВ

КЛ168 110кВ

КЛ168 110кВ

ВЛ 1 35кВ

ВЛ 2 35 кВ

ВСЕГО

2010

9 210 080

11 296 784

2 030 677

2 045 036

45 381 987

35 918 305

105 882 869


Табл.2.7

Выдача в сеть в год, кВар*ч

год

КЛ166 110кВ

КЛ167 110кВ

КЛ168 110кВ

КЛ168 110кВ

ВЛ 135кВ

ВЛ 2 35 кВ

ВСЕГО

2010

93 742

174 555

2 783 308

1 145 116

543 739

548 422

5 288 882


Табл.2.8

Реактивная энергия (разность)

год

КЛ166 110кВ

КЛ167 110кВ

КЛ168 110кВ

КЛ168 110кВ

ВЛ 1 35кВ

ВЛ 2 35 кВ

ВСЕГО

2010

9 116 338

11 122 229

-752 631

899 920

44 838 248

35 369 883

100 593 987


Табл.2.9

Полная энергия

год

КЛ166 110кВ

КЛ167 110кВ

КЛ168 110кВ

КЛ168 110кВ

ВЛ 1 35кВ

ВЛ 2 35 кВ

ВСЕГО

2010

39 249 824

41 646 213

16 864 844

19 422 668

77 030 469

61 401 648

248 643 850


Табл.2.10j - коэффициент мощности

год

КЛ166 110кВ

КЛ167 110кВ

КЛ168 110кВ

КЛ168 110кВ

ВЛ 1 35кВ

ВЛ 2 35 кВ

2010

0,973

0,964

0,999

0,999

0,813

0,817


Анализируя конечные результаты электропотребления активной и реактивной мощности следует отметить в целом положительный результат по практическим значениям коэффициента мощности на напряжении 110 кВ, и не выполнение плановых показателей коэффициента мощности на напряжении 35 кВ в связи с технической невозможностью включения установленного компенсирующего устройства вследствие повышенного напряжения на шинах 35 кВ электроэнергетической системы, что приводит к дополнительным потерям электрической энергии в системе.

2.4 Выводы и предложения

1. Система электроснабжения завода имеет значительный запас трансформаторной мощности 110/10 кВ в наследство от своего предшественника. В работе находится четыре трансформатора мощностью по 63 МВА каждый при расчетной мощности нагрузки завода на напряжении 10 кВ - 32,38 МВА, т.е. мощность трансформаторов почти в 10 раз превышает мощность нагрузки. В результате:

- с одной стороны завод имеет хорошие перспективы на наращивание производственных мощностей, так как техническая характеристика трансформаторов (по результатам комплексной технической диагностики, проведенной в 2010 году полностью соответствует нормативным требованиям;

с другой стороны технические условно-постоянные потери (холостого хода) достаточно велики, что снижает показатели энергоэффективности системы электроснабжения завода, т.е. необходим комплекс мероприятий по консервации 2-х трансформаторов с учетом особенностей кабельных линий 110 кВ.

. В системе электроснабжения имеются компенсирующие устройства реактивной мощности на напряжении 10 кВ -12,6 МВАр и на напряжении 35 кВ- 15 МАр. На напряжении 110 кВ с их помощью практически обеспечены нормативные значения коэффициента мощности cosj=0,98.

Однако целесообразна установка компенсирующих устройств реактивной мощности в 5РП станции первого подъема на р. Днепр, что позволит почти на треть (90 тыс.кВт*ч) сократить потери в воздушных и кабельных линиях и трансформаторах, питающих электродвигатели насосной станции. Затраты на реализацию проекта составляют 840 тыс.руб., экономический эффект составляет 211,5 тыс.руб./год, срок окупаемости - 4,0 года.

Внедрение устройств компенсации реактивной мощности 300 кВар на напряжении 0,4 кВ объектов «грязно-чистого цикла» водоснабжения даст экономию около 180 тыс.кВт*ч/год за счет снижения потерь активной энергии. Затраты составят около 400 тыс. руб., срок окупаемости 0,95 года при экономическом эффекте 423 тыс.руб./год.

. На напряжении 35 кВ в настоящее время отсутствует техническая возможность включения компенсирующего устройства, вследствие повышенного сверх требований ГОСТ уровня напряжения на шинах 35 кВ ЗРУ-35 (до 40 кВ). Это подтверждено экспериментальной проверкой качества электроэнергии, по которой коэффициент длительного отклонения напряжения превышает нормативное значение. Предлагается решить эту проблему установкой трансформаторов 110/35 кВ ТДНМ-63000/100000/110-У1,обладающих хорошей регулировочной способностью под нагрузкой и технико-экономической характеристикой.

Установка трансформаторов позволит:

осуществить компенсацию реактивной мощности на напряжении 35 кВ, что в перспективе избавит завод от дополнительной платы за используемую из системы реактивную энергию до 70 млн. кВар*ч/год, что в стоимостном выражении может достигать 20 млн. руб./год (Приказ ФСТ от 31.08.2010 г. №219-Э/б);

включить фильтрокомпенсирующее устройство для стабилизации режима и снижения влияния электромагнитных помех при работе печей;

снизить величину толчков тока на сетевой трансформатор в среднем на 30%;

уменьшить время плавки на 10,8%;

повысить производительность печей за счет стабилизации режима реактивной мощности, что позволяет, в свою очередь снизить расход природного газа и кислорода при производстве металлопродукции;

обеспечить нормативные значения показателей качества электроэнергии;

повысить надежность работы электрической сети и электроприемников;

обеспечить возможность расширения производства и введения новых мощностей.

Опыт внедрения указанных мероприятий на металлургических предприятиях «Азовсталь» и «Донецксталь» показал, что при инвестициях в 40 млн.грн срок окупаемости составит 1,1 год при экономическом эффекте 36 млн.грн.

Опыт внедрения аналогичных мероприятий на ОАО «Алчевский металлургический комбинат» в сети 35 кВ дал следующие результаты:

коэффициент мощности возрос от значения cosj=0,76 до cosj=0,99;

уменьшилось отклонение уровня напряжения на 6,4%UН;

время технологической плавки сократилось на 4%;

вводимая в печь активная мощность увеличилась с 31 до 35 МВт (на 12%);

снизилась величина потребляемой реактивной мощности с 26 МВАр до 3,5 МВАр;

сократилась величина потребляемой мощности с 40,5 МВА до35,2 МВА (на 13%).

Реализация указанных мероприятий на рассматриваемом предприятии потребует около 45300 тыс.руб. затрат, позволит интенсифицировать работу печей с дополнительным выпуском продукции 27000 т, снижением нерациональных потерь электрической энергии на 11282 млн.кВт*ч . экономическим эффектом за счет стоимости сэкономленной энергии 26513 тыс.руб. Снижение себестоимости дополнительной продукции вследствие уменьшения доли постоянных затрат составит около 43736 тыс. руб./год.

3. ОПТИМИЗАЦИЯ ЭЛЕКТРОПОТРЕБЛЕНИЯ

.1 Прогнозирование электропотребления

Планирование электропотребления и связанных с ним режимных параметров и технико-экономических показателей - нагрузок станций, перетоков мощности, тарифов на электроэнергию - является одной из первоочередных задач при планировании и управлении режимами работы электроэнергетических систем.

Между тем, цена ошибок прогнозирования и планирования становится все более высокой. Анализ зарубежных публикаций на эту тему показывает, что экономическая результативность точного прогнозирования нагрузок побуждает многих энерготрейдеров разворачивать собственные исследования в области прогнозирования, создавать группы математиков и статистиков [3]. Потребность рынка в точном прогнозе такова, что клиенты западных энергорынков готовы платить значительные суммы за ежедневный качественные прогноз нагрузки.

Глубокие институциональные преобразования в электроэнергетике России привели к формированию либерализованных рынков электрической энергии. При этом функционирование указанных рынков определяется особенностью предлагаемого товара. Электрическая энергия и мощность не подлежат складированию. Соответственно для устойчивой работы энергосистемы необходимо чтобы весь производимый объем был тот час же потреблен. Таким образом, производители и потребители энергии тесно связаны физическим процессом производства и потребления электроэнергии, что определенным образом отражается на их экономических отношениях.

Взаимоотношения крупных промышленных потребителей с субъектами электроэнергетики строятся с использованием правил рынка «на сутки в перед». Основой которого является конкурентный отбор ценовых заявок поставщиков и покупателей за сутки до реальной поставки электроэнергии с определением цен и объемов поставки на каждый час суток. Если происходят отклонения от запланированных объемов, участники рынка с определенными экономическими издержками (рисками) покупают или продают их на балансирующем рынке.[1]

Для снижения рыночных рисков и экономического ущерба от неточности подачи заявки на оптовый рынок электроэнергии (ОРЭ) предлагается рассматривать прогноз параметров металургического предприятия. Следует отметить, что в рамках подобной модели рынка возможно только качественное (в процентах от предыдущих показателей) определение эффекта от внедрения мер по снижению платы за электроэнергию, так как стоимостные характеристики результатов работы на ОРЭ зависят от действия системы энергоменеджмента в целом и определяются по факту торгов.

Появление той или иной нагрузки является случайным событием, соответственно сама нагрузка является случайной величиной, подчиняющейся определенному закону распределения. Установление закономерностей, которым подчинены массовые случайные явления, основано на изучении статистических данных - выборочных результатах измерений.

Научная новизна заключается в применении различных вариантов прогнозирования нагрузки основанных на вероятностных и статистических моделях электропотребления конкретного предприятия, а также выявления критерия применимости данных прогнозов и оценки их эффективности. В данном разделе работы применены однофакторные методы моделирования, которые при построении моделей учитывают только значения нагрузки за исследуемый интервал и временной фактор. Оценка эффективности рассматриваемых методов основана на сопоставлении экономической выгоды от каждого прогноза с идеальным вариантом.

В качестве генеральной совокупности исследовалась информация об электропотреблении металлургического предприятия за год. Годовой график нагрузки приведен на рис. 3.1

Рис 3.1 График нагрузки предприятия за 2010 год.

Анализ графика показывает, что нагрузка предприятия в течении года относительно стабильна, что свидетельствует об устоявшемся технологическом процессе.

Пример суточного графика нагрузки представлен на рис. 3.2.

Рис. 3.2 Суточные графики нагрузки предприятия.

Анализ представленных на рис. 3.2 графиков свидетельствует о том, что нагрузка в определенный час разных суток варьируется в довольно широких пределах.

Для выявления основных тенденций электропотребления из генеральной совокупности формировалась поквартальная выборка значений. По данным почасовых графиков фактического годового потребления (кВтч) были построены статистические модели распределения нагрузки в виде гистограмм. Примеры таких гистограмм для t=11 ч и t=23 ч представлены соответственно на рис.3.3 и рис.3.4

Рисунок 3.3 - Гистограмма распределения нагрузки для сечения t=11 ч за зимний квартал

Рисунок 3.4 - Гистограмма распределения нагрузки для сечения t=23 ч за зимний квартал

Из представленных гистограмм видно, что закон распределения нагрузки для каждого часа двумодален из-за наличия краткосрочных тенденций во временном ряде и зависимости электропотребления от объемов и технологических особенностей процесса производства продукции. В тоже время, схожесть гистограмм для часов дневной и ночной смены свидетельствует о стабильном процессе электропотребления в течении всех суток.

Как известно, в классической статистике наилучшей оценкой события является математическое ожидание, но как показал эксперимент, вероятность попадания нагрузки в окрестности математического ожидания ( 16,8×103 кВт для t=11 ч и 17,9×103 кВт для t=23ч ) достаточно мала и составляет 5,6% и 8% соответственно для 11го и 23го часа. Поэтому построение методики прогнозирования нагрузки производилась на основе информации о цене риска отклонений нагрузки от заявленных значений.

Задача оценки риска состоит в том, что при прогнозировании электропотребления следует учитывать не только наиболее вероятную нагрузку за рассматриваемый интервал, но и величину финансовых потерь при отклонении от заявленного объема потребления.

В ходе решения данной задачи, были рассмотрены варианты прогнозных графиков нагрузки (ГН) основанных на анализе гистограмм распределения, а так же равномерный и среднестатистический суточные графики.(рис.3.5)

Рисунок 3.5 - Прогнозные варианты суточных графиков нагрузки

В ходе анализа результатов полученных при сопоставлении различных прогнозных графиков с реальными графиками нагрузок наметилась следующая тенденция. Финансовые потери от ошибок прогнозирования варьируются от 5 % до 40 % . При этом ошибка прогнозирования имеет зависимость от неравномерности реального ГН ( характеризуется коэффициентом заполнения ГН - Кзп). А, следовательно, возможна корректировка ошибки путем выбора наиболее точного прогноза при данной неравномерности реального ГН.

Произведенные расчеты показали, что наименьший ущерб от не точного прогнозирования при Кзп ≤ 0.7 получается при использовании суточных графиков построенных согласно гистограммам распределения. В интервале от 0,7 до 0,85 наиболее уместным оказался среднестатистический суточный ГН. А при Кзп ≥ 0.85 лучший результат дает равномерный суточный график со среднеквартальной нагрузкой. Такой выбор прогнозных графиков позволяет уменьшить ошибку в пределах от 2% до 10%.

Представленные результаты также показывают, что в период исследования на оптовом рынке средневзвешенные цены на электроэнергию установлены так, чтобы риск финансовых потерь от занижения прогнозируемой нагрузки был меньше, чем от завышения, тем самым косвенно стимулируя потребителей на экономию электроэнергии и улучшая работу оптового рынка. Что в свою очередь может свидетельствовать о намечающемся дефиците генерируемых мощностей, на фоне постоянно растущих потребностей. Такое положение делает также малоэффективным применение среднегодового ГН и способствует построению вероятностного суточного графика, исходя из минимизации возможных финансовых затрат.

3.2 Методические вопросы моделирования режимов электропотребления

электроснабжение реактивный мощность напряжение

Эффективное управление любым промышленным объектом возможно только в том случае, когда основные закономерности, присущие объекту, представлены в виде математического описания. Математическое описание или идентификация объекта является основой для решения целого комплекса задач по управлению режимами энергопотребления.

В общем виде математическое описание представляет собой совокупность уравнений и ограничений, которые в количественной форме описывают статические и динамические связи между параметрами объекта. Процессы металлургического производства представляют собой сложные объекты, входные и выходные параметры которых, а также параметры, характеризующие внутреннее состояние объекта, зависят от многочисленных, зачастую трудно различимых факторов. Поэтому получение адекватного математического описания представляет собой весьма сложную задачу. Кроме того, изучению и моделированию обычно подлежат не сами по себе промышленные объекты с их конструктивными, физическими и технологическими особенностями, а их свойства, отраженные в значениях основных показателей и во взаимозависимостях, существующих между ними [4].

Существует два подхода к математическому описанию свойств объектов: детерминированный и статистический.

В основе первого лежат теоретические представления о природе исследуемого процесса. Искомые уравнения связи выводятся на основе рассмотрения физических закономерностей явлений, протекающих в объекте, с использованием различных математических методов. Однако никакое теоритическое рассмотрение не в состоянии учесть все многообразие реально действующих факторов и условий, а потому теоретическое математическое описание в значительной степени утрачивает силу при переходе к реальным условиям промышленного объекта.

Статистический подход основан на обработке экспериментальных данных, полученных непосредственно на действующем объекте методами теории вероятностей и математической статистики.

Метод парной регрессии по существу сочетает два математических метода: широко известный метод наименьших квадратов и метод статистической оценки параметров. На их основе возможно не только провести полный статистический анализ эмпирического уравнения регрессии, но и изучить опосредованные связи показателей и факторов, т.е. такие связи, когда имеется большая цепь причин и следствий между ними и осуществить прямой расчет невозможно. Такой анализ является основой для технической интерпретации и практического использования математического описания исследуемого объекта.

В работе производился регрессионный анализ электропотребления электросталеплавильного цеха (ЭСПЦ) металлургического предприятия, имеющего в своем составе дуговую сталеплавильную печь и агрегат «печь-ковш». В условиях наладки технологического процесса крайне важно знать удельные показатели потребления электроэнергии на тонну производимого сырья, что и являлось основной целью исследования.

Однако, при построении математического описания процесса энергопотребления помимо определения целей исследования, выбора объекта и формализации задачи важнейшим этапом является выделение основных параметров, характеризующих процесс. В общем случае формирование набора производственных факторов носит характер последовательно уточняемой гипотезы. Основанием для выдвижения первоначальной гипотезы служат теория моделируемого процесса, результаты предшествующих исследований, профессиональный опыт специалистов.

Поскольку между отдельными параметрами и исследуемым процессом не существовало строго функциональной зависимости, то задача оценки влияния факторов на электропотребление сводилась к определению тесноты стохастической связи между ними. Оценка взаимосвязи производилась методом корреляционного анализа, который заключался в определении парного коэффициента корреляции. Коэффициент корреляции между объемом произведенной продукции и потребленной электроэнергией ЭСПЦ составил 0.96 , что свидетельствует о взаимной зависимости этих параметров. Регрессионная картина вышеупомянутых величин представлена на рис.3.6.

Рис.3.6 Корреляционная зависимость электропотребления и объема металла для ЭСПЦ.

где Э - потребленная электроэнергия, кВт*ч; V - объем произведенной продукции, тонн; f(t) - функция линейной регрессии.

Анализ характера расположения экспериментальных точек показывает, что в качестве теоретического уравнения данной парной связи наиболее подходит уравнение прямой линии, что и показано на графике.

Аналитическое выражение вышеупомянутого уравнения имеет следующий вид:

f(t)= 2,019×106 + 446t (3.1)

Оценка точности аппроксимации производилась по величине среднеквадратической ошибки. Для представленной выше модели среднеквадратическая ошибка составила 6,64 %, что свидетельствует о высокой точности аппроксимации по статистической зависимости.

Параметр при переменной t уравнения (3.1) в данном случае определяет удельный расход электроэнергии на производство одной тонны продукции.

Следует отметить, что данный удельный показатель отличается от паспортного в меньшую сторону. Уменьшение может объясняться особенностями технологического процесса плавки; на удельные электропотребление существенно влияет применение природного газа в процессе плавки, а также продувка кислородом. Продувка кислородом позволяет снизить период расплавления до часа, а, следовательно, увеличить производительность. В тоже время использование 1 м3/т кислорода снижает удельный расход электроэнергии на 4 кВт*ч/т.

Используя показатель удельного потребления электроэнергии, а также зная планируемый объем продукции можно спрогнозировать электропотребление интересующего нас производства, что является важным фактором при оплате электроэнергии в условии существующего тарифного меню.

Таким образом, анализ причинных связей и установление количественной оценки влияния рассмотренных технологических факторов позволяет более глубоко проанализировать характер электропотребления, выявить параметры, в наибольшей мере определяющие его уровень, оценить необходимую точность их учета, правильно планировать и разрабатывать мероприятия по экономии электроэнергии.

3.3 Оптимальное управление нагрузкой

Формирование либерализованных рынков электрической энергии привело к введению конкурентных отношений между крупными промышленными потребителями и субъектами электроэнергетики. Основой отношений является модель централизованного аукциона с определением на каждом временном интервале краткосрочной цены. Варьирование данной цены в течение суток зависит от величины резерва располагаемой мощности, при этом рост цен тем больше, чем меньше резерв, который в последнее время имеет тенденции к снижению из-за недостаточной привлекательности инвестиций в электроэнергетику. Наличие пиковых нагрузок приводит к увеличению цен на энергетических рынках и с экономической точки зрения соответствует недостаточному предложению. В результате для потребителя увеличиваются издержки на покупку электроэнергии, а поставщики (генерирующие компании) в эти часы используют наименее экономичное энергооборудование. Возможным решением задачи снижения цен и увеличения энергоэффективности производства электроэнергии является стимулирование потребителей к регулированию.

Регулирование нагрузки представляет собой корректировку графиков нагрузки потребителей в зависимости от стоимости электроэнергии в течении суток или в ответ на компенсационные выплаты, разработанные для стимулирования к снижению потребления во время пиков нагрузки [5].

Конкурентный рынок реализует идеологию зонных нерегулируемых цен, увеличивая цену электроэнергии в часы максимальных нагрузок и уменьшая её в часы минимума, когда спрос на электроэнергию невысок. Потребитель заинтересован в снижении потребления в часы максимальных нагрузок. При этом становится актуальной проблема оценки эффективности снижения электропотребления, которая зависит от типа потребителя, характера производственных процессов и др. Основной экономический эффект реализуется за счёт разной цены электроэнергии в часы максимальных (с1) и минимальных (с2) нагрузок. Однако, реорганизация производства, как правило, сопровождается дополнительными затратами и издержками, поэтому при безусловном энергосберегающем эффекте использование данной стратегии требует для потребителя дополнительного технико-экономического анализа.

Задачу оптимального управления нагрузкой будем рассматривать при условии, что суммарное на суточном интервале электропотребление остаётся неизменным, а изменение нагрузки потребителя на величину z1 не влияет на цену с1 электроэнергии на рынке.

Математически данная задача формулируется следующим образом: найти оптимальное распределение ограничений нагрузки z1(t=1,2, …, 24), минимизирующее суммарные платежи за потреблённую электрическую энергию, и издержки, связанные с ограничением электропотребления γ(удельный ущерб пропорционален величине ограничения нагрузки) [6]:

 (3.2)

где γ - коэффициент удельного ущерба; - значение нагрузки потребителя в момент времени t; - величина изменения нагрузки потребителя в момент времени t ; - цена электроэнергии в рассматриваемый час суток.

При условии

 (3.3)

 (3.4)

Поскольку графики нагрузки и цены считаются заданными, то целевая функция (3.1) трансформируется к виду

 (3.5)

Решение задачи может быть найдено методом Лагранжа. Условие (3.3) предполагает введение дополнительного вектора неопределённых множителей Лагранжа (НМЛ). При этом условие дополняющей нежёсткости предполагает: если (3.3) соблюдается (ограничение не активно), то соответствующий НМЛ равен нулю; а если активно, то zt = Pt, и эту переменную можно вывести из числа искомых. Отсюда оптимизационную задачу можно рассматривать в упрощенной постановке, без учёта (3.4).

При этом функцию Лагранжа можно записать как

 (3.6)

Её дифференцирование и приравнивание нулю производной приводит к критериальному условию

 (3.7)

При принятых допущениях оптимальное ограничение потребления пропорционально отклонению цены электроэнергии на рынке от некоторой расчётной цены  . Условие (3.3) позволяет найти неопределенный множитель Лагранжа, который равен средней цене .

Таким образом, при цене выше средней целесообразно ограничение электропотребления за счёт его увеличения в часы, когда цена электроэнергии ниже средней. Суммарный энергосберегающий эффект определяется выражением [6] :

 (3.8)

где  - характеристика относительного прироста расхода топлива энергогенерирующего агрегата.

Тогда для данной задачи выражение (3.8) может быть записано как

 (3.9)

где kф - коэффициент формы суточного графика цены.

В качестве объекта оптимизации в настоящей работе рассматривалось металлургическое предприятие, в частности график его суточной нагрузки за 22 декабря. График цены и характеристики ценового графика представлены в табл. 3.1; 3.2. По результатам видно, что минимальная и максимальная цены отличаются почти вдвое

Таблица 3.1- Суточный график цены

час

С, руб/МВт*ч

Р, кВт

час

С, руб/МВт*ч

Р, кВт

час

С, руб/МВт*ч

Р, кВт

1

737,72

21373

9

949,87

8874

17

973,43

26251

2

594,93

11751

10

977,12

9149

18

992,31

24437

3

553,85

10070

11

977,92

9777

19

989,87

27860

4

543,40

8694

12

966,03

9249

20

978,16

26677

5

547,98

8642

13

970,32

17797

21

971,43

27496

6

647,39

7742

14

975,33

21024

22

955,54

7

844,43

8473

15

974,75

20341

23

878,55

21800

8

896,77

8514

16

949,68

21691

24

851,94

27003


.Таблица 3.2 - Характеристики суточного графика цены

Максимальная цена, руб/МВтч

Сmax

992,3

Минимальная цена, руб/МВтч

Cmin

543,4

Средняя цена, руб/Мвтч

862

Среднеквадратичная цена, руб/Мвтч

Сск

877

Коэффициент формы

Кф

1,017


Для проведения тестовых расчетов удельный ущерб моделировался степенной функцией, значение параметра = 3 руб./ МВтч2 принято по данным [7]. При оптимальном перераспределении нагрузки (табл. 3.3) на суточном интервале экономия затрат согласно (4.9) составит:

 

Таблица 3.3 - Оптимальное суточное перераспределение нагрузки

t

1

2

3

4

5

6

7

8

9

10

11

12

Zt

-6,23

-13,4

-15,4

-15,9

-15,7

-10,7

-0,9

1,71

4,37

5,73

5,77

5,17

t

13

14

15

16

17

18

19

20

21

22

23

24

Zt

5,39

5,64

5,61

4,36

5,54

6,49

6,37

6,78

5,44

4,65

0,8

-0,52


Между тем, изменение технологического режима плавки обуславливает необходимость разработки оптимального режима работы. Объектом оптимизации становится дуговая сталеплавильная печь (ДСП).

3.4 Оптимизация режима работы дуговой сталеплавильной печи

Эффективное управление современными дуговыми сталеплавильными печами (ДСП), оснащенными водоохлаждаемыми панелями на стенках и своде печи, представляет собой довольно не простую задачу. Дополнительную сложность вносит корректировка суточных графиков нагрузки, поэтому требуется разработка методов расчета оптимального режима работы. Особенно это необходимо для периода плавки, когда в печи образуется ванна жидкого металла, так как при непосредственном излучении дуги на стены и свод печи влияние водоохлаждаемых панелей на энергетический режим ДСП максимально и изменение параметров плавки существенно отражается на качестве продукции.

С целью оптимизировать энергетический режим работы ДСП в период образования жидкой ванны определяют значения и моменты переключения ступеней напряжения печного трансформатора и уставок тока, т.е. решают задачу оптимального управления [8]. Использовались два критерия оптимальности - время и расход энергии при нагреве жидкого металла до заданной температуры. Первый критерий характерен для современных ДСП, предназначенных для выпуска максимального количества жидкого полупродукта, доводка которого до заданного состава производится в устройствах внепечной обработки стали, второй позволяет обеспечить в рассматриваемый период минимальные энергетические затраты.

Математически задачи оптимизации можно сформулировать следующим образом: для первого критерия: найти такие функции U(τ), I(τ), чтобы условие Tм(τ*) = Тм.з. выполнялось при минимальном значении τ* (0 ≤ τ ≤ τ*);

для второго критерия: найти функции U(τ), I(τ), обеспечивающие минимум W=  при выполнении условия I(τк)= Тм.з.

Здесь U(τ), I(τ) - действующие значения фазных напряжений и токов Тм(τ) - температура жидкого металла; Тм.з -заданная температура, до которой необходимо нагреть металл; P (U,I,τ) - подводимая электрическая мощность; W - полная энергия.

При расчете оптимальных режимов нагрева металла необходимо учесть ограничения на токи, напряжения и на тепловые нагрузки в рабочем пространстве печи. В целях сокращения размерности решаемой задачи с учетом, что отклонения от симметричных режимов в современных печах относительно невелики, принято допущение о симметрии трехфазной электрической цепи ДСП. В этом случае

U(τ) = U1(τ) = U2(τ) = U3(τ); I(τ) = I1(τ) = I2(τ) = I3(τ)

и ограничения на электрические параметры имеют вид:

Umin≤ U(τ) ≤ Umax , (3.10)

0 ≤ I(τ) ≤ , (3.11)

I(τ) ≤ Imax , (3.12)д(τ) ≤ а U(τ) . (3.13)

Ограничение (4.10) на значение фазного напряжения U определяется диапазоном переключения ступеней напряжений ( приведенных к фазным) с вторичной стороны печного трансформатора от минимального Umin до максимального Umax . Ограничение (3.11) характеризует максимально допустимую мощность трансформатора S при работе на ступени, соответствующей напряжению U, (3.12) связано с максимально допустимой плотностью тока , (3.13) отражает условия непрерывного горения дуг. При этом коэффициент а = 0,82 0,9 и зависит от соотношения активного и реактивного сопротивления подводящей цепи ДСП, действующее напряжение на дуге Uд вычисляется по формуле [9]:

Uд (τ) = I(τ) [], (3.14)

где r и x - активное и реактивное сопротивление подводящей цепи ДСП.

Ограничения на тепловые нагрузки в рабочем пространстве печи включают в себя ограничения на температуру внутренней поверхности футерованных стен и свода

Tст ≤ Тф; Тсв ≤ Тф , (3.15)

и на удельный тепловой поток, приходящийся на водоохлаждаемые панели

qст ≤ qв ; qсв ≤ qв , (3.16)

где Тф - максимально допустимая температура футеровки; qст, qсв - удельные тепловые потоки на водоохлаждаемые панели стен и свода; qв - поток, максимально допустимый для данной конструкции водоохлаждаемых панелей.

Вычисление критериев оптимизации и ограничений основывается на разработанной ранее математической модели теплообмена в рабочем пространстве дуговой печи в период жидкой ванны [10]. При разработке модели учитывались следующие механизмы теплообмена: теплообмен излучением между дугами, поверхностью шлака, электродами, внутренней поверхностью стен и свода.

Сформулированные задачи оптимального управления энергетическим режимом дуговых печей характеризуются сложными ограничениями на управление I(τ), U(τ) (1) - (3.13) и тепловыми нагрузками в рабочем пространстве печи (3.15), (3.16). Кроме того, уравнения динамики процесса, включающие в себя уравнения в частных производных, обыкновенное дифференциальное уравнение и алгебраические уравнения - не линейны. Численное решение этой весьма сложной задачи основывалось на дискретизации по пространственным переменным и замене уравнений в частных производных обыкновенными дифференциальными уравнениями, а также на кусочно-постоянной аппроксимации функций I(τ), U(τ).

Разработанное математическое обеспечение было использовано для расчета оптимальных режимов нагрева металла в дуговой сталеплавильной печи ДСП-30. Рассматривается режим нагрева 30т металла с 1500 до 1700 0С при ограничениях на тепловые нагрузки: Tф=1670 0С, qв = 300 кВт/м2. Расчеты, проведенные при различном числе переключений токов и напряжений, показатели, что увеличение числа интервалов слабо влияет на целевую функцию и двух интервалов вполне достаточно для практической реализации оптимального режима. В табл. 3.4 приведены результаты расчета режимов наискорейшего нагрева при hш = 10 см (толщине шлака) и двух интервалах постоянства токов и напряжений.

Таблица 3.4 - Параметры режима нагрева

Режим/параметр

τ, с

Uф, В

Uд, В

I, кА

1

1090

315

149

18,7

2

2180

301

121

18,7


Оптимальный режим имеет два характерных участка: на первом происходит интенсивный нагрев металла, не лимитированный тепловыми ограничениями, а на втором вводимая мощность ограничивается температурой футеровки и выбирается из условия ее поддержания на максимально допустимом уровне.

Разработанный оптимальный электротехнологический режим позволяет достигать необходимую температуру при минимальном времени нагрева жидкого металла с минимальным числом переключений ступеней напряжения печного трансформатора. Таким образом, достигается наибольшая производительность при минимизации амортизационных издержек.

ЗАКЛЮЧЕНИЕ

Оценивая итоги работы можно заключить:

1.       В результате комплексного анализа действующего законодательства, нормативно-правовых документов, а так же характера нагрузки предприятия установлено, что наиболее выгодным для исследуемого предприятия из тарифного меню, предоставляемого гарантирующим поставщиком, является пятая ценовая категория. Она предназначена для объемов покупки электрической энергии (мощности), в отношении которых осуществляются почасовое планирование и учет, и стоимость услуг по передаче электрической энергии определяется по цене услуг в одноставочном выражении.

2.      В ходе исследования структуры и эффективности использования электроэнергии с учетом нормативов выявлен потенциал энергосбережения предприятия, который для 2010 года составил 20,208 млн. кВт*ч/год.

.        Разработка данных по потреблению реактивной мощности в совокупности со схемами и структурой системы электроснабжения предприятия позволило дать рекомендации по установке компенсирующих устройств.

.        В условия выбранного тарифного меню, особую важность имеет почасовое планирование нагрузки. Для повышения точности прогнозов проведен регрессионный анализ величины нагрузки предприятия в ходе которого получены новые результаты позволяющие построить алгоритм выявления весомых параметров из множества производственных, по парным коэффициентам корреляции электропотребления и рассматриваемого параметра, для последующей разработки адекватной математической модели. Таким образом, анализ причинных связей и установление количественной оценки влияния рассмотренных технологических факторов позволяет более глубоко проанализировать характер электропотребления, выявить параметры, в наибольшей мере определяющие его уровень, оценить необходимую точность их учета, правильно планировать и разрабатывать мероприятия по экономии электроэнергии. Также в ходе исследований установлена зависимость между ошибкой прогнозирования и коэффициентом заполнения суточного графика нагрузки;

.        Разработана технико-экономическая политика потребления электроэнергии на основе системного анализа влияния изменения цен; определены возможные коррективы в системе управления основным оборудованием сталеплавильного цеха обусловленные изменением технологического режима за счет ограничения нагрузки в часы когда стоимость электроэнергии выше средней.

.        возможный совокупный эффект от снижения экономических рисков благодаря повышению точности прогнозов, а также оперативному управлению нагрузкой оценивается 34 миллионами рублей в год для исследуемого предприятия.

Использованная литература

1.      Гительман Л.Д. Ратников Б.Е. Энергетический бизнес: Учебное пособие. - М.: Дело, 2006. - 600с

.        ОАО «Смоленскэнергосбыт» данные по средневзвешенным нерегулируемым ценам на оптовом рынке для покупателей с интегральным учетом за 2010 год.

3.      Ku A. The art of forecasting demand // Global Energy Business. March/April 2002.

4. Никифоров Г.В., Олейников В.К., Заславец Б.И., Энергосбережение и управление энергопотреблением в металлургическом производстве. - М.: Энергоатомиздат, 2003. - 480с.

. Аюев Б. И. Управление электропотреблением: административные и экономические методы // Энергорынок. 2007. № 4. С. 12-17.

6. Обоскалов В. П., Паниковская Т. Ю., Карпов И. В. «Суточное регулирование нагрузки в рынке электроэнергии» , http://www.kudrinbi.ru

7. Непомнящий В.А. Экономические проблемы повышения надежности электроснабжения - Ташкент: Изд-во Фан, 1985.

8. Портнягин Л.С., Болтянский В.Г. Математическая теория оптимальных процессов./ -2е изд. М.: Наука, 1996 - 384с. с илл.

. Марков Н.А. Электрические цепи и режимы дуговых электропечных установок. Изд.4. М.: Энергия, 1999.

. Игнатов И.И., Хаинсон А.В. Расчет тепловой работы печи при наличии жидкой ванны // Сборник научных трудов ВНИИЭТО. М.: Энергоатомиздат. 1986. С. 45-49.

. Кавченков В.П. Вероятностные, статистические модели и оценка надежности энергетических систем. - Сафоново, 2002. - С. 150.

. Макоклюев Б.И. Анализ и планирование электропотребления. - М.: Энергоатомиздат, 2008. - 296 с.:ил.

. Кудрин Б.И. Электроснабжение промышленных предприятий. Учебник для студентов высших учебных заведений / - 2-е изд. - М.: Интермет Инжиниринг, 2006. - 672 с : ил.

. Кеткин Л.А. К вопросу о тарифном регулировании деятельности субъектов естественных монополий в электроэнергетике.- Электро, 2007, №5.

. Хорьков С. А. Оптовый рынок с точки зрения промышленного потребителя электроэнергии и мощности. - Электрика, 2011 - №3, стр. 3 - 9

.Чемоданов В.И. Бобылева Н.В. Развитие национальной электрической сети в складывающихся экономических условиях. - Электро, 2009, №5.

. Галимова А.А. Компенсация реактивной мощности в электрических сетях 6-10 кВ. - Электро, 2010, №4.

. Басов А.Н, Быков В.Г. Электротехнология. Учебник для высших учебных заведений. М.: Агропромиздат, 1995. - 256 с.

. Кудрявцев И.Ф., Карасенко В.А. Электрический нагрев и электротехнология. Учебник для высш. учеб. заведений/ - 3-е издание. М.: Колос, 2003. - 384с. с ил.

20. Турилова К.К. Сравнение российских и европейских литейных предприятий по

ключевым показателям потребление энергии, свежего песка, свежей воды, - Литейное производство, 2011 - №2, с34-39.

21. Шунаев С.А. Прогнозирование электропотребления на промышленных предприятиях// Информационные технологии, энергетика и экономика Сб. трудов 8-ой межрег. науч.-техн. конф. студентов и аспирантов. В 3 т. Т2.- Смоленск, 2011

. Шунаев С.А. Оптимальное управление нагрузкой при неравномерном ценовом графике// Радиоэлектроника, Электромеханика и Энергетика Сб. трудов 18-ой ежегодной международной научно-технической конференция студентов и аспирантов.- Москва, 2012.

. Шунаев С.А. Регрессионная модель прогнозирования электропотребления// Седьмая международная молодежная научная конференция «Тинчуринские чтения» 25-27 апреля 2012г Казань.

. Шунаев С.А. Расчет оптимальных режимов нагрева жидкого металла в дуговой сталеплавильной печи.// Информационные технологии, энергетика и экономика Сб. трудов 9-ой Межрег. (Межд.) науч.-техн. конф. студентов и аспирантов. В 3 т. Т2.- Смоленск, 2012.

. Шунаев С.А. Регрессионный анализ электропотребления электросталеплавильного цеха.// Информационные технологии, энергетика и экономика Сб. трудов 9-ой Межрег. (Межд.) науч.-техн. конф. студентов и аспирантов. В 3 т. Т1.- Смоленск, 2012

. Шунаев С.А. Анализ и оптимизация электропотребления на металлургическом предприятии.// Конкурс студ. науч. работ 2012. Сборник материалов. Смоленск, 2012

27. Рогалёв Н.Д., Зубкова А.Г и др. ; под ред. Н.Д. Рогалёва. Экономика энергетики : учеб. пособие для вузов ⁄ -М. : Издательство МЭИ, 2005. - 288 с.

28. Максимов А.В. Паули В.К. Компенсация реактивной мощности - актуальная задача энергосбережения. - Электро, 2009, №3.

. Саркисян С.А., Ахундов В.М., Минаев Э.С. Большие технические системы:анализ и прогноз развития. - М.: Наука 1977. 350 с.

. Основы энергетического менеджмента. Библиотека энергоменеджера. - М.: АСЭМ, Энизан. - 2003 - 88с.

. Закиров Д.Г. Энергосбережение. Учебное пособие. - Пермь: Изд-во «Книга», 2000. 308 с.

. Венсель В.В. Интегральная регрессия и корреляция: Статистическое моделирование рядов динамики. - М.: Финансы и статистика. 1983. 221 с.

. Energy use in the Steel Industry// Committee on Technology. IISI., Brussels, 2005 p.259

. Energy and waste management in the steel industry // Met. Plant and Tech/ Iut. - 2004 - 20, №6 - p. 34

. Kimitsu works energy department // Nippon Steel Corporatin. - 2006 №7 p. 1

Похожие работы на - Анализ и оптимизация электропотребления на металлургическом предприятии

 

Не нашли материал для своей работы?
Поможем написать уникальную работу
Без плагиата!
Без нейросетей!