Положительная и отрицательная обратные связи в работе биполярного транзистора
Контрольная
работа
Положительная
и отрицательная обратные связи, в работе биполярного транзистора
Содержание
1. Термоэлектроника - основа работы
полупроводниковых приборов
. Принцип работы биполярного
транзистора. Схема с общей базой
. Принцип работы транзистора. Схема
с общим эмиттером
. Исследование биполярного
транзистора. Способ исследования потока тепла
. Опыт с биполярным транзистором,
показывающий положительную обратную связь
Литература
. Термоэлектроника - основа работы полупроводниковых
приборов
полупроводниковый биполярный
транзистор эмиттер
Биполярный транзистор, это термоэлектронный
прибор. Управление выходным током осуществляется через тепловой ток.
Что такое тепловой ток?
В веществе, в кристаллической решётке тепловым
током может быть тепловое движение электронов (эстафетное движение),
посредством которого осуществляется теплопередача.
Также тепловым током является свет. И некоторые PN-переходы
светятся при протекании прямого тока - создают тепловой ток.
Тепловой ток в иерархии энергии является
мощностью, и измеряется в Ваттах. Так, как существует две иерархии энергий:
тепловая и механическая, то и мощности две: тепловая мощность и механическая
мощность. Механическая мощность тепловым током не является.
Основной принцип работы транзистора заключается
в том, что в нём имеется две полупроводниковые термопары.
Термопары бывают 3-х типов, в зависимости от
физических свойств проводников и полупроводников. В современной физике
существует зонная теория, которая тоже не соответствует истине. Но осталась
терминология, которая позволяет нам различать вещества как с узкой запретной
зоной и с широкой запретной зоной.
Термопары 1 -го типа - это проводники.
Если составить термопару из двух проводящих
металлов, то мы получим две среды, между которыми есть малый составной
термоэлектрический потенциал T*U.
Этот потенциал определяется как тепловыми свойствами металлов, так и
электрическими.
Металлы - проводники обладают безусловной
термоэлектронной эмиссией, поэтому, когда мы соединим два различных металла в
термопару, то электронное облако термоэлектронной эмиссии одного металла
перейдёт на территорию другого. Оно как бы вытеснит эмиссию другого металла и
на зажимах термопары возникнет термо-ЭДС. В том металле, термоэлектронная
эмиссия которого переходит на территорию другого металла, электроны находятся в
кристаллической решётке под более высоким давлением. Такой металл называется
зоной P.
В зоне N
электроны в кристаллической решётке находятся под более низким давлением, чем в
зоне P.
Потому, при пропускании через термопару тока в
прямом направлении ( электроны движутся из N
в P), переход
нагревается по законам термодинамики. Каждый электрон отдаёт излишек энергии в
окружающую среду, а именно: ядрам атомов зоны N.
Если ток в термопаре сменить на обратный
(электроны движутся из P
в N), то переход
охлаждается, так как каждый электрон забирает тепловую энергию у ядер атомов
зоны P. Для того, чтобы
существовал обратный ток, необходимо чтобы электронам поставлялась тепловая
энергия.
Термопары 2-го типа - это термопары на основе
висмута. Висмут обладает средними свойствами между проводниками и
полупроводниками. У него узкая запретная зона. У проводников же считается, что
запретной зоны нет. И потому у термопары из висмута и меди (или сурьмы)
наиболее заметно проявляется эффект охлаждения. Термопары на основе висмута под
воздействием разности температур становятся термогенераторами и позволяют
получить гораздо большую термо-ЭДС, по сравнению с термопарами 1-го типа.
Термопары 3-го типа - это термопары на основе
полупроводников, которые обладают широкой запретной зоной. Эти вещества ближе к
изоляторам, потому их термоэлектронная эмиссия зависит от условий.
Термоэлектронная эмиссия полупроводников называется условной термоэлектронной
эмиссией. К веществам такого типа относятся кремний, германий. Обычно, создавая
сплавы этих веществ, задавая примеси, можно получить два разных вещества с
различным давлением электронов в кристаллических решётках.
Термопара из N
и P полупроводников
обычно не создаёт термо-ЭДС, если её переход нагреть. Это свойство возникает
из-за широкой запретной зоны. Но если PN
- переход осветить светом (т.е. воздействовать тепловым током), то термо-ЭДС
возникнет.
При пропускании через PN-переход
прямого тока, PN - переход
греется, так, как электроны отдают излишек энергии.
При попытке включения обратного тока - обратного
тока не будет, так, как электроны не могут забрать энергию у ядер атомов зоны P.
Это свойство широкой запретной зоны. Но если электронам доставить тепловую
энергию из вне, то обратный ток становится возможным. Именно на таком принципе
построена работа биполярного транзистора. В биполярном транзисторе имеется
управляемая термопара, которая находится в режиме обратного тока. Другая
термопара (управляющая) находится в режиме прямого тока и излучает тепло. Как
только тепло достигает запертой термопары, электроны её получают энергию, и
протекает обратный ток. Таким образом работает биполярный транзистор.
Несмотря на то, что мы при объяснении применили
термин "запретная зона", следует учесть, что никаких запретных зон не
существует. Запретные зоны обычно рисуют в привязке к энергии (измеряется:
джоуль, эрг, электроновольт) третьего уровня, что лишено всякого смысла.
Вероятно, следует более детально разработать модель атома, отказавшись от ложной
статистики запретных зон.
Рассмотрим работу биполярного транзистора более
подробно.
. Принцип работы биполярного транзистора. Схема
с общей базой
Самый главный вопрос, который содействовал
созданию физики полупроводников это "каков принцип работы транзистора, как
усилительного электронного прибора?". Создателям транзистора пришлось
изобрести теорию, объясняющую явление увеличения выходного тока транзистора PNP-структуры
при поступлении на его базу тока в отрицательной полярности.
Ответить на этот вопрос без применения
термодинамической теории было просто невозможно. Тогда были изобретены
"дырки" - ток электронов в валентной зоне. Подвижность
"дырок" научились измерять…
И было придумано много такого, благодаря чему
сегодня мы должны создавать физику полупроводников с нуля.
Понятие запрещённой зоны помогает
классифицировать
PN-переходы на
широкозонные и узкозонные. Но сама идея зонной теории базируется на
несуществующих уровнях Ферми, которые невозможно измерить. Возможно, что зонную
теорию тоже необходимо пересмотреть.
Квантовая теория к физике полупроводников вообще
никакого отношения не имеет.
Так, как квантовую теорию разрабатывали в начале
прошлого века, когда неправильно была разработана термодинамика (без теории
теплового заряда), то сегодня она тоже нуждается в пересмотре.
Итак, главный вопрос - "каков принцип
работы транзистора, как усилительного электронного прибора?" - должен
изменить физику полупроводников.
Сначала изложим правила, по которым происходит
энергообмен в PN-переходах.
Правила:
. Вход энергии в PN-переход.
( Эффект Зеебека )
.1.Если в PN-переход
поступает тепловая энергия в виде эстафетного тока электронов, то она
преобразуется в ЭДС на
PN-переходе.
При этом эстафетный ток преобразуется в инжекционный ток. Инжекционный ток
имеет тепловую природу, поэтому не может быть вычислен по правилам Киргофа.
.2.Если входящая энергия создала ЭДС, то эта ЭДС
создаёт в
PN-переходе
прямой ток, по величине этот ток определяется вольт-амперной характеристикой
прямого тока соответствующего
PN-перехода.
. Выход энергии из PN-перехода.
( Тепловой эффект Пельтье. )
.1.Если через PN-переход
пропускать прямой ток, то на PN-переходе
создаётся разность потенциалов (ЭДС) согласно вольт-амперной характеристики
прямого тока этого перехода. При этом, электроны, проходящие через PN-переход
в прямом направлении выделяют тепловую энергию.
.2.Если вблизи нет соседних PN-переходов
(потенциальных барьеров), то энергия из PN-перехода
выходит посредством эстафетных движений (токов) электронов - что соответствует
тепловому току при теплопередаче.
Если поблизости от выделяющего тепловую энергию PN-перехода
находится другой PN-переход,
то он создаёт потенциальную яму - отбирает у эстафеты электрон для заполнения
своего электрического барьера, тем самым превращает эстафетный ток в
инжекционный. Инжекционный ток имеет тепловую природу и не подчиняется правилам
Киргофа для электрической цепи. Инжекционный ток имеет направление в сторону
потенциальной ямы - запертого PN-перехода.
. Вход энергии в запертый PN-переход.
(Холодильный эффект Пельтье.)
.1.Энергия, входящая в запертый PN-переход
способна реализовать электронное управление. При входе энергии в запертый PN-переход,
сам PN-переход
начинает работать сразу в 2-х режимах.
В нём создаётся ЭДС и протекает и прямой и
обратный ток, согласно поступившей энергии. (Эффект Зеебека.)
Прямой и обратный токи в запертом переходе
возникают из-за обратных связей - один из них является причиной другого.
Инжекционный ток несёт с собой тепловую энергию.
Эта тепловая энергия поглощается в запертом PN-переходе
и через переход совместно с прямым током протекает и обратный ток, равный по
величине прямому току - это соответствует холодильному эффекту Пельтье.
Величина ЭДС устанавливается согласно эмиссионному уравнению для прямого тока PN-перехода,
и дополнительно она складывается с разностью потенциалов, создаваемой обратным
током.
.2.Кроме энергии электронного управления,
запертый PN-переход
перехватывает все возможные другие поступающие энергии. В эти энергии входят
следующие:
тепловой ток - световые волны.
энергия тепла (локальное тепло относительно
температуры окружающей среды).
энергия тепла, возникающая при протекании
электрического тока, при конвертировании энергии источника в тепло - это
соответствует закону Джоуля-Ленца.
энергия обратного напряжения. Величина обратного
напряжения определяет выходную мощность, и тем самым определяет ответный
разогрев запертого перехода. Этот разогрев создаёт тепловой ток, который и
определяет положительную обратную связь (ПОС). ПОС в биполярном транзисторе обозначают
как эффект Эрли.
Все эти энергии участвуют в процессе управления
обратным током.
Рассмотрим работу транзистора как
термодинамического электронного прибора в схеме с Общей Базой.
Работу рассмотрим поэтапно, исследуя во времени
4 момента. Такое рассмотрение удобно для понимания термодинамического принципа
работы транзистора. На самом деле - в реальности - транзистор включается в
работу мгновенно. Итак, 4 момента во времени.
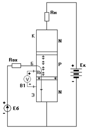
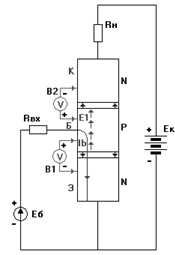
Рис. 1. Момент времени 1.
Момент 1. Включение цепи. Токи ещё не начались.
Здесь на рисунке 1., транзистор показан в виде 3-х областей NPN,
Rвх - входное
сопротивление, принадлежащее цепи входного сигнала, Rн
- сопротивление нагрузки ( или сопротивление для измерения токов коллектора ), Eб
- источник напряжения, представляющий из себя входной сигнал. Eк
- батарея цепи коллектора. Полярности включения Eб
и Eк отмечены знаками
"+" и "-".
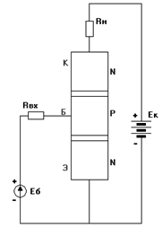
Рис. 2. Момент времени 2.
Момент 2. Через переход База-Эмиттер протекает входной
ток. В переходе База-Эмиттер возникает выход тепловой энергии в виде
эстафетного тока электронов - обозначен двунаправленными стрелками. Эстафетный
ток электронов возникает в том случае, если есть градиент температуры и
происходит процесс теплопередачи. В данном случае переход База-Эмиттер теплее
холодной потенциальной ямы перехода Коллектор-База. Вольтметр В1, подключенный
к переходу База-Эмиттер показывает разность потенциалов (ЭДС), согласно
вольт-амперной характеристики прямого тока перехода. В PN-переходе
База-Эмиттер протекает прямой ток, обозначенный стрелками.
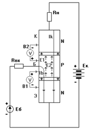
Рис. 3. Момент времени 3.
Момент 3. Эстафетный ток достиг потенциальной
ямы - перехода База-Коллектор. У перехода База-Коллектор есть скрытый электрический
барьер, который отрывает электрон от эстафеты, заряжая тем самым переход. В
результате постоянного отрыва последнего электрона (достигшего перехода
База-Коллектор), эстафетный ток преобразуется в инжекционный, направленный от
перехода База-Эмиттер в сторону перехода База-Коллектор. Инжекционный ток имеет
тепловую природу.
Скрытый электрический барьер перехода
База-Коллектор начинает заряжаться, в переходе База-Коллектор возникает ЭДС
(измеряется вольтметром В2). Соответственно этой ЭДС, согласно эмиссионному
уравнению перехода База-Коллектор, через переход База-Коллектор протекает
прямой ток - на схеме обозначен стрелками.
Рис. 4. Момент времени 4.
Момент 4. Электроны инжекционного тока приносят
в переход энергию. Через PN-переход
База-Коллектор начинает протекать обратный ток, согласно холодильному эффекту
Пельтье. Величина обратного тока зависит от полученной энергии от перехода
База-Эмиттер. Поэтому ток коллектора Ik
не превышает Ib. Тепловая
энергия, забираемая от перехода База-Эмиттер определяется резистором RD.
RD. - это добавочное
сопротивление в цепи База-Эмиттер. Оно определяет отрицательную обратную связь.
Вольтметр В2 показывает уже не ЭДС в чистом
виде, некую сумму этой ЭДС и разности потенциалов, создаваемой обратным током.
ЭДС прямого тока перехода База-Коллектор существует, и ток коллектора Ik
без неё был бы невозможен. Усилитель по схеме с общей базой работает!
Если к коллектору приложить высокое напряжение
(порядка 100 Вольт для кремниевых транзисторов), то это напряжение не попадёт
на вывод эмиттера, по той простой причине, что у инжекционного тока природа -
тепловая. Электроны инжекционного тока движутся в сторону коллектора из-за
явления теплопередачи! Высокое напряжение коллектора не может повернуть их
назад, так, как контуры тока - входного и выходного - ( по правилу Киргофа для
электрических цепей ) разорваны.
При изготовлении транзистора, переход
База-Коллектор делается более чувствительным к энергии, а значит - более
управляемым.
Если рассмотреть эмиссионное уравнение для
вольт-амперной характеристики PN-перехода,
(19.33)
сразу заметна разница в значениях
резистора RD для
перехода БЭ и перехода БК. Для транзистора КТ312В: величина RD для
перехода БЭ равна 1,06 Ом, величина RD для
перехода БК равна 0,4 Ом.
Переход БК более низкоомный, чем
переход БЭ, и при одинаковых прямых токах переход БК менее нагревается, чем
переход БЭ.
Параметр TF
эмиссионного уравнения - это температура холода - она показывает насколько
холоднее зона P чем зона N при
протекании тока. При этом, температура зоны N
уравнивается с температурой окружающей среды.
Для перехода База-Коллектор параметр
TF немного
выше, чем для перехода База-Эмиттер. Например, для транзистора КТ312В для перехода
База-Эмиттер TF = 608
Кельвин, для перехода База-Коллектор TF = 626
Кельвин.
Точно также объясняется работа схемы
с общей базы транзистора PNP-типа. Для инжекционного тока
важно наличие горячего и холодного PN-переходов.
А направление его движения определяется разностью их температур.
Переход База-Коллектор является
холодным только при малых токах. При более больших токах, переход
База-Коллектор сам становится излучателем тепла, что создаёт как отрицательную
обратную связь, так и положительную.
Принцип ООС для биполярного
транзистора: без тока База-Эмиттер нет тока База-Коллектор.
Принцип ПОС для биполярного
транзистора: Источник тепла База-Коллектор больше чем источник тепла
База-Эмиттер.
В работе транзистора присутствуют
обе обратные связи (и ООС и ПОС), что проявляется в существовании коэффициента
усиления тока β,
а
также в существовании зон самовозбуждения на вольт-амперных характеристиках
транзистора.
Не нужны такие фикции как
"дырка" и "дырочная проводимость", когда явление
электронного управления можно объяснить с помощью явления теплопередачи,
посредством эстафетных и инжекционных токов, с позиций термоэлектроники.
. Принцип работы транзистора. Схема
с общим эмиттером
Так, как тепловой ток (ему
соответствует параметр - мощность, или по другому - входной энергетический
сигнал) управляет закрытым переходом, то в схеме с общим эмиттером между
переходами возникает многократное отражение этого сигнала. Оба перехода играют
роль зеркал, а кратность отражения соответствует коэффициенту β. Как
известно, β изменяется
в зависимости от протекающего тока (эффект Кирка).
Рассмотрим работу схемы с общим
эмиттером, применяя метод остановки времени - с помощью временных моментов.
Рис. 5. Момент времени 1.
Момент 1. Включение цепи. Токи ещё не начались.
Здесь на рисунке 5., транзистор показан в виде 3-х областей NPN,
Rвх - входное
сопротивление, принадлежащее цепи входного сигнала, Rн
- сопротивление нагрузки (или сопротивление для измерения токов коллектора ), Eб
- источник напряжения, представляющий из себя входной сигнал. Eк
- батарея цепи коллектора. Полярности включения Eб
и Eк отмечены знаками
"+" и "-".
Рис. 6. Момент времени 2.
Момент 2. Через переход протекает ток входного
сигнала. Возникает выход из перехода База-Эмиттер тепловой энергии. Возникает
явление теплопередачи посредством эстафетного тока электронов. На рисунке 6.
эстафетный ток обозначен двунаправленными стрелками. В переходе База-Эмиттер
возникает ЭДС, согласно вольт-амперной характеристики. Стрелками в переходе
База-Эмиттер обозначен прямой ток.
Здесь следует сказать о величине тока базы Ib
и процессе многократных отражений: первоначально величина Ib
имеет максимальную величину, но с каждым последующим отражением величина этого
тока будет уменьшаться… Если на вход входной сигнал подаётся через стабилизатор
тока, то с каждым последующим процессом отражения возникает явление смещения
входной характеристики в сторону более больших напряжений, что как раз и
вызывает уменьшение величины Ib.
Рис. 7. Момент времени 3.
Момент 3. Эстафетный ток достиг потенциальной
ямы PN-перехода
База-Коллектор. Электрон эстафетного тока, достигший перехода База-Коллектор,
отрывается электрическим барьером этого перехода и идёт на создание ЭДС этого
перехода.
Эстафетный ток, у которого отрывают каждый
приходящий к переходу База-Коллектор электрон, преобразуется в обычный однонаправленный
электрический ток. Таким образом, эстафетный ток преобразуется в инжекционный.
Но природа этого тока осталась прежней - это явление теплопередачи. Запертый
переход База-Коллектор является холодным (холодильный эффект Пельтье ), а
переход База-Эмиттер является горячим (тепловой эффект Пельтье).
Скрытый электрический барьер перехода
База-Коллектор начинает заряжаться. Возникает ЭДС. Соответственно этой ЭДС,
согласно вольт-амперной характеристике перехода База-Коллектор, через переход
База-Коллектор протекает прямой ток - обозначен стрелками.
Рис. 8. Момент времени 4.
Момент 4. Первое зеркальное отражение. Закрытый
переход База-Эмиттер получает энергию от перехода База-Эмиттер посредством
инжекционного тока. Холодильный эффект Пельтье срабатывает и начинает течь ток
коллектора Ik. Его можно
назвать 1-м зеркальным отражением, потому что, ему предстоит пересечь переход
База-Эмиттер в прямом направлении, что вызовет увеличение инжекционного тока -
на рисунке 8. это показано как сумма инжекционных токов E1+E2.
Следующим шагом будет прибавление к току коллектора ещё одной его порции -
второе зеркальное отражение.
Итак, коллекторный ток становиться источником
выброса добавочной энергии, выражающейся в инжекционном токе E2.
Этот выброс должен далее создать второе зеркальное отражение, то есть прибавку
(удвоение) тока коллектора. После будет утроение коллекторного тока, после ток
возрастёт в 4 раза…
Такой процесс отражений происходит β
раз.
Казалось бы умножению не будет конца, но существует процесс, ограничивающий β.
Это
как раз процесс выделения тепла в переходе База-Эмиттер. Процесс выделения
тепла определяется резистором RD,
который вносит отрицательную обратную связь для тока База-Эмиттер. Этот процесс
сопровождается смещением входной характеристики, и тем самым уменьшением порции
входного тока Ib.
Следует учесть, что эмиттерный переход и
коллекторный переход - это два излучателя тепловой энергии. Эмиттерный переход
является управляющим. Без его излучения тепловой энергии никогда не потечёт ток
в коллекторном переходе и он не станет излучать.
Поток тепловой энергии от эмиттерного перехода
коллекторному создаёт отрицательную обратную связь.
Ответный поток тепловой энергии от коллекторного
перехода к эмиттерному создаёт положительную обратную связь.
Процессы положительной обратной связи (ПОС) и
отрицательной обратной связи (ООС) уравновешиваются при β
равном
100 - 300 раз.
Кольцо ООС ограничивает количество отражений до β
раз.
Если процесс многократных отражений превысит
процесс ограничения, то на выходной вольт-амперной характеристики транзистора
образуется S-образный участок,
что соответствует существованию ПОС. Такой режим возникает у германиевых
транзисторов при малых токах базы (1- 10 мкА), при больших (порядка 10 Вольт)
коллекторных напряжениях. Такие же процессы, приводящие к образованию S-образной
характеристики, происходят при работе динисторов и тиристоров.
. Исследование биполярного транзистора. Способ
исследования потока тепла
Определение: Если в схеме с ОБ измерять
напряжение на входе и ток на выходе, то такую схему будем называть схемой с ОБ
для исследования потока тепла: схема с ОБ для ИПТ. Для исследования потока
тепла характерны характеристики, которые связывают входное напряжение и ток
выхода. Графики и характеристики такой схемы также будем называть
вольт-амперными характеристиками схемы с ОБ для ИПТ.
Рис. 9. Схема с ОБ для ИПТ.
На рис. 9. показана схема с ОБ для ИПТ, где
отмечены входная и выходная цепи схемы.
Рассмотрим модификации схем для ИПТ.
Рис. 10. Инверсная схема с ОБ для ИПТ.
На рис. 10. показана инверсная схема с ОБ для
ИПТ.
Если в схеме измеряется ток входа и ток выхода,
то такая схема дополнительно будет называться схемой регистрации усиления. Это
необходимо для того, чтобы отметить, что в измерительной схеме исследуется
процесс усиления сигнала.
Рис. 11. Схема РУ с ОБ для ИПТ.
На рис. 11. показана схема регистрации усиления
с общей базой для исследования потока тепла: схема РУ с ОБ для ИПТ.
Кроме схем с общей базой (ОБ), возможно
построить схемы для ИПТ на основе схем с общим эмиттером (ОЭ).
Рис. 12. Схема с ОЭ для ИПТ.
На рисунке 12 показана схема с ОЭ для ИПТ.
Рис. 13. Схема РУ с ОЭ для ИПТ.
На рисунке 13 показана схема с РУ с ОЭ для ИПТ.
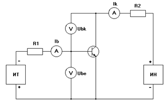
. Опыт с биполярным транзистором, показывающий
положительную обратную связь
Для исследования биполярного транзистора мы
применили схему с РУ с ОЭ для ИПТ.

На рисунке 14. приведена такая схема и отмечены
все измеряемые параметры. Резисторы R1
и R2 - защищают
транзистор от пробоя и равны порядка 100 Ом.
На рисунке 14 обозначены:
Ube -
напряжение на переходе База-Эмиттер;
Ubk -
напряжение на переходе База-Коллектор;
Ib - ток в
цепи базы;
Ik - ток в
цепи коллектора.
Исследование следует проводить при Ubk
= const.
Для этого мы используем дополнительный
вольтметр, который подключим к переходу База-Коллектор.
Следует выбирать очень высокоомный вольтметр,
так как, сопротивление между Базой и Коллектором может сильно повлиять на схему
с общим эмиттером и создать дополнительную отрицательную обратную связь.
Транзистор помещают в резиновую изоляцию, затем
помещают в воду. Для этой цели можно использовать двухлитровый стеклянный
вакуумный термос с водой. Температура воды поддерживается 20 градусов по
Цельсию.
Для исследования ПОС проведём измерения для
схемы на рис. 14. при Ubk
= const. Для исследования
возьмём транзистор КТ312В.
Проведём исследование при Ubk
= 15 Вольт.
Порядок проведения измерений.
Первоначально источником тока (стабилизатором
тока) выставляем ток базы Ib.
Затем, плавно изменяя напряжение источника
напряжения ИН, добиваемся, чтобы Ubk
было равно 15 Вольт.
После этого измеряем все параметры схемы: Ube,
Ik, Ib.
Когда первое измерение проведено, изменяем Ib,
и проводим второе измерение. Таким образом будем проводить измерения, пока не
получим графики Ik
и Ib в зависимости от Ube,
при Ubk = 15 Вольт.
Значения токов, логарифмируются и строятся
графики в полулогарифмическом масштабе.
Рис. 15. Графики экспериментальных данных
входного и выходного тока для транзистора КТ312В, построенные в
полулогарифмическом масштабе.
На рисунке 15 построены графики экспериментальных
данных для транзистора КТ312В. Они имеют вид прямых линий, переходящих в дугу,
которая отклоняется влево. На рисунке 15 показано два графика - для тока
коллектора (Ik) и тока
базы (Ib).
При исследовании графиков, выяснилось, что
графики представляют собой ПОС.
Эмиссионное уравнение остаётся прежним, но
коэффициент RD
меняет свой знак. График для ПОС как и для ООС имеет вид логарифмического
уравнения.
Для того чтобы получить решение логарифмического
уравнения с ООС, при реализации подпрограммы использовалась обратная функция.
При решении не возникало проблем, так, как обратная функция была монотонной.
При ПОС, обратная функция логарифмического
уравнения имеет максимум. Потому, программно можно реализовать решение
уравнения, разбивая решение на две части: до максимума и после максимума.
Для решения этой задачи необходимо знать точку
максимума. Найдём точку максимума. Покажем решение этой задачи.
. Эмиссионное уравнение имеет вид:
(19.33)
Где UA и TC - переменные
аргументов,
IA -
переменная функции.
KT, UD, TF, RD, UV -
коэффициенты.
. Найдём обратную функцию для
эмиссионного уравнения:
(01)
Далее
(02)
Далее
(03)
. Обозначим как Ln(IA) = x; UA = y.
(04)
4. Найдём производную:
(05)
. Найдём максимум:
(06)
Следует:
(07)
x - это ток
(для координаты максимума) в полулогарифмическом масштабе.
. Отсюда формула для UМАКС:
(08)
Затем, было получено две
подпрограммы поиска решения логарифмического уравнения при условии ПОС.
Две подпрограммы на языке Паскаль,
приведены ниже.
MidI_x01_01(x,z,Tf,Ud,Kt,Uv,Rd:real;var
y:real;var c0:integer);, Ymin, X0, E, Xmax_ex, Ymax_ex:
real;,Uf:real;,B,C,D:real;:=0;:=0.000001;_ex:= 1/(Rd*Kt*(z-Tf));_ex:=
(Ln(1/(Rd*Kt*(z-Tf)))/Kt - z*Ud)/(Tf-z) + Uv + 1/(Kt*(z-Tf));:= Ymax_ex;:=0;x =
Xmax_ex then y:= Ymax_ex;x >= Xmax_ex then c0:=6;:=(Ymax+Ymin)/2;
Tf:= Tf;// обратная функция для z:=
Uv+ y*Rd; // обратная функция для x
if x >=
Xmax_ex then:=5;;;y >= Ymax_ex then:=3;;;y <= 0
then:=1;;;:=Ln(y);:=A/(-Kt);:=B+z*Ud;:=z-Tf;D=0 then:=2;;;:=(C/D)+Ub;X0 >=
Xmax_ex then:=4;;;X0 > x then Ymax:=y else Ymin:=y;until (X0+E > x) and
(X0-E < x);;MidI_x02_01(x,z,Tf,Ud,Kt,Uv,Rd:real;var y:real;var c0:integer);,
Ymin, X0, E, Xmax_ex, Ymax_ex: real;,Uf:real;,B,C,D:real;:=0;:=0.000001;_ex:=
1/(Rd*Kt*(z-Tf));_ex:= (Ln(1/(Rd*Kt*(z-Tf)))/Kt - z*Ud)/(Tf-z) + Uv +
1/(Kt*(z-Tf));:=exp(((Tf-z)*x + z*Ud)*Kt);:= Ymax_ex;x = Xmax_ex then y:=
Ymax_ex;x >= Xmax_ex then c0:=6;:=(Ymax+Ymin)/2;
Tf:= Tf;// обратная функция для z:=
Uv+ y*Rd; // обратная функция для x
if x >=
Xmax_ex then:=5;;
end;y <= Ymax_ex then:=3;;;y
<= 0 then:=1;;;:=Ln(y);:=A/(-Kt);:=B+z*Ud;:=z-Tf;D=0 then:=2;;;:=(C/D)+Ub;X0
>= Xmax_ex then:=4;;;X0 > x then Ymin:=y else Ymax:=y;until (X0+E > x)
and (X0-E < x);
end;
В процессе исследования экспериментальных данных
для выходного тока (Ik)
были получены следующие коэффициенты эмиссионного уравнения:
KT
=
0,112781 Вольт-1 ∙ Кельвин-1;
TF
=631,905 Kельвин;
UD
= 0,238687Вольт;
Uv = 1,045712
Вольт;
RD
= -1,1 Ом.
Для входного тока (Ib)
кэффициенты эмиссионного уравнения были следующие:
KT
=
0,048085 Вольт-1 ∙ Кельвин-1;
TF
=885,8322 Kельвин;
UD
= 0,416718Вольт;
Uv = 1,25799
Вольт;
RD
= -190 Ом.
На рисунке 16. были построены графики
математической модели для входного и выходного тока.
Рис. 16. Графики математической модели входного
и выходного тока для транзистора КТ312В, построенные в полулогарифмическом
масштабе.
Для схем исследования потока тепла (ИПТ)
эмиссионное уравнение может быть применимо к биполярным транзисторам, что мы и
показали своим опытом.
Исключение составляет область малых токов базы:
там где ток может поменять своё направление и стать отрицательным. Также
представляет трудность применять эмиссионное уравнение для низкоомных PN-переходов.
К ним могут быть отнесены некоторые диоды Шоттки, германиевые диоды.
Характеристики таких диодов недостаточно линейны из-за их терморезистивных
свойств. Обычно невозможно исследовать и мощные транзисторы из-за их сложных
конструктивных решений: когда мощный транзистор состоит из нескольких
параллельно соединённых маломощных транзисторов. Наиболее подходящими для
исследования являются маломощные кремниевые транзисторы.
Рис. 17. Совпадение графиков экспериментальных
данных и математической модели входного и выходного тока для транзистора
КТ312В, построенные в полулогарифмическом масштабе.
Выводы
1. Явление положительной обратной связи в
вольт-амперных характеристиках транзистора позволяет объяснить эффект Кирка и
эффект Эрли.
. Явление положительной обратной связи в
вольт-амперных характеристиках транзистора доказывает несостоятельность теории
электронно-дырочной проводимости, которая не может объяснить явления,
происходящие в биполярном транзисторе.
. Явление положительной обратной связи в
вольт-амперных характеристиках транзистора осуществляется согласно эмиссионному
уравнению, и доказывает применимость этого уравнения для описания термоэлектрических
процессов в электронных приборах.
. На основе уравнения для ПОС можно разработать
математическую модель работы транзистора. Модель будет работать на основе
законов физики.
Литература
Ямпурин Н.П.: Основы надежности
электронных средств. - М.: Академия, 2010
Под ред. А.А. Орликовского ; Рец.:
А.Ф. Александров, А.А. Горбацевич: Наноэлектроника. - М.: МГТУ им. Н.Э.
Баумана, 2009
Под ред.: А.А. Кураева, Д.И.
Трубецкого ; А.В. Аксенчик и др.: Методы нелинейной динамики и теории хаоса в
задачах электроники сверхвысоких частот. - М.: ФИЗМАТЛИТ, 2009
Шишкин Г.Г.: Электроника. - М.:
Дрофа, 2009
А.Н. Диденко и др. ; Под ред. И.Б.
Фёдорова: Вакуумная электроника. - М.: МГТУ им. Н.Э. Баумана, 2008
Лебедев А.И.: Физика
полупроводниковых приборов. - М.: Физматлит, 2008
Шматько А.А.: Электронно-волновые
системы миллиметрвого диапазона. - Харьков: ХНУ им. В.Н. Каразина, 2008
Московский гос. ин-т стали и
сплавов, Саратовский гос. ун-т им. Н.Г. Чернышевского ; под ред. Л.В. Кожитова:
Оборудование, технологии и аналитические системы для материаловедения, микро- и
наноэлектроники. - М.: МИСиС, 2007
Федеральное агентство по
образованию, Московский гос. ин-т стали и сплавов (Технологический ун-т),
Саратовский гос. ун-т им. Н.Г. Чернышевского ; под ред. Л.В. Кожитова ;
авт-сост.: В.П. Менушенков и др.: Оборудование, технологии и аналитические
системы для материаловедения, микро- и наноэлектроники. - М.: МИСиС, 2007
Филачёв А.М.: Твердотельная
фотоэлектроника. - М.: Физматлит, 2007
Захвалинский В.С.: Электроника. -
Белгород: БелГУ, 2006
Смоликов А.А.: Наноматериалы. -
Белгород: БГТУ, 2006
Смоликов А.А.: Наноматериалы. -
Белгород: БелГУ, 2006
Горошков Б.И.: Электронная техника.
- М.: Академия, 2005
Гуртов В.А.: Твердотельная
электроника. - М.: Техносфера, 2005
Гусев В.Г.: Электроника и
микропроцессорная техника. - М.: Высшая школа, 2005
Жаворонков М.А.: Электротехника и
электроника. - М.: Академия, 2005
Келим Ю.М.: Вычислительная техника.
- М.: Академия, 2005
Кучумов А.И.: Электроника и
схемотехника. - М.: Гелиос АРВ, 2005
Неволин В.К.: Зондовые
нанотехнологии в электронике. - М.: Техносфера, 2005
Под ред. Ю.А. Чаплыгина:
Нанотехнологии в электронике. - М.: Техносфера, 2005
Алексеенко А.Г.: Основы
микросхемотехники. - М.: Лаборатория Базовых Знаний: Физматлит: Юнимедиаста,
2004