Усилитель мощности переменного сигнала
1. Развернутое
техническое задание
Темой курсовой работы является
разработка усилителя мощности переменного сигнала. Усилитель имеет
дифференциальный вход, бестрансформаторный выход и плавную регулировку усиления
от «0» до «Uвых max». Каскады собраны на операционных усилителях, оконечный каскад на
биполярных транзисторах.
Исходными данными для выполнения
работы являются:
1. ЭДС входного
сигнала 
с внутренним
сопротивлением 
. Выходное
напряжение 
. Сопротивление
нагрузки 
. Емкость
нагрузки 
. Коэффициент
частотных искажений на граничных частотах 

не должен превышать
заданных значений
6. Усилитель должен
работать в диапазоне температур 
. Коэффициент
нелинейных искажений не должен быть больше 1%.
В схеме усилителя предусмотреть не
более двух источников питания, для чего следует рассчитать фильтры в цепях
питания с коэффициентом пульсаций не превышающим 1,5%.
2. Выбор и обоснование
схемы усилителя
В данном разделе пояснительной
записки проводится общий расчет усилителя мощности с представлением структурной
схемы.
Сначала находится выходной ток или
ток в нагрузке
Затем производится вычисление тока
генератора
Рассчитывается коэффициент усиления
по току
Находится требуемый
коэффициент усиления по напряжению 
Мощность сигнала в
нагрузке может быть найдена как
Соответственно,
коэффициент передачи по мощности
Пересчитаем полученные
величины в дБ из условия 1дБ = 20∙lgK и получим
Исходя из условия, что
на один каскад усиления принимается 20…40 (дБ), принимаем 
и находим необходимое
число каскадов N рассчитываемой
схемы
Полученный результат
округляется в сторону большего значения. Принимаем число каскадов схемы
усилителя мощности 
.
Схема включения входного
каскада выбирается в зависимости от заданного источника входного сигнала и
фазовых соотношений между входным и выходным сигналом. Этот каскад обеспечивает
согласование усилителя с источником сигнала. В нашем случае, согласно заданию
входной каскад усилителя мощности имеет дифференциальный вход и показан на
схеме (рисунок 1).
Схемы промежуточных каскадов также
выполнены на операционных усилителях, и являются усилителями с глубокой
обратной связью. Вариант схемы промежуточного каскада приведен на рисунке 2.
Рисунок 1 - Схема входного
дифференциального каскада
Рисунок 2 - Схема промежуточного
каскада
Выходной (оконечный каскад) выполнен
по схеме бустера напряжения или тока. Элемент обратной связи позволяет
обеспечить необходимое усиление. За счет введения отрицательной ОС существенно
улучшаются такие показатели работы схемы, как коэффициент нелинейных искажений
и стабильность работы каскадов схемы.
Предполагаемая структурная схема усилителя
мощности будет иметь вид (рисунок 3).
Рисунок 3 - Структурная схема
усилителя мощности
Г - Генератор; 1 - Входной каскад;
регулировка усиления предусматривается во входном каскаде; 2, 3 - 1-ый и 2-ой
промежуточные каскады; 5 - Оконечный каскад - бустер; Н - Нагрузка в виде
сопротивления, зашунтированного конденсатором; ФП - фильтр питания
3. Расчет выходного
каскада
3.1 Выбор схемы
усилителя мощности
Схема усилителя представляет собой
инвертирующий бустер напряжения с управлением по цепям питания ОУ (рисунок 4).
Начальные токи покоя баз транзисторов здесь задаются с помощью резисторов R2
и R4, а также стабилитронов VD1 и VD2.
Сопротивление R1 вводится для лучшего согласования с предыдущим
каскадом усилителя.
При положительной полуволне входного
гармонического сигнала стабилитрон VD1 запирается и на базе VT1
будет отслеживаться входной потенциал, что приведет к его отпиранию и
формированию на сопротивлении нагрузки положительной полуволны выходного
гармонического сигнала. При отрицательной полуволне входного гармонического
сигнала работает VD2 и VT2, и на нагрузке формируется
отрицательная полуволна выходного гармонического сигнала.
Сигнал на транзисторы оконечного
каскада в этой схеме подается с выводов питания операционного усилителя. При
этом транзисторы VT1 и VT2, VT3 и VT4 соответственно образуют комплементарные пары.
При малых входных токах транзисторы VT3 и VT4 оконечного каскада
заперты. В этом случае весь выходной ток протекает через операционный усилитель.
При больших сигналах транзисторы VT3 и VT4 открываются и основная часть выходного тока проходит через них.
[2]
3.2 Выбор транзисторов
Производится выбор транзисторов для
схемы выходного каскада. Предварительно производится выбор напряжения источника
питания.
Напряжение источника
питания находится из условия 
Из списка номинальных
значений напряжений источников постоянного питания выбирается необходимое
значение и принимается величина 
.
Рисунок 4 - Схема
бустера напряжения с управлением по цепям питания ОУ
Рассчитывается мощность,
потребляемая оконечным каскадом
где Iк.ср - средний ток транзисторов при максимальной амплитуде
Соответственно
определяется значение мощности
Далее рассчитывается
мощность, рассеиваемая на коллекторе транзистора выходной цепи
При этом следует иметь в
виду, что

Выбирается пара
комплементарных транзисторов VТ3,
VТ4 средней мощности (рекомендуется 600 серия), которые должны
удовлетворять следующим условиям.

;

;

;
где 
, - предельные параметры
транзисторов.
На основании этих
условий выбирается пара комплементарных транзисторов, описание которых
представлено в таблице 1.
Таблица 1 - Параметры
комплементарных транзисторов VT3
и VT4
|
№
|
Тип
|
Наименование
|
|
|
|
|
|
VT3
|
p-n-p
|
КТ639А
|
1,5
|
100
|
40 -100
|
0,2
|
|
VT4
|
n-p-n
|
КТ630А
|
1
|
90
|
40 - 120
|
0,2
|
3.3 Выбор операционного
усилителя для схемы выходного каскада
усилитель мощность каскад транзистор
Осуществляется выбор операционного
усилителя для схемы бустера.
Выбор производится их следующих
соображений:
По напряжению: 
.
По току:
Рассчитаем ток потребления
ОУ 
, исходя из базового
тока выходного транзистора схемы. Если считать, что для бустера напряжения

Для бустера тока справедливо
соотношение
Таким образом, значение 
оказывает влияние на
выбор ОУ для бустера напряжения.
По частоте усиливаемого
сигнала: 
.
Принимается ОУ,
параметры которого представлены в таблице 2.
Таблица 2 - Параметры
операционного усилителя для схемы бустера
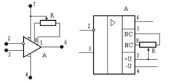
Функциональная и принципиальная
электрические схемы данного ОУ представлены на рисунке 5.
Рисунок 5 - Электрическая схема
операционного усилителя
3.4 Полный расчет
бустера
Роль выходного каскада ОУ
заключается в обеспечении достаточного размаха напряжения и тока на выходе и в
изоляции предшествующих каскадов усиления от изменяемой внешней нагрузки [3].
Проведем полный расчет схемы
выходного каскада, электрическая схема которого изображена на рисунке 4, если
выбрана схема бустера напряжения, управляемого по цепям питания ОУ.
Сопротивление резистора R7
выбирается из условия максимального тока, потребляемого операционным усилителем
Определим токи через транзисторы VТ1, VТ2
где ток 
обычно принимается
равным 1 мА в классе усиления АВ.
Напряжения на базах
транзисторов VТ1,
VТ2 задаются параметрическими стабилизаторами R2-VD1, R4-VD2
(рисунок 4) и определяются выбранными из справочника стабилитронами или
светодиодами. Обычно значение напряжения на диоде равно 0,7 В.
Сопротивления резисторов
R2, R4 выбираются из условия обеспечения режима АВ в транзисторах
выходной цепи
Принимаются номинальные
значения сопротивлений 
Мощность, рассеиваемая
каждым из транзисторов VТ1,
VТ2, равна
На основании проведённых
расчётов выбирается пара комплементарных транзисторов VТ1, VТ2
удовлетворяющих следующим требованиям:

;

;

,
где 
, - предельные параметры
транзисторов.
Принимаются транзисторы
малой мощности, параметры которых приведены в таблице 3.
Таблица 3 - Параметры
комплементарных транзисторов VT1
и VT2
|
№
|
Тип транзистора
|
|
|
|
|
|
|
VT1
|
КТ315И
|
n-p-n
|
50
|
60
|
100
|
250
|
|
|
VT2
|
КТ361Д
|
p-n-p
|
50
|
40
|
150
|
250
|
|
Сопротивление резистора R1
бустера напряжения зависит от входного тока ОУ и находится из выражения
Так как обычно
коэффициент усиления выходного каскада усилителя мощности лежит в пределах 3 -
5, то принимаем 
. Тогда
откуда
Найденное значение
сопротивления может иметь большое значение. С учетом условия, что для ОУ, выпускаемых
отечественной промышленностью, это сопротивление лежит в пределах (5 - 10)
(кОм), принимается номинальное значение сопротивления резистора 
Тогда с учетом местной
обратной связи в схеме выходного каскада УМ находится сопротивление 
Принимается номинальное
значение сопротивления 
.
Рассчитывается
сопротивление резистора 
Принимается номинальное
значение сопротивления 
.
Диоды VD1, VD2 выбираются в
соответствии с условием
где 
- токи базы
транзисторов VТ1,
VТ2; 
- допустимые диапазоны
изменения тока стабилитрона.
Следовательно
Выбираются стабилитроны
КС222Ж, характеристики которого представлены в таблице 4.
Таблица 4 -
Характеристики стабилитронов VD1,
VD2
|
Тип стабилитрона
|
|
|
|
|
|
КС222Ж
|
0,5
|
5,7
|
22
|
70
|
Сопротивления резисторов

и 
находятся как
и принимаются в
соответствии с номинальными значениями сопротивлений: 
Конденсатор 
служит для коррекции
частотной характеристики бустера и выбирается из выражения
где 
- один из параметров
транзистора выходного каскада ОУ; 
- принимается для
транзисторов VТ1,
VТ2 при 
; 
- постоянная времени в
области верхних частот, рассчитываемая по формуле
откуда
После расчетов
принимается конденсатор, имеющий емкость номинального значения 30 пФ.
3.5 Построение семейства
выходных вольтамперных характеристик
Построим семейства выходных
ВАХ выходных транзисторов оконечного каскада. Строятся они при использовании
справочной зависимости коэффициента передачи тока одного из транзисторов
выходной цепи, принятых в подразделе 3.2, от тока коллектора или тока эмиттера.
График зависимости 
или 
в общем случае имеет
вид (рисунок 6):
Рисунок 6 - Зависимость
коэффициента передачи тока транзистора от тока коллектора (эмиттера)
Для построения семейства
выходных ВАХ транзистора (рисунок 8) находятся значения коэффициентов β
или h21э для каждого из значений принятых токов. Обычно
принимаются 6 - 8 значений токов. Исходя из найденных величин h21эi
при i-ом значении тока определяются значения токов базы
. (37)
Зависимость коэффициента передачи
тока транзистора от тока коллектора (эмиттера) приведем из [4]:
Рисунок 7 - Зависимость коэффициента
передачи тока транзистора КТ630А от тока коллектора (эмиттера)
Все значения токов коллектора
(эмиттера) и найденные коэффициенты h21э и токи Iбi
заносятся в таблицу 5.
Таблица 5 - Значения Iк,
h21э, Iбi.
|
Iк
(мА)
|
h21э
|
Iбi
(мкА)
|
|
20
|
90
|
222
|
|
30
|
98
|
306
|
|
40
|
105
|
380
|
|
60
|
110
|
550
|
|
80
|
112
|
710
|
|
100
|
114
|
880
|
|
120
|
112
|
1070
|
Если транзисторы выходной цепи
оконечного каскада работают по схеме с общим эмиттером, то семейство выходных
ВАХ имеет зависимость вида Iк=f (Uкэ).
По оси абсцисс при значении напряжения Uкэ, равным 2 - 5В,
проводится вертикальная линия, на которой токов коллектора и токов базы
транзистора и проводятся горизонтальные линии.
Под углом наклона к оси
абсцисс, зависящим от сопротивления r/б базы
транзистора, под углом с параметром
через начало координат
проводится линия критических режимов. Также угол наклона линии критических
режимов можно принять из справочной литературы. При этом, проведенные ранее
горизонтальные линии коллекторных токов должны находиться справа от линии
критических режимов. Так как полученные значения базовых токов имеют разные
значения не кратные величинам 50, 100 мкА, то следует аппроксимировать линии
коллекторных токов в соответствии с этими требованиями. Пример аппроксимации
показан на рисунке 8.
Рисунок 8 - К построению
выходных ВАХ транзистора
С учетом выходного
сопротивления транзистора горизонтальным аппроксимированным линиям коллекторных
токов следует придать наклон. Причем угол наклона будет непостоянным, так как
он зависит от коэффициента h21э, который сам в свою очередь
зависит от коллекторного тока (рисунок 6). Влияние выходного сопротивления
транзистора на положение линий коллекторного тока показано на рисунке 9.
Рисунок 9 - К учету
выходного сопротивления транзистора на положение линии коллекторного тока на
ВАХ
Задаваясь максимально
возможным значением приращения напряжения ∆Uкэ, следует
определить приращение коллекторного тока с учетом выражения
. (38)
С другой стороны
. (39)
Сопротивление
коллекторного перехода зависит от выбранного транзистора, а параметр βi
определяется зависимостью, показанной на рисунке 6. Таким образом, наклон линии
коллекторного тока на семействе ВАХ определяется величиной выходного
сопротивления транзистора rкэ.
Откладывая значение
напряжения источника питания на оси абсцисс, необходимо повести нагрузочную
линию, угол наклона которой зависит от величины сопротивления нагрузки.
Начальный ток коллектора следует принять 1 мА. Для этого тока находится
значение Iб.min
Семейство выходных ВАХ
транзистора показано на рисунке 10.
Рисунок 10 - Семейство
выходных ВАХ транзистора КТ630А
Построенное семейство выходных ВАХ
транзистора в оконечном каскаде понадобится для оценки усилительных свойств
выходной цепи схемы и для расчета нелинейных искажений.
3.6 Оценка усилительных
свойств выходного каскада
Оценим усилительные свойства
выходного каскада различными методами.
3.6.1 Графический метод
С помощью входной и выходной
характеристик графически определяем коэффициент усиления.
где ∆Uвых, ∆Uвх
определяются из графиков (рисунок 10, 11).
На рисунке 11 показана входная
характеристика мощных транзисторов выходной цепи бустера.
Рисунок 11 - Входная характеристика
транзистора
Входную характеристику транзистора
КТ630А принимаем из [4]:
Из рисунка 10 находятся значения
токов базы Iб.min и Iб.max, которые
определяют ΔUвх=ΔUбэ для обеспечения выходного напряжения ΔUвых (рисунок 11).
Рисунок 12 - Входная характеристика
транзистора КТ630А
3.6.2 Аналитический
метод
Если транзисторы работают в схеме
включения с общим эмиттером, то коэффициент передачи по напряжению может быть
найден согласно выражению
где -
входное
сопротивление транзистора, находится из входной характеристики (рисунок 11) при
входном токе Iб.mах. Величина Rвх.
определяется графически. В точке тока Iб.mах на касательной к
входной характеристике строится треугольник, из которого определяется входное
сопротивление по переменному току - β
соответствует току нагрузки (рисунок 6).
Исходя из найденных
номинальных значений сопротивлений резисторов R8 и R1,
рассчитывается коэффициент передачи по напряжению бустера
Естественно, все
рассчитанные значения коэффициентов передачи по напряжению должны быть
неодинаковыми, но 1-е и 2-е значения должны быть близкими по величине.
3.7 Оценка нелинейных
искажений
Наибольшие искажения в
схеме УМ обусловлены наличием в тракте усиления нелинейных элементов (элементов
с нелинейными характеристиками - транзисторов и др.), а также не симметрией
двухтактного выходного каскада. Наибольшие нелинейные искажения вносятся
бустером, где амплитуда сигнала максимальна. Коэффициент нелинейных искажений КНИ
= Кгарм в значительной степени зависит от режима работы
(класса усиления) схемы бустера, разброса параметров пар комплементарных
транзисторов. Оценка нелинейных искажений производится с помощью сквозной
характеристики. Сквозная характеристика, т.е. зависимость Iк=f(UГ),
строится для одного плеча схемы выходного каскада, по уравнению
когда RГ
= Rвых.пред.каск = Rвых.ОУ.
При этом используются
входные и выходные характеристики транзистора, включенного по схеме ОЭ. Оценка
нелинейных искажений проводится по методу 5-ти ординат.
Построение сквозной
характеристики производится следующим образом. Из семейства выходных характеристик
(рисунок 10) находятся значения токов базы для точек пересечения линий
коллекторных токов и нагрузочной линии. Первой точкой является ток базы при
токе коллектора равным 1 мА (класс усиления УМ - АВ). Для этого значения тока
базы из входной характеристики транзистора (рисунок 11) находится напряжение Uбэ.
Основную часть
напряжения UГ составляет именно это напряжение, к которому
добавляется второе слагаемое из произведения i-го значения тока базы и
выходного сопротивления операционного усилителя (из таблицы 3.2).
Для всех токов базы от
минимального до максимального значения рассчитываются значения напряжения UГ.
Токи коллектора принимаются такой величины, которая соответствует значению в
точке пересечения линии коллекторного тока и линии нагрузки. Все принятые и
найденные значения токов и напряжений заносятся в таблицу 6.
Таблица 6 - Параметры
сквозной характеристики
|
IБ
(мкА)
|
Ik
(мА)
|
Uбэ
(В)
|
UГ
(В)
|
|
143
|
10
|
0,8
|
1,98
|
|
250
|
24
|
|
2,85
|
|
330
|
33
|
|
3,51
|
|
388
|
40
|
|
3,98
|
|
435
|
47
|
|
4,37
|
Используя данные таблицы 6 строится
сквозная характеристика вида Iк = f (UГ)
(рисунок 13).
Разбивая обрезок UГmin
UГmax на четыре равные части определяются пять значений
токов: Iк.min=10 мА, Iк1=20 мА, Iк0=29
мА, Iк2=37 мА, Iк.max=47 мА. С учетом
асимметрии плеч, задавшись коэффициентом асимметрии b = 0.05 - 0.1,
уточним найденные ранее пять значений токов плеч.
Рисунок 13 - Сквозная
характеристика выходной цепи бустера
= - 9 мА; (44)
= -33,3 мА; (45)
= 5,8 мА; (46)
= 22 мА; (47)
= 51,7 мА. (48)
По полученным пяти
значениям токов плеч выходного каскада рассчитываются значения амплитуд четырёх
высших гармоник тока коллектора.
Проводится проверка
найденных значений токов гармоник по формуле:

где

Коэффициент нелинейных
искажений или коэффициент 1-ой гармоники сигнала выходного каскада
рассчитывается следующим образом:
Найденное значение коэффициента
нелинейных искажений (гармоник) обязательно должно быть меньше 1 и находиться в
пределах 20 - 85%.
С учётом частотных
свойств операционного усилителя и наличия глубокой отрицательной обратной связи
в выходном каскаде значение коэффициента нелинейных искажений должно быть
пересчитано
где КГ
и КГООС - коэффициенты гармоник без ООС и с ООС, F
- глубина ООС, равная:
Коэффициент KUfв
в относительных единицах определяется из ЛАЧХ операционного усилителя выходного
каскада на заданной частоте fB. Значение КUрасч
принимается в соответствии с расчетами в подразделе 3.6.3 в относительных
единицах:

.
(59)
Полученное значение
коэффициент нелинейных искажений сравнивается с требованиями задания. Если
требования задания не выполнены, то необходимо принять меры для уменьшения
величины KГООС.
4. Расчет
предварительных усилителей
Схема УМ должна
обеспечивать необходимое усиление, рассчитанное во втором разделе с суммарным
коэффициентом усиления КUг. В подразделе 3.6.3
найдено значение коэффициента передачи по напряжению оконечного каскада КU.буст.
На оставшиеся три каскада (входной и промежуточные) усиление должно составлять
Условно принимаем равное
усиление на каждый из каскадов с коэффициентом передачи по напряжению
Как уже было отмечено во
2-м разделе, входным каскадом УМ является дифференциальный каскад. Произведем
его расчет. Схема дифференциального входного каскада представлена на схеме
(рисунок 14).
Рисунок 14 - Схема
дифференциального входного каскада
4.1 Выбор ОУ для
предварительного усилителя

Принимается ОУ типа UA741I, основные параметры
которого представлены в таблице 2, т.е. для входного и промежуточных каскадов
выбран ОУ одного типа. Далее проводится расчет элементов схемы. Рассчитывается
сопротивление резисторов 
и 
:
Так как рассчитываемая
схема является усилителем мощности, то следует обеспечить согласование
сопротивлений не только по выходу, но и по входу. Поэтому принимаются
номинальные значения сопротивлений 
, 
равные выходному
сопротивлению источника сигнала, но лежащие в пределах 5 - 10 кОм. Принимаются
номинальные значения сопротивлений резисторов 
и 
8,2 кОм.
Сопротивление резистора 
рассчитывается исходя
из ранее принятых значений КUi. Тогда
Принимается номинальное
значение 180 кОм.
Сопротивление резистора 
принимается равным 
: 180 кОм.
При найденных значениях
сопротивлений резисторов уточняется коэффициент передачи по напряжению усиления
схемы входного каскада по формуле
Сопротивления
регулировочного резистора 
принимается из
следующего условия:
где 
должно соответствовать
табличным данным ОУ. Принимается переменное сопротивление номинального значения
150 Ом.
4.2 Расчёт 1-го
промежуточного каскада
Схема этого каскада
изображена на рисунке 2. Тип ОУ для 1-го промежуточного каскада усиления принят
в подразделе 4.1. Определим сопротивление резистора 
:
где

Принимается номинальное
сопротивление резистора 
=10 кОм (5 - 10 кОм).
Коэффициент усиления по
напряжению 1-го промежуточного каскада KU1
принимается равным согласно выше приведённым расчётам 
. Исходя из этого
значения, производится расчет сопротивления R2.
Принимается
сопротивление резистора 
номинального значения
220 кОм.
Затем уточняется
величина коэффициента передачи по напряжению схемы 1-го промежуточного каскада
Рассчитывается
сопротивление резистора 
:
Принимается номинальное
значение 10 кОм.
4.3 Расчет 2-го
промежуточного каскада
Схема этого каскада
также изображена на рисунке 2. Тип ОУ для 2-го промежуточного каскада усиления
принят в подразделе 4.1. Определим сопротивление резистора 
:
где

Принимается номинальное
сопротивление резистора 
=10 кОм, также лежащее в
пределах 5 - 10 кОм.
Коэффициент усиления по
напряжению 2-го промежуточного каскада КU2
принимается равным согласно выше приведённым расчётам 
. Исходя из этого
значения, производится расчет сопротивления 
.
Принимается
сопротивление резистора 
номинального значения 
.
Затем уточняется
величина коэффициента передачи по напряжению схемы 2-го промежуточного каскада
Рассчитывается
сопротивление резистора 
:

Принимается номинальное значение 10 кОм.
4.4 Логарифмическая
амплитудно-частотная характеристика 2-го каскада
Согласно заданию требуется привести
ЛАЧХ для одного из каскадов усилителя мощности. Для второго промежуточного
каскада усилителя на ОУ, приводится ЛАЧХ усилителя.
Коэффициент передачи схемы по
напряжению равен КU2. Для этой величины проводится
нагрузочная линия, которой соответствует значение
(дБ)
(76)
В качестве примера
приведена логарифмическая амплитудно-частотная характеристика 2-го
промежуточного каскада (рисунок 15).
Рисунок 15 -
Логарифмическая амплитудно-частотная характеристика 2-го промежуточного каскада
усиления
Заключение
Применение
дифференциального входа в схемах интегральных ОУ позволяет осуществлять
подавление синфазных сигналов, как входных, так и вызванных изменениями
напряжения источников питания, температуры среды, и усиление на этом фоне
разностного входного сигнала.
Кроме того
дифференциальный вход позволяет разделить цепи источника задаваемого напряжения
и обратной связи, что исключило их взаимное влияние друг на друга.
Список источников
1. Цыкин, Г.С. Усилительные устройства: учебник для
электротехнических институтов связи / Г.С. Цыкин. - М.: Связь, 1971. - 367 с.
. Титце, У. Полупроводниковая схемотехника: справочное
руководство. Пер. с нем. / У. Титце, К. Шенк. - М.: Мир, 1982. - 512 с.
3. Достал, И. Операционные усилители: пер. с англ. / И.
Достал. - М.: Мир, 1982. - 512 с.
. Полупроводниковые приборы: транзисторы. Справочни к /
Н.Н. Горюнов [и др.]; под общ. ред. Н.Н. Горюнова. - М.: Энергоатомиздат. -
1985. - 904 с.