Особенности конструирования печатной платы

  • Вид работы:
    Курсовая работа (т)
  • Предмет:
    Информатика, ВТ, телекоммуникации
  • Язык:
    Русский
    ,
    Формат файла:
    MS Word
    619,54 Кб
  • Опубликовано:
    2014-07-05
Вы можете узнать стоимость помощи в написании студенческой работы.
Помощь в написании работы, которую точно примут!

Особенности конструирования печатной платы

Введение


Целью данного курсового проекта является изучение методики и получение практических навыков проектирования и трассировки печатных плат с использованием специализированного пакета Sprint-layout 5.0. В соответствии с техническим заданием, в ходе выполнения данной работы необходимо разработать макет печатной платы.

В производстве изделий приборостроения, средств вычислительной техники и бытовой электрорадиоаппаратуры широко применяются печатные платы как средство, обеспечивающее автоматизацию монтажно-сборочных операций, снижение габаритных размеров аппаратуры, металлоемкости и повышения ряда конструктивных и эксплуатационных качеств изделия.

Печатная плата (на англ. PCB - printedcircuitboard) - пластина, выполненная из диэлектрика, на которой сформирована (обычно печатным методом) хотя бы одна электропроводящая цепь. Печатная плата (ПП) предназначена для электрического и механического соединения различных электронных компонентов или соединения отдельных электронных узлов. Электронные компоненты на ПП соединяются своими выводами с элементами проводящего рисунка, обычно пайкой, или накруткой, или склёпкой, или впрессовыванием, в результате чего собирается электронный модуль (или смонтированная печатная плата).

Процесс производства печатных плат прошло долгий путь от приклеивания медной фольги к диэлектрику и ручного лужения, до сложных автоматизированных химических и электрохимических процессов. Качество, ремонтопригодность, а также габаритные размеры готовой продукции во многом зависят от качества изготовления печатных плат. Перечень технологических операций входящих в процесс производства печатных плат:

) нарезка заготовок и образование базовых отверстий - в производстве нарезку материала выполняют методом штамповки с одновременной пробивкой базовых отверстий на технологическом поле.

) химическая металлизация печатных плат заключается в последовательности химических реакций осаждения меди, используемой в качестве слоя, или подслоя при нанесении основного слоя токопроводящего рисунка гальваническим способом.

) гальваническая металлизация при производстве печатных плат ее применяют для увеличения тонкого слоя химической меди с целью последующего нанесения на поверхность проводящего слоя.

) нанесение рисунка схемы на печатные платы или их слои необходимо для получения защитной маски требуемой конфигурации при осуществлении процессов и травления проводящего слоя.

) травление меди с пробельных мест - формирование проводящего рисунка схемы.

) удаление защитной маски после операций травлений.

) оплавление металлорезиста гальванически нанесенный металлорезист олово-свинец.

) нанесение защитного покрытия на плату наносится в специальной распылительной камеры, в качестве защитного материала может использоваться лак, флюсы ацитоноканифольные или спиртоканифольные

1.     
Основная часть

.1 Анализ схемы электрической принципиальной высококачественного УМЗЧ

Рис. 1.1.1. Технические характеристики высококачественного УМЗЧ

Максимальная выходная мощность, Вт, на активной нагрузке 8 Ом…15

Максимальная выходная мощность, Вт, на активной нагрузке 4 Ом…27

Полоса рабочих частот (поуровню-1 дБ), Гц ………………..0…50000

Полоса рабочих частот (поуровню-3 дБ), Гц ………….……10…110000

Чувствительность, ……………………………………….……………. 0,6

Максимальная мощность усилителя при разной нагрузке определена порогом появления заметного на слух клиппинга (ограничения) сигнала усилителя на тональном сигнале. Напряжение шумов и помех в частотных полосах измерено селективным вольтметром В6-9.

Схема высококачественного усилителя на полевых транзисторах с вертикальным каналом, работающего в режиме класса А. Сигнал с регулятора громкости подается на вход усилителя мощности. Если на выходе предварительного усилителя постоянного напряжения нет или оно невелико (в пределах одного-двух десятков милливольт), то усилитель возможно подключать к нему без разделительного конденсатора С1. В таком режиме УМЗЧ способен усиливать и инфранизкочастотные колебания. Защита усилителя от внешних высокочастотных наводок либо помех от тюнера, приемника и проигрывателя компакт-дисков осуществляется входным ФНЧ R1C2, частоту среза которого при необходимости можно несколько снизить. Последующий дифференциальный каскад выполнен на полевых транзисторах с изолированным затвором и вертикальным p-каналом (VT2, VT4). Для создания местной ООС в цепях истоков этих транзисторов введены резисторы R5 и R8. Левое плечо каскада (транзистор VT2) нагружено на цепь, состоящую из транзистора VT3 и резистора R6, - составной частью управляемого генератора тока (УГТ), в качестве которого используется «токовый транзистор» на элементах VT3, R6 и VT9, R21, VT10, R25. Его входное сопротивление определяется резистором R6 и дифференциальным сопротивлением канала транзистора VT3, не превышающим 1…2 Ом. Правое плечо входного каскада нагружено на резистор R12, через который протекает ток транзистора VT6 согласующего каскада с низким входным сопротивлением. Различие в усилении сигналов, снимаемых с плеч входного дифференциального каскада, указывает на несимметричность усилительного тракта. Синфазный сигнал, возникший на выходе дифкаскада, пройдя через такой тракт, полностью компенсированным не будет. Ток через транзисторы входного дифференциального каскада задается источником стабильного тока на полевых транзисторах VT1, VT5. Для устойчивой работы транзистора VT1 в активном режиме применен низковольтный источник напряжения, роль которого выполняет светодиод HL2. Через него проходит ток около 10 мА, определяемый номиналом резистора R10. Генератор тока, задающий режим работы дифкаскада, должен быть малошумящим, так как его собственный шум проходит к последующему каскаду и усиливается. Конденсатор С5 снижает шум в цепи затвора VT1, улучшая отношение сигнал/шум усилителя. Напряжение затвор-исток в рабочей точке для транзисторов КП7123А, работающих в режиме обогащения канала, находится в пределах 3,9±0,5 В. Это напряжение необходимо учитывать, особенно при разработке низковольтных аналоговых устройств. Включение транзисторов VT5 и VT1 токовым зеркалом обеспечивает термокомпенсацию тока покоя входного каскада в широком диапазоне температур. Падение напряжения на резисторе R4 близко к напряжению на светодиоде HL2 (около 2 В), поэтому выбором резистора R4 устанавливают ток дифференциального каскада. Для исключения возможности самовозбуждения транзистора VT1 на высокой частоте установлен резистор R7. Согласующий каскад выполнен на БСИТ транзисторе КП948Б (VT6), используемом в линейном режиме усиления напряжения. Необходимая амплитуда напряжения возбуждения оконечного каскада достигается применением дополнительного источника питания. Это улучшает «развязку» по цепи питания и улучшает отношение сигнал/фон усилителя. Напряжение этого источника питания должно превышать напряжение для выходного каскада на 7… 15 В. Только в таком случае возможно полное использование выходного транзистора по напряжению. Формирование отрицательной полуволны зависит от напряжения насыщения транзистора VT6, а у БСИТ оно меньше, чем у биполярного и полевого транзисторов. На затвор БСИТ подается напряжение смещения 1,1В, создаваемое на диодах VD3, VD4, выполняющих функцию стабисторов. Эта структура также напоминает токовое зеркало.

Нагрузкой транзистора VT6 служат два последовательно соединенных резистора R11 и R32. Коэффициент усиления усилителя немного зависит от сопротивления нагрузки и может в небольших пределах корректироваться подстроечным резистором R32. Подстройка может оказаться полезной для коррекции усиления в многоканальной или стереофонической системе. В качестве нагрузки драйверного каскада вполне сознательно применен резистор, а не часто применяемый источник стабильного тока. Его частотные свойства оказались неудовлетворительными, он вносил искажения уже на звуковых частотах - выше 10кГц. Применить стабилизатор напряжения для питания согласующего каскада оказалось проще, чем собирать высококачественный источник тока. Стабилизатор напряжения питания согласующего каскада полезен для обеспечения стабильности тока покоя выходных транзисторов. Его низкое выходное сопротивление улучшает работу согласующего каскада и в части внесения искажений на низких частотах. Стабилизатор DA1 собран на микросхеме КР142ЕН12А. Его выходное напряжение можно подстраивать резистором R19. Для уменьшения пульсаций на выходе стабилизатора применен конденсатор С9. Если по каким-либо причинам возникает аварийная ситуация и напряжение на выходе стабилизатора DA1 падает, диод VD2 переходит в проводящее состояние, питая согласующий каскад от источника питания выходного каскада. Амплитуда положительной полуволны может уменьшиться, искажения возрастут, но усилитель будет работоспособен. Диоды VD1, VD5 защищают микросхему от обратного напряжения. Выходной каскад выполнен на мощных полевых транзисторах КП727Б, включенных параллельно для снижения рассеиваемой мощности на каждом из них. Правильное расположение транзисторов на теплоотводе позволяет получить более эффективную теплоотдачу. Резисторы R13, R15 и R22, R23 предотвращают самовозбуждение выходного каскада на ВЧ. Резисторы в цепях истока мощных транзисторов позволяют парам стабильно работать в широком интервале температур. Управляемый генератор тока в выходном каскаде (VT9 и VT10) с транзистором VT3 отличается высокой линейностью, параметры которого не зависят от температуры. Его ток покоя составляет 1,6 А и может быть изменен подбором резистора R6. Коэффициент усиления усилителя на низких частотах зависит от крутизны преобразования входного дифференциального каскада и сопротивления нагрузки согласующего каскада. На высоких частотах начинает сказываться входная емкость истокового повторителя. Максимальный ток, отдаваемый в нагрузку, может достигать 3 А, так как этот усилитель оптимизирован для работы на нагрузку 4 Ом. При подключении нагрузки менее 4 Ом при максимальных амплитудах сигнала появляется ограничение в отрицательной полуволне сигнала. Подключение сопротивления нагрузки менее 4 Ом ведет к снижению выходной мощности ввиду вхождения усилителя в режим ограничения. Выходной каскад с генератором тока почти не вносит искажений в усиливаемый сигнал. Согласующий каскад в основном вносит вторую гармонику. В формировании его искажений принимают участие нелинейность транзистора VT6 и нелинейное сопротивление источника напряжения смещения. Для уменьшения этих искажений следует выбирать диоды VD3 и VD4 с малым динамическим сопротивлением. При замене диодов на КД521, КД522 полезно зашунтировать их оксидным конденсатором для уменьшения сопротивления этой цепи. Некоторая часть гармонических искажений образуется и в дифференциальном каскаде. Измерения проведены анализатором спектра СК4-56 с использованием генератора ГЗ-118. Усилитель, работающий в режиме класса А, более чувствителен к пульсациям питающего напряжения. Для их подавления применены активные фильтры, выполненные на транзисторах VT11 и VT12. При включении питания осуществляется медленная зарядка конденсаторов С15, С16 через резисторы R28 и R30 соответственно и напряжение питания усилителя нарастает медленно, исключая переходные процессы и щелчки в АС Для защиты АС достаточно плавкого предохранителя FU3, так как мощную НЧ головку АС трудно вывести из строя кратковременным постоянным напряжением (всего +/-16 В).Оксидные конденсаторы К50-68, установленные в цепях питания (С12, С13), шунтированы конденсаторами СЗ, С4 и С14.В усилителе и одном из выпрямителей применены кремниевые диффузионные быстродействующие диоды КД258А. Ток, потребляемый согласующим каскадом, невелик (25 мА), поэтому для снижения напряжения пульсаций на конденсаторе С11 применен резистор R26.

В блоке питания также применен выпрямительный мост VD10-VD13 на диодах Шотки. Падение напряжения на этих диодах меньше, чем у сплавных и диффузионных диодов, но и у них температура корпуса в процессе работы повышается на 40…45°С. Постоянный ток, потребляемый усилителем, составляет 1,6А, поэтому к конденсаторам фильтров С18 и С20 предъявляются повышенные требования к способности работы при большом уровне напряжения пульсаций. С конденсаторами С18, С20 типа К50 - 68-40 В-4700 мкФ при отсутствии внешних конденсаторов С21, С22, установленных вне платы, размах напряжения пульсаций достигает 1В. При подключении внешних конденсаторов емкостью 15000 мкФ каждый амплитуда пульсаций значительно уменьшается, что приводит к резкому увеличению надежности их работы.

.2 Конструктивные особенности высококачественного УМЗЧ

Два канала усилителей мощности объединены в одном корпусе по принципу «двойного моно» с раздельными блоками питания. Регуляторы громкости при желании могут быть конструктивно объединены.

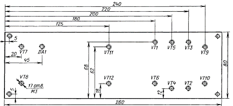
Для монтажа усилителя разработана двусторонняя печатная плата (ее чертеж показан на рис. 2.2.1, 2.2.2.) с металлизацией переходных отверстий и пазов, в которых фиксируют выводы размещенных на теплоотводе транзисторов. Выводы транзисторов заводят в металлизированные пазы и припаивают. Такой способ крепления позволяет осуществлять быстрое отсоединение печатной платы в случае демонтажа или ремонтных работ.

Все транзисторы каждого канала усилителя смонтированы на теплоотводе площадью 2000 см2; при температуре окружающей среды 20°С он нагревается до 70°С. Транзисторы изолируют от корпуса керамическими прокладками из окиси бериллия или тонкой слюдой. Для транзисторов выходного каскада прокладки из материала «Номакон» применять недопустимо. Теплоотвод должен иметь толстую подошву, а его ребра следует располагать снаружи корпуса. Подобранные пары транзисторов размещены с учетом минимизации теплового сопротивления между ними. Например, транзистор VT3 важно разместить рядом с VT9, VT10, а транзисторы VT7, VT8 следует установить подальше от VT9, VT10, соблюдая симметричность расположения на теплоотводе для равномерного его нагрева.

В усилителе применены подстроечные резисторы R19, R32 закрытого типа (импортные). Для удобства их регулировки (в составе двухканального усилителя) в печатной плате предусмотрены дополнительные отверстия, позволяющие устанавливать резисторы с поворотом на 180°.

Блок питания будет работать надежнее, если диоды моста закрепить на небольшом общем теплоотводе.

В качестве сетевого трансформатора можно применить подходящий промышленного производства мощностью 120…150 Вт. Ток, снимаемый с вторичной обмотки II (напряжение 2x16 В), должен быть не менее 3А. Допустимый ток обмотки III (24 В) выбирают в пределах 0,2…0,3А.

Усилитель выполнен на дорогостоящих, высококачественных элементах российского производства, имеющих повышенную надежность. Резисторы С2-ЗЗм, рекомендуемые для применения, можно заменить С2-ЗЗН, С2-23, ОМЯТ и аналогичными. Вместо проволочных С5-16МВ, установленных в усилителе, можно применить резисторы С2-ЗЗН или С2-ЗЗМ номиналом 0,3-0,33 Ом и рассеиваемой мощностью 2Вт. В УМЗЧ применены дорогостоящие конденсаторы повышенной надежности К50-68 и К10-73. Они используются в бытовой и профессиональной аппаратуре, а отдельные модификации - и в изделиях специального назначения, эксплуатируемых в более жестких условиях. Вместо оксидных конденсаторов К50-68 можно применить К50-53, однако надежность работы усилителя при этом снизится. Импортные конденсаторы в малогабаритных корпусах применять не следует. Они, как правило, имеют повышенное эквивалентное последовательное сопротивление (ESR) и не способны работать при интенсивной токовой нагрузке. Конденсаторы во время работы нагреваются, теряют емкость и выходят из строя, значительно сокращая время наработки усилителя на отказ. Высоконадежные керамические конденсаторы К10-73, обкладки которых выполнены из сплава серебра с палладием (PGMконденсаторы), являются модификацией известных конденсаторов КМ-3, КМ-4, КМ-66, К10-17-16. В усилителе можно использовать любые из перечисленных. Дешевые конденсаторы из Юго-Восточной Азии, обкладки которых выполнены из таких металлов, как медь, никель (название ВМЕ), и их российские аналоги К10-7, К10-19 применять в высококачественных усилителях не рекомендуется. В усилителе применены фольговые (К78-16) и металлопленочные (К78-19) высокочастотные полипропиленовые конденсаторы, обладающие ничтожной индуктивностью выводов. Эти конденсаторы выполнены по современным технологиям на основе слабополярного диэлектрика и имеют низкую абсорбцию. Характер изменения тангенса угла потерь от частоты для конденсаторов К78-16 и К78-19 приближается к фторопластовым конденсаторам, однако они имеют меньшие массогабаритные показатели. Блокировочные конденсаторы СЗ, С4, С7, С14 типа К78-16 можно заменить на К78-2 или керамические К10-73, К10-17. Конденсаторы С1, С6, С23 в сигнальных цепях - К78-19. Вместо них можно применить К78-12, К78-37, К78-2 или в крайнем случае К73-16, К73-17, К73-24. Сборки диодов Шотки с общим катодом КД270БС можно заменить на КД270ВС-КД270ЕС или рассчитанные на больший ток КД271, КД272, КД273 с индексами БС-ЕС. Кроме этих диодов можно применить КД636АС, КД636БС или КД643АС, КД643БС.К замене полевых транзисторов необходимо подходить очень осторожно. Например, вместо транзисторов КП7123А (VT1 и VT5), установленных во входном дифференциальном усилителе, применять любые транзисторы фирмы IR (InternationalRectifier) нельзя. Переключательные транзисторы не предназначены для работы в активном режиме. Массовость и дешевизна нередко приводят к упрощению технологии изготовления, что ухудшает их электрические параметры. В усилителях без общей ООС такие транзисторы применять не имеет смысла. Вместо КП7123А можно применить транзисторы с горизонтальным каналом 2SJ76-2SJ79, однако режимы работы каскадов по постоянному току, где они установлены, изменятся. Вместо транзистора КП7122А в корпусе КТ27-2 (VT3) можно применить КП748А; он выполнен в корпусе большего размера (КТ28-2). Пару выходных транзисторов КП727Б, включенных параллельно VT7, VT8 (VT9, VT10), можно заменить одним транзистором КП742Аили КП742Б.

2. Особенности конструирования печатной платы

.1 Выбор элементарной базы, требования по монтажу радиоэлементов на печатной плате

Перед монтажом печатные проводники и контактные площадки необходимо подготовить к пайке очистить от оксидной пленки и загрязнений. Если монтаж ведется сразу после изготовления печатной платы, то проводники достаточно протереть бязевым тампоном, смоченным в спирте. Если же с момента изготовления платы прошло много времени и металлическое покрытие потемнело (окислилось), то вначале необходимо зачистить его до блеска мелкозернистой шкуркой, а затем тщательно промыть спиртом. После обезжиривания на все контактные площадки печатной платы кисточкой наносят тонкий слой канифольного флюса.
Радиоэлементы и микросхемы тоже необходимо подготовить к монтажу и пайке. Для этого их выводы формуют (придают им нужную форму), обрезают до необходимой длины, зачищают и лудят. Формовку выводов делают для того, чтобы, во-первых, привести в соответствие расстояния между ними и контактными площадками, во-вторых, чтобы предотвратить отслаивание печатных проводников и площадок при неосторожном нажатии на корпус элемента. Формовку можно выполнить с помощью пинцета, миниатюрных плоскогубцев, круглогубцев или несложного приспособления. Поскольку прочность сцепления фольги с платой невелика и при нагревании уменьшается, то при пайке соединений на печатной плате необходимо соблюдать осторожность не допускать перегрева, так как это может привести к отслаиванию проводников и площадок от платы.

Для пайки следует применять припой с низкой температурой плавления: ПОСК 50, ПОС61 и другие. Мощность электрического паяльника при пайке этими припоями не должна превышать 35-40 Вт. В некоторых случаях в отверстия печатных плат для настроечных элементов устанавливают пистоны. Опаивание пистонов является обязательным условием надежной работы устройства.

Произведем подбор элементной базы для данной схемы. Выбор начнем с активных элементов, так как он определяет ток, а следовательно, и рассеиваемую мощность на пассивных компонентах - резисторах.

При выборе резисторов используем критерии:

− максимальная мощность рассеиваемая на резисторах;

− разброс величины сопротивления должен быть минимальным;

− использовать по возможности резисторы одного типа.

Согласно схеме для резисторовR1-R10, R12-R18, R22, R23, R26-R31 (рис. 1.1.1.) подойдут С2-ЗЗм, резисторы металлодиэлектрические прецизионные.

Основные характеристики такого резистора:

Пределы номинального сопротивления 0,75 Ом -22 МОм

Номинальная мощность, Вт - 0.25

Типоразмер - 0805

Масса не более 0,015г

Отобразим основные геометрические размеры:

Рис. 2.1.1.

Внешние размеры резисторов

Определим установочную площадь резисторов:уст= 0,8*2,0*1,25*2 =4mm2

При подборе конденсаторов выбор достаточно велик, практически все они удовлетворяют климатическим и механическим требованиям, и поэтому особую роль играют массогабаритные и электрические параметры (отклонение номинала, рабочее напряжение и т.д.), а так же показатели надежности.

Согласно ТЗ подберем конденсаторы соответствующей емкости, рабочего напряжения, материала.

Конденсаторы имеют одинаковые геометрические размеры. Их основные характеристики:

Тип конденсатора - К10-73

Материал - керамический

Типоразмер - 805

Номинальное напряжение 160В

Масса 0,5г

Геометрические размеры данных конденсаторов С2-С5, С7, С10, С14, С17, С19 (рис. 1.1.1.) представлены на рисунке 2.1.3:

Рис. 2.1.3.

Внешний вид конденсаторов

Определим установочную площадь конденсаторов:уст= 4,5*6*2 =54mm2

Конденсаторы С8, С9, С10, С11, С12, С13, С15, С16, С18, С20 (рис. 1.1.1.) оксидные и устанавливаются в соответствии с рисунком 2.1.5.

Рис. 2.1.5.

Полевой транзистор VT1-VT5, VT7-VT12 (рис. 1.1.1.) типа IRLR2905 (транзистор VT6 устанавливается и занимает площадь также как и транзисторы VT1-VT5, VT7-VT12), устанавливают в соответствии с рисунком 2.1.6.

Рис. 2.1.6.

Определим установочную площадь этого транзистора:

Sуст= 22*10*1 =220mm2          

Транзисторы VT1-VT12 так же соответствует техническому заданию.

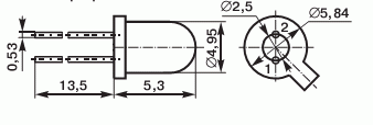
Светодиоды HL1, HL2 (рис. 1.1.1.) соответствует рис. 2.1.7.

Рис. 2.1.7.

Определим установочную площадь этого светодиодауст= 5.842*3.14 =18.3376 mm2

Светодиоды HL1-HL2 соответствует техническому заданию.

В выходном каскаде стоят транзисторы большой мощности, следовательно, необходимо поставить радиаторы для отвода теплоты Рис. 2.1.8.

Рис. 2.1.8.

Резисторы R19, R33, R32, (рис. 1.1.1.) подстрочные. Подстроечный резистор - это миниатюрная версия стандартного переменного резистора. Они разработаны для установки непосредственно на печатную плату и регулируются только при настройке схемы. Для управления подстроечным резистором нужна маленькая отвёртка или что-то другое, похожее на неё.

Рис. 2.1.9.

Определим установочную площадь этого подстроечного резисторауст= 12*10 =120 mm2

Подстроечные резисторы R19, R33, R32, соответствует техническому заданию.

Выпрямительные диоды КД258А VD1-VD9 (рис. 1.1.1.) выполнены в стеклянном каплевидном корпусе КД-29А с жесткими выводами. На корпус прибора кроме кольцевой метки черного цвета, обозначающей вывод катода, наносят три группы цифр: год, месяц выпуска и укороченная маркировка без букв «КД» Рис. 2.1.10.

Рис. 2.1.10.

Определим установочную площадь этого диодауст=4.2*3.7=15,54 mm2

Выпрямительные диоды КД258А VD1-VD9 соответствует техническому заданию.

В блоке питания также применен выпрямительный мост VD10-VD13 на диодах Шоттки (Рис. 2.1.11.). Падение напряжения на этих диодах меньше, чем у сплавных и диффузионных диодов, но и у них температура корпуса в процессе работы повышается на 40…45°С.

Рис. 2.1.11.

Определим установочную площадь этого диодауст= 10*13 =130 mm2

Диоды VD10-VD13 (рис. 1.1.1.) соответствуют техническому заданию.

Конденсаторы С1, С6, С23, конденсаторы полиэтилентерефталатные металлизированыые К73-16 Рис. 2.1.12. Конденсаторы предназначены для работы в цепях постоянного, переменного и пульсирующего токов и в импульсных режимах.

Рис. 2.1.12.

Определим установочную площадь этого конденсаторауст= 30*10 =300 mm2

Конденсаторы С1, С6, С23, соответствуют техническому заданию.

Светодиод HL1, резистор R33, конденсаторы С21, С22 и силовой трансформатор вынесены за пределы печатной платы и устанавливаются на шасси прибора.

2.2 Обоснование компоновки печатной платы

 

Компоновка печатной платы - это процесс, при котором находят оптимальное размещение навесных элементов и ИМС на печатной плате. Требования компоновки: обеспечить оптимальную плотность расположения компонентов; - исключить заметные паразитные электрические взаимосвязи, влияющие на технические характеристики изделия. Компоновку можно выполнять вручную или с использованием САПР. Требования к габаритным размерам плат определяются технологией их изготовления. Размеры ПП должны быть экономически целесообразны (существенно ограничение на типоразмеры с целью стандартизации инструментов и приспособлений). Размеры ПП должны соответствовать ГОСТ 10317-72, в котором рекомендовано 74 типа плат с соотношением сторон от 1 к 1 до 2 к 1. Максимальная ширина не должна превышать 500 мм. Рекомендуемая толщина в мм: 0,8; 1; 1,5; 2; 2,5; 3. Печатную плату с установленными на ней электрорадиоэлементами называют печатным узлом.

Если ЭРЭ имеют штыревые выводы, то их устанавливают в отверстия печатной платы и запаивают. Если корпус ЭРЭ имеет планарные выводы, то их припаивают к соответствующим контактным площадкам внахлест. ЭРЭ со штыревыми выводами нужно устанавливать на плату с одной стороны (для плат с односторонней фольгой - на стороне где нет фольги). Это обеспечивает возможность использования высокопроизводительных процессов пайки, например пайку «волной». Для ЭРЭ с планарными выводами пайку «волной» применять нельзя. Поэтому их можно располагать с двух сторон печатной платы. При этом обеспечивается большая плотность монтажа, так как на одной и той же плате можно расположить большее количество элементов. При размещении ЭРЭ на печатной плате необходимо учитывать следующее:

) Полупроводниковые приборы и микросхемы не следует располагать близко к элементам, выделяющим большое количество теплоты, а также к источникам сильных магнитных полей (постоянным магнитам, трансформаторам и др.);

) Должна быть предусмотрена возможность конвекции воздуха в зоне расположения элементов, выделяющих большое количество теплоты;

) Должна быть предусмотрена возможность лёгкого доступа к элементам, которые подбирают при регулировании схемы.

Шаг установки интегральных микросхем определяется требуемой плотностью компоновки, температурными режимами работы компонентов на плате, методом разработки топологии ПП (ручная, машинная), типом корпуса и сложностью электрической схемы. Рекомендуемый шаг установки ИМС -2,5 мм. Зазоры между корпусами должны быть не менее 1,5 мм. ИМС со штырьковыми выводами располагаются с одной стороны печатной платы, так как монтаж штырьковых выводов производится в сквозные отверстия, причем концы выводов выступают на обратную сторону платы. Корпуса ИМС прочно удерживаются на плате запаянными выводами и выдерживают практически любые механические воздействия

.3 Обоснование трассировки печатной платы

 

Трассировка печатной платы - это проведение проводников, соединяющих площадки, так, чтобы они имели минимальную длину, и минимальное число переходов на другие слои с целью устранения пересечений.

Диаметр отверстий в печатной плате должен быть большего диаметра вставляемого в него вывода, что обеспечит возможность свободной установки электрорадиоэлемента. При диаметре вывода до 0,8 мм диаметр неметаллизированного отверстия делают на 0,2 мм больше диаметра вывода; при диаметре вывода более 0,8 мм - на 0,3 мм больше.

Чтобы обеспечить надёжное соединение металлизированного отверстия с печатным проводником, вокруг отверстия делают контактную площадку. Контактные площадки отверстий рекомендуется делать в форме кольца.

Диаметры металлизированных отверстий вычисляем по формулеотв 1= d1+2* mпок+2*К, dотв 1=0,6+2*0,05+2*0,2=1,1 ммотв 2=0,6+0,5=1,1 мм; dотв 3=0,56+0,5=1,06 ммотв 4=0,55+0,5=1,05 мм; dотв 5 =0,55+0,5=1,05 мм; dотв 6=0,6+0,5=1,1 мм.

Определяем параметры контактных площадок вокруг металлизированных отверстий. Контактные площадки выполняются в виде контактного кольца с обеих сторон платы. Необходимая радиальная величина В=0,55 мм, технологический коэффициент на ошибку С=0,1, тогда dкп1= dотв 1+2*В+Скп1=1,1+1,2=2,3 мм; dкп2=1,1+1,2=2,3 ммкп3=1,6+1,2=2,26 мм; dкп4=1,05+1,2=2,25 ммкп5=1,05+1,2=2,25 мм; dкп6=1,1+1,2=2,3 мм

Печатные проводники рекомендуется выполнять прямоугольной конфигурации, располагая их параллельно линиям координатной сетки.

Проводники на всём их протяжении должны иметь одинаковую ширину. Если один или несколько проводников проходят через узкое место, ширина проводников может быть уменьшена. При этом длина участка, на котором уменьшена ширина, должна быть минимальной.

Следует иметь в виду, что узкие проводники (шириной 0,3 - 0,4 мм) могут отслаиваться от изоляционного основания при незначительных нагрузках. Если такие проводники имеют большую длину, то следует увеличивать прочность сцепления проводника с основанием, располагая через каждые 25 - 30 мм по длине проводника металлизированные отверстия или местные расширения типа контактной площадки с размером 1х1 мм или более. Если проводник проходит в узком месте между двумя отверстиями, то нужно прокладывать его так, чтобы он был перпендикулярен линии, соединяющей центры отверстий. При этом можно обеспечить максимальную ширину проводников и максимальное расстояние между ними. Экраны и проводники шириной более 5 мм следует выполнять с вырезами Связанно это с тем, что при нагревании плат в процессе из изоляционного основания могут выделяться газы. Если проводник или экран имеет большую ширину, то газы не находят выхода и могут вспучить фольгу Участки платы, по которым не должны проходить печатные проводники, обводят штрихпунктирной линией и соответствующие указание делают в технических требованиях. Зенковку на отверстиях графически не показывают.

Размеры на чертеже печатной платы указывают одним из следующих способов: с помощью размерных и выносных линий; нанесением координатной сетки в прямоугольной или в полярной системе координат; комбинированным способом.

2.4 Выбор типа конструкции и класса точности печатной платы

УМЗЧ будет реализовываться на двусторонней печатной плате.

В зависимости от применяемой элементной базы возможны следующие варианты расположения ЭРИ на печатной плате:

Элементы на печатную плату будут устанавливаться способом традиционного монтажа.

Закрепление печатной платы будет производиться в четырех точках по углам.

В соответствии с ГОСТ 23751-86 устанавливается 5 классов точности печатных плат, каждый из которых характеризуется определенными параметрами.

Проектируемая печатная плата 3 класса точности.

Определим ширину зазора между печатными проводниками:

Sp=tp=(L-Dкп)/2n+1,

Где Sp - ширина зазора, мм;

tp - ширина печатного проводника, мм;

L - расстояние между центрами монтажных отверстий, мм;

Dкп - диаметр контактной площадки, мм;

n - количество печатных проводников между 2-мя контактными площадками.

Зададим класс точности 3 (tpmin=0.25, Spmin=0.25):

Sp = tp =(2.5-2.24)/1=0.26

Похожие работы на - Особенности конструирования печатной платы

 

Не нашли материал для своей работы?
Поможем написать уникальную работу
Без плагиата!
Без нейросетей!