Основы телевидения

  • Вид работы:
    Курсовая работа (т)
  • Предмет:
    Информатика, ВТ, телекоммуникации
  • Язык:
    Русский
    ,
    Формат файла:
    MS Word
    1,06 Мб
  • Опубликовано:
    2014-09-18
Вы можете узнать стоимость помощи в написании студенческой работы.
Помощь в написании работы, которую точно примут!

Основы телевидения

Задача 1

Формирование растра на экране кинескопа и фотомишени передающей трубки.

Дано: развёртка чересстрочная, растр состоит из z = 7 строк, zакт = 5 (2 строки теряются во время обратного хода по кадру, - по одной строке в каждом поле). Представить графически процесс формирования растра для каждого поля отдельно, полагая ТZПХ >> ТZОХ и ТКПХ >> ТКОХ . Изобразить видимые участки траектории электронного луча сплошными линиями, а невидимые - пунктирными. Построить диаграммы изменения токов в кадровых и строчных отклоняющих катушках для заданного растра и эпюры ПТС на катоде кинескопа без соблюдения временных соотношений между служебными импульсами строчной и кадровой развёрток. Для однозначности, строки растра и соответствующие им изображения сигналов на диаграммах рекомендуется пронумеровать.

Решение:

При построении чересстрочного растра одно поле растра содержит число строк zn = 0,5z. За время прямого хода развёртки по кадрам (по вертикали в одном поле) развёртывается активное число строк zап. За время обратного хода по кадрам (по вертикали) развёртывается целое число строк zохв. Таким образом, zn = 0,5z =zап + zохв . При построении растра во время обратного хода по вертикали сканирующий элемент (СЭ) движется снизу вверх, длительности прямого и обратного ходов по строкам ТПХС и ТОХС сохраняются такими же, как во время прямого хода СЭ по вертикали.

Полное изображение будет передано за две развёртки; первая формирует совокупность нечётных строк (первое поле), вторая - чётных (второе поле). Построение чересстрочного растра представлено на рисунке 1, где ТX и ТY - время перемещения элемента разложения от начала (x=0; y=0) до конца строки (x=l) и кадра (y=h) соответственно.


Полным телевизионным сигналом (ПТС) называется сигнал, состоящий из сигнала изображения и сигнала синхронизации, передающихся одновременно. Формирование ПТС, включающего сигнал изображения (вертикальная штриховка) и синхросигнал, показано на рисунке 2. Длительность кадрового гасящего импульса - ty , строчного - tx , строчного синхроимпульса - τx , кадрового - τy . Обычно τy= Tx. Выбирая τy " τх обеспечивают возможность простого разделения кадровых и строчных синхроимпульсов на приёмной стороне. При указанной форме синхросигнала во время кадрового гасящего импульса отсутствуют строчные синхроимпульсы, что лишает генератор строчной развёртки на этот период принудительной синхронизации (рис. 2,а). При возобновлении синхронизации в начале кадра (поля) в связи с возможным отклонением частоты автоколебаний генератора строчной развёртки от fx возникает переходный процесс вхождения его в синхронизм - несколько первых строк растра может быть искажено. Для устранения подобных искажений во время кадрового гасящего импульса формируют сигналы синхронизации строк (рис.2,б). В период передачи кадрового синхроимпульса строчные имеют форму врезок, которые в приёмнике преобразуются в обычные синхроимпульсы, управляющие генератором строчной развёртки (моменты строчной синхронизации отмечены стрелками на рис. 2,б).


Структкра сигнала на рис.2, а,б, соответствует началу (t1) нечётного полукадра, т.е. вертикальная и горизонтальная развёртки начинаются в момент времени t1. На рис. 2,в показана структура сигнала для чётного полукадра, длительность последней строки нечётного полукадра составляет l/2 (Tx/2). Начало кадрового синхроимпульса соответствует середине времени передачи последней строки нечётного поля - t2 (на рис. 2б -д графически смещены строчные синхроимпульсы последней строки нечётного и чётного полукадров - вертикальная пунктирная линия). Кадровые синхронизирующие импульсы получаются различными для начала нечётного (рис.2,б) и чётного (рис.2,в) полукадров: в кадровом синхроимпульсе нечётного полукадра время от его начала до первой врезки - Тх (с точностью до длительности импульса врезки), а в синхроимпульсе чётного полукадра - Tx/2. Такая разница приводит к ошибкам к ошибкам установления момента синхронизации при выделении кадрового синхроимпульса методом интегрирования и нарушении точности чересстрочной развёртки (спариванию строк растра).

Для достижения идентичности кадровых синхроимпульсов нечётных и чётных полукадров на отрезке τy используют врезки с двойной строчной частотой. Для образования равных условий работы схем выделения кадровых синхроимпульсов вводят несколько импульсов двойной строчной частоты до начала и после окончания кадрового синхроимпульса - уравнивающие импульсы ( рис.2,г шесть импульсов до и пять после кадрового синхросигнала). Длительность врезок и уравнивающих импульсов, как и период их следования, вдвое меньше аналогичных значений для строчных синхроимпульсов.

Задача 2

Параметры развёртки.

Дано: верхняя граничная частота спектра телевизионного видеосигнала FВ [МГц].

В = 19 [МГц] = 18·10-6 Гц.

Определить время анализа или синтеза одного элемента изображения в данной системе.

Решение:

В = ,

где τуст - время установления, равное времени развёртки одного элемента изображения tэл.

Тогда:


Задача 3

Параметры развёртки.

Дано: вещательная телевизионная система некоторого стандарта.

Определить время анализа или синтеза одного элемента изображения в данной системе любым возможным способом, отличным от принятого в задаче 2.

Решение:

По условию задачи задана вещательная телевизионная система стандарта М. Основными параметрами этого стандарта являются:

число строк разложения z =525;

частота кадров fк = 30Гц;

частота полей fп = 60 Гц;

формат кадра k = 4:3.

Время передачи одного элемента изображения можно определить по формуле:

 

,

Тогда:


Задача 4

Параметры чересстрочной развёртки.

Дано: число строк развёртки z, частота смены полей fП [Гц], формат кадра k. Относительные длительности гасящих импульсов по строке и кадру ;  соответственно.

z = 1051

fП = 100 Гц

k = 16/9

α = 0,16

β = 0,08

Определить: частоту кадров fк [Гц], длительности поля ТП и кадра ТК [мс], частоту строк fz [Гц], длительность строки Tz [мкс], длительность активной части строки TZПХ [мкс] и длительность прямого хода вертикальной развёртки ТКПХ [мс]. Определить fmax (верхнюю граничную частоту) спектра телевизионного видеосигнала, приняв коэффициент Кэлла p = 0,9.

Решение:

Частота полей равна удвоенной частоте кадров:

П = 2fК  fК = fП:2

fК = 100 : 2 =50 [Гц].

Длительность поля:

.

Длительность кадра:

или .

Частота строк :


При чересстрочной развёртке каждая строка повторяется через поле, т.е. каждый кадр один раз.

Таким образом, длительность строки:


Длительность активной части строки:


Длительность прямого хода вертикальной развёртки:


Верхняя граничная частота спектра телевизионного видеосигнала:

,

где k - формат кадра;

fК - частота кадров;

p - коэффициент Кэлла.


Задача 5

Ширина спектра видеосигнала.

Дано: число строк в кадре z, частота полей fП [Гц], формат кадра К, число строк, затрачиваемых на обратный ход по вертикали в двух полях (в кадре) zОХК. Длительность обратного хода по строке ТОХС [мкс].

z = 1051;

fП = 100 Гц;

К = 4/3;

zОХК = 50;

ТОХС = 10 мкс.

Определить: при чересстрочной развёртке частоту кадров fК, частоту строк fz, длительность одной строки Тz, длительность поля ТП и кадра ТК, длительность обратного хода по кадру (по вертикали) ТОХК, относительные длительности обратных ходов по строкам и по кадрам (по вертикали) α и β, ширину спектра видеосигнала, выбрав значение коэффициента Кэлла самостоятельно.

Решение:


αТz - время, которое затрачивается на возврат луча к началу последующей строки, т.е.


βz - число строк, которое теряется за время обратного хода кадровой развёртки:

ТОХК = ТК - ТПХК = ТК -((1-β)·ТК

ТОХК = 0,022 -(1-0,08)·0,022 = 0,022 - 0,02 = 0,002 с

При чересстрочной развёрстке нижняя граничная частота равна частоте смены полей:

,

где p = 0,75 ÷ 0,85 - коэффициент Кэлла.

Чёткость поперёк строк (по вертикали) не является величиной постоянной и изменяется от 1 до 0,5 величины горизонтальной чёткости. Выравнивание чёткостей обеспечивается сокращением её в горизонтальном направлении путём ограничения полосы частот видеосигнала. Для учёта этого в формулу для расчёта fmax вводится дополнительный коэффициент p (коэффициент Кэлла). Теоретически оптимальное значение p = 0,64, однако практически этот коэффициент большим (например, в СССР р = 0,92 и fmax = 6МГц).

Рассчитаем значения fmax при различных значениях р, результаты сведём в таблицу 1:

Таблица 1

p

Fmax, Гц

 0,64

10 396 903,32

0,75

12 183 871,08

0,8

12 996 129,15

0,85

13 808 387,23

0,9

14 620 645,3


Исходя из полученных данных, примем значение р=0,75, тогда

max = 12 183 871, 08 Гц = 12,18 МГц.

Задача 6

Скорость движения электронного луча на экране кинескопа.

Дано: диагональ кинескопа d [см], формат кадра k=4/3, длительность прямого и обратного ходов строчной развёртки соответствует стандартам D, K.

k = 4/3;

d = 59 см;

Для стандартов D,K;

ТПХС = 0,057 мс = 0,057·10-3с;

ТОХС = 0,007 мс = 0,007·10-3с.

Определить: скорость движения электронного луча по экрану кинескопа во время прямого и обратного хода строчной развёртки. Аппроксимировать траектории строк прямыми, параллельными горизонтальным границам кадра.

Решение:

Скорость движения электронного луча на экране кинескопа во время его прямого хода по строке:

;

во время обратного хода по строке:

,

где  - длина строки на экране, ТПХС и ТОХС - длительности прямого и обратного ходов по строке.

Рис. 3. К определению длины строки на экране.

Аппроксимируя траектории строк прямыми, параллельными горизонтальным границам кадра, имеем: . Тогда:

Находим скорость движения электронного луча по экрану кинескопа во время прямого хода строчной развёртки:

 

Находим скорость движения электронного луча по экрану кинескопа во время обратного хода строчной развёртки:


Задача 7

Дано: коэффициент нелинейности преобразователя свет-сигнал равен γПТ, коэффициент нелинейности модуляционной характеристики кинескопа γК.

γПТ = 0,7; γК = 3,3; γ = 1,2.

Определить коэффициент нелинейности гамма-корректора γГК, если коэффициент нелинейности сквозного канала ТВ-системы равен γ.

Решение:

Коррекция полутоновых искажений предусматривает нелинейные преобразования сигнала изображения с целью формирования заданной характеристики передачи уровней яркости всем телевизионным трактом (от света до света): , где Lвых и Lвх - яркости соответствующих участков передаваемой сцены и формируемого изображения; k - постоянный коэффициент; γ - коэффициент нелинейности этой связи.

Если аналогичная характеристика преобразователя изображения , канала связи , монитора (кинескопа) , то


(здесь Sвых1; Sвых2 - сигналы изображения на выходе преобразователя и канала связи соответственно, а k1; k2; k3пт; γ2; γк - соответствующие коэффициенты характеристик этих устройств).

Следовательно,

γ = γпт γ2 γк .

Если в канале связи предусмотреть корректор нелинейности (γ-корректор или γгк ), то

γ = γпт γ2 γк γгк.

Значение γгк может быть определено из условия получения заданного значения γ, т.е.:

.

Учитывая , что элементы канала связи, как правило, линейны (γ2 = 1), то

,

т.е. для заданных условий этот коэффициент определяется характеристиками преобразователя изображения и устройства воспроизведения (кинескопа).


Задача 8

Микроструктура спектра видеосигнала. Номера гармоник частоты строк m1 = 80 и m2 = 81, число строк в кадре z = 525, частота строк fz = 15750 Гц. Представить графически составляющие спектра видеосигнала при m1 и m2, определить частоты боковых полос f, f, f, f для обеих гармоник строчной частоты (см. рис. 1 и 2).

Рисунок 1 - Структура спектра ТВ - сигнала.

Рисунок 2 - Микроструктура спектра ТВ - сигнала.

Решение:

Особенностью спектра телевизионного сигнала, определяемого соотношением (3.5), является суммирование перекрывающихся компонентов в интервале между соседними гармониками строчной частоты

= m ∙ fx + n ∙ fy = fx (m + n/z),

где z - число строк разложения (см. рис. 3).

Рисунок 3 - Микроструктура спектра ТВ - сигнала.

Для линейного преобразования [1, стр. 69] изображения сигнала на его выходе пропорционален освещенности соответсвующего элемента изображения, а текущее значение его координат x = vx∙t, y = vy∙t. Следовательно для определения текущего значения сигнала изображения найдем соотношение:

(t) = k∙ (Em,n ∙cos[2π∙(m + n/z)∙t] + φm,n )

Для построения искомой кривой примем ряд упрощений, а именно пусть следующие величины имеют такие значения: k = 1, Em,n = 1, φm,n = 0. Вести расчет будем только для значений m от 79 до 82, чтобы в него попали данные в условие значения (m1 = 80 и m2 = 81) и n - от -2 до +2. В итоге получим функцию:

(t) =  (cos[2π∙(m + n/z)∙t]) = cos[2π∙(79 - 2/525)∙t] + cos[2π∙(79 - 1/525)∙t] + cos[2π∙(79 + 0/525)∙t] + cos[2π∙(79 + 1/525)∙t] + cos[2π∙(79 + 2/525)∙t] + cos[2π∙(80 - 2/525)∙t] + cos[2π∙(80 - 1/525)∙t] + cos[2π∙(80 + 0/525)∙t] + cos[2π∙(80 + 1/525)∙t] + cos[2π∙(80 + 2/525)∙t] + cos[2π∙(81 - 2/525)∙t] + cos[2π∙(81 - 1/525)∙t] + cos[2π∙(81 + 0/525)∙t] + cos[2π∙(81 + 1/525)∙t] + cos[2π∙(81 + 2/525)∙t] + cos[2π∙(82 - 2/525)∙t] + cos[2π∙(82 - 1/525)∙t] + cos[2π∙(82 + 0/525)∙t] + cos[2π∙(82 + 1/525)∙t] + cos[2π∙(82 + 2/525)∙t] + …

Представим графически составляющие спектра видеосигнала при m1 и m2 (см. рис. 4). Построение будем призводить при помощи математического апарата MS Excsel.

Рисунок 4.

Определим частоты боковых полос f, f, f, f для обеих гармоник строчной частоты. Подставив числовые значения, получим:

Для m1 = 80:

= fx (m + n/z) = 15750 ∙ (80 + 1/ 525) = 1260030 Гц, = fx (m + n/z) = 15750 ∙ (80 + 2/ 525) = 1260060 Гц, = fx (m + n/z) = 15750 ∙ (80 - 1 / 525) = 1259970 Гц, = fx (m + n/z) = 15750 ∙ (80 - 2 / 525) = 1259940 Гц,

, отн. ед.

Для m2 = 81:

= fx (m + n/z) = 15750 ∙ (81 + 1/ 525) = 1275780 Гц, = fx (m + n/z) = 15750 ∙ (81 + 2/ 525) = 1275810 Гц, = fx (m + n/z) = 15750 ∙ (81 - 1 / 525) = 1275720 Гц, = fx (m + n/z) = 15750 ∙ (81 - 2 / 525) = 1275690 Гц.

Задача 9

Модуляционная характеристика кинескопа.

Дан чёрно-белый кинескоп, модуляция катодная.

Напряжение на первом аноде Uа1 =200 В.

Диагональ кинескопа d = 61см = 0,61 м.

Удельная светоотдача люминофора σ = 12 лм/Вт

Напряжение на втором аноде Uа2 = 18 кВ =18·103В

Формат кадра k = 4/3.

Найти ток электронного луча IЛ (мкА) при изменении напряжения сигнала в диапазоне ЕС = 0 ЕЗ [В] с шагом ΔЕС = -10В. Определить яркость свечения экрана LЭ [кд/м2] для каждого значения IЛ.

Заполнить таблицу, по данным таблицы построить график-модуляционную характеристику кинескопа IЛ = f(ЕС), поместив на горизонтальной оси две шкалы: для ЕС и для ЕКМ(В). Построить графики

Э = , LЭ = φ(ЕС).

Решение:

. Ток электронного луча в кинескопе определяется по формуле Алларда-Мосса:

,где

γ,θ - постоянные коэффициенты,

ЕЗ - напряжение запирания электронного луча (т.е. отрицательное напряжение на модуляторе относительно катода, при котором ток луча IЛ = 0);

ЕС - напряжение сигнала, отсчитанное от напряжения запирания.

Напряжение запирания:

ЕЗ = 0,36 Uа1,

где Uа1 - напряжение на первом аноде электронного прожектора.

Принимаем значения коэффициентов

γ = 3,0 θ = 1,5

ЕЗ = 0,36·200 = 72 В

По условию напряжение сигнала изменяется в диапазоне ЕС = 0…ЕЗ, ΔЕС = -10В:

72 62 52 42 32 22 12 2 0 [В]

.

2. При катодной модуляции сигналы U1 и Uа1 направлены навстречу друг другу. Аналогично направлены сигналы Ес и ЕЗ. Сигнал Ес подаётся на катод в негативной полярности, чтобы получить позитивное изображение на экране. При этом на белом сигнал ниже уровня чёрного.

При U1 > 0; ЕС < 0; ЕЗ > 0 справедлива формула: |EС| = |EЗ| - |U| = |EЗ| - |EКМ| |EКМ|=|EЗ|-|EС|.

. Яркость свечения люминофора экрана кинескопа LЭ [кд/м2] :

,

где SЭ - площадь экрана, м2;

РЛ - мощность электронного луча, приходящего на люминофор экрана, Вт:

РЛ = IЛUа2.

4. Площадь экрана найдём следующим образом:

 = bh,

где b - ширина экрана; h - высота экрана.

= 1,33 · 36,66 = 48,76 см2

S = 48,76 · 36,66 = 1787,54 см2 = 0,1787 м2


Заполняем таблицу:

Таблица 2

ЕС, В

72

62

52

42

32

22

12

2

0

, В

373248

238328

140608

74088

32768

10648

1728

8

0

ЕКМ

0

10

20

30

40

50

60

70

72

IЛ,мкА

1832,822

1170,302

690,451

363,807

160,906

52,287

8,485

0,039

0

РЛ,Вт

32,99

21,065

12,428

6,549

2,896

0,941

0,153

0,0007

0

LЭ,кд/м2

705,543

450,508

265,792

140,061

61,934

20,123

3,272

0,015

0


Рис.7. График-модуляционная характеристика кинескопа.

Рис.8. График LЭ = φ(ЕС) зависимости яркости свечения кинескопа от размаха видеосигнала.

Рис. 9. График зависимости LЭ = .

Задача 10

Смешение цветов. В колориметрической системе XYZ получен цвет F при смешении цвета М (x1;y1), яркостью L1[кд/м2] с цветом N (x2;y2), яркостью L2 [кд/м2]. Определить графическим методом координаты F, его яркость L3, цветовой тон λ3, насыщенность p3 и цветовую температуру T3.

 (0,3; 0,3) L1 = 25 [кд/м2]

N (0,1; 0.7) L2 = 5 [кд/м2]

Решение:

1.  Определение координаты F:

Соединяем заданные точки M и N прямой.

Проводим параллельные прямые 1 и 2 из точек М и N под произвольным углом α к линии MN.

На прямой 1 отложим произвольный отрезок [NN1]; на прямой 2 отложим отрезок [ММ1] = b = an:


На пересечении отрезков [NM] и [N1M1] находим точку F. Определим по графику координаты точки F:

F(0,13; 0,63).

 

Рис.10. Цветовой график XOY локусом.

2.  Определение яркости цвета F:

Яркость суммарного цвета равна сумме яркостей слагаемых:

3 = L1 + L2 = 25+5 = 30 [кд/м2].

3.  Определение цветового тона λ3 .

Цветовой тон любого цвета на диаграмме цветности (цветовом графике) определяется длиной волны монохроматического излучения (доминирующей длиной волны λd), соответствующей пересечению кривой спектральных цветов - спектрального локуса с прямой, проходящей через точку Е (равноэнергетического белого цвета) и точку, отображующую цветность искомого цвета. λ3 = 510 нм.

4.  Определение насыщенности р3.

Насыщенность характеризует степень различия ощущений цветности данногоизлучения и цветности белого, т.е. как бы "разбавленность" цвета белым. Доля спектрального цвета в смеси его с белым называется чистотой цвета р. Чистота возбуждения цвета р равна отношению отрезков EF и EFλ3:

,

где xE;ye=(0,33; 0,33) - координаты опорного белого цвета;

xF;yF (0,13; 0,63) - координаты цвета F;

x3;y3 (0,03; 0,77) - координаты спектрального цвета Fλ3 c длиной волны λ3.


Определим р3 графическим методом, для этого измерим длины отрезков |ЕF| и |EFλ3|: |ЕF| = 37 мм, |EFλ3|: = 55 мм


Таким образом, принимаем значение р3= 67%.

5.  Определение цветовой температуры Т3.

Для определения цветовой температуры воспользуемся формулой Вина:

,

где Т - температура в кельвинах; λ - длина волны в метрах.


Задача 11

Дано: некоторая совместимая вещательная система.

В колориметрической системе XYZ изобразить треугольник цветов приёмника данной телевизионной системы. Путём сложения основных цветов люминофоров приёмника определить графо-аналитическим методом (т.е. с использованием принципов аналитической геометрии) координаты опорного белого цвета данной системы и графическим способом его цветовой тон и насыщенность, затем - цветовую температуру (аналитически).

Телевизионная система NTSC.

Решение:

Треугольник основных цветов приёмника американского стандарта NTSC имеет координаты цветности:

Rn (0,670 ; 0,330)

Gn (0,210;0,710)

Bn (0,140;0,080)

Строим цветовой треугольник Rn ,Gn ,Bn .

Рис.11. Цветовой треугольник NTSC/

В системе NTSC относительные яркости основных цветов имеют следующие значения:

Зная координаты цветности x,y основных цветов и их относительные яркости, определим координаты опорного белого цвета С. Для удобства расчёта заменим буквенные обозначения Rn ,Gn ,Bn цифрами 1, 2, 3. Обозначим яркости  буквами соответсвенно (кд/м2). Относительные яркости основных цветов смеси обозначим .

Тогда

Ц = L1 + L2 + L3.

,

Где

а1 = у2 - у3 а6 = х3у1 - х1у3

а2 = х2 - х3 а7 = у1 - у2

а3 = х2у3 - х3у2 а8 = х1 - х2

а4 = у3 - у1 а9 = х1у2 - х2у1

а5 = х3 - х1

D = x1a1 + x2a4 + x3a7.

Найдём сумму α + β + δ и, учитывая, что а3 + а6 + а9 = D, получим:

а1 = 0,71 - 0,08 = 0,63 а6 = 0,14 · 0,33 - 0,67 · 0,08 = - 0,0074

а2 = 0,21 - 0,14 = 0,07 а7 = 0,33 - 0,71 = - 0,38

а3 = 0,21· 0,08 - 0,14 · 0,71 = -0,0826 а8 = 0,67 - 0,21 = 0,46

а5 = 0,14 - 0,67 = - 0,53

D = 0,67 · 0,63 + 0,21 · (- 0,25) + 0,14 · (- 0,38) = 0,3164


Цветовой тон любого цвета на диаграмме цветности (цветовом графике) определяется длиной волны монохроматического излучения (доминирующей длиной волны λd), соответствующей пересечению кривой спектральных цветов - спектрального локуса с прямой, проходящей через точку Е (0,33; 0,33) - равноэнергетического белого цвета - и точку, отображающую цветность искомого цвета.

Цветовой тон опорного белого цвета С системы NTSC λ ≈ 482 (нм).

Насыщенность характеризует степень различия ощущений цветности данногоизлучения и цветности белого, т.е. как бы "разбавленность" цвета белым. Доля спектрального цвета в смеси его с белым называется чистотой цвета р. Чистота возбуждения цвета р равна отношению отрезков EС и EСλ:

,

где xE;yЕ=(0,33; 0,33) - координаты опорного белого цвета;

xС;yС (0,31; 0,316) - координаты цвета С;

xСλ;yСλ (0,1; 0,11) - координаты спектрального цвета Сλ c длиной волны λ.


Определим р графическим методом, для этого измерим длины отрезков |ЕС| и |EСλ|: |ЕС| = 47 мм, |EСλ|: = 3 мм


Таким образом, принимаем значение р = 6%.

6.  Определение цветовой температуры ТС.

Для определения цветовой температуры воспользуемся формулой Вина:

,

где Т - температура в кельвинах; λ - длина волны в метрах.


Задача 12

Определить напряжения сигналов на цветовой палитре стандартного испытательного генератора цветных полос при условии 100% яркости и насыщенности. Принять напряжения сигналов основных цветов равными 1В.  Записать расчётные формулы и заполнить таблицу.

Решение:

Яркостный сигнал определяется выражением:

,

где α, β, γ - относительные яркости  основных цветов приёмника, смесь которых образует равносигнальный (эталонный) белый цвет, α + β + γ =1.

Для треугольника NTSC:

.

Цветоразностные сигналы образуются в матричной схеме по формулам:


Значения  для основных цветов:

Таблица 3

Цвет

Белый

1

1

1

1

0

0

0

Жёлтый

1

1

0

0,89

0,11

0,11

-0,89

Голубой

0

1

1

0,7

0,7

0,3

0,3

Зелёный

0

1

0

0,59

-0,59

0,41

-0,59

Пурпурный

1

0

1

0,41

0,59

-0,41

0,59

Красный

1

0

0

0,3

0,7

-0,3

-0,3

Синий

0

0

1

0,11

-0,11

-0,11

0,89

Чёрный

0

0

0

0

0

0

0


Используя значения для основных цветов, рассчитаем значения напряжения сигналов на цветовой палитре стандартного испытательного генератора и запишем полученные значения в таблицу:

Жёлтый:

Голубой:

Зелёный:

Пурпурный:

Красный:

Синий:

Задача 13

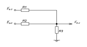
Вывести аналитическое выражение для матрицы, выполняющей операцию получения сигнала  из сигналов и .


Изобразить упрощённую принципиальную схему матрицы и рассчитать относительные значения номиналов резисторов в схеме.

Указания:

.В выражении  выразить сигналы основных цветов через суммы соответствующих цветоразностных сигналов и сигналов яркости. Затем сигналы яркости принять равными нулю и из полученного выражения определить ;

. Изобразить схему матрицы, представляющую собой сумматор с делителем напряжения;

. Рассчитать относительные значения номиналов резисторов.

Решение:

На вход кодирующей матрицы подаются прошедшие обработку и коррекцию сигналы основных цветов . Матрица преобразует сигналы основных цветов в сигналы первичных цветов передачи ,, в соответствии с выражением .

Цветоразностные сигналы определяются следующими выражениями, откуда сигналы основных цветов:


Тогда:

.

Примем сигналы яркости равными нулю:


Рис. 12 .Упрощённая принципиальная схема матрицы.

Расчёт относительных значений номиналов резисторов.

для сигнала :

 

Положим R3 = 10кОм, тогда

0,51(R1 + R2) = R3


Задача 14

В кодере NTSC создаётся испытательный сигнал цветных полос с максимальными (100%) яркостью и насыщенностью. Определить для некоторой цветной полосы напряжение (отн. ед.) сигнала яркости , цветоразностных сигналов  и , амплитуду сигнала цветности US на поднесущей fS и его фазовый угол φ (относительно оси B - Y) на этой цветной полосе.

Цвет полосы - голубая.

Решение:

1.   Сигнал яркости находим по формуле:

,

где коэффициенты α, β, γ для треугольника основных цветов приёмника типа NTSC взяты из таблицы 9.4 ([5], стр. 99), а белый является равностимульным цветом; значения берём из таблицы 10.1 (Новаковский, Сборник задач, стр. 116):


2.   Цветоразностные сигналы находим по формулам:


Коэффициенты компрессии α1 = 0,877; α2 = 0,493

α1  = 0,877

α2  = 0,493

Получаем:


3.   Цветоразностные сигналы  и  находим по формулам:

Амплитуду сигнала цветности найдём по формуле:


4.      Определение фазового угла φ (относительно оси B-Y) на голубой цветной полосе.

Вектор сигнала голубой полосы помещён в IV квадранте и для него φ = 283º (φ < 303º).

Рис. 13. Векторная диаграмма для сигнала цветных полос в системе NTSC (100%-ная амплитуда и 100%-ная насыщенность).

Таблица 4.



Таблица 5.


По формуле  получаем:


Задача 15

Система NTSC. На выходе декодера цветного телевизора по системе NTSC при приёме телевизионного радиосигнала (с компрессией) образуются цветоразностные сигналы  и (отн. ед.).

Определить значения (отн. ед.) соответствующих им цветоразностных сигналов , , .

=0,20

=0,45

Решение:

Сигналы , ,  связаны с  и  следующим образом ([5],стр. 140):

 = 0,95635 · 0,20 + 0,62106 · 0,45 = 0,19127 + 0,27948 = 0,47075

 = - 0,27162 · 0,20 - 0,64854 · 0,45 = - 0,05432 - 0,29184 = - 0,34616

 = - 1,10513 · 0,20 + 1,70174 · 0,45 = - 0,221026 +0,765783 = 0,54476

Задача 16

Система PAL. В кодере системы PAL создаются сигналы и (в отн. ед.).

Определить: 1) сигналы  и  на входе декодера;

) амплитуду сигнала цветности US и его фазу φ на выходе кодера.

=0,65

=-0,35.

Решение:

1.   Модулирующие в квадратуре цветовую поднесущую передаваемы цветоразностные видеосигналы имеют вид:


2.   Амплитуду сигнала цветности и его фазу на выходе кодера находим аналогично сигналу цветности системы NTSC:

Угол φ = 270º - µ, где


Отсюда

 µ = arctg µ = arctg (- 0,30269) = -16,84º ≈17º,

φ = 270º - (-17º) = 287º

Задача 17

Система SECAM. Заданы размахи цветоразностных сигналов и [В] на некотором цвете F. Определить размахи сигналов  и , модулирующих поднесущие сигналов цветности в системе SECAM.

=0,65

=0,35.

Решение:

В системе CECAM сигналы  и  пропорциональны цветоразностным сигналам и :

 = -1,9  = 1,5

 = -1,9 · 0,65 = - 1,235 [В]

 = 1,5 · 0,35 = - 1,525 [В].

Задача 18

Система SECAM. Заданы размахи (отн. ед.) цветоразностных видеосигналов  и  на некотором цвете F.

Определить девиации частоты ΔfR и ΔfB и мгновенные частоты fR и fB на этом цвете F.

=0,65

=0,35.

Решение:

1.   При любом значении сигналов  и  девиация частоты будет :

ΔfR = Δfном R = 280 = -532, [кГц]

ΔfВ = Δfном R = 230 = 345, [кГц]

ΔfR = 280 · 0,65 = 182 кГц = 0,182 МГц

ΔfВ = = 230 · 0,35 = 80,5 кГц = 0,0805 МГц

2.   Мгновенные частоты fR и fB определим по формулам:

R = f0R ± ΔfRB = f0В ± ΔfВ,

где f0R = 4,40626 МГц - частота цветовой модуляции в состоянии покоя (т.е. без модуляции) для сигнала ;

f = 4,25000МГц - частота цветовой модуляции в состоянии покоя для сигнала ;

R = 4,40625 + 0,182 = 4, 58825 МГц

fВ = 4,25000 + 0,0805 = 4, 3305 МГц.

Задача 19

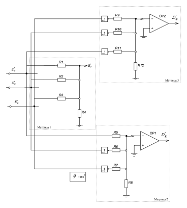
Система SECAM. Разработать функциональную схему кодирующей матрицы для преобразования первичных сигналов основных цветов в сигнал яркости и цветоразностные сигналы ,. Рассчитать относительные значения сопротивлений резисторов в цепях сумматоров и делителей напряжений. Решение:

В системе SECAM сигналами передачи являются три сигнала: яркостный  и два цветоразностных сигнала и , заменённые в данной системе сигналами  и , определяемыми как

 = -1,9;  = 1,5.

В системе SECAM в приёмник одновременно передаются два сигнала - яркости  и один сигнал цветности  или  на цветовой поднесущей в спектре сигнала яркости .


Функциональная схема кодирующей матрицы для преобразования первичных сигналов основных цветов в сигнал яркости и цветоразностные сигналы , представлена на рисунке 14. Рассчитаем относительные значения сопротивлений. Для матрицы 1:


Приняв R4 = 10кОм, получаем:


Рис. 14. Функциональная схема кодирующей матрицы.

Для :

При R8 = 10 кОм получаем:


Для :


Задача 20

ВЧ-предыскажения в SECAM. Заданы мгновенные частоты 3,8 … 4,286…4,8 МГц частотно-модулированного сигнала цветности в кодере SECAM. Шаг изменения частоты в указанном диапазоне Δf = 0,1МГц. Определить модуль коэффициента передачи устройства ВПЧ , если комплексный коэффициент передачи цепи ВПЧ подчиняется закону

,

где F = (f / f0) - (f0 / f), f0 = 4,286 МГц.

Определить размахи напряжения в отн. ед. на выходе устройства ВПЧ на указанных частотах. Построить график АЧХ устройства ВПЧ.

Решение:

.

Находим и составляем таблицу расчёта, где

f0 = 4,286 МГц - расчётная опорная частота


Таблица 6.

F, МГц

f /f0

f0 / f

F

16F

16(F)2

1,26F

(1,26F)2

3,8

0,8866

1,1279

-0,4213

-3,8608

14,906

-0,304

0,0924

3,9

0,9099

1,099

-0,1891

-3,0256

9,154

-0,238

0,0568

4,0

0,9333

1,0715

-0,1382

-2,2112

4,889

-0,174

0,0303

4,1

0,9566

1,0454

-0,0888

-1,4208

2,019

-0,112

0,0125

4,2

0,9799

1,0205

-0,0406

-0,6496

0,422

-0,051

0,0026

4,286

1

1

0

0

0

0

0

4,3

1,0033

0,9967

0,0066

0,1056

0,0112

0,008

0,0001

4,4

1,0266

0,9741

0,0525

0,84

0,7056

0,066

0,0044

4,5

1,0499

0,9524

0,0975

1,56

2,4336

0,123

0,0151

4,6

1,0733

0,9317

0,1416

2,2656

5,1329

0,178

0,0318

4,7

1,0966

0,9119

0,1847

2,9552

8,7332

0,233

0,0541

4,8

1,1199

0,227

3,632

13,191

0,286

0,0818


F, МГц

a=1+16(F)2

b=1+(1,26F)2

 a /b

2UД, отн.ед.

3,8

15,9058

1,0924

14,56

3,8158

0,8776

3,9

10,1543

1,0568

9,608

3,0998

0,7130

4,0

5,8894

1,0303

5,716

2,3909

0,5499

4,1

3,0187

1,0125

2,981

1,7267

0,397

4,2

1,422

1,0026

1,418

1,1902

0,2737

4,286

1

1

1

1

0,23

4,3

1,0112

1,0001

1,011

1,0055

0,2313

4,4

1,7056

1,0044

1,698

1,3031

0,2997

4,5

3,4336

1,0151

3,383

1,8392

0,423

4,6

6,1329

1,0318

5,944

2,4380

0,5607

4,7

9,7332

1,0541

9,234

3,0387

0,699

4,8

14,1914

1,0818

13,118

3,6219

0,833


На мгновенной частоте f размах сигнала цветности после прохождения через устройства ВПЧ равен:

[отн. ед]

 [мВ]

Строим график АЧХ устройства ВПЧ:

Рис.15. График АЧХ устройства ВПЧ.

Список литературы

растр кинескоп телевизионный видеосигнал

1.       Варбанский А.М. Телевидение. Учебное пособие для вузов связи. М., "Связь",1973.

2.      Колин К.Т. и др. Телевидение: Учебник для техникумов / К.Т. Колин, Ю.В. Аксентов, Е.Ю. Колпенская. - М.: Радио и связь, 1987. - 248 с.: ил.

.        Быков Р.Е. Теоретические основы телевидения. Учеб. для вузов / Оформление обложки С.Шапиро, А. Олексенко. - СПб.: Издательство "Лань",1998. - 288 с.:ил.

.        Новаковский С.В. Сборник задач с решениями по основам техники телевидения: Учеб. пособие для вузов. - М.: Радио и связь, 1998. - 168 с.: ил.

.        Самойлов В.Ф., Хромой Б.П. Основы цветного телевидения. - М.: Радио и связь, 1982. (Массовая радиобиблиотека; Вып. 1047) - 160 с.: ил.

6.      Телевидение: Учеб. для вузов / Под ред. В.Е. Джаконии. М.: Радио и связь, 1997. - 640 с.,

7.      Однополько В.В. Портативные камеры цветного телевидения / В.В. Однополько. - М.: Радио и связь, 1984. - 104 с.

8.      Новаковский С.В. Цвет на экране телевизора / С.В. Новаковский. - М.: Радио и связь, 1997. - 168 с.

Похожие работы на - Основы телевидения

 

Не нашли материал для своей работы?
Поможем написать уникальную работу
Без плагиата!
Без нейросетей!