Основы радиотехники, электроники и телекоммуникаций
ОСНОВЫ РАДИОТЕХНИКИ,
ЭЛЕКТРОНИКИ И ТЕЛЕКОММУНИКАЦИЙ
Методические указания по выполнению
контрольной работы
Специальность: 5В071900
«Радиотехника, электроника и телекоммуникации»
Форма обучения: заочная
Усть-Каменогорск 2012
Дисциплина "Основы радиотехники электроники и телекоммуникаций» изучается студентами специальности
050719 - Радиотехника, электроника и телекоммуникации на 1 курсе и
предусматривает выполнение 1 контрольной работы.
1 ПОРЯДОК ОФОРМЛЕНИЯ КОНТРОЛЬНОЙ
РАБОТЫ
Структура рефератов и контрольных работ должна содержать:
- титульный лист (титульный лист является первой страницей реферата или
контрольной работы);
- содержание (содержание включает: введение; наименования всех
разделов, подразделов, пунктов и подпунктов основной части задания; выводы;
список источников информации);
- введение (во введении кратко формулируется проблема,
указывается цель и задачи реферата или контрольной работы);
- основная часть (состоит из нескольких разделов, в которых
излагается суть реферата или контрольной работы);
- выводы или Заключение (в выводах приводят оценку полученных
результатов работы, предлагаются рекомендации);
-
список источников информации (содержит перечень источников, на которые
ссылаются в основной части реферата или контрольной работы
2 ЗАДАНИЯ К
ВЫПОЛНЕНИЮ КОНТРОЛЬНОЙ РАБОТЫ
Целью данной контрольной работы является расчет позиционной системы
подчиненного управления со следующими параметрами: статизм скоростного контура
- не более 5%; диапазон регулирования - 30¸1; момент инерции на валу 0.8JДВ.
Таблица 1. Исходные данные
|
Вариант
|
|
|
1
|
2
|
3
|
4
|
5
|
6
|
7
|
8
|
9
|
0
|
|
Марка двигателя
|
П151-5К
|
П151-4К
|
П153-6К
|
П171-4К
|
П142-4К
|
П153-9К
|
П152-9К
|
П133-4К
|
П131-6К
|
П171-6К
|
|
РН,кВт
|
320
|
250
|
320
|
400
|
200
|
500
|
400
|
160
|
100
|
500
|
|
UН, В
|
440
|
440
|
440
|
660
|
440
|
330
|
330
|
440
|
0
|
660
|
|
IН, А
|
788
|
622
|
794
|
665
|
495
|
1632
|
1318
|
393
|
503
|
820
|
500
|
400
|
300
|
300
|
500
|
500
|
500
|
500
|
400
|
400
|
|
2а
|
6
|
8
|
10
|
10
|
6
|
6
|
6
|
6
|
8
|
8
|
|
2р
|
6
|
8
|
10
|
10
|
6
|
6
|
6
|
6
|
8
|
8
|
|
WВ
|
460
|
520
|
460
|
300
|
460
|
600
|
520
|
600
|
520
|
300
|
|
N
|
696
|
700
|
560
|
730
|
600
|
660
|
696
|
560
|
530
|
700
|
|
rЯ, Ом
|
0,0122
|
0,0125
|
0,0126
|
0,0122
|
0,0122
|
0,0127
|
0,0122
|
0,0125
|
0,0122
|
0,0123
|
|
rК, Ом
|
0,0067
|
0,0067
|
0,0057
|
0,0067
|
0,0067
|
0,0057
|
0,0067
|
0,0087
|
0,0067
|
|
rД, Ом
|
0,00197
|
0,00193
|
0,00195
|
0,00197
|
0,00197
|
0,00196
|
0,00197
|
0,00197
|
0,00196
|
0,00195
|
|
rВ, Ом
|
1,86
|
1,86
|
1,86
|
1,86
|
1,86
|
1,86
|
1,86
|
1,86
|
1,86
|
1.86
|
|
Маховый момент JД, кг.м2
|
88,75
|
375
|
505
|
1075
|
142
|
520
|
450
|
82
|
62
|
1060
|
|
UC, В
|
6000
|
4000
|
6000
|
6000
|
4000
|
4000
|
6000
|
6000
|
4000
|
6000
|
3 ВЫБОР СХЕМЫ ТИРИСТОРНОГО
ПРЕОБРАЗОВАТЕЛЯ
Как известно из всех способов регулирования и изменения направления
скорости, использование реверсивного тиристорного преобразователя (РТП)
является одним из самых современных способов создания быстродействующего
регулируемого электропривода постоянного тока. Реверсивным тиристорным преобразователем
называется преобразователь, через который ток может протекать в обоих
направлениях. Поскольку тиристоры пропускают ток только в одном направлении, то
для изменения направления тока нагрузки необходимо использовать две группы
вентилей, каждая из которых проводит ток в своем направлении. Эти группы
вентилей чаще всего собираются по трехфазной мостовой или трехфазной нулевой
схеме. Трехфазная нулевая схема отличается простотой, меньшим числом вентилей
применяемых в схеме. Трехфазная мостовая схема обладает рядом преимуществ по
сравнению с трехфазной нулевой:
) Выпрямленная ЭДС при одном и том же вторичном напряжении
трансформатора в два раза больше;
2) Пульсации выпрямленной ЭДС в два раза больше по частоте и меньше
по амплитуде;
) Вентильные группы могут подключаться к сети без трансформатора;
) Типовая мощность трансформатора меньше.
Перечисленные достоинства обуславливают преимущественное применение
трехфазной мостовой схемы в системах электропривода (ЭП) мощностью десятки -
сотни киловатт. Поскольку мощность ТП, питающего якорную цепь достаточно
велика, то выбираем трехфазную мостовую схему.
Как было отмечено выше, для получения реверсивного ТП две группы вентилей
определенным образом соединяют между собой. Различают встречно - параллельное и
перекрестное соединение. При встречно - параллельном соединении применяется
простой двухобмоточный трансформатор меньшей мощности. Преимущество
перекрестной схемы в том, что в данной схеме аварийные процессы при
одновременном включении тиристорных групп протекают легче, поэтому эту схему
эту схему целесообразно применять в ответственных ЭП. На основании этого
выбираем встречно - параллельное соединение выпрямительных групп.
Применяются
два основных метода управления комплектами РТП: совместное и раздельное. При
совместном управлении импульсы подаются на тиристоры обеих одновременно. При
этом одна группа работает в выпрямительном режиме с углом регулирования aВ,
развивает среднее значение выпрямленного напряжения UaВ и обеспечивает протекание тока через нагрузку. В это
же время вторая группа переводится в инверторный режим с углом регулирования aИ и
среднее значение выпрямленного напряжения UaИ. При таком управлении в РТП образуется замкнутый
контур, по которому может протекать уравнительный ток. Для уменьшения этого
тока углы регулирования должны быть в определенном соотношении. При
согласованном управлении соотношение углов устанавливается таким образом, чтобы
выполнялось соотношение:
. Это равенство выполняется при условии
. При этом способе управления в уравнительном контуре
протекает прерывистый ток среднее значение, которого называют статическим
уравнительным током и ограничивают до допустимого уравнительными реакторами.
Для уменьшения уравнительного тока применяют несогласованное управление
группами тиристоров в РТП. При этом соотношение углов управления:
. При этом в уравнительном контуре всегда имеется
постоянная составляющая напряжения, направленная против проводимости
тиристоров, поскольку инверторная группа развивает большее напряжение, чем
выпрямительная. Это приводит к резкому уменьшению статического уравнительного
ток, хотя динамический уравнительный ток уменьшается незначительно. Необходимо
отметить также то, что протекание небольшого уравнительного тока благоприятно
сказывается на статических характеристиках ТП. Таким образом преимущества
совместного управления:
1) Отсутствие необходимости в переключениях силовой цепи;
2) Высокое быстродействие при переходе с одного режима в другой и
постоянная готовность к этому переходу;
) Однозначность в статических характеристиках ТП.
В разрабатываемом преобразователе применим совместное управление
вентильными группами.
Для управления ТП в настоящее время применяют главным образом
безинерционные системы фазового управления с пилообразным или синусоидальным
опорным напряжением. Достоинством синусоидальной формы опорного напряжения
является линейность результирующей характеристики ТП. Однако диапазон регулирования
угла a составляет менее 180О,
так как практически следует исключить из зоны регулирования окрестности
максимума и минимума и максимума опорного напряжения, где оно практически не
изменяется. Кроме того, сохранение строго синусоидальной формы опорного напряжения
представляет значительные трудности. Поэтому в разрабатываемом ТП применим
пилообразное опорное напряжение.
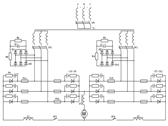
На рисунке 1.1 представлена принципиальная схема тиристорного
преобразователя.
Рис 1.1 Принципиальная схема тиристорного преобразователя
4 ОПРЕДЕЛЕНЕЕ ЭДС УСЛОВНОГО ХОЛОСТОГО
ХОДА ТП
Падение напряжения на активном сопротивлении соответственно
сглаживающего, уравнительного реактора
(4.1)
где
- среднее значение выпрямленного напряжения 
(4.2)
где
обычно берут 5…7 %.
Напряжение спрямления ВАХ тиристора
(4.3)
где UКЛ - классификационное падение
напряжения на тиристоре при номинальном токе (берется из паспорта на тиристор),
.
Допустимый ток вентилей
(4.4)
Динамическое сопротивление тиристора
(4.5)
Среднее значение падения напряжения на тиристоре
(4.6)
Запас по напряжению тиристорного преобразователя, необходимый для
выполнения условия реализации оптимальной настройки контура тока на модульный
или симметричный оптимум
(4.7)
Возможные колебания напряжения от нестабильности питающей сети составляют
(4.8)
Определим э.д.с. условного холостого хода тиристорного преобразователя по
формуле
(4.9)
5 РАСЧЕТ ПАРАМЕТРОВ СИЛОВОГО
ТРАНСФОРМАТОРА
Линейное напряжение на вторичной обмотке силового трансформатора
(5.1)
Фазное напряжение на вторичной обмотке СТ:
(5.2)
Действующее значение тока вторичной обмотки СТ:
(5.3)
Действующее значение тока первичной обмотки:
(5.4)
Исходя из каталожных данных по каталогу выбираем СТ с двумя вторичными
обмотками. При этом выбирается СТ с равной, либо ближайшей большей мощностью:
для СТ с двумя вторичными обмотками (трехобмоточный трансформатор)
выбираем трансформатор с мощностью:
(5.5)
где
При выборе трансформатора нужно выполнить проверку его по току и
напряжению, т.е. необходимо соблюдение следующих условий:
(5.6)
Если допустимое значение действующего тока вторичной обмотки в каталоге
не указано, то его можно рассчитать по формуле:
(5.7)
Из таблицы справочника [8] выписываем следующие данные выбранного
силового трансформатора: PН.ТР кВт - номинальная мощность;
= U1. В - напряжение питающей сети;
UК% =4,5% - напряжение короткого замыкания;
DPКЗ кВт -
мощность потерь короткого замыкания;
DPХХ =кВт -
мощность потерь холостого хода;
IХХ% % - ток холостого хода;
U2Л.ТР В - вторичное линейное напряжение;
I2.ТР А - действующее значение тока вторичной обмотки.
После
выбора обязательно необходимо пересчитать значение максимальной выпрямленной
ЭДС:
(5.8)
6 ВЫБОР ТИРИСТОРОВ
Тиристор выбираем по протекающему через него току, условиям охлаждения
вентилей и максимальному обратному напряжению. Среднее значение тока, который
протекает через тиристор со стандартным радиатором при номинальной нагрузке и
принудительном охлаждении:
(6.1)
По величине IВ.СР из каталога выбираем тиристор. В
паспорте на тиристор указывается, какой ток он пропускает при принудительном
воздушном охлаждении с максимальной скоростью воздушного потока 10 или 15 м/с и
указывается классификационное падение напряжения на тиристоре при этом токе UКЛ.
Если ток через тиристор при естественном воздушном охлаждении не указан,
то необходимо руководствоваться тем, что при применении типовых семиреберных
охладителей из алюминиевых сплавов тиристоры можно нагружать током не более 35%
от паспортной величины.
Максимальное обратное напряжение на тиристоре:
(6.2)
где КЗАП = 1,25…2 - коэффициент запаса в зависимости от
необходимой степени надежности электропривода.
КUОБР = 1.045 - коэффициент обратного
напряжения.
Тиристор выбираем исходя из условий:
(6.3)
где UПОВТ - каталожная величина повторяющегося
напряжения.
Из таблицы методических указаний к выполнению курсового проекта [8]
выписываем следующие данные выбранного тиристора:
IВ.ДОП А - максимальный средний ток;
UКЛ В - напряжение в открытом состоянии;
UПОВТ В - повторяющееся напряжение;
rД мОм - динамическое сопротивление;
7 ВЫБОР СГЛАЖИВАЮЩЕГО И
УРАВНИТЕЛЬНОГО РЕАКТОРА
Сглаживающий реактор, включаемый последовательно с якорем двигателя
необходим для:
1) Обеспечения непрерывного тока якоря двигателя в определенном
диапазоне нагрузок и частот вращения его;
2) Ограничение амплитуды переменной составляющей тока якоря двигателя
до допустимой величины.
Для обеспечения непрерывного тока при минимальной нагрузке РТП и угле
регулирования aМАКС, а также если выбран один СТ с двумя
вторичными обмотками, то индуктивность сглаживающего реактора можно определить
по формуле:
(7.1)
где
- круговая частота 1-ой гармоники выпрямленного напряжения;
f = 50
Гц;
m = 6.
Рассчитаем
слагаемые входящие в формулу (5.1) для расчета
:
Расчёт
индуктивности якоря двигателя по эмпирической формуле:
(7.2)
где k = 5…6 - для компенсированных машин.
Относительная величина эффективного значения первой гармоники
выпрямленного напряжения en определяется по величине максимального угла регулирования aМАКС, соответствующего минимальной
рабочей скорости электродвигателя:
(7.3)
Рассчитаем слагаемые входящие в формулу (5.3) для расчета aМАКС:
Коэффициент пропорциональности между скоростью и э.д.с.:
(7.4)
где
- сопротивление якорной цепи двигателя, для машин серии П.
Полагаем, что требуемый диапазон регулирования скорости равным DР = 30, тогда минимальная скорость:
(7.5)
Суммарное сопротивление якорной (выходной) цепи системы ТП-Д:
(7.6)
где
- коммутационное сопротивление
(7.7)
- сопротивление сглаживающего и уравнительного реактора
(7.8)
Полученные значения подставим в формулу (7.3) получим:
Зная, aМАКС величину en определяем по графику
(1, стр. 56) определяем:
Относительная
величина эффективного значения 1-ой гармоники выпрямленного тока iВ в зависимости от мощности электропривода находится в
пределах:
Рассчитав все значения входящие в формулу (7.1) можно
рассчитать:
=
8 ВЫБОР УРАНИТЕЛЬНЫХ РЕАКТОРОВ
Необходимая индуктивность двух насыщающихся уравнительных реакторов
рассчитывается по формуле:
(8.1)
где
- фазное вторичное напряжение трансформатора;
;
- действующее значение статического уравнительного тока;
-коэффициент, зависящий от диапазона регулирования выходного
напряжения ТП.
LТР - индуктивность фазы трансформатора.
Угол a меняется a = 0…aМАКС < 90°, то КЭФ следует
определить по величине aМАКС на
рис.2.2 методических указаний к выполнению домашнего задания №1 [2].
Таким образом, получаем:
В реверсивном ТП используется как правило, два уравнительных реактора,
один из которых насыщается при протекании тока нагрузки, а второй ограничивает
уравнительный ток. В этом случае берут два одинаковых уравнительных реактора,
индуктивность каждого из которых в ненасыщенном состоянии больше или равна
расчетной. Номинальный ток выбранного реактора IУР.Н ³ IН, а уравнительный ток должен быть
примерно равен расчетному значению IУР
Выбираем уравнительный реактор:
IУP А - номинальный уравнительный ток
реактора;
LУP мГн - индуктивность реактора;
IН.УР А - номинальный постоянный ток.
9 РАСЧЕТ КОЭФФИЦИЕНТА УСИЛЕНИЯ ТП ПО
НАПРЯЖЕНИЮ И ЕГО ХАРАКТЕРИСТИК И СТУКТУРНОЙ СХЕМЫ
Поскольку опорное напряжение СИФУ - пилообразное, то максимальный
коэффициент усиления ТП по напряжению при угле регулирования a = 90О.
Коэффициент передачи ТП рассчитывается по формуле:
(9.1)
где UУ.МАКС - максимальное управляющее
напряжение ТП, обычно принимают UУ.МАКС = 10 В. Строим регулировочную
характеристику БВ на холостом ходу по формуле:
(9.2)
На рисунке 9.1 представлена регулировочная характеристика БВ.
Рисунок 9.1 - Регулировочная характеристика БВ
По рисунку9.1 определяем приращения:
.
Коэффициент усиления блока вентилей КБВ:
(9.3)
При пилообразном опорном напряжении СИФУ характеристика вход-выход ТП
нелинейная и представляет собой произведение двух характеристик -
регулировочной характеристики СИФУ и регулировочной характеристики блока вентилей
(БВ). Построим на рисунке 7.2 регулировочную характеристику СИФУ при
пилообразном опорном напряжении она линейная:
Рисунок 9.2 - Регулировочная характеристика СИФУ
Коэффициент передачи СИФУ:
(9.4)
Общий коэффициент передачи ТП:
(9.5)
Постоянная времени ТП:
(9.6)
где TФ - постоянная времени фильтра, установленного на входе
СИФУ при совместном согласованном управлении, TФ = 4…8 мс.; TС.З. - среднестатистическое запаздывание,
присущее ТП как звену запаздывания
Эквивалентное активное сопротивление системы якорной цепи системы ТП-Д:
(9.7)
Эквивалентная индуктивность якорной цепи системы ТП-Д:
(9.8)
Электромагнитная постоянная времени системы ТП-Д:
(9.9)
Электромеханическая постоянная времени системы ТП-Д:
(9.10)
где
- суммарный момент инерции, приведенный к валу
электродвигателя, состоит из момента инерции двигателя JДВ и механизма JМЕХ. Если JМЕХ не задан, то его можно принять:
Расчёт конструктивной постоянной двигателя:
(9.11)
Расчёт номинальной скорости вращения двигателя:
(9.12)
Коэффициент А, связывающий угол поворота вала двигателя с величиной
перемещения механизма определим, исходя из следующих предположений. Поскольку
согласно задания на курсовой проект система должна отрабатывать заданное
перемещение
с
выходом на максимальную скорость, а статический момент сопротивления на валу двигателя
равен нулю, то для этого случая верно соотношение:
, (9.13)
Где
номинальная скорость вращения двигателя;
динамический ток двигателя в динамических режимах.
На рисунке 9.3 представлена структурная схема системы ТП-Д:
Рисунок 9.3 - Структурная схема системы ТП-Д
тиристор преобразователь напряжение сопротивление
трансформатор
10 СПИСОК ЛИТЕРАТУРЫ
1.Усатенко С.Т. Выполнение электрических схем по ЕСКД:
Справочник. - М.: Издательство стандартов, 2009. - 325 с.
.Расчет электронных схем. Примеры и задачи. /Г.И. Изъюрова
М.: Высш. шк., 2007. - 325 с.; ил.
.Манаев Е.И. Основы радиоэлектроники. - 3-е изд., перераб. И
доп. - М.; Радио и связь, 1998 - 199 с: ил.
.Кибакин В.М. Основы теории и разработки транзисторных низкочастотных
усилителей мощности. - М.: Радио и связь, 1998. - 240 с.
.Лавриненко В.Ю. Справочник по полупроводниковым приборам.
9-е изд., перераб. К.: Техника, 2000. - 464 с.;ил.
.Полупроводниковые приборы. Транзисторы малой мощности./А.А.
Зайцев:Под ред А.В. Голомедова. - М.: Радио и связь, КубК-а 1994. - 384с.;ил.
.Полупроводниковые приборы. Транзисторы средней и большой
мощности./А.А. Зайцев:Под ред А.В. Голомедова. - М.: Радио и связь, КубК-а
1994. - 384с.;ил.
.Методические указания к выполнению курсового проекта по
курсу « Автоматизация технологических процессов».Бизянов Е.Е. - Алчевск, ДГМИ
1999.- 35с.