Метрология и стандартизация на железнодорожном транспорте

  • Вид работы:
    Контрольная работа
  • Предмет:
    Транспорт, грузоперевозки
  • Язык:
    Русский
    ,
    Формат файла:
    MS Word
    165,58 Кб
  • Опубликовано:
    2014-12-06
Вы можете узнать стоимость помощи в написании студенческой работы.
Помощь в написании работы, которую точно примут!

Метрология и стандартизация на железнодорожном транспорте















Метрология и стандартизация на железнодорожном транспорте

геометрический транспортный сертификация

Задача 1

Для перевозки груза в железнодорожном контейнере используется транспортный пакет с наружными расчетными размерами а = 515мм, в=835мм, с=650мм.

Требуется обосновать и назначить геометрические размеры транспортного пакета для перевозки груза на основе рядов предпочтительных чисел.

Решение:

При изготовлении транспортного пакета по ряду предпочтительных чисел размеры транспортного пакеты будут равны:

по Ra5 - а=400мм;b=630мм; с=630мм

по Ra10 - а=500мм;b=800мм; с=630мм

по Ra20 - а=500мм;b=800мм; с=630мм

по Ra40 - а=500мм;b=800мм; с=630мм.

Используется контейнер УК-3, для которого длина равна1980мм, ширина 1225мм, и высота 2128мм.

При изготовлении пакетов по Ra5 поместится:

в длину 1980/400=4,95≈4 пакета;

в ширину 1225/630=1,94≈1 пакет;

в высоту 2128/630 = 3,37≈3 яруса.

Итого при изготовлении транспортных пакетов по ряду Ra5 их общее количество будет равно 4х1х3=12 пакетов.

При изготовлении пакетов по Ra10 поместится:

в длину 1980/500=3,96≈3 пакета;

в ширину 1225/800=1,53≈1 пакет;

в высоту 2128/630 = 3,37≈3 яруса.

Итого при изготовлении транспортных пакетов по ряду Ra10 их общее количество будет равно 3х1х3=9 пакетов.

При изготовлении пакетов по Ra20 поместится:

в длину 1980/500=3,96≈3 пакета;

в ширину 1225/800=1,53≈1 пакет;

в высоту 2128/630 = 3,37≈3 яруса.

Итого при изготовлении транспортных пакетов по ряду Ra20 их общее количество будет равно 3х1х3=9 пакетов.

При изготовлении пакетов по Ra40 поместится:

в длину 1980/500=3,96≈3 пакета;

в ширину 1225/800=1,53≈1 пакет;

в высоту 2128/630 = 3,37≈3 яруса.

Итого при изготовлении транспортных пакетов по ряду Ra40 их общее количество будет равно 3х1х3=9 пакетов.

Анализируя расчеты, можно сделать вывод: Наиболее оптимальным по экономическим показателям является изготовление транспортного пакета для перевозки груза по размерам из ряда Ra5.

Рисунок 1 - Схема размещения транспортных пакетов в высоту

Рисунок 2 - Схема размещения транспортных пакетов в контейнере

Задача 2

В настоящее время функционируют две зарегистрированные системы сертификации:

Система сертификации на федеральном железнодорожном транспорте (ССФЖТ) (система обязательной сертификации), созданная в1996 г. в соответствии с указанием МПС России от 12 ноября 1996 г. № 166у и зарегистрированная Минюстом России 27 декабря 1996г. (регистрационный № 1220) и Госстандартом России 17 февраля 1997 г. (регистрационный № РОСС RU. 0001.01ЖТОО);

Система добровольной сертификации на железнодорожном транспорте Российской Федерации (ССЖТ), созданная в 2005 г. в соответствии с приказом Федерального агентства железнодорожного транспорта от 17 мая 2005 г. № 17 и зарегистрированная Федеральным агентством по техническому регулированию и метрологии 22 июня 2005 г. (регистрационный № РОСС RU.0231.04ЖД00).

проводит аккредитацию организаций и экспертов в ССФЖТ и выдает аттестаты аккредитации; рассматривает заявки на аккредитацию в ССФЖТ; организует и возглавляет комиссии по проведению аккредитации; принимает решения по результатам работы комиссий по аккредитации; отменяет или приостанавливает действие выданных аттестатов аккредитации;

организует и проводит инспекционный контроль за аккредитованными организациями и экспертами;

организует работу Совета по сертификации и Апелляционного совета;

рассматривает апелляции по вопросам сертификации и аккредитации и принимает решения по ним;

организует подготовку экспертов Системы сертификации, повышение квалификации кадров и аттестацию персонала, участвующего в проведении работ по сертификации и аккредитации;

анализирует, обобщает и представляет руководству результаты деятельности ССФЖТ и ССЖТ;

взаимодействует с причастными федеральными органами исполнительной власти и другими органами и организациями по вопросам, связанным с функционированием ССФЖТ и ССЖТ, и готовит соглашения с другими системами сертификации.

Апелляционный совет создается для рассмотрения жалоб на неправомочные действия участников ССФЖТ. Совет образуется на добровольных началах и является совещательным органом. Основной задачей этого совета является рассмотрение апелляций участников ССФЖТ по вопросам сертификации и аккредитации на основе законодательства Российской Федерации, правил процедуры системы сертификации.

Для реализации своей основной задачи Апелляционный совет осуществляет следующие функции:

рассматривает апелляции заявителей по вопросам неправомерных действий участников системы сертификации по отношению к установленным общим правилам процедуры при проведении работ по сертификации и аккредитации;

привлекает к рассмотрению апелляций независимых экспертов и специалистов в данной предметной области;

вырабатывает проекты решений по апелляциям, представляет их на утверждение председателю совета и направляет сторонам, участвующим в споре.

Рисунок 3 - Организационная структура Системы сертификации федерального железнодорожного транспорта

геометрический транспортный сертификация

Система добровольной сертификации на железнодорожном транспорте мировой практике добровольная сертификация является эффективным средством содействия потребителю в выборе товара, для производителя товара добровольная сертификация означает большую вероятность того, что его продукция будет куплена, а при наличии соответствующих требований в условиях тендеров и договоров на поставку добровольная сертификация становится необходимым условием для получения заказов и сбыта продукции.

Структура Системы сертификации

. Организационную структуру ССФЖТ образуют:

Министерство путей сообщения Российской Федерации;

Центральный орган Системы сертификации;

орган (органы) по сертификации на федеральном железнодорожном транспорте;

Совет по сертификации на федеральном железнодорожном транспорте Российской Федерации;

Аккредитованные экспертные центры по сертификации;

Аккредитованные испытательные центры (лаборатории);

Аккредитованные эксперты в области сертификации и аккредитации на федеральном железнодорожном транспорте.

Рисунок 4 - Организационная схема ССЖТ

Объекты железнодорожного транспорта, сертифицируемые в Системе

.1. Путь и путевое хозяйство:

верхнее строение пути;

земляное полотно;

искусственные сооружения;

путевые машины, их детали, узлы и оборудование;

технологические процессы содержания и ремонта пути и искусственных сооружений.

.2. Железнодорожные станции:

сортировочные;

участковые;

промежуточные;

грузовые;

портовые;

паромные;

пограничные;

пассажирские;

технологические процессы работы станций;

станционные технические средства;

технологические процессы технического обслуживания и ремонта станционных технических средств.

.3. Автоматика, телемеханика, связь, вычислительная техника и информационные технологии:

средства сигнализации, централизации и блокировки;

устройства связи;

железнодорожные технические средства обеспечения и контроля безопасности движения;

автоматизированные системы управления федеральным железнодорожным транспортом;

технологические процессы технического обслуживания и ремонта средств автоматики, телемеханики, связи и вычислительной техники;

информационные технологии.

.4. Тяговый и моторвагонный подвижной состав:

электровозы, их детали, узлы и оборудование;

электропоезда, их детали, узлы и оборудование;

тепловозы, их детали, узлы и оборудование;

дизельные поезда, их детали, узлы и оборудование;

автомотрисы, их детали, узлы и оборудование;

мотовозы, их детали, узлы и оборудование.

.5. Вагоны и контейнеры:

пассажирские вагоны, их детали, узлы и оборудование;

грузовые вагоны (в т.ч. специализированные), их детали, узлы и оборудование;

контейнеры крупнотоннажные стандартные и специализированные;

контейнеры среднетоннажные универсальные;

контейнеры среднетоннажные специализированные.

.6. Системы электроснабжения электрифицированных железных дорог:

тяговые подстанции, их устройства и оборудование;

контактная сеть, ее устройства и оборудование;

технические средства, используемые при техническом обслуживании и ремонте устройств систем электроснабжения;

технологические процессы технического обслуживания и ремонта оборудования систем электроснабжения.

.7. Технологические процессы и технические средства обеспечения железнодорожных перевозок.

.8. Изделия из металлопродукции для железнодорожного транспорта (элементы верхнего строения пути, колеса, оси, бандажи, колесные центры, тормозные колодки, надрессорные балки, контактный провод и т.п.).

.9. Изделия из полимерных материалов для железнодорожного транспорта.

.10. Услуги, предоставляемые на федеральном железнодорожном транспорте:

услуги на железнодорожных вокзалах до отправления поезда;

услуги по перевозке пассажиров;

услуги в пути следования поезда;

услуги по прибытии поезда к месту назначения;

транспортно - экспедиторские услуги.

.11. Организации, разрабатывающие железнодорожные технические средства.

.12. Системы качества.

.13. Производство железнодорожных технических средств.

.14. Средства измерений отраслевого применения, используемые на федеральном железнодорожном транспорте, и контролирующие параметры, определяющие безопасность движения.

.15. Средства неразрушающего контроля, изготовляемые специально для использования на федеральном железнодорожном транспорте.

. Сертификации подвергаются вновь вводимые в эксплуатацию железнодорожные технические средства.

. В соответствии с «"Правилами по проведению сертификации в Российской Федерации" МПС России определяет перечни (номенклатуру) объектов ЖТ, подлежащих обязательной сертификации.

Порядок проведения сертификации ТСЖТ

1. Процедура проведения сертификации включает:

представление заявителем в РС ФЖТ заявки на проведение сертификации ТСЖТ;

предварительную оценку заявки РС ФЖТ, принятие решения по ней и направление решения по заявке заявителю с указанием испытательных центров (лабораторий), где могут быть проведены испытания ТСЖТ;

проведение испытаний ТСЖТ в аккредитованном в ССФЖТ испытательном центре (лаборатории);

анализ состояния производства или сертификация системы качества или производства, если это предусмотрено схемой сертификации;

рассмотрение возможности признания имеющихся у заявителя сертификатов соответствия;

экспертизу результатов испытаний, анализа состояния производства или сертификации системы качества или производства (при их проведении) и других доказательных материалов, принятие решения о возможности выдачи сертификата соответствия либо обоснование отказа в выдаче сертификата соответствия;

оформление, регистрацию и выдачу сертификата соответствия и лицензии (соглашения) на применение знака соответствия либо направление заявителю обоснованного отказа в выдаче сертификата;

осуществление инспекционного контроля за сертифицированными ТСЖТ, применением сертификата, знака обращения на рынке и знака соответствия;

информацию о результатах сертификации;

рассмотрение апелляций.

Для проведения сертификации ТСЖТ заявитель направляет в РС ФЖТ заявку .

Копии доказательных документов должны быть заверены подписью и печатью заявителя.

По завершении сертификационных испытаний заявитель оформляет и представляет в РС ФЖТ таблицу соответствия образца ТСЖТ установленным требованиям. Таблица соответствия рассматривается как заявление-декларация изготовителя о соответствии выпускаемых им ТСЖТ установленным требованиям.

Все доказательные документы остаются в РС ФЖТ и подлежат хранению в соответствующих делах.

При отсутствии у заявителя информации об органах по сертификации и порядке сертификации интересующего его ТСЖТ, он может получить ее в РС ФЖТ или Департаменте технической политики МПС России - Центральном органе ССФЖТ.

С целью учета при сертификации результатов приемочных и других испытаний заявитель может представить заявку на проведение сертификации на ранних стадиях разработки. Заявка должна быть подана до начала испытаний, результаты которых предполагается учитывать при сертификации, с целью обеспечения возможности контроля за проведением испытаний со стороны РС ФЖТ, уполномоченного им экспертного центра по сертификации, испытательного центра (лаборатории) или иного компетентного лица.

. Предварительная оценка заявки РС ФЖТ, принятие решения по ней и направление решения по заявке заявителю с указанием испытательных центров (лабораторий), где могут быть проведены испытания ТСЖТ

РС ФЖТ рассматривает заявку и не позднее одного месяца после ее получения сообщает заявителю решение. Решение по заявке должно содержать все основные условия сертификации, в том числе указывается статус сертификации (обязательная или добровольная), схема сертификации, сроки проведения сертификации, порядок отбора и объем выборки образцов для проведения сертификационных испытаний, порядок проведения анализа состояния производства, условия проведения инспекционного контроля, перечень необходимых нормативных и технических документов, которые необходимо дополнительно представить для проведения работ по сертификации, перечень испытательных центров (лабораторий), в которых могут быть проведены сертификационные испытания.

. Проведение испытаний ТСЖТ

Сертификационные испытания ТСЖТ проводят в соответствии с требованиями П ССФЖТ 47.

Испытания проводят на образцах, конструкция, состав и технология изготовления которых должны быть такими же, как у ТСЖТ, поставляемых потребителю (заказчику).

Количество образцов, порядок их отбора, правила идентификации и хранения устанавливают в соответствии с нормативными документами на ТСЖТ (техническими регламентами или методиками сертификационных испытаний) или методикой, разрабатываемой РС ФЖТ. При отсутствии конкретных указаний на количество отбираемых для сертификационных испытаний образцов принимают количество образцов, указанное в разделе «Периодические испытания» технических условий на ТСЖТ. Отбор образцов проводит РС ФЖТ или уполномоченный им экспертный центр по сертификации, испытательный центр (лаборатория), инспектор МПС России или иное компетентное лицо на основании доверенности РС ФЖТ, в присутствии представителя заявителя, с составлением акта отбора образцов. Отобранные образцы маркируют и с сопроводительным документом направляют на испытания. При необходимости может производиться пломбирование ТСЖТ, а также маркировка отдельных особо ответственных составных частей отобранных ТСЖТ.

При проведении идентификации сравнивают основные характеристики образцов ТСЖТ, указанные в заявке на проведение сертификации, с фактическими, приведенными в маркировке и в сопроводительной документации, в том числе:

наименование, тип, модель, модификация ТСЖТ;

наименование изготовителя или данные о происхождении ТСЖТ;

документ, по которому выпускается ТСЖТ;

показатели назначения и другие основные показатели;

принадлежность к данной партии;

принадлежность к данному технологическому процессу и другие.

Основные составные части и комплектующие изделия образцов подвижного состава, отобранных для проведения сертификационных испытаний, маркируются уполномоченным представителем РС ФЖТ. Перечни маркируемых основных составных частей и комплектующих изделий отдельных ТСЖТ приведены в Приложении Д.

Испытания для целей сертификации проводят в технически компетентных и независимых испытательных центрах (лабораториях), аккредитованных в ССФЖТ на проведение тех испытаний, которые предусмотрены в нормативных документах, используемых при сертификации данного типа ТСЖТ. При отсутствии испытательного центра, аккредитованного на техническую компетентность и независимость, допускается проводить испытания для целей сертификации в испытательных центрах, аккредитованных только на техническую компетентность, под контролем РС ФЖТ.

Испытания технически сложных ТСЖТ проводят, как правило, в нескольких испытательных центрах, один из которых, выполняющий большую часть испытаний, РС ФЖТ определяет головным, ответственным за обобщение результатов всех испытаний.

. Анализ состояния производства, сертификация системы качества или производства, если это предусмотрено схемой сертификации

Анализ состояния производства проводят специалисты РС ФЖТ с привлечением, при необходимости, экспертов и специалистов других компетентных организаций. Форма и содержание анкеты по оценке состояния производства сертифицируемых ТСЖТ устанавливаются внутренними документами РС ФЖТ.

Задача 3

Размер измеряемой детали L=36мм, температура детали t1=34˚C, температура средства измерения и температура воздуха в цехе t2=16˚C, деталь измеряется после финишной операции. Коэффициент линейного расширения материала измерительного средства α2=11,5∙10-6 град-1. (легированная сталь), коэффициент линейного расширения материала детали α1=18∙10-6 град-1(латунь).

Определить погрешность измерения размера детали.

Решение:

Определяют погрешность измерения от температурной деформации по формуле:

м,

где L-измеряемый размер, м;

ΔL-поправка на температуру детали;


Тогда

Задача 4

В результате работы ПТО были получены выборки:

для ночной смены

n1=25смен;

 - среднее арифметическое значение вероятности обнаружения дефектов, а также среднеквадратическим отклонением

σ1=0,52%

для дневной смены

n2=12смен;

 - среднее арифметическое значение вероятности обнаружения дефектов; а также среднеквадратическим отклонением

σ2=0,49% .

,

где -степень свободы для значения в числителе;

-степень свободы для значения в знаменателе;

 - критическая область значимости для исследуемого распределения.

<2,22

Условие соблюдается, значит существенной разницы между дисперсиями в исследуемых выборках нет и их можно сравнить, используя двухвыборочный t-критерий Стьюдента.

,

где ta - сравнительный показатель, который зависит от уровня значимости ka.

ta = t0,05 =2,035.

Тогда значение t-критерия Стьюдента

1,9

Так как условие соблюдается 1,9<2,06, то сравниваемые выборки равны, а разница между ними случайна и причины ее не существенны. Поэтому статистическое сравнение данных выборок работы ПТО в ночную и дневную смены возможно, а также возможно объединение накопленных данных в одну общую выборку, которая позволит получить достоверные данные о вероятности обнаружения дефектовых ходовых частей грузовых вагонов в процессе работы ПТО в течении суток.

Задача 5

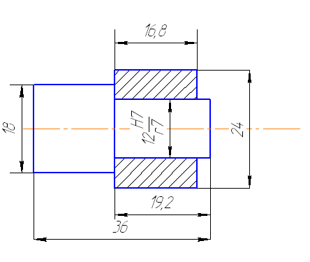
Для сопряжения ø12 определяют элементы присоединительных размеров:

Номинальный размер: DN=12.000мм

Основная деталь - отверстие.

ES = 0.018мм

EI = 0.000

Поле допуска: H7 (ГОСТ 25347 - 82)

Отверстие наибольшее:

DMAX = DN + ES = 12 + 0.018 = 12,018мм

Отверстие наименьшее:

DMAX = DN + EI = 12 + 0.000 =12,000мм


TD = DMAX - DMIN = 12,018- 12.000 = 0.018мм

TD = ES - EI = 0.018 - 0.000 = 0.018мм

Сопрягаемая деталь - вал.

еs = +0,041мм

еi = +0,023мм

Поле допуска: r7 (ГОСТ 25347 - 82)

Условное обозначение вала: 12r7.

Вал наибольший:

dMAX = DN + es = 12.000 + 0.041 = 12.041мм

Вал наименьший:

dMIN = DN + ei = 12.000 +0.023 =12.023мм

Допуск вала:

TD = dMAX - dMIN = 12.041-12.023=0.018ммd = es - ei = 0.041-0.023=0.018мм

Характер соединения - посадка с гарантированным натягом

Натяг наибольший:

NMAX =dMAX -DMIN =12.041-12=0.041мм

NMAX =es EIi = 0.041 -0 = 0.041

Натяг наименьший:

NMIN =dMIN -DMAX = 12.023-12.018=0.005ммMIN =ei -ES = 0.023-0.018=0.005мм

Допуск посадки:

TN =NMAX -NMIN = 0.041-0.005=0.036мм

TS = TD + Td = 0.018 + 0.018 = 0.036мм

Рисунок 5 - Схема полей допусков посадки с гарантированным натягом

Рисунок 6 - Соединение отверстия с валом

Библиографический список

1.      Правила системы сертификации на федеральном железнодорожном транспорте Российской Федерации. Основные положения П ССФЖТ 01-96

.        ГОСТ 8032-84 Предпочтительные числа и ряда предпочтительных чисел

.        ГОСТИ 25346-82. ЕСДП. Общие положения, ряды допусков и основных отклонений

.        А.В. Васильев, Методические указания по выполнению контрольной работы.

5. 

Похожие работы на - Метрология и стандартизация на железнодорожном транспорте

 

Не нашли материал для своей работы?
Поможем написать уникальную работу
Без плагиата!
Без нейросетей!