Однотактный прямоходовый преобразователь типа 'forward'
Министерство
образования Республики Беларусь
УЧЕРЕЖДЕНИЕ
ОБРАЗОВАНИЯ «ГРОДНЕНСКИЙ ГОСУДАРСТВЕННЫЙ УНИВЕРСИТЕТ имени ЯНКИ КУПАЛЫ»
Физико-технический
факультет
Кафедра
промышленной электроники
КУРСОВАЯ
РАБОТА
по курсу
«Преобразовательная техника»
на тему:
«Однотактный прямоходовый
преобразователь
типа «forward»»
Выполнил:
студент 4 курса 2 группы Филипович
Павел Николаевич
Гродно 2015
Введение
Практически вся радиоэлектронная аппаратура
(далее РЭА) нуждается в одном или нескольких источниках питания. В настоящее
время, как правило, не представляет затруднений приобретение необходимого
источника электропитания. В тоже время при разработке той или иной
радиоаппаратуры разрабатывается свой источник питания.
Данная работа посвящена импульсным преобразователям,
в частности - однотактному прямоходовому преобразователю типа «forward».
Курсовая содержит общие сведения об источниках питания. Главный упор делается
на анализ принципа работы названного преобразователя, расчётные формулы, учёта
влияния индукции рассеяния. Также в данной курсовой рассмотрен однотактный
прямоходовый преобразователь с активным ограничением напряжения.
1. Общие сведения об источниках питания
Источник (блок) электропитания представляет
собой устройство, которое преобразует напряжение одного вида (обычно переменное
напряжение осветительной сети) в другое, более подходящее по своим параметрам
для снабжения электроэнергией какого-то конкретного блока или части устройства.
Все источники питания (далее ИП) можно разделить
на две группы: источники первичного и вторичного электропитания.
Радиоэлектронная аппаратура (далее РЭА) может иметь в своем составе: ИП первой
группы, ИП второй группы, ИП первой и второй групп одновременно.
.1 Первичные источники питания
Первичные источники питания преобразуют
различные виды энергии в электрическую. К ним относятся:
· химические источники тока
(гальванические элементы, батареи и
· аккумуляторы);
· термобатареи;
· термоэлектронные преобразователи;
· фотоэлектрические преобразователи
(солнечные батареи);
· топливные элементы;
· биохимические источники тока;
· атомные элементы;
· электромашинные генераторы.
.2 Вторичные источники питания
Вторичные источники питания сами не генерируют
электроэнергию, а служат лишь для её преобразования с целью обеспечения
требуемых параметров (напряжения, тока, пульсаций напряжения и т. п.).
Источники вторичного электропитания можно классифицировать по следующим
параметрам:
1. По типу питающей цепи:
· ИП, использующие электрическую
энергию, получаемую от однофазной сети переменного тока;
· ИП, использующие электрическую
энергию, получаемую от трехфазной сети переменного тока;
· ИП, использующие электрическую
энергию автономного источника постоянного тока.
2. По напряжению на нагрузке:
· ИП низкого (до 100 В) напряжения;
· ИП среднего (от 100 до 1000 В)
напряжения;
· ИП высокого (свыше 1000 В)
напряжения.
3. По мощности нагрузки:
· ИП малой мощности (до 100 Вт);
· ИП средней мощности (от100 до 1000
Вт);
· ИП большой мощности (свыше 1000 Вт).
4. По роду тока нагрузки:
· ИП с выходом на переменном токе;
· ИП с выходом на постоянном токе;
· ИП с выходом на переменном и
постоянном токе.
5. По числу выходов:
· одноканальные ИП, имеющие один выход
постоянного или переменного тока;
· многоканальные ИП, имеющие два или
более выходных напряжений.
6. По стабильности напряжения на нагрузке:
· стабилизированные ИП;
· нестабилизированные ИП.
Стабилизированные источники питания имеют в
своем составе, по крайней мере, один стабилизатор напряжения (тока) и могут
быть разделены: а) по характеру стабилизации напряжения:
· ИП с непрерывным регулированием;
· ИП с импульсным регулированием.
б) по характеру обратной связи:
· параметрические;
· компенсационные;
· комбинированные;
в) по точности стабилизации выходного
напряжения:
· ИП с низкой стабильностью выходного
напряжения (суммарная нестабильность выходного напряжения более 2 - 5%);
· ИП со средней стабильностью
выходного напряжения (суммарная нестабильность не более 0,5 - 2%);
· ИП с высокой нестабильностью
выходного напряжения (суммарная нестабильность до 0,1 - 0,5%);
· Прецизионные ИП (суммарная
нестабильность менее 0,1%).
К вторичным источникам питания (вторичным
элементам) принято относить также аккумуляторы, хотя деление ХИТ на первичные и
вторичные условно (аккумуляторы могут использоваться и для однократного
разряда).
.3 Параметры сети питания электроэнергией
Основные электрические параметры сети
электропитания следующие:
1. Номинальное значение питающего напряжения U.
2. Относительная нестабильность питающего
напряжения, характеризующая возможные пределы изменения его значения
относительно номинального - верхний предел:
δUпв= (Uп.макс. - Uп. ном. )/ Uп. ном 
100%
δUпн= (Uп. ном. - Uп. мин. )/ Uп. ном 
100%
где Uп.макс. и Uп.мин.
- максимальное и минимальное значение напряжения питающей сети.
3. Внутреннее сопротивление
первичного источника и электроэнергией и питающей сети.
4. Уровень пульсации питающего
напряжения на выходе источника вторичного электропитания (для сети постоянного
тока), который характеризует амплитуду (или эффективное значение) переменной
составляющей напряжения, приложенного к ИП. Уровень пульсаций может также
определяться отношением значения амплитуды (или эффективного значения)
переменной составляющей питающего напряжения к его номинальному значению.
5. Частота, возможные искажения
формы кривой питающего напряжения и возможная несимметрия по фазам питающей
сети.
.4 Параметры источников вторичного
электропитания
1. Номинальные выходные напряжения и
токи.
. Нестабильность выходных напряжений
в процессе эксплуатации.
. Максимальная, минимальная и
номинальная мощность по каждой из выходных цепей ИП. Для источников питания с
выходом на переменном токе задаются максимальное, минимальное и номинальное
значения полной мощности (в вольт-амперах) S=U/Z (где U - действующее значение
напряжения на нагрузке, Z - модуль полного сопротивления нагрузки) и соответствующие
значения коэффициентов мощности нагрузки cosφ=R/Z, где
R-активное сопротивление нагрузки.
. Номинальное значение тока,
потребляемого ИП от сети электропитания или первичного источника питания
электроэнергией. Для ИП, работающего в режиме изменяющейся нагрузки, задаются
номинальное, максимальное и минимальное значения мощности, потребляемой от
первичного ИП.
. Для ИП, питающихся от сети (или
источника) переменного тока, коэффициент мощности cosφ = P /
S ,где
P - активная составляющая полной мощности, потребляемой ИП от первичной сети.
Для нагрузок постоянного тока cosφ= 1, так как P = S .
. Коэффициент полезного действия в
номинальном режиме:
η = 100
(
нi.ном)/ Рп.ном
где n - число выходов (выходных
цепей) ИП, Рнi.ном - номинальная мощность, передаваемая в нагрузку
по i-му выходу, Рп.ном - номинальная потребляемая мощность.
. Внутреннее сопротивление ИП,
равное численному значению отношения изменения выходного напряжения ∆Uвых
к вызвавшему его изменению тока нагрузки (выходного тока) ∆Iвых
(рис. 1).
Рис. 1. Нагрузочная характеристика
ИП: 1 - характеристика идеального источника питания; 2 - характеристика
реального источника питания.
8. Уровень пульсаций выходного
напряжения Uп и/или коэффициент пульсаций Кп (рис. 2).
Рис. 2. Временная диаграмма
выходного напряжения источника питания с выходом на постоянном токе.
Кп = Uп/Uo,
где Uп, Uо - переменная и
постоянная составляющие выходного напряжения. Иногда определяют Кп
как отношение удвоенного значения Uп к Uо.
.5 Линейные и импульсные источники вторичного
питания
Существует два принципиальных подхода к
проектированию схем источников питания, в соответствии с которым их можно
разделить на два основных класса: линейные (непрерывные) и импульсные.
В линейных ИП переменное напряжение питающей
сети преобразуется трансформатором, выпрямляется, подвергается низкочастотной
фильтрации и стабилизируется (рис.3). В нестабилизированных ИП нагрузка
подключается непосредственно к выходу фильтра низкой частоты. В стабилизаторах
линейных ИП осуществляется непрерывное регулирование: последовательно или параллельно
с нагрузкой включается регулирующий элемент (транзистор), управляемый сигналом
обратной связи, за счет чего выходное напряжение поддерживается на постоянном
уровне.
Рис. 3. Упрощенная функциональная схема линейного
стабилизированного источника питания
Отличительная особенность линейных
стабилизаторов напряжения заключается в том, что их выходное напряжение всегда
ниже нестабилизированного входного напряжения. Кроме этого выходное напряжение
Uвых всегда имеет одинаковую полярность с входным напряжением Uвх,
а сам стабилизатор непрерывно рассеивает мощность
Pрас
ΔIвых (Uвх
≥ΔUвых),
где Iвых - выходной ток (ток нагрузки).
Импульсные ИП непосредственно
выпрямляют и фильтруют напряжение питающей сети переменного тока без
использования первичного силового трансформатора, который для частоты 50 Гц
имеет значительные вес и габариты. Выпрямленный и отфильтрованный постоянный
ток коммутируется мощным электронным ключом, затем преобразуется
высокочастотным трансформатором, снова выпрямляется и фильтруется (рис.4).
Рис. 4. Упрощенная функциональная
схема импульсного источника питания
где В - выпрямитель, ФНЧ - фильтр
низкой частоты, КРЭ - ключевой регулирующий элемент, Т - трансформатор.
Электронный ключ управляется специальным
сигналом, формируемым схемой управления. В устройстве может быть обратная связь
по напряжению, благодаря которой стабилизируется выходное напряжение
(управляющий сигнал формируется в зависимости от разности напряжений выходного
и опорного). Из-за высокой частоты переключения (от 20 кГц и выше),
трансформаторы и конденсаторы фильтров имеют намного меньшие размеры, чем их
низкочастотные (50 Гц) эквиваленты. Достоинством импульсных ИП является высокий
КПД - от 80% (КПД линейных ИП, как правило, не превышает 60%).
Для питания РЭА используются три
типа импульсных электронных устройств, использующихся в качестве ИП:
преобразователь переменный ток/постоянный ток (AС-DС
конверторы), преобразователь - постоянный ток/постоянный ток (DC-DC конвертор)
и преобразователь постоянный ток/переменный ток (DC-AC
преобразователь или инвертор). Каждый тип устройств имеет собственные
определенные области применения.
Импульсные стабилизаторы (DC-DC
конверторы), в отличие от аналогичных линейных устройств могут:
) обеспечивать выходное напряжение,
превышающее по величине входное напряжение;
) инвертировать входное напряжение
(полярность выходного напряжения становится противоположной полярности входного
напряжения).DC конверторы используют принцип действия импульсных ИП, но
применяются для того, чтобы преобразовывать одно постоянное напряжение в
другое, обычно хорошо стабилизированное. Такие преобразователи используются,
большей частью, там, где РЭА должна питаться от химического источника тока или
другого автономного источника постоянного тока.
Интегральные DC-DC конверторы широко
используются для преобразования и распределения постоянного напряжения питания,
поступающего в систему от сетевого ИП или батареи.
Другое распространенное применение
для DC-DC конверторов, это преобразование напряжения батареи (1.5, 3.0, 4.5, 9,
12, 24 В) в напряжение другого номинала. При этом выходное напряжение может
оставаться достаточно стабильным при значительных колебаниях напряжения
батареи.
.6 Сравнение линейных и импульсных
ИП
Несмотря на то, что линейные ИП
имеют много достоинств, таких как простота, малые уровни пульсаций выходного
напряжения и шума, отличные значения нестабильности по напряжению и току, малое
время восстановления нормативного уровня выходного напряжения после скачкообразного
изменения тока нагрузки, главными их недостатками, ограничивающими их
применение являются: низкий КПД, значительные масса и габариты.
Импульсные ИП находят широкое
применение главным образом благодаря их значительно большой удельной мощности и
большой эффективности. Важным достоинством импульсных ИП является большое время
удержания, то есть время, в течение которого выходное напряжение ИП остается в
допустимых пределах при пропадании входного напряжения. Особую актуальность это
приобретает в цифровых вычислителях и компьютерах.
Обобщенные результаты сравнения
линейных и импульсных ИП представлены в таблице 1.
.7 Элементная база ИП
В качестве базовых
электрорадиоэлементов ИП используются:
· электровакуумные приборы (диоды, триоды и
многосеточные лампы);
· полупроводниковые диоды,
стабилитроны и стабисторы, тиристоры, транзисторы;
· трансформаторы и дроссели
(низкочастотные и высокочастотные);
· конденсаторы (в основном оксидные,
имеющие большую удельную емкость);
· линейные интегральные микросхемы
(операционные усилители, усилители низкой частоты);
· интегральные стабилизаторы
напряжения и тока (линейные и импульсные);
· интегральные микросхемы, входящие в
состав импульсных ИП (АС-DС и DС-DС конверторы, однотактные и двухтактные ШИМ -
контроллеры, корректоры коэффициента мощности, специализированные схемы
управления импульсными источниками вторичного электропитания);
· элементы (устройства) индикации
(лампы накаливания и светодиоды, аналоговые и цифровые индикаторы);
· предохранители (плавкие,
биметаллические, электронные).
Современная тенденция развития ИП такова, что
они строятся в основном с применением интегральных микросхем, а доля дискретных
активных элементов в них постоянно уменьшается. Уже в 1967 была разработана
микросхема линейного интегрального стабилизатора µА723, представляющая собой
настоящий блок питания. Микросхема 723 содержит температурно-компенсированный
источник опорного напряжения, дифференциальный усилитель, последовательно
включенный проходной транзистор и схему защиты, обеспечивающую ограничение
выходного тока. Современные стабилизаторы имеют лучшие электрические параметры,
имеют широкий спектр функциональных возможностей, но построены на тех же
принципах, что и µА723.
Отечественной и зарубежной промышленностью
выпускается большое число линейных интегральных стабилизаторов, рассчитанных
как на фиксированное значение напряжения, так и предназначенных для
регулирования величины, выходного напряжения в достаточно широких пределах.
Например, выходное напряжение недорогой отечественной микросхемы КР142ЕН12А
может изменяться в пределах от +1, 25 до +36 В. При этом она может отдавать ток
в нагрузку до 1,5 А.
Ряд линейных стабилизаторов, помимо своей
основной функции, способны:
1) следить за значением входного напряжения и
формировать контрольный сигнал, предназначенный для предупреждения об аварийной
просадке напряжения на входе;
2) изменять выходное напряжение и выходной ток
под действием управляющего сигнала;
3) совместно с резервным источником питания
(аккумулятором или батареей) обеспечивать бесперебойное питание устройства, что
особенно важно для микропроцессорных систем.
Интегральные АС-DС преобразователи представляют
собой, по сути дела, готовые источники питания. Например, преобразователь HV-2405E
фирмы Harris semiconductor осуществляет прямое преобразование переменного тока
(18 - 264 В) в постоянный (5 - 24 В). Выходной ток HV-2405E может достигать 50
мА. Для превращения микросхемы в компактный, легкий, дешевый и эффективный ИП
необходимо только несколько недорогих внешних компонентов (не требуется никаких
дополнительных трансформаторов и дросселей). HV-2405E заменяет собой
трансформатор, выпрямитель и стабилизатор напряжения.
Мощные АС-DС конверторы способны отдавать ток в
нагрузку значительно больший. Так отечественная микросхема 1182ЕМ3 обеспечивает
выходной ток до 1,7 А и имеет встроенную защиту по току и встроенную защиту от
перегрева. Правда для работы такой микросхемы потребуется подключение внешнего
трансформатора или дросселя.
2. Однотактный прямоходовый преобразователь типа
«forward»
Данный вид преобразователя относится к классу DC-DC.
За
рубежом
его
называют
«single-ended forward convenors» или
просто
«forward convertors». Смысл термина «однотактный»
заключается в том, что передача энергии нагрузку происходит только на одном
интернате времени за период работы. Прямоходовым преобразователь называется в
силу того, что передача энергии происходит в интервале состояния ключа ON
(ключ замкнут) - здесь как бы ставится в соответствие замкнутое состояние ключа
и интервал работы устройства, в котором энергия передастся на выход.
Рассмотрим работу схемы, показанной на рис. 5. В
схеме лап идеальный трансформатор, у которого отсутствует сердечник и, тем не
менее, обмотки пересчитывают токи и напряжения из одной обмотки в другую,
включай и их постоянные составляющие. Можно представить себе, что такой
трансформатор имеет сердечник, ток намагничивания которого чрезвычайно мал и не
оказывает влияния на процессы в схеме.
В периодическом режиме работы схемы на рис. 5
при замыкании ключа К и длительности этого интервала tи
проводит ток диод D1 а диод D2
оказывается запертым. Ток в дросселе L
нарастает, проходя через конденсатор С и нагрузку. Размыкание ключа приводит к
другому состоянию схемы, при котором ток дросселя должен сохранить свое
направление. Теперь в интервале паузы (tп)
ток проводит диод D2, часто
называемый замыкающим, а диод D1
заперт. Одновременное открытое состояние обоих диодов в интервале tп
в данной схеме невозможно, поскольку при этом в обмотке и должен был бы
проходить ток, что невозможно в силу запертого состояния ключа К. Изменяя
коэффициент заполнения импульсов D(D=
tи
/T, Т - период работы
ключа), можно регулировать выходное напряжение Uвых.
Рис. 5. Однотактный DC-DC
преобразователь с идеальным трансформатором.
Заменим идеальный трансформатор в схеме рис. 5
реальным, выполненным с использованием ферримагнитного сердечника. Пренебрегая
пока индуктивностями рассеяния обмоток, представим схему замещения такого
трансформатора, как показано на рис. 6, где индуктивность намагничивания Lµ
приведена к первичной обмотке.
В интервале импульса через индуктивность
намагничивания трансформатора проходит ток от источника Uвх
через ключ К. После размыкания ключа ток намагничивания (iµ)
должен проходить через Lµ,
не изменяя своего направления. При этом в схеме создается ситуация, когда ток iµ
не может пройти ни через первичную цепь, поскольку разомкнут ключ К, ни через
вторичную - из-за того, что диод D1
заперт. Рассмотренное состояние работы схемы, когда нет возможности передать
энергию, накопленную в индуктивности Lµ
в
интервале импульса, что является чрезвычайно опасным, приводящим к большим
перенапряжениям на электронных элементах и к быстрому выходу из строя. Понятно,
что прблема сводится к нахождению пути, по которому энергия индуктивности Lµ
будет передана в интервале паузы (tп)
в другие элементы преобразователя. Если данная проблема решается, напряжение на
обмотках трансформатора, ключе и диоде схемы фиксируются или клампируются
(скрепляются).
Рис. 6. Схема замещение трансформатора с
индуктивностью намагничивания, приведённой к первичной обмотке.
Поскольку ограничение напряжения на транзисторах
или диодах выходных каскадов является общей задачей преобразовательной техники,
рассмотрим на примере однотактного прямоходового преобразователя (далее ОПП)
возможные пути её решения:
. Поглощение энергии, накопленной в
индуктивности Lµ,
в стабилитроне.
На рис. 6 показана схема ОП П, в которой
параллельно первичной обмотке трансформатора W1
включены диод D3 и стабилитрон Ст.
ВАХ стабилитрона показана на рис. 7, где Uст,
Iст
- напряжение на стабилитроне и ток, проходящий через него от катода к аноду, Uстаб
- напряжение стабилизации, Iст
min-
минимальный ток стабилизации. После запирания ключа, выполненного на полевом
транзисторе Т, ток намагничивания iµ
трансформатора замыкается через стабилитрон Ст и диод D3.
Одновременно с запиранием ключа запирается диод D1
и открывается диод D2,
позволяющий проходить току iL.
За время паузы ток iµ
должен уменьшиться до нуля и на кривой перемагничивания сердечника рабочая
точка должна вернуться в положение, где индукция равна Вr.
Время прохождения тока iµ
через стабилитрон назовем временем возврата tв
(имеется в виду возврат рабочей точки в исходное состояние, в котором индукция
равна Вr)
Траектория движения рабочей точки по кривой ВН показана на рис. 8, а диаграмма
напряжения на обмотке W1
трансформатора - на рис . 9.
Рис. 6. ОПП со стабилитроном в первичной цепи
трансформатора.
Рис. 7. ВАХ стабилитрона
Рис. 8. Траектория движения рабочей точки по
кривой перемагничивания на обмотке W1
трансформатора.
Рис. 9. Диаграмма напряжения сердечника
трансформатора.
Поскольку прямое падение напряжения на диоде D3
намного меньше напряжения стабилизации, можно считать, что на интервале tв
к
обмотке W1
приложено отрицательное напряжение -Uстаб.
Среднее
напряжение на обмотке W1
за период, так же как среднее напряжение на обмотке W2
должно равняться нулю, другими словами, площади, отмеченные на рис 9 знаками
«+» и «-», должны быть равны. Если этого не происходит, то есть на обмотке W1
существует среднее (постоянное) напряжение за период не равное нулю, рабочая
точка на кривой ВН (рис 8) не будет успевать возвращаться в исходное положение
1 и с каждым циклом работы ключа все дальше будет уходить вправо от точки 2.
Очевидно, что ток намагничивания трансформатора будет при этом неограниченно
возрастать, что приведет к выходу из строя преобразователя.
Из сказанного выше можно получить условие, при
котором не будет происходить недопустимого намагничивания сердечника
трансформатора:
Uвх
Dmax < Uстаб
(1-Dmax) (1)
откуда:
Uстаб>
Uвх
Dmax/(1-Dmax)
(2)
При выполнении последнего условия и D
< Dmax
время возврата tв
будет меньше интервала паузы tп.
Максимальное напряжение на запертом ключе равно Uвх
+ Uстаб,
что необходимо учитывать при выборе транзистора.
Мощность, рассеиваемая в стабилитроне, ухудшает
КПД и связанные с ним технические характеристики устройства.
. Передача энергии, накопленной в
индуктивности Lµ,
в источник входного напряжения с помощью двух диодов
Энергию, накопленную в индуктивности
намагничивания трансформатора в интервале импульса, можно вернуть обратно в
источник напряжения Uвх
или в нагрузку. Первое выполняется технически проще и может быть реализовано
различными способами.
На рис. 10 показана схема ОПП, в который в
первичную цепь добавлены второй ключ Т2 и два диода D3
и D4. Ключи Т1 и Т2
работают синхронно, одновременно находясь либо в состоянии ON,
либо в состоянии OFF.
При выключении Т1 и Т2 ток намагничивания проходит через диоды D3,
D4 и входной
источник Uвх.
Таким образом, накопленная в сердечнике за время импульса энергия
возвращается обратно в источник Uвх.
Рис. 10. ОПП с двумя ключами и двумя диодами на
первичной стороне
Первичную сторону преобразователя на рис. 10
можно перерисовать, как показано на рис. 11. Из рисунков можно видеть, что
первичная сторона преобразователя образует мост, одна диагональ которого
состоит из ключей, а другая - из диодов. Напряжение на первичной обмотке
трансформатора uw1
показано на рис. 12. Основные отличия диаграммы в этом случае от диаграммы,
показанной на рис. 9, заключаются в том, что при использовании
диодно-транзисторного моста отрицательное напряжение на обмотке W1
равно - Uвх,
а длительность tв
равна длительности импульса. Поэтому максимальный коэффициент заполнения Dmax
не должен превышать 0,5, в противном случае неизбежно насыщение сердечника
трансформатора и выход устройства из строя.
Несмотря на то, что данная схема работает
эффективнее, чем предыдущая со стабилитроном (рис. 6), её применение
ограничивается большим количеством элементов, необходимостью управления ключом
Т2 и более высокой стоимостью.
Рис. 11. Первичная сторона ОПП - мост, состоящий
из двух обмотке W1
трансформатора,
первичная ключей и двух диодов.
Рис. 12. Диаграмма напряжения на сторона - диодно-транзисторный
мост.
. Передача энергии, накопленной в
индуктивности Lµ,
в источник входного напряжения с помощью дополнительной обмотки
Недостатки предыдущей схемы с дополнительным
ключом и двумя диодами для размагничивания сердечника транзистора привели к
появлению ОПП, имеющего достаточно простую цепь для сброса энергии, накопленной
в Lµ,
в источник Uвх.
Схема такого преобразователя показана на рис. 13. Выбрав произвольное число
витков обмотки W1',
получим диаграммы напряжений на обмотке W1
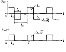
и в точках а, б схемы, как показано на рис. 14. Дополнительный диод D3,
включенный последовательно с обмоткой W1',
проводит ток намагничивания в интервале tв.
Поскольку равенство нулю среднего за период напряжения на любой обмотке
трансформатора является обязательным, при уменьшении коэффициента трансформации
W1'/W1
должно возрастать напряжение на обмотке W1
в интервале возврата tв
(модуль этого напряжения равен UвхW1/W1').
Поэтому при возрастании D
будет расти напряжение на ключе. Напряжение на запертом диоде D3
при W1'
= W1
не превышает 2Uвх.
Последняя из рассмотренных схем ОПП, в которой дополнительная обмотка W1'
передает энергию во входной источник, оказалась достаточно удобной. Она нашла
широкое применение как в преобразователях с одним выходом, так и в многоканальных
устройствах при выходной мощности десятки и сотни ватт.
Рис. 13. ОПП с дополнительной обмоткой на
первичной стороне и диодом для передачи энергии, накопленной в сердечнике, в
источник Uвх.
Рис. 14. Диаграмма в ОПП с дополнительной
обмоткой для передачи энергии, накопленной в Lµ,
в источник входного напряжения.
.2 Расчётные соотношения в ОПП
Рассмотрим регулировочную характеристику (далее
РХ) на рис. 13. Воспользуемся вольт-секундным балансом напряжения на дросселе L,
полагая, что работа происходит в режиме непрерывного тока (далее НТ).
Для интервала tи
имеем:
uLи
=
uw2 и
- Uах (3)
где uw2
и
= Uвхn
- напряжение на обмотке W2
в интервале tи;
n = W2/W1.
Для интервала tп:
uLn
=
- Uвых.
(4)
Из (3) и (4) получим уравнение относительно Uвых:
(Uвх
n - Uвых)
D - Uвых
(1-D) = 0.
Решение последнего уравнения есть РХ ОПП:
Uвых
= n Uвх
D. (5)
Можно видеть, что РХ повторяет аналогичную
характеристику понижающего регулятора; отличие заключатся только в том, что в
выражении (5) используется коэффициент трансформации n
- параметр, позволяющий изменять выходное напряжение в широких пределах. Часто
схему ОПП называют трансформаторным аналогом импульсного регулятора напряжения
(ИРН-1).
Диаграммы напряжений на ключе и диодах схемы на
рис. 13 показаны на рис. 15. Из них можно определить максимальное обратное
напряжение на каждом элементе, необходимое при его выборе из справочных данных.
Максимальные напряжения на ключе и диоде D1
возрастают при уменьшении витков W1'
максимальное напряжение на запертом диоде D2
от числа витков W1'
не зависит, а на диоде D3
- уменьшается при уменьшении W1'.
Рис. 15. Диаграммы напряжений на электронных
приборах в схеме ОПП.
Время возврата tв
определим из равенства нулю среднего за период напряжения на любой обмотке
трансформатора. Для обмотки W1
имеем:
Uвх D - Uвх W1/W1' 
tв/T =0 (6)
Обозначив n1 = W1'/ W1 и Dв = tв/T, из (6)
определим:
Dв = D n1. (7)
Для расчёта трансформатора
воспользуемся схемой на рис. 16. Напряжение U1,
приложенное к обмотке W1, может
иметь синусоидальную или симметричную прямоугольную форму. Для синусоидальной
формы напряжения под U1 понимается
действующее значение. Для прямоугольной формы амплитудное и действующее
значения совпадают.
Рис. 16. Типовая схема включения
трансформатора в преобразователях.
Из закона электромагнитной индукции
имеем:
U1 = 4КфВmScW1f (8)
где Кф - коэффициент
формы тока (Кф = 1,11 для синусоиды; 1 - для симметричного
прямоугольного напряжения), Вm - индукция в
сердечнике, Sc- сечение
сердечника, f - частота
источника.
Соотношение (8) перепишем в виде:
W1 = U1 / (4КфВmScf) (9)
Аналогично: W2 = U2 / (4КфВmScf) (10)
Используя определения коэффициента
заполнения окна (отношение суммарной площади поперечного сечения металла всех
витков всех обмоток в окне магнитной системы к площади окна), получим:
SоКи
= W1Sм1
+ W1Sм2
=
W1 I1/j + W2 I2/j (11)
Подставив значения W1 и W2 из (9) и
(10) в (11), получим:
SоКи =
U1/(4КфВmScf)

I1/j + U2/(4КфВmScf)

I2/j (12)
Из последнего соотношения найдём:
SсSо
= (U1 I1 + U2 I2) / (4КфВmf
jKи)
(13)
Учитывая, что:
U1 I1 = Рн/
(14)
и
U2 I2 = U2 Iн = Рн
(15)
имеем:
SсSо = (Рн/
+ Рн) / (4КфВmf jKи) = Рн (1/η +1) /
(4КфВmf jKи) (16)
где Рн - мощность
нагрузки.
Рассчитаем сумму мощностей Рт
первичной и вторичной обмоток трансформатора:
Рт = Р1 + Р2
= Рн/η + Рн = Рн (1/η +1) (17)
где Р1 и Р2 -
мощность первичной и вторичной обмотки трансформатора соответственно.
Подставим в (16) мощность
трансформатора Рт из (17), окончательно получим:
SсSо = Рт
/ (4КфВmf jKи) (18)
Последнее выражение является общим
для любой схемы включения трансформатора (рис. 16) и не зависимо от числа
выходных обмоток.
Подставив в (18) выражение для
плотности тока j (j = KjScSo)y, получим:
SсSо = (Рт
/ (4КфВmf KjKи))1/(1+y) [м4] (19)
где Kj -
коэффициент, имеющий размерность плотности тока и зависящий от заданного
перегрева и геометрии сердечника, y -
безразмерный коэффициент степени. Все размерности в (19) в системе СИ.
Для того, чтобы SсSо получилось
более удобной размерности (см4), необходимо выражать Kj в А/см2,
а в выражении в скобках (19) использовать множитель 104.
SсSо = (Рт
104/ (4КфВmf KjKи))1/(1+y) [см4] (20)
Значения коэффициентов Kj и у
приведены в таблице 2.
Таблица 2.
|
Сердечник
|
Kj, А/см2 (∆T=25
0C)Kj,
А/см2 (∆T=50
0C)y
|
|
|
|
Чашечный
|
433
|
632
|
-0,17
|
|
Порошковый
и ферритовый кольцевой
|
403
|
590
|
-0,12
|
|
Броневой
(Ш-образный, Е, EI)
|
366
|
534
|
-0,12
|
|
Стержневой
(С)
|
323
|
468
|
-0,14
|
|
Стержневой,
1 катушка
|
395
|
569
|
-0,14
|
|
Ленточный
кольцевой
|
250
|
365
|
-0,13
|
Расчёт следует производить для минимального
входного напряжения (Uвх
min),
пологая, что в этом случае tп
= tmax, а
коэффициент заполнения - максимальный. Диаграмма напряжения на обмотке для
расчётного режима (Uвх
=
Uвх min,
tи
= tи
max,
и tп
= tв
max)
показана на рис. 17. В (20) следует определить Рт и задать
максимальную индукцию Вm.
Рис. 17. Диаграмма напряжения на вторичной
обмотке для расчёта трансформатора.
Напряжение на обмотке W2
в интервале паузы определим из уравнения:
n Uвх
min Dmax + Uw2 n
Dв
max = 0 (21)
Использую
(7), получим:
Uw2
n
= - n
Uвх min
Dmax/Dв
max
= - n
Uвх min/n1
(22)
Действующее напряжение на обмотке W2
для расчётного режима:
Uw2
∂ = { (n
Uвх min)2
Dmax + (n
Uвх min/n1)2
(1-Dmax) }1/2
(23)
Из условия:
Dmax
+ Dmax
n1
= 1
Определим Dmax:
Dmax
= 1/(1+ n1)
(24)
Подстановка (24) в (23) позволяет после
преобразования определить Uw2
∂:
Uw2
∂ = (Uвых
+ Uпр)
(2(1+ n1))1/2
(25)
В (25) учтены падения напряжения на открытых
диодах D1 и D2.
Действующий ток на вторичной обмотке определим, пренебрегая пульсацией тока в
дросселе L:
Iw2
∂ = Iн
(Dmax)1/2
= Iн
(1/(1+n1))1/2/
(26)
Расчётная мощность вторичной обмотки:
P2 = Uw2 ∂ Iw2 ∂ = (Uвых +Uпр) Iн 
= 
Pн (27)
В последнем выражении мощность,
теряемая в диодах, для удобства записи отнесена к нагрузке.
P1 = P2/ηтр (28)
где ηтр -
предполагаемый КПД трансформатора .
Мощность Pт с учётом
(27) и (28):
Рт =Р1+Р2
=
Pн (1+1/ηтр) = 
(Uвых + UD1) Iн (1+1/ηтр) (29)
Для определения значения Вm входящего в
(20) , необходима задаться из справочных данных индукцией Вs для
выбранного магнитного материала с учётом изменения температуры. Определяя Вm как
половину изменения индукции ∆В при tи = tmax, найдём:
Вm = (Вs - Вr)/2 (30)
Коэффициент формы Кф,
входящий в (20), следует принять равным 1, коэффициент использования окна Ки
= 0,4, а коэффициенты Кj и у
выбираются из таблицы 2.
Число витков первичной обмотки:
W1
= (Uвх
min
- Ucu)Dmax/(2ВmScf)
(31)
где Sc - сечение
выбранного сердечника, Вm и Dmax
определяются из (30) и (24); Ucu - приближенное
падение напряжение на замкнутом ключе Т.
Число витков вторичной обмотки:
W2=(Uвых+Uпр)W1/(Uвх min-Ucu)Dmax=(Uвых+Uпр)(1+n1)W1/(Uвх min-Ucu) (32)
Для расчёта LC-фильтра в
ОПП можно использовать соотношение, аналогичное тому, которое определяет
произведение LC в
понижающем регуляторе:
LC = sin
πD/(2π3f 2knD)
(33)
Произведение LC следует
определить из (33) при минимальном значении D и заданном
значении коэффициента пульсации kn.
Минимальный коэффициент заполнения Dmin
определяется из регулировочной характеристики ОПП при известном значении Uвх min:
Dmin
= Uвых/(n
Uвх
max)
(34)
В данном пункте были приведены
соотношения, позволяющие определить только основные параметры преобразователя,
необходимые для выбора элементов схемы и расчёта их режимов работы.
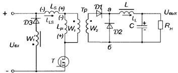
.3 Влияние индуктивности рассеяния
До сих пор мы полагали, что трансформатор в ОПП
может быть представлен схемой замещения, показанной на рис. 6. Однако в
реальном трансформаторе существует индуктивность рассеяния обмоток вследствие
замыкания магнитных потоков по воздуху.
В классической схеме замещения двухобмоточного
трансформатора эти индуктивности включаются в его первичную и вторичную цепи.
При анализе схем преобразователей бывает удобно привести индуктивности
рассеяния к одной из обмоток. Схема замещения трансформатора с индуктивностью
рассеяния Ls
включенной в первичную цепь, показана на рис. 18.
Рис. 18. Схема замещения трансформатора с
индуктивностью рассеяния обмоток Ls,
включенную в первичную сеть.
Влияние индуктивности рассеянии обмоток
трансформатора на работу ОПП можно показать, заменив трансформатор в схеме с
дополнительной обмоткой (рис. 13) его схемой замещения. Проанализируем
полученную таким образом схему ОПП (рис. 19).
Рис. 19. Схема ОПП, учитывающая индуктивность
рассеяния трансформатора.
Из схемы можно видеть, что индуктивность Ls
включена последовательно с ключом Т, поэтому любое изменение тока, проходящего
через ключ, приводит к появлению напряжения на ней. По окончании интервала
импульса и резком спаде тока через ключ на индуктивности Ls
появляется напряжение, полярность которого показана на рис. 19. На
индуктивности намагничивания Lµ
при запирании ключа напряжение будет соответствовать напряжению на обмотке W1'
с полярностью, также показанной в скобках. Чем больше скорость спада тока ключа
и чем больше индуктивность Ls,
тем выше оказывается напряжение uLS:
uLS = Ls diLS/dt
= Ls diст/dt
(35)
где iст
-
ток стока ключа.
Результат действия индуктивности Ls
можно увидеть на диаграмме напряжения на ключе (рис. 20).
Рис. 20. Диаграмма напряжения на ключе с учётом
действия индуктивности Ls.
Выброс напряжения на запираемом ключе, вызванный
индуктивностью Ls,
приводит к необходимости применять более высоковольтный, более дорогой
транзистор, имеющий большее сопротивление в открытом состоянии Rcи
отк. Поэтому снижение выброса напряжения на ключе
является задачей, требующей внимания при разработке. Уменьшение выброса связано,
в первую очередь, со снижением индуктивности Ls.
Дли этого можно применить следующее:
• использовать сердечник кольцевого типа,
позволяющий уменьшить потоки рассеяния по сравнению с сердечниками другой
формы;
• увеличить магнитную связь между обмотками W1
и W1',
выполняя их с равным числом витков и наматывая одновременно;
• обмотки W1
и W1',
располагать ближе к сердечнику, выполняя их намотку первой.
Другой путь уменьшения напряжения uLS,
то есть выброса напряжения на ключе при его запирании, заключается в применении
демпфирующих цепей, в которых рассеивается энергия, высвобождаемая из
индуктивности Ls.
Первичная цепь ОПП с двумя вариантами демпфирующих цепей, снижающих выброс
напряжения на ключе при его запирании, показана на рис. 21, а, б.
Элементы демпфирующей цепи - D∂,
С∂, R∂
- значительно уменьшают выброс напряжения на запираемом ключе, что позволяет
применить транзистор с меньшим допустимым напряжением сток-исток.
Еще один достаточно простой способ уменьшения
выброса напряжения на ключе, вызванного индуктивностью Ls,
состоит в том, что в первичную цепь преобразователя включается одни элемент -
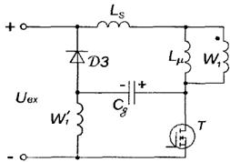
конденсатор С∂, как показано на рис. 22. Конденсатор С∂,
заряжен до постоянного напряжения Uвх
в полярности, показанной на рис. 22. При запирании ключа ток в индуктивности Ls
имеет возможность пройти через конденсатор С∂,
подзаряжая его, и диод D3.
Выброс напряжения на ключе Т значительно снижается. Снижение напряжения на
конденсаторе С∂, его разряд , происходит при замкнутом ключе
Т.
Рис. 21. Первичная цепь ОПП с двумя вариантами
демпфирующих цепей: а - R∂
подключается параллельно ключу при его запирании; б - резистор R∂
включается параллельно обмотке W1
при запирании ключа.
Рис. 22. Включение конденсатора С∂
в первичную цепь ОПП для уменьшения выброса напряжения на запираемом ключе.
Для рассматриваемой задачи уменьшения напряжения
на ключе пригодны и другие демпфирующие цепи, в частности последовательно
соединённые резистор и конденсатор, подключаемые к силовым выводам транзистора.
2.4 Однотактный прямоходовый преобразователь с
активным ограничением напряжения
До сих пор рассматривались способы ограничения
напряжения на ключе и способы ограничения выброса напряжения на нем, реализуемые
на основе пассивных элементов, дополняемых в ряде случаев еще одной обмоткой
трансформатора. Интересным, обещающим новые возможности для ОПП и получения
новых свойств данного преобразователя является использование активного
ограничении напряжения - активного клампирования. Активный кламп, широко
используемый в самых различных схемах современных преобразователей,
представляет собой цепь, состоящую из последовательно соединенных конденсатора
и ключа. Схема ОПП с активным клампом показана на рис. 23. Ключ Т2 -
дополнительный транзистор, работающий в противофазе с основным ключом Т1. При
замкнутом ключе Т1 разомкнут ключ Т2, и наоборот. В реальных схемах между
запиранием одного транзистора и включением другого создается короткая пауза
длительностью несколько десятков наносекунд, прежде всего для того, чтобы
избежать сквозного тока через транзисторы Т1 и Т2. Считая, что работа схемы
происходит в режиме непрерывного тока (ток дросселя L
не успевает снизиться до нуля в течение паузы), период работы преобразователи
разделяется па два интервала: импульс (tв)
- замкнут основной ключ Т1 и паузу - замкнут ключ Т2.
Рис. 23. Схема ОПП с активным клампом.
Регулировочная характеристика преобразователя по
схеме рис. 23 совпадает с характеристикой обычного ОПП с дополнительной
обмоткой W1'
трансформатора:
Uвых
= n UвхD
(35)
Соотношение (35) можно получить, составив
уравнение вольт-секундного баланса для дросселя L.
В интервале tв,
поскольку ключ Т2 замкнут, к обмотке W1
приложено напряжение Uc
на конденсаторе С в полярности, показанной на рис. 26.
Уравнение вольт-секундного баланса для обмотки W1:
UвхD
- Uc(1-D)
= 0.
Из последнего уравнения определим напряжение на
конденсаторе С:
Uc
= Uвх
D/(1-D)
(36)
Полученное напряжение Uc
- среднее за период, постоянное напряжение на конденсаторе С. Мгновенное
напряжение на этом конденсаторе колеблется вокруг tc
под действием тока ic,
проходящего через него. Пульсации напряжения на конденсаторе С незначительны. В
первом приближении можно считать, что на конденсаторе постоянное напряжение Uc.
Теперь можно определить напряжение на любом из
запертых ключей - Т1 и Т2.
Ucu1 = Ucu2 =
Uвх
+ Uc = Uвх/(1-D)
(37)
Соотношения (36) и (37) покапывают
неограниченное возрастание напряжений на конденсаторе и запертых ключах при
приближении D к единице.
Самым интересным в работе данной схемы является
воздействие активного клампа - элементов Т2 и С - на режим трансформатора.
Через конденсатор С не проходит постоянная составляющая тока, а поскольку в
интервале tв
ток L равен нулю, то
постоянной составляющей тока нет в конденсаторе и в интервале паузы. В
интервале tп,
через конденсатор проходит только ток намагничивания iµ
трансформатора. Поэтому в интервале паузы под действием напряжения на
конденсаторе Uc
происходит размагничивание сердечника трансформатора. Рабочая точка на кривой
перемагничивания сердечника проходит в интервале паузы точку B1,
и ток намагничивания изменяет свое направление (рис. 24).
Рис. 24. Движение рабочей точки на кривой
перемагничивания сердечника ОПП с активным клампом.
Показанная на рис. 23 схема имеет ещё одну
особенность - уменьшенные потери на переключения в транзисторе.
Заключение
Настоящая курсовая работа представляет собой
анализ однотактного прямоходового преобразователя. Рассмотрены принципиальная
особенность работы ОПП, возможные пути решения ограничения напряжения на
транзисторах (или диодах) выходных каскадов, произведён расчёт трансформатора;
были приведены соотношения, позволяющие определить основные параметры
преобразователя, необходимые для выбора элементов схемы и расчёта их режимов работы;
осуществлён учёт влияния индуктивности рассеяния обмоток трансформатора на
работу преобразователя. Также в данной работе разобран ОПП с активным
ограничением напряжения.
электропитание преобразователь
индуктивность трансформатор
Список используемой литературы
1. В. Мелешин « Транзисторная
преобразовательная техника», Москва 2005г.
2. И.П. Ефимов «Источники
питания РЭА», Ульяновск 2002 г.