|
Информационные символы (ИС)
100011111
|
|
|
|
|
|
|
|
|
|
|
Кодовые символы (КС) 111011001101101010
|
|
|
|
|
|
|
|
|
|
С
выхода сверточного кодера К кодовые символы КС
поступают
на вход блока ФМС.
Рассмотрим
использование решетчатой диаграммы кодера при кодировании на примере.
Пусть
- номер варианта КР,
= 71.
Получена последовательность информационных символов ИС
= 100011111, соответствующая номеру уровня
квантования
. Построим решетчатую диаграмму кодера рис. 2,
аналогично в [7, рис. 9].
Рис.
2. Решетчатая диаграмма кодера
Над
решетчатой диаграммой кодера сверху выписываем символы ИС
по одному символу над каждым ребром. По правилам,
изложенным в [7, с. 18, 19], последовательно, начиная с момента времени
для каждого информационного символа ИС, определяем
два кодовых символа КС. Последовательность КС обозначим
, т. е.
= 11 10
11 00 11 01 10 10 10.
Под
решетчатой диаграммой запишем по два символа под каждым ребром диаграммы этой
последовательности
.
Весь
путь, соответствующий кодированию, обозначить другим цветом (например,
красным).
.4
ССТС
Для
определения вероятностных характеристик случайных сигналов на входе и выходе
блока ФМС рассмотрим случайный синхронный телеграфный сигнал
и его вероятностные характеристики.
На
рис. 3 изображена реализация
случайного
процесса
под названием "случайный синхронный телеграфный
сигнал". На вход ФМС этот сигнал поступает с выхода кодера К.
Рис.
3. Возможная реализация случайного сигнала
В
[7, с. 11] амплитуда прямоугольных импульсов обозначена
В целях последующего определения корреляционной
функции случайного процесса
амплитуду
удобно обозначить
.
Случайный
сигнал
обладает следующими свойствами:
.
Случайный процесс
в дискретные моменты времени, разделенные интервалом
, принимает значения 0 и
с вероятностью 0,5 каждое, независимо от того, какое
значение имел сигнал на предыдущем участке длительностью
.
Определим
функцию распределения вероятности
,
характеризующую случайный процесс
. Исходя
из определения функции
,
где
есть вероятность того, что случайный процесс
принимает значения меньшие или равные заданной
величине
, и, используя значения данных
в п. 1, строим график функции
, изображенный на рис. 4, а.
Рис.
4. Законы распределения случайного телеграфного сигнала:
а)
функция распределения вероятности
б)
плотность вероятности
График
функции
построен на основе определения функции
и свойств случайного процесса
, отмеченных в п. 1.
Действительно,
когда
, вероятность
, так как
заданный сигнал значений, меньших
, не
принимает. Поэтому
для значений
. Когда
, вероятность
, так как
сигнал
принимает значение
с
вероятностью
. Поэтому кривая
в точке
скачком изменяется с нулевого уровня до уровня
.
В
интервале
<
< 2
сохраняется вероятность
для любого
из этого
интервала, так как в этом интервале сигнал не принимает никаких значений,
поэтому
.
Когда
, вероятность
, так как
значение
сигнал принимает с вероятностью 0,5 и значение
также с вероятностью 0,5. Отсюда
. Поэтому в точке
функция
скачкообразно изменяется еще раз на величину 0,5,
достигая значения, равного 1. Поскольку
не может
принимать значения больше 1 и не может убывать при увеличении аргумента
, имеем
при
значениях
>2
.
.
Как известно, плотность вероятности
случайного
процесса
связана с функцией
формулой
Вычисляя
производную от кривой
(рис. 4, а), получим график плотности вероятности
(рис. 4, б). На тех интервалах на оси
, на которых дифференцируемая функция
постоянна, производная равна нулю и только в точках
и
, где
функция
имеет разрывы непрерывности 1-го рода, производная
отличается от нуля. Из теории обобщенных функций известно, что величина
производной в этих точках равна δ-функции, умноженной на численный коэффициент, равный величине скачка дифференцируемой
функции
. Согласно рис. 4, б аналитическое выражение для
функции
имеет вид
, (3)
т.
е. представляет собой сумму двух δ-функций. Видно, что найденная плотность вероятности удовлетворяет
условию нормировки, так как каждая δ-функция в (3) ограничивает площадь, равную 0,5.
.
Определим математическое ожидание процесса
:

. (4)
Полученный
результат означает, что процесс
не
является центрированным случайным процессом, так как
. Центрированный процесс
будет равен
. (5)
.
На рис. 5 показаны четыре произвольные реализации
,
,
и
центрированного
процесса
.
Рис.
5. Реализации случайного сигнала
Границы
тактовых интервалов для первой реализации
обозначены
, и эти же моменты времени обозначены на графиках
других реализаций. На рис. 5 видно, что границы тактовых интервалов у разных
реализаций не совпадают, т. е. любой момент времени на интервале
может с равной вероятностью оказаться моментом начала
такта для других реализаций:
,
,
и т. д.
Таким
образом, интервал времени
между точкой
и
началом тактового интервала есть случайная величина, равномерно распределенная
на интервале
.
Рис.
6. График плотности вероятности
График
плотности вероятности этой случайной величины изображен на рис. 6.
Корреляционная
функция
для сигнала
определяется
по формуле
. (6)
Определим
для двух случаев: а)
>
; б)
.
а)
Если
>
, то
моменты времени
и
в каждой
реализации принадлежат разным тактовым интервалам. В случае а) случайная
величина
будет равна произведению двух независимых случайных
величин
и
. Как
известно, математическое ожидание произведения независимых случайных величин
равно произведению математических ожиданий сомножителей, т. е.
. Поскольку данный процесс
является центрированным (т. е.
), то из (6) при
>
следует


. (7)
б)
Если
<
, то
моменты времени
и
для
одной части реализаций ансамбля
будут
принадлежать одному тактовому интервалу, а для другой части реализаций ансамбля
моменты времени
и
будут принадлежать соседним тактовым интервалам.
На
рис. 5 проведены две вертикальные линии, пересекающие все реализации, левой
линии соответствует момент времени
, а
правой линии - момент времени
.
Расстояние между вертикальными линиями обозначено через
<
. Все
реализации из ансамбля случайного процесса
в данном
случае можно разделить на две группы:
и
.
В
группу
введем все реализации, у которых моменты времени
и
принадлежат
одному тактовому интервалу. В эту группу из четырех реализаций (рис. 5) попадут
реализации:
и
.
В
группу
введем все реализации, у которых моменты времени
и
принадлежат
разным (соседним) тактовым интервалам. В эту группу попадут реализации:
и
.
Математическое
ожидание случайной величины
по всему
ансамблю случайного процесса
получим,
если вначале раздельно найдем математические ожидания этого произведения по
реализациям группы
и по реализациям группы
а затем найденные математические ожидания усредним по
обеим группам. Тогда
(по
и
) (по
) (по
)
=
=
+ 
, (8)
где
и
-
вероятности того, что реализация войдет, соответственно, в группу
или группу
.
(по
)
Определим
. Для любой реализации
,
попавшей в группу
, произведение 

.
Например:
если
, то произведение


;
если
, то произведение


и т. д.
Таким
образом, получим
(по
)

. (9)
(по
)
Величина
определяется аналогично, но при этом надо учитывать,
что у реализации группы
моменты времени
и
принадлежат разным тактовым интервалам, поэтому
случайные величины
и
из
группы
будут независимы, что позволяет написать:
по
(
) (по
) (по
)

= 0 · 0 =
0. (10)

. (11)
Для
определения вероятности
на каждой реализации (рис. 5) введем интервал
, равный расстоянию от момента
до ближайшего момента времени, при котором может
произойти изменение знака реализации. На рис. 5 видно, что каждая реализация
имеет свою величину этого интервала и поэтому интервал
есть величина случайная. Если момент времени
перенести в точку момента времени
, то по смыслу величина интервала
заменится на величину интервала
на рис. 5. Следовательно, величина интервала
есть случайная величина, имеющая ту же плотность
вероятности
, что и случайная величина
, т. е. равномерную (рис. 7).
Рис.
7. Плотность вероятности случайной величины
На
рис. 5 видно, что для всех реализаций группы
выполняется
неравенство
, (12)
где
- известная детерминированная величина
.
Неравенство
(12) является формальным (математическим) признаком того, что реализация
или
принадлежит
группе
Для реализаций группы
аналогичным
признаком является выполнение неравенства
. (13)
Таким
образом, вероятность
равна вероятности выполнения неравенства (12), т. е.
(14)
Зная
плотность вероятности
(рис. 7), можно найти величину
=
=
=
=
=
. (15)
При
вычислении интеграла (15) верхний предел интегрирования, равный
, заменяем конечной величиной
, так как при значениях
подынтегральная
функция
(рис. 7) равна нулю. Таким образом,
равна той части площади прямоугольника, которая на
рис. 7 обозначена штриховкой. Аналогично, используя неравенство (13), можно
найти величину
. Подставляя величину
в
(11) при
, запишем корреляционную функцию
=
. (16)
Правая
часть (16) зависит только от
, т. е.
. Учитывая это свойство корреляционной функции, а
также то, что
(т. е. математическое ожидание не зависит от времени
), делаем вывод, что рассматриваемый процесс
является стационарным процессом в широком смысле.
Используя (7) и (16), можно построить график функции
при
(рис.
8).
Рис.
8. График
при
На
интервале
график
имеет
форму прямой линии, имеющей отрицательный наклон, проходящий через точку
на оси ординат, и точку
на оси абсцисс.
Линейная
зависимость графика (рис. 8) с отрицательным наклоном объясняется тем, что
аргумент
входит в (16) в первой степени и перед ним стоит знак
"минус".
Стационарность
процесса
позволяет продолжить кривую
в область отрицательных значений
<
,
используя свойство симметрии корреляционной функции стационарного процесса.
Аналитическое
выражение для корреляционной функции
,
справедливое, как для значений
>
, так и для значений
<
, имеет вид
(17)
Корреляционной
функции
соответствует график рис. 9.
Рис.
9. График корреляционной функции
.
Определим дисперсию заданного случайного процесса
. Известно, что дисперсия стационарного процесса равна
значению корреляционной функции при значении
, т. е.
. (18)
Из
графика рис. 9 следует, что
удовлетворяет
следующему пределу
, (19)
что является необходимым и
достаточным условием эргодичности данного стационарного процесса
.
Таким
образом, рассматриваемый случайный процесс является не только стационарным, но
и эргодическим процессом. Тогда вероятностные характеристики, такие как
математическое ожидание, дисперсия и корреляционная функция, могут быть
определены с помощью только одной реализации из ансамбля процесса
путем соответствующих усреднений этой реализации по
времени.
.
Для определения спектральной плотности мощности
случайного
процесса
используется теорема Винера-Хинчина, которая
справедлива только для стационарных центрированных процессов.
=

. (20)
Имеем
, поскольку
является
четной функцией аргумента
, а
-
нечетная функция
(произведение четной функции на нечетную является
нечетной функцией, а интеграл от любой нечетной функции в указанных пределах
интегрирования равен нулю).
Учитывая
четность подынтегральной функции в (20), а также формулу (17), вместо (20)
можно написать


=
(21)
Используя метод интегрирования по частям, после элементарных
преобразований получим окончательный результат

(22)
График
функции
представлен на рис. 10.
Рис.
10. Спектральная плотность
Функция
(22) в точках
обращается в нуль, и кривая
при этих значениях
касается
оси абсцисс.
Основная
доля мощности сигнала сосредоточена в ограниченной полосе частот вблизи частоты
. Случайный синхронный телеграфный сигнал, имеющий
теоретически бесконечную протяженность спектра, является нефинитным, с
практической точки зрения его можно считать низкочастотным, но занимающим
достаточно широкую полосу частот.
Корреляционные
функции
и
случайных
процессов
и
на
выходе блока ФМС определяются по аналогичной методике определения
корреляционной функции случайного процесса
,
поступающего на вход блока ФМС. Если необходимо найти
, то существует небольшое отличие при определении
математического ожидания произведения
по
группе
в которую попадают реализации случайного процесса
при выполнении неравенства
.
Во-первых,
изначально, процессы
и
являются
центрированными случайными процессами.
Во-вторых,
поскольку реализации случайного процесса
в
отличие от реализаций случайного процесса
принимают
четыре дискретных значения
с
одинаковой вероятностью
, то математическое ожидание произведения
по группе
определяется
формулой
(по
)
= 
.(23)
Корреляционная
функция
случайного процесса
будет
соответствовать структуре корреляционной функции
случайного
процесса
, определяемой выражением (17), тогда

(24)
Отличие
от корреляционной функции
проявляется в том, что вместо множителя
используется множитель
и вместо
параметра
используется параметр
, где
- символьный интервал.
Рис.
11. График корреляционной функции
Случайный
процесс
имеет такие же вероятностные характеристики, какие
имеет процесс
, поэтому имеет место равенство
(25)
Используя
теорему Винера-Хинчина и равенство (25), получим


(26)
Форма
графика функций
и
будет
похожа на форму графика
на рис. 10. Величина главного максимума станет равной
и в точках
график
этих функций будет касаться оси абсцисс
.
В
случае КАМ-16 величина
,
где
- бинарный интервал, и поэтому график функций
и
,
оставаясь нефинитным, станет в 4 раза уже, чем график на рис. 10.
Изложенную
методику определения корреляционной функции для случайного синхронного
телеграфного сигнала
несложно обобщить и получить корреляционные функции
для случайных процессов, в которых в качестве переносчиков информационных
символов используются импульсы
, форма
которых отличается от прямоугольной формы. Примерами таких импульсов,
используемых на практике, являются импульсы
, форма
которых похожа на форму гауссовской плотности вероятности, а также импульсы,
связанные с сигналами со спектром "приподнятого косинуса".
Сигналы
со спектром "приподнятого косинуса" используются в спутниковой и
мобильной связи.
Например,
если задан случайный процесс
, (27)
где
- случайная величина, заданная на символьном
интервале
с номером
, которая
принимает известные дискретные значения с заданными вероятностями, величина их
не зависит от значения
;
- детерминированный
импульс заданной формы (не обязательно прямоугольной), тогда корреляционная
функция
случайного процесса
может
быть определена как
, (28)
где
- математическое ожидание случайной величины
;
-
частота поступления в канал связи информационных символов
.
Автокорреляционная
функция импульса
определяется формулой:
(29)
.5 ФМС или преобразователь последовательного кода в параллельный код
На
рис. 12 изображен блок ФМС. С выхода кодера (К) формируются реализации
случайного сигнала (процесса)
и
поступают на вход блока ФМС. В [7] сигнал с выхода сверточного кодера
представляет собой случайную последовательность однополярных прямоугольных
импульсов с амплитудой
. Предполагается, что этот сигнал преобразуется в
последовательность биполярных прямоугольных импульсов:
символ
"1" передается импульсом положительной полярности с амплитудой
[9, с. 148] и длительностью
, где
-
бинарный интервал;
символ
"0" передается импульсом отрицательной полярности. Параметр
- безразмерная величина и может принимать любые
заданные значения, например
.
Рис.
12. Формирователь модулирующих символов (ФМС)
Блок
ФМС имеет два выхода, на которых формируются выходные сигналы
и
.
Фрагмент
возможной реализации
случайного процесса
,
соответствующий заданной последовательности двоичных (бинарных) информационных
символов 1 0 1 1 0, поступающих с выхода кодера (К), представлен на рис. 13, б.
Рис.
13. Импульс
и фрагмент реализации
Реализацию
случайного процесса
(30)
можно
представить в следующей аналитической форме
(31)
где
- прямоугольный импульс длительностью
(рис. 13, а),

(32)
где
- прямоугольный импульс такой же формы, как
, но сдвинутый вправо относительно импульса
на величину
, если
, или влево, если
;
- численный коэффициент, являющийся реализацией
случайной величины
на
-интервале
.
Величина
принимает два дискретных значения
и
с
вероятностью 0,5 каждое, т. е.
Если
в заданной реализации
на
-интервале
передается информационный символ "1", то
, если передается символ "0", то
(рис. 13, б).
Связь
между входным сигналом и выходными сигналами блока ФМС характеризует сигнальное
созвездие для заданного вида модуляции. Сигнальное созвездие строится в
декартовой системе координат
и
. Каждой точке (звезде) сигнального созвездия будут
соответствовать численные значения координат
и
. Существуют разные формы сигнальных созвездий, но
наибольшее практическое применение получили созвездия квадратной формы.
Примерами таких созвездий являются КАМ-16, КАМ-64, КФМ-4 и др., где цифры 16,
64 и 4 показывают количество точек в созвездии.
Слово
"квадратурная" показывает, что в состав сигнала КАМ или КФМ входит
сумма двух сигналов, один из которых зависит от множителя
, а другой - от множителя
. Благодаря этим множителям сигналы обладают свойством
взаимной ортогональности. Про такие сигналы говорят, что они находятся в
"квадратуре".
Количество
точек на квадратном созвездии можно представить в виде
, где
= 2, 4,
6, 8, … - четные числа. Точкам сигнального созвездия на каждой координатной оси
и
соответствует
дискретных значений, определяемых для каждого
значения
по формуле [9, с. 148]
, (33)
где
для квадратных созвездий типа КАМ-16, КАМ-64 и т. д.
Расстояние
между соседними дискретными значениями равно
, где
- заданная величина. Каждой точке сигнального
созвездия соответствует блок из
двоичных
символов, который может появиться на входе блока ФМС.
Примеры:
.
Квадратурная амплитудная модуляция КАМ-16.
Число
точек в созвездии равное 16 представляем в виде
, где
. Определяем величину
- число
дискретных значений, которые могут принимать координаты
и
точек на
сигнальном созвездии, т. е.
.
Используя (33), находим значения координат точек созвездия КАМ-16 на осях
и
:
, -
,
, 3
. (34)
Итак,
сигнальное созвездие для КАМ-16 содержит 16 точек. Известно также, что
существует
различных блоков (последовательностей) из 4 двоичных
символов, отличающихся друг от друга хотя бы одним символом (битом). Отсюда
следует, что каждую точку на сигнальном созвездии можно связать с одним из 16
символьных блоков. Соответствие между 16 различными блоками из 4 символов
(битов) и 16 точками сигнального созвездия можно осуществлять различными
способами.
Наиболее
рациональное соответствие получается при использовании так называемого кода
Грея, когда соседним точкам на сигнальном созвездии соответствуют блоки,
отличающиеся друг от друга только одним символом. Сигнальное созвездие для
КАМ-16 изображено на рис. 14.
Рис.
14. Сигнальное созвездие для КАМ-16
Действительно,
если при передаче сигнала с параметрами
и
, являющимися координатами какой-либо точки
сигнального созвездия, демодулятор в условиях действия флуктуационной помехи
типа белого шума неверно определит величины передаваемых параметров
и
, то
наиболее вероятные ошибки будут соответствовать координатам
и
тех
точек сигнального созвездия, которые находятся на наименьшем евклидовом
расстоянии от точки сигнального созвездия с координатами
и
.
Тогда
в этом случае, при обратном переходе от принятых параметров
и
к
возможным блокам из 4 двоичных символов, ошибка будет только в одном символе
(бите) из 4 передаваемых, что важно при декодировании с исправлением ошибок.
Графики
рис. 15. иллюстрируют пример, когда по заданной реализации
входного случайного процесса
с использованием сигнального созвездия КАМ-16
строятся реализации
и
выходных
случайных процессов
и
.
Процессы
и
можно
представить в виде
;
, (35)
где
- прямоугольный импульс длительностью
(рис. 15, б);
-
символьный интервал;
- бинарный интервал.
(36)
где
- прямоугольный импульс такой же формы, как импульс
, но сдвинутый вправо относительно импульса
на величину
, если
, или влево, если
;
и
-
независимые случайные величины, заданные на символьном интервале с номером
, которые согласно сигнальному созвездию (рис. 14)
принимают четыре дискретных значения
,
,
,
с вероятностью 0,25 каждое, т. е.
(37)
На
рис. 15, а изображен фрагмент возможной реализации
, поступающей на вход блока ФМС, который соответствует
последовательности из 16 кодовых двоичных символов (КС) - 1011001001110110.
Рис.
15. Реализации
и
случайных
процессов
и
для
КАМ-16
Реализации
и
в
соответствии с выражением (35) можно представить в форме
,
(38)
где
и
- реализации
случайных величин
и
на
символьном интервале с номером
(рис.
15, в, г), входящих в (35).
Пользуясь
сигнальным созвездием (рис. 14) для входной реализации
(рис. 15, а) по 4 символьным блокам двоичных символов
определяются численные значения
и
на символьном интервале длительностью
с номером
, где
,
,
,
.
Первые
четыре символа (бита) 1 0 1 1 из заданной последовательности
расположены над символьным интервалом
с номером
. На
сигнальном созвездии находим точку, которой соответствует блок из четырех
символов (бит) 1 0 1 1. Значения реализаций
и
случайных величин
и
будут равны значениям координат найденной точки, т.
е.
и
Аналогично
находим численные значения реализаций
и
для интервалов
с
номерами
Отметим,
что сигналы
и
на рис.
15, в, г должны быть сдвинуты по оси времени
вправо
на величину
относительно сигнала
на рис.
15, а. Чтобы было легче проследить за соответствием между графиком сигнала
и графиками реализаций
и
, графики рис. 15, в, г показаны без указанного
сдвига.
.
Квадратурная фазовая модуляция КФМ-4.
Сигнальное
созвездие представлено на рис. 16.
Рис.
16. Сигнальное созвездие квадратурной фазовой модуляции КФМ-4
На
созвездии КФМ-4 число точек 4 представляем в виде
, где
.
Определяем величину
- число дискретных значений, которые могут принимать
координаты
и
точек на
сигнальном созвездии -
. Используя (33), находим значения координат точек
созвездия КФМ-4 на осях
и
(39)
Формально
этот вид модуляции можно обозначить как КАМ-4. Поскольку точки (звезды)
созвездия (рис. 16) находятся на одинаковом расстоянии от начала координат, то
колебания, соответствующие этим точкам, будут иметь одинаковые амплитуды, но
разные фазы. Так как сигналы, соответствующие разным точкам созвездия (рис. 16)
различаются только фазами, правильнее такие сигналы назвать сигналами
"квадратурной" фазовой модуляции КФМ-4. Фаза сигнала может принимать
значения
соответственно рис. 16.
На
выходах блока ФМС для КФМ-4 также появляются сигналы
и
,
представленные в виде формул (35):
;
, (40)
где
и
-
независимые случайные величины, которые согласно сигнальному созвездию (рис.
16) принимают два дискретных значения
и
, с вероятностью 0,5 каждое:
, (41)
где
- прямоугольный импульс длительностью
с амплитудой
(рис.
17, б);
- прямоугольный импульс такой же формы, как импульс
, но сдвинутый относительно импульса
на величину
.
Фрагменты
реализаций
и
случайных
процессов
и
,
соответствующие заданной реализации
входного
процесса
, представлены на рис. 17.
Рис.
17. Реализации
и
случайных
процессов
и
для КФМ
Методика
изображения реализаций для КФМ полностью соответствует методике построения
реализаций
и
на рис.
15.
Нетрудно
показать, что полученные ранее в разд. 4.4 аналитические выражения (17), (24)
для корреляционных функций
,
являются частными случаями более общего аналитического
выражения (28) при соответствующем задании процесса
.
Если
в качестве случайного процесса
выбрать
случайные процессы
или
,
задаваемые соответственно в разд. 4.5 формулами (30) и (35), то получим для
корреляционных функций этих процессов соответственно в разд. 4.4 формулы (17)
или (24).
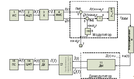
4.6
Модулятор: перемножители, инвентор и сумматор
На
структурной схеме системы связи сигнал
c выхода
нижнего перемножителя ПМ2 поступает на вход инвертора, который изменяет знак
перед этим сигналом с плюса на минус. С учетом этого на выходе сумматора
получаем сигнал
. (42)
Этот
сигнал в зависимости от заданного вида модуляции является сигналом квадратурной
амплитудной или квадратурной фазовой модуляции. Множители
и
обеспечивают
ортогональность сигналов
и
.
Поэтому
говорят, что эти сигналы находятся в квадратуре.
Сигналы,
входящие в (42), передаются одновременно, в одной и той же полосе частот и по
одной линии связи.
Свойство
ортогональности обеспечивает линейную независимость этих сигналов, а значит, и
возможность их разделения на приемном конце канала.
Возможность
разделения этих сигналов позволяет независимо производить оценку информационных
параметров (модулирующих символов)
и
в составе сигналов
и
.
Используя
полученные ранее выражения (35) из разд. 4.5 для сигналов
и
, формулу
(42) запишем в виде
. (43)
Выделим
из правой части (43) сигнал
,
которому соответствует слагаемое с индексом
,
где
- произвольное фиксированное целое число
=
. (44)
С
помощью сигнала (44) по каналу передаются информационные (модулирующие) символы
и
. Сигнал
(44) появляется на выходе модулятора, начиная с момента
, и его длительность равна длительности импульса
.
Из
разд. 4.5 следует, что символы
и
являются декартовыми координатами точки
на сигнальном созвездии (рис. 18), которая
соответствует выделенным слагаемым из выражения (43).
Рис.
18. Координаты
и
точки
на сигнальном созвездии
Согласно
рис. 18 параметры
и
можно
представить в виде
;
, (45)
где
и
.
Величины
и
-
координаты той же точки
на сигнальном созвездии в полярной системе координат.
Подставив (45) в (44), преобразуем сигнал (44) к виду


. (46)
Из
(46) видно, что в состав выделенного сигнала в качестве сомножителя входит
гармоническое колебание
(47)
в
канонической форме.
Представление
гармонического колебания (47) в канонической форме в составе сигнала (46)
получено благодаря знаку "минус" перед вторым слагаемым в выражении
(42). Этот знак обеспечивается введением инвертора в нижнюю ветвь перед
сумматором на структурной схеме.
Гармоническому
колебанию (47) соответствует комплексная амплитуда:
. (48)
Комплексная
амплитуда (48) при условии
представлена
вектором
на комплексной плоскости (рис. 19, а).
Рис.
19. Вектор комплексной амплитуды:
а)
; б)
Существенно,
что вектор
по длине и направлению полностью соответствует
исходному вектору, проведенному в точку
с
координатами
и
на
сигнальном созвездии на рис. 18. В (46) гармонический сигнал представлен в
канонической форме. Поскольку сигнал (46) был получен из сигнала (42), то
выражение (42) является канонической формой для сигналов квадратурных видов
модуляции (КАМ, КФМ).
Если
в структурной схеме исключить инвертор перед сумматором, то сигнал на выходе
сумматора будет представлен в виде
. (49)
В
этом случае, повторив приведенные выше выкладки, в составе выделенного сигнала
получим гармонический сигнал в форме
, которая
не является канонической, как упоминалось ранее.
Вектор
комплексной амплитуды для данного гармонического сигнала будет иметь вид
, и на комплексной плоскости этот вектор при условии
изображен на рис. 19, б.
Сравнивая
рис. 19, б и рис. 18 делаем вывод, что при задании сигнала
в форме (49) вектор
на
комплексной плоскости не совпадает по направлению с соответствующим вектором
на сигнальном созвездии на рис. 18. Это является
следствием того, что форма (49) не является канонической для представления
сигнала КАМ, и поэтому возникает отмеченное несоответствие.
Таким
образом, из двух возможных представлений сигнала квадратурной модуляции в форме
(42) или в форме(49) будем считать канонической только форму (42) и только ее
будем использовать в КР.
Отметим,
что правая часть выражения (46) является квазигармонической формой для сигнала
. Она таковой является потому, что функция
не принимает отрицательных значений. Функция
определяет форму огибающей сигнала
.
При
определении корреляционной функции случайного сигнала на выходе модулятора
необходимо уточнить задание ансамблей случайных процессов на выходах
перемножителей.
При
задании ансамблей этих процессов предполагается, что имеется ансамбль
одинаковых устройств, по которым передаются разные реализации случайных
процессов
и
. В
состав каждого передающего устройства (ПерУ) входит свой генератор
гармонического колебания
, где начальная фаза
принимает
какое-то детерминированное численное значение. Множество этих различных
значений
образует случайную величину
, т. е. каждое
является
реализацией случайной величины
.
При
задании случайных процессов на выходе перемножителей детерминированные функции
и
,
входящие в (42), необходимо расширить до случайных функций
и
введением
в аргумент детерминированных функций
и
случайной фазы
с
равномерной плотностью вероятности
на
интервале
(рис. 20). Тогда вместо (42) получим случайный
процесс следующего вида:
. (50)
Выражение
(50) позволяет правильно определить корреляционную функцию случайного сигнала
КАМ или КФМ на выходе сумматора.
Обращаем
внимание на случайную фазу
. В
каждой отдельной реализации случайного процесса, определенного по (50), фаза
имеет свое численное значение, не изменяющееся во
времени. Случайный же характер фазы
проявляется
в том, что для разных реализаций значения
отличаются
друг от друга и ансамбль этих значений образует случайную величину
с равномерной плотностью вероятности
на интервале
(рис.
20).
Рис.
20. Равномерная плотность вероятности
Только
при равномерной плотности вероятности
для
случайной фазы
(рис. 20) случайный процесс на выходе модулятора (на
выходе сумматора) будет стационарным.
В
случае отличия плотности вероятности
от
равномерной, условие стационарности выполняться не будет. В этом случае
корреляционная функция случайного процесса
не будет
зависеть только от разности
моментов
времени
и
, как это
требуется для любого стационарного процесса.
Если
случайную фазу
не вводить в (42) и при определении корреляционной
функции использовать выражение (42), то корреляционная функция будет зависеть и
от суммы
моментов времени
и
и от их разности
. Поэтому
случайный сигнал
не будет стационарным процессом.
На
рис. 21 рассмотрен пример по выполнению задания в (разд. 3.5, п. 1-3).
Рис. 21. Пример построения графиков для сигналов КАМ в блоке модулятора
.6.1 Корреляционные функции и спектральные плотности случайных процессов
на выходе перемножителей
На
выходе верхнего перемножителя (ПМ-1) получаем сигнал
. Определим математическое ожидание этого случайного
сигнала

. (51)
Это
равенство получено на основании того, что сомножители
и
представляют
собой независимые случайные процессы (ранее отмечалось о независимости
случайной фазы
от сигнала
).
Случайный
процесс
, равный
, (52)
формируется
на выходе блока ФМС при подаче на его вход случайного процесса
с выхода блока кодера (К). Определим
и
,
входящие в (51):
=
=
, (53)
где
- детерминированный сигнал.
Согласно
(37) из разд. 4.5.можем написать
0. (54)
Подставляя
(54) в (53), получим
. (55)
Следовательно,
- центрированный процесс.
Математическое
ожидание сигнала
, зависящего от случайной величины
с равномерной плотностью вероятности
на интервале
,
определим по формуле
=
. (56)
Подставляя
(55) и (56) в (51), получим
. Это
равенство означает, что случайный процесс
является
центрированным, поэтому корреляционная функция
этого
процесса определяется в виде:
=
=
=
=
, (57)
Где
=
; (58)
-
детерминированная функция.
Аналогично
(56) получим
, и выражение (57) примет окончательный вид
. (59)
Из
равенства (59) следует, что случайный сигнал
на
выходе перемножителя обладает свойством стационарности, так как
)
математическое ожидание этого сигнала постоянно,
)
корреляционная функция зависит от разности времен
. Тогда (59) будет иметь вид

. (60)
На
рис. 22 представлен график функции
,
определенный по (60). При построении этого графика учитывался график
в разд. 4.4, рис. 11.
Рис.
22. График корреляционной функции случайного процесса
Нетрудно
показать, что имеет место равенство


.
(61)
Спектральную
плотность мощности сигнала на выходе перемножителя определим на основании
теоремы Винера-Хинчина (рис. 23). Преобразуя функцию
по Фурье, получим




. (62)
Графики
функций
и
получаются
из графика функции
путем его смещения, соответственно, вправо и влево на
величину
. Аналитическое выражение для спектральной плотности
мощности
определяет формула (26) в разд. 4.4. Форма графика
строится с учетом пояснения формулы (26) в разд. 4.4.
Рис.
23. График функции
Также
из (62) следует 
.
4.6.2 Корреляционная функция и спектральная плотность мощности случайного
процесса на выходе модулятора
При
определении корреляционной функции
случайного
сигнала
на выходе модулятора (на выходе сумматора)
аналитическое выражение (42) для этого сигнала, с учетом введения случайной
фазы
, необходимо представить в виде
=
-
(63)
Ранее
были получены выражения (55) и (56), согласно которых
и
.
Аналогично
можно показать, что
и
.
Из
этих выражений следует, что
, т. е.
случайный сигнал
является центрированным случайным процессом, поэтому
его корреляционную функцию запишем в виде


. (64)
Поскольку
случайные процессы
и
независимы,
то взаимные корреляционные функции

, 
(65)
Подставляя
(65) в (64) и, учитывая, что 
и
, получим







Так
как
- детерминированная функция, то 
и
получим




,
где
.
Согласно
(25) из разд. 4.4 имеем 
и тогда
окончательно получим


,

(66)
Сравнивая
(66) с (61), делаем вывод, что с точностью до множителя
функция
равна
функции
. Также с точностью до множителя
форма графика
соответствует
форме графика
(рис. 22).
Преобразуя
(66) по Фурье, найдем спектральную плотность мощности
сигнала
на
выходе модулятора. Спектральная плотность
с
точностью до множителя
будет равна
,
определяемая (62) и ее форма на рис. 23.
.7 Непрерывный канал
Спектральные
плотности мощности
и
сигналов
и
были
определены в разд. 4.4 (26) и в разд. 4.6.1, рис. 23, и являются нефинитными
функциями (рис. 24, а).
Рис.
24. Спектральные плотности мощности
и
Спектр
модулирующих сигналов (рис. 24, а) ограничивают с помощью фильтров нижних
частот (ФНЧ), чтобы избежать возникновения канальных помех. Частоту среза этих
фильтров выбирают из условия
,
где
;
-
величина символьного интервала.
В
КР для всех вариантов
и соответствующие финитные спектральные плотности
после ограничения ФНЧ изображены на рис. 24, б. Ширина спектра модулирующих
сигналов после ограничения равна
.
Спектральные
плотности мощности модулированных сигналов
и
с учетом графика рис. 24, б в области положительной
полуоси частот изображены на рис. 25.
Рис.
25. Спектральная плотность мощности сигналов
и
после
ограничения модулирующих сигналов
Минимальная
ширина полосы частот непрерывного канала
,
необходимая для передачи сигнала со спектром, изображенным на рис. 25, должна
быть равна ширине спектра передаваемого сигнала, т. е.
.
После
ограничения нефинитного спектра (рис. 24, а) возникает изменение (искажение)
формы прямоугольных импульсов. Показан прямоугольный импульс на входе ФНЧ (рис.
26, а) и на выходе ФНЧ (рис. 26, б) в зависимости от величины коэффициента
.
Рис.
26. Прямоугольный импульс на входе и выходе ФНЧ
На
интервале длительностью
в зависимости от значения
формируются
экстремумов
в виде максимумов и минимумов выходного сигнала. При искажении прямоугольного
импульса существенно увеличивается длительность выходного сигнала (рис. 26, б),
что приводит к возникновению "хвостов", заходящих на соседние
тактовые интервалы, на которых передаются сигналы других информационных
символов. Появление "хвостов" приводит к возникновению так называемой
межсимвольной помехи.
Для
определения мощности помехи
используем
график спектральной плотности мощности помехи
рис. 27.
Рис. 27. Спектральная плотность мощности помехи на положительной полуоси
частот
Мощность
помехи
в полосе часто непрерывного канала (рис. 27) равна
заштрихованной площади, т. е.
Определим
среднюю мощность сигнала
. Сигнал
на
выходе модулятора определяется выражением (63) в разд. 4.6.2. Средняя энергия
сигнала квадратурной модуляции одинакова на всех символьных интервалах
длительностью
. Выделим из выражения (63) в разд. 4.6.2 слагаемое,
соответствующее сигналу квадратурной модуляции на символьном интервале
длительностью

и
определим энергию
этого сигнала для заданных значений случайных
параметров
и
. Затем
усредним эту энергию, принимая во внимание, что случайные величины
и
принимают
значения:
с одинаковой вероятностью
, то

[
.
Импульс
на интервале интегрирования с номером
равен 1, т. е.
, то
после возведения в квадрат квадратной скобки, выражение для энергии получим

,
где
первый интеграл определяет энергию сигнала
, второй
- энергию сигнала
, третий интеграл - взаимную энергию указанных
сигналов на символьном интервале длительностью
.
Используя
формулы [10] и, учитывая выбор частоты
из
условия в разд. 4.8 (83), то после элементарных преобразований выражение для
энергии принимает вид
.
Отметим,
что взаимная энергия отмеченных сигналов при условии выбора частоты
в разд. 4.8 (83) будет равна нулю, так как сигналы
и
ортогональны.
Средняя
величина энергии
определяется
,
где
- математические ожидания случайных величин
и
.
.
Аналогично
получим
и окончательно
.
Искомая
величина
- средняя мощность сигнала
определяется по формуле
. Отношение
будет
равно
.
Пропускная
способность непрерывного канала
(за
секунду) определяется
[1, по формуле 4.47]. Переходя к натуральным
логарифмам, получим [1, по формуле 4.48]
.
Для
оценки эффективности использования пропускной способности канала связи
применяют коэффициент эффективности, равный отношению производительности
источника
к пропускной способности канала, т. е.
.
Найдем
производительность источника информации
. По
каналу связи передаются номера уровней квантования, определяемые в блоке АЦП
разд. 4.2. В КР количество уровней квантования
. Число
называют "объемом алфавита источника".
Собственная
информация источника
равна его энтропии
, которая
удовлетворяет неравенству
. Причем, равенство
можем
иметь только тогда, когда все сообщения (номера уровней квантования) передаются
равновероятно и независимо.
Таким
образом, при передаче номера одного уровня квантования источник создает
бит информации.
Производительность
источника информации
равна количеству информации, создаваемую источником
за единицу времени (за 1 секунду). АЦП за одну секунду вырабатывает
уровней квантования. Поэтому
.
.8 Демодулятор
Информационный сигнал (ИС) с выхода модулятора поступает в непрерывный
канал (НК), существенно ослабляется (на несколько порядков) за счет различных
потерь мощности в НК.
В КР аппаратура в составе НК между выходом модулятора и входом в линию
связи (ЛС), а также между выходом ЛС и демодулятором (ДМ) не рассматривается.
Поэтому, прежде чем принятый информационный сигнал поступит на вход
демодулятора, его усиливают в соответствующее число раз. В КР будем считать,
что мощность ИС на входе демодулятора равна мощности этого сигнала на выходе
модулятора.
Но
на вход усилительного устройства (УУ), расположенного перед демодулятором,
помимо сильно ослабленного ИС поступает также сигнал аддитивной флуктуационной
помехи (АФП) в виде теплового шума. Источник этой помехи находится в элементах
самой приемной радиоаппаратуры, в частности во входной цепи усилителя. В
диапазоне звуковых частот и радиочастот спектральную плотность мощности
теплового шума на омическом сопротивлении
можно определить по формуле Найквиста [3]
, (67)
где
- омическое сопротивление;
- постоянная Больцмана;
соответствует
, т. е.
принятой стандартной температуре среды, в которой находится приемная
аппаратура. При этом
. (68)
Так
как усиливается не только ИС, но и помеха, спектральная плотность мощности
флуктуационной помехи на входе демодулятора будет существенно больше, чем на
входе усилителя.
В
КР на входе демодулятора АФП обозначена
, а ее
спектральная плотность мощности
обозначена
. В зависимости от номера варианта
значение параметра
задается
в табл. 1 исходных данных.
Итак,
на вход когерентного демодулятора поступает сигнал
, определяемый формулой:
, (69)
где
первое слагаемое (сумма) является информационным сигналом квадратурной
амплитудной модуляции КАМ-16;
- сигнал
АФП.
В
условиях действия флуктуационной помехи
демодулятор
должен обеспечить оптимальные оценки
и
передаваемых информационных символов
и
на
каждом символьном интервале
с
номером
. Передаваемые ИС
и
на любом интервале с номером
являются случайными величинами и принимают дискретные
значения
(70)
с
вероятностью 0,25 каждое.
Чтобы
обосновать структурную схему когерентного демодулятора предположим, что на вход
демодулятора поступает не весь информационный сигнал (69), а только его часть,
равная
. (71)
Сигнал
(71) из состава (69) - это сигнал обычной амплитудной модуляции (АМ) и задает
информационный сигнал на всей оси времени
на
интервалах от
до
.
На
интервале с номером
только одно слагаемое из (71) будет отличаться от
нулевого значения, а именно
. Остальные
слагаемые из (71) на интервале от
до
при
будут
равны нулю. Это объясняется формой импульсов
для
разных значений
в (71) [разд. 4.5, рис. 15, б]. В (71) символы
на любом интервале с номером
принимают четыре равновероятных значения
, указанные в (70).
Например,
на интервале с номером
дискретным значениям (70) будут соответствовать
сигналы
. (72)
Обозначим
энергии этих сигналов соответственно
,
величины энергий которых определяются по формуле
,
.
Из
этой формулы и из равенств (72) следует, что
. (73)
Каждый
из сигналов (71) передает одно из 4 возможных значений символа
. Также следует из (71), что сигналы
элементарно выражаются через сигнал
:
Если
информационный сигнал (71) рассматривать только в пределах одного интервала
длительностью
, например с номером
, то этот
сигнал будет равен одному из 4 возможных значений
, где
задаются
выражениями (72).
Известно
в [1, 2], что алгоритм работы когерентного демодулятора, на вход которого
поступает сигнал
:
,
, (75)
определяется
выражением
,
. (76)
В
момент окончания символьного интервала длительностью
демодулятор принимает решение в пользу того сигнала
, которому соответствует максимальное значение
квадратной скобки в (76).
Напряжение,
равное значению интеграла в (76), можно сформировать на выходе активного
фильтра АФ (коррелятора) или на выходе согласованного фильтра (СФ) с сигналом
.
Принимаемые
демодулятором решения в соответствии с (76) будут оптимальными в условиях
действия флуктуационной помехи
типа
белого шума. Учитывая выражения (72-74) реализация правила принятия решения в
(76) может быть обеспечена структурной схемой демодулятора рис. 28.
Рис. 28. Структурная схема, реализующая выполнение алгоритма (76)
когерентного демодулятора
Например, если решение будет принято в пользу сигнала
, то это решение будет означать, что на
данном интервале с номером
согласно (72) значение символа
.
Генератор
вырабатывает сигнал
на интервале с номером
, а на интервале с номером
- сигнал
.
На выходе интегратора в момент окончания символьного интервала
длительностью
будет сформировано напряжение, равное интегралу
. Это напряжение одновременно
поступает на вход верхнего вычитающего устройства и на входы блоков,
осуществляющих умножение на (-1) и на 3. На выходе верхнего вычитающего
устройства получим напряжение, равное разности
. (77)
На выходах блоков, осуществляющих умножение на (-1) и на 3, получим
напряжения
и
. Используя (74), эти интегралы можно представить в виде:
=
;
=
. (78)
На выходе нижнего блока, осуществляющего умножение на (-1), получим
напряжение
, которое на основе равенств (74) можно представить как
. (79)
Напряжения правых частей равенств (78) и (79) поступают на входы
соответствующих вычитающих устройств, на выходах которых получим напряжения:
;
;
. (80)
В момент окончания символьного интервала длительностью
решающее устройство (РУ1) сравнивает
4 входных напряжения равенств (77), (80) и выбирает из них максимальное, тем самым
реализуя правило принятия решения (76).
Этот выбор определяет тот информационный сигнал из 4 возможных сигналов,
задаваемых равенством (72), который на данном символьном интервале поступил на
вход демодулятора в составе сигнала
, определяемого (75).
Таким образом, выбирая сигнал
, демодулятор тем самым определяет
значение передаваемого информационного символа
из 4 возможных информационных
символов, т. е. осуществляет оценку символа
. Произведенную оценку символа
обозначим
. При правильном решении
=
. При ошибочном решении
. Причиной ошибочных решений является
действие помехи
.
После принятия решения выходные цепи РУ1 генерируют прямоугольный импульс
длительностью
с амплитудой
, равной оценке значения
передаваемого информационного символа
, который может принимать одно из
четырех значений:
. Импульс
появляется на выходе РУ1. Тогда при правильных оценках
на выходе РУ1 появляется
последовательность прямоугольных импульсов, соответствующая последовательности
прямоугольных импульсов на верхнем выходе блока ФМС в передающем устройстве
(разд. 4.5, рис. 15, в).
Теперь предположим, что по каналу связи вместо ИС (71) передается
информационный сигнал, соответствующий второму слагаемому в сумме выражения
(69):
. (81)
По аналогии с сигналами (72) с учетом знака "минус" перед
суммой в (81), введем сигналы на интервале с номером
:
.
С помощью этих сигналов передаются 4 значения символа
на интервале с номером
. Повторяя рассуждения, приведенные
выше для получения схемы демодулятора рис. 28, получим схему демодулятора рис.
29. Представлена схема демодулятора (рис. 29), осуществляющего оптимальные
оценки значений передаваемых информационных символов
в выражении (81), идентичной схеме
на рис. 28, но генератор
в составе активного фильтра в схеме (рис. 29) на интервале с
номером
должен вырабатывать сигнал
, а на интервале с номером
- соответственно сигнал
.
Рис. 29. Схема демодулятора, когда на входе ИС (81)
Если на вход демодуляторов рис. 28 и рис. 29 подать сумму сигналов (71) и
(81), т. е. сигнал квадратурной модуляции (69), то это не отразится на работе
обоих демодуляторов.
Действительно, пусть на вход демодулятора, (например, на рис. 28)
поступает сигнал
, определяемый выражением (69), информационная часть которого
является сигналом квадратурной АМ:
. (82)
На первый вход перемножителя ПМ1 из состава суммы (82) на интервале
длительностью
с номером
будет поступать сигнал, равный только одному слагаемому из
суммы (82), а именно номер
которого равен нулю, т. е.
.Остальные слагаемые в (82) на этом
интервале будут равны нулю. Это объясняется формой импульсов
при
(разд. 4.5, рис. 15, в, г).
На второй вход перемножителя ПМ1 от генератора
на этом же интервале
поступает сигнал
. На выходе перемножителя получим
произведение:
[
]
.
В момент окончания символьного интервала, когда
, на выходе интегратора будет
формироваться напряжение:
.
Первый интеграл является скалярным произведением сигналов
и
, второй интеграл - скалярным
произведением сигналов
и
. Так как на интервале интегрирования
, то на выходе интегратора получим:
После элементарных преобразований [10], учитывая, что
и
, получим:


. (82 а)
Третье слагаемое в сумме (82 а)получено из второго интеграла, т. е. равно
скалярному произведению сигналов
и
.
Поскольку частота 
, где
- период гармонического сигнала с частотой
, третье слагаемое в (82 а) получим в
виде
При этом частоту
необходимо выбрать так, чтобы на
символьном интервале длительностью
укладывалось целое число
периодов
, т. е.
(83)
Причем
и скалярное произведение сигналов
и
будет равно нулю, т. е.
. Это означает, что на интервале
длительностью
эти сигналы ортогональны.
Равенство (83) является условием ортогональности. Из условия
ортогональности указанных сигналов следует самое существенное - напряжение,
создаваемое сигналом
на входе демодулятора, не оказывает влияния на решение, выносимое
РУ1 в составе демодулятора. В момент принятия решения, когда
, напряжение, создаваемое сигналом
на выходе интегратора, будет равно
нулю и поэтому выносимое решение РУ1 не зависит от величины информационного
символа
.
При выполнении условия ортогональности (83) второе слагаемое в сумме (82
а) также имеет нулевое значение, так как
и на выходе интегратора будет напряжение, равное
, которое определяется только
величиной передаваемого информационного символа
.
Итак, на рис. 28 при поступлении на вход демодулятора сигнала (82), РУ1
будет реагировать только на те слагаемые из (82), в состав которых входят
символы
, и не будет реагировать на слагаемые
из (82), в состав которых входят символы
.
Аналогично, при поступлении на вход демодулятора сигнала (82) на рис. 29,
РУ2 будет реагировать только на те слагаемые в (82), в состав которых входят
символы
, и не будет реагировать на слагаемые
из (82), в состав которых входят символы
.
Поэтому схемы демодуляторов (рис. 28, 29) можно объединить в одну схему.
Учтено следующее обстоятельство. Генератор
на интервале с номером
вырабатывает напряжение
, а на интервале с номером
- напряжение
и т. д.
Когда заканчивается импульс
в момент времени
, его продолжением будет импульс
, а продолжением
будет импульс
и т. д.
Поскольку амплитуда любого импульса
равна 1
, фактически генератор
должен вырабатывать непрерывный
гармонический сигнал
Аналогично, генератор
должен вырабатывать второй непрерывный гармонический сигнал
, который можно получить из сигнала
при использовании фазовращателя на
и инвертора, изменяющего знак
входного сигнала.
С учетом данного замечания возможная полная схема демодулятора для приема
сигнала КАМ-16 изображена на рис. 30.
Решающие устройства РУ1 и РУ2 осуществляют оценки
и
передаваемых модулирующих символов
и
.
Если демодулятор работает без ошибок, то
и
на выходах РУ1, РУ2 формируются
сигналы, соответствующие сигналам на выходе блока ФМС (разд. 4.5, рис. 15, в,
г) и далее эти сигналы поступают на вход преобразователя параллельного кода в
последовательный код.
На выходе этого преобразователя формируется сигнал, соответствующий
сигналу, который в передающем устройстве поступал на вход блока ФМС (разд. 4.5,
рис. 15, а).
Отметим, что вместо активных фильтров АФ1 и АФ2 в схемах демодуляторов
рис. 28 и 29 можно использовать согласованные фильтры СФ1 и СФ2 с сигналами
и
соответственно.
Рис. 30. Схема демодулятора для сигнала квадратурной модуляции КАМ-16
4.8.1 Вероятность ошибок на выходах РУ1 и РУ2
Рассмотренный ранее сигнал
, определенный выражением (69) на
символьном интервале
с номером
, будет равен
(84)
. Пусть значения переданных информационных символов
равны
;
(85)
Тогда напряжения на входах РУ1 (рис. 28) в момент окончания символьного
интервала длительностью
будут соответственно равны в (77) и (80):
;
;
;
Используя (80), (84), (85), (72) и (73) получим соответствующие
напряжения на входах РУ1:
;
;
(86)
;
.
При дальнейших преобразованиях интегралов в (86), получим интегралы
и
, которые после использования
равенства (83) будут равны
;
(87)
Определим напряжения на соответствующих входах РУ1 из выражения (86),
используя (87):
на 1-м входе;
на 2-м входе;
на 3-м входе;
на 4-м входе, (88)
где
.
Принимая во внимание, что на интервале интегрирования импульс
равен 1 В, получим
. (89)
Так как
- гауссовская флуктуационная помеха типа белого шума, из
(89) следует, что
- гауссовская случайная величина. Вероятностные параметры
случайной величины
будут определены позднее.
Случайная величина
в (88) является причиной ошибок, иногда происходящих в
работе РУ1. Чем больше будет дисперсия случайной величины
, тем чаще будут происходить ошибки.
При
при правильных решениях РУ1 наибольшие напряжения будут
формироваться соответственно на 1-м, 2-м, 3-м или 4-м входах РУ1.
Если значение символа
по (85), то наибольшее напряжение при правильном решении
будет на 1-м входе РУ1, и поэтому будут выполняться три неравенства в
соответствии с (88):
>
;
>
; (90)
>
.
Преобразуем (90) к виду:
;
;
. (91)
После элементарных преобразований из (91) получим
;
;
, (92)
где
- энергия сигнала
.
Используя (72), получим
.
Учитывая
на интервале интегрирования и
, определим
. Используя (83), получим
.
Окончательно имеем
. (93)
Подставляя (93) в (92), получим
;
;
. (94)
Если одновременно будут выполняться все три неравенства (94), то РУ1
вынесет правильное решение о том, что в соответствии с (85) значение
информационного символа будет
.
Если хотя бы одно из неравенств (94) выполняться не будет, то демодулятор
примет ошибочное решение. На рис. 31 штриховкой обозначены те области на оси
, на которых выполняются
соответствующие неравенства из системы (94).
Рис. 31. Интервал
, на котором одновременно выполняются неравенства (94)
На рис. 31 определяем, что случайная величина
будет удовлетворять неравенству
(95)
если одновременно выполняются три неравенства из (94). Отсюда следует,
что вероятность выполнения неравенства (95) равна вероятности правильного
решения
, которое принимает РУ1 при передаче
значения ИС, равного
. Вероятность невыполнения неравенства (95) равна вероятности
ошибочного решения
. Чтобы найти численные значения
и
, необходимо определить плотность
вероятности
, которая характеризует случайную величину
равной выражению (89). Интегралу
(89) соответствует линейный оператор, воздействующий на гауссовский случайный
процесс
в составе подынтегральной функции.
Известно, что воздействие любого линейного оператора на гауссовский
процесс сохраняет гауссовское свойство, т. е.
- гауссовская случайная величина.
Поскольку
- гауссовская плотность вероятности, то ее характеризуют два
параметра - математическое ожидание
и дисперсия
. Определим эти параметры:
. (96)
Математическое ожидание белого шума
, то
, т. е.
- центрированная случайная величина,
поэтому ее дисперсия определяется по формуле
. Подставляя в
вместо
правую часть (89), получим


,
где
- корреляционная функция белого шума
, т. е.
;
- заданная односторонняя спектральная плотность мощности
белого шума;
- дельта-функция.
Таким образом,

=
.
Используя фильтрующее свойство
-функции, а также (83) и
,
Получим
.
Затем используя (93), имеем
. (97)
Одномерную плотность вероятности
(рис. 32), имея в виду (96) и (97),
можно представить в виде
(98)
Рис. 32. Заштрихованная площадь
- вероятность правильного решения
при значении
Вероятность правильного решения

=
(99)
есть вероятность выполнения неравенства (95) и равна величине
заштрихованной площади (рис. 32).
Вероятность ошибочного решения, принимаемого РУ1 будет


(100)
Как видно на рис. 32, эта величина равна суммарной площади двух
незаштрихованных "хвостов" в интервале от
и от
. Так как площади указанных хвостов
одинаковы, то можно написать
=
=
, (101)
где интеграл определяет площадь одного "хвоста" от
.
Вводя новую переменную интегрирования
по формуле
, получим
, при
, а при
.
В результате вместо (101) можно написать
. (102)
Применяя известную формулу в математике [10]
, (103)
где
- табулированная функция (см. приложение).
Используя (97), окончательно получим

=
. (104)
. Пусть значения переданных информационных символов (ИС)
равны
;
. (105)
Повторяя по аналогии выкладки, рассмотренные в случае 1, получим
следующие напряжения на соответствующих входах РУ1 в момент окончания
символьного интервала длительностью
:
на 1-м входе;
на 2-м входе;
на 3-м входе;
на 4-м входе. (106)
- означает, что теперь в составе информационной части
входного сигнала
содержится сигнал
из (72). Следовательно, если РУ1
принимает правильное решение, то наибольшее напряжение будет на его третьем
входе, т. е. должны одновременно выполняться три неравенства:
>
;
>
;
>
.
После элементарных преобразований с учетом (93) неравенства примут вид:
;
;
. (107)
Эти неравенства (107) будут выполняться одновременно, если случайная
величина
удовлетворяет неравенству
. (108)
Вероятность правильного решения, принимаемого РУ1, будет равна
вероятности выполнения неравенства (108), т. е.

, (109)
где
определяется из (98).
Рис. 33. Заштрихованная площадь - вероятность правильного решения РУ1 при
При сравнении рис. 31 и 32 видно, что вероятность ошибки при
равна площади двух незаштрихованных
"хвостов", создаваемых кривой
, которые соответственно уходят в
и в
. На рис. 33 видно, что вероятность
ошибки при
равна площади только одного "хвоста" от
до величины (
). Отсюда следует
. (110)
Используя (100), получим из (110)
=
. (111)
Аналогично вышеизложенному определяются вероятности ошибок при
и
, а также вероятности ошибок в работе
РУ2. Вероятности ошибок в работе РУ1 и РУ2 при различных значениях передаваемых
ИС
и
представлены в табл. 3 и 4.
Таблица 3
Решения, принимаемые РУ1 и РУ2 о значениях передаваемых символов
и
в виде соответствующих сигналов,
поступают на входы преобразователя параллельного кода в последовательный код.
4.8.2 Вероятность ошибки на выходе преобразователя параллельного кода в
последовательный код
Ошибки на выходе этого преобразователя происходят в трех случаях:
1) когда значение передаваемого символа
определено ошибочно (будем считать,
что произошло случайное событие А);
) когда значение передаваемого символа
определено ошибочно (будем считать,
что произошло случайное событие В);
) когда значения обоих передаваемых символов
и
определены ошибочно.
Из теории вероятности есть известные определения.
Суммой двух случайных событий А и B называется такое третье событие С = А
+ В, которое состоит в наступлении или события А, или события В, или в
наступлении обоих событий А и В. Для обозначения суммы применяется запись С = А
+ В. При этом вероятность суммы определяется по формуле
Р(С) = Р(А+В) = Р(А) + Р(В) - Р(А ∙ В), (112)
где через (А ∙ В) обозначено произведение событий А и В, которое
состоит в осуществлении и события А, и события В. Вероятность произведения (А ∙
В) определяется по формуле
Р(А ∙ В) = Р(А) ∙ Р(В / А) = Р(В) ∙ Р(А / В), (113)
где Р(В / А) и Р(А / В) - условные вероятности.
Если события А и В независимы, то
Р(А ∙ В) = Р(А) ∙ Р(В) (114)
и формула (112) примет вид
Р(С) = Р(А + В) = Р(А) + Р(В) - Р(А) ∙ Р(В). (115)
Нетрудно определить вероятность ошибки на выходе преобразователя, когда
ошибки на выходах РУ1 и РУ2 происходят независимо. Пусть, например, на
-м интервале передаются значения ИС
и
. Используя (115), можно определить
вероятность ошибки на выходе преобразователя:
=
+
-
. (116)
В правую часть (116) входят вероятности ошибки на выходах РУ1 и РУ2. Для
четырех из шестнадцати точек сигнального созвездия КАМ-16, координаты которых
и
могут иметь следующие значения,
приведены в табл. 5 и 6.
Таблица 5 Таблица 6
В соответствии с табл. 5 и 6 вероятности ошибок на выходе преобразователя
будут одинаковыми, и их величину можно рассчитать по (116).
Для других четырех точек сигнального созвездия, у которых координаты
и
равны значениям по табл. 5, в
соответствии с табл. 5 и 6 вероятности ошибок на выходе преобразователя также
будут одинаковыми, и их величину можно рассчитать по формуле
=
+
-
. (117)
Для остальных восьми точек сигнального созвездия координаты равны значениям
и
по табл. 7, а вероятности ошибок на
выходе преобразователя также будут одинаковыми и их величину можно рассчитать
по формуле
=
+
-
. (118)
Таблица 7
Учитывая, что всего на сигнальном созвездии КАМ-16 содержится 16 точек,
среднюю величину вероятности ошибки на выходе преобразователя можно определить
так:
=
+
+
/ 16. (119)
.9 Декодер (ДК)
Рассмотрим выполнение задания по разд. 4.9 на примере.
Рекомендуется использовать учебное пособие [7, стр. 23-30].
Пусть
- номер варианта в КР,
.
) В соответствии с табл. 2, полученной для этого варианта, в разд. 4.3
выписываем из 2-й строки численные значения кодовых символов (КС), которые
передавались по каналу связи,
.
Из табл. 1 исходных данных определяем номер тактового интервала
, на котором произошла ошибка на
выходе демодулятора, т. е.
. Ошибка произошла на 3-м тактовом интервале, поэтому на вход
декодера поступает последовательность
= 110х011001101101010.
Крестиком отмечен кодовый символ, который был принят ошибочно в
последовательности
.
2.
Строим решетчатую диаграмму декодера с учетом полученной последовательности 
[7,
стр. 24].
Рис.
34. Решетчатая диаграмма декодера
.
Используя методику [7, стр. 25-29], построить диаграммы выживших путей.
Определить момент времени
, когда останется только один выживший путь. Этот путь
с решетчатой диаграммы декодера перенести на решетчатую диаграмму кодера и по
этой диаграмме определить кодовые символы (КС), которые действительно
передавались по каналу связи.
В
результате этой операции ошибка, полученная на выходе демодулятора, будет
исправлена.
5. Цифрово-аналоговый преобразователь (ЦАП): получатель сообщений,
помехоустойчивость системы
Напомним, что в блоке АЦП передающего устройства точному отсчету
аналогового сигнала
в момент времени
сопоставляется ближайший номер
уровня квантования в виде целого положительного числа
. Величине
соответствует последовательность
определенного числа двоичных информационных символов (ИС), передаваемых по
каналу связи. Предполагается, что возможные ошибки, которые могли произойти на
выходе демодулятора, исправлены в декодере и на вход ЦАП поступает цифровой
сигнал ИС, соответствующий уровню квантования
.
В момент времени
в ЦАП генерируется прямоугольный импульс длительностью
с амплитудой
, где
.
Последовательность таких прямоугольных импульсов в зависимости от
длительности
, начиная с момента времени
приведена на рис. 35, а, б.
Рис. 35. Последовательность прямоугольных импульсов в ЦАП при
и
Последовательность
прямоугольных импульсов (рис. 35) поступает на вход ФНЧ, входящего в
цифроаналоговый преобразователь (ЦАП). На выходе ФНЧ формируется аналоговый
сигнал
, изображенный в виде сплошной жирной
кривой на рис. 35, а, б. С достаточной степенью точности сигнал
должен воспроизводить исходный
аналоговый сигнал
, который по структурной схеме с выхода источника сообщений
поступает на вход АЦП. Разностный сигнал

является
погрешностью, возникающей при передаче и восстановлении исходного аналогового
сигнала
. Перечислим основные причины,
влияющие на величину погрешности
:
1) вместо точных отсчетов
используются квантованные отсчеты
, где
- номер уровня квантования;
2) вместо δ-импульсов, длительность которых равна нулю,
используются прямоугольные импульсы конечной длительности
(рис. 35);
) вместо идеального ФНЧ в качестве фильтра-восстановителя
используется физически реализуемый ФНЧ, передаточная функция которого
отличается от передаточной функции идеального ФНЧ.
Рис. 36. а) Аналоговый сигнал
б) и в) возможные импульсные
сигналы, сформированные на основе аналогового сигнала
Теперь выясним влияние конечной длительности
прямоугольных импульсов (рис. 36, в)
на величину погрешности
.
Обозначим через
прямоугольный импульс длительностью
с амплитудой
(рис. 36, в). Этот импульс можно
представить в виде свертки прямоугольного импульса
(рис. 36, г) с импульсом (рис. 36,
б)
. (120)
Тогда
(121)
Действительно, подставив (120) в (121), т. е.

,(122)
и используя "фильтрующее свойство δ-функции", получим
.
Отсюда следует, что форма импульса
определяется формой импульса
, смещенного по оси времени
вправо на интервал
. Амплитуда импульса
равна
, так как согласно рис. 36, г
амплитуда импульса
равна единице.
Таким образом, свертка (122) определяет прямоугольный импульс,
изображенный на рис. 36, в длительностью
с амплитудой
. Полученный результат позволяет всю
последовательность прямоугольных импульсов (рис. 36, в) представить в виде
свертки импульса
с последовательностью δ-импульсов (рис. 36, б), тогда
. (123)
Функции
соответствует спектральная плотность
, (124)
а функции
соответствует периодическая спектральная плотность с
периодом
.
, (125)
где
- финитная спектральная плотность аналогового сигнала
(рис. 37, а).
Рис. 37. Графики определения спектральной плотности при разной
длительности
прямоугольного импульса
Свертка (123) является функцией аргумента
и имеет спектральную плотность
, равную произведению спектральных
плотностей сворачиваемых функций, т. е. произведению функций, определяемых
равенствами (124) и (125)


, (126)
где
- модуль финитной спектральной плотности аналогового сигнала
(рис. 37, а);
- модуль, соответствующий сигналу в
виде последовательности
-функций (рис. 36, б);
- график модулей спектральной
плотности
прямоугольного импульса
для значений
и
соответственно для рис. 37, в и г;
- на рис. 37, д изображен график
модуля спектральной плотности, определяемой (126) как результат перемножения
графиков рис. 37, б и в;
- на рис. 37, е изображен график модуля спектральной
плотности, определяемой (126) как результат перемножения графиков рис. 37, б и
г.
График модуля передаточной функции идеального ФНЧ с частотой среза
приведен на рис. 37, ж.
Графики модуля спектральной плотности восстановленного сигнала
можно получить на выходе ФНЧ в
соответствии с выражением
как результат перемножения графиков рис. 37, д и ж при
длительности прямоугольных импульсов
, или рис. 37, е и ж при
, т. е. в зависимости от величины
длительности
показаны на рис. 37, з, к.
Рис. 38. График модуля спектральной плотности восстановленного сигнала
На рис. 38 под входным сигналом
понимается сигнал в виде
последовательности прямоугольных импульсов на рис. 36, в при
. Учитывая форму графика на рис. 37,
ж, рассмотрим два случая:
) спектральная плотность
равна участку на графике
на рис. 37, д между частот
и
;
) спектральная плотность
равна участку на графике
на рис. 37, е между частот
и
.
Рассматривая 1-й случай, убеждаемся, что спектральная плотность
восстановленного сигнала
(рис. 37, д) заметно отличается от спектральной плотности
на рис. 37, а. Делаем вывод, что при
увеличении длительности импульсов
погрешность восстановления
исходного аналогового сигнала будет
достаточно большой.
Во 2-м случае спектральная плотность
будет меньше отличаться от
спектральной плотности
(рис. 37, а), так как
Делаем вывод, что при уменьшении
длительности
прямоугольных импульсов (рис. 36, в) величина погрешности
восстановления
уменьшается.
Список литературы
Основная
1. Зюко
А.Г. Теория передачи сигналов / А.Г. Зюко, Д.Д. Кловский, М.В. Назаров, Л.М. Финк.
- Изд. 2-е, перераб. и дополнен. - М.: Радио и связь, 1986. - 304 с.
2. Зюко
А.Г. Теория электрической связи: учебник для вузов / А.Г. Зюко, Д.Д. Кловский,
В.И. Коржик, М.В. Назаров. - М.: Радио и связь, 1998.
. Скляр,
Бернард. Цифровая связь. Теоретические основы и практическое применение: пер. с
англ. / Бернард Скляр. - Изд. 2-2, испр. - М.: Издательский дом
"Вильямс", 2003. - 1104 с.
. Кларк
Дж. Кодирование с исправлением ошибок в системах цифровой связи / Дж. Кларк,
мл. Дж. Кейн: пер. с англ. С.И. Гельфонда ; под ред. Б.С. Цыбакова. - М.: Радио
и связь, 1987. - Вып. 28. - 392 с.
. Григоровский
Л.Ф. Теория электрической связи. Модели сигналов и методы их преобразования в
системах связи : учеб. пособие / Л.Ф. Григоровский, В.И. Коржик, В.Г. Красов,
В.Ф. Кушнир. - Л.: ЛЭИС. - 1990.
. Тихонов
В.И. Статистическая радиотехника / В.И. Тихонов. - Изд. 2-е, перераб. и
дополнен. - М.: "Радио и связь", 1982. - 624 с.
. Куликов
Л.Н. Теория электрической связи. Основы сверточного кодирования : учеб. пособие
/ Л.Н. Куликов, М.Н. Москалец. - СПб., 2006.
Дополнительная
8. Сальников,
А.П. Теория электрической связи : конспект лекций / А.П. Сальников. - СПб.:
Линк, 2007.
9. Биккенин
Р.Р. Теория электрической связи : учеб. пособие / Р.Р. Биккенин, М.Н. Чесноков.
- Л.: ЛЭИС. - 2010.
10. Прокис,
Дж. Цифровая связь: перевод с англ. / Дж. Прокис; под ред. Д. Д. Кловского. -
М.: Радио и связь, 2000. - 800 с.
11. Бронштейн
И.Н. Справочник по математике для инженеров и учащихся втузов / И.Н. Бронштейн,
К.А. Семендяев. - М.: "Наука", 1964.
. Френкс
Л. Теория сигналов: перевод с англ. / Л. Френкс; под ред. Д. Е. Вакмана. - М.:
Советское радио, 1974. - 344 с.
. Атабеков
Г.И. Основы теории цепей: учебник для вузов / Г.И. Атабеков. - М.: Энергия,
1969. - 424 с.
. Смирнов
Г.И. Теория электрической связи: методические указания к курсовой работе / Г.И.
Смирнов, В.Ф. Кушнир. - Санкт-Петербург, 1999.
Приложение
Значение функции
|
х
|
0
|
1
|
2
|
3
|
4
|
5
|
6
|
7
|
8
|
9
|
|
0,0
|
0,50000
|
49601
|
49202
|
48803
|
48405
|
47608
|
47210
|
46812
|
46414
|
|
0,1
|
0,46017
|
45620
|
45224
|
44828
|
44433
|
44038
|
43644
|
43251
|
42858
|
42465
|
|
0,2
|
0,42074
|
41683
|
41294
|
40905
|
40517
|
401298
|
39743
|
39358
|
38974
|
38591
|
|
0,3
|
0,38209
|
37828
|
37448
|
37070
|
36693
|
36317
|
35942
|
35569
|
335197
|
34827
|
|
0,4
|
0,34458
|
34090
|
33724
|
33360
|
32997
|
32636
|
32276
|
31918
|
31561
|
31207
|
|
0,5
|
0,30854
|
30503
|
30153
|
29806
|
29460
|
29116
|
28774
|
28434
|
28096
|
27760
|
|
0,6
|
0,27425
|
27093
|
26763
|
26435
|
26109
|
25785
|
25463
|
25143
|
24825
|
24510
|
|
0,7
|
0,24196
|
23885
|
23576
|
23270
|
22965
|
22663
|
22363
|
22065
|
21770
|
21476
|
|
0,8
|
0,21186
|
20897
|
20611
|
20327
|
20045
|
19766
|
19489
|
19215
|
18943
|
18673
|
|
0,9
|
0,18406
|
18141
|
17879
|
17619
|
17361
|
17106
|
16863
|
16602
|
16354
|
16109
|
|
1,0
|
0,15866
|
15625
|
15386
|
15150
|
14917
|
14686
|
14457
|
14231
|
14007
|
13786
|
|
1,1
|
0,13567
|
13350
|
13136
|
12924
|
12714
|
12507
|
12302
|
12100
|
11900
|
11702
|
|
1,2
|
0,11507
|
11314
|
11123
|
10935
|
10749
|
10565
|
10383
|
10204
|
10027
|
09853
|
|
1,3
|
0,09680
|
09510
|
09342
|
09176
|
09012
|
08851
|
08691
|
08534
|
08379
|
08226
|
|
1,4
|
0,08076
|
07927
|
07780
|
07636
|
07493
|
07353
|
07214
|
07078
|
06944
|
06811
|
|
1,5
|
0,06681
|
06552
|
06426
|
06301
|
06178
|
06057
|
05938
|
05821
|
05705
|
05592
|
|
1,6
|
0,05480
|
05370
|
05262
|
05155
|
05050
|
04947
|
04846
|
04746
|
04648
|
04551
|
|
1,7
|
0,04457
|
04363
|
04272
|
04182
|
04093
|
04006
|
03920
|
03836
|
03754
|
03673
|
|
1,8
|
0,03593
|
03515
|
03438
|
03362
|
03288
|
03216
|
03144
|
03074
|
03005
|
02938
|
|
1,9
|
0,02872
|
02807
|
02743
|
02680
|
02619
|
02559
|
02500
|
02442
|
02385
|
02330
|
|
2,0
|
0,02275
|
02222
|
02169
|
02118
|
02068
|
02018
|
01970
|
01923
|
01876
|
01831
|
|
2,1
|
0,01786
|
01743
|
01700
|
01659
|
01618
|
01578
|
01539
|
01500
|
01463
|
01426
|
|
2,2
|
0,01390
|
01355
|
01321
|
01287
|
01255
|
01222
|
01191
|
01160
|
01130
|
01101
|
|
2,3
|
0,01072
|
01044
|
01017
|
00990
|
00964
|
00939
|
00914
|
00889
|
00866
|
00842
|
|
2,4
|
0,00820
|
00798
|
00776
|
00755
|
00734
|
00714
|
00695
|
00676
|
00657
|
00639
|
|
2,5
|
0,00621
|
00604
|
00587
|
00570
|
00554
|
00539
|
00523
|
00508
|
00494
|
00480
|
|
2,6
|
0,00466
|
00453
|
00440
|
00427
|
00415
|
00402
|
00391
|
00379
|
00368
|
00357
|
|
2,7
|
0,00347
|
00336
|
00326
|
00317
|
00307
|
00298
|
00289
|
00280
|
00272
|
00264
|
|
2,8
|
0,00256
|
00248
|
00240
|
00233
|
00226
|
00219
|
00212
|
00205
|
00199
|
00193
|
|
2,9
|
0,00187
|
00181
|
00175
|
00169
|
00164
|
00159
|
00154
|
00149
|
00144
|
00139
|
|
х
|
Q(х)
|
х
|
Q(х)
|
х
|
Q(х)
|
х
|
Q(х)
|
х
|
Q(х)
|
|
3,0
|
|
3,3
|
|
3,6
|
|
3,9
|
|
4,5
|
|
|
3,1
|
|
3,4
|
|
3,7
|
|
4,0
|
4,8
|
|
|
3,2
|
|
3,5
|
|
3,8
|
|
4,3
|
|
5,0
|
|
связь модулирующий символ преобразователь
Опечатки
Куликов Леонид Николаевич
Москалец Мария Николаевна
Чесноков Михаил Николаевич
Общая теория связи
Методические указания к выполнению курсовой работы
Редактор И.И. Щенсняк
План 2012 г., п. 44
Подписано к печати 28.12.2012
Объем 5,0 усл.-печ. л. Тираж 140 экз. Заказ 234
Издательство СПбГУТ. 191186 СПб., наб. р. Мойки, 61
Отпечатано в СПбГУТ
Санкт-Петербург