|
№ цеха
|
Установленная мощность цеха, кВт
|
Коэффициент спроса, кс
|
Коэффициент мощности
cosφ
|
Номинальные нагрузки
|
Осветительная нагрузка
|
Максимальные нагрузки
|
|
|
|
|
|
Рном, кВт
|
Qном,
квар
|
Руд, Вт/м2
|
F,
М2
|
Росв, кВт
|
Рmax, кВт
|
Qmax,
квар
|
Smax,
кВА
|
|
|
|
|
|
|
|
|
|
|
|
|
Графики
нагрузок
В зависимости от
характера промышленного предприятия, для которого проектируется подстанция,
Выбирается график
суточной нагрузки и график годовой по продолжительности На этих графиках
нагрузка выражена в процентах, причем за 100% приняты максимальная активная и
максимальная реактивная мощности. напряжение токовый замыкание трансформаторный
Зная, Рmax и Qmax, и пользуясь
указанными графиками, следует построить фактический график активной и
реактивной текущей нагрузки рабочего дня.
По фактическому
суточному графику определяется расход активной энергии за сутки и коэффициент
заполнения графика. Также по данным рисункам выбирается и вычерчивается годовой
график работы предприятия, по данному графику рассчитывается годовое число
использования максимума нагрузок Тmax.
Пример. Построить суточный график активной и реактивной нагрузок
локомотивостроительного завода и вычислить основные параметры. Исходные данные:p Рmax =20МВ*А; сos j=0.8 Пользуясь графиками построим
фактические графики суточной нагрузки (рисунок 1).
Определяем
максимальную реактивную мощность:
Определяем полную
максимальную мощность:
Определяем расход
активной энергии за сутки по площади графика активной нагрузки:
Определяем среднюю
активную мощность за сутки:
Рисунок 1 - График
суточной активной и реактивной нагрузок завода
Определяем коэффициент
заполнения графика:
Рисунок 2 - Годовой
график нагрузки завода
Годовой расход
электроэнергии по площади графика активной нагрузки:
Число часов
использования максимума нагрузки:

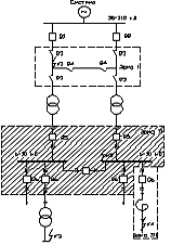
4. Выбор схемы электроснабжения
При проектировании
условно считаем, что питание электроэнергией промышленного предприятия будет
осуществляться от районной подстанции энергосистемы, расположенной на
расстоянии от проектируемой ГПП завода (см. задание). Возможности районной
подстанции с точки зрения подключения новых потребителей считаем (тоже условно)
неограниченными как по числу линий , так и по напряжению. В зависимости от
категории потребителей нужно решить следующие вопросы:
а) воздушной или
кабельной линией выполнять ввод;
б) количество
вводных линий;
в) с трансформацией
или без трансформации напряжения;
г) кабельными
линиями или системой шин будет выполнено распределительное устройство
вторичного напряжения;
д) наличие
перемычки на стороне первичного напряжения при числе вводов больше одного;
е) основное
оборудование на вводе первичного напряжения: выключатели и разъединители или
только разъединители;
ж) режим работы
линий и трансформаторов (параллельная или разделительная работа) и характер
резерва (явный, неявный).
Выбранная схема
рисуется в записке.
Пример. Для питания котельно-радиаторного завода с максимальной нагрузкой
18 МВА принимаем глубокий ввод двумя линиями электропередачи. Система шин РУ
вторичного напряжения 6 кВ одинарная, секционированная по числу силовых
трансформаторов. Для уменьшения стоимости подстанции принимаем схему без выключателей
на стороне высшего напряжения (при напряжении 110 кВ) с перемычкой,
оборудованной определителями (рисунок 2,а) или с выключателями и
разъединителями на стороне высшего напряжения при вводе напряжением 35 кВ
(рисунок 2,б). Резерв линий и трансформаторов неявный. В нормальном режиме
линий и трансформаторы работают раздельно.
а) б)
Рисунок 2 -
Варианты схем электроснабжения
5. Выбор рационального напряжения
В данном пункте
следует определить величину рационального напряжения ввода: 35 кВ, 110кВ или
220 кВ.
Увеличение
напряжения ввода является прогрессивным, так как при этом уменьшаются потери
электроэнергии, улучшаются возможности для последующего расширения
производства. Однако увеличение напряжения связано с усложнением эксплуатации
оборудования, увеличением капиталовложений, поэтому вопрос о рациональном
напряжении ввода следует решать сравнением двух или более вариантов по
технико-экономическим показателям . Рекомендуется следующий порядок решения
этого вопроса, одного из самых сложных в проекте.
Намечая два (можно
три) наиболее вероятных в данных условиях задания варианта: 35/6 кВ, 35/10 кВ,
110/6 кВ, 110/10 кВ, 220/6 кВ, 220/10 кВ. При выборе возможных вариантов
учитывают величину нагрузки и расстояние от системы до питающей подстанции.
Также для определения наиболее подходящих напряжений.
Для каждого
варианта в соответствии со схемой (рисунок 2) ориентировочно выбирается
основное оборудование: линия, силовые трансформаторы, выключатели,
разъединители.
Сечение провода
определяется по экономической плотности тока, учётом потерь но корону. При двух
линиях, работающих о неявном резерве, расчёт ведётся по току рабочего режима.
Силовые
трансформаторы выбираются ориентировочно по полной мощности потребителя с учётом
резерва. Наиболее экономичны двух трансформаторные подстанции. Каталожные
данные трансформаторов выписывают в виде таблицы 2.
Электрические
аппараты выбираются по току нагрузки аварийного режима с учётом схемы.
Например, для схемы а) на рисунке 2 следует выбирать шесть разъединителей на
напряжение 110 кВ, а для схемы б- три выключателя и восемь разъединителей на
напряжении 35 кВ .
Распределительное
устройство 6(10) кВ в каждом варианте одинаково, поэтому в расчёте капитальных
затрат не входит. Для каждого варианта определяются капитальные затраты и
эксплуатационные расходы. При числе вариантов более трех сравнение вариантов
делается по общим затратам.
Капитальные
затраты:
К = Кл +
Ктр + Коб,,
где Кл -
затраты на сооружение линий;
Ктр -
затраты на приобретение и монтаж трансформаторов;
Коб -
затраты на приобретение и монтаж основного оборудования.
Капитальные затраты
следует определять с учётом монтажа и прочих расходов по укреплённым
показателям стоимости элементов систем электроснабжения. Данные по расчёту
капитальных затрат в каждом варианте рекомендуется свести в таблицы 2 и 3.
Эксплутационные
расходы
Сэ = Сп
+ Са + Сэп ,
где Сп -
стоимость потерь электрической энергии, тыс. руб;
Са -
амортизационные отчисления, тыс. руб;
Сэп -
стоимость содержания эксплуатационного персонала, тыс. руб;
Стоимость потерь
определяется
Сп = rРгод∙Со∙10 -3, тыс.
руб/год,
где Со -
стоимость 1 кВт∙ч электрической энергии, руб/ кВт∙ч;
rРгод.
- потери активной энергии в год, кВт∙ч.
Потери энергии в
год определяются как сумма потерь в линиях и силовых трансформаторах
rРгод
= rРл + rРтр.
Потери в линиях
определяются или по максимальному току, или по удельным потерям. Потери
активной энергии в трансформаторах определяются по приведённым потерям
мощности. Приведённые потери включают в себя не только потери активной мощности
в самих трансформаторах при работе в заданном режиме, но и потери активной
мощности, которые возникают по всей цепочке питания от генераторов
электростанции до рассматриваемых трансформаторов из-за потребления
трансформаторами реактивной мощности.
Амортизационные
отчисления на различные виды оборудования даются в процентах от капитальных
затрат.
Общие затраты
определяются:
З= Сэ+0,15∙К.
где 0,15-
нормативный коэффициент капиталовложений (для расчетов в электроэнергетике).
Данные расчетов по
вариантам рекомендуется свести в таблицу 4. При применении двух вариантов
выбирают вариант с меньшими капитальными затратами и эксплуатационными
расходами. Если в одном варианте меньше капитальные затраты, а в другом -
эксплуатационные расходы, определяется срок окупаемости:
Т= (К1-К2)/(Сэ2-Сэ1),
лет,
где К1 и
К2- капитальные затраты по вариантам;
Сэ1 и Сэ2-
эксплуатационные расходы по вариантам.
При сроке
окупаемости до 7-ми лет принимается вариант с меньшими эксплуатационными
расходами. При сроке окупаемости выше 7-ми лет принимается вариант с меньшими
капитальными затратами. При сравнении трех вариантов и более принимается
вариант с меньшими общими затратами.
Пример. Выбрать рациональное напряжение ввода на ГПП завода.
Исходные данные: Smax= 20 МВА, L= 4,5 км, Co= 1 коп/кВт•ч, Кэ=0.1
кВт/квар, Т= 4500 ч, cosφ =0.9.
Вторичное
напряжение - 6кВ.
Пользуясь таблицей
намечаем два варианта по напряжению:
Вариант 1 - 35/6кВ,
Вариант 2 -
110/6кВ.
Определяем
технико-экономические показатели для каждого варианта.
Расчетный ток (при
максимальной нагрузке):
Iрасч1=
Iрасч2=
Сечение проводов
воздушной линии по экономической плотности тока.
Sэк1=
,
где jэк- экономическая плотность тока .
Принимаем две одноцепные
линии с проводами АС-150 (с учетом минимальных потерь на корону) на
унифицированных типовых железобетонных опорах; стоимость 1 км линии 3,5 тыс.
руб/.
Sэк2=
,
где jэк- экономическая плотность тока.
Принимаем две одноцепные
линии с проводами АС-70 (с учетом минимальных потерь на корону) на
унифицированных типовых железобетонных опорах; стоимость 1 км линии 5,6 тыс.
руб
Выбираем для каждого
варианта по два силовых трансформатора мощностью по 16 МВА с регулированием под
нагрузкой. Стоимость одного трансформатора для варианта напряжением 35/6 кВ
2979 тыс.руб, трансформатора для варианта напряжением 110/6кВ 4789 тыс.руб. .
Таблица 2 Параметры
силовых трансформаторов
|
Тип
|
Потери (кВт)
|
Ток холостого хода Iхх,
%
|
Напряжение КЗ Uк,
%
|
Примечание
|
|
Холостого хода Рхх, кВт
|
Короткого замыкания Ркз, кВт
|
|
|
|
|
ТД-16000/35
|
17,8
|
90
|
0,75
|
8
|
|
|
ТД-16000/110
|
45
|
101
|
2,8
|
2,8
|
|
По току нагрузки в
аварийном режиме выбираем для каждого варианта оборудование:
Вариант 1.
Выключатели ВМД-35 и разъединители РД-35.
Вариант2.
Разъединители РНД-110.
Расчет капитальных
затрат по вариантам сводим в таблицу 2 и 3.
Таблица 3
Капитальные затраты по варианту 1
|
Наименование оборудования
|
Ед.изм.
|
Кол-во единиц
|
Стоимость (тыс.руб.)
|
Примечание
|
|
|
|
|
единицы
|
всего
|
|
|
1 Силовой трансформатор ТД - 16000/35
|
шт
|
2
|
29,79
|
59,5
|
|
|
2 Выключатель ВМД-35
|
шт
|
3
|
5,18
|
15,5
|
|
|
3 Разъединители РД-35
|
шт
|
8
|
0,7
|
5,6
|
|
|
4 ЛЭП АС - 150
|
км
|
9
|
3,5
|
31,5
|
|
|
Итого по варианту
|
112,1
|
|
Таблица 4
Капитальные затраты по варианту 2
|
Наименование оборудования
|
Ед.изм.
|
Кол-во единиц
|
Стоимость (тыс.руб.)
|
Примечание
|
|
|
|
единицы
|
всего
|
|
|
1. Силовой трансформатор ТД-16000/110
|
Шт.
|
2
|
47,89
|
95,5
|
|
|
2. Разъединитель РНД-110
|
Шт.
|
6
|
5,14
|
30,84
|
|
|
4. ЛЭП АС-70
|
Км.
|
9
|
5,6
|
50,4
|
|
|
Итого по варианту
|
176,74
|
|
Потери активной энергии в линиях.
ΔРл.год1
= п∙ΔРл∙L∙кз.л2∙τ=2∙149∙4,5∙0,37∙2800=514000
кВт∙ч
где п - число линий;
ΔРл
- потери мощности на 1 км линии АС-150;
Кзл - коэффициент
загрузки линии при максимальной нагрузке:
где Imax1=165
А - ток линии в рабочем режиме (
)
I доп - длительно-допускаемый ток на провод АС - 150;
τ - время
потерь, ч.; определяется в зависимости от cosφ
и годового использования максимума нагрузки в год .
ΔЭл.год2=п∙ΔРл∙L∙кз.л2∙τ
=2∙125∙4,5∙0,22∙2800=126000
кВт•ч;
Приведенные потери
активной энергии в трансформаторах.
По первому варианту:
где ΔРхх ,
ΔРкз , Iхх
, Uк - каталожные данные трансформатора (таблица 2)
кэ -
экономический эквивалент реактивной мощности (задание), кВт/квар;
Т - действительное время
работы трансформатора в год, ч;
кзт -
коэффициент загрузки трансформатора при максимальной нагрузке.
п - количество
работающих трансформаторов.
По второму варианту:
Стоимость потерь
активной энергии:
Сп1 = Со∙(Эл
+ Этр. 1) = 0,01 (514000 + 1010000) = 15240 руб.
Сп2 = 0,01
(126000 + 2178000) = 23040 руб.
Амортизационные
отчисления:
где Рл, Ртр,
Рв - амортизационные отчисления на линии, трансформаторы,
выключатели(и разъединители), %
Отчисления на
обслуживание оборудования
где Рл, Ртр,
Рв - отчисления на текущий ремонт и обслуживание, %
Общие эксплуатационные
расходы:
Сэ1 = Сп1
+ Са1 + Сэп1 = 15,24+7,44+3,8 = 26,5 тыс.руб.
Сэ2 = 23,04 +
9,68 + 4,78 = 37,5 тыс.руб.
Общие затраты при
нормативном коэффициенте эффективности капиталовложений 0,15:
З1 = Сэ1
+ 0,15 К1 = 26,5 + 0,15•152,5 = 49,3 тыс.руб.
З2 = 37,5 +
0,15•176,1 = 63,9 тыс.руб.
Данные расчетов для
удобства сравнения сводим в таблицу 5.
Таблица 5 Сводная таблица для
сравнения вариантов
|
Вариант
|
Капитальные затраты К, тыс.руб.
|
Эксплуатационные расходы Сэ, тыс.руб.
|
Потери электроэнергии в год ΔРгод,
тыс. кВт∙ч/год
|
Общие затраты З, тыс.руб/год
|
|
1 35/6 кВ
|
112,1
|
26,5
|
1524
|
49,3
|
|
2 110/6 кВ
|
176,74
|
37,5
|
2304
|
63,9
|
Из таблицы 5 видно, что все
показатели первого варианта (ввод напряжением - 35 кВ с трансформацией на 6 кВ)
ниже, следовательно, рациональным, напряжением ввода для данных условий будет
ввод 35 кВ.
Определение рационального напряжения
можно найти по формуле:
Если К2 >
К1, а Сэ2 < Сэ1 ( или К1 > К2,
а Сэ1 < Сэ2 ).
6. Выбор числа и мощности силовых трансформаторов ГПП
Количество
трансформаторов на подстанции и их мощность должны удовлетворять условию
надёжности электроснабжения, минимальным капитальным затратам и наиболее
экономичному режиму загрузки трансформатора. для потребителей первой и второй
категорий наибольшее распространение получили двухтрансформаторные подстанции с
неявным резервом и раздельной работой трансформаторов.
Мощность
трансформаторов выбирают так, чтобы в нормальном режиме трансформаторы имели
загрузку, при которой потери минимальны. При этом капитальные затраты должны
быть минимальными, а при выходе одного из трансформаторов из строя, второй
обеспечил бы нормальную работу потребителей при условии перегрузки его в
пределах. допускаемых ПУЭ. При неравномерном графике нагрузки допускается
перегрузка трансформатора в часы максимума, но не более величины, определяемой
по " Кривым кратностей допустимых перегрузок силовых трансформаторов"
. В послеаварийном периоде допускается перегрузка трансформатора на 40% на
время максимумов общей суточной продолжительностью не более 6 часов в сутки в
течении не более 5 суток. При этом коэффициент заполнения суточного графика
нагрузки трансформатора в условиях его перегрузки должен быть не более 0,75 %.
Рекомендуется
следующий порядок выбор трансформаторов:
) определяется число
трансформаторов с учетом категории потребителей;
2) намечаются два
или три возможных варианта мощности трансформаторов с учётом допустимой
нагрузки их в нормальном режиме и допустимой перегрузки в послеаварийном
режиме;
) для каждого
варианта определяются капитальные затраты и эксплуатационные расходы (стоимость
потерь электрической энергии в трансформаторах и амортизационные отчисления);
4). выбирается
наиболее экономичный вариант с учётом возможности расширения подстанции.
Капитальные
затраты, потери электроэнергии и амортизационные отчисления определяются
аналогично примеру, приведённому в разделе 5 при выборе рационального
напряжения.
Пример. Выдрать число и мощность трансформаторов для ГПП завода с
условиями: Smax=115 MBA кзг=0,7;продолжительность работы с максимальной
нагрузкой в сутки n=2 часа. Потребители 1-ой категории составляют 50 % общей
нагрузки. Первичное напряжение - 35 кВ, вторичное - 6 кВ, кэ=0,1кВт/квар.
Время фактической работы Т= 8000 ч. Время потерь τ = 6000 ч, Со = 0,1 коп/кВт∙ч.
С учётом категории
потребителей намечаем ГПП с двумя трансформаторами.
При номограмме при Кзг=0,7
и п=2 часа определяем коэффициент допустимой систематической перегрузки
трансформаторов кдп=1,18.
Намечаем два возможных варианта
мощности трансформаторов.
Вариант 1. Два трансформатора по 6,3 МВА. В нормальном режиме трансформаторы
будут работать с неполной нагрузкой. Коэффициент загрузки в часы максимума:
Допустимая перегрузка в
послеаварийный период составит 1,4∙6,3 = 8,8 МВА > 0,5∙11,5=6,75,
что примерно (0,5 - 50% потребители первой категории).
Вариант 2.
Два трансформатора мощностью по 10 МВА. В нормальном режиме трансформаторы
будут работать с недогрузкой. Коэффициент загрузки в часы максимума
.
Допустимая перегрузка в
послеаварийный период составит 1,4∙10=14 > 11,5 МВА, что приемлемо.
Вариант 3.
Два трансформатора мощностью по 4 МВА. Допустимая максимальная мощность с
учетом перегрузки 1,18 составит кдп∙2∙Sном.т.=1,18∙2∙4=9,45 < 11,5 МВА.
Третий вариант не
удовлетворяет условию допускаемой систематической перегрузки, поэтому в
дальнейшем не рассматривается.
Каталожные данные
трансформаторов заносим в таблицу 6.
Таблица 6 Каталожные
данные трансформаторов
|
Трансформатор (МВА)
|
Потери (кВт)
|
Ток холостого хода, Iхх,
%
|
Напряжение короткого замыкания Uк,
%
|
|
Холостого хода, ΔРхх,
кВт
|
Короткого замыкания ΔРкз,
кВт
|
|
|
|
6,3
|
8,0
|
46,5
|
0,9
|
7,5
|
|
10,0
|
12,3
|
65,0
|
0,8
|
7,5
|
Определяем капитальные затраты:
К1 =2∙15,9= 31,8
тыс.руб./.
К2 =2∙28,3 = 56,6
тыс.руб. .
Стоимость потерь электрической
энергии в год:

Са1 = 0,1∙К1
= 0,1∙31,8=3,18 тыс.руб.
Са2 = 0,1∙К2
= 0,1∙56,6=5,66 тыс.руб.
где 0,1 - амортизационные
отчисления на оборудование подстанций - 10%.
Общие
эксплуатационные расходы:
Сэ1 =Cn1 + Ca1 =10,65+3,18= 13,86тыс.
руб.
Сэ2 = Сп2
+ Са2 =8.96+5.66=14,62тыс. руб.
Общие ежегодные
затраты:
1 = Рн∙К1+Сэ1=0,15∙3,18+13,86=
18,63тыс. руб.
2 =0,15∙56,6+14,62=23,11 тыс. руб
Первый вариант с
установкой двух трансформаторов мощностью по 6,3 MBА является более
рациональным.
Примечание. Если общие ежегодные затраты по вариантам незначительно
отличаются друг от друга, то с учётом динамики разбития предприятия и его
дальнейшего расширения целесообразнее выбирать вариант с большей мощностью
трансформаторов (или с большим напряжением при выборе рационального
напряжения).
В послеаварийном
режиме трансформатор может взять нагрузку 1,4∙6,3 = 8,3 MBА. Потребители первой
категории составляют 0,5∙115 =5,75 MBА, Потребители второй и
третей категории допускают перерыв в питании время, необходимое для
восстановления нормального электроснабжения. Принимаются к установке два
трансформатора мощностью по 6,3 MBA.
7. Расчет токов короткого замыкания
В соответствии с
задачей, поставленной в курсовом проекте значения токов и мощности короткого
замыкания необходимы для выбора устойчивого к действию токов короткого
замыкания оборудования и токоведущих частей на стороне первичного и вторичного
напряжений ГПП. Исходя из этих соображений, и составляют расчетную схему и
схему замещения.
При составлении
этих схем следует чётко представлять режим работы линий и трансформаторов при
раздельной работе линий и трансформаторов значения токов короткого замыкания
будут иными, чем при параллельной. Расчёт ведется для рабочего режима. Мощность
системы считается бесконечно большой.
При заданной
мощности короткого замыкания на шинах вторичного напряжения питающей подстанции
. сопротивление до этих шин можно определить следующим образом:
хс* =
;
где Sб - базисная мощность. Принимаемая произвольно; MBА;
Sк
- мощность короткого замыкания на шинах вторичного напряжения питающей
подстанции (указанно в задании как мощность системы), MBА.
Если в задании даны
количество и мощность трансформаторов. установленных на питающей подстанции,
рекомендуется поступать следующим образом.
В каталоге на силовые трансформаторы
находится двух или трёхобмоточный трансформатор или автотрансформатор указаний
мощности любого типа со вторичным (или средним для трёхобмоточных) напряжением,
соответствующим напряжению ввода на ГПП. Из каталога выписывается напряжение
короткого замыкания выбранного трансформатора, необходимое для расчёта его
сопротивления. Условно можно считать, что трансформаторы на районной подстанции
работают параллельно.
Пример
1. Определить токи и мощность короткого замыкания для выбора
оборудования и токоведущих частей ГПП. Основные данные для расчёта указаны на
схеме. Мощность к.з. на шинах вторичного напряжения питающей подстанции Sк = 1200 MBA.
Составляем
расчётную схему и схему замещения. Линии и трансформаторы работают раздельно.
а) б)
Рисунок 3 - Расчетная схема а)
и схема замещения б) к примеру 1
Принимаем: Sб=100
МВА; Uб1=115
В; Uб2=6,3
В.
Определяем базисные токи:
Определяем относительные базисные
сопротивления элементов схемы:
Системы
,
Линии
,
Трансформатора
Определяем результирующее
сопротивление:
хрез. к=хс*=0,08
хрез. к= хс*+хл*=0,08+0,03=0,11
хрез. к=хрез. к +хтр*=0,11+0,66=0,77
Определяем токи и мощность короткого
замыкания для точки К:
;
Iук1=2,55∙п1=2,55∙6,25=15,9
кА;
Sк1=
∙Uб1∙Iп1 =
∙115∙6,25=1200
МВА
Определяем токи и мощность короткого
замыкания для точки К1:
;
Iук1 = 2,55∙Iп1 =2,55∙4,5=11,5
кА;
Sк1=
∙Uб1∙Iп1 =3∙115∙4,5=900
МВА.
Определяем токи и мощность короткого
замыкания для точки К2:
;
Iук2= 2,55∙Iп2 =2,55∙12,0=30,5
А;
Sк2=
∙Uб2∙Iп2=
∙6,3∙12=131
МВА
Данные расчетов заносим в таблицу 7.
Таблица 7 Сводная таблица расчетов токов
короткого замыкания
|
Расчетная
точка
|
хрез*
|
Iп = , кАIу, кАSк , МВА
|
|
|
|
К
|
0,08
|
6,25
|
15,9
|
1200
|
|
К
1
|
0,11
|
4,5
|
11,5
|
900
|
|
К
2
|
0,77
|
12,0
|
30,5
|
131
|
Пример 2.
Определить результирующие сопротивления цепи короткого замыкания до точек К1
и К2. ГПП. Основные данные для расчета указаны на схеме. Напряжение
ввода на ГПП Uном.1
= 110 кВ.
Составляем расчетную схему и схему замещения
(рисунок 4).
а) б)
Рисунок 4 - Расчетная схема а)
и схема замещения б) к примеру 2
Принимаем: Sб
=
100 МВА; Uб1
=115 кВ; Uб2
=10,5 кВ
Определяем базисные токи:
Примечание: линии и трансформаторы
ГПП работают раздельно.
Определяем относительные базисные
сопротивления элементов схемы:
Системы хс=0
Линии
,
Трансформатора
Определяем результирующие
сопротивления:
Определяем токи и мощность короткого
замыкания для точки К1
;
Iук1 = 2,55∙Iп1 = 2,55∙16,7=42,5
кА;
Sк1=
∙Uб1∙Iп1 =3∙115∙16,7=5667
МВА.
Определяем токи и мощность короткого
замыкания для точки К2:
;
Iук2= 2,55∙Iп2 =2,55∙12,2=31,2
А;
Sк2=
∙Uб2∙Iп2=
∙10,5∙12,2=221,6
МВА
Данные расчетов заносим в таблицу 8.
Таблица 8 Сводная таблица расчетов
токов короткого замыкания
|
Расчетная
точкахрез*Iп = , кАIу, кАSк , МВА
|
|
|
|
|
|
К1
|
0,03
|
16,7
|
42,5
|
5667
|
|
К2
|
0,45
|
12,2
|
31,2
|
221,6
|
8. Расчет и выбор питающих линий
Внешнее электроснабжение обычно
осуществляется воздушными линиями электропередачи. Следует решить допрос о
материале токоведущих частей и их сечений. Рекомендуется применять алюминиевые
или сталеалюминевые провода Сечение воздушной линии должно выбираться с учетом
следующих условий:: нагрев длительным током, потери на корону,
технико-экономические показатели, падение напряжения.
Рекомендуется
следующий порядок выбора сечения. Определяют сечение по экономической плотности
тока, проверяют его по условию нагрева в длительном режиме, по условию
минимальных потерь на корону и на потерю напряжения. Поскольку, проект учебный,
при расчете сети на падение напряжения допускается проверить линию только на
продольную составляющую потерь напряжения.
При выборе сечения
по экономической плотности тока при наличии двух линии работающих в неявном
резерве. расчет ведется по току нормального режима. При расчете линии по
техническим условиям сечение должно удовлетворять условию послеаварийного
режима.
Пример
1. Выбрать сечение проводов двух воздушных линий, питающих
двухтрансформаторную ГПП: Smax=17 МВА;Uном=35 кВ; Тmax=6000 ч; cosφ=0,8;l=2 км; ΔUдоп=5%. Резерв линии и
трансформаторов неявный. Нагрузка первой категории.
Выбираем провод
марки АС. Определяем ток линии в нормальном режиме при максимальной нагрузке:
Определяем экономически
наивыгоднейшее сечение
Выбираем провод Ас-120. Условию
нагрева длительным током провод АC-120 удовлетворяет, т.к. Iдоп=380 А> 2∙140=280
А
Условию максимальных потерь на
корону провод АC-120 также удовлетворяет, т.к. при
напряжении 35кВ минимальное сечение проводов марки АС составляет 35 мм2
<120 мм2.
Определяем потерю напряжения:
где
х0=0,4 Ом/км - для
воздушных ЛЭП напряжением выше 1 кВ.
Выбранное сечение условию
удовлетворяет,
т.к. ΔUрасч = 1,3%, а ΔUдоп = 5%, даже
при аварийном режиме, по которому велся расчет. Расчет на потерю напряжения
допускается вести по рабочему режиму.
В установках напряжением 110 кВ и
выше расчет следует вести с учетом поперечной составляющей падения напряжения.
Пример 2. Определить
падение напряжения в воздушной линии выполненной проводом АС-150. Нагрузка
линии Р=25 МВт; Qmax=18 Мвар; Uном=110 кВ; х0=0,4 Ом/км;r0=0,21
Ом/км; l=5км.
Определяем продольную составляющую
падения напряжения:
Где
- активное сопротивление линии, Ом;
- индуктивное сопротивление линии,
Ом.
Определяем поперечную составляющую
падения напряжения:
Определяем падение напряжения:
,
что составляет
, что
допустимо.
9. Определение местоположения ГПП. Определение числа и мощности
трансформаторных подстанций
Определение места установки ГПП
является одним из главных задач при проектировании электроснабжения
предприятия, так как от выбора места зависит удаленность источника от
потребителей. При неправильном выборе места положения ГПП увеличивается
количество потраченного кабеля и затрат на него, а также размеры потерь
электроэнергии в проводах, при передаче на пониженном напряжении.
Для того чтобы правильно выбрать
место положения ГПП, находят точку ЦЭН (центр электрических нагрузок). Для
начала генеральный план предприятия переносится на миллиметровку с соблюдением
масштаба.
Для определения точки цен
предприятия необходимо определить центры электрических нагрузок каждого цеха. В
том случае, если это невозможно по заданию, то ЦЭН цеха определяется как
геометрический центр здания цеха на миллиметровой бумаге.
Далее определяются координаты х и у
каждого центра здания (по выполненному генплану на миллиметровке) и заносятся в
таблицу 9. Графа Мощность цеха заполняется из задания (если указано мощность на
6(10)кВ и на 0,4кВ, то их необходимо просуммировать).
Таблица 9 Данные координат и
радиусов нагрузок предприятия
|
№ цеха
|
Мощность цеха Рц, кВт
|
Координата Х, см
|
Координата У, см
|
Радиус нагрузок R,
м
|
Радиус нагрузок R’,
см
|
|
1
|
|
|
|
|
|
|
2
|
|
|
|
|
|
|
….
|
|
|
|
|
|
|
n
|
|
|
|
|
|
Координаты точки ЦЭН х0 и у0
находятся по следующим формулам:
,
В результате необходимо найти точку
с координатами (х0; у0) на миллиметровке и обозначить ее
ЦЭН. Размеры ГПП вместе с защитной зоной составляют примерно 60х60 м. Чтобы
определить можно ли установить ГПП рядом или некотором отдалении от точки ЦЕН,
необходимо определить масштаб миллиметровки. Масштаб генплана определяется по
следующей формуле:
где мреальное - реальный
размер здания цеха (задано), м;
мплана - размер этого же
здания на миллиметровке, см.
После выполненных расчетов
определяют местоположение ГПП на плане с учетом подвода питания от системы и
возможности установки ГПП в рассчитанной точке или вблизи от нее. Если это не
возможно, то ГПП устанавливается вне зоны предприятия и непосредственно в
стороне подвода питания от системы.
Для более рационального размещения
трансформаторных подстанций по заводу необходимо на миллиметровке изобразить их
мощность пропорционально.
Для определения числа и мощности
трансформаторов ТП и количества самих ТП необходимо учитывать, что в некоторых
цехах установлено высоковольтное оборудование, которое требует
непосредственного ввода 6(10) кВ, а некоторые цеха требую небольшой мощности и
могут быть запитаны посредством распределительных устройств 0,4 кВ. Исходя из
этого на миллиметровке в каждом цехе указывается устанавливаемое устройство
(либо ТП, либо РУ) и показываются соответствующие связи (начиная от ГПП).
После определения числа ТП на вашем
предприятии, необходимо рассчитать и выбрать трансформаторы для ТП. Для этого
необходимо определить мощность ТП. С помощью таблицы 1 курсового проекта
подсчитывается потребляемая мощность, исходя из которой принимая коэффициент
загрузки трансформаторов ТП равным 1, определяют расчетную мощность
трансформаторов ТП. После этого по справочникам производят выбор
трансформаторов.
10.
Выбор электрооборудования подстанции
10.1 Расчетные условия для проверки аппаратуры и токоведущих
частей по режиму короткого замыкания
Расчетные условия (ток короткого
замыкания и длительность его протекания) должны быть определены с достаточной
точностью и с учетом реальных условий, в которых работает данная цепь.
Расчетные условия могут изменяться и в пределах одного присоединения в
зависимости от положения точки короткого замыкания. Особенно это заметно в
случае редактированной линии. Токи КЗ будут значительно отличаться в
зависимости от того, произошло повреждение до реактора или после него. Такое
различие расчетных условии в пределах одной электроустановки может осложнить их
определение, выбор и проверку оборудования. Для сокращения объема
вычислительной работы обычно используют тот факт, что в электроустановках
существуют группы цепей, которые в отношении режима КЗ находятся примерно
одинаковых условиях. Это обстоятельств позволяет разбить всю систему
электроустановки на зоны, в которых устанавливаются те или иные общие расчетные
условия.
Рисунок 5 - Расчетные зоны для типовой схемы ГПП
с двумя трансформаторами, питающимися от энергосистемы
На рисунке 5
приведена типовая схема ГПП с двумя трансформаторами, питающимися от
энергосистемы. Здесь можно Выделить три расчетные зоны:
I зона - для цепей высокого напряжения. Действительное время
протекания токов короткого замыкания по аппаратам при замыкании в точке К1
будет складываться из времени срабатывания основной защиты, установленной на
отключение выключателя энергосистемы Q1 и собственного времени отключения выключателя.
tд = tp.з. + tотк.в
При этом можно
принять tр.з=0,1 с. С учетом
действительных характеристик выключателей получим что действительное время
протекания КЗ (время отключения К3) находится в пределах 0,16…0,2с.
II зона - для цепей низкого напряжения. Время отключения для зоны II нужно уточнять по
данным tp.з. защит, установленных в
цепях НН подстанции. Здесь можно исходить из следующих соображений: для защиты
блока кабельная линия - цеховой трансформатор применяется токовая отсечка и МТЗ
с выдержкой времени. Поэтому целесообразно взять за время tp.з. выдержку времени МТЗ, которая на ступень селективности rt = 0,4...0,7 с больше выдержки времени предыдущей защиты, т.е.
защиты, установленной на стороне 0,4 кВ цехового трансформатора. А учитывая,
что со стороны низкого напряжения цеховой подстанции устанавливаются
автоматические выключатели или предохранители, время срабатывания которых
практически равно нулю, то действительное время протекания тока КЗ, при КЗ в
точке К3 (tp.з..+tотк.в= 0,5+0,1=0,6 с). При коротком замыкании на сборных шинах НН
(точка K2) выключатель Q5 отключится под действием МТЗ трансформатора ГПП, выдержка
времени которой tpз2= =tp.з1 + rt = 0,5+0,5=1 с. т.е. tд = 1,1. Не трудно заметить, что величина тока КЗ в точке К2 равна
току КЗ в точке К3.
Если на стороне
низкого напряжения ГПП применяются линейные или групповые реакторы, то в схеме
подстанции могут появиться расчетные зоны III. При этом величина тока
КЗ после реактора будет значительно меньше, чем В точке К2.
10.2 Расчетные условия
для выбора проводников и аппаратов по продолжительным режимам работы
Продолжительный
режим работы электротехнического устройства - это режим, продолжающийся не
менее, чем необходимо для достижения установившейся температуры его частей
неизменной температуре окружающей среды.
Продолжительный
режим работы электротехнического устройства имеет место, когда энергосистема
или электроустановка находится в одном из следующих режимов: нормальном, ремонтном,
послеаварийном. Нормальный режим - это такой режим работы электротехнического
устройства, при котором значения его параметров не выходят за пределы,
допустимые при заданных условиях эксплуатации. В нормальном режиме
функционируют все элементы данной электроустановки без вынужденных отключений и
без перегрузок. Ток нагрузки в этом режиме может меняться в зависимости от
графика нагрузки. Для выбора аппаратов и токоведущих частей следует принимать
наибольший ток нормального режима Iнорм.
Ремонтный режим -
это режим плановых профилактических и капитальных ремонтов В ремонтном режиме
часть элементов электроустановки отключена, поэтому на оставшиеся в работе
элементы ложится повышенная нагрузка. При выборе аппаратов и токоведущих частей
необходимо учитывать это повышение нагрузки до Iрем.
Послеаварийный
режим - это режим, в котором часть элементов электроустановки дышла из строя
или выведена в ремонт вследствие аварийного (непланового) отключения. При этом
режиме возможно перегрузка оставшихся в работе элементов электроустановки током
I.
Из двух последних
режимов выбирают наиболее тяжелый, когда в рассматриваемом элементе
электроустановки проходит наибольший ток I.
Таким образом,
расчетными токами продолжительного режима являются: Iнорм - наибольший ток нормального режима, Imax -наибольший ток
ремонтного или послеаварийного режима
Рассмотрим
некоторые конкретные случаи определения расчетных токов, применительно к
проектируемой подстанции.
Цепь
двухобмоточного трансформатора на подстанции
При определении
расчетного тока необходимо исходить из того, что при выходе из строя одного из
трансформаторов. оставшийся в работе может перегружаться сверх номинального
тока до 40% общей продолжительностью не более 6 часов в сутки в течение пяти
суток подряд при условии, что коэффициент начальной загрузки не превышает 0,93
(при этом должны быть использованы полностью все устройства охлаждения
трансформатора. Учитывая это наибольший ток послеаварийного режиму
.
Цепь секционного
выключателя, сборные шины
Обычно ток, проходящий
по сборным шинам и секционному выключателю, ток не превышает Imax самого мощного трансформатора,
присоединенного к этим шинам.
Цепь
линии
Если линия
одиночная, радиальная, то Iнорм определяется по
набольшей нагрузке линии. Для двух параллельно работающих линий
где Sнагр - наибольшая мощность потребителей, присоединенных к линии.
Ниже приведены условия
выбора основного оборудования распределительного устройства 6-10кВ сборных шин,
выключателей вводов и секционного выключателя, трансформаторов тощ изоляторов,
трансформаторов напряжения. Выбор оборудования на стороне высокого напряжения
ГПП (выключателей, разъединителей) производится по условиям, аналогичным выбору
оборудования на стороне низкого напряжения, поэтому данный допрос в
методический указаниях не рассматривается.
Рисунок 6 - Схема распределительного
устройства 6-10 кВ (РУ 6-10 кВ)
10.3 Выбор сборных шин
Выбор сечения
сборных шин производится по нагреву (по допустимости току):
Imax ≤ Iдоп
где Imax - расчетный ток, определяемый по
формуле ,
, А;
Iдоп
- допустимый ток шин выбранного сечения, А .
Проверка шин на
термическую стойкость при коротких замыканиях производится по условию:
qmin ≤ q
где qmin - минимальное сечение шин по
термической стойкости, мм2;
q
- выбранное сечение шины, мм2.
где
- тепловой импульс, кА2∙с;
С - функци;
I∞ -
установившийся ток короткого замыкания на сборных шинах (в точке К2),
кА;
tп -
приведенное время протекания тока короткого замыкания, с.
Приведенное время - время, в течение
которого установившийся ток КЗ I∞ выделяет то
же количество теплоты, что и изменяющийся во времени ток КЗ за действительное
время tд.
Рекомендации по определению действительного времени были приведены выше.
Приведенное время определяется
составляющими времени периодической и апериодичекой составляющихся тока КЗ:
tп= tпп+ tпа.
Величину tпп при
действительном времени tд.>5 с
находят по кривым зависимости
tпп=f(
11; tд), где
Если ЭДС источника неизменна
(например, при питании от системы неограниченной мощности), то I11=I∞=Iк.
Приведенное время апериодической
составляющей:
tпа.=0,05•β11 2.
При действительном времени tд.<1 с
величину tпа не
учитывают.
Механический расчет однополосных
сборных шин
Наибольшее удельное усилие на
среднюю фазу при трехфазном КЗ:
Н/м.
где Кф - коэффициент
формы шин; Кф=1, если расстояние между фазами больше периметра шин,
т.е. а>2(b+h),
а - расстояние между фазами
(минимальное расстояние между токоведущими частями указано в ПУЭ);
b - толщина
шины;
h - ширина
шины.
Равномерно распределенная сила
создает изгибающийся момент, Н•м (шина рассматривается как многопролетная
балка, свободно лежащая на опорах):
где l - длина пролета между опорными изоляторами шинной конструкции, м.
Напряжение в материале
шины, возникающее при воздействии изгибающего момента, МПа:
где W - момент сопротивления шины относительно оси, перпендикулярной
действию усилия, см3 при положении шин плашмя:
Рисунок7 - Схема расположения
шинопроводов
при расположении на ребро:
Рисунок 8 - Схема расположения шинопроводов
Шины будут механически
прочны, если
где σдоп
- допустимое механическое напряжение в материале шин . В электроустановках
широко применяют шины прессованные из алюминиевого сплава, закаленные и
естественно состаренные (марка АД 31Т) или закаленные и искусственно
состаренные (марка АД31Т1).
10.4 Выбор выключателей
Выключатели выбирают по номинальному
току, номинальному напряжению, типу, роду установки и проверяют по
электродинамической, термической стойкости и отключающей способности в режиме
КЗ.
Выбор по номинальному току Iном.а сводится к выбору выключателя, у которого номинальный ток
является ближайшим к расчетному току установки Imax, т.е. должно быть
соблюдено условие
Iном.а≥ Imax,
Выбор выключателей по напряжению
сводится к сравнению номинального напряжения установки и номинального
напряжения выключателя.
Uном.а≥Umax
Выбор выключателя по типу сводится к
выбору типа выключателя, который соответствует условиям и целесообразен для
применения.
Выбор выключателя по роду установки
сводится к выбору установки на открытом воздухе или в помещении (в зависимости
от конструктивного решения подстанции).
Проверка по отключающей способности
сводится к проверке того, чтобы расчетная мощность отключения была бы меньше
отключающей мощности выключателя.
Iном.откл≥ Iк,; Sном.откл≥ Sк,,
где Iк, и Sк, - соответственно
расчетные значения тока и мощности, трехфазного КЗ в момент отключения, кА и
МВА.
Проверка по электродинамической
стойкости к токам КЗ:
iном.дин≥ iУ
где iУ - ударный расчетный ток КЗ, кА.
Проверка по термической стойкости к
токам КЗ:
I2т•tт≥ Вк,
где Iт и tт - соответственно ток и
время термической стойкости по каталогу, кА2•с.
Вк=I2∞•tп - тепловой импульс от расчетного тока КЗ (данные смотри в выборе
сборных шин).
10.5 Выбор разъединителей
Выбор и проверку разъединителей
производят аналогично выбору выключателей без учета тока и мощности отключения.
10.6 Выбор изоляторов
Опорные изоляторы
выбирают и проверяют на разрушающее воздействие от ударного тока короткого
замыкания.
Проходные изоляторы
выбирают и проверяют на электродинамическое и термическое воздействие тока КЗ.
Проверке на термическое воздействие тока КЗ подвергают токоведущий стержень
изолятора. При выборе и проверке изоляторов следует учитывать способ установки
шины на головке изолятора.
При установке шины
плашмя допустимые усилия на изоляторы
Fдon = 0,6 Fраз
где 0,6 -
коэффициент запаса;
Fраз - разрушающее усилие на
головку изолятора по каталогу.
При установке шины
на ребро:
F’дon = кh Fдоп,
где кh - коэффициент снижения
нагрузки.
Условия выбора
изоляторов:
по напряжению:
Uном.а≥Uном.У;
по номинальному
току:
Iном.а≥ Imax,
по
электродинамической стойкости:
Fдon ≥ Fр
где
смотри
расчет сборных шин.
по термической стойкости
(для проходных изоляторов):
Iном.т≥ I∞.
10.7 Выбор
трансформаторов тока
Трансформаторы тока
выбирают:
1 По расчетному первичному
максимальному току
Iном.1 ≥ Imax,;
По напряжению.
Uном.≥Uуст;
По конструкции и
классу точности;
Трансформаторы тока
проверяют:
По динамической
стойкости
iдин=
≥
iУ,
где кд -
кратность электродинамической стойкости по каталогу;
Iном1
- номинальный первичный ток трансформатора тока;
IУ
- расчетный ударный ток;
Iдин
- ток электродинамической стойкости по каталогу.
По термической стойкости
I2т∙tт= (кт∙Iном1)2tт ≥ Вк,
где Iт и tт
- соответственно ток и время термической стойкости по каталогу, кА2•с.
Вк=I2∞•tп
- тепловой импульс от расчетного тока КЗ (данные смотри в выборе сборных шин).
Кт -
кратность термической стойкости по каталогу;
По вторичной нагрузке
z2ном.≥z2.
где z2ном - номинальная допустимая нагрузка трансформатора тока в выбранном
классе точности, Ом;
z2
- вторичная нагрузка трансформатора тока, Ом.
Вторичная нагрузка
состоит из сопротивления приборов, соединительных проводов и переходного
сопротивления контактов. Так как индуктивное сопротивление токовых цепей не
велико, то
z2=
r2= rприб
+ rпр + rк.
При выполнении курсового проекта
необходимо выбрать трансформатор тока и измерительные приборы, устанавливаемые
на стороне низкого напряжения трансформатора ГПП. Количество приборов и их
наименование можно определить Технические данные приборов и в других
справочниках. На рисунке 9 приведена примерная схема подключения приборов к
трансформатору тока.
Рисунок 9 - Схема
подключения приборов
Сопротивление
приборов определяется по формуле
где Sприб - мощность потребляемая приборами, ВА;
I2ном
- вторичный номинальный ток трансформатора тока 5А.
Сопротивление контактов rк. принимается равным 0,05 Ом при двух-трех приборах и 0,1 Ом при
большем числе приборов.
Сопротивление
соединительных проводов зависит от их длины и сечения. Чтобы трансформатор тока
работал в выбранном классе точности необходимо выдержать условие
rприб
+ rпр + rк.≤
z2ном
откуда rпр= z2ном-
rприб- rк.
Определив rпр, можно определить сечение соединительных проводов
где ρ
- удельное сопротивление материала провода. Для проводов с медными
жилами ρ=0,0175 Ом•мм2/м, для проводов сч
алюминиевыми жилами ρ=0,0283 Ом•мм2/м;
lрасч
-расчетная длина, зависящая от схемы соединения трансформатора
тока [13, рисунок 4.106].
10.8 Выбор
трансформаторов напряжения
Трансформаторы
напряжения выбирают:
1 по
напряжению установки
Uном = Uуст
2 по
конструкции и схеме соединения обмоток;
3 по классу
точности;
по
вторичной нагрузке
Sном ≥ S2S,
где S2S - нагрузка всех
измерительных приборов и реле, присоединенных к трансформатору напряжения, ВА,
Sном - номинальная мощность
трансформатора напряжения о выбранном классе точности по каталоги, В А.
Для упрощения
расчетов нагрузку приборов можно не разделять по фазам, тогда
Если вторичная нагрузка
превышает номинальную мощность о выбранном классе точности, то устанавливают
второй трансформатор напряжения и часть приборов присоединяют к нему.
11. Релейная защита
трансформаторов ГПП
Релейная защита
трансформаторов должна обеспечивать отключение силового трансформатора при
междуфазных и витковых замыканиях, понижении уровня масла, однофазных
замыканиях на землю или подобать сигнал о ненормальном режиме работы
трансформатора (перегрузке, повышении температуры масла и т.д.).
Виды защит,
устанавливаемых на трансформаторе, определяются его мощностью, назначением,
местом установки и другими требованиями предъявляемыми к режиму эксплуатации, и
указываются в [11, 12].
Пример. Выбрать и рассчитать защиту трансформатора ГПП 110/10 кВ
мощностью 10 MBA. Ток трехфазного короткого замыкания на стороне низкого
напряжения Iк1 = 4,33 кА.
Трансформатор с устройством РПН (встроенное регулирование напряжения под
нагрузкой) в пределах 16% от номинального. Согласно ПУЭ для защиты
трансформатора применяем продольную дифференциальную, максимальную токовую,
газовую и защиту от перегрузки.
11.1 Расчет
дифференциальной защиты
Первичные токи на
сторонах высшего и низшего напряжений защищаемого трансформатора,
соответствующие его номинальной мощности.
Коэффициенты
трансформаторов тока учитывая, что для компенсации сдвига токов по фазе,
трансформаторы тока со стороны обмотки высшего напряжения силового трансформатора,
соединенной в «звезду» должны быть соединены в «треугольник», а со стороны
обмотки низкого напряжения, соединенной в «треугольник» - в «звезду».
где I1в и I2в - номинальные вторичные
токи трансформаторов тока.
По каталогу выбираем трансформаторы
тока со стандартными коэффициентами трансформации кI1=30 и кI2=200.
Действительные вторичные токи в
плечах защиты:
Плечо с большим вторичным током
является основным.
Рисунок 10 - Схема включения реле
РНТ-565
Первичный расчетный ток небаланса
без учета I111нб. расч при рассматриваемом внешнем КЗ в точке К1.
где кодн=0,5…1
- коэффициент однотипности трансформаторов тока;
,1 - относительное
значение полной погрешности трансформаторов тока (принимается по кривым
предельных кратностей при 10% погрешности);
- ток внешнего КЗ, приведенного к
стороне высокого напряжения, где
.
Определяем
предварительно ток защиты, исходя из двух условий:
а) по условию отстройки
от максимального тока небаланса
Iсз≥котс∙Iнб расч=1,3∙102,4=133,1 А,
где котс -
коэффициент отстройки, учитывающий погрешности реле, ошибки расчета и
необходимый запас (принимается равным 1,3).
б) по условию отстройки
от броска намагничивающего тока
Iсз≥котс∙Iнб расч=1,3∙52,5=68,3 А,
Расчетной для выбора так
срабатывания является отстройка от тока небаланса при внешнем КЗ
Производим предварительную проверку
чувствительности защиты. В рассматриваемом примере расчетным по условию
чувствительности является КЗ между двумя фазами на стороне 10 кВ.
Минимальный ток двухфазного КЗ
приведенный к стороне 10 кВ:
Примечание: В действительности за
минимальный ток КЗ принимают ток двухфазного КЗ в минимальном режиме питающей
системы и при максимальном сопротивлении питающего трансформатора (в примере
таких данных нет).
Коэффициент чувствительности:
Т.к. кч≥1,5
требуемого по ПУЭ, то расчет защиты можно продолжить.
Ток срабатывания реле на основной
стороне (за которую принята сторона основного питания)
Число витков обмотки НТТ реле
основной стороны:
Где Fср - МДС,
необходимая для срабатывания реле, А; для реле РНТ-565 равна (100±5) А.
Предварительно примем
Число витков обмотки НТТ реле для
неосновной стороны:
Предварительно принимаем
Составляющая первичного тока
небаланса, обусловленная округлением расчетного числа витков неосновной стороны
для расчетного случая повреждения:
Первичный расчетный ток небаланса с
учетом составляющей IIIIнб.расч:
Ток срабатывания защиты на основной
стороне:
Окончательное значение коэффициента
отстройки защиты:
Коэффициент чувствительности для
тока срабатывания защиты, соответствующего окончательно принятому в режиме, при
котором производилась предварительная проверка чувствительности:
Защита может быть использована для
защиты трансформатора. Окончательно принятое число витков обмотки НТТ реле
установки на основной и неосновной сторонах:
ωосн=ωI ур=12 витков; ωI=ωII ур=13 витков.
Установка чисел витков уравнительных
обмоток указана на схеме реле зачерненными точками.
11.2
Расчет максимальной токовой защиты
Данная защита служит для защиты трансформатора
от внешних КЗ (за пределами зоны, защищаемой дифференциальной защитой).
Предполагаем выполнение защиты на реле типа
РТ-40, устанавливаемых на стороне низкого напряжения защищаемого
трансформатора.
Ток срабатывания защиты:
Вторичный ток срабатывания реле:
где ксх=1 - коэффициент
учитывающий схему соединения вторичных обмоток трансформаторов тока на стороне
низкого напряжения защищаемого трансформатора (неполная звезда).
Чувствительность защиты:
Примечание: при выполнении данной
защиты функций резервирования смежного участка (например, отходящей линии),
коэффициент чувствительности должен быть не менее 1,2 при КЗ в конце зоны
защиты резервирования (например, при КЗ в конце линии).
Выдержка времени защиты выбирается
на ступень селективности (Δt=0,5..0,7 с) больше предыдущей
максимальной токовой защиты.
11.3
Защита от перегрузки
Ток срабатывания защиты:
где котс - коэффициент
отстройки принимаем равным 1,05
кв - коэффициент возврата
реле.
Ток срабатывания реле
Защиту от
перегрузки выполняем но реле типа РТ-40 включенного в одно из плеч максимальной
токовой защиты от внешних К.З.
Выдержку бремени
защиты от перегрузки принимают на ступень селективности дольше максимальной
токовой защиты. Защита выполняется с действием на сигнал.
11.4 Газовая защита
Согласно ПУЗ
п.32531 газовая защита от повреждений внутри кожуха сопровождающихся выделением
газа и от понижения уровня масла должна быть предусмотрена
·
для трансформаторов мощностью 63 MB А и более,
·
для внутрицеховых понижающих трансформаторов мощностью 630 кВА и
более.
Газовую защиту
можно устанавливать так же на трансформаторах мощностью 1-4 МВА
Газовая защита
должна действовать на сигнал при слабом газообразовании и на отключение при
интенсивном газообразовании и дальнейшем понижении уровня масла.
Защиту выполняем
газовым реле с чашкообразными элементами типа РГЧЗ-66.
11.5 Защита от перенапряжений
Различают два вида перенапряжений в
электрических установках: внутренние и атмосферные.
Внутренние перенапряжения возникают в результате
коммутаций, как нормальных (включение и отключение ненагруженных линий,
отключение ненагруженных трансорфматоров и реакторов), так и послеаварийных
(дуговые замыкания на землю в системах с изолированной нейтралью, отключения
КЗ, АПВ).
Атмосферные перенапряжения возникают в
результате разрядов молнии в электроустановку или вблизи нее. Время воздействия
атмосферных перенапряжений составляет от единиц до сотен миллионов долей
секунды. Значение этих перенапряжений при отсутствии специальных мер защиты
может достигать миллионов вольт.
Для защиты электроустановок от внутренних
перенапряжений можно использовать:
- схемные решения и средства ограничения
установившихся перенапряжений;
- средства и способы защиты от перенапряжений
переходного режима.
В первом случае предусматривают:
понижение коэффициента трансформации;
ограничение минимального количества работающих
генераторов и их ЭДС;
использование шунтирующих реакторов;
применение схем без выключателей на стороне
высшего напряжения.
Во втором случае используют:
коммутационные ограничители перенапряжений типа
ОПН;
выключатели, предотвращающие возникновение
перенапряжений;
устройства, управляющие моментом коммутации.
Защиту от перенапряжений при отключении
ненагруженных трансформаторов осуществляют ограничителями перенапряжений.
Ограничение перенапряжений при отключении
ненагруженных линий не может быть возложено на ограничители перенапряжений, так
как они должны находится на линии и должны быть рассчитаны на отвод энергии,
значительно большей, чем энергия, обусловленная атмосферными перенапряжениями.
В данном случае применяют выключатели с шунтирующими резисторами.
Волны перенапряжений, возникающие на линиях при
ударах молнии, доходят до подстанций (набегающие волны) и могут представлять
опасность для изоляции установленного там оборудования.
Основным аппаратом защиты от набегающих волн
является ограничитель перенапряжений.
Линии напряжением 35 кВ и выше, защищенные
тросами по всей длине, специальной защиты не требуют. Если линия не имеет троса
по всей длине, то ее защищают тросом на подходе к подстанции. Длину подхода
принимают равной 1-2 км при напряжении 35 кВ и 1-3 км при напряжениях 110-220
кВ. Трос на каждой опоре заземляют.
Для ограничения токов однофазного КЗ нейтрали
некоторых трансформаторов 110 кВ могут быть разземлены. При воздействии волн
атмосферных перенапряжений на линейные вводы трансформаторов на нейтрали могут
развиться колебания, приводящие к значительному повышению напряжений над
уровнем изоляции нейтрали. Для ограничения этих перенапряжений в нейтраль
трансформатора включают ограничитель перенапряжений с номинальным напряжением
на класс ниже, чем класс изоляции основной обмотки трансформатора.
12. Расчёт заземляющего
устройства ГПП
Защитное заземление
- заземление частей электроустановки с целью обеспечения электрической
безопасности. Рабочее заземление - заземление какой-либо точки токоведущих
частей электроустановки, необходимое для обеспечения работы электроустановки.
Пример. Периметр ГПП равен 240 метров. (П=240м)
Нейтраль
трансформатора заземлена глухо, распредустройство 6кВ изолированно. Грунт в
месте распредустройства имеет удельное сопротивление
В качестве естественных
заземлителей можно использовать металлические оболочки кабелей , сопротивлением
Ом
, а так же заземлённый трос сопротивлением
Ом. Так как
сопротивление заземляющего устройства для сетей выше 1кВ должно быть меньше или
равно 0,5 Ом , то для начала определяем сопротивление естественных
заземлителей.
Далее определяем
сопротивление искусственных заземлителей:
- требуемое по ПУЭ
сопротивление потребителя
В качестве заземлителей
принимаем уголки , длинной 5м.
Сопротивление одного
уголка:
Требуемое число
электродов данного вида определяем по формуле:
Принимаем размещение по
контуру ГПП заземлителей , причём отношение расстояния между ними к их длине ,
принимаем равным 1, а
.
Количество трубчатых
заземлителей выбираем условно , примерно 100 штук.
Перерассчитываем
расстояние между прутками:
Рисунок 11 -
Защитное заземление подстанции
Список используемой
литературы
1 Правила
устройства электроустановок. М., Энергоатомиздат, 1985.
2 Справочник
по электроснабжению и электрооборудованию. Под общей редакцией А.А.
Федорова,Том1. Электроснабжением, Энергоатомиздат, 1986
3 Справочник
по электроснабжению и электрооборудованию. Под общей редакцией А.А. Федорова
Том2. Электрооборудование М, Энергоатомиздат, 1987
Справочник
по электроснабжению промышленных предприятий. Промышленные электрические сети.
Под общей редакцией А.А. Федорова и Г.В. Сербиновского, М.,
"Энергия", 1980
5 Справочник
по электроснабжению промышленных предприятий. Электрооборудование и
автоматизация. Под общей редакцией АА Федорова и Г.В. Сербиновскаго, М.,
"Энергия', 1980
6 Справочник
по электроснабжению промышленных предприятий. Под общей редакцией А.А. Федорова
и Г.В. Сербиновского, Книга первая. Проектно-расчетные сведения. М,
"Энергия", 1973
Справочник
по электроснабжению промышленных предприятий. Под общей редакцией А.А. Федорова
и Г.В. Сербиновского, Книга вторая. Технические сведения об оборудовании. М.,
"Энергия", 1973
8 Липким
Б.Ю. Электроснабжение промышленных предприятий и установок, М., "Высшая
школа". 1981
9 Релейная
защита понижающих трансформаторов и автотрансформаторов 10-500кВ. Расчеты.
Руководящие указания по релейной защите. М., Энергоатомиздат 1985.
10 Релейная
защита понижающих трансформаторов и автотрансформаторов 10-500кВ. Схемы.
Руководящие указания по релейной защите. М., Знергоатомиздат, 1985.
11 Чернобров
Н.Б. Релейная защита. М., 'Энергия", 1974
Шобад
Н.А. Расчеты релейной защиты и автоматики распределительных сетей. Энергоатомиздат,
1985
Рожкова
Л.П., Козулин B.C. Электроснабжение станций и подстанций, М., Энергоатомиздат, 1987
Курсовое проектирование
14 Электроснабжение
промышленных предприятий и установок. Коновалова 1989г,
15 Федоров
А.А., Старкова Л.Е. Учебное пособие для курсового и дипломного проектирования,
М., Энергоотомиздат, 1987.