Кран стреловой самоходный железнодорожный
РОСЖЕЛДОР
Сибирский государственный университет
путей сообщения
Кафедра « Механизация путевых,
погрузочно-разгрузочных и строительных работ »
Кран стреловой самоходный
железнодорожный
Курсовой проект по дисциплине
«Грузоподъемные машины»
Пояснительная записка
ГПМ.М411.08.00.00.00 ПЗ
Разработал: студент гр. М-411
Максименко Д.Ю.
г
Содержание
1. Назначение машины, краткое описание ее устройства и
работы. Описание управления машиной и устройств безопасности
. Определение основных параметров машины и рабочего
оборудования. Обоснование выбора прототипа
. Расчет механизма подъема груза
.1 Расчет и выбор кратности полиспаста
.2 Расчет и выбор каната
.3 Определение размеров барабана
.4 Определение потребной мощности. Выбор двигателя
.5 Кинематический расчет механизма
.6 Подбор соединительных муфт
.7 Выбор рабочего оборудования-электромагнита
.8 Проверка двигателя на надежность пуска
.9 Определение тормозного момента. Выбор тормоза
.10 Прочностные расчеты элементов
. Расчет механизма поворота
.1 Определение нагрузок, действующих на опорно-поворотное
устройство (ОПУ), и подбор стандартного круга
.2 Определение сопротивлений вращению круга
.3 Расчет мощности и подбор двигателя
.4 Кинематический расчет механизма
.5 Выбор редуктора, муфты и проверка двигателя на время
разгона
1. Назначение машины, краткое описание ее устройства и работы. Описание
управления машиной и устройств безопасности
Краны железнодорожные предназначены для выполнения комплекса
погрузочно-разгрузочных транспортно-складских и строительно-монтажных работ, а
также работ по электрификации железных дорог колеи 1520 мм без остановки
движения по параллельному пути.
Основными узлами крана является ходовая и поворотная рамы, соединенные
между собой опорно-поворотным устройством с углом поворота 360 градусов и
установленные на две двухосные ходовые тележки. На поворотной раме установлена
телескопическая стрела с грузовой лебедка, позволяющая изменять диапазон
рабочих вылетов, а также механизм поворота, силовая установка, кабина машиниста.
Краны способны выполнять работы, как с выносными опорами, так и без опор.
Характеристики кранов при работе без выносных опор позволяют значительно
повысить экономические показатели работы при выполнении транспортно-складских и
строительно-монтажных работ, связанных с частыми перемещениями по
железнодорожным путям.
Наличие дублирующей силовой установки малой мощности позволяет выполнить
работы по приведению крана в транспортное положение в случае отказа основного
дизеля. Краны оборудованы микропроцессорным ограничителем грузоподъемности,
который позволяет контролировать степень загрузки крана при подъеме груза, и
оснащены прибором фиксации характеристик. Мощная силовая установка и
гидравлическая система тормозов позволяет использовать краны в качестве самостоятельной
тяговой единицы.
Для запуска в условиях низких температур силовая установка оборудована
предпусковым подогревом. Диапазон температуры окружающей среды при эксплуатации
кранов от -40 до +40 градусов.
Пример крана стрелового самоходного железнодорожного приведен на рисунке
1. Рисунок и прототип крана выбраны на сайте ОАО “Кировского машзавода 1 Мая “
:#"802391.files/image001.gif">
Рисунок 1- Кран стреловой самоходный железнодорожный КЖ-472
2. Определение основных параметров машины и рабочего оборудования.
Обоснование выбора прототипа
По заданной грузоподъемности и высоте подъема крюка максимальной выбран
прототип кран железнодорожный КЖ-472. Основные параметры крана приведены в
таблице 1.
Таблица 1 - Основные параметры прототипа КЖ-472
|
Параметр
|
Формула
|
|
Грузоподъемность
максимальная, т
|
2,0
|
|
Высота подъема крюка
максимальная, м
|
5,0
|
|
Вылет стрелы, м
|
10,0
|
|
Скорость подъема-опускания
груза максимальная, м/мин
|
20,0
|
|
Скорость передвижения
рабочая, км/ч
|
10,0
|
|
Габаритные размеры в
транспортном положении, мм: длина высота ширина задний габарит
|
13705 4680 3250 1850
|
|
Масса, т
|
35,0
|
|
Максимальный радиус
прохождения кривых, м
|
60
|
|
Скорость буксирования в
составе поезда, км/час
|
80
|
|
Частота вращения, об/мин
|
1,3
|
|
Грузовой момент
максимальный, кН·м
|
196
|
кран груз редуктор поворотный
3. Расчет механизма подъема груза
.1 Расчет и выбор кратности полиспаста
Кратность полиспаста зависит от грузоподъемности, типа полиспаста и
направления навивки каната на барабан. С увеличением кратности полиспаста
снижается нагрузка на канат. Это приводит к снижению нагрузки на барабан и его
опоры, диаметров каната, блоков, барабана, передаточного числа редуктора и
массы всего механизма. Однако повышение кратности полиспаста приводит к
увеличению потерь энергии на преодоление трения в дополнительных блоках, т.е. к
снижению КПД.
При
грузоподъемности 2т выбрана кратность полиспаста
. Схема
запасовки приведена на рисунке 2.

.2
Расчет и выбор каната
В ГПМ стальные канаты выполняют различные функции, в соответствии с
которыми они выбираются по своим отличительным признакам. Канаты различают по
конструкции, по структуре, по типу сердечника, по направлению свивки элементов
каната, по типу свивки, по маркировочной группе проволоки и т.д. Канат выбирают
по разрывному усилию.
Разрывное
усилие каната в целом
, кН:
, (1)
где
- минимальный коэффициент использования каната (
= 4, т.к. режим работы 4К).
Рабочее
усилие в канате Fk, Н:
(2)
где Q - грузоподъемность крана, кг (Q = 2000 кг);- ускорение свободного
падения, м/с2 (g = 9,81 м/с2);- число ветвей каната,
навиваемых на барабан (N = 1);п - кратность полиспаста (uп
= 2);
hп - к.п.д.
полиспаста:
(3)
где hбл- к.п.д. блока (hбл=0,98).
.
.
Разрывное
усилие:
.
По
ГОСТ 3066-80 выбран канат двойной свивки типа ЛК-О конструкции
6х7(1+6)+1х7(1+6) диаметром 8,2 мм.
Обозначение
каната:
Канат-8,2-Г-I-С-Л-О-Н-1570
ГОСТ 3066.
.3
Определение размеров барабана
Барабан
предназначен для преобразования угловых перемещений вала двигателя в линейное
перемещение гибкого элемента посредством навивки его на цилиндрическую
поверхность барабана. Принят желобчатый барабан однослойной навивки.
Диаметр
барабана, мм:
Dб = dk×( h1 - 1 ), (4)
где h1 - коэффициент выбора диаметра барабана (h1 =
20,0).
Dб = 8,2×(20 - 1)=155,8 мм.
Принят барабан Dб =160мм.
Минимальный диаметр барабана по средней линии навиваемого каната D,мм:
D=Dб+dk (5)
D=160+8,2=168,2мм.
Длина барабана, мм:
Lб = Lр + Lк + Lрб , (6)
где Lр - длина рабочей части барабана, мм:
, (7)
где Н - высота подъема груза, м (Н=5);
t -
шаг навивки каната на барабан, м:
.
м;к-
длина участка, необходимая для закрепления каната на барабане, м:
м;
Lрб- толщина реборды, м:
.б
= 0,213+0,031+0,01=0,254м.
Длина
барабана принята Lб =260мм.
Толщина
стенки барабана:
.
Принята
толщина стенки барабана
.
Проверка
соотношения длины барабана к диаметру :
.
-
условие выполняется.
.4
Определение потребной мощности. Выбор двигателя
Статическая
мощность двигателя
, кВт:
(8)
где
- скорость подъема груза, м/с (
= 0,33м/с);
h - к.п.д. механизма
подъема (h = 0,9);
hп - к.п.д.
полиспаста (hп=0,97)
.
Потребная
мощность двигателя Pдв, кВт:
Pдв=(0,7…0,8) Pст.max , (9)
дв=0,75×7,41=5,56
кВт.
По потребной мощности двигателя выбран электродвигатель с фазным ротором MTF-112-6. При ПВ=25% двигатель имеет
характеристики: дв= 5,8 кВт; n
дв=915 об/мин; Т мах=140 Н·м; I p=0,068 кг·м2.
Номинальный момент двигателя Тн , Н×м:
, (10)
Н×м.
.5
Кинематический расчет механизма
Частота
вращения барабана nб, с-1:
; (11)
с-1.
Общее
передаточное отношение u:
u = nдв /nб , (12)
= 15,25/1,3 = 11,7
Вращающий момент на барабане одноканатном:
, (13)
Н×м.
На
рисунке 3 показана кинематическая схема лебедки механизма подъема груза.

После
выбора компоновки производится выбор редуктора. Выбран редуктор 5Ц2-100 с
номинальным передаточным числом редуктора u =11,7 и крутящим моментом на
тихоходном валу Т=1000 Н×м.
.6
Подбор соединительных муфт
С
помощью муфты соединяется вал двигателя с входным валом редуктора. Муфта на
приводном валу должна иметь тормозной шкив. На ведущий вал для смягчения
ударных нагрузок рекомендуется устанавливать упругие муфты.
Расчетный
момент Тм, Н×м:
Тм = k1×k2×Tcт, (14)
где k1 - коэффициент, учитывающий степень ответственности
элементов или деталей (k1 =1,2);2 - коэффициент,
учитывающий режим работы механизма (k2= 1,1);
Tc - наибольший статический момент на валу муфты, Н×м:
; (15)
Н×м;
Тм
= 1,2×1,1×76,8= 101,4 Н×м.
Для
выбора муфты на быстроходный вал редуктора необходимо определить геометрические
характеристики выбранных двигателя и редуктора.
Необходимые
при выборе муфты геометрические параметры представлены в таблице 2.
Таблица
2 - Геометрические параметры электродвигателя и редуктора
|
Электродвигатель
|
Редуктор
|
|
Длина хвостовика L1, мм
|
Диаметр вала d, мм
|
Быстроходный вал
|
|
|
Диаметр вала d1, мм
|
Длина посадочной части l1,
мм
|
|
80
|
35
|
20
|
50
|
Принимается муфта упругая втулочно-пальцевая с тормозным шкивом. Основные
характеристики выбранной муфты представлены в таблице 3.
Таблица 3 - Основные характеристики выбранной
втулочно-пальцевой муфты
|
Диаметр тормозного шкива
Dт, мм
|
d, мм
|
Ширина тормозного шкива Вт,
мм
|
Длина муфты L, мм
|
Допустимая частота вращения
n, мин-1
|
Номинальный крутящий момент
Мкр, Н×м
|
Масса, кг
|
Расчетный момент инерции
муфты, кг×м2
|
|
Тормозного шкива
|
полумуфты
|
|
|
|
|
|
|
|
200
|
20
|
35
|
95
|
125
|
4000
|
130
|
10
|
0,152
|
Тихоходный вал редуктора соединен с осью барабана втулочной муфтой.
Втулочная муфта выбирается по передаваемому моменту и диаметру соединяемых
валов. Выбрана втулочная муфта 1-280-40-У3 ГОСТ 24246.
Таблица 4 - Основные размеры втулочной муфты
|
Номинальный вращающий
момент, Н×м
|
Размеры, мм, не более
|
|
d
|
D
|
D1
|
r
|
L
|
l
|
C
|
C1
|
b1
|
|
280
|
40
|
60
|
54
|
0,3
|
120
|
25
|
1,6
|
1,6
|
1,2
|
.7 Выбор рабочего оборудования - электромагнита
Электромагниты выбирают, учитывая напряжение, мощность, режим работы, грузоподъемность,
форму груза и его температуру.
Выбран электромагнит типа М - 22Б. Характеристики электромагнит типа М -
22Б приведены в таблице 5.
|
Тип электромагнита
|
Масса, кг
|
Мощность, кВт
|
Размеры, мм
|
|
|
|
D
|
B1
|
B2
|
H1
|
H2
|
|
M-22Б
|
550
|
2,3
|
785
|
100
|
175
|
235
|
785
|
.8 Проверка двигателя на надежность пуска
Выбранный двигатель проверяется на надежность пуска по ускорению подъема
груза:
, (16)
где а - наибольшее допускаемое ускорение механизмов подъема груза (для
кранов, работающих при массовых перегрузочных работах-а=0,6…0,8м/с2);
-
фактическое ускорение поднимающегося груза:
, (17)
где
- угловое ускорение вала двигателя:
, (18)
где Тср.п - среднепусковой момент двигателя:
; (19)
Тст - статический момент сопротивления:
; (20)
-
приведенный к валу двигателя суммарный момент инерции вращающихся и
поступательно двигающихся масс механизма подъема:
, (21)
где
- момент инерции груза:
. (22)
;
;
;
;
;
;
.
.
Условие
выполняется, следовательно, двигатель выбран верно.
.9
Определение тормозного момента. Выбор тормоза
Тормоз
выбирается по диаметру тормозного шкива выбранной втулочно-пальцевой муфты.
Принимается
тормоз колодочный с электромагнитом постоянного тока ТКГ-200, имеющий
наибольший тормозной момент Тт = 250 Н×м.
Тормозной
момент Тт, Н×м:
ТТ = k×Tc, (23)
где k - коэффициент запаса торможения;
Тт = 2×76,8=153,6 Н×м.
Для получения требуемого тормозного момент тормоз необходимо
регулировать.
.10 Прочностные расчеты элементов
Так
как соотношение
, то барабан проверяют только на напряжение сжатия.
Напряжение
сжатия при однослойной навивке:
. (24)
.
Принят
материал барабана 09Г2С с допускаемым напряжением текучести
и допускаемым напряжением для группы режима 4М
.
Эскизная
компоновка узла установки барабана и расчетные схемы его элементов приведены на
рисунке 4.
Принято,
что канат будет находиться над правой ступицей барабана. Значит, что F2=Fk ;
F1=0.
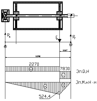
Определим реакции в опорах А и Г:
М(·)Г=0: RA·0,298 - F2·0,067=0;
Н.
М(·)A=0: RГ·0,298 -
F2·(0,398-0,067)=0;
Н.
Рисунок 4 - Эскизная компоновка узла установки барабана и расчетные схемы
его элементов
Ось барабана проверяют по формуле:
, (25)
где
- допускаемое напряжение;
-предел
выносливости материала оси или вала (для 09Г2С
=470МПа).
.
Основные
параметры шарикоподшипников радиальных однорядных приведены в таблице 6.
Таблица
6 - Основные параметры шарикоподшипники радиальных однорядных
|
Обозначение подшипника
|
Внутренний диаметр d,
мм
|
Наружный диаметр D,
мм
|
Ширина В, мм
|
Радиус скругления r,
мм
|
Динамическая
грузоподъемность С, кН
|
Статическая
грузоподъемность Со, кН
|
|
109
|
45
|
75
|
16
|
1,5
|
21,2
|
12,2
|
Расчет крепления каната на барабане заключается в определении числа
болтов:
, (26)
где
- коэффициент запаса надежности крепления каната к
барабану;
d0 - внутренний диаметр резьбы болтов (d0=12 мм);
l - расстояние
от гайки до барабана;
l=1,3…1,5×dк=1,4×8,2=11,48 мм.
f1 - приведенный коэффициент трения между канатом и
прижимной планкой с трапециидальным сечением канавки;
, (27)
где
- угол наклона боковой грани канавки (
);
f - коэффициент
трения между канатом и барабаном (f=0,1):
.
, (28)
МПа.
Fp - суммарное усилие растяжения болтов
, (29)
где
- угол обхвата запасными витками (
).
Н.
.
Принято
Zб=4 М12.
4.
Расчет механизма поворота
Стреловые
самоходные краны выполняются с опорно-поворотным кругом. Механизм вращения
состоит из двигателя, трансмиссии, включающей редуктор, открытую зубчатую
передачу и тормоз.
.1
Определение нагрузок, действующих на опорно-поворотное устройство (ОПУ), и
подбор стандартного круга
Условия
расчета: кран неподвижно стоит на уклоне
,
производится подъем (отрыв) груза или торможение его при опускании. При этом на
поворотную часть крана действуют нагрузки: собственный вес поворотной части,
включая противовес (Gп=11т);
вес груза и грузозахватного устройства с учетом динамического коэффициента
;давление ветра на поворотную часть, стрелу, груз. По
заданию уклон и ветровая нагрузка не заданы, значит они равны 0.
Определение
положения центра тяжести:
; (30)
, (31)
где Gi - вес отдельных элементов поворотной
части (противовеса, стрелы, рабочего органа); х i , у i - координаты центров тяжести
отдельных элементов поворотной части крана. За начало координат принанята ось
вращения поворотной платформы.
;
.
Определяем
массу стрелы и противовеса:
;
.
;
.
Под
действием нагрузок к опорно-поворотному кругу будут приложены вертикальная
, горизонтальная
рабочие
силы и опрокидывающий момент
. Так как
ветровая нагрузка и уклон отсутствуют, то горизонтальная рабочая сила
отсутствует.
; (32)
. (33)
;
Принят
опорно-поворотный круг по опрокидывающему моменту. Характеристики ОПК приведены
в таблице 7.
Таблица
7-Характеристики опорно-поворотного круга
|
D, мм
|
Н, мм
|
m, кг
|
D1, мм
|
D2, мм
|
Dб1, мм
|
Dб2, мм
|
n
|
b
|
d, мм
|
m, мм
|
z
|
кН
|
65
|
180
|
1082
|
1090
|
1150
|
1020
|
20
|
53
|
930
|
10
|
94
|
68
|
4.2 Определение сопротивлений вращению круга
Сопротивления вращению могут быть подразделены на основные и
дополнительные. К основным относятся: сопротивление вследствие трения в опорных
узлах и от сил инерции массы груза и массы поворотной части крана, возникающие
в периоды разгона и торможения. К дополнительным относятся: сопротивления от
ветровых нагрузок и от уклона крана. Так как ветровые нагрузки и уклон
отсутствуют, то действуют только основные сопротивления вращению.
Момент, необходимый для преодоления сопротивлений, вследствие трения в
опорных узлах:
, (34)
где
-приведенный коэффициент сопротивления вращению;
D1 - диаметр опорно-поворотного круга по дорожке катания;
-угол
наклона к вертикали сил, действующих на ролики ОПК.
Момент,
необходимый для преодоления сопротивлений от сил инерции:
, (35)
где
к=1,2 - коэффициент, учитывающий влияние вращающихся масс трансмиссии;
- масса груза, противовеса и узлов поворотной части;
-расстояние от центров тяжести груза, противовеса и
узлов поворотной части крана до оси вращения, м;
- угловая
скорость поворотной части крана,
;
- время пуска, с.
Время
пуска определяется из условия допустимого угла поворота
при разгоне механизма:
, (36)
где
-
=200 (
/9)-при
среднем режиме.
с.
;
.
.3
Расчет мощности и подбор двигателя
Определение
мощности привода механизма вращения необходимо вести по пусковому моменту, т.е.
с учетом сил инерции.
Расчетная
мощность двигателя:
, (37)
где
- общий КПД привода механизма;
- кратность среднего пускового момента двигателя;
- пусковой момент:
. (38)
.
.
Принят двигатель MTF
011-6 с техническими данными при ПВ=60% Р=1,2 кВт, n=910 об/мин, КПД=60,5%, момент инерции 0,021 кг·м2 ,
m=51кг, Мmax=39H·м.
.4 Кинематический расчет механизма
Цель: определение общего передаточного числа и разбивка его по ступеням в
соответствии с принятой кинематической схемой.
Общее передаточное число:
, (39)
где n- частота вращения поворотной части
крана.
.
Передаточное
число открытой передачи:
, (40)
где
- число зубьев зубчатого венца;
- число зубьев ведущей шестерни (
=14…17).
.
Оставшееся
передаточное число:
.
Максимальный
расчетный момент на тихоходном валу редуктора:
. (41)
.
На
рисунке 5 показана кинематическая схема механизма вращения поворотной
платформы.
Рисунок
5 - Кинематическая схема механизма вращения поворотной платформы
.5
Выбор редуктора, муфты и проверка двигателя на время разгона
Выбор редуктора. Выбран редуктор 5Ц2-100 с номинальным передаточным
числом редуктора u =11,7 и крутящим моментом на тихоходном валу Т=1000 Н×м.
Выбор муфты. Принята муфта МУВП с тормозным шкивом. Основные параметры
муфты приведены в таблице 8.
Таблица 8 - Параметры муфты
|
Диаметр тормозного шкива
Dт, мм
|
d, мм
|
Ширина тормозного шкива Вт,
мм
|
Допустимая частота вращения
n, мин-1
|
Номинальный крутящий момент
Мкр, Н×м
|
Масса, кг
|
Расчетный момент инерции
муфты, кг×м2
|
|
тормозного шкива
|
полумуфты
|
|
|
|
|
|
|
160
|
28
|
75
|
4000
|
130
|
11
|
0,096
|
Двигатель проверяют на время разгона до номинальной скорости по формуле:
, (42)
где
коэффициент, учитывающий момент инерции вращающихся
масс редуктора и открытых передач;
- моменты
инерции груза, приведенный к оси вращения крана,
,
здесь
R - вылет груза;
,
здесь
mi-масса i-го элемента поворотной части крана, отстоящего на
величину ri от оси вращения крана;
- угловая
скорость вала двигателя;
- среднепусковой момент двигателя.
Время
разгона механизма поворота крана до номинальной скорости
.