Электроснабжение микрорайона 'Северный' г.Красноярска (20 домов, 4 подстанции)
Федеральное государственное образовательное учреждение высшего
профессионального образования
"СИБИТСКИЙ ФЕДЕРАЛЬНЫЙ УНИВЕРСИТЕТ "
Институт горного дела геологии и геотехнологии.
ЭГМП
Курсовой проект
Тема:
Электроснабжение микрорайона " Северный " г. Красноярска (20 домов ,
4 подстанции)
Красноярск
2010
Содержание
Задание
1. Расчет электрических нагрузок
. Расчет электрической нагрузки микрорайона
. Определение числа и мощности сетевых трансформаторных
подстанций. Определение их месторасположения
. Выбор схем электроснабжения микрорайона
. Расчет распределительной сети высокого напряжения
. Расчет распределительных сетей низкого напряжения
. Выбор типа трансформаторной подстанции
8.
Обеспечение нормального качества напряжения на электроприемниках и у
потребителей
9. Расчет токов короткого замыкания. Выбор и проверка
аппаратуры защиты ТП и кабелей на стойкость токам КЗ
. Определение потерь мощности и электроэнергии в элементах
системы электроснабжения
11. Заземление ТП 10/0,4 кВ
Литература
электрический трансформаторный подстанция
напряжение
Задание
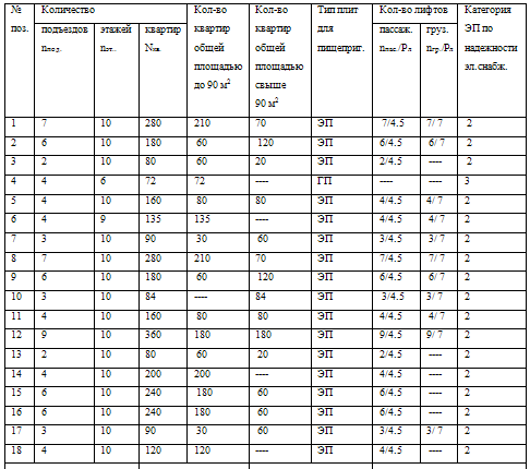
Таблица 1 Характеристика жилых зданий.
Таблица 2 Характеристика общественно-административных зданий.
Потребление электроэнергии в жилых домах определяется укладом жизни
населения города. В современных жилых домах используется большое количество
различных электроприемников, которые подразделяются на электроприемники квартир
и на электроприемники общедомового назначения.
Целью данного курсового проекта является освоение методов расчета и
проектирования систем электроснабжения городов. На примере части из двадцати
домов микрорайона Северный в городе Красноярске, в соответствии с действующими
в настоящее время нормативно-техническими документами, создать экономически
целесообразную систему электроснабжения города, обеспечивающую необходимое
качество комплексного электроснабжения всех потребителей и приемников.
В составе микрорайона большую часть потребителей электрической энергии по
надежности электроснабжения составляют потребители второй категории - жилые
дома высотой 9 и 10 этажей, детский сад. Среди остальных потребителей
электрической энергии по надежности электроснабжения в микрорайоне выделяют
потребитель первой категории - образовательная школа с электрифицированными
столовыми и спортзалами, с количеством учащихся 1100 человек, к
электроснабжению которой предъявляются жесткие требования; а также потребитель
третьей категории - жилой дом высотой 6 этажей.
. Расчет электрических нагрузок
Расчет электрических нагрузок производится от низших к высшим ступеням
системы электроснабжения и включает два этапа:
1) определение нагрузки на вводе к
каждому потребителю;
2) расчет на этой основе нагрузок
отдельных элементов сети.
Расчетная нагрузка потребителя и отдельных элементов сети принимается
равной ожидаемой максимальной нагрузке за 30 минут.
Расчет электрических нагрузок жилых зданий
Определение расчетных нагрузок жилых зданий основывается на использовании
нагрузки одного потребителя, в качестве которого выступает семья или квартира,
при посемейном заселении домов.
Определим расчетную нагрузку на вводе жилого дома на примере
десятиэтажного
-и квартирного дома с электрическими плитами мощностью до 10.5 кВт
(позиция 1). При условии что дома с преобладанием квартир менее 90
не являются домами повышенной
комфортности.
Расчетная активная нагрузка квартир, приведенная к вводу жилого здания,
определяется, в зависимости от числа квартир и применяемых кухонных плит по
типу пищеприготовления, по выражению, кВт:
, (1)
где Nкв-число квартир присоединенных к
элементу сети, Nкв.=280;
руд.кв.-удельная
расчетная нагрузка квартиры, определяемая согласно табл.2.1.1 /1/, кВт.
Удельная расчетная нагрузка, в данном случае, определяется методом
интерполяции, по следующей формуле кВт/кв:
,
(2)
где N'-ближайшее меньшее количество квартир (Nкв.),
стандартное табличное, N'=200 квартир;
N"- ближайшее большее количества квартир (Nкв.), стандартное
табличное, N"=400 квартир;
руд.ж.зд.(N') и руд.ж.зд.(N") -удельные расчетные нагрузки, табл.2.1.1/1/
соответственно для N' и N", руд.ж.зд.(200)=1.36
кВт/кв. и руд.ж.зд.(400)=1.27 кВт/кв.
Тогда расчетная активная нагрузка квартир, приведенная к вводу жилого
здания (позиция 1), определяемая по выражению (1) равна, кВт:
Рр.кв=1.324*280=370.72 (кВт)
Расчетная активная нагрузка силовых электроприемников определяется
нагрузками лифтовых установок, насосов водоснабжения, вентиляторов и других
санитарно-технических установок. Мощность резервных электродвигателей, а так же
электроприемников противопожарных устройств, при расчете электрических нагрузок
не учитываются.
В домах данного микрорайона основу силовой нагрузки составляют лифтовые
установки, поэтому расчетная силовая нагрузка определяется следующим образом,
кВт:
, (3)
где Kc-коэффициент спроса лифтовых установок, определяемый по табл.2.1.2. /1/ в
зависимости от этажности здания и количества лифтов, Kc=0,5;
N-общее
количество лифтовых установок в жилом доме, Nл=14.
nпас, nгр -количество пассажирских и грузопассажирских лифтов соответственно;
=4,5 кВт,
=7 кВт - мощности электродвигателей лифтовых установок,
соответственно пассажирских и грузопассажирских;
Рр.л.=0,46*(4.5*7+7,0*7)=
37.03 (кВт)
Тогда расчетная активная нагрузка на вводе жилого дома равна, кВт:
, (4)
где kу.- коэффициент участия в максимуме
нагрузки силовых электроприемников, принимаемый равным 0.9.
Рр.ж.д.=370.72+0,9*37.03=404(кВт)
Расчетная реактивная нагрузка на вводе жилого дома, кВАр:
, (5)
где
кв.=0.2 -для квартир с электрическими плитами, определяется по табл.2.1.4.
/1/;
л.=1.17 -для лифтовых установок,
табл.2.1.4. /1/.
Для жилого дома (позиция 1), расчетная реактивная нагрузка на вводе,
определяемая на основании выражения (5), равна:
Qр.ж.д.=370.72*0,2+0,9*37.03*1,17=113.137
(кВАр)
Полная расчетная нагрузка на вводе жилого дома, кВА:
(6)
Аналогичные расчеты проводим для других жилых домов микрорайона (позиции
2-18) Результаты расчета заносим в таблицу 3.
Таблица 3 Расчет электрических нагрузок жилых зданий.
Расчет электрических нагрузок общественных зданий и учреждений
Определение
расчетной нагрузки на вводе в общественное здание покажем на примере детского
сада обозначенного на позиции 20,характеристика здания приведена в таблице 2.
Расчетные
нагрузки на вводе в общественные здания и учреждения определяются по
укрупненным удельным нагрузкам. Активная расчетная нагрузка определяется по
формуле, кВт:
, (7)
где Руд.общ.-удельная расчетная нагрузка
единицы количественного показателя (рабочее место, посадочное место, площадь
торгового зала в м2 и т.п.), определяемая по табл.2.2.1. /2/, Рдет.сод.=0.4
кВт/ место.
М
- количественный показатель, характеризующий пропускную способность
предприятия, объем производства и т.д., М=160 мест.
Таким образом, активная расчетная нагрузка будет:
Рдет.сад =0,4*160=64 (кВт)
Расчетная реактивная нагрузка на вводе в общественное здание и учреждение
определяется по выражению, кВАр:
, (8)
где tgφ-расчетный коэффициент реактивной
мощности, определяемый по табл.2.2.1н /2/, tgφ=0,25.
Qдет.сад.=64*0,25=16 (кВАр)
Полная расчетная нагрузка на вводе в общественное здание определяется по
формуле (6):
Аналогичные расчеты производим для других общественных зданий и
учреждений. Результаты расчета представлены в таблице 4.
Таблица 4 Расчет электрических нагрузок общественных зданий
Расчет нагрузки наружного и внутриквартального освещения
Удельная нагрузка для расчета наружного и внутриквартального освещения
зависит от категории улиц, которые принимаются в зависимости от
градостроительства. Если, согласно генерального плана микрорайона, неизвестно к
какой категории относятся улицы, то категорию улицы принимают произвольно.
Электрические нагрузки наружного освещения ориентировочно определяются
исходя из норм осветительных нагрузок (СНиП). В основу расчета закладываются
категории улиц и дорог.
Категория улиц:
) магистральные улицы районного значения, дороги общегородского значения,
для грузового движения, площади перед крупными общественными зданиями и
сооружениями при среднем значении удельной нагрузки Руд.ул.о.
от 20 до 30кВт/км.
) улицы и дороги местного значения: жилые улицы, дороги промышленных и
коммунально-складских районов, поселковые улицы и дороги при среднем значении
удельной нагрузки Руд.ул.о. от 7 до 10 кВт/км.
) внутриквартальные территории при среднем значении удельной нагрузки Руд.вк.
равном 1,2 кВт/га.
Расчетную нагрузку уличного освещения можно определить по формуле:
,(9)
где Руд.ул.о,i - удельная расчетная нагрузка
уличного освещения, кВт/км, Руд.ул.о,1=25кВт/км;
Lул1-длина
улицы категории 1, км;
Длины улиц Космонавтов, Мате Залки, Шумяцкого соответственно равны: l11=0.19км, l12=0.54км, l13=0.82км.
Рр.ул.о=25*(0,43+0,27+0.35)= 26.25 (кВт)
Расчетная нагрузка внутриквартального освещения Рр.вк.
определяется по выражению:
,(10)
где Руд.вк.- удельная расчетная нагрузка
внутриквартального освещения, кВт/га, Руд.вк.=1,2
кВт/га; Fмкр.- общая площадь внутриквартальной территории
микрорайона, га, Fмкр=20.2500 га = 0,2025км2
Расчетная нагрузка наружного освещения микрорайона Рр.о.мкр
определяется по выражению:

(11)
При расчете реактивной составляющей уличного и внутриквартального
освещения рекомендуется применять ртутные лампы с коэффициентом мощности cos
=0,85 и соответственно
.
Расчетная реактивная составляющая нагрузки наружного освещения
микрорайона Qр.о.мкр. определяется по формуле:
(12)
Полная расчетная электрическая нагрузка наружного освещения микрорайона Sр.о.мкр. определяется по формуле:
(13)
Результаты расчета нагрузки наружного и внутриквартального освещения
микрорайона заносим в сводную таблицу 5
Таблица 5 Расчет освещения микрорайона
Выбор ламп для освещения микрорайона производим на основании
значений средней горизонтальной освещенности на уровне покрытия согласно
/5/:
для дорог общегородского значения -6 лк;
для территорий общеобразовательных школ: спортивные площадки-10 лк,
проходы и территории -4 лк.
Освещение улиц, дорог и площадей осуществляется с помощью светильников
типа: СКЗПР-500 с консольным способом установки. Для освещения микрорайона
принимаем лампы следующей мощности:
для внутриквартальных территорий -ДРЛ-250;
для улиц местного значения -ДРЛ-400;
Светильники по территории микрорайона ставятся: вдоль внутриквартальных
проездов, магистральных внешних улиц и по периметру территории школы и детского
сада на расстоянии 30 м друг от друга.
. Расчет электрической нагрузки микрорайона
Расчет электрической нагрузки микрорайона выполняется путем суммирования
расчетнтых нагрузок отдельных групп однородных потребителей с учетом
коэффициена участия в максимуме наибольшей из нагрузок.
Расчетные активная и реактивная нагрузки микрорайона определяются по
выражениям:
, (14)
,(15)
где Рр.нб.- наибольшее значение расчетной
активной мощности одной из групп однородных потребителей, кВт;
Рр.i - расчетная активная нагрузка
остальных групп потребителей; кВт;
Kу.i -коэффициент участия в максимуме нагрузки относительно
выбранной наибольшей нагрузки, определяемый по табл.2.3.1./1/.
tgφзд.нб.-расчетный коэффициент реактивной мощности,
соответствующий группе потребителей с наибольшей нагрузкой.
tgφзд.i-расчетный коэффициент реактивной
мощности, соответствующий остальным группам потребителей.
В рассматриваемом микрорайоне почти все жилые дома за исключением позиции
(4,6) десятиэтажные и состоят из квартир как до 90
так и свыше 90
поэтому целесообразно будет разделить
их по количеству подъездов на шесть "условных домов" при условии что
дома с преобладанием квартир свыше 90
являются домами повышенной
комфортности.
Объединим все дома с количеством подъездов 7 (позиции 1,8) в первый
условный дом, и рассчитаем его нагрузку по методике описанной в п.1.1.
Удельная расчетная мощность условного дома принимается по табл.2.1.1./1/,
как для Nкв.=560, методом интерполяции, по формуле (2):
,
где Руд.кв.N1=1,27
- согласно 2.1.1 /1/ для числа квартир N1=400;
Руд.кв.N2=1,23
- согласно 2.1.1 /1/ для числа
квартир N2=600.
Расчетную активную нагрузку квартир определяем по выражению (1):
Рр.кв.(усл1.)=1,238*560=693.28(кВт)
Силовая нагрузка лифтовых установок по формуле (3)
где Кс1=0,35 - коэффициент спроса, определяемый по
табл. 2.1.2 /1/ для домов этажностью до 12 этажей методом интерполяции;
Рр.ж.д.(усл1)=693.28+0,9*56.35=743.95(кВт)
Расчетные активную и реактивную мощности условного дома с семью
подъездами определим соответственно по формулам (4) и (5)
Qр.ж.д.(усл.1)= 693.28*0,2+0.9*56.35*1.17=197.933(кВАр)
Расчетная полная мощность условного дома определяется на основании
формулы (6):
Дома с количеством подъездов 6 определим во второй условный дом (позиции
2,9,15,16 ).
Удельная расчетная мощность условного дома принимается по табл.2.1.1./1/,
как для Nкв.=840, методом интерполяции, по
формуле (2):
где Руд.кв.N1=1,67- согласно 2.1.1 /1/ для числа
квартир N1=600;
Руд.кв.N2=1,62- согласно 2.1.1 /1/ для числа
квартир N2=1000.
Согласно (1) определим
Рр.кв.(усл2.)=1,64*840=1377(кВт)
Силовая нагрузка лифтовых установок по формуле (3)
Расчетные активную и реактивную мощности условного дома два определим
соответственно по формулам (4) и (5):
Рр.ж.д.(усл2)=1377+0,9*67.2=1437.48(кВт)
Qр.ж.д.(усл.2)=1377*0,2+0,9*67.2*1,17=346.162(кВАр)
Расчетная полная мощность условного дома два определяется по формуле (6):
Дома с количеством подъездов 4 (позиции 4,5,6,11,14,18 ) объединим в
третий условный дом.
Удельная расчетная мощность условного дома принимается по табл.2.1.1./1/,
как для Nкв.=847, методом интерполяции, по
формуле (2):
где Руд.кв.N1=1,23- согласно 2.1.1 /1/ для числа
квартир N1=600;
Руд.кв.N2=1,19- согласно 2.1.1 /1/ для числа
квартир N2=1000.
Согласно (1) определим
Рр.кв.(усл3.)=1,205*847=1020.635(кВт)
Силовая нагрузка лифтовых установок по формуле (3):
где Кс=0.35 - коэффициент спроса, определяемый по табл.
2.1.2 /1/ методом интерполяции;
Расчетные активную и реактивную мощности условного дома определим
соответственно по формулам (4) и (5):
Рр.ж.д.(усл3)=1020.635+0,9*60.9=1075(кВт)
Qр.ж.д.(усл.3)=1020.635*0,2+0,9*60.9*1,17=268.255(кВАр)
Расчетная полная мощность условного дома три определяется по формуле (6):
Дома с количеством подъездов 3 определим в четвертый условный дом.
Удельная расчетная мощность условного дома принимается по табл.2.1.1./1/, как
для Nкв.=264, методом интерполяции, по
формуле:
где Руд.кв.N1=1,83- согласно 2.1.1 /1/ для числа
квартир N1=200;
Руд.кв.N2=1,72- согласно 2.1.1 /1/ для числа
квартир N2=400.
Рр.кв.(усл4.)=1,795*264=473.88(кВт)
Силовая нагрузка лифтовых установок по формуле (3):
где Кс=0.42 - коэффициент спроса, определяемый по табл.
2.1.2 /1/ методом интерполяции;
Расчетные активную и реактивную мощности условного дома определим
соответственно по формулам (4) и (5):
Рр.ж.д.(усл4)=473.88+0,9*43.47=513.03(кВт)
Qр.ж.д.(усл.4)=473.88*0,2+0,9*43.47*1,17=140.55(кВАр)
Расчетная полная мощность условного дома четыре определяется по формуле
(6):
Дома с количеством подъездов 2 определим в пятый условный дом (позиции
3,13)
Удельная расчетная мощность условного дома принимается по табл.2.1.1./1/,
как для Nкв.=160, методом интерполяции, по
формуле (2):
где Руд.кв.N1=1,5- согласно 2.1.1 /1/ для числа
квартир N1=100;
Руд.кв.N2=1,36- согласно 2.1.1 /1/ для числа
квартир N2=200.
Согласно (1) определим
Рр.кв.(усл5.)=1,416*160=226.56(кВт)
Силовая нагрузка лифтовых установок по формуле (3):
Расчетные активную и реактивную мощности условного дома определим
соответственно по формулам (4) и (5):
Рр.ж.д.(усл5)=226.56+0,9*12.6=237.9(кВт)
Qр.ж.д.(усл.5)=226.56*0,2+0,9*12.6*1,17=58.58(кВАр)
Расчетная полная мощность условного дома пять определяется по формуле
(6):
Условный дом шесть с девятью подъездами
(позиция 12)
Удельная расчетная мощность условного дома принимается по табл.2.1.1./1/,
как для Nкв.=360, методом интерполяции, по
формуле (2):
где Руд.кв.N1=1,83- согласно 2.1.1 /1/ для числа
квартир N1=200;
Руд.кв.N2=1,72- согласно 2.1.1 /1/ для числа
квартир N2=400.
Согласно (1) определим
Рр.кв.(усл6.)=1,742*360=627.12(кВт)
Силовая нагрузка лифтовых установок по формуле (3):
Расчетные активную и реактивную мощности условного дома определим
соответственно по формулам (4) и (5):
Рр.ж.д.(усл6)=627.12+0,9*43.47=666.243(кВт)
Qр.ж.д.(усл.6)=627.12*0,2+0,9*43.47*1,17=171.198(кВАр)
Расчетная полная мощность условного дома шесть определяется по формуле
(6):
Расчетная нагрузка всего микрорайона с учетом наружного освещения
микрорайона определяемая по выражениям (14) и (15) записывается следующим
образом:
Рр.мкр.=( Рр.ж.д.(усл6)+ Рр.ж.д.(усл5)+
Рр.ж.д.(усл4)+Рр.ж.д.(усл3.)+Рр.ж.д.(усл2)+Рр.ж.д.(усл1)
)*
Ку.ж.д.(усл).+Рр.обр.шк.*Ку.обр.шк.+Рр.дет.сад.*Ку.дет.сад.+
Рр.ул.о.+Рр.вк (16)
Qр.мк.р=( (Рр.кв*tg
кв+0,9*Рр.л*tg
л)(усл6)+(Рр.кв*tg
кв+0,9*Рр.л*tg
л)(усл5)
+(Рр.кв*tg
кв+0,9*Рр.л*tg
л)(усл4)+(Рр.кв*tg
кв+0,9*Рр.л*tg
л)(усл3)+
(Рр.кв*tg
кв+0,9*Рр.л*tg
л)(усл2)+(Рр.кв*tg
кв+0,9*Рр.л*tg
л)(усл1) )
*Ку.ж.д.(усл).+Рр.обр.шк.*tg
обр.шк*Ку.обр.шк.+
+Рр.дет.сад.*tg
дет.сад*Ку.дет.сад.+ Рр.ул.о.*tg
+ Рр.вк.*tg
(17)
По формуле (16) расчетная активная нагрузка равна:
Рр.мкр.=(666.243+237.9+513.03+1075+1437.48+743.95)*0,9+275*0,4+64*0,4+26.25+24.3=
4785 (кВт)
Расчетная реактивная нагрузка микрорайона согласно формулы (17) равна:
Qр.мкр.=(
(627.12*0,2+0,9*43.47*1,17)+(226.56*0,2+0,9*12.6*1,17)+
(473.88*0,2+0,9*43.47*1,17)+(1020.635*0,2+0,9*60.9*1,17)+
(1377*0,2+0,9*67.2*1,17)+(693.28*0,2+0,9*56.35*1,17) )*0.9+
*0,38*0,4+64,4*0,25*0,4+26.25*0.62+24.3*0.62= 1243(кВАр)
Полная нагрузка микрорайона равна:
3. Определение числа и мощности сетевых трансформаторных подстанций.
Определение их месторасположения
Определение числа и мощности трансформаторов и трансформаторных
подстанций
Число и мощность трансформаторных подстанций (ТП) оказывает существенное
влияние на технико-экономические показатели системы электроснабжения города в
целом. От правильного выбора числа и мощности трансформаторов ТП, а также от
размещения ТП на территории микрорайона, зависит эффективность функционирования
системы.
Основой для выбора числа трансформаторов ТП является схема
электроснабжения и категории по надежности электроснабжения электроприемников.
Мощность трансформаторов, а, следовательно, число и мощность ТП, непосредственно
влияют на все последующие решения, связанные с построением системы
электроснабжения. В общем виде задача определения мощности трансформаторов
может быть решена путем нахождения аналитической зависимости приведенных
затрат, связанных с передачей энергии через рассматриваемую систему, от
мощности трансформаторов ТП. Однако определение наивыгоднейшей мощности
трансформаторов ТП требует перебора большого числа вариантов, что в связи с
большой трудоемкостью расчетов не всегда может быть выполнено. Поэтому для
ориентировочного определения экономически целесообразной мощности
трансформаторов ТП может быть применена формула, полученная на основании
многочисленных расчетов:
,(18)
где
-плотность нагрузки микрорайона (кВА/км2),
определяемая по формуле:
,(19)
где Sр.мк.р.-расчетное значение полной нагрузки микрорайона, кВА;
Fмк.р.-площадь
микрорайона, км2.
Экономически целесообразная мощность трансформаторов ТП:
Так как значительную долю потребителей микрорайона составляют потребители
2-й категории по надежности электроснабжения и имеется один потребитель 1-й
категории, то, согласно требований ПУЭ, электроснабжение необходимо производить
от двух независимых источников питания имеющих одинаковую мощность, поэтому
принимаем количество трансформаторов в ТП равное двум, т.е. nтр=2.
Согласно 4.4.3. /1/ в районах многоэтажной застройки (9 этажей и выше)
при плотности нагрузки 8 МВт./км2 и более оптимальная мощность
двухтрансформаторных подстанций рекомендуется равной 2*630 кВА. Но при большой
плотности нагрузки можно использовать и трансформаторные подстанции мощностью
2*1000 кВА.
Проведем сравнения трансформаторных подстанций при мощностях
трансформаторов 630 кВА и 1000 кВА.
.Принимаем мощность двухтрансформаторной подстанции 2*1000 кВА:
Ориентировочное число ТП определяется по выражению:
, (20)
где Kз - коэффициент загрузки
трансформаторов ТП в нормальном режиме.
В соответствии с суточным графиком нагрузки ТП, питающих жилые дома и
общественные здания принимаем Kз=0.65
/1/:
В результате расчета необходимо принять 4 трансформаторных подстанций,
т.е. количество ТП nтп =4.
Объекты микрорайона распределяются между ТП с учетом их загрузки и
месторасположения в микрорайоне.
Результаты распределения представлены в таблице 6.
Таблица 6 Распределение объектов электроснабжения микрорайона между ТП.
|
№ ТП
|
Число и мощность
трансформаторов, Nтр.*Sном.тр., кВА
|
|
Позиции объектов
|
|
ТП-1
|
2*1000
|
|
1,20,2,6,7,3
|
|
ТП-2
|
2*1000
|
|
4,5,9,8,14
|
|
ТП-3
|
2*1000
|
|
10,11,19,12
|
|
ТП-4
|
2*1000
|
|
15,16,13,17,18
|
Расчетная нагрузка каждой трансформаторной подстанции определяется
аналогично п. 3.4 , где за Рр.нб и Qр.нб
принимаются нагрузки жилых зданий, определяемые по суммарному количеству
квартир и лифтовых установок, питаемых от данной трансформаторной подстанции.
Расчет электрических нагрузок ТП покажем на примере расчета нагрузочной
мощности для ТП-1. Наибольшую электрическую нагрузку трансформаторной
подстанции ТП1 имеет дом (позиции 1).По табл.2.3.1 /1/ находим коэффициенты
участия Ку остальных групп потребителей в максимуме нагрузки.
Нагрузку освещения микрорайона распределим между четырьмя трансформаторными
подстанциями следующим образом:
Рр.ул. осв. =26.25/4=6.56
Рр вк =24.3/4=6.075
Расчетная нагрузка ТП с учетом коэффициента максимума по формулам (14),
(15) равна:
Рр.тп1.= (Рр.ж.д.(поз1) + Рр.ж.д.(поз2)
+ Рр.ж.д.(поз6) +
Рр.ж.д.(поз7) + Рр.ж.д.(поз3) )*Ку.ж.д.
+ Рр.дет.сад.(поз 20) * Ку.дет.сад.(поз20)
+Рр.ул..тп1+Рр.вк.тп1. (21)
Qр.тп1=( (Рр.кв*tg
кв+0,9*Рр.л*tg
л)(ж.д.1) +(Рр.кв*tg
кв+0,9*Рр.л*tg
л)(ж.д.2)
+(Рр.кв*tg
кв+0,9*Рр.л*tg
л)(ж.д.6) +(Рр.кв*tg
кв+0,9*Рр.л*tg
л)(ж.д.7)
(Рр.кв*tg
кв+0,9*Рр.л*tg
л)(ж.д.3 )* Ку.ж.д.+
Рр.дет.сад (поз.20).*tg
дет.сад(поз.20)
*Ку.дет.сад(поз.20) + Рр.ул.тп1.*tg
+ Рр.вк.тп1*tg
где Рр.ул..тп1, Рр.вк.тп1-
расчетные активные нагрузки освещения улиц магистрального значения и
внутриквартальных территорий соответственно, запитываемых от ТП-1, кВт.
На основании формул (21) (22) получим:
Рр.тп1=(404+362.80+219.690+214.183+150.48)*0.9+64*0.4+6.56+6.075=
1374(кВт)
Qр.тп1=
( (370.72*0.2+0.9*37.03*1.17) + (333*0.2+0.9*33.12*1.17)
+(195.75*0.2+0.9*26.45*1.17) + (194.4*0.2+0.9*22.425*1.17)
+(144*0.2+0.9*7.2*1.17) )*0.9 + 64*0.25*0.4+6.56*0.65+6.075*0.65=391.462
(кВАр)
Полная нагрузка трасформаторной подстанции равна:
Загруженность каждой ТП в нормальном рабочем режиме определяется
коэффициентом загрузки, который должен быть в пределах: 0,6-0,9 (60-90%):
, (23)
где Sн.тр.- номинальная мощность трансформатора, кВА;
nтр.-
количество трансформаторов в ТП.
Перегрузка каждой ТП определяется коэффициентом перегрузки, который
вычисляется при выходе из строя одного из двух трансформаторов:
, (24)
Коэффициент перегрузки в послеаварийном режиме сравнивается с допустимым
коэффициентом перегрузки:
Kдоп.пер.≥
(25)
где Kдоп.пер.- допустимый коэффициент перегрузки трансформатора.
Коэффициент допустимой перегрузки определяется в зависимости от
длительности перегрузки. Длительность перегрузки определяется временем
прохождения максимальной нагрузки, которое определяется посуточному графику
нагрузки потребителя.
Согласно /1/ получаем Kдоп.пер.=1.5, т.е.
перегрузка возможна на 50%. Если данное условие выполняется, то выбор мощности
трансформаторов сделан правильно.
Для ТП-1 получили:
,5 > 1,4,
т.е. трансформаторы в послеаварийном режиме загружены в допустимых
пределах.
Таким образом, выбор мощности трансформаторов для ТП-1 произведен верно.
Принимается ТП-1 2´1000 с учетом дальнейшего развития микрорайона, т.е. предполагается
изменения нагрузок этой части микрорайона в сторону увеличения.
Результаты расчетов электрических нагрузок трансформаторных подстанций
приведены в таблице 7
Таблица 7 Расчет электрических нагрузок трансформаторных подстанций
2*1000 кВА.
|
№ ТП
|
Qр*Ку,
кВАр
|
Sр т.п.
|
|
1
|
1374
|
391.462
|
1429
|
|
2
|
1445
|
389
|
1496
|
|
3
|
1259
|
365.034
|
1311
|
|
4
|
1420
|
361
|
1465
|
Таблица 8 Значения коэффициентов загрузки трансформаторных подстанций в
нормальном и послеаварийном режимах.
2.Принимаем мощность двухтрансформаторной подстанции 2*630 кВА:
По формуле (20) получаем:
В результате расчета необходимо принять 6 трансформаторных подстанций,
т.е. количество ТП nтп=6.
Объекты микрорайона распределяются между ТП с учетом их загрузки и
месторасположения в микрорайоне.
Результаты распределения представлены в таблице 9.
Таблица 9 Распределение объектов электроснабжения микрорайона между ТП
|
№ ТП
|
Число и мощность трансформаторов,
Nтр.*Sном.тр., кВА
|
|
Позиции объектов
|
|
ТП-1
|
2*630
|
|
10,11,9
|
|
ТП-2
|
2*630
|
|
1,20,6,7
|
|
ТП-3
|
2*630
|
|
5,4,3,2
|
|
ТП-4
|
2*630
|
|
12,13,17
|
|
ТП-5
|
2*630
|
|
8,19,14
|
|
ТП-6
|
2*630
|
|
15,16,18
|
При расчете электрических нагрузок ТП с мощностью трансформаторов 630 кВА,
проводим аналогичные вычисления, что и для ТП с мощностью трансформаторов 1000
кВА. Расчет покажем на примере расчета нагрузочной мощности для ТП-1.
Наибольшую электрическую нагрузку трансформаторной подстанции ТП1 имеет
жилой дом (поз 9). По табл.2.3.1 /1/ находим коэффициенты участия Ку
остальных групп потребителей в максимуме нагрузки.
Нагрузку освещения микрорайона распределим между шестью трансформаторными
подстанциями следующим образом:
Рр.ул. осв. =26.25/6=4.375
Рр вк =24.3/6=4.05
Расчетная нагрузка ТП-1 с учетом коэффициента максимума по формулам (14),
(15) равна:
Рр.тп1.=( Рр.ж.д.(поз.9) + Рр.ж.д.(поз.11)
+ Рр.ж.д.(поз.10) )*Ку.ж.д..+Рр.ул..тп1+Рр.вк.тп1. (26)
Qр.тп1= ( (Рр.кв*tg
кв+0,9*Рр.л*tg
л)(ж.д.поз 9)+(Рр.кв*tg
кв+0,9*Рр.л*tg
л)(ж.д.поз 11)+
(Рр.кв*tg
кв+0,9*Рр.л*tg
л)(ж.д.поз 10) )* Ку.ж.д+Рр.ул.тп1.*tg
+ Рр.вк.тп1*tg
(27)
где Рр.ул..тп1, Рр.вк.тп1- расчетные активные
нагрузки освещения улиц (улиц магистрального и местного значения) и
внутриквартальных территорий соответственно, запитываемых от ТП-1, кВт.
На основании формул (26) (27) получим:
Рр.тп1=(376.72+335.999+222.215)*0.9+4.375+4.05=921.138 (кВт)
Qр.тп1=( (333*0,2+0,9*33.12*1,17)+(300.48*0,2+0,9*26.45*1,17)+
(192.36*0,2+0,9*22.425*1,17) )*0.9+4.375*0.65+4.05*0.65=246.837 (кВАр)
Полная мощность ТП-1 равна:
Загруженность каждой ТП в нормальном рабочем режиме определяется
коэффициентом загрузки по формуле (23):
Перегрузка каждой ТП определяется коэффициентом перегрузки, который
вычисляется при выходе из строя одного из двух трансформаторов.
По формуле (24) получим:
На основании выражения (25) для ТП-1 получим:
,5 > 1,52
т.е. трансформаторы в послеаварийном режиме будут перегружены что не
допустимо.
Таблица 10 Расчет электрических нагрузок трансформаторных подстанций
2*630 кВА.
|
№ ТП
|
Рр*Ку,
кВт
|
Qр*Ку,
кВАр
|
Sр т.п.
|
|
1
|
921.138
|
246.837
|
953.637
|
|
2
|
864.689
|
276.475
|
907.814
|
|
3
|
896.198
|
238.462
|
927.381
|
|
4
|
972.71
|
258.372
|
1006
|
|
5
|
765.365
|
196.967
|
790.303
|
|
6
|
987.094
|
254.074
|
1019
|
Таблица 11 Значения коэффициентов загрузки трансформаторных подстанций в
нормальном и послеаварийном режимах.
По результатам расчетов видно что три ТП из шести не удовлетворяют
условиям выбора, ТП-1, ТП-4 ,ТП-6 в послеаварийном режиме будут перегружены что
не допустимо. Следует так же заметить, что при работе ТП-5 с полученным
коэффициентом загрузки возникают большие потери, что экономически не выгодно.
Применение шести ТП, три из которых мощностью 2*630 кВА, а другие три
2*1000 кВА, экономически и технически не выгодно в связи с большими затратами
на прокладку кабелей и строительства дополнительных подстанций.
Следовательно, мощность трансформаторов ТП необходимо увеличить с 630 кВА
до 1000 кВА с учетом дальнейшего развития микрорайона, т.е. предполагается
изменения нагрузок этой части микрорайона в сторону увеличения.
Окончательно принимаем к установке на территории микрорайона четыре
двухтрансформаторные ТП мощностью 2*1000 кВА.
Определение месторасположения ТП
Одним из условий построения экономичной системы электроснабжения, то есть
системы с малой стоимостью и малыми потерями электроэнергии в данной системе,
является правильный выбор местоположения трансформаторных подстанций.
Расположение трансформаторных подстанций в питающемся от них районе экономически
целесообразно в центре электрических нагрузок, но с учетом условий планировки
жилых кварталов. Расположение трансформаторных подстанций должно
соответствовать градостроительным и архитектурным соображениям и требованиям
пожарной безопасности.
Для определения места расположения ТП, т.е. центра электрических нагрузок
используют графоаналитический метод, который заключается в следующем:
электроприемники заключаются в координатные оси;
определяются центры электрических нагрузок электроприемников;
центры электрических нагрузок проектируются на оси OX и OY;
определяем координаты ТП по формулам:
, (28)
,(29)
где Рр.i - расчетная мощность i-го объекта, кВт;
Xi, Yi - координаты центра электрических нагрузок i-го объекта, см;
n -
число объектов питающихся от данной ТП.
Определение места расположения трансформаторной подстанции покажем на
примере ТП1.
По формулам (28) и(29) получим:
Для определения центров электрических нагрузок ТП составим следующую
таблицу. Координаты центров нагрузок отдельных электроприемников определим по
рис. 3
Таблица 10. Определение месторасположения трансформаторных подстанций.
Трансформаторные подстанции могут быть установлены по полученным
координатам только в том случае, если их расположение соответствует
градостроительным и архитектурным соображениям, требованиям пожарной безопасности
и удобству проезда транспортных средств. В соответствии с этими требованиями
местоположение трансформаторных подстанций, координаты которых по расчетным
данным получились на территории проезжей части и жилых домов №5 и №4
соответственно, переносим на расстояния не менее 10 м от границы жилых
объектов.
Таблица 11 Координаты расположения трансформаторных подстанций.
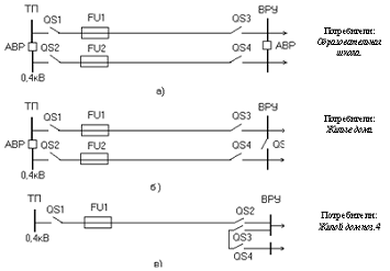
4. Выбор схем электроснабжения микрорайона
Выбор схемы питающих сетей среднего напряжения
Питающая сеть предназначена для питания распределительных пунктов.
Поскольку питающая сеть обслуживает микрорайон, в котором есть электроприемник
I категории, то должна быть выполнена с автоматическим вводом резервного
питания.
Для питающей сети наиболее широко применяются схемы с параллельной
работой питающих линий, имеющих селективную релейную защиту, и схемы с
раздельной работой питающих линий с применением устройств для автоматического
включения резерва.
Учитывая экономические и эксплуатационные показатели работы схемы
питающей сети, рекомендуется во всех случаях, когда это позволяет мощность
установленной в сети аппаратуры, отдавать предпочтение схеме с раздельной
работой питающих линий с применением устройств для автоматического включения
резерва.
В данном варианте параллельную работу питающих линий нельзя осуществить
из-за того, что питающая сеть обслуживает электроприемник I категории
(образовательная школа).
Достоинством схемы с АВР является возможность использования в схеме двух
источников, что в отдельных случаях может оказаться существенным.
В соответствии с /1/ питающую сеть 10 кВ рекомендуется выполнять по схеме
представленной на рис. 6
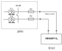
В данной схеме предполагается режим разомкнутого секционного выключателя
на РП или присоединение питающих линий к двум разным секциям шин подстанции
110/10 кВ. Повреждения питающих линий или шин подстанции 110/10 кВ отключается
избирательно, питание потребителей восстанавливается устройством
автоматического ввода резерва на секционном выключателе РП.
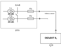
Рис.6. Питание РП по двум линиям с раздельной работой этих линий.
Нагрузки питающих линий в нормальном режиме работы составляют не более
65...67.5 % допустимых по длительному нагреву кабелей. В аварийном режиме
каждая линия покрывает всю нагрузку РП. Данная схема применяется для питания ЭП
всех категорий, включая и первую.
Выбор схемы
распределительной сети среднего напряжения 10кВ.
Выбор схемы распределительной сети низкого напряжения
Построение городской электрической сети по условиям обеспечения
необходимой надежности электроснабжения потребителей энергией надлежащего
качества, как правило, выполняется применительно к основной массе
электроприемников рассматриваемого района города. При наличии отдельных электроприемников
более высокой категории этот принцип построения сетей дополняется необходимыми
мерами по созданию требуемой надежности электроснабжения этих
электроприемников.
Для выбора распределительной сети напряжением 0.38 кВ необходимо учесть
требования, предъявляемые к электроснабжению приемников электроэнергии согласно
их категории по надежности электроснабжения п.1.2.18-1.2.20 /2/.
Ввиду этих требований и в соответствии с выбранной петлевой схемой
распределительной сети среднего напряжения (10 кВ) для 0.38 кВ можно применить
два варианта схем:
-петлевая схема с присоединением линий к одной ТП;
-двухлучевая схема одностороннего питания.
Для сравнения этих вариантов были произведены расчеты, на основании
которых сделаны следующие выводы:
) В петлевой схеме практически всегда бывают значительные перетоки
мощности, что ведет к повышенным ее потерям, а это не допустимо с экономической
точки зрения;
) Сечение кабельных линий в петлевой схеме практически всегда выше
сечений кабельных линий двухлучевой схемы, т.к. в послеаварийном режиме всю
мощность должен будет пропустить один кабель, т.е. опять получаем, что
экономические затраты выше;
3) В петлевой схеме очень сложно
обеспечить требуемый уровень напряжения у самого удаленного от ТП потребителя
как в нормальном так и в послеаварийном режиме, а если и удается это сделать,
то значение напряжения на шинах ТП будет слишком завышено (может не уложиться в
5%-й запас);
4) Для Красноярска характерны очень
низкие температуры в зимний период, что обеспечивает промерзание почвы до 1,5
м, а кабель, как известно, прокладывают на глубине 0.7 м, кроме того величина
снежного покрова тоже достаточно велика -все это свидетельствует о том, что
поменять кабель или его отремонтировать не только не возможно в течении одних
суток, но и достаточно сложно в течении всего зимнего периода.
С учетом всего изложенного принимаем двухлучевую распределительную сеть
низкого напряжения для потребителей микрорайона I и II
категории по двум кабелям. А для потребителей III категории питание осуществляется по радиальной сети
низкого напряжения или шлейфом от вводно-распределительного устройства (ВРУ)
соседнего объекта II или III категории по одному кабелю.
Вводно-распределительные устройства служат для подачи электроэнергии в жилые
дома и общественные здания, и содержат: силовой щит, к которому присоединяют
лифтовые установки; и щит бытовой и осветительной нагрузки.
Схемы распределительной сети напряжением 0.38 кВ показаны на рис.8
Рис.8. Схемы распределительной сети напряжением 0.38 кВ:
а) двухлучевая с АВР; б) двухлучевая без АВР; в) радиальная
. Расчет распределительной сети высокого напряжения 10 кВ.
Расчет магистральной, однолучевой распределительной сети 10 кВ.
Минимальное сечение кабелей с алюминиевыми жилами в распределительных
сетях 10 (6) кВ при прокладке их в траншеях рекомендуется принимать сечением не
менее 70 мм2.
Сечение кабелей по участкам линии следует принимать с учетом изменения
нагрузки участков по длине.
Прежде чем приступать к выбору сечения кабельных линий, необходимо
определить токораспределение в выбранной схеме электрической сети 10 кВ.
Расчет магистральной, однолучевой распределительной сети 10 кВ.
Рисунок 9.
Определяются потоки мощности по участкам.
Определяем ток на каждом участке сети 10 кВ:
(
А
А
А
А
Предварительный выбор сечения кабельной линии 10 кВ
Определяем сечение кабеля по допустимому нагреву.
Так как в траншее будет проложено по два кабеля необходимо пересчитать
допустимый ток с учетом коэффициента учитывающего количество кабелей
проложенных в траншее.
Где:
поправочный коэффициент учитывающего количество кабелей
проложенных в траншее.
Выбираем по таблице 1.3.16 кабель марки ААБ.
выбираем
сечение 185 мм2 Iдоп =
310А
выбираем
сечение 120 мм2 Iдоп =
240А
выбираем
сечение 70 мм2 Iдоп =
165А
выбираем
сечение 70 мм2 Iдоп =
165А
Определяем сечение кабеля по экономической плотности тока.
По определенному току рассчитывается экономическая плотность тока и
принимается стандартное большее сечение кабеля. Марка кабеля - ААБ, стандартное
сечение кабеля 35-240 мм2 /11/.
F01=191.3
мм2; Fст.01=240 мм2;
Iдоп=355 А
F12=143.3
мм2; Fст.12=150 мм2;
Iдоп=275 А
F23=93.1
мм2; Fст.23=95 мм2;
Iдоп=205 А
F34=49.1
мм2; Fст.34=50 мм2;
Iдоп=140 А
Расчет в аварийном режиме производится при обрыве из цепи двухцепной
линии. Результаты расчетов снесены в таблицу 12
Таблица 12
|
Обрыв участка
|
Sуч,кВА
|
Iуч.ав, А
|
Fуч ав, мм2
|
Fст.уч, мм2
|
Iдоп, А
|
Iуч.норм,А
|
|
0-1
|
5701
|
153.05
|
95.65
|
185
|
310
|
306.10
|
|
1-2
|
4272
|
114.68
|
71.67
|
120
|
240
|
229.37
|
|
2-3
|
2776
|
74.52
|
46.57
|
70
|
165
|
149.05
|
|
3-4
|
1465
|
39.33
|
24.58
|
70
|
165
|
78.66
|
Расчет токов короткого замыкания в распределительной сети 10 кВ.
Для проверки кабеля на термическую устойчивость к действию токов
короткого замыкания необходимо производится расчет токов короткого замыкания.
При расчете токов КЗ принимаем, что на шинах 110 кВ трансформатора ПГВ
мощность короткого замыкания
МВ·А.
Составляется схема замещения сети (рисунок 10).
Рассчитаем токи КЗ на шинах 10 кВ подстанции и в начале каждой КЛ.
Принимаем: Sб = 100 МВА, UбI = 10,5 кВ, Ес = 1.
кА.
Рассчитаем сопротивление каждого из элементов сети в относительных
единицах. Сопротивление системы:
;
Сопротивление тр-ра ГПП:
;
т.е. rт можем не учитывать в расчётах.
Таблица 13 - Параметры кабельных линий магистральной сети.
|
Линия
|
Li, м
|
r0i, Ом/км
|
x0i, Ом/км
|
Ri, Ом
|
Xi, Ом
|
Ri, о.е.
|
Xi, о.е.
|
|
0-1
|
380
|
0,167
|
0,077
|
0,06346
|
0,02926
|
0.058
|
0.027
|
|
1-2
|
285
|
0,258
|
0,081
|
0,07353
|
0,023085
|
0.067
|
0.021
|
|
2-3
|
235
|
0,443
|
0,086
|
0,104105
|
0,02021
|
0.094
|
0.018
|
|
3-4
|
200
|
0,89
|
0,095
|
0,178
|
0,019
|
0.161
|
0.017
|
Сопротивления кабельных линий:
Определим токи КЗ в точках К1, К2, К3, К4.
кА;
Таблица 14 - Расчет токов короткого замыкания
|
Линия
|
ri, о.е.
|
xi, о.е.
|
Точка
|
Iкзi, кА
|
|
0-1
|
0.058
|
0.027
|
К1
|
15.36
|
|
1-2
|
0.067
|
0.021
|
К2
|
12.947
|
|
2-3
|
0.094
|
0.018
|
К3
|
11.525
|
|
3-4
|
0.161
|
0.017
|
К4
|
9.448
|
Находим ударный ток в точках КЗ К1,К2,К3,К4.
Ударный ток короткого замыкания в точке К1:
кА,
где:
- ударный коэффициент, 
- постоянная времени затухания апериодической составляющей.
Для остальных точек расчет аналогичен и сводится в таблицу.
|
Точка расчета.
|
Ударный ток кА.
|
|
К1
|
21.744
|
|
К2
|
18.31
|
|
К3
|
16.299
|
|
К4
|
13.361
|
Проверка кабелей на термическую стойкость токам короткого замыкания
Выбранные кабели требуется проверить на термическую стойкость. Степень
термического воздействия тока КЗ на проводники и электрические аппараты
определяется по значению интеграла Джоуля Вк (в тех случаях,
когда
).
.
где
- действующее значение периодической составляющей тока КЗ от
эквивалентного источника энергии (системы), А;
- постоянная времени затухания апериодической составляющей
тока КЗ от эквивалентного источника, принимается равной 0,05 с;
- расчетная продолжительность тока КЗ, с.
|
,
|
|
где
- полное время отключения выключателя, с;
- время действия релейной защиты, с.
Принимаем tк = 0,2 с.
Проверка: 0,2> 3× 0,05, 0,2 > 0,15.
Определим значение интеграла Джоуля Вк в точках К1 и К2:
кА2·с;
кА2·с;
Таблица 15 - Значение интеграла Джоуля Вк.
|
Точка
|
Iкзi, кА
|
Линия
|
Fi, мм2
|
Bкi, кА2·c
|
|
К1
|
15,36
|
0-1
|
185
|
58,98
|
|
К2
|
12.947
|
1-2
|
120
|
41.906
|
|
К3
|
11.525
|
2-3
|
70
|
33.206
|
|
К4
|
9.448
|
3-4
|
70
|
22.316
|
Кабель обладает достаточной термической стойкостью, если его конечная
температура нагрева
током КЗ не превышает допустимую
, т.е. выполняется условие
|
,
|
|
где
°С для алюминиевых кабелей с бумажной пропитанной изоляцией
напряжением до 10 кВ.
Конечная температура нагрева
определяется по кривой зависимости
этой температуры от функции
, А2×с/мм4, которая рассчитывается следующим образом
|
,
|
|
где s - сечение жилы кабеля, мм2;
Вк - интеграл Джоуля, А2×с;
- значение функции
, соответствующее начальной
температуре нагрева кабеля, А2×с/мм4.
При отсутствии данных о предшествующей нагрузке кабеля его начальную
температуру принимают равной допустимой температуре продолжительного режима.
Для кабелей с бумажной изоляцией напряжением 10 кВ
°С. Этой температуре соответствует
= 0,4×104 А2×с/мм4.
. Участок 0-1: сечение 185 мм2, интеграл Джоуля (т.К1) - 58.98
кА2*с
А2*с/мм4,
Этому значению соответствует
С.
. Участок 1-2: сечение 120 мм2, интеграл Джоуля (т. К2) -
41.906 кА2*с
А2*с/мм4,
Этому значению соответствует
С.
. Участок 2-3: сечение 70 мм2, интеграл Джоуля (т.К3) - 33.206
кА2*с
А2*с/мм4,
Этому значению соответствует
С.
Значит увеличиваем сечение кабеля на одну ступень и повторяем проверку.
А2*с/мм4,
Этому значению соответствует
С.
. Участок 3-4: сечение 35 мм2, интеграл Джоуля (т.К4) - 22.316
кА2*с
А2*с/мм4,
Этому значению соответствует
С.
Таким образом, данная проверка подтверждает правильность выбора кабелей.
Проверка кабелей по допустимому отклонению напряжения
Выбранные сечения кабелей должны быть проверены по допустимому отклонению
напряжения в нормальном и послеаварийном режимах. Согласно ГОСТ 13109-97
нормально допустимые значения отклонений напряжения на зажимах ЭП составляют ±5
%, а предельно допустимые ±10%. Указанные значения отклонений напряжения на
зажимах потребителей 0,4 кВ будут обеспечиваться в том случае, если в
распределительной сети 10 кВ расчетное значение потерь напряжения будет
находиться в пределах максимальной располагаемой потери напряжения. На стадии
проектирования принимается усредненное значение расчетных потерь напряжения,
которое для сети 10 кВ составляет около 6 % в нормальном режиме.
Расчет потерь напряжения на участке сети в процентах производится по
следующей формуле
|
,
|
|
где Р - активная мощность участка сети, кВт;
Q -
реактивная мощность участка сети, квар;
r, x - активное и реактивное
сопротивления участка, Ом;
Uном - номинальное напряжение, кВ.
Полученное значение потерь
сравнивается с допустимым
(располагаемым) значением
(6 %). При этом должно соблюдаться соотношение
.
Полученные значения потерь напряжения были сведены в таблицу 16.
Таблица 16 - Проверка по допустимому отклонению напряжения
|
Линия
|
Fстi, мм2
|
Ri, Ом
|
Xi, Ом
|
Pi, кВт
|
Qi, квар
|
U, %
|
Pi, кВт
|
Qi, квар
|
U, %
|
|
|
|
|
Послеаварийный режим
|
Нормальный режим
|
|
0-1
|
185
|
0,0689
|
0,0216
|
1374
|
391.462
|
0.103
|
687
|
195.731
|
0.05
|
|
1-2
|
120
|
0,1059
|
0,0205
|
1445
|
389
|
0.161
|
722
|
194.5
|
0.08
|
|
2-3
|
95
|
0,1134
|
0,0220
|
1259
|
365.034
|
0.151
|
629
|
182.5
|
0.07
|
|
3-4
|
70
|
0,0443
|
0,0086
|
1420
|
361
|
1.938
|
710
|
180.5
|
0.9
|
Так как расчётные значения потерь напряжения не превышают допустимые, то
сечения кабелей были выбраны правильно.
Выбор электрооборудования для электроустановок высокого напряжения 10 кВ.
Для установки в ТП выбираем камеры типа КСО. Камеры КСО 300 серии предназначены
для установки в трансформаторные подстанции наружного исполнения. Камеры
комплектуются выключателями нагрузки, разъединителями, заземляющими
устройствами, предохранителями, измерительными трансформаторами тока и
напряжения и другими электротехническими аппаратами высокого напряжения.
Выбор камер КСО-366 ВВ на примере ТП-1.
) по номинальному напряжению установки:
н
≥ Uраб; Uн
= 10 кВ ≥ Uраб = 10 кВ;
2) по номинальному току:
н
≥ Iраб; Iн = 630 А ≥ Iраб =
329.147 А;
) по электродинамической стойкости:
;
Выбор вакуумных выключателей.
Выбранные ячейки КСО-366 комплектуются вакуумными выключателями.
В качестве выключателя применим вакуумный выключатель фирмы "Таврида
электрик" ВВ/ TEL-10-20-630.
Вакуумные выключатели BB/TEL предназначены для эксплуатации в сетях трехфазного
переменного тока частотой 50 Гц номинальным напряжением до 10 кВ с
изолированной и компенсированной нейтралью в нормальных и аварийных режимах.
Вакуумные выключатели BB/TEL применяются в ячейках КРУ внутренней и наружной
установки, а также в камерах КСО, как при новом строительстве, так и при замене
выключателей прежних лет выпуска.
Условия выбора и проверки выключателей нагрузки BB/TEL-10-12.5-630-У2
Выбор шинного линейного разъединителя .
Разъединители выбирают по номинальному току и напряжению и
конструктивному исполнению с проверкой на динамическую и термическую стойкость.
Условия выбора и проверки разъединителя РЛНД 1 -10/400 У1.
Выбор предохранителей.
Для защиты силовых трансформаторов выбираем предохранители для ТП с кварцевым
наполнителем серии ПКТ - 103.
Условия выбора и проверки предохранителей на примере ТП-1.
|
Паспортные данные
|
ПТ1.3-10 серия
|
Условия выбора
|
проверка
|
|
По номинальному напряжению.
|
10
|
|
|
|
По номинальному току. А
|
50
|
|
|
|
По предельно отключаемому
току. кА
|
31.5
|
|
|
Для остальных ТП выбор оборудования аналогичен и сводится в таблицу.
|
№ ТП
|
Тип ячеек.
|
Тип выключателей.
|
Тип разъеденителей.
|
Тип предохранителей
|
|
ТП-1
|
КСО-366 ВВ
|
ВВ/ TEL-10-20-630.
|
РЛНД 1- 10/400 У1.
|
ПТ1.3-10
|
|
ТП-2
|
КСО-366 ВВ
|
ВВ/ TEL-10-20-630.
|
РЛНД 1-10/400 У1.
|
ПТ1.3-10
|
|
ТП-3
|
КСО-366 ВВ
|
ВВ/ TEL-10-12.5-630.
|
РЛНД-1-10-200 У1
|
ПТ1.3-20
|
|
ТП-4
|
КСО-366 ВВ
|
ВВ/ TEL-10-12.5-630.
|
РЛНД-1-10-200 У1
|
ПТ1.2-10
|
6. Расчет распределительных сетей низкого напряжения
Расчет
распределительных сетей низкого напряжения 0.4 кВ.
Расчет распределительных сетей низкого напряжения заключается в
определении тока протекающего по кабелю в нормальном и послеаварийном режиме,
определение сечения кабельной линии, выборе аппаратов защиты, с последующей
проверкой надежности их срабатывания при однофазном коротком замыкании, и
проверкой на предельную отключающую способность при трехфазном коротком
замыкании.
Сечения проводов и кабелей должны выбираться по длительно допустимому
току в нормальном и послеаварийном режимах и допустимым отклонениям напряжения.
При проверке кабельных линий по длительно допустимому току нагрева необходимо
учитывать поправочные коэффициенты на число работающих кабелей, лежащих рядом в
земле; на фактическую температуру окружающей среды; тепловое сопротивление
грунта и на допустимую перегрузку в послеаварийном режиме.
Покажем выбор поправочных коэффициентов на примере кабельной линии
состоящей из двух кабелей, питающей ВРУ образовательной школы (объект 10).
Поправочный коэффициент (К1н), учитывающий
количество работающих кабелей, лежащих рядом в земле в нормальном режиме
работы, принимается по табл.1.3.26./2/ для расстояния между кабелями в свету
а=100 мм: К1н=0,9 (два кабеля);
Коэффициент (К1п.ав), учитывающий количество
работающих кабелей, лежащих рядом в земле в послеаварийном режиме работы (обрыв
одного кабеля рассматриваемой линии), принимается по табл.1.3.26./2/ для
расстояния между кабелями в свету а=100 мм: К1п.ав=1,0
(один кабель).Поправочный коэффициент (К2) для приведенного
теплового сопротивления Rгрунта=80
см·К/Вт и песчано-глинистой почвы с влажностью (12-14)% по табл.1.3.23./2/
равен К2=1,0
Так как для данной территории нагрузка максимальна в осенне-зимний
период, то температура земли на глубине прокладки кабеля равна t=5°С табл.1.3.3 /2/. Следовательно поправочный температурный
коэффициент (для нормальной температуры при прокладке в земле t=15°C) равен К3=1,08.
Коэффициент перегрузки в послеаварийном режиме (К4)
определяется по табл.1.3.2./2/, К4=1,25.
Согласно ПУЭ при выборе поправочных коэффициентов вычисляется значение
суммарного коэффициента:
для нормального режима:
Кнобщ.=К1.н·К2·К3,(30)
Кнобщ.=0,9*1,0*1,08=0,972;
для послеаварийного режима:
Кп.авобщ.=К1.пав·К2·К3·К4,(31)
Кп.авобщ.=1,0*1,0*1,08*1,25=1,35
Поправочные коэффициенты для остальных объектов микрорайона приведены в
таблице 17
Таблица 17 Поправочные коэффициенты для выбора сечений КЛ по длительно
допустимому току нагрева для первого варианта сети
Исходными данными для расчета сетей являются длина и нагрузка элементов
сети. Длина участков может быть получена из генерального плана микрорайона.
Нагрузка элементов сети определяется путем суммирования нагрузок потребителей с
учетом графиков их нагрузок.
Определение расчетных токов и выбор сечений кабельных линий
В связи с тем, что основную часть потребителей в микрорайоне составляют
электроприемники второй категории, то, согласно требований по надежности
электроснабжения, они должны обеспечиваться питанием от двух независимых
источников питания. Поэтому кабельные линии, соединяющие электроприемники с
трансформаторными подстанциями, выполняются двумя кабелями, присоединенными к
разным сборным шинам 0.4 кВ трансформаторных подстанций.
Для выбора сечения кабельных линий необходимо знать значение тока в
линии, как в нормальном, так и в послеаварийном режиме.
Покажем определение нормального и послеаварийного тока на примере линии
Л3, питающей ВРУ 10 и состоящей из двух кабелей
Мощность, передаваемая по каждому из кабелей в нормальном и
послеаварийном режимах, определяется на основании расчетных схем, показанных на
рис.11.
Рис11 Расчетная схема для определения мощностей на участках линий
а) нормальный режим, б) послеаварийный режим.
Расчетные токи будут определятся согласно расчетных схем показанных на
рис.11.
Для примера рассмотрим определение расчетных токов на основании расчетной
схемы для ТП1 (рис11.а).
Рис 12. Расчетные схемы для определения токов в линиях: а) расчетная
схема для ТП1; б) расчетная схема для ТП2; в)расчетная схема для ТП3;
г)расчетная схема для ТП4.
Значение расчетного тока в нормальном режиме определяется по выражению:
,(32)
где Sнр..-полная расчетная мощность на участке
сети в нормальном режиме, кВА;
Uн -
номинальное напряжение сети, Uн=0.38
кВ.
Так как питание жилого дома (поз. 1) производится по двум кабелям, то
расчетная мощность на участке сети в нормальном режиме определяется следующим
образом:
,(33)
где Sр.ж.д-полная расчетная мощность жилого
дома, согласно таблице 4, Sр.ж.д=419
кВА
По формуле (32):
В послеаварийном режиме (один кабель вышел из строя) расчетный ток может
быть определен по формуле:
, (34)
где 0.9 - поправочный коэффициент для взаиморезервируемых линий, взятый согласно
п.2.3.3. /1/.
- полная расчетная мощность на участке сети в послеаварийном
режиме,
.
Аналогичные расчеты проводятся для остальных линий питающих жилые дома и
общественные здания.
Результаты расчетов приведены в таблице 18.
Таблица 18 Определение расчетных токов на участках линий от ТП до ВРУ
|
Линия
|
Участок линии
|
Число кабелей в линии n
|
Полная расчетная нагрузка в
норм. режиме.: Sнр
|
Полная расчетная нагрузка в
ПАВ режиме: Sрпав
|
Расчетный ток одного
кабеля: Iрн
|
Расчетный ток кабеля в ПАВ:
Iрп.ав
|
|
|
шт
|
кВА
|
кВА
|
А
|
А
|
|
ТП-1
|
|
Л1
|
ТП1-1
|
2
|
209.5
|
377.1
|
318.302
|
572.944
|
|
Л2
|
ТП1-20
|
2
|
32.98
|
59.364
|
50.108
|
90.194
|
|
Л3
|
ТП1-2
|
2
|
188.362
|
339.052
|
286.186
|
515.136
|
|
Л4
|
ТП1-6
|
2
|
114.844
|
206.719
|
174.487
|
314.077
|
|
Л5
|
ТП1-7
|
2
|
111.546
|
200.783
|
164.477
|
305.058
|
|
Л6
|
ТП1-3
|
2
|
77.408
|
139.334
|
117.609
|
211.696
|
|
ТП-2
|
|
Л7
|
ТП2-4
|
1
|
98.881
|
----
|
150.234
|
----
|
|
Л8
|
ТП2-5
|
2
|
163.663
|
294.594
|
248.66
|
447.589
|
|
Л9
|
ТП2-9
|
2
|
188.36
|
339.048
|
286.183
|
515.13
|
|
Л10
|
ТП2-8
|
2
|
209.5
|
377.1
|
318.302
|
572.944
|
|
Л11
|
ТП2-14
|
2
|
145.654
|
262.177
|
221.298
|
398.337
|
|
ТП-3
|
|
Л12
|
ТП3-10
|
2
|
111.108
|
199.944
|
168.811
|
303.859
|
|
Л13
|
ТП3-11
|
2
|
168
|
302.339
|
255.25
|
459.357
|
|
Л14
|
ТП3-19
|
2
|
147.093
|
264.767
|
223.485
|
402.272
|
|
Л15
|
ТП3-12
|
2
|
343.943
|
522.567
|
940.622
|
|
ТП-4
|
|
Л16
|
ТП4-15
|
2
|
230.935
|
415.683
|
350.869
|
631.565
|
|
Л17
|
ТП4-16
|
2
|
230.935
|
415.683
|
350.869
|
631.565
|
|
Л18
|
ТП4-13
|
2
|
77.408
|
139.334
|
117.609
|
211.696
|
|
Л19
|
ТП4-17
|
2
|
111.546
|
200.783
|
169.477
|
305.058
|
|
Л20
|
ТП4-18
|
2
|
97.08
|
174.744
|
147.498
|
265.496
|
Принимаем для прокладки на территории микрорайона кабель с алюминиевыми
жилами с бумажной пропитанной изоляцией марки ААБлУ, прокладываемый в земле.
Сечение данной марки кабеля выбирается по табл.1.3.16./2/ в ПУЭ в графе
четырехжильных кабелей до 1 кВ. Для линии Л1, по значению
по табл.1.3.16 /2/ для принятой
марки кабеля и способа его прокладки выбирается сечение с учетом условия:
, (35)
где Iдоп - длительно допустимый ток кабеля, определяемый по
табл.1.3.16/2/. Принимаем
и соответствующее ему сечение F=185мм2
345А > 318,302А
Определяем фактический допустимый ток и сравниваем его с током
нормального режима:
.,(36)
(37)
где Кнобщ. -суммарный поправочный
коэффициент для нормального режима работы сети, по табл. 12, Кнобщ.=0,972
Если условие (37) выполняется, то сечение выбрано верно и необходимо
проверить послеаварийный режим, если же не выполняется, то необходимо увеличить
сечение на одну ступень и снова сделать проверку.
I'д.=0,972*345=335.34 А.
.34 А>318.302 А
Т.к. условие выполняется, то осуществим проверку в послеаварийном режиме
работы распределительной сети низкого напряжения.
Проверку в послеаварийном режиме работы осуществляют по выражению:
(38)
(39)
где Кп.авобщ. - суммарный поправочный
коэффициент в послеаварийном режиме работы сети по табл. 12, Кп.авобщ=1,35.
Iр.п.ав - расчетный ток линии в послеаварийном режиме определяемый
по табл. 13, Iр.п.ав=572.944
А.
Если данное условие не выполняется то необходимо увеличить сечение жилы
кабеля F еще на одну ступень; если же условие
выполняется, то принимаем выбранное сечение жилы.
Iд.п.ав=1,35*345=465.75 А.
.75 A>572.944 А.
Т.к. условие не выполняется, то принимаем два кабеля в параллель так как
большего сечения чем F=185
мм2 кабели ААБлУ не выпускаются, берем два сечением F=95 мм2, Iдоп.=240 А.
Iд.п.ав=1,35 *(240+240)=648 А.
A>572.944
А
Видим, что условия (37) и (39) выполняются, следовательно дальнейший
расчет прекращаем и принимаем окончательно сечение жил двух кабелей
подключенных параллельно F=95
мм2, Iд.т.=240 А.
Аналогичные расчеты произведены и для других участков линий
распределительной сети и представлены в таблице 19.
Таблица 19 Расчетная таблица для определения сечения жил кабеля
7. Выбор типа трансформаторной подстанции
Схемы и
конструкции ТП
Трансформаторная подстанция (ТП) - это электрическая установка, служащая
для приема, преобразования и распределения электрической энергии переменного
тока.
Подстанция состоит из силовых трансформаторов 10/0,4 кВ,
распределительных устройств управления, релейной защиты и автоматики.
Трансформаторные подстанции должны проектироваться с учетом эксплуатации
их без постоянного дежурства персонала с применением устройств автоматики, а в
случае необходимости простейших устройств телемеханики. Для поддержания
требуемого уровня надежности и безотказности работы, подстанции рекомендуется
выполнять по простейшим схемам: без силовых выключателей на вводах и без
сборных шин на стороне высшего напряжения.
В настоящее время для вновь проектируемых систем электроснабжения городов
рекомендуется применять ТП типа К-42-Sт-М5:
К - ввод в ТП в виде кабеля; 4 - количество вводных кабелей, равно
четырем; 2 - количество трансформаторов в ТП, равно двум; Sт - номинальная мощность трансформаторов; М - означает,
что ТП модернизированная; 5 - модификация, которая соответствует самой удобной
и универсальной разработке ТП.
Таким образом, принимаем к установке в микрорайоне следующие ТП:
ТП-1 К-42-1000-М5.
На рис.12 показан разрез трансформаторной подстанции
-камера КСО-10кВ;2-шинный мост 10 кВ;3-ввод 10кВ; 4-вывод 10 кВ;5-панели
ЩО-70 0.4кВ; 6-трансформатор;8-щиты управления
Рис.13 Разрез трансформаторной подстанции.
Схему электрических соединений на стороне высшего напряжения покажем на
примере ТП-1, для остальных ТП схема будет аналогичной.
Рис.14. Схема электрических соединений на стороне высшего напряжения ТП-1
В данной схеме силовой трансформатор защищается с помощью предохранителя,
который выбирается в зависимости от мощности установленного трансформатора.
На рис.13 показана схема электрических соединений на стороне низшего
напряжения (0.4кВ) для ТП-1.
Согласно п.3.1.10./1/ для установки в трансформаторные подстанции приняты
следующие марки трансформаторов:
ТМ-1000/10/0.4 с параметрами: Uвн=10 кВ; Uнн=0,4 кВ;Uк=6%; Iх=1,2%; схема соединения Y/Y0; сопротивление прямой последовательности: Rт=5,5 мОм.
8.
Обеспечение нормального качества напряжения на электроприемниках и у
потребителей
Нормальное качество напряжения в системах электроснабжения городов по
всем показателям должно соответствовать требованиям ГОСТ 13.109-97.
Обеспечение требуемого уровня напряжения у электроприемников достигается
правильным выбором закона регулирования напряжения на шинах ЦП и ответвления на
трансформаторах ТП. Исходными данными для анализа режимов напряжения в сетях
являются результаты расчета потери напряжения в выбранных сечениях проводов и
кабелей в режиме максимальных и минимальных нагрузок.
В соответствии с ПУЭ городские электрические сети должны обеспечивать на
зажимах присоединенных к ним приемников электрической энергии в нормальном
режиме отклонения напряжения, не превышающие следующие значения:
а) для основной массы электроприемников ±5%;
б) на зажимах приборов рабочего освещения в производственных помещениях и
общественных зданиях, где требуется длительное зрительное напряжение, а также в
прожекторных установках наружного освещения от -2.5% до +5%;
в) на зажимах электродвигателей - их аппаратуры пуска и управления от -
5% до +10%.
При этом падение напряжения в нормальном режиме не должно превышать
значения 6% -в сетях 10кВ, и 4-6% - в сетях 0.4 кВ от ТП до вводов в здание,
причем меньшие потери напряжения относятся к высокоэтажным зданиям, а большие -
к малоэтажным.. Падение напряжения во внутридомовой сети не должно превышать
2.5%.
Проверка выбранных сечений кабелей по допустимой потере напряжения
Допустимые потери напряжения для кабелей 0.38 кВ, по которым будет
осуществляться проверка, составляют:
в нормальном режиме ∆Uндоп.=5%;
в послеаварийном режиме допускается потеря дополнительно 5% напряжения,
т.е. ∆Uп.авдоп.=10%.
Определение потери напряжения в кабельных линиях покажем на примере линии
Л1 ТП1-1 распределительной сети.
Потери напряжения в кабельной линии в нормальном режиме работы
определяются по формуле:
,(40)
где I нр- расчетный ток в нормальном режиме
работы из таблицы 13;
cos
- расчетный коэффициент, определяемый по табл.2.2.1-для
общественных зданий, и по табл. 2.1.4 /1/-для жилых зданий, cos
=0,95;
Uн - номинальное напряжение сети, Uн=380 В;
r0 и x0 -удельные сопротивления кабеля,
которые зависят от сечения жилы, и определяется по табл. 20; r0=0,17Ом/км; х0=0,06 Ом/км
L -
длина линии, L=0.095 км;
Тогда потери в нормальном режиме по формуле (40) будут:
.
Проверяем полученные потери по допустимой потере напряжения:
(41)
,48% ≤ 5%
Таким образом, предварительно принятое сечение, в нормальном режиме
работы удовлетворяет требованиям качества электрической энергии
Таблица 20 Удельное активное сопротивление
кабеля
|
F, мм2
|
16
|
25
|
35
|
50
|
70
|
95
|
120
|
150
|
185
|
|
r0, Ом/км
|
1,95
|
1,28
|
0,92
|
0,64
|
0,46
|
0,34
|
0,27
|
0,21
|
0,17
|
|
х0, Ом/км
|
0,06
|
0,06
|
0,06
|
0,06
|
0,06
|
0,06
|
0,06
|
0,06
|
0,06
|
Проведем проверку предварительно выбранного сечения по потере напряжения
в послеаварийном режиме работы.
Потери напряжения в кабельной линии в послеаварийном режиме работы
определяются по формуле:
, (42)
где I павр- расчетный ток в послеаварийном режиме работы из
таблицы 13;
.
Проводим проверку полученных потерь по допустимой потере напряжения в
послеаварийном режиме работы:
(43)
.47% ≤ 10%
Таким образом, полученные потери меньше допустимых значений, поэтому,
можем сказать, что сечение кабеля выбрано верно.
В случае если условие (41) или (43) не выполняются, то необходимо
увеличить сечение токопроводящей жилы кабеля и снова сделать проверку.
Аналогичные расчеты проводятся для всех линий сети, а результаты сводятся
в таблицу 21
Таблица 21 Расчет потерь напряжения распределительной сети 0.4 кВ
Проверка распределительной сети 0.4 кВ на колебания напряжения при
запуске асинхронных двигателей лифтовых установок
При пуске асинхронного двигателя с короткозамкнутым ротором, пусковой ток
которого в 4¸8 раз
больше его номинального тока, возникает резкое снижение напряжения на некоторое
малое время. Затем, по мере разгона двигателя и уменьшения его пускового тока,
напряжение на зажимах снова повышается.
Для того, чтобы качество напряжения соответствовало ГОСТ 13.109-97
проверим спроектированную распределительную сеть 0.4 кВ на колебание напряжения
при пуске АД.
В лифтовых установках рассматриваемых домов используются два типа
электродвигателей:
АСМ 52-6 с параметрами: Р=4.5 кВт, Iн.д=14.11 А, Кп=4.5, mп=2.2, mмах=2.3, соsj=0.57, соsjп=0.52;
АМ-180S6/18НЛБ с параметрами: Р=7
кВт, Iн.д=16.23 А, Кп=5.5, mп=2.5, mмах=2.8, соsj=0.78, соs jп=0.41.
При проектировании электрических сетей жилых и общественных зданий
возможность совмещенного питания рабочего освещения и силовых электроприемников
(лифтов) должна быть проверена специальным расчетом. Данным расчетом
определяется: а) возможность прямого пуска электродвигателя; б) размах и
изменение напряжения на шинах ВРУ, к которому, кроме силовых электроприемников,
может быть присоединена и осветительная нагрузка.
Осуществим расчет колебаний напряжения при запуске АД лифтовых установок
для наиболее длинных и наиболее загруженных линий из распределительной сети.
Пример расчета покажем для линии ТП3-12 (L=148м). Если для электродвигателей лифтовых установок
питаемых по данным линиям выполнятся условия: а) прямого пуска наиболее
удаленного двигателя и, б) устойчивой работы отдельных включенных двигателей
при пуске еще одного; то с достаточной достоверностью можем сказать, что данные
условия будут выполняться и для других линий.
Составим расчетную схему для линии ТП3-12, которая показана на рис.15.
Определим параметры схемы используя справочные данные.
Сопротивления трансформатора: rтр=5,5 мОм, хтр=17,1
мОм.
Сопротивления линии в нормальном режиме определяются на основании табл.
20: rаб=34.56 мОм, хаб=7.68
мОм.
Сопротивления проводников соединяющих ВРУ и двигатели:
провод F=16 мм2
r0=1,95 Ом/км, х0=0,095 Ом/км;
Рис. 15 . Расчетная схема для проверки распределительной сети 0.4 кВ на
колебание напряжения при запуске АД
rбв=r0×Lбв=1,95*20=39 мОм, хбв=х0×Lбв=0,095*20=1.9 мОм;
rбг=1,95*120=
234мОм, хбг=0,095*120=11.4 мОм.
Определим значение расчетного коэффициента А, который необходим для
вычисления дополнительного напряжения:
, (44)
где R и X - сопротивления рассматриваемого участка от ВРУ до АД,
мОм;
n - количество последовательных участков линий до соответствующей точки, в
которой определяется коэффициент А;
соs jп и sin jп - пусковые характеристики двигателя.
Ааб=[(34.56+5,5)*0,52+(7.68+17,1)*0,85]=41.894 мОм;
Аав=[(34+39+5,5)*0,52+(7.68+1.9+17,1)*0,85]=
63.789 мОм;
Ааг=[(34+234+5,5)*0,52+(7.68+11.4+17,1)*0,85]=173.264 мОм.
Изменение напряжения на зажимах электродвигателя в момент его запуска
определяется по формуле:
,(45)
где Uн=380 В - номинальное напряжение
электродвигателя.
,
,
.
Принимая полную потерю в сети равной 10% (∆Uс=10%) определим напряжение на зажимах электродвигателя при
его пуске, по отношению к номинальному напряжению, т.е. в относительных
единицах:
U*дв=1,05∙Uн-(∆Uс+∆Uдв) , (46)
U*д.ав=1,05∙1-(0,10+0,02439)=0,926 о.е.
U*д.аг=1,05∙1-(0,10+0,0635)=0,894
о.е.
Т.е. это напряжения на зажимах ближайшего и самого удаленного
электродвигателя соответственно. Возможность прямого пуска электродвигателей
определяется из условия:
(U*дв)2∙mп ≥ 1.1∙mмех∙Кз , (47)
где mмех - кратность начального момента приводимого механизма,
который для пассажирских лифтов равен mмех=1,7, а для грузовых mмех=1,8;
Кз - коэффициент загрузки, Кз=1;
mп -
кратность пускового момента двигателя.
,9262*2,5>1,1*1.8*1
,14>1.98
,8942*2,5>1,1*1,8*1
,99>1.98
Т.к. условие выполняется, то прямой пуск двигателей обеспечивается.
Проверим условие устойчивой работы электродвигателя лифта при пуске
другого двигателя лифта.
(U*дв)2∙mmax ≥ 1.1∙Кз,(48)
,9262*2,8>1,1*1
,4>1,1
,8942*2,8>1,1*1
,23>1,1
Т.к. условие выполняется, то можно сказать, что двигатель лифта будет
продолжать нормально работать.
Устойчивость работы пусковых аппаратов электродвигателей работающих от
рассматриваемой сети не нарушается, т.к. магнитные пускатели и контакторы не
отключаются при снижении напряжения на их зажимах до 65% от Uном. В связи с этим в большинстве
случаев проверка нормальной работы пусковой аппаратуры для остальных
электродвигателей не требуется.
Наиболее серьезными случаями, которые требуют обязательной проверки на
колебания напряжения, являются моменты включения электромагнитного тормоза
лифтовой установки. Данное включение вызывает дополнительные пусковые токи.
Практически выполненные расчеты для различных схем зданий и высотностей
показали, что дополнительное снижение напряжения, вызванное включением
электромагнитного тормоза, составляет 0.4% от Uном. При этом допустимое снижение напряжения не более 10%.
Определим снижение напряжения на ВРУ (в точке б) при пуске двигателя
лифта с учетом потерь напряжения при включении электромагнитного тормоза:
∆Uдв.б.общ.=∆Uдв.б+∆Uдв.эм.т. ,(49)
∆Uдв.б.общ.=1,616+0,4=2.016%
.016%<10%
Получили, что суммарное снижение напряжения находится в допустимых
пределах.
Т.к. линия ТП3-12 удовлетворяет всем установленным требованиям, то все
другие линии тоже будут удовлетворять этим условиям.
. Расчет токов короткого замыкания. Выбор и проверка аппаратуры защиты ТП
и кабелей на стойкость токам короткого замыкания
Расчет токов КЗ на шинах ТП в сети напряжением 0.4 кВ.
Расчетаем токи трехфазного КЗ в сети напряжением 0.4 кВ на примере ТП-1.
Составляем схему замещения:
Рисунок 16 прямая последовательность.
Рисунок 17 нулевая последовательность.
Находим сопротивление системы
:
гдеUСР.НН - среднее номинальное напряжение
сети, подключаемой к обмотке низшего напряжения трансформатора, В;
UСР.ВН - среднее номинальное напряжение
сети, подключаемой к обмотке высшего напряжения трансформатора, В;
IКЗ - действующее значение тока
короткого замыкания при трехфазном КЗ у выводов обмотки высшего напряжения
трансформатора, МВА.
мОм.
Активное и индуктивное сопротивление прямой последовательности
трансформатора
:
мОм
мОм
Параметры схемы замещения нулевой последовательности:
Активные и индуктивные сопротивления трансформатора таблица ( П 6.1) 11.
Расчет токов трехфазного короткого замыкания.
Болтовые контактные соединения
Результирующие сопротивления прямой последовательности:
мОм.
Расчитываем металлическое трехфазное КЗ:
кА.
Угол сдвига по фазе напряжения или ЭДС источника от периодической
составляющей тока КЗ:
рад.
Время появления ударного тока:
Постоянная времени затухания апериодической составляющей токаКЗ:
Ударный коэффициент:
Ударный ток металлического трехфазного КЗ:
кА
Находим дуговой ток трехфазного КЗ:
Дуговой ток трехфазного КЗ рассчитывается с учетом поправочных
коэффициентов:
Периодическая составляющая дугового максимального трехфазного тока КЗ:
Ударный дуговой максимальный ток трехфазного КЗ:
Расчет токов однофазного КЗ:
Находим результирующее сопротивление нулевой последовательности
мОм.
Полное сопротивление цепи при однофазном КЗ:
Однофазный ток металлического КЗ:
кА.
Поправочные коэффициенты для однофазного тока дугового КЗ:
Дуговые токи:
Для остальных точек КЗ ТП расчет аналогичен результаты расчетов сводятся
в таблицу.
Выбор защитных аппаратов
Выбор вводного автоматического выключателя, устанавливаемого после
трансформатора.
Выключатели выбирают по номинальным значениям тока и напряжения, роду
установки и условиям работы, конструктивному исполнению и коммутационной
способности. Выбор автоматов производится с учётом следующих требований:
Номинальное напряжение автомата, В:
Номинальный ток автомата, А:
По номинальный ток расцепителя любого вида, А:
По предельно отключаемому току автомата, кА:
Выбираем автоматический выключатель марки "Электрон" типа
Э25С-04 , рассчитанный на номинальное напряжение 380 В и токи расцепителей
максимального тока 1000 -1600-2500 А. Расцепители максимального тока имеют
полупроводниковый блок защиты с регулировкой пяти следующих уставок: Условия
выбора и проверки выключателя
Таблица
|
Паспортные данные
выключателя
|
Условия выбора и проверка
|
|
Номинальное напряжение =0.4 кВ
|
|
|
Номинальный ток =3200 А
|
|
|
Номинальный ток расцепителя
=2500 А
|
|
|
Предельно откл. ток =55 кА
|
|
Выбор уставок автомата Э25С-04.
- Номинальный ток автомата 3200 А
- Ток расцепителя 2500 А
- По току в зоне перегрузки 1.25*2500=3125
- Уставка в зоне тока КЗ по условию
Ток срабатывания 3*2500=7500 А
Где:
ток однофазного дугового КЗ
номинальный ток расцепителя автомата
3-
уставка по току в зоне КЗ
- По времени срабатывания 4с так как легкие условия пуска
- По времени в зоне КЗ 0.25 так как за автоматом нет селективных
выключателей.
Выбор предохранителей.
Для защиты отдельных элементов распределительных сетей напряжением 0.4 кВ
в городских электрических сетях широко применяются предохранители и
автоматические выключатели, чувствительные элементы которых включаются
последовательно с сетью. Предохранители и автоматические выключатели выполняют
функции защиты сети от теплового и динамического действия тока, которое
возникает при его увеличении выше допустимого значения, например, при
перегрузке. В связи с простотой конструкции, малой стоимостью и высокой
надежностью в работе, преимущественное распространение в сетях 0.4 кВ городов
получили предохранители.
В настоящее время для надежного электроснабжения качественной
электроэнергией в городских условиях рекомендуется принимать к установке
аппараты защиты, выполняемые плавкими предохранителями типа ПН-2.
В качестве примера рассматривается выбор плавкой вставки предохранителя,
защищающего кабельную линию, которая запитывает жилой дом II категории (поз.1).
Расчетная схема для выбора плавкой вставки предохранителя приведена на
рис.
Рис.16. Расчетная схема участка сети для выбора плавкой вставки
предохранителя
а) нормальный режим;
б) послеаварийный режим.
Выбор тока плавкой вставки по нормальному режиму работы осуществляется
согласно следующих неравенств:
а) в случае если защищаемый объект (кабель) не питает силовую нагрузку
(электродвигатели лифтовых установок), ток плавкой вставки предохранителя Iв выбирается из условия:
Iв ≥ Iр.н ,
(50)
б) в случае если кабель питает силовую нагрузку:
, (51)
где Iр.н - максимальный расчетный ток
нормального режима, определяемый по табл.13, Iр.н= 318.302А;
Кп - кратность пускового тока электродвигателя;
α - коэффициент, учитывающий условия
запуска электродвигателя, a=2,5 т.к. запуск электродвигателя лифтовой установки легкий.
Iн.дв. - номинальный ток электродвигателя лифтовой установки,
определяемый по формуле:
,(52)
где Рн.дв - номинальная мощность электродвигателя
лифта, кВт;
Uн.дв-номинальное напряжение электродвигателя лифта кВ, Uн.дв.=0,38кВ.
Вычисления по формуле (51) проводим для наибольшего номинального тока
электродвигателя лифта Iн.дв=16,23
А:
.
По табл. 4-1 /8/ выбираем Iв.ном=350 А, ток предохранителя Iпред.=400 А, предельный ток отключения Iпр.отк.=25 кА.
Проверим выбранный номинальный ток плавкой вставки предохранителя в
послеаварийном режиме по выражению:
,(53)
где Iмах(пав) - максимальный ток через защищаемый
объект в послеаварийном режиме, определяемый по табл. 13 , Iмах(пав)= 572.944 А;
.4 - коэффициент, учитывающий, что плавкая вставка не перегорит при токе
равном 1.4×Iв.ном в течение 3-х часов; это условие допустимо, т.к.
расчетное время максимума нагрузки составляет 30 минут.
Если данное условие выполняется, то ток плавкой вставки считается
выбранным верно; если же условие не выполняется, то следует взять следующую
ступень тока плавкой вставки по отношению к ранее выбранному по условиям (50) или
(51). Получаем:
,
А >409 А.
А >409 А.
Увеличиваем ток Iв.ном=500
А, ток предохранителя Iпред.=600 А
Проверим согласование защитных характеристик предохранителя с тепловыми
характеристиками кабеля. Данное согласование достигается путем сопоставления
защитной характеристики аппарата с характеристикой нагрева защищаемого объекта.
При этом последняя должна находиться выше характеристики защитного аппарата.
Данное согласование проверяется по выражению:
I'д ³ 0,33×Iв.ном , (54)
где I'д - допустимый ток кабеля с учетом
поправочных коэффициентов определяется по табл. 14 I'д=437.4 А.
.4 А>0,33*500 А.
.4 А>165А
Видно, что условие выполняется, следовательно, предохранитель выбран
правильно. Аналогичные расчеты проводятся для остальных кабельных линий в обоих
вариантах распределительной сети низкого напряжения, а результаты расчетов
приведены в таблице 22.
Таблица 22 Расчетная таблица для определения тока плавкой вставки и
согласования его с защищаемым проводником.
Расчет однофазного тока КЗ и проверка чувствительности
защитного аппарата.
Проверка надежности срабатывания защитных аппаратов- предохранителей типа
ПН-2 - производится по току однофазного КЗ, определяемого в наиболее удаленной
точке сети.
В качестве примера рассматривается проверка правильности выбора плавкой
вставки предохранителя, защищающего кабельную линию, которая питает жилой дом
(поз.2).
Рис.17. Расчетная схема для определения тока однофазного КЗ.
Согласно ПУЭ ток однофазного КЗ определяется по формуле, в которой
пренебрегают переходными сопротивлениями коммутационных аппаратов:
(55),
где Uф.ср. - фазное среднее напряжение сети, Uф.ср.=230 В;
- полное сопротивление трансформатора при однофазном КЗ,
=0,08 Ом
=0.027 Ом;
- полное сопротивление петли фаза-ноль, которое включает в
себя сопротивление шин, шинопроводов, проводов и кабелей, аппаратов и
контактов, определяемое по выражению:
Zп=Zп.0×L (56),
здесь Zп.0 - удельное сопротивление петли
фаза-ноль, определяемое по табл. 5-12 /6/, Zп.0=0.31 Ом/км;
L - длина линии до точки КЗ, определяемая по табл.16, L=0.115 км.
Таким образом, ток однофазного КЗ в точке К(1):
Чувствительность защитного аппарата к данному току определяется
коэффициентом чувствительности, который определяется по формуле:
(57),
где Iв.ном-номинальный ток плавкой вставки
предохранителя установленного на рассматриваемой линии в распределительном
пункте 0.4 кВ ТП.
Для предохранителя кабеля ТП1-2:
9.17>3
Полученное значение коэффициента чувствительности сравнивается с
минимально допустимым значением Кч.мин.доп.=3.
Т.к. Кч=9.17, то можно сказать, что предохранитель линии
ПН-2-400 при однофазном токе КЗ отключит поврежденную линию. Если же
получается, что Кч<3, то в этом случае необходимо
увеличить сечение фазной жилы кабеля F на один шаг и снова сделать проверку.
Проверка правильности выбора плавких вставок предохранителей, защищающих
кабельные линии, которые питают остальные ЭП, производится аналогично.
Результаты расчетов представлены в таблице 23.
Таблица 23 Расчет токов однофазного КЗ и проверка коэффициента
чувствительности для распределительной сети 0.4 кВ
Определение трехфазного тока КЗ и проверка аппаратов защиты на предельную
отключающую способность
Проверка защитных аппаратов (предохранителей типа ПН-2) на предельную
отключающую способность производится по току трехфазного КЗ, определенного на
шинах трансформаторной подстанции.
Рис.18. Расчетная схема для определения тока трехфазного КЗ
На основании данной схемы составлена схема замещения, показанная на
рис.18.
Рис. 19. Схема замещения для определения тока трехфазного КЗ
Ток трехфазного КЗ будет одинаков для всех трех ТП (ТП-1, ТП-2,
ТП-3,ТП-4) т.к. в них установлены одинаковые трансформаторы мощностью по 1000
кВА.
Ток трехфазного КЗ на шинах ТП (
) определяется по выражению, кА:
,(58)
где Uср. - среднее линейное напряжение сети, Uср.=0.4 кВ;
Zтр. - полное сопротивление трансформатора, которое равно, Zтр., Zтр.1000кВА=0.08 Ом по табл. 8.10 /5/.
Таким образом, ток трехфазного КЗ для трансформаторов мощностью 400кВА
равен:
кА.
Выбор предохранителя с точки зрения предельной отключающей способности
оценивается условием:
,(59)
где Iпр.отк.- предельный ток отключения предохранителя, т.е.
максимальный ток, который может отключить выбранный предохранитель. Согласно
табл. 17 из всего множества установленных предохранителей выберем минимальные
значения Iпр.отк. для распределительной сети: - Iпр.отк.мин.=11кА.
Проверим условие (60):
Iпр.отк.мин.=11кА
>
=2,887 кА, условие выполняется.
Т.к. условие (59) выполняется для сети и для всех предохранителей, то
можем сказать, что предохранители ПН-2 выбраны верно.
Таким образом, в результате всех проделанных расчетов и проверок
окончательно получены сечения кабелей, которые представлены в таблице 24.
Таблица 24 Марка кабеля и сечение его жил распределительной сети 0.4 кВ
|
Линия
|
Участок линии
|
Количество кабелей в линии
|
Марка кабеля-сечение фазной
жилы-сечение нулевой жилы
|
|
---
|
---
|
штук
|
мм2
|
|
ТП-1
|
|
Л1
|
ТП1-1
|
2
|
ААБлУ-2(4´95)
|
|
Л2
|
ТП1-20
|
2
|
ААБлУ-4´16
|
|
Л3
|
ТП1-2
|
2
|
ААБлУ-2(4´70)
|
|
Л4
|
ТП1-6
|
2
|
ААБлУ-4´95
|
|
Л5
|
ТП1-7
|
2
|
ААБлУ-4´95
|
|
Л6
|
ТП1-3
|
2
|
ААБлУ-4´50
|
|
ТП-2
|
|
Л7
|
ТП2-4
|
1
|
ААБлУ-4´50
|
|
Л8
|
ТП2-5
|
2
|
ААБлУ -4´185
|
|
Л9
|
ТП2-9
|
2
|
ААБлУ -2(4´70)
|
|
Л10
|
ТП2-8
|
2
|
ААБлУ-4´185
|
|
Л11
|
ТП2-14
|
2
|
ААБлУ-4´150
|
|
ТП-3
|
|
Л12
|
ТП3-10
|
2
|
ААБлУ-4´95
|
|
Л13
|
ТП3-11
|
2
|
ААБлУ-4´185
|
|
Л14
|
ТП3-19
|
2
|
ААБлУ-4´150
|
|
Л15
|
ТП3-12
|
2
|
ААБлУ -2(4´70)
|
|
Л15.1
|
ТП3-12
|
2
|
ААБлУ -2(4´70)
|
|
ТП-4
|
|
Л16
|
ТП4-15
|
2
|
ААБлУ-3´95+1´25
|
|
Л16.1
|
ТП4-15
|
2
|
ААБлУ-3´95+1´25
|
|
Л17
|
ТП4-16
|
2
|
ААБлУ-3´95+1´25
|
|
Л17.1
|
ТП4-16
|
2
|
ААБлУ-3´95+1´25
|
|
Л18
|
ТП4-13
|
2
|
ААБлУ-3´50+1´25
|
|
Л19
|
ТП4-17
|
2
|
ААБлУ-3´95+1´25
|
|
Л20
|
ТП4-18
|
2
|
ААБлУ-3´70+1´25
|
10. Определение потерь мощности и электроэнергии в элементах системы
электроснабжения
Определение потерь мощности и электроэнергии в распределительной сети
низкого напряжения
Определение потерь мощности и электроэнергии проводим в нормальном
режимах работы сети. Покажем определение потерь мощности и электроэнергии на
примере участкаТП1-2.
Потери активной и реактивной мощности в линии трехфазной электрической
сети в нормальном режиме определяются по выражениям:
, (60)
, (61)
где
-расчетный ток нормального режима, А,
= 286.186 А;
Uном-номинальное напряжение сети Uном=0,38кВ;
r0 и x0 -удельные активное и реактивное сопротивления
линии, мОм/м, r0=0,21 мОм/м, x0=0,06 мОм/м;
L-длина
линии, м, L=115 м;
Так как участок линии ТП1-2 состоит из двух кабелей, то общие потери
мощности в линии равны:
Потери активной и реактивной электроэнергии в линии трехфазной
электрической сети в нормальном режиме определяются по формулам:
,[кВт∙час], (62)
,[кВАр∙час], (63)
где τ -время наибольших потерь, [час] вычисляемое по
формуле:
τ=(0,124+Тмах*10-4)2*8760
, (64)
здесь Тмах -годовое число часов
использования максимума нагрузки, определяемое по табл.53.10./5/, Тмах=3500
τ=(0,124+3500*10-4)2*8760=1968час,
кВт∙час,
кВАр∙час,
Аналогичные расчеты проводим для других линий распределительной сети, а
результаты сводим в таблицу 25
Таблица25
Расчетные значения потерь мощности и электрической энергии в КЛ 0,4кВ
распределительной сети
Расчет потерь мощности и электроэнергии в трансформаторах ТП
Потери активной мощности в трансформаторе складываются: из потерь
активной мощности в стали и потерь активной мощности в меди, которые
соответственно определяются мощностью холостого хода (∆Рхх) и
мощностью короткого замыкания (∆Ркз).
Расчет потерь мощности и электроэнергии в трансформаторах покажем на
примере ТП1. Общие потери мощности в ТП в нормальном режиме работы определяются
по выражениям:
, (65)
(66)
где ∆Рст, ∆Рхх -потери активной
мощности в стали трансформатора, ∆Рст=1.9 кВт;
∆Рм, ∆Ркз -потери активной мощности в
меди трансформатора при его номинальной нагрузке, ∆Рм=10.8
кВт;
К-количество
трансформаторов ТП;
Sр.ТП-расчетная мощность трансформаторной подстанции, кВА;
Ixx-ток холостого хода, %, Iхх=1.2%;
Uк-напряжение короткого замыкания, %, Uк=5.5%;
Sн-номинальная мощность трансформатора, кВА, Sн=1000 кВА.
Таким образом, потери равны:
Потери активной энергии в трансформаторах ТП определяются по формуле:
=2*∆Рст*t+0,5*∆Рм*β2*τ , (67)
где t=8760 часов -время работы ТП в год;
β-коэффициент загрузки в послеаварийном
режиме;
τ -время наибольших потерь,
определяемое по формуле (64).
По рис.2 /7/ т.к. нормальная загрузка трансформатора составляет 65-70%,
то все что выше 70% и будет обуславливать максимальные потери, т.е. с 17 до 22
часов (в течении 5 часов в сутки), тогда: Тмах=5*365=1825
часов.
τ=(0,124+1825*10-4)2*8760=822,93
час
=2*1,9*8760+0,5*10.8*822,93*(1429/1000)2=42360кВт∙час
Аналогичные расчеты проведены и для остальных ТП распределительной сети
низкого напряжения, а результаты представлены в таблицах 26
Таблица26
Расчетные значения потерь мощности и электроэнергии в трансформаторах
распределительной сети 0,4кВ
11. Заземление ТП 10/0,4 кВ
Согласно п 1.7.32. /2/ для защиты людей от поражения электрическим током
при повреждении изоляции следует применять, по крайней мере, одну из следующих
защитных мер: заземление, зануление, защитное отключение и т.д. Заземление
следует применять во всех электроустановках напряжением выше 1кВ, а также в
электроустановках до 1кв с изолированной нейтралью.
Назначение защитного заземления состоит в том, чтобы обеспечить между
корпусами заземляемого электрооборудования и землей электрическое соединение с
достаточно малым сопротивлением, и тем самым снизить до безопасного значения
напряжение прикосновения во время замыкания на корпус оборудования.
Для электроустановок напряжением до 1 кВ с глухозаземленной нейтралью,
согласно п 1.7.62. /2/ , сопротивление заземляющего устройства, при линейном
напряжении 380 В, в любое время года должно быть не более 4 Ом. Рассчитаем
заземляющее устройство для трансформаторной подстанции ТП-1, для остальных ТП
расчет будет полностью аналогичен, т.к. их номинальные мощности одинаковы.
Предполагается сооружение заземляющего устройства с внешней стороны
здания ТП с расположением вертикальных электродов по ее периметру. В качестве
вертикальных заземлителей принимаем, стальные стержни диаметром 16 мм и длиной
2 м, которые погружаются в грунт методом ввертывания. Верхние концы электродов,
погруженные на глубину 0.7 м. Предварительно, с учетом площади, занимаемой ТП,
намечаем расположение заземлителей - по периметру с расстоянием между
вертикальными электродами равным 4 м.
Определяем расчетные удельные сопротивления грунта для горизонтальных и
вертикальных заземлителей по выражениям:
rр.г=ρуд*Кп.г ,(68)
rр.в=ρуд*Кп.в , (69)
где ρуд - удельное сопротивление грунта, которое для микрорайона по
табл.8-1 /9/ берется равным ρуд=100 Ом∙м, (тип почвы - суглинок);
Кп.г и Кп.в - повышающие коэффициенты для
горизонтальных и вертикальных электродов, определяемые по табл.8-8 /9/.
Для грунта средней влажности (коэффициент К2) по
табл.8-8 /9/ эти коэффициенты равны Кп.г=2; Кп.в=1,5.
rр.г=100∙2=200 Ом∙м;
rр.в=100∙1,5=150 Ом∙м.
Сопротивление растеканию одного вертикального электрода стержневого типа
определяем по формуле:
, (70)
где l - длина электрода, l=2 м;
d - внешний диаметр электрода, d=0,016 м;
t -расстояние от поверхности земли до середины электрода, t=0.5*2+0.7=1.7 м.
Ом
Определим примерное число вертикальных заземлителей по формуле:
,(71)
где Ки.в. - коэффициент использования вертикальных
заземлителей, размещенных по контуру, без учета влияния горизонтальных
электродов связи, принимаемый по табл.8-5 /9/.
Коэффициент Ки.в. определяется по примерно выбранному
количеству вертикальных электродов (в нашем случае принятому равным 20) и
отношению расстояний между вертикальными электродами к их длине: 4/2=2, поэтому
Ки.в.=0.66.
штук.
Определяем расчетное сопротивление растеканию горизонтальных электродов
(шина полосовая 40´8 мм) по формуле:
,(72)
где Ки.г. - коэффициент использования
горизонтальных соединительных электродов в контуре из вертикальных электродов,
определяемый по табл.8-7 /9/, Ки.г.=0.32;
l -общая длина горизонтальных электродов, для принятого типа ТП l=42м;
t - расстояние до поверхности земли, t=0,7 м;
b - ширина полосы, b=0,08
м.
Ом.
Уточненное сопротивление вертикальных электродов определяется по формуле:
,(73)
Ом.
Определим уточненное число вертикальных электродов при коэффициенте
использования вертикального электрода соответствующего N=27 (штук) определяемом по табл.8-5
/9/ и равном Ки.в.у.=0,61, по формуле:
,(74)
шт.
Таким образом, окончательно принимаем 25 вертикальных электродов,
расположенных вокруг ТП. Тогда сопротивление вертикальных заземлителей из
формулы (74) будет:
Ом.
Общее сопротивление заземлителя с таким количеством электродов будет:
, (75)
Ом.
Полученное сопротивление меньше 4 Ом, т.е. рассчитанный заземлитель удовлетворяет
всем необходимым требованиям.
Схема выполнения заземляющего контура показана на рис.20.
1 - здание ТП, 2 - вертикальный электрод, 3 - горизонтальный электрод, 4
- камеры ВН (КСО-366), 5 - бак трансформатора, 6 - шкафы ЩО-70, 7 - проводник
диаметром 5-6 мм.
Рис.20. Схема заземляющего контура ТП
Литература
1. Инструкция по проектированию городских электрических
сетей. РД 34.20.185-94 / РАО "ЕС РОССИИ". - М.: Энергоатомиздат, 1995
. Правила устройства электроустановок.-6-е изд., перераб. и
доп. Министерство топлива и энергетики РФ -М.: Главгосэнергонадзор России,
1998.-608 с.
.Учебное пособие по курсовому и дипломному проектированию по
электроснабжению. Электроснабжение городов. 1998г.
. Правила технической эксплуатации электроустановок
потребителей и Правила техники безопасности при эксплуатации электроустановок
потребителей. - 4-е изд., перераб. и доп. - М:. Энергоатомиздат, 1986. - 392
с.:ил.
. Справочник по электроснабжению и электрооборудованию: В 2
т. Т. 1. - Электроснабжение / Под общ. ред. А.А. Федорова - М:.
Энергоатомиздат, 1986. - 568 с.: ил.
. Электрические кабели, провода и шнуры: Справочник / Н.И.
Белоруссов, А.Е. Саакян, А.И. Яковлева; Под. ред. Н.И. Белоруссова. - 5-е изд.,
перераб. и доп. - М.: Энергоатомиздат, 1988. - 536 с.: ил
Пособие по проектированию городских и поселковых
электрических сетей (к ВСН97-83)/ Гипрокоммунэнерго, МНИИТЭП.-М.: Стройиздат,
1987.-208 с.
8. .Электротехнический справочник: В 3 т. Т.З. В 2 кн. Кн.1.
Производство и распределение электрической энергии.- под общ. ред. И.Н.
Орлова.- 7-е изд., испр. и доп.-М.: Энергоатомиздат, 1988.-880с.
9. Справочник по проектированию электроснабжения городов /
В.А. Козлов, Н.И.Билик, Д.Л. Файбисович. - 2-е изд., перераб. и доп. - Л.: Энергоатомиздат.
Ленинградское отделение, 1986. - 256 с.: ил.
. СНиП 23-05-95. Естественное и искусственное освещение.
Приложение №1
Технические данные для выбора камер серии КСО.
Источник (www.elektrokontaktor.ru)
Характеристика камер КСО
Камеры КСО 300 серии предназначены для установки в трансформаторные
подстанции наружного исполнения. Камеры комплектуются выключателями нагрузки,
разъединителями, заземляющими устройствами, предохранителями, измерительными
трансформаторами тока и напряжения и другими электротехническими аппаратами
высокого напряжения. Камеры КСО 366 с вакуумными выключателями серии ВВ/TEL,
ВБ, ВБЭМ, ВБЧЭ и "Эволис" с установкой защит: электромеханические
реле, микропроцессорные, предназначены для модернизации существующих
трансформаторных подстанций и комплектации новых распредустройств с камерами
КСО 366
Камеры КСО 200 серии предназначены для использования в КТП внутренней
установки. Камеры комплектуются выключателями ВПМ-М-10, ВПМП-М-10, вакуумными выключателями
ВВ/TEL, разъединителями, измерительными трансформаторами тока и напряжения и
другими электротехническими аппаратами высокого напряжения.
Камеры серии КСО 200 серии предназначены для установки в трансформаторных
подстанциях типа "Сэндвич", в подстанциях с уменьшенными габаритами
или в других распределительных устройствах. В состав камер входят: вакуумные
выключатели
ВВ/TEL, производства "Таврида-Электрик", измерительные
трансформаторы тока и напряжения, учет расхода и перетоков электроэнергии, измерительные
приборы. Камеры КСО 205 имеют уменьшенные габариты по сравнению с камерами КСО
298 Назначение и структура условного обозначения КСО-366, КСО-366М
Назначение КСО-366, КСО-366М
Камеры сборные одностороннего обслуживания КСО-366, КСО-366М (малогабаритные)
напряжением 6-10 кВ (в дальнейшем - камеры КСО) предназначены для
комплектования распределительных устройств переменного трехфазного тока
частотой 50 Гц в сетях с изолированной или заземленной через дугогасительный
реактор нейтралью.Камеры КСО устанавливаются в закрытых сухих помещениях на
высоте не более 1000 м над уровнем моря, при температуре воздуха от -20°С до
+35°С и относительной влажности до 80%, при отсутствии химически активных и
взрывоопасных газов и паров, а также токопроводящей пыли, в концентрациях,
разрушающих металлы и изоляцию.Степень защиты по ГОСТ 14254-IP
Структура условного обозначения КСО-366, КСО-366М
Структура условного обозначения камер серии КСО-366, КСО-366М
КСО - Х - Х? - Х? - Х? - У3
КСО - Камера сборная одностороннего обслуживания
Х - Модификация
Х? - Порядковый номер схемы главных цепей
Х? - Тип привода (А - автоматический, Н - ручной)
Х? - Номинальный ток, А
У3 - Климатическое исполнение и категория размещения
Пример записи обозначений камер КСО при их заказе и в документации другой
продукции, в которой они могут быть применены:
КСО - 366 - 03 - Н - 400 У3
Состав КСО-366, КСО-366М
Поставка камер осуществляется поштучно или блоками, в соотвествии со
схемами главных цепей.
В комплект поставки входит:
камеры КСО с аппаратурой и приборами главных цепей в соответствии с
заказом;
шинные мосты (если оговорены в заказе);
запасные части и принадлежности согласно спецификации на заказ;
эксплуатационные документы в одном экземпляре.
В объем эксплуатационных документов должны входить:
паспорт на камеру КСО или на комплект камер КСО, входящих в заказ;
техническое описание и инструкция по эксплуатации камер КСО;
технические описания и инструкции по эксплуатации и паспорта на основные
комплектующие изделия, на ккоторые предусмотрена предприятием-изготовителем
поставка этих документов комплектно с изделиями.
Типоисполнение камер КСО определяется конкретной схемой главной цепи и
номинальными параметрами встраимаевых аппаратов. Камеры КСО выполняются по
схемам главных цепей, приведенным в каталоге и указанным в спецификации на
заказ.
Устройство камер КСО-366, КСО-366М
Камера КСО-366 представляет собой металлоконструкцию, собранную из
листовых гнутых профилей.
Внутри камер размещена аппаратура главных цепей. Рукоятки приводов
выключателя нагрузки (разъединителя) и заземляющих ножей расположены с фасадной
стороны камеры. Доступ в камеру обеспечивает дверь, на которой имеется смотровое
окно для обзора внутренней части камеры.
Над дверью камеры имеется отсек под патрон для лампы освещения
внутреннего оборудования камеры что обеспечивает возможность замены
перегоревших ламп без снятия напряжения с камеры КСО.
Напряжение для внутреннего освещения должно быть не выше 36 В. Цепи
вторичных соединений выполнены на рабочее напряжение 110-220 В.
Комплектные распределительные устройства, собранные из камер КСО
комплектуются ошиновкой и шинными мостами. Ошиновка камер выполняется шинами из
алюминия или меди и их сплавов. Шинные мосты служат для перехода сборных шин с
одного ряда камер на другой. На шинных мостах могут располагаться секционные
разъединители. Привода управления этими разъединителями размещаются на торцевых
панелях или на камерах с заземляющими разъединителями. Длина шинных мостов
рассчитана на проход между рядами камер от 2000 до 3900 мм.
В камерах КСО предусмотрены следующие механические блокировки:
Камеры КСО-366, КСО-366М выполняются по схемам главных цепей, приведеным
в таблице:
Габаритные и установочные размеры КСО-366
а) КСО 366-01...КСО 366-13
б) КСО 366-14, КСО 366-15
Глубина камеры КСО-366 - 1000мм.
Габаритные и установочные размеры КСО-366М
а) КСО-366М-01...КСО-366М-13
б) КСО-366М-14, КСО-366М-15 Глубина камеры КСО-366М - 800мм.
Приложение №2
Технические данные для выбора
Вакуумных выключателей серии ВВ/TEL .
Источник (#"802364.files/image314.gif">
Вакуумные выключатели серии BB/TEL - это коммутационные аппараты нового
поколения, в основе принципа действия которых лежит гашение возникающей при
размыкании контактов электрической дуги в глубоком вакууме, а фиксация
контактов вакуумных дугогасительных камер (ВДК) в замкнутом положении
осуществляется за счет остаточной индукции приводных электромагнитов
("магнитная защелка").
Отличительная особенность конструкции вакуумных выключателей серии BB/TEL
по сравнению с традиционными коммутационными аппаратами заключается в
использовании принципа соосности электромагнита камеры в каждом полюсе
выключателя, которые механически соединены между собой общим валом.
Оригинальность конструкции выключателей BB/TEL позволила достичь
следующих преимуществ по сравнению с другими коммутационными аппаратами:
высокий механический и коммутационный ресурс;
малые габариты и вес;
небольшое потребление энергии по цепям управления;
возможность управления по цепям постоянного, выпрямленного и переменного
оперативного тока;
простота встраивания в различные типы КРУ и КСО и удобство организации
необходимых блокировок;
отсутствие необходимости ремонта в течение всего срока службы;
доступная цена.
Принцип фиксации контактов ВДК в замкнутом положении с применением
магнитной защелки в настоящее время активно используется в новых конструкциях
вакуумных выключателей ряда различных фирм (GEC Alsthom, Whipp & Bourne,
Cooper), однако "Таврида Электрик" является первым
предприятием-изготовителем, открывшим дорогу вакуумным выключателям с магнитной
защелкой к массовому потребителю (оригинальность выключателей BB/TEL защищена
патентом Российской Федерации № 2020631).
Благодаря своим преимуществам вакуумные выключатели BB/TEL широко
применяются во вновь разрабатываемых комплектных распределительных устройствах
(КРУ, КСО, КРН), а также для реконструкции ячеек КРУ, находящихся в
эксплуатации и имеющих в своем составе на момент реконструкции выключатели
других конструкций, которые устарели морально и физически.
Устройство и работа выключателя ВВ/TEL
Выключатель вакуумный серии BB/TEL состоит из трех полюсов, установленных
на общем основании. Все три полюса имеют одинаковую конструкцию, изображенную
на рис. 1 .

Привод вакуумного выключателя серии BB/TEL состоит из электромагнитов (по
одному на каждую фазу), электрически соединенных между собой параллельно, и
блока управления БУ.
Механически якори 7 приводных выключателей соединены между собой общим
валом 10, который в процессе включения и отключения поворачивается вокруг своей
продольной оси, и обеспечивает выполнение следующих функций:
управление указателем положении выключателя "ВКЛ - ОТКЛ";
ручное отключение выключателя при аварийных ситуациях;
управление контактами для внешних вспомогательных цепей с помощью
постоянного магнита;
предотвращение срабатывания выключателя в неполно-фазном режиме.
Включение выключателя
Исходное разомкнутое состояние контактов 1, 3 вакуумной дугогасительной
камеры выключателя обеспечивается за счет воздействия на подвижный контакт 3
отключающей пружины 8 через тяговый изолятор 4. При подаче сигнала
"ВКЛ" блок управления выключателя формирует импульс напряжения
положительной полярности, который прикладывается к катушкам 9 электромагнитов.
При этом в зазоре магнитной системы появляется электромагнитная сила притяжения,
по мере своего возрастания преодолевающая усилие пружин отключения 8 и поджатия
5, в результате чего под действием разницы указанных сил якорь электромагнита 7
вместе с тяговыми изоляторами 4 и 2 в момент времени 1 начинают движение в
направлении неподвижного контакта 1, сжимая при этом пружину отключения 8.
После замыкания основных контактов (момент времени 2 на осциллограммах)
якорь электромагнита продолжает двигаться вверх, дополнительно сжимая пружину
поджатия 5. Движение якоря продолжается до тех пор, пока рабочий зазор в
магнитной системе электромагнита не станет равным нулю (момент времени 2а на
осциллограммах). Далее кольцевой магнит 6 продолжает запасать магнитную
энергию, необходимую для удержания выключателя во включенном положении, а катушка
9 по достижении момента времени 3 начинает обесточиваться, после чего привод
оказывается подготовленным к операции отключения. Таким образом, выключатель
становится на магнитную защелку, т.е. энергия управления для удержания
контактов 1 и 3 в замкнутом положении не потребляется.
В процессе включения выключателя пластина 11, входящая в прорезь вала 10,
поворачивает этот вал, перемещая установленный на нем постоянный магнит 12 и
обеспечивая срабатывание герконов 13, коммутирующих внешние вспомогательные цепи.
Отключение выключателя
При подаче сигнала "ОТКЛ" блок управления формирует импульс
тока, который имеет противоположное направление по отношению к току включения и
меньшее амплитудное значение (интервал времени 4 - 5 на осциллограммах). Магнит
6 при этом размагничивается, привод снимается с магнитной защелки, и под
действием энергии, накопленной в пружинах отключения 8 и поджатия 5 якорь 7
перемещается вниз, в процессе движения ударяя по тяговому изолятору 4,
связанному с подвижным контактом 3. Контакты 1 и 3 размыкаются (момент времени
5 на осциллограммах), и выключатель отключает нагрузку.
Ручное отключение выключателя
Ручное оперативное отключение выключателя осуществляется путем
механического воздействия на кнопку ручного отключения, которая в свою очередь
через толкатель, шарнирно связанный с валом 10 выключателя, воздействует через
этот вал на якоря 7 электромагнитов привода. При этом разрывается магнитная
система привода, ее магнитная энергия уменьшается, после чего механической
энергии пружины отключения 8 оказывается достаточно для размыкания контактов 1
и 3 выключателя.
Кнопка ручного отключения одновременно выполняет функцию указателя
положения выключателя "ВКЛ - ОТКЛ".
Ручное включение выключателя не предусмотрено. Для первого включения
выключателя, когда на подстанции отсутствует питание цепей оперативного тока,
разработан способ включения выключателя электрическим путем от автономного
источника питания.
Конструктивные исполнения выключателя ВВ/TEL
В настоящее время выпускаются выключатели двух основных конструктивных
исполнений:
конструктивное исполнение с межполюсным расстоянием 200 мм;
конструктивное исполнение с межполюсным расстоянием 250 мм.
Выключатели конструктивного исполнения с межполюсным расстоянием 200 мм
предназначены преимущественно для замены в ячейках КРУ выключателей типов
ВМР-10, ВМПЭ-10, ВМПП-10, ВК-10, ВКЭ-10 и других, а также для применения во
вновь разрабатываемых ячейках КРУ.
Выключатели данного конструктивного исполнения выпускаются двух
модификаций:
с выводом толкателя кнопки ручного отключения в сторону силовых
токосъемников;
с выводом толкателя кнопки ручного отключения в сторону, противоположную
силовым токосъемникам.
Выключатели конструктивного исполнения с межполюсным расстоянием 250 мм
предназначены преимущественно для замены в камерах КСО и КРН выключателей типа
ВМГ-133 и других, а также для применения во вновь разрабатываемых камерах КСО и
КРН.
Техническая характеристика выключателей серии BB/TEL
Условия эксплуатации выключателей
Вакуумные выключатели серии BB/TEL предназначены для эксплуатации в
следующих условиях.
Климатическое исполнение и категория размещения У2 по ГОСТ 15150-69, при
этом:
наибольшая высота над уровнем моря - до 1000 м;
верхнее рабочее значение температуры окружающего воздуха не должно
превышать плюс 55 °С, эффективное значение температуры окружающего воздуха -
плюс 40 °С;
нижнее рабочее значение температуры окружающего воздуха - минус 40 °С;
верхнее значение относительной влажности воздуха 1 00 % при температуре
плюс 25 °С;
окружающая среда невзрывоопасная, не содержащая газов и паров, вредных
для изоляции, не насыщенная токопроводящей пылью в концентрациях, снижающих
параметры выключателя;
рабочее положение выключателей в пространстве - любое.
Устройства управления вакуумными выключателями BB/TEL
Устройства управления вакуумными выключателями серии TEL являются
неотъемлемой частью привода этих выключателей, хотя конструктивно они
выполняются в виде отдельных модулей и могут быть установлены как в релейном
отсеке шкафов КРУ, так и на выкатных элементах этих шкафов.
Устройства управления серии TEL обеспечивают функционирование вакуумных
выключателей BB/TEL при управлении ими от любого источника постоянного,
выпрямленного или переменного оперативного тока.
В настоящее время выпускаются следующие виды устройств управления:
блок управления BU/TEL-220-05;
блок управления BU/TEL-220-02.
Для адаптации блоков управления типа BU/TEL-01-220-05 к различным
источникам оперативного питания и различным схемам вторичных соединений шкафов
КРУ разработаны и выпускаются следующие дополнительные виды устройств
управления:
блок управления и размножения сигналов PR/TEL-01; блок управления и
размножения сигналов PR/TEL-03; блок питания ВР/TEL-01-220-02-У2; фильтр
O/TEL-220-01; фильтр O/TEL-220-02;
блок автономного включения BU/TEL-220-02.
Выбор необходимых устройств управления для организации вторичных цепей
модернизируемых КРУ определяется видом источника оперативного питания
(аккумуляторная батарея, БПНС, БПТ, УПНС и др.), а также схемой цепей защит и
управления этих КРУ. Выбор устройств управления для вновь разрабатываемых КРУ
осуществляется на стадии их проектирования.
Предприятием "Таврида Электрик" разработан ряд схем подключения
выключателя BB/TEL и устройств управления ко вторичным цепям шкафов различных
КРУ. В настоящее время разработан проект привода БУ/TEL-220-10У2, который
совмещает в себе функции всех перечисленных устройств управления и является
функционально взаимозаменяемым с большинством приводов других выключателей.
Приложение №3
Технические данные для выбора
Предохранителей ПКТ 10 кВ.
Предохранитель ПКТ-101-35-5
Технические характеристики:
Предохранители токоограничивающие типа ПКТ и ПКН (ТУ16-521.194-81)
предназначены для защиты силовых трансформаторов, воздушных и кабельных линий,
а также трансформаторов напряжения в сетях трехфазного переменного тока частоты
50 и 60 Гц с номинальным напряжением от 3 до 35 кВ.
Предохранители, предназначенные для трансформаторов напряжения, могут
быть использованы для защиты однофазных силовых трансформаторов, для
электроснабжения устройств сигнализации, централизации и блокировки (СЦБ)
железных дорог. Климатическое исполнение У, категории размещения 1 и 3 по ГОСТ
15150-69. Предохранители типа ПКН001-10 при использовании для защиты
трансформаторов напряжения могут применяться также для цепей с номинальным
напряжением 3 и 6 кВ.
Предохранители типа ПКН001-10 могут быть использованы для защиты силовых
трансформаторов мощностью 1,25 кВА с номинальным напряжением 6 кВ.
Предохранители типа ПКН001-35 могут быть использованы для защиты
трансформаторов напряжения и силовых трансформаторов мощностью 4 кВА с
номинальным напряжением 27,5 кВ и мощностью 10 кВА с номинальным напряжением 35
кВ.
Допустимое значение тока в длительном режиме для предохранителей типа
ПКН001 не должно быть более 0,5 А.
Расшифровка условного обозначения предохранителей:
ПКТ 101-3-10-40 У3
П • предохранитель;
К • с кварцевым наполнителем;
Т • для защиты силовых трансформаторов,
воздушных и кабельных линий;
• обозначение конструктивного исполнения;
• номинальное (для климатического исполнения У)
или наибольшее (для климатического исполнения Т)
напряжение в киловольтах;
• номинальный ток в амперах;
• номинальный ток отключения в килоамперах;
У • климатическое исполнение;
• категория размещения.

Приложение №4
Технические данные для выбора
РАЗЪЕДИНИТЕЛЯ РЛНД10 кВ.
1. НАЗНАЧЕНИЕ И ТЕХНИЧЕСКИЕ ДАННЫЕ
Разъединители наружной установки типа РЛНДМ на напряжение 10 кВ
предназначены для включения и отключения под напряжением участков электрической
цепи высокого напряжения при отсутствии нагрузочного тока, а также заземления
отключенных участков линий при помощи стационарных - заземляющих ножей, при их
наличии.
.1. Разъединитель изготовляется в исполнении У категория 1 для работы на
высоте до 1000 м вал уровнем моря при температуре окружающего воздуха от -40
град.С до +40 град.С и скоростью ветра без гололеда до 30 м/сек.
.2. Основные технические данные разъединителя приведены в таблице
.3. Длина пути утечки внешней изоляции составляет 30 см.
Габаритные, установочные и присоединительные размеры разъединителя и привода
приведены на рисунке 1 и 2
Основные технические данные разъединителей РЛНД-1-10-200 У1,
РЛНД-1-10-400 У1, РЛНД-1-10-630 У1 приведены в таблице:
Разъединители выпускаются в двухполюсном и трехполюсном исполнении. Изоляция
разъединителя состоит из четырех или шести изоляторов, два или три из которых
устанавливаются на рычагах, а остальные на швеллерах. На верхних фланцах
изоляторов разъединителя установлена токоведущая система, выполненная в виде
двух контактных ножей. Общий вид, габаритные, установочные и присоединительные
размеры разъединителей приведены на рис. 1.
Общий вид, габаритные, установочные и присоединительные размеры
разъединителей РЛНД-1-10-200 У1, РЛНД-1-10-400 У1, РЛНД-1-10-630 У1 с приводом
и одним заземляющим ножом:
Обозначения: 1 - продольная тяга; 2 - рама; 3 - вал заземления; 4 - рычаг
с валом; 5 - регулируемая тяга;
Общий вид, габаритные, установочные и присоединительные размеры
разъединителей РЛНД-1-10-200 У1, РЛНД-1-10-400 У1, РЛНД-1-10-630 У1 с приводом:
Обозначения:
1 - изолятор;
2, 6 - контактные выводы;
- козырек;
- контактный нож;
, 12 - разъемные контакты;
- заземлитель;
- рычаг;
- труба;
- блок-замок;
- контакт заземлителя
Примечание. Труба в поставку завода не входит!
Общий вид, габаритные и установочные размеры привода ПРНЗ-10 к
разъединителям РЛНД-1-10-200 У1, РЛНД-1-10-400 У1, РЛНД-1-10-630 У1:
Обозначения:
- корпус;
- плоская шайба;
- шплинг;
- втулка;
, 8 - диски управления главными ножами;
, 7 - диски 1.4. Поставляемые заводом разъединители приводы
совершенствуются и улучшаются, поэтому возможны незначительные расхождения.
Пример записи обозначения трехполюсного разъединителя с приводом:
разъединитель РЛНДМ 1-10Б/400 У1 с приводом ПРНЗ-10 У1
Пример записи обозначения двухполюсного разъединителя с одним заземляющим
валом с приводом: разъединитель РЛНЛМ 1-2-10Б/400 УI с приводом ПРНЗ-10 У1
Пример записи обозначения двухполюсного разъединителя без заземляющего
вала с приводом: разъединитель РЛНДМ-2-10Б/400 У1.