Мікропроцесорна система на комплекті К 1810

  • Вид работы:
    Курсовая работа (т)
  • Предмет:
    Информатика, ВТ, телекоммуникации
  • Язык:
    Украинский
    ,
    Формат файла:
    MS Word
    163,34 Кб
  • Опубликовано:
    2014-07-31
Вы можете узнать стоимость помощи в написании студенческой работы.
Помощь в написании работы, которую точно примут!

Мікропроцесорна система на комплекті К 1810














Курсовий проект

"Мікропроцесорні системи"

Технічне завдання

Спроектувати мікропроцесорну систему на комплекті К 1810.

Вихідні дані:

)     область призначення - максимальний режим (для багатопроцесорних систем);

)     елементна база - ГФ 84, ВМ 86, ИР 82, ВА 86, ВТ 37;

3)      розрядність адреси даних - 8 біт;

Зміст

Вступ

. Максимальний режим ВМ 86 з КПДП ВТ 37

. Опис мікросхем

.1 Мікропроцесор К 1810ВМ 86

.2 Контролер прямого доступу до пам’яті К 1810ВТ 37

.3 Генератор тактових імпульсів К 1810ГФ 84

.4 Буферні регістри К 1810ИР 82

.5 Шинні формувачі К 1810ВА 86

Висновок

Список літератури

Вступ

Склад МПК серії К 1810 приведений в табл. 1.1, а основні електричні параметри БІС, які входять до неї - в табл. 1.2. Навантажувальна здатність кожного виходу БІС відносно невелика і відповідає одному входу мікросхеми, що виконана по стандартній ТТЛ-технології.

Таблиця 1.1

Тип БІС

Призначення

Технологія

К 1810ВМ 86

Центральний процесор

n-МДП

К 1810ВМ 88

ЦП з 8-ми бітовою зовнішньою ШД

n-МДП

К 1810ВМ 89

Арифметичний сопроцесор

n-МДП

К 1810ВМ 87

Спеціалізований процесор вводу/виводу

n-МДП

К 1810ГФ 84

Генератор тактових сигналів

ТТЛШ

К 1810ВГ 88

Системний контролер шини

ТТЛШ

К 1810ВБ 89

Арбітр системної шини

ТТЛШ

К 1810ВТ 02

Контролер динамічної пам’яті (16К)

n-МДП

К 1810ВТ 03

Контролер динамічної пам’яті (64К)

n-МДП

К 1810ВИ 54

Інтервальний таймер

n-МДП

К 1810ВТ 37

Контролер прямого доступу до пам’яті

n-МДП

К 1810ВИ 59

Програмований контролер переривань

n-МДП

К 1810ИР 82/83

Регістр

ТТЛШ

К 1810ВА 86/87

Шинний формувач

ТТЛШ


Саме цьому практично завжди вихідні сигнали БІС необхідно буферизувати за допомогою зовнішніх схем, забезпечуючи необхідну навантажувальну здатність.

 

Таблиця 1.2

Значення (min/max)

Напруга живлення, В

4,75 / 5,25

Вхідна напруга низького рівня, В

-/ 0,8

Вхідна напруга високого рівня, В

-/ 2,0

Вихідна напруга низького рівня, В

-/ 0,45

Вихідна напруга високого рівня, В

2,4 / -

Вихідний струм високого рівня, мА

-/ -0,4

Вихідний струм низького рівня, мА

-/ 2,0

Струм витоку на входах чи на входах/виходах, мкА

-/ +- 10

Ємність входу чи входу/виходу, пФ

-/ 10

Ємність навантаження, пФ

-/ 100

Гранично допустимі умови експлуатації МПК БІС: температура навколишнього середовища 0…70°С; напруга на будь-якому виході відносно корпуса - 1,0…+7 В.

Центральний процесор, що входить до складу, К 1810ВМ 86 здійснює загальну обробку даних і управління блоками системи у відповідності із заданою програмою. Характерною особливістю МП К 1810ВМ 86 є можливість часткової ре конфігурації апаратної частини для забезпечення роботи в двох режимах: мінімальному та максимальному.

В мінімальному режимі МП формує усі сигнали для управління внутрішньо системним інтерфейсом МПС і використовується для побудови одно процесорних контролерів і мікроЕОМ. При цьому для побудови блоку центрального процесору використовується мала кількість ІС: генератор К 1810ГФ 84, буферні регістри К 1810ИР 82/83 і шинні формувачі К 1810ВА 86/87.

В максимальному режимі МП використовується для побудови багатопроцесорних систем (МПС), в котрих сигнали управління шиною створюється системним контролером ВГ 88 на основі коду, сформованого МП.

Широка та постійно збільшуючись номенклатура БІС, що використовуються в МПС на основі МП серії К 1810, забезпечують різноманітність функцій, простоту технічних рішень, компактність апаратної частини і високу ефективність використання цих систем.

1.  
Максимальний режим ВМ 86 з КПДП ВТ 37

При роботі МПС часто виникають проблеми обміну великими блоками інформації, без її обробки, між пам’яттю системи і пристроями вводу/виводу. Використовувати для цих цілей центральний процесор не вигідно через те, що для кожної пересилки він повинен спочатку зчитати інформацію із пристрою у свій внутрішній регістр і тільки після цього має можливість записати інформацію в пристрій приймач. На це витрачається багато часу і сам процесор використовується неефективно.

Для вирішення задачі пересилок великих об’ємів інформації з мінімальними затратами програмних засобів і часу використовується КПДП К 1810ВТ 37. Під час таких передач КПДП бере на себе управління шиною даних, надаючи змогу ЦП виконувати основну програму, не потребуючу звернення до шин.

Рис. 1. Схема підключення КПДП

2.  
Опис мікросхем

.1 Мікропроцесор К 1810ВМ 86

Мікросхема К 1810ВМ 86 представляє собою одно кристальний 16-ти бітовий МП, виконаний по високоякісній n-МОП-технології. Кристал мікросхеми з геометричними розмірами 5,5x5,5 мм має близько 29 000 транзисторів і потребує 1,7 Вт від джерела живлення +5В. Основні операції обробки даних (додавання, віднімання, логічні дії) регістр-регістр виконуються за 3 такта, що забезпечує швидкодію 1,66*106 оп./с при періоді тактових імпульсів 200 нс. З максимальною швидкістю виконуються регістрові пересилки, а також деякі однооперандні команди(наприклад, зсув на 1 біт, інкремент, декремент, управління флагами). Працює на частоті 5МГц.

Мікропроцесор К 1810ВМ 86(ВМ 86) має 14 16-ти бітових внутрішніх регістрів і утворює 16-ти бітову шину даних для зв’язку з зовнішньою пам’яттю і портами вводу/виводу. Шина адреси має 20 ліній, що дає змогу безпосередньо адресуватись до пам’яті ємністю до 1 Мбайт = 1 048 576 байт. Для зменшення необхідного числа виводів ВІС молодші 16 адресних ліній мультиплексовані у часі з лініями даних і становлять єдину шину адреси/даних(ШАД). Чотири старші адресні лінії аналогічно мультиплексовані з лініями стану.

При виконання операцій вводу/виводу використовується 8 чи 16-ти бітові адреси, так щоб окрім доступу до основної пам’яті МП має змогу звертатися до портів(регістрів вводу/виводу).

Структурна схема МП має дві відносно незалежні частини: операційний пристрій, що реалізує задані командою операції, і пристрій шинного інтерфейсу, здійснюючий вибірку команд із пам’яті, а також звернення до пам’яті і зовнішнім пристроям для зчитування операндів і запису результатів.

Рис.2. Структурна схема МП ВМ 86

Операційний пристрій МП складає групу загальних регістрів, виділяють регістри ax, bx, cb, dx, які використовуються насамперед для зберігання даних, і регістри sp, bp, si, di, які зберігають адресну інформацію.

Особливістю регістрів ax, bx, cx, dx, є те, що вони допускають роздільне використання їх молодших байтів ah, bh, ch, dh, тим самим забезпечуючи можливість обробки як слів, так і байтів. Регістри sp і bp зберігають зсув адреси в межах поточного стекового сегменту пам’яті, а індексні регістри si, di зберігають зсув адреси відповідно в поточному сегменті даних і в поточному додатковому сегменті.

Арифметично-логічний пристрій (АЛУ) складає 16-ти бітовий комбінаційний суматор, за допомогою якого виконуються арифметичні операції, набори комбінаційних схем для виконання логічних операцій, схем для операцій зсувів і десяткової корекції, а також регістри для тимчасового зберігання операндів і результатів. До АЛУ також входить регістр флагів (F).

Рис. 3.Формат регістру флагів F

Біт

Призначення

CF

Флаг переносу при додаванні(відніманні) байтів чи слів.

PF

Флаг парності одиниць в молодшому байті результату операції

AF

Флаг допоміжного переносу(тільки для двійково-десяткової арифметики)

ZF

Флаг нуля, нульовий результат операції

SF

Флаг знаку, дублює значення старшого біта результату

OF

Флаг переповнення, втрата старшого біта результату складання в зв’язку з переповненням розрядної сітки при роботі зі знаковими числами.

DF

Флаг направлення, управляємий командами CLD, STD; визначає порядок обробки ланцюгів у відповідних командах: від менших адрес(DF=0) чи від більших (DF=1).

IF

Флаг дозволу переривання, управляється командами CLI, STI; при IF=1 мікропроцесор реагує на запит(INTR), при IF=0 - не реагує.

TF

Флаг простеження. При TF=1 МП переходить в по командний режим праці з цілью переходу на підпрограму, яка забезпечує індикацію внутрішніх регістрів МП.


Управляючий пристрій (УУ) дешифрує команди, а також сприймає і виробляє необхідні управляючі сигнали. До нього входить блок мікропрограмного управління, в якому реалізовано програмування МП на мікрокомандному рівні.

Пристрій шинного інтерфейсу складає блок сегментних регістрів, покажчик команд, суматор адрес, чергу команд і буфери, забезпечуючи зв’язок з шиною. Шинний інтерфейс виконує операції обміну між МП і пам’яттю чи портами вводу-виводу по запитам операційного пристрою.

Черга команд представляє собою набір байтових регістрів і виконує роль регістра команд, в якому зберігаються коди, вибрані із програмної пам’яті. Довжина черги складає 6 байт, що відповідає максимально довгому формату команд.

Буфер шини адрес/даних (БАД) складає 16 двоспрамованих керованих підсилювачів з трьома вихідними станами і забезпечує номінальну навантажувальну здатність ліній AD15-AD0.

Буфер шини адрес/стану (БАС) складає чотири односпрямованих підсилювача з трьома вихідними станами і забезпечує номінальну навантажувальну здатність ліній A19/S6 - A16/S3.

Сегментні регістри зберігають базові (початкові) адреси сегментів пам’яті: кодового сегменту CS, в якому зберігається програма; стекового сегменту SS; сегменту даних DS; допоміжноо сегменту ES, в якому зазвичай зберігаються дані.

Покажчик команд IP зберігає зсув наступної команди в поточному кодовому сегменті, тобто вказує на наступну по порядку команду. Він є аналогом стандартного програмного лічильника з тою різницею, що його вміст визначає адресу команди тільки в сукупності з вмістом регістра CS.

Рис. 4. Умовно графічне зображення К 1810ВМ 86

 

Таблиця 2.1

Найменування входу/виходу

Призначення

AD15-AD0

Лінії шини адреси/даних

A16/S3

Лінії адреси/стану. В перебігу такту Т 1 тримає старші біти адреси при зверненні до пам’яті чи ВУ, в перебігу Т 2, Т 3, ТW, T4 - інформація про стан МП

A17/S4


A18/S5


A19/S6


/S7Дозвіл старшого байту шини/стану


Читання, строб, показує що МП виконує цикл читання


RDY

Готовність

INTR

Запрос переривання

NMI

Немаскуюче переривання

Вхідний сигнал, перевіряємий командою WAIT, котра переводить МП в стан очікування при = 1


CLK

Тактовий імпульс, для синхронізації роботи МП

RESET

Скидання, заставляє МП завершити виконання дії і потім поставити виконання програми спочатку

MN/Вибір режиму роботи МП між мінімальним та максимальним


ST2-ST0

Лінії стану, характеризують тип виконуючого циклу

/Запит/Надання, використовується для обміну між процесорами в багатопроцесорній системі, для управління процедурою використання шин


/


/


/


Блокування шини


QS1, QS0

Стан черги, вказує стан внутрішньої 6-ти байтової черги команд МП

.2 Контролер прямого доступу до пам’яті К 1810ВТ 37

Контролер ПДП К 1810ВТ 37 використовується в складі МПС, виконаних на базі МПК К 580, К 1810, К 1821, для реалізації прямого доступу до пам’яті по чотирьом незалежним каналам з позитивним чи негативним прирощенням адреси зі швидкістю до 1,6 Мбайт/с. КПДП дозволяє реалізувати передачу пам’ять - пам’ять, має широкі можливості програмного управління і каскадування. Кожен канал може виконувати до 64К циклів ПДП і має можливість автоматичної ініціалізації, повторення циклів ПДП з такими ж самими параметрами.

Рис. Структурна схема КПДП

Контролер включає 4 канали, кожен з яких складається із 4 16-ти розрядних регістрів.

Регістр поточної адреси CAR зберігає поточну адресу пам’яті при виконанні циклу ПДП. Після виконання циклу ПДП склад цього регістру збільшується чи зменшується на одиницю. Воно може бути прочитано чи загружено за допомогою двох команд вводу-виводу.

Регістр циклів ПДП CWR зберігає число слів, що назначені для передачі. При загрузці цього регістру необхідно пам’ятати, що завантажувальна константа повинна бути на одиницю більше числа слів, необхідних для передачі. При виконанні регістр працює у режимі віднімаючого лічильника.

Регістр зберігання початкової адреси BAR і регістр зберігання базового числа циклів ПДП WCR зберігає базові значення адреси і числа циклів ПДП, участують у авто ініціалізації.

КПДП включає 3 функціональні блоки, котрі виконують функції управління. Буфер шини даних необхідний для синхронізації КПДП з ЦП. Блок управління контролером при передачі у пам’ять-пам’ять включає один 8-ми розрядний регістр TR тимчасового зберігання даних, забезпечуючих зберігання байту в циклі передачі пам’ять-пам’ять на час зміни адреси. Блок управління ПДП виробляє необхідні сигнали управління при передачі даних в циклах ПДП.

Регістр команд CR визначає основні параметри роботи каналу. Завантаження здійснюється командою виводу від ЦП, а скидання - по сигналу RESET чи команді загального скидання.

Рис. 5. Умовно графічне зображення К 1810ВТ 37

 

Таблиця 2.2

Найменування входу/виходу

Призначення

CLK

Вхід для підключення тактового генератора

CS

Вибір кристалу

RESET

Скидання

READY

Готовність

HLDA

Підтвердження захвату. Вхідний сигнал для повідомлень КПДП про можливість виконання циклів ПДП

DREQ3-DREQ0

Входи запросів на ПВП від зовнішніх пристроїв.

DB7-DB0

Двонаправленя шина даних з буфером, має Z стан

IOR

Читання. Використовується ЦП для читання внутрішніх регістрів КПДП

IOW

EOP

Закінчення процесу. Вхід/вихід

A3-A0

Адресні входи/виходи. Використовуються в роботи з ЦП і для адресації до каналів і регістрів каналів ПДП

A7-A4

Адресні виходи, на котрі в режимі ПДП передаються відповідні розряди адреси ОЗУ.

HRQ

Вихід запросу захвату на управління системною шиною. Запрос на ПДП ЦП

DACK3-DACK0

Підтвердження ПДП. Вихідні лінії на котрі видаються повідомлення для ВУ про можливість виконання циклів ПДП

AEN

Дозвіл адреси

ADSTB

Строб адреси

MEMR

Читання з пам’яті. Вихід в режимі ПДП для управління операцією читання з пам’яті.

MEMW

Запис до пам’яті. Вихід в режимі ПДП для управління операцією запису в пам’ять.

Ucc

Шина живлення (+5В)

GND

Загальний


2.3 Генератор тактових імпульсів К 1810ГФ 84

Генератор тактових імпульсів (ГТІ) К 1810ГФ 84 призначений для управління ЦП К 1810ВМ 86 і периферійними пристроями, а також для синхронізації сигналів READY з тактовими сигналами ЦП і сигналів інтерфейсної шини.

Вибір режиму функціонування визначається потенціалом на вході F/C̅. Якщо цей вхід під’єднаний до "землі", то ГТІ працює в режимі формування сигналів від внутрішнього генератора, а якщо на F/C̅ подається високий потенціал - то в режимі формування.

Сигнали OCS, CLK, PCLK синхронні і їх частоти пов’язані співвідношенням:

FOCS=3FCLK=6FPCLK

До входу R̅E̅S̅ підключається RC-ланцюг, забезпечуючи автоматичне формування сигналу при включенні джерела живлення.

 

Таблиця 2.3

Найменування входу/виходу

Призначення

CLK

Тактовий сигнал для ЦП К 1810ВМ 86

PCLK

Тактовий сигнал для периферійних БІС

OCS

Тактовий сигнал задаючого генератора

RESET

Сигнал скидання

READY

Сигнал готовності

X2, X1

Входи для кварцового резонатора

EFI

Для зовнішнього джерела частоти

F/C̅

Вибір джерела тактової частоти

R̅E̅S̅

Сигнал початкового встановлення

RDY1, RDY2

Сигнал готовності від 2 систем И-41

A̅E̅N̅1̅, A̅E̅N̅2̅

Сигнали доступу до адреси по відношенню до сигналів готовності RDY1, RDY2

CSYNC

Вхід синхронізації для тактової частоти декількох БІС

TANK

Для кристалу з обертоном

Рис. 6. Умовно графічне зображення К 1810ГФ 84

Рис. 7. Схема підключення ГТІ до кварцового резонатора.

Рис. 8. Часова діаграма роботи ГТІ К 1810ГФ 84

.4 Буферні регістри К 1810ИР 82

процесор мікросхема таймер переривання

Буферні регістри призначені для організації запам’ятовуючих буферів, адресних засувок, портів вводу/виводу, мультиплексорів и т.д.

Регістр К 1810ИР 82 являє собою запам’ятовуючий пристрій, який зберігає 8 біт інформації. Серія К 1810 означає, що він сумісний і має використовуватись з іншими мікросхемами серії К 1810.

Рис. 9. Функціональна схема К 1810ИР 82

Таблиця 2.4

Найменування входу/виходу

Призначення

DI0 - DI7

Лінії вхідних даних

DO0 - DO7

Лінії вихідних даних

STB

Стробуючий сигнал

O̅E̅

Дозвіл видачі даних

Ucc

Напруга живлення

GND

Заземлення

Рис. 10. Умовно графічне зображення К 1810ИР 82

При подачі сигналу високого рівня на вхід STB стан вхідних ліній DI7-DI0 передається на вихідні лінії DO7-DO0. Запам’ятовування в інформаційних тригерах здійснюється при переході сигналу STB від високого рівня до низького(1-0). Сигнал ОЕ управляє вихідними буферами: при ОЕ=0 буфер відпирається, при ОЕ=1 він встановлюється в Z-стан. Сигнал ОЕ не впливає ні на стан інформаційних тригерів, ні на функцію запису.

Так як за варіантом розрядність адреси даних = 8 біт то необхідно використовувати 8/8 = 1 мікросхему регістрів К 1810ИР 82.

Рис. 11. Часова діаграма роботи К 1810ИР 82

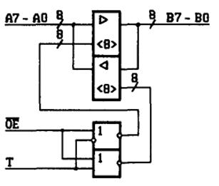
.5 Шинні формувачі К 1810ВА 86

Мікросхема К 1810ВА 86 являє собою 8-ми розрядний шинний формувач. Їх застосовують як буферні пристрої шини даних в мікропроцесорних системах. Мікросхема складається з 8-ми однакових функціональних блоків з загальними сигналами управління Т і ОЕ.

Рис. 12. Функціональна схема ШФ ВА 86

Функціональні блоки складаються з двох підсилювачів - формувачів з Z-станами на виходах, схема включення яких забезпечує різноспрямовану передачу.

 

Таблиця 2.5

Найменування входу/виходу

Призначення

A7 - A0

Вхід/Вихід ліній даних (Т=1 - вихід) (Т=0 - вхід)

B7 - B0

Вхід/вихід ліній даних (Т=0 - вихід) (Т=1 - вхід)

T

Вхідний сигнал управління направленням передачі

Вхідний сигнал дозволу передачі



Рис. 13. Умовно графічне зображення К 1810ВА 86

Так як шина даних в МП К 1810ВМ 86 складає 16 біт, то необхідно використовувати 16/8 = 2 мікросхеми К 1810ВА 86

Рис. 14. Часова діаграма роботи ШФ ВА 86

Висновок

В результаті виконання даного курсового проекту, була спроектована мікропроцесорна система на комплекті К 1810. У відповідності з технічним завданням був проведений аналіз центрального процесорного елементу ВМ 86, та інших допоміжних мікросхем які необхідні для правильного функціонування мікропроцесорної системи. Розроблена спрощена схема мікропроцесорної системи, що включає наступні модулі: ГТІ К 1810ГФ 84, шинний формувач К 1810ВА 86, буферні регістрі К 1810ИР 82, контролер прямого доступу до пам’яті К 1810ВТ 37. На базі підібраних мікросхем була розроблена структурна та принципіальна схема, яка відображає розташування та взаємозв’язок блоків між собою.

В рамках курсового проекту була вирішена основна задача - розвиток та закріплення навичок самостійної роботи при вирішені конкретної задачі розробки мікропроцесорної системи.

Список літератури

1. Ю.М. Казаринова., Микропроцессорный комплект К 1810: Структура, программирование, применение/ Под ред. И.П. Степаненко. - М.: Высшая школа, 1990.

2.      В.Г. Домрачев., Ю.Н. Чернышов. Микропроцессорные БИС и их применение: Одноплатные микроЭВМ/ Под ред. В.Г Домрачева. - М.: Энергоатомиздат, 2008.

.        Горбачев Г.Н., Гаплыгин Е.Е. Промышленная электроника: Учебник для вузов/ Под ред. Лабунуева. - М.: Электроатомиздат, 2008.-320с. ил

.        Горбунов В.Л., Панфилов Д.И., Преснухин Д.Л. Микропроцессоры. Основы построения микро ЭВМ. - М.: Высшая школа,2010

.        Ефимов И.Е., Козырь И.Я, Горбунов Ю.И. Микроэлектроника: проектирование, виды микросхем, функциональная микроэлектроника: Учебное пособие для приборостроения спец.вузов. - М.: Высшая школа, 2007. - 416c.

Похожие работы на - Мікропроцесорна система на комплекті К 1810

 

Не нашли материал для своей работы?
Поможем написать уникальную работу
Без плагиата!
Без нейросетей!