Электропитающие установки дома связи

  • Вид работы:
    Курсовая работа (т)
  • Предмет:
    Физика
  • Язык:
    Русский
    ,
    Формат файла:
    MS Word
    428,81 Кб
  • Опубликовано:
    2014-08-01
Вы можете узнать стоимость помощи в написании студенческой работы.
Помощь в написании работы, которую точно примут!

Электропитающие установки дома связи

Кафедра «Автоматика и телемеханика на железнодорожном транспорте»











Курсовой проект

по дисциплине «Электропитание устройств ЖАТС»

На тему: ЭЛЕКТРОПИТАЮЩИЕ УСТАНОВКИ ДОМА СВЯЗИ.

Задание

Часть 1. Проектирование электропитающих установок:

Рассчитать ЭПУ для следующих параметров дома связи:

)        Емкость АТС (количество номеров): n = 650;

)        Величина тока, потребляемого аппаратурой на 24 В: Iап = 120 А.

Часть 2. Дистанционное питание:

1)      Длина усилительного участка: l = 9,5 км;

)        Число НУП: n = 7;

)        Система питания: “провод - провод”.

Часть 3. Автоматизированный расчет элементов электропитающей установки:

Исходные данные для автоматизированного расчета выпрямительного устройства:

)        Число фаз: n = 3;

2)      Ток в нагрузке: Io = 35 А;

)        Напряжение на нагрузке: Uo = 35 B;

)        Коэффициент пульсации на нагрузке: kпн = 0,003.

Содержание

1. Проектирование электропитающих установок

.1 Основные положения по проектированию ЭПУ проводной связи

.1.1 Классификация ЭПУ по условиям электроснабжения

.1.2 Основные требования, предъявляемые к ЭПУ

.1.3 Нормы напряжений для ЭПУ аппаратуры связи

.1.4 Типовые системы и схемы электропитания

.1.5 Структурные схемы ЭПУ домов связи

.1.6 Автоматизированные ЭПУ

.1.7 ЭПУ с номинальным напряжением 24 В

.1.8 ЭПУ с номинальным напряжением 60 В

.2 Расчет аккумуляторной батареи

.3 Расчет мощности выпрямительного устройства

.4 Определение состава коммутирующих и выпрямительных устройств ЭПУ

.5 Определение мощности, потребляемой ЭПУ от сети переменного тока

. Дистанционное питание

.1 Общие сведения о ДП

.2 Способы дистанционного питания

.3 Системы дистанционного питания

.4 Расчет электропитающих устройств для ДП

. Автоматизированный расчет элементов электропитающей установки

.1 Общие сведения о выпрямительных устройствах

.2 Автоматизированный расчет выпрямительного устройства

.3 Схема рассчитанного ВУ

Список литературы

1. Проектирование электропитающих установок

При выполнении данного раздела необходимо проделать следующую работу:

. Изучить основные положения по проектированию электропитания аппаратуры проводной связи.

. Ознакомиться с типовыми системами и схемами электропитания аппаратуры проводной связи.

. Рассчитать и выбрать основное оборудование электропитающей установки.

1.1    Основные положения по проектированию ЭПУ проводной связи

При выполнении курсовой работы необходимо начать со знакомства со следующими нормами проектирования установок электропитания: классификацией ЭПУ по условиям электроснабжения, общими требованиями, предъявляемыми к электропитающим установкам, нормами напряжении и допустимых пульсаций напряжения.

связь электропитающий коммутирующий питание

1.1.1 Классификация ЭПУ по условиям электроснабжения

Все дома связи железнодорожного транспорта по обеспечению надежности электроснабжения относятся к потребителям особой группы первой категории.

Электроприемники первой категории должны обеспечиваться электроэнергией от двух независимых источников питания, и перерыв их электроснабжения может быть допущен только на время автоматического ввода резервного питания (не более 1,3 с.). Для особой группы приемников первой категории должно предусматриваться дополнительное электроснабжение от третьего независимого источника аккумуляторной батареи или дизель-генератора. Только необслуживаемые усилительные пункты (НУП) дальней связи относятся к III категории электроприемников электроснабжение которых, осуществляется от одного источника.

1.1.2 Основные требования, предъявляемые к ЭПУ

Для каждого номинального напряжения источников постоянного тока, как правило, предусматривают отдельные ЭПУ, состоящие из одной или двух групп аккумуляторных батарей выпрямительных устройств. Способ электропитания буферный.

ЭПУ в зависимости от поставляемого оборудования могут проектироваться автоматизированными и неавтоматизированными с установкой одной или двух групп аккумуляторных батарей. Общий запас емкости аккумуляторной батареи в домах связи должен обеспечивать электропитание в аварийном режиме аппаратуры связи в часы наибольшей нагрузки и при необходимости - цепей аварийного освещения в течение 1 ч при электроснабжении от двух независимых источников и в течение 2 ч от одного источника. Запас емкости аккумуляторных батарей для электропитания аппаратуры оперативно-технологической связи, устанавливаемой в постах электрической, диспетчерской и горочной централизаций, предусматривается таким же, как и для устройств автоматики.

ЭПУ-24 обслуживаемых усилительных пунктов (ОП, ОУП) систем передачи должны обеспечивать дистанционное питание (ДП) аппаратуры необслуживаемых усилительных пунктов. Для ДП предусматривают статические преобразователи, питаемые от ЭПУ-24. Для узлов связи, требующих относительно небольшой мощности (менее 2,0 кВт) допускается использование опорной батареи и преобразователей постоянного тока. Питание коммутаторов станционной распорядительной связи (кроме ДСП) допускается от сети переменного тока через выпрямительные устройства безбатарейного электропитания. Электропитание каналообразующей аппаратуры и автоматических станций коммутации телеграфной связи и передачи данных (АСК) допускается от сети переменного тока через преобразователи безбатарейного электропитания (выпрямительные установки двухлучевой системы). Электропитание оборудования аппаратных залов телеграфных станций и телеграфных аппаратов абонентских пунктов предусматривается от сети переменного тока. При колебании напряжения в сети, превышающем 3%, необходимо предусматривать стабилизаторы напряжения. Оборудование ЭПУ должно обеспечивать перспективное развитие по блочному принципу, позволяющему наращивать мощность по мере надобности без замены установленных блоков.

Рабочие выпрямительные устройства должны иметь 100% резерв. При параллельной работе нескольких одинаковых по мощности выпрямительных устройств можно устанавливать одно резервное.

Резервное зарядно-буферное выпрямительное устройство каждого номинального напряжения должно обеспечивать:

·   заряд (одной или двух групп) аккумуляторной батареи до напряжения на аккумуляторе 2,3 В для автоматизированных ЭПУ и 2,7 В - для неавтоматизированных;

·   формовку всей аккумуляторной батареи или основной группы до 2,7 В на аккумулятор;

·   полную взаимозаменяемость рабочими выпрямительными устройствами.

В ЭПУ с применением буферных выпрямителей для формовки и заряда дополнительных групп предусматриваются вольтодобавочные выпрямители. В автоматизированных ЭПУ зарядные вольтодобавочные выпрямители должны обеспечивать зарядный ток не менее 2 А на индексный номер аккумуляторов батареи при заряде одной группы и не менее 4 А - при одновременном заряде одним выпрямителем двух групп. В неавтоматизированных ЭПУ зарядный ток принимается разным 6 А на индексный номер аккумуляторов.

Устройства для коммутации, содержания и заряда аккумуляторных батарей в автоматизированных ЭПУ должны обеспечивать заряд аккумуляторных батарей до напряжения 2,3 В и буферную работу в режиме постоянного подзаряда при напряжении 2,2В +2% на аккумулятор. Комплект оборудования должен обеспечивать возможность формовки при напряжении до 2,7 В на аккумулятор.

Для аккумуляторных батарей следует применять стационарные свинцовые аккумуляторы. Батареи, как правило, должны быть секционированными с автоматической коммутацией групп.

1.1.3 Нормы напряжений для ЭПУ аппаратуры связи

В зависимости от состава устанавливаемого оборудования связи проектируют ЭПУ со следующими напряжениями:

В - с заземленным положительным полюсом для электропитания аппаратуры МТС, станций систем передачи и оперативно-технологической связи;

и 60 В - с заземленным соответственно положительным или отрицательным полюсом для электропитания аппаратуры АСК. Разница между одинаковыми напряжениями разной полярности не должна превышать 3%.

Номинальные значения и нормы допустимых отклонений напряжения источника переменного тока (как в системе однофазного, так и в системе трехфазного тока) при допустимых колебаниях частоты 48-52 Гц имеют следующие значения (В): 220 В 127 В

Электросети общего назначения.…………………..……187-242 108-140

Собственные резервные электростанции……………….213-227 123-131

Для поддержания напряжения в цепях постоянного тока в необходимых пределах устанавливают дополнительные аккумуляторы с автоматической или полуавтоматической коммутацией, которые обеспечивают в наибольших пределах ступенчатую регулировку напряжения. Для более точной стабилизации напряжения применяются угольные регуляторы напряжения или полупроводниковые стабилизаторы напряжения.

1.1.4 Типовые системы и схемы электропитания

При изучении данного вопроса следует обратить внимание на классификацию систем электропитания по способам комплектации ЭПУ, резервирования и эксплуатации.

По способу резервирования и комплектации аккумуляторных батарей ЭПУ подразделяют на выпрямительно-аккумуляторные (многобатарейные и однобатарейные) и безбатарейные .

Безбатарейная система рекомендуется при надежном внешнем энергоснабжении в крупных узлах связи и является необслуживаемой автоматизированной (наиболее перспективная).

Выпрямительно-аккумуляторная система рекомендуется как основная система электропитания устройств проводной связи на железнодорожном транспорте.

Однобатарейная система рекомендуется для узлов, связи с потреблением мощности до 2 кВт. Для получения других напряжений в аварийном режиме применяются полупроводниковые преобразователи.

Многобатарейная система предусматривает для каждого напряжения постоянного тока отдельные выпрямительные устройства и отдельные аккумуляторные батареи в качестве резервного источника. Многобатарейные системы могут быть обслуживаемые (неавтоматизированные или полуавтоматизироваиные) и необслуживаемые (автоматизированные).

1.1.5 Структурные схемы ЭПУ домов связи

Для размещения устройств связи на железнодорожном транспорте широкое применение получили дома связи II, III и IV типов представленные соответственно на рисунках 1.1, 1.2 и 1.3. Типы домов отличаются друг от друга составом и количеством аппаратуры связи, которую можно разместить в технологических помещениях. Дом связи II применяют для размещения оборудования обслуживаемого усилительного пункта на небольших станциях. Дома связи III и IV типов предназначены для узлов связи на крупных и отделенческих станциях.

Для коммутации и распределения напряжения переменного тока, поступающего от сети внешнего электроснабжения и резервной электростанции, применяют щиты и панели переменного тока типов ЩПТА, ПВ-60 и ПРПТ-65. ЩПТА конструктивно выполнен аналогично выпрямительным установкам ВУ и ВУК. Поэтому специальных коммутационных аппаратов для подключения к его шинам этих выпрямительных устройств не предусматривают, а общестанционные шины переменного тока прокладывают вдоль всего ряда оборудования. Это позволяет значительно упростить схему щитов, а так же сделать ее универсальной, т. е. пригодной для включения любого количества выпрямителей в пределах мощности, пропускаемой аппаратурой ЩПТА. К тем же общестанционным шинам переменного тока могут включатся выпрямители другой конструкции. Шины применяют алюминиевые сечением 4*30. Подключение нагрузки к панелям ПВ-60 и ПРПТ-65 выполняют кабелем через предохранители, установленные на панелях.

Выбор типа вводных панелей переменного тока предусматривается по суммарной мощности, потребляемой электропитающими установками узда связи и другими потребителями от сети переменного тока. В настоящее время в домах связи в зависимости от поставляемого оборудования проектируют автоматизированные и неавтоматизированные выпрямительно-аккумуляторные установки. Автоматизированные ЭПУ буферной системы с секционированными аккумуляторными батареями с автокоммутацией групп дополнительных элементов дают возможность автоматизации процесса после аварийного заряда без отключения батарей от шин потребителей и без применения САРН. Электропитающие установки буферной системы без полной автоматизации обеспечивают эксплуатацию без постоянного обслуживания во всех режимах, за исключением режима заряда аккумуляторных батарей.

В электропитающих установках, коммутирующие установки которых не имеют защиты в разрядных цепях, нагрузочные устройства подключаются через ящик ЯВЗ. В домах связи предусмотрена система аварийной и предупредительной сигнализации ЭПУ и режимов их работы, для чего используются табло ТОС-3, устанавливаемые в выпрямительной. В линейно-аппаратных залах устанавливаются стойки автоматического регулирования напряжения САРН (с угольными или полупроводниковыми стабилизаторами), поддерживающие на аппаратуре стабильное напряжение в пределах 20,6 - 21,8 В для питания транзисторной аппаратуры связи. Для регулирования напряжения 21,6 - 26,4 В в схеме с несанкционированной батареей применяются также стойки САРН. В схеме с секционированной батареей САРН используются только для получения напряжения 20,6-21,8 В.

Рис. 1.1 Структурная схема ЭПУ дома связи типа II.

Рис. 1.2 Структурная схема ЭПУ дома связи типа III.

Рис. 1.3 Структурная схема дома связи типа IV

1.1.6 Автоматизированные ЭПУ

Автоматизированные выпрямительно-аккумуляторные установки содержат ВУК, имеющие свойства автоматики, защиты, а также автоматической коммутации аккумуляторных батарей. Основные режимы работы автоматизированных выпрямительно-аккумуляторных установок:

Нормальный режим - при наличии напряжения переменного тока в сети внешнего электроснабжения. Рабочие комплекты выпрямительных устройств работают в режиме стабилизации напряжения параллельно с заряженными аккумуляторными батареями, находящимися в режиме постоянного подзаряда, и питают аппаратуру связи;

Аварийный режим I - при пропадании напряжения в сети переменного тока аккумуляторные батареи разряжаются, обеспечивая питание аппаратуры связи и необходимых аварийных нагрузок;

Аварийный режим II - автоматически запускается и вступает в действие резервная электростанция. Рабочие и резервные выпрямительные устройства включаются и работают в режиме стабилизации тока для питания аппаратуры связи и подзаряда батарей. По достижении заранее обусловленной величины конечного зарядного напряжения (но не более 2,3 - 2,35 В на один аккумулятор) рабочие выпрямительные устройства переключаются в нормальный режим буферной работы со стабилизацией напряжения, а резервные выпрямительные устройства отключаются;

Послеаварийный режим - при восстановлении напряжения в сети переменного тока внешнего электроснабжения резервная электростанция останавливается. Рабочие и резервные выпрямительные устройства включаются и работают аналогично работе этих устройств в аварийном режиме II происходит дозаряд батарей, после окончания которого восстанавливается нормальный режим работы электроустановки.

.1.7 ЭПУ с номинальным напряжением 24 В

ЭПУ номинальным напряжением 24 В. ЭПУ-24 относится к автоматизированным установкам и состоит из выпрямителей ВУК на номинальное напряжение 24 В, устройств автоматической коммутации аккумуляторных батарей АКАБ-24 и секционированной аккумуляторной батареи из двух групп. Каждая группа состоит, из 11 основных и 2 дополнительных аккумуляторов. Емкость аккумуляторной батареи (двух групп) рассчитана для питания нагрузки в аварийном режиме в течение 2 ч при температуре воздуха в аккумуляторном помещении не ниже +15° С. Функциональная схема представлена на рисунке 1.4. Коммутация режимов ЭПУ-24 зависит от режимов работы.

Буферный режим. Питание нагрузки осуществляется от буферных выпрямителей, работающих параллельно с 11 аккумуляторами батареи в режиме постоянного подзаряда через силовые контакторы К1 и К2. В буферном режиме контакты контакторов К1 (7-9) и К2 (7-9) замкнуты. В результате чего осуществляется питание нагрузки по следующей цепочке: плюс БВ, заземленный плюс аппаратуры, 2АКАБ, плюс на нагрузку, нагрузка, контактор ЗА (отключающий нагрузку), амперметр, I обмотка реле 1ДТ, 1 обмотка реле 2ДТ, минус БВ. Параллельно нагрузке в буферном режиме заряжаются 11 основных элементов ОЭ аккумуляторных батарей в 1АКАБ по цепи: плюс БВ, замкнутый контакт 7-9 контактора К2, замкнутый контакт 7-9 контактора К1, плюс ОЭ аккумуляторных батарей, минус которых через первые обмотки реле 1ДТ и 2ДТ соединены с минусом БВ. И в 2АКАБ: плюс БВ, 2АКАБ, замкнутый контакт 7-9 контактора К2, замкнутый контакт 7-9 К1, плюс ОЭ 2АКАБ, минус ОЭ 2АКАБ, 1-е обмотки реле 1ДТ и 2ДТ, минус БВ. БВ работают в режиме стабилизации напряжения 24,2 В ± 2%. Подзаряд двух дополнительных аккумуляторов осуществляется от выпрямителя содержания ВС, входящего в состав АКАБ. Резервно - зарядный выпрямитель РЗВ по постоянному току подключен параллельно буферным выпрямителям через контакт 7-9 контактора К2 и при выходе из строя одного из БВ автоматически заменяет его. Реле, контакторы и цепи управления не показаны.

Аварийный режим. При отключении сети переменного тока питание в первый момент времени осуществляется от ОЭ аккумуляторных батарей через контакты К1 и К2. Цепь питания нагрузки следующая: плюс ОЭ, контакт 7-9 К1, контакт 7-9 К2, плюс нагрузки, нагрузка, минус нагрузки, замкнутый контакт ЗА, амперметр, минус ОЭ. Отпускают реле 1ДТ, 2ДТ, а также переключается контакт контактора К1. В следствии чего к ОЭ подключаются ДЭ аккумуляторных батарей и цепь питания немного меняется: плюс ДЭ, уже замкнутый контакт 7-8 контактора К1, далее К2, нагрузка, замкнутый контакт ЗА, амперметр, минус ОЭ. 2АКАБ работает параллельно 1АКАБ и цепи его работы аналогичны. В момент времени, когда контакт 7-9 К1 разомкнулся, а 7-8 еще не замкнулся питание нагрузки осуществляется через вентиль Д1 минуя контактор К1. Если электроснабжение по истечении 2-х часов не восстановлено, то подключается дизель-генератор ДГА. После этого аккумуляторные батареи становятся на подзаряд.

Послеаварийный режим. При восстановлении напряжения питающей сети отключается дизель-генератор (если он работал), БВ включаются в режиме стабилизации тока. Срабатывают реле 1ДТ и 2ДТ. Последнее своим контактом переключает БВ из режима стабилизации тока в режим стабилизации напряжения. К2 размыкает свой контакт 7-9. В результате чего РЗВ отключается от нагрузки и аккумуляторные батареи начинает получать питание по следующей цепи: плюс РЗВ, замкнутый контакт 7-9 контактора К1, плюс ОЭ, минус ОЭ, 1-е обмотки реле 1ДГ и 2ДТ, минус РЗВ. Питание нагрузки осуществляется независимо от заряда аккумуляторных батарей по цепи, указанной в буферном режиме. ОЭ подключаются к нагрузке через вентили Д1 и Д2. При достижении на 11 основных аккумуляторах напряжения 25,3 В что соответствует 2,3 В на один аккумулятор, сработает вольтметровое реле, которое отключит РЗВ и схема вернется в буферный режим работы. Дальнейший дозаряд 11 элементов производится от БВ, а дополнительных от ВС.

Рис. 1.4 Функциональная схема ЭПУ-24 В с коммутирующими устройствами АКАБ-24.

1.1.8 ЭПУ с номинальным напряжением 60 В

ЭПУ с применением блоков БВ и БАЗ.

ЭПУ с номинальным напряжением 60В для АТС, УАК ДАТС и телеграфных станций. Функциональная схема ЭПУ для максимального тока до 25 А с применением блоков БВ и БАЗ приведена на рисунке 1.5. В состав блока автоматики и заряда БАЗ входит выпрямитель подзаряда ПЗВ, вольтодобавочный выпрямитель ВДВ.

Буферный режим. При включении ключа в положение 1БВ электроснабжение переменного тока напряжением 220 В подается на первый выпрямитель 1БВ. В результате срабатывает реле P2 не показанное на схеме т.к. оно входит в состав выпрямителя и переводит свои контакты давая возможность для работы всех оставшихся в схеме реле Рп, Рд, Ра1, Рз, Ра2. Через замкнутый контакт реле Р2 срабатывают реле Ра1 и Ра2. Те в свою очередь замыкают цепь срабатывания реле Рп, которое самоблокируется своим же контактом и подключают к аккумуляторным батареям выпрямитель подзаряда. Далее обесточенное контактом реле Рп реле Рд отпускает и отключает вольтодобавочный выпрямитель. Последним срабатывает реле РЗ, подключая оставшийся вне работы выпрямитель 2 БВ. В этом режиме производится подзаряд батарей и питание нагрузки.

Цепь питания нагрузки следующая: плюс БВ, нагрузка, переведенный в положение 1 БВ ключ, минус БВ. Подзаряд аккумуляторных батарей производится от ПЗВ по цепи: плюс ПЗВ, аккумуляторные батареи, предохранитель, минус ПЗВ.

В случае, когда необходимо увеличить напряжение, подаваемое на аккумуляторные батареи, реле Рп отпускает, а реле Рд срабатывает, подключая своим контактом вольтодобавочный выпрямитель. Теперь питание батарей будет осуществляться от последовательно включенных выпрямителей БВ и ВДВ.

Аварийный режим. В случае перерыва в энергоснабжении контакты реле Р2 возвращаются в исходное состояние. Срабатывает реле Рб по цепи: плюс батареи, замкнутый в 1БВ контакт реле Р2, переведенный в положение 1БВ ключ, реле Рб, предохранитель, минус батареи и подключает своим контактом батарею на нагрузку. Время коммутации составляет 0,5 с.

Послеаварийный режим. При появлении напряжения в сети схема переходит в буферный режим. Нагрузка снова получает питание от выпрямителей БВ, а аккумуляторные батареи становятся на подзаряд.

Рис. 1.5 Функциональная схема ЭПУ-60 В с применением блоков БВ и БАЗ.

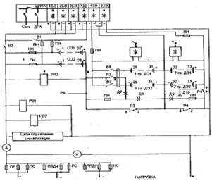
ЭПУ с применением блока ШК-60/150.

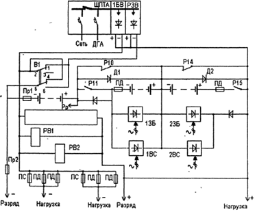
ЭПУ для АТС с Iчин от 25 до 140 А выполнена по буферной схеме с секционированной одногрупповой аккумуляторной батареей (28+3+2) (рис. 1.6). В состав ЭПУ входят выпрямительные устройства ВУК на номинальное напряжение 67 В и шкаф автоматической коммутации и заряда дополнительных элементов ШК -60/150.

В ЭПУ - 60 с применением ШК - 60/150 возможна коммутация в зависимости от режимов работы.

Буферный режим. Питание нагрузки осуществляется от рабочего БВ, который одновременно содержит основную аккумуляторную батарею ( ОЭ - 28 элементов ) при напряжении 2,2 В ±2% на элемент. Дополнительные элементы (1 гр. ДЭ - З элемента, 2гр. ДЭ - 2 элемента) подключены к выпрямителям содержания 1ВС и 2ВС. Цепь питания нагрузки следующая: плюс БВ, плюс на нагрузку, нагрузка, минус нагрузки, параллельно включенные предохранители, минус БВ. По цепи: плюс БВ, замкнутый контакт реле Р14, замкнутый контакт реле Р10, плюс основных элементов ОЭ аккумуляторных батарей, минус ОЭ аккумуляторных батарей, предохранитель Пр1, замкнутый контакт 4-5 ключа В1, минус БВ происходит подзаряд аккумуляторных батарей. Ключ В1 предназначен для перевода схемы в раздельное питание т. е., если замкнуты контакты 2-3 и 5-6 то БВ питает нагрузку и цепи управления и сигнализации, а РЗВ поддерживает ОЭ в заряженном состоянии. Если замкнуты контакты 1-2 и 4-5 ключа В1, то БВ и РЗВ включены в параллель и взаимодополняют друг друга при питании нагрузки и заряда ОЭ.

Аварийный режим. При пропадании напряжения сети батарея ОЭ разряжается на нагрузку: плюс ОЭ аккумуляторных батарей, замкнутый контакт реле Р10, замкнутый контакт реле Р14, плюс нагрузки, нагрузка, минус нагрузки, предохранители, замкнутый контакт 1-2 ключа В1, замкнутый контакт 4-5 ключа В1 , предохранитель Пр1, минус ОЭ. Реле РВ1 и РВ2 следят за напряжением на нагрузке. При снижении напряжения на нагрузке до 59 В реле РВ1 срабатывает в результате чего реле Р10 размыкает, а реле Р11 замыкает свои контакты в результате чего к ОЭ дополнительно подключается первая группа дополнительных элементов ДЭ, состоящая из 3 аккумуляторных элементов: плюс ОЭ, замкнутый контакт реле Р11, минус 1-ой группы ДЭ, плюс ДЭ, замкнутый контакт реле Р14, нагрузка, предохранители, замкнутые контакты 1-2 и 4-5 ключа В1, предохранитель Пр1, минус ОЭ. При последующем понижении напряжения на нагрузке до 59 В срабатывает реле РВ2 в следствии чего реле Р14 разомкнет свой контакт, а реле Р15, напротив, замкнет свой контакт и подключится 2-ая группа ДЭ: плюс ОЭ, замкнутый контакт реле Р11, минус 1-ой гр. ДЭ, плюс 1-ой гр. ДЭ, минус 2-ой гр. ДЭ, плюс 2-ой гр. ДЭ, нагрузка, предохранители, замкнутые контакты 1-2 и 4-5 ключа В1, предохранитель Пр1, минус ОЭ. Если и этих элементов оказалось недостаточно, то к выпрямительным устройствам подключается дизель-генератор.

Послеаварийный режим. При появлении напряжения в сети оба ВУК включаются параллельно в режиме стабилизации тока для заряда всей батареи и нагрузки. При увеличении напряжения на нагрузке до 66В реле РВ2 отпускает вследствие чего контакт реле Р14 замыкается, а Р15 размыкается. 2-я гр. ДЭ при этом отключается от нагрузки и подключается к зарядному блоку 23Б. При вторичном повышении напряжения реле РВ2 отпускает, следовательно, Р10 замкнут и Р11 разомкнут и 1-ая гр. ДЭ подключается к зарядному блоку 13Б. Напряжение на нагрузке становится равным 60,5 В и ВУК переводятся в режим стабилизации напряжения. ДЭ обоих групп дозаряжаются от ЗБ до напряжения 2,3 - 2,7 В на элемент после чего к ним подключаются выпрямители содержания ВС. При снижении тока нагрузки РЗВ отключается.

Рис. 1.6 Функциональная схема ЭПУ-60 В со шкафом ШК-60/150.

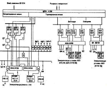
ЭПУ с применением АКАБ-60/800.

ЭПУ для АТС с Iчин от 140 до 800 А выполнена по буферной системе с секционированной двухгрупповой аккумуляторной батареей (28+3+2). В состав ЭПУ, кроме выпрямительных устройств ВУК (рис. 1.7) на номинальное напряжение 67 В, входит устройство автоматической коммутации аккумуляторных батарей АКАБ-60/800. Оно предназначено для работы с выпрямителями ВУК, двумя зарядными устройствами ЗВ (ВУК-8/300) и двумя выпрямителями содержания ВС-6/8. Выпрямители ВС-6/8 входят в комплект АКАБ-60/800. В ЭПУ с применением АКАБ-60/800 возможна коммутация в зависимости от режимов работы.

Буферный режим. Питание нагрузки производится от буферных выпрямителей БВ, работающих параллельно с 28 аккумуляторными батареями в режиме постоянного подзаряда: плюс БВ, нагрузка, параллельно включенные предохранители, амперметр, замкнутый рубильник В2, минус БВ. Подзаряд аккумуляторных батарей осуществляется через замкнутые контакты реле Р3 и Р4: плюс БВ, замкнутый контакт 7 - 8 реле Р4, замкнутый контакт 7 - 8 реле Р3, плюс аккумуляторных батарей, минус аккумуляторных батарей, предохранители, замкнутый рубильник В2 или В1, минус БВ. На каждом элементе поддерживается напряжение 2,2 В ±2% . Дополнительные элементы ДЭ подзаряжаются от выпрямителей содержания ВС. Резервно-зарядный выпрямитель РЗВ по постоянному току подключен параллельно БВ через замкнутый рубильник В1 и при выходе из строя одного из БВ автоматически заменяет его.

Аварийный режим. При отключении напряжения сети питание нагрузки в первый момент времени осуществляется от 28 основных элементов ОЭ батареи через замкнутые контакты реле Р3 и Р4: плюс ОЭ, нормально замкнутый контакт 7 - 8 реле Р3, нормально замкнутый контакт 7 - 8 реле Р4, нагрузка, параллельно включенные предохранители, амперметр, предохранители, минус ОЭ. Когда напряжение на нагрузке понизится до 59 В реле РВ1 отпустит и сработает реле Р3, которое подключит к нагрузке дополнительно первую группу ДЭ: плюс ОЭ, замкнутый контакт 7 - 9 реле Р3, минус ДЭ первой группы, плюс ДЭ первой группы, замкнутый контакт 7 - 8 реле Р4, нагрузка, предохранители, амперметр, предохранители, минус ОЭ. В случае, если реле РВ1 откажет, то при понижении напряжения на нагрузке до 58 В сработает реле РВ3, которое также обеспечивает подключение ДЭ 1 гр. Если после подключения 1 гр. ДЭ напряжение на нагрузке снова уменьшится до 59 В, то срабатывает реле РВ2, обеспечивая подключение 2 гр. ДЭ: плюс ОЭ, замкнутый контакт 7 - 9 реле Р3, 1 гр. ДЭ, 2 гр. ДЭ, замкнутый контакт 7 - 9 реле Р4, нагрузка, предохранители, амперметр, предохранители, минус ОЭ. Контакт 7 - 8 реле Р4 при этом будет разомкнут. В момент переключения контактов реле Р3 и Р4 разряд батарей осуществляется через Д8 и Д9.

Послеаварийный режим. При появлении напряжения сети БВ и РЗВ включаются в режиме стабилизации тока для заряда всей батареи и питания нагрузки. Когда напряжение на нагрузке увеличится до 66 В, отключается реле РВ2 и переводит свои контакты в первоначальное положение, отключая от нагрузки 2 гр. ДЭ, которые продолжают свой Подзаряд от зарядного выпрямителя 23В. При напряжении 59,5 В на ОЭ отпускает реле РВ3. Реле Р3 также отпускает и 1 гр. ДЭ отключается от нагрузки. В момент отключения контакта реле Р3 зарядный ток протекает через вентиль Д7. БВ и РЗВ продолжают заряжать ОЭ до напряжения 2,3 В на каждом элементе, после чего сработает реле переключения режимов Рр и БВ переходит в режим стабилизации напряжения, а РЗВ отключается. ЗВ дополнительных элементов заряжают их до напряжения 2,35 В в режиме стабилизации тока, после чего отключаются. В дальнейшем Подзаряд ДЭ осуществляют выпрямители содержания ВС.

Рис. 1.7 Функциональная схема ЭПУ-60В с коммутирующим устройством АКАБ-60/800.

1.2 Расчет аккумуляторной батареи

Расчет аккумуляторной батареи, составленной из аккумуляторов типа С, сводится к определению индекса и количества аккумуляторов для каждой батареи.

Индекс аккумуляторной батареи определяется по выражению:



где tp - расчетное время разряда батареи;

ηg - коэффициент отбора емкости, зависящий от tp, при tp = 2[ч]

ηg = 0,611 Iн - ток нагрузки;

T = 15o - минимальная температура электролита;

Iап - ток, потребляемый аппаратурой связи, определяется для ЭПУ 24 В как сумма токов, потребляемых всеми указанными в задании устройствами связи, питаемыми от напряжения 24 В; для ЭПУ 60 В

Iап = 0,05n, где n - емкость АТС;

Для ЭПУ - 24 В:


Для ЭПУ - 60 В:

Iн = Iап + Iвсп = 0,05n + 0,1Iап = 0,05∙650 + 0,1∙0,05∙650 = 35,75 [A] →


После расчетов индекс аккумуляторов округляют в сторону увеличения емкости.

Определим теперь время фактического режима разряда батареи, для этого воспользуемся рисунком 1.1, на котором приведен график зависимости отношения tpg от tp. Численное значение этого соотношения:



где N - принятый индекс аккумуляторной батареи;

Iн - ток нагрузки. Для полученного значения по рис. 1.8 определяется фактическое время разряда батареи.







Рис. 1.8 График зависимости отношения tpg от режима разряда.

Количество последовательно включенных аккумуляторов определяется по формуле:


где Umin - минимально допустимое напряжение на зажимах аппаратуры: 21,6 В для ЭПУ - 24 В и 58 для ЭПУ - 60 В;

ΔUпр - падение напряжения в проводах распределительной сети, В;

ΔUком - падение напряжения в коммутационных устройствах;

(ΔUпр + ΔUком) берется не более 10% от Uмин;

Uкр - конечное разрядное напряжение одного аккумулятора.

Определяется по следующему принципу: берется график для фактического разряда батареи (рис 1.9) и при расчетном времени tр определяется напряжение Uкр.

Рис. 1.9 График изменения напряжения у аккумуляторов в процессе разряда.

Для ЭПУ - 24 В:


Для ЭПУ - 60 В:


1.3 Расчет мощности выпрямительного устройства

Pву = Pб + Pз ,

где Pб - мощность, необходимая для буферного питания аппаратуры связи, Вт;

Рз - мощность, необходимая для заряда батареи после аварийного режима, Вт;

Pб = Iап∙nб∙Uб; Pз = Iз∙nз∙Uз;

где nб, nз - число аккумуляторов в группе соответственно в буферном и зарядном режимах работы;

Uб = 2,2 B;

Iап = 0,9∙Iн;

Iз = 6N - ток заряда;

Uз - напряжение аккумулятора в конце заряда: Uз = 2,3 B для автоматизированных ЭПУ и Uз = 2,7 B для неавтоматизированных ЭПУ.

При параллельной работе двух выпрямительных устройств расчетная мощность каждого должна быть увеличена в 1,1 раза (учет неравномерности нагрузки выпрямительных устройств).

Для ЭПУ - 24 В:

nб = 11, nз = 13

Pб=Iап∙nб∙Uб=0,9∙132∙11∙2,2=2874,96 Вт; Pз=Iз∙nз∙Uз=6∙7∙13∙2,3=1255,8 Вт

Pву = Pб + Pз = 2874,96 + 1255,8 = 4130,76 Вт.

Для ЭПУ - 60 В:

nб = 28, nз = 33

Pб=Iап∙nб∙Uб=35,75∙0,9∙28∙2,2=1981,98 Вт; Pз=Iз∙nз∙Uз=6∙4∙33∙2,3=1821,6 Вт

Pву = Pб + Pз = 1981,98 + 1821,6 = 3803,58 Вт.

1.4 Определение состава коммутирующих и выпрямительных устройств ЭПУ

Состав выпрямительных коммутирующих устройств для автоматизированных ЭПУ с номинальным напряжением 24В и 60В в зависимости от величины тока нагрузки выбирается из приложения 1[1]:

Для ЭПУ - 24 В выбираем: Iн = 168 А, N = 8, 2 выпрямителя типа ВУК-36/260 и 2 коммутирующих устройства типа АКАБ-24/500.

Для ЭПУ - 60 В выбираем: Iн = 42 A, N = 4, 2 выпрямителя типа ВУК-67/70 и коммутирующее устройство типа ШК-60/150.

Для размещения устройств связи применяют дома связи II, III и IV типов, которые отличаются друг от друга составами и количеством аппаратуры связи. Необходимую структурную схему выбираем на основании рассчитанной токовой нагрузки: для ЭПУ - 24 В и ЭПУ - 60 В - выбираем тип дома связи III (рис 1.2).

1.5 Определение мощности, потребляемой ЭПУ от сети переменного тока

Активная мощность, потребляемая ЭПУ от сети переменного тока рассчитывается по формуле:

Pa =Pву + Pосв + Pс,

где Pву = Pб + Pз - мощность выпрямительного устройства;

Pосв и Pс - мощности, потребляемые освещением и силовым оборудованием, выбираются в зависимости от типа поста по таблице 1.

Таблица 1

Тип поста

Pосв+Pс , кВт

Q, кВА

S, кВА

II

9

4,4

10,1

III

49,8

37,2

70

IY

110,3

131,6


Затем следует определить полную мощность, потребляемую от внешней сети, для чего следует просуммировать мощности (Pосв + Pс) выбранного поста и выпрямительных устройств с учетом cosφ (cosφ = 0,7 - для выпрямительных устройств).

Для ЭПУ - 24 В:

Pa =Pву + Pосв + Pс = 4130,76 + 49800 = 53930,76 Вт;

S = Sву + Sосв + Sс = 4130,76/0,7 + 70000 = 75901,09 ВА.

Для ЭПУ - 60 В:

Pa =Pву + Pосв + Pс = 3803,58 + 49800 = 53603,58 Вт;

S = Sву + Sосв + Sс = 3803,58/0,7 + 70000 = 75433,69 ВА.

2. Дистанционное питание

.1 Общие сведения о ДП

Для обеспечения многоканальной связи на относительно большие расстояния требуется большое количество промежуточных усилительных пунктов. Оборудование каждого из них собственными источниками питания экономически невыгодно. Поэтому большинство из них делается необслуживаемыми и питается дистанционно. Дистанционным питанием (ДП) называется передача электрической энергии для питания аппаратуры связи, установленной на необслуживаемых усилительных пунктах (НУП), с использованием тех же цепей, по которым организуется связь.

НУП выполняются в виде металлических баков, зарываемых в землю, с легкой наружной надстройкой объемом 8-10 м3 либо в виде контейнеров, закапываемых в землю без наземной части. Внутри НУП устанавливается аппаратура связи. За счет тепла, рассеиваемого аппаратурой и так называемой хознагрузкой в НУП в течение круглого года, создаются условия (температура и относительная влажность), необходимые для нормальной работы аппаратуры связи.

На рис.2.1 показана структурная схема организации ДП на магистрали связи. Участок магистрали связи между двумя смежными опорными усилительными пунктами (ОУП) называется секцией дистанционного питания. Передача электрической энергии с ОУП при дистанционном питании осуществляется, как правило, на длину полусекции. Необслуживаемые усилительные пункты другой полусекции получают питание со следующего ОУП.

Рис 2.1 Структурная схема организации ДП на магистрали связи.

Основные требования, предъявляемые к системам ДП:

·   наибольшая дальность дистанционного питания, т.е. наибольшая длина секции ДП; бесперебойная подача энергии к потребителям НУП при высокой экономичности системы в целом;

·   простота и малогабаритность устройств питания на НУП;

·   полное отсутствие или сведение к минимуму влияния токов ДП на каналы связи;

·   минимальное влияние со стороны различного рода посторонних ЭДС и токов как на цепи ДП, так и на каналы связи.

Необходимость выполнения перечисленных требований в конкретных системах ДП аппаратуры уплотнения многоканальной связи определяет способы и схемы их реализации.

2.2 Способы дистанционного питания

Конкретный способ и схемы реализации систем ДП зависят от типа уплотняемой линии связи, системы передачи и типа ее аппаратуры. Аппаратура систем передачи может быть ламповой или полупроводниковой.

Дистанционное питание аппаратуры НУП различных типов линий связи может осуществляться постоянным или переменным током. Использование постоянного тока даст системе ДП ряд преимуществ, а именно:

·   более простые электропитающие установки ( ЭПУ ) на ОУП и НУП;

·   полное отсутствие влияния токов ДП на каналы связи;

·   более простая защита каналов связи от наведенных ЭДС в цепях ДП. Однако при использовании для ДП постоянного тока имеются также и недостатки:

·   дальность передачи электроэнергии при заданной мощности ограничена, т.е. длина секции ДП сравнительно небольшая;

·   более сложное преобразование постоянного тока с целью получения различных значений напряжений;

·   имеется гальваническая связь между цепями высокого и низкого напряжений, что усложняет работу технического персонала.

При использовании для дистанционного питания переменного тока перечисленные недостатки отсутствуют вследствие применения трансформаторов, что позволяет посредством повышения напряжения существенно увеличивать передаваемую мощность или дальность передачи ДП, а также легко получать необходимые градации напряжения. Недостатки в этом случае будут такими:

·   более сложные устройства питания на НУП из-за необходимости иметь на каждом НУП трансформаторы, выпрямители с фильтрами и стабилизаторы напряжения;

·   необходимо дополнительно повышать напряжения ДП из-за невысоких значений КПД устройств питания НУП;

·   сложность устранения влияния переменного тока ДП на каналы низкочастотной связи.

В нашей стране наибольшее распространение получило дистанционное питание постоянным током. Переменным током ДП осуществляется только по коаксиальным линиям связи и только некоторой ламповой многоканальной аппаратуры (К-1920, К-1920У).

2.3 Системы дистанционного питания

Основным способом дистанционного питания является "провод-земля", при котором цепь дистанционного питания организовывается по линиям связи только для прямого провода, а обратным проводом служит земля. В некоторых случаях при наличии больших изменяющихся потенциалов между заземлениями ОУП и НУП применение электропередачи для ДП по способу "провод-земля" приводит к значительным колебаниям напряжения на питаемой аппаратуре. Если эти потенциалы превосходят ±15В, но не больше ±75В, то на ОУП в цепь ДП включаются компенсаторы земных потенциалов.

При величине этих потенциалов выше ±75В применяется способ электропередачи "провод-провод". Для компенсации увеличенного падения напряжения в линии вследствие ее высокого сопротивления при способе ДП "провод-провод" прибегают к повышению питающего напряжения на ОУП. При этом может быть организовано меньшее количество цепей ДП, вследствие чего даже при повышенном напряжении ДП секции дистанционного питания (участки между двумя смежными ОУП) значительно уменьшаются по сравнению с секциями ДП при способе электропередачи "провод-земля".

Цепи ДП (по способу "провод-земля") организуются по средней точке пары или четверки жил ВЧ одного кабеля. По одной цепи ДП подается питание для двух систем аппаратуры ВЧ (четырех четырехламповых усилителей) и одного дуплексного усилителя НЧ (двухлампового). Половина систем ВЧ уплотнения получает питание по рабочим, цепям одного кабеля, а другая половина - по рабочим цепям второго кабеля. Соответственно резервные цепи для систем, питаемых по первому кабелю, создаются во втором кабеле и наоборот. Такое разделение рабочих цепей позволяет в два раза уменьшить число перебоев в питании систем уплотнения при снятии напряжения с одного из кабелей для ведения ремонтных работ. Резервное питание подается с того же ОУП, что и рабочее.

При способе электропередачи "провод-провод" в секции обычно не должно быть более четырех НУП. В этом случае для обратного прохождения тока ДП резервные цепи используются так, что для цепи ДП 1 и 2-й систем уплотнения используется резервная цепь 3 и 4-й систем (и наоборот), для цепи 5 и 6-й систем используется резервная цепь 7 и 8-й систем (и наоборот). Рабочего заземления на НУП при этом не требуется. Таким образом, цепи ДП для каждого НУП так же, как и при способе ДП "провод-земля", организуется в одном и в другом кабеле.

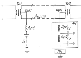
Система ДП "провод-земля" имеет малое сопротивление линейной цепи, при одном и том же количестве линейных проводов для ДП сопротивление линейной цепи при системе "провод-земля" в 4 раза меньше, чем при системе "провод-провод". Искусственная цепь ДП создается с помощью средних точек трансформаторов Тр1 и Тр2. Дальность передачи ДП при системе "провод-земля" значительно увеличивается. Все это является достоинством системы ДП "провод-земля" (рис.2.2).

Рис. 2.2 Система дистанционного питания "провод-земля".

Существенным недостатком такой ДП является малая защищенность от помех со стороны соседних линий электропередачи и особенно со стороны контактных сетей переменного тока. Для уменьшения индуктивного мешающего напряжения питающие на ОУП и питаемые на НУП устройства защищают дросселями Др1 и дроссельными фильтрами Ф1, свободно пропускающими постоянный ток, но ограничивающими переменный, индуктированный внешними электромагнитными полями контактных сетей или ЛЭП.

Система ДП "провод-провод" характеризуется тем, что питающие и питаемые устройства включаются между проводами цепи питания. Для того чтобы эти устройства не мешали работе каналов связи, батарея Б подключается через реакторы РС1 и РС2, а питаемый усилитель ПУ - через фильтр, образованный реакторами РС3,PC4 и конденсатором С (рис.2.3).

Рис. 2.3 Система дистанционного питания "провод-провод".

Достоинством такой системы является то, что симметричная двухпроводная цепь питания хорошо защищена от помех, создаваемых соседними линиями электропередач (ЛЭП) и контактной сетью электрифицированных железных дорог. Недостатком же является большое сопротивление двух линейных проводов, которое дает значительные потери напряжения в линии и тем самым ограничивает дальность передачи ДП.

.4 Расчет электропитающих устройств для ДП

Расчету подлежат следующие элементы системы ДП: напряжение, подаваемое в линии ДП, ток, потребляемый цепями ДП от ЭПУ ОУП. Поскольку все усилители НУП каждой системы уплотнения вместе с шунтирующими их транзисторными блоками соединены в общую цепь последовательно, напряжение усилителей при способе ДП "провод-провод" может быть выражено равенством:

Uнуп = 2ΔUнупn, (1)

где ΔUнуп = 24 В - напряжение электропитания каждого НУП;

n - число НУП с полусекции ДП, n = 7 по заданию.

Uнуп = 2 ∙ 24 ∙ 4 = 192 В.

Формула для расчета напряжения, подаваемого в цепь ДП, может быть написана в следующем общем виде (способ электропередачи "провод-провод"):

Uдп = Uнуп + Iдп(0,5∑lпRп + Rраз), (2)

где Iдп - ток в цепи, принимаемый с некоторым запасом, равным 0,2 А;

Rп - сопротивление одного километра пары медных жил диаметром 1,2 мм = 7,75 Ом;

∑lп - суммарная длина усилительных участков в полусекции, км;

Rраз - сопротивление стационарных развязывающих и защитных устройств для способа электропередачи "провод-провод":

Rраз = 2Rр оуп + Rр нуп (2n - 1), (3)

где Rр оуп - сопротивление развязывающих устройств ОУП, равное 30 Ом;

Rр нуп - сопротивление развязывающих устройств НУП, равное 30 Ом.

Подставляя известные величины Rр оуп и Rр нуп в (3) получим:

Rраз = 2∙30 + 30(2∙4 - 1) = 270 Ом.

Подставим в выражение (2) все полученные по расчетам значения и получим:

Uдп = 192 + 0,2(2∙3,38∑lп + 2∙270) = 192 + 0,2(7,75 ∙ 38 + 540) = 358,9 В.

С достаточной для практических надобностей точностью ток, потребляемый каждой цепью ДП, от ЭПУ ОУП номинальным напряжением 24В (учитывая, что на холостом ходу каждый преобразователь потребляет ток около 3А, а при полной нагрузке - около 9А) определяется по формуле:

Iц = 3 + Uдп∙α → Iц = 3 + 358,9∙0,013 = 7,666 А.

Естественно, что ток, потребляемый СПУ от ЭПУ-24В составляет произведение:


где к = 4 - число цепей ДП.

Iсдп = 4∙7,666 = 30,664 А.

Далее на рис 2.4 приведена схема цепей ДП НУП К-60П по заданному способу электропередачи "провод-провод".

Рис. 2.4 Схема цепей ДП НУП К-60П по способу "провод-провод".

3. Автоматизированный расчет элементов электропитающей установки

.1 Общие сведения о выпрямительных устройствах

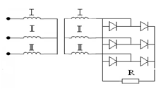
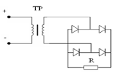
Выпрямительное устройство (рис 3.1) предназначено для преобразования переменного тока в постоянный. Выпрямительные нестабилизированные устройства включают в себя силовой трансформатор, вентили и сглаживающий фильтр. В стабилизированных выпрямительных устройствах, кроме указанных основных элементов, имеется дополнительный стабилизатор напряжения, который подключается до трансформатора или после сглаживающего фильтра.

Рис 3.1 Схема выпрямительного устройства.

Выпрямительные устройства подразделяются по следующим признакам:

.        По типу выпрямительной схемы. Однополупериодные и двухполупериодные схемы выпрямления однофазного, двухфазного, трёхфазного и шестифазного токов.

2.      По типу вентилей применяемых в ВС. Вентили - германиевые, кремниевые, селеновые. Наибольшее распространение получили кремниевые, т.к. они обладают высокими рабочими температурами до , большой допустимой плотностью тока в прямом направлении, высоким допустимым напряжением, большим сроком службы.

.        По реакции нагрузки. Может быть индуктивная реакция нагрузки, емкостная реакция и работа на противо-ЭДС (на АБ), реакция нагрузки проявляется в особенности работы вентилей и сглаживающих фильтров.

.        По возможности изменять величину Uвых. Выпрямительные устройства подразделяются на неуправляемые (НВУ) и управляемые (УВУ). У НВУ между напряжением на входе и выходом жёсткая связь постоянным коэффициентом передачи. А у УВУ напряжение на выходе можно регулировать, изменять при неизменном входом (для этого выпрямительное устройство имеет какое-то управление (рукоятка)).

Типы выпрямительных схем.

)        Схема однополупериодного выпрямления однофазного тока.


)        Схема двухполупериодного выпрямления однофазного тока (мостовая схема).


)        Схема однополупериодного выпрямления двухфазного тока (схема двухполупериодного выпрямления однофазного тока с нулевым выводом у вторичной обмотки силового трансформатора).


)        Схема однополупериодного выпрямления трехфазного тока.


)        Схема двухполупериодного выпрямления трехфазного тока.


)        Схема однополупериодного выпрямления шестифазного тока.


На основании сравнительной оценки схем выпрямления следует выбрать схему выпрямления (как правило двухполупериодную). Наиболее распространенными являются: однополупериодная, двухполупериодная, однофазная мостовая, трехфазная мостовая, трехфазная с нулевым выводом, шестифазная схемы. Выбор той или иной схемы выпрямления зависит от числа фаз питающей обмотки, типа вентиля, требуемых величин напряжения, токов, мощностей на выходе схемы, коэффициента пульсации выпрямленного напряжения. При однофазной сети применяют однополупериодные и двухполупериодные схемы. При трехфазной сети возможно применение как трехфазных, так и однофазных схем. Однако однофазные схемы при мощностях выше 1кВт не применяются из-за необходимости равномерной нагрузки трехфазной сети. При использовании полупроводниковых вентилей при трехфазной сети рекомендуется применять трехфазную мостовую схему и при малых мощностях. При высоких напряжениях более 1 кВ и малых токах нагрузки применяют однополупериодную схему с емкостным выходом, в качестве вентилей целесообразно использовать кенотроны. Германиевые, кремниевые, селеновые вентили следует использовать в схемах для получения выпрямленных напряжений от единиц вольт до десятков киловольт и токов до десятков ампер. Селеновые вентили допускают большие перегрузки. При питании от трехфазной сети применение двухтактной схемы позволяет получить меньший коэффициент пульсации, а, следовательно, и более компактный фильтр.

Сглаживающие фильтры.

Основной параметр сглаживающих фильтров - коэффициент сглаживания:

,

где  - коэффициент пульсации на выходе выпрямительной схемы при ее нагрузке на активном сопротивлении;

 - коэффициент пульсации на реальной нагрузке при наличии фильтра.

Сглаживающие фильтры сглаживают пульсацию. Они бывают одноэлементные (L или С), двухэлементные (Г-образные, LC- и RC- фильтры), фильтры с резонансными контурами. Все эти фильтры - пассивные. Применяют также и активные транзисторные фильтры.

На основании сравнительной оценки схем сглаживания фильтров с учетом величины тока нагрузки следует выбрать необходимый тип фильтра. При этом следует учитывать, что индуктивные фильтры наиболее эффективны при больших токах нагрузки (десятки ампер), а емкостные - при малых токах нагрузки (до сотен мА), Г - образные LC фильтры однозвенные - оптимальные при kсгл ≤ 25.

.2 Автоматизированный расчет выпрямительного устройства

При составлении алгоритма автоматизированного выбора и расчета выпрямительного устройства следует ориентироваться на материал, изложенный в пункте 3.1.

Так при токе менее 0,01А используется емкостной фильтр, при токе более 10А - индуктивный фильтр, при токе 0,01 ÷ 10A в зависимости от коэффициента сглаживания - одно- или двухзвенный RC- или LC-фильтр. При этом выбор RC- или LC-фильтра производится после расчета их параметров и определения величин ΔЭ и ΔЦ, где ΔЭ(р.) - стоимость потерь электроэнергии на активном сопротивлении RC-фильтра за 10 лет его работы: ΔЭ = I02 ∙R∙365∙24∙10∙2∙10-5;

ΔЦ(р.) - разница в стоимостях RC- и LC-фильтров, принимая равной стоимости индуктивности LC-фильтра и определяется по формуле:

ΔЦ = α∙L,

где L - индуктивность, Гн;

α - стоимость индуктивности величиной в 1 Гн (α = 10 р.).

После выбора фильтра и определения его параметров производится расчет выпрямительной схемы.

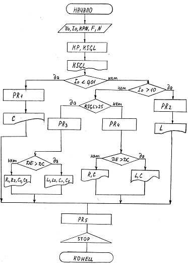
Алгоритм для автоматизированного расчета выпрямительного устройства представлен на рисунке 3.2.

Список идентификаторов:

uo, io ® U0, I0 - напряжение и ток на нагрузке;

n, f ® n, f - число фаз и частота;

ksgl ® Kсгл - коэффициент сглаживания;

kp ® Kп - коэффициент пульсации;

kpn ® Кпн - коэффициент пульсации на нагрузке;

r,l,c - R,L,C - элементы схемы;

de ® DЭ = I02.R.365.24.2.10-5;® DЦ = α.L = 10L;1 - подпрограмма вычисления параметров С-фильтра;

PR2 - подпрограмма вычисления параметров L-фильтра;

PR3 - подпрограмма вычисления параметров двузвенных LC и RC фильтров;

PR4 - подпрограмма вычисления параметров однозвенных LC и RC фильтров;

PR5 - подпрограмма вычисления параметров выпрямителя.

Рис. 3.2 Алгоритм для автоматизированного расчета выпрямительного устройства.

Листинг программы на языке Pascal и результат ее выполнения:

PROGRAM Kyrsovoy;Crt;,io,kpn,f,m,kp,ksgl,r,l,c,ksgl1,dc,de,n : Real;clrscr;('ВВЕДИТЕ:':36);

writeln;('Требуемое значение напряжения на нагрузке':53);

write ('Uo=':32); readln(uo);

writeln('Значение тока в нагрузке':44);

write('Io=':32); readln(io);('Значение коэффициента пульсации':47);('Kpn=':33); readln(kpn);('Частота':35 );('f=':32); readln(f);('Количество фаз':39);('n=':32); readln(n); m:=n*2;;('ПОЛУЧАЕМ:':37);:=2/(m*m-1); ksgl:=kp/kpn;

writeln('Коэффициент сглаживания =':43,ksgl:3:2);

if io<0.01 then begin c:=ksgl*io*(m*m-1)/(4*uo*m*f);('C-фильтр: C=':39,c:5:4,'.');;begin if io>10 then begin:=ksgl*uo/(2*3.14*m*f*io);('L-фильтр: L= ':39,l:3:4,'.');;begin if ksgl>25 thenksgl1:=sqr(ksgl);:=0.001;:=(ksgl1+1)/(4*3.14*3.14*m*m*f*f*c);:=2*l*10;:=ksgl1/(2*3.14*f*m*c);:=io*io*r*365*24*20*0.00001;de>dc then('Двузвeнный LC фильтр: L1=L2=':37,1:3,' ;' C1=C2=',c:2:4,' .')('Двузвeнный RC фильтр: R1=R2=':37,r:3:2,' ; ','C1=C2=',c:2:4,');;begin;:=0.001;:=(ksgl+l)/(4*m*m*3.14*3.14*f*f*c);:=ksgl/(2*3.14*f*m*c); endbegin;:=10*l;:=io*io*r*365*24*10*2*0.00001;de>dc then('Однозвенный LC фильтр: L=':37,l:3:2,' ; ','C= ',c:5:4,')write ('Однозвенный RC фильтр: R= ':37,r: 3:2,' ; ','C=',c:3:2,' .');;;;writeln;('ПРОГРАММА ЗАВЕРШЕНА НАЖМИТЕ ЛЮБУЮ КЛАВИШУ !':56);UNTIL KEYPRESSED.

ВВЕДИТЕ:

Требуемое значение напряжения на нагрузке

Uo=35

Io=35

Значение коэффициента пульсации

Kpn=0.003

Частоту

f=50

Количество фаз

n=3

ПОЛУЧАЕМ:

Коэффициент сглаживания =19.05

L-фильтр: L= 0.0101.

ПРОГРАММА ЗАВЕРШЕНА НАЖМИТЕ ЛЮБУЮ КЛАВИШУ !

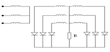
3.3 Схема рассчитанного ВУ


Список литературы

1. Методические указания к курсовой работе "Проектирование электропитающих установок АТС на Ж/Д транспорте". Часть 1 - М.: 2000 г.

2. Методические указания к курсовой работе "Автоматизированный расчет элементов ЭПУ". - М.: 1989 г.

3. Методические указания к курсовой работе "ЭПУ дома связи". М.: 1997 г.

4. Дмитриев В.P., Смирнов В.И. Электропитающие устройства Ж/Д АТС - М.: транспорт, 1983 г.

Похожие работы на - Электропитающие установки дома связи

 

Не нашли материал для своей работы?
Поможем написать уникальную работу
Без плагиата!
Без нейросетей!