Электрооборудование предприятия 'Апатит'
Содержание
Введение
. Общая часть
.1 Характеристика предприятия и
готовой продукции
.2 Горно-техническая характеристика
месторождения
.3 Механизация работ на участке
. Специальная часть
.1 Исходные данные
.2 Энергетическая характеристика
электроприёмников
.3 Расстановка оборудования на
планах(разрезах) участка
.4 Выбор схемы электроснабжения
.5 Выбор рода тока и величины
напряжения
.6 Расчёт освещения
.7 Расчёт мощности силовых
трансформаторов УПП
.8 Расчёт токов КЗ, расчёт сечения и
выбор проводников в сети ВН
.9 Расчёт сечения и выбор
проводников в сети НН
.10 Расчёт токов КЗ в сети НН
.11 Выбор аппаратов управления и
защиты в сети ВН и НН
.12 Расчёт параметров защиты и
проверка чувствительности защиты
.13 Ведомость выбранного
оборудования
. Охрана труда при эксплуатации
электрооборудования
Литература
Введение
Современные шахты и рудники содержат сложный
комплекс электроустановок, размещенных на поверхности и в подземных выработках.
В зависимости от производительности предприятия, уровня механизации и автоматизации,
глубины залегания пластов или рудного тела, размеров шахтного поля, газового и
пылевого режима, водообильности и других горно-геологических факторов общая
установленная мощность электропотребителей на шахтах и рудниках достигает
десятков MBA [1, стр. 11]. На выбор системы электроснабжения добычных участков,
помимо горно-геологических и технологических факторов, существенное влияние
оказывают способ механизации в забоях и схема транспорта полезного ископаемого
от забоя. Специфической особенностью систем подземного электроснабжения
является их подвижной характер, обусловленный постоянным перемещением фронта
очистных работ. Учитывая совокупность перечисленных факторов и условий,
система электроснабжения добычных участков должна быть безопасной в отношении
поражения людей электрическим током, исключать возможность открытого искрения,
способного вызвать взрыв или пожар; надежной, обеспечивающей качественное и
бесперебойное питание электроэнергией потребителей; электрооборудование и
кабели должны позволять непрерывное подвигание, расширение и наращивание
системы в целом; капитальные затраты и эксплуатационные расходы на участковую
систему должны быть минимальными.
. Общая часть
.1 Характеристика предприятия и готовой
продукции
Открытое акционерное общество "Апатит"
было основано 13 ноября 1929 года и вот уже более 70 лет осуществляет
разработку Хибинских месторождений апатито-нефелиновых руд, производит их
добычу и обогащение с получением апатитового и нефелинового концентратов.
Открытое акционерное общество "Апатит"
- один из крупнейших мировых производителей фосфатного сырья. Его доля в
поставках фосфорсодержащего сырья на рынке России и СНГ составляет 90%, на
рынке Европы - 20%.
ОАО "Апатит" - представляет собой
современный горно-химический комплекс, на котором трудится свыше 15 тысяч
человек, проживающих в городах Кировске и Апатитах. В состав комплекса входят
четыре рудника: два подземных (Кировский и Расвумчоррский) и два открытых
(Центральный и Восточный); обогатительный комплекс, железно-дорожный и
автомобильный цеха, более 20 других цехов вспомогательного назначения. Научную
и экспериментальную работу по комплексному использованию апатито-нефелиновой
руды проводит Центральная лаборатория.
За 80 лет существования предприятием было добыто
и переработано более 1,5 млрд. тонн руды, выработано более 550 млн. тонн
апатитового и 50 млн. тонн нефелинового концентратов.
Помимо апатитового и нефелинового концентратов
на комбинате выпускаются эгириновый, сфеновый и титаномагнетитовый концентраты,
производятся нефелиновый коагулянт-флокулянт, нефелиновые окатыши и добывается
отделочный природный камень хибинит.
Основными направлениями развития предприятия на
перспективу являются укрепление рудной базы, модернизация производства,
совершенствование технологий по комплексной переработке уникальных по качеству
апатито-нефелиновых руд для выпуска конкурентоспособной продукции.
.2 Горно-теническая характеристика месторождения
Рассматриваемый район представляет собой
сильно-расчлененный горный массив, возвышающийся над окружающей местностью на
800-1000м. Месторождение "Апатитовый Цирк", отрабатываемое рудником,
в нагорной части вскрыто штольнями на горизонтах +430м, +440м, +470м, +530м,
+600м и стволом, пройденным с поверхности до горизонта +308м в районе разреза
11. От ствола пройдены квершлаги к месторождению на горизонтах +470м, +530м,
+600м и квершлагом 11 с горизонта +440м.
Буро-доставочные подэтажи связаны между собой
уклонами и транспортными выработками, с выездом на поверхность через портал в
районе разреза 12+20 м на отм.+610 м и нагор.+470 м в районе разреза 30-31.
Кроме того, гор.+470 м связан с
гор.+530 м лифтовым восстающим 2Ю в районе разреза 3+15 м. Горизонты +530 м и
+600 м сообщаются между собой лифтовым восстающим 530/600, пройденным в районе
разреза 2П.Руда с гор.+530 м выдается по рудоспускам 3 и 4 на капитальную
штольню гор.+431 м в районе разреза 17, служащую для вывозки руды, добываемой
Расвумчоррским и Центральным рудниками.
С гор. +470 м руда выдается по
рудоспускам 1,2 и 4. Перепуск руды с гор.+530 м бл.4/10 (повышенная часть)
осуществляется по рудоспускам 8 и 9 нагор.+530 м. Руда с гор.+600 м бл.1/2П
выдается по участковым рудоспускам 1,2,3 на гор.+530 м с последующей
транспортировкой в капитальные рудоспуски 3 и 4.
Материально-ходовая штольня
нагор.+440 м служит для перевозки людей Расвумчоррского и Центрального
рудников, прокладки коммуникаций (фидерные сети, сжатый воздух, вода).
Штольни нагор.+470 м, +530 м
служат для завозки материалов и оборудования на горизонты и для стока рудничных
вод в ручей Кристальный, кроме того, завозка на подэтажи гор.+450 м, +470 м,
+530 м и +600 м осуществляется по автосъездам 470/450, 610/596.
.3 Механизация работ на участке
На руднике применяются системы разработки:
- этажного принудительного обрушения с
отбойкой руды глубокими скважинами и площадным выпуском: бл.14/16 гор.+470м;
- подэтажного обрушения с отбойкой руды
глубокими скважинами и торцевым выпуском: бл.1/2п гор.+600м, бл..0/2 и 4/10
гор.+530м, 1/6 и 6/8 гор.+470м, 2 подэтаж бл.14/16 и 16/19 гор.+470м, бл. 10/13
гор.+450м.
При этажном принудительном обрушении доставка
руды производится скреперными лебедками мощностью 100 кВТ. Отработка
месторождения ведется этажами высотой 70 м. Этажи разделываются на выемочные
блоки длиной по простиранию 144-216 м. Ширина блока вкрест простирания равна
горизонтальной мощности рудного тела. Днище блока подготавливается откаточными
ортами, которые проходятся через 72м и откаточными штреками через 60м при
скреперной доставке. Скреперные штреки и орты проходятся из откаточных ортов и
штреков через 11,6-21м.
Бурение глубоких скважин
осуществляется буровыми установками "СИМБА", диаметр скважин 102мм,
127 мм, глубина скважин - до 36 м, выход руды с 1м скважины D
= 102 мм - 6,0 м3, D
= 127 мм - 6,5 м3.
Для зарядки скважин применяется
граммонит М-21 и патронированный аммонит 6ЖВ D
= 90мм. Зарядка производится зарядчиками МЗКС-160 и зарядными машинами
"Паус" и "Чармек".
Руда погор.+530 м и гор.+470 м
доставляется электровозами К-14 с 10-12 вагонами ВГ-4,5 на опрокид № 1- 4,
пустая порода - на рудоспуск № 3. В капитальной штольне гор. + 431 м руда
загружается в 100-тонные думпкары и перевозится на обогатительные фабрики № 2 и
№ 3.
Доставка руды от забоев до
рудоспусков или приемных бункеров дробилок будет осуществляться с помощью ПДМ
типа ТОРО- 400Е или ТОРО -1400Е с ёмкостью ковша от 4,3 до 6,0 м3, а
на главных откаточных выработках- 1ППН-5.
2. Специальная часть
.1 Исходные данные
Вариант 6
Система разработки: подэтажная отбойка с
торцовым выпуском руды, с доставкой самоходными машинами, выпуском через
рудоспуски на нижний откаточный горизонт, с транспортировкой локомотивным или
конвейерным транспортом в условиях подземного горизонта Расвумчоррского
рудника.
Параметры системы разработки: Высота блока- 40м,
длина блока- 42м,
ширина блока- 160м
Расстояние между откаточными выработками 24 м.,
размеры выработок 3,2х2,8м2.
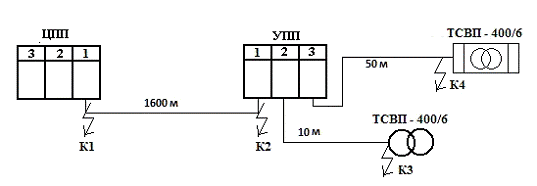
Расстояние от ЦПП до УПП: 1600м
Таблица 1 - Характеристика оборудования участка
(цеха)
|
Оборудование
|
Количество,
шт
|
Мощность,
кВт
|
Длина
кабеля, м
|
|
ПДМ
|
3
|
110
|
200
|
|
1ППН5
|
1
|
14+7,5
|
50
|
|
ВДПУ
|
2
|
22
|
20
|
|
ШБУ
|
2
|
55
|
80
|
|
Сварочный
аппарат
|
2
|
20
|
20
|
|
ШБС
|
2
|
83
|
55
|
|
Конвейер
|
1
|
80
|
45
|
.2 Энергетическая характеристика
электроприёмников
Выбираю трехфазные двигатели в рудничном
взрывобезопасном исполнении, т.к. все оборудование работает в агрессивной среде
(влажность, запыленность). ВР - асинхронные двигатели с короткозамкнутым
ротором и мощностью до 400 кВт.
Таблица 2 - Энергетическая характеристика
электроприёмников
|
Оборудование
|
Р,
кВт
|
Электродвиг.
|
Р,
кВт
|
Uн, В
|
Iст, А
|
η,
|
cos φ
|
Iп/
Iн
|
n, об/миин
|
|
ПДМ
|
110
|
ВР280М4
|
110
|
660
|
116
|
93,5
|
0,89
|
6,8
|
1500
|
|
Конвейер
|
80
|
ВР250M4
|
90
|
660
|
95
|
92
|
0,9
|
6,7
|
750
|
|
ВДПУ
|
22
|
ВР180S4
|
22
|
660
|
25
|
88,5
|
0,88
|
5,7
|
750
|
|
ШБУ
|
55
|
ВР225M4
|
55
|
660
|
62
|
91,5
|
0,85
|
6,1
|
3000
|
|
ШБС
|
83
|
ВР250M4
|
90
|
660
|
95
|
92
|
0,9
|
6,7
|
3000
|
|
1ППН5
|
21,5
|
ВР180S4
|
22
|
660
|
25
|
88,5
|
0,88
|
5,7
|
1000
|
2.3 Расстановка оборудования на
планах (разрезах) участка
Рисунок 1 - Расстановка оборудования на
откаточном горизонте
Рисунок 2 - Расстановка
оборудования на 1 буродоставочном горизонте
Рисунок 3 - Расстановка оборудования на 2
буродоставочном горизонте
Рисунок 4 - Расстановка оборудования на 3
буродоставочном горизонте
Рисунок 5- Вертикальный разрез блока
Таблица 3 - Расстановка оборудования.
|
Тип
оборудования
|
Место
установки
|
Мощность
Рном, кВт
|
U,
В
|
Кол-во,
шт
|
Коэф.
спроса, Кс
|
Длина
кабеля, м
|
|
ШБУ
|
1,3
буродоставочные горизонты
|
55
|
660
|
2
|
0,35
|
80
|
|
ШБС
|
1,2
буродоставочные горизонты
|
83
|
|
2
|
0,45
|
55
|
|
Конвейер
|
Откаточный
горизонт
|
80
|
|
1
|
0,65-0,8
|
45
|
|
1ППН5
|
Откаточный
горизонт
|
14+7,5
|
|
1
|
0,35
|
50
|
|
ВДПУ
|
Откаточный
горизонт
|
22
|
|
2
|
0,7-0,8
|
20
|
|
Сварочный
аппарат
|
2
буродоставочный горизонт
|
20
|
|
1
|
0,7
|
20
|
|
Сварочный
аппарат
|
Откаточный
горизонт
|
20
|
|
1
|
0,7
|
20
|
|
ПДМ
|
1,2
и 3 буродоставочные горизонты
|
110
|
|
3
|
0,45
|
200
|
.4 Выбор электроснабжения
Схема электроснабжения оборудования горизонта
рудника выполнена бронированным кабелем различных напряжений и сечений..
Распределительные пункты установлены на каждом горизонте и запитаны
бронированным кабелем СБГ. От распределительных пунктов (РП) прокладываются
кабельные линии, выполненные бронированным кабелем. Количество передвижные
трансформаторные подстанции определяется количеством основного технологического
оборудования, его расположением по плану ведения горных работ. Подключение
электрооборудования рудника производится с помощью гибких кабелей. Питание
низковольтных токоприемников осуществляется кабелем КГ. Освещение горизонтов
осуществляется лампами накаливания типа РВЛ-40М.
2.5 Выбор рода тока и величины напряжения
Для питания силового оборудования, применяемого
при добыче полезного ископаемого, используется 3-х фазный переменный ток.
Принимаю следующие напряжения для силового
оборудования:
·
127В
- для осветительной сети буродоставочных горизонтов;
·
220В
- для питания ручного инструмента и осветительной сети в откаточных горизонтах;
·
660В
- для сетей, питающих силовые электроприемники в подземных выработках и на
открытых горных разработках;
·
6кВ
- для передвижных трансформаторных подстанций.
.6 Расчёт освещения
Принимаю для освещения откаточного горизонта
светильник типа РВЛ-40М; напряжением 127В; мощностью 100Вт; КПД 65%; световой
поток 2480; тип лампы ЛБ40 ПТБ-40. Расстояние между светильниками 6 м.
Минимальная горизонтальная освещенность 5 лк. Высота подвеса светильника не
менее 1,8м по ЕПБ.

Рисунок 6 - Выработка в разрезе и схема
расположения светильников
1. Высота подвеса
светильника, принимаю h
= H-b
= 2,8 - 0,3 = 2,5 м.
. Расстояние от
светильника до средней между светильниками точки:
К1=l/2=6/2=3
м
3. Горизонтальная
освещенность на почве в точке К1 от двух светильников:
где,
-
поправочный коэффициент;
α - угол наклона лучей
к нормально освещаемой плоскости в точке К1:
tg
=
l/(2h)
=6/(2*2,5) =1,2;
=500; cos
=0,64;
Iα
- сила света под углом 500 для светильника РВЛ-40М,
6,2>5лк, что удовлетворяет требуемым нормам Emin³5лк;
. Определяю количество
светильников:
где, L
= 2*L+2*В = 2*160+2*42= 404 м
- длина откаточного орта, м; В - длина
откаточного штрека, м.
. Выбираю источник питания
Мощность ламп:
Р∑л=Рл*nл=40*67=
2680 Вт
Рассчитываю мощность осветительного прибора:
Принимаю агрегат осветительный шахтный АОШ-5,
номинальной мощностью 5 кВА, так как шахта опасная по газу и пыли. Два
агрегата, на каждый орт по одному.
. Определяю момент нагрузки:
где: Р∑=nсв*Pсв=34*40=1360-
суммарная
мощность всех светильников одного плеча;
l1
- расстояние от источника до первого
светильника;
L
- длина
освещаемой выработки.
. Определяю сечение жил осветительного
кабеля:
где: С=8,5 -
коэффициент, зависящий от материала жил кабеля, напряжения сети, равномерной
нагрузки;
ΔU=4%
- допустимая потеря напряжения
Принимаю кабель КГ -
3×4+1×2,5 с сечением основных жил 4 мм2.
Для освещения буродоставочных горизонтов
принимаю светильники типа РВЛ-40М-У5; напряжением 127В; мощностью 40 Вт; КПД
65%; световой поток 2480 лм. Расстояние между светильниками 7 м. Тип лампы
ЛБ40ЛТБ-4.
. Первый буродоставочный горизонт
Количество светильников:
Общая расчетная мощность питания осветительной
сети:
9. Второй буродоставочный горизонт
Количество светильников:
Общая расчетная мощность питания осветительной
сети:
10. Третий буродоставочный горизонт
Количество светильников:
Общая расчетная мощность питания осветительной
сети:
Принимаю агрегат осветительный шахтный АОШ-5,
номинальной мощностью 5 кВА, т.к. шахта опасная по газу и пыли. По 2 АОШ-5 для каждого
бурового горизонта.
Таблица 4 - Тип и количество светильников
|
Наим.
выр-ки
|
Длина
выр-ки, м
|
Хар-ка
светильни-ков, тип, Рном
|
Расстояние
между светильниками, м
|
Напряжение,
Uном
|
Кол-во
светильников
|
Суммарная
мощность, Вт
|
|
|
|
|
|
|
люмин.
|
|
Откаточный
горизонт
|
404
|
РВЛ-40М
|
6
|
127
|
68
|
2680
|
|
I БДГ
|
384
|
РВЛ-40М-У5
|
7
|
127
|
54
|
2160
|
|
II БДГ
|
364
|
РВЛ-40М-У5
|
7
|
127
|
51
|
2040
|
|
III БДГ
|
344
|
РВЛ-40М-У5
|
7
|
127
|
48
|
1920
|
.7 Расчёт мощности силовых трансформаторов УПП
Для выбора мощности трансформатора распределим
все имеющееся оборудование на две группы:
а) Откаточный и первый
буродоставочный горизонты;
б) Второй и третий
буродоставочные горизонты;
Таблица 5 - Деление
оборудования на группы.
|
1
группа
|
2
группа
|
|
Оборудование
|
Кол-во,
шт
|
Pрасч, кВт
|
Оборудование
|
Кол-во,
шт
|
Pрасч, кВт
|
|
Сварочный
аппарат
|
1
|
20
|
ШБС
|
1
|
83
|
|
Конвейер
|
80
|
ШБУ
|
1
|
55
|
|
1ППН5
|
1
|
14+7,5
|
Сварочный
аппарат
|
1
|
20
|
|
ВДПУ
|
2
|
22
|
ПДМ
|
2
|
110
|
|
ШБУ
|
1
|
55
|
АОШ-5
|
4
|
5
|
|
ШБС
|
1
|
83
|
|
|
|
|
ПДМ
|
1
|
110
|
|
|
|
|
АОШ-5
|
4
|
5
|
|
. Суммарная мощность для первой
группы:
∑Р1=20*1+80*1+(14+7,5)*1+22*2+55*1+83*1+110*1+5*4=
20+80+21,5+44+55+83+110+20=433,5 кВт
. Суммарная мощность для второй
группы, кВт
∑Р2 =
83*1+55*1+20*1+110*2+5*4=83+55+20+220+20= 398 кВт
. Коэффициент спроса для первой
группы:
. Коэффициент спроса для второй
группы:
5. Расчетная мощность силового
трансформатора:
.1. Для первой группы:
=0,6, так как
месторождение с пологими пластами.
5.2. Для второй группы:
. Уточненная мощность для
первой группы:
.1 Уточненная мощность для
второй группы:
. Выбор трансформатора
Для первой группы - ТСВП-400/6,
т.к. 400>317,6
Для второй группы - ТСВП-400/6,
т.к. 400>296,8
Таблица 6 - Расчетные данные
силовых трансформаторов
|
№
|
Тип
трансформатора
|
Sн,
кВА
|
Sр,
кВА
|
Коэф.
загрузки
|
Iнн,
А
|
Iвн, А
|
Uк,
%
|
Ркз,
Вт
|
|
1
|
ТСВП-400/6
|
400
|
317,6
|
1,26
|
38,5
|
335
|
3,5
|
3600
|
|
2
|
ТСВП-400/6
|
400
|
296,8
|
1,35
|
38,5
|
335
|
3,5
|
3600
|
Т - трансформатор
С - силовой
В - взрывобезопасный
- номинальная мощность
- напряжение
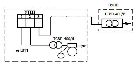
Рисунок 7 - Расположение оборудования в двух
УПП, одна из них - на буродоставочном горизонте
.8 Расчёт токов КЗ, расчёт сечения и выбор
проводников в сети ВН
.Ток нагрузки кабеля ВН от ЦПП до УПП:
где:
=1,1
- коэффициент перегрузки трансформаторов;
Iн
- номинальные токи первичной обмотки трансформаторов;
Выбираю по ближайшему большему длительно
допустимому току 85 А бронированный кабель с медными жилами сечением 35 мм2.
. Проверка по допустимым потерям напряжения:
где, L=
380 м - длина кабеля с учетом провиса 10%;
γ
- удельная проводимость жилы кабеля для меди;
S - сечение жилы
кабеля, мм2.
Uдоп
= 5%*Uн
= 0,05*6000 = 300В
ΔUрасч
≤ Uдоп
= 30,4 < 300 - условие соблюдается;
. Проверка по экономической плотности тока:
,
,4>25 - кабель проходит проверку, значит
принимаю по стандарту 35 мм2.
j - экономическая
плотность.
. Проверка по термическому действию тока К.З.
,
<35 мм2, следовательно принимаю
сечение 35 мм2.
Iк.з. -
установившееся значение тока К.З.;
С - термический коэффициент для меди 165;
tф
- фактическое время срабатывания защиты.
Окончательно выбираю кабель типа СБГ-6-3×35:
с
медными жилами, с свинцовой оболочкой, с броней из плоских стальных лент,
голый, с обеднено-пропитанной изоляцией жил сечением 35мм2 , Iн=
85 А и длиной 380 м.
Рисунок 8 - Схема сети ВН
. Ток КЗ на шинах ЦПП (точка К1):
где, Sк
- максимальная допустимая мощность КЗ на подземной подстанции .
. Ток КЗ на шинах УПП (точка К2):
Суммарное
сопротивление кабеля:
Z∑=Zс+Zк=0,72+0,24=0,96
Ом
Полное сопротивление
кабеля:
Полное
сопротивление в точке КЗ кабеля от ЦПП до УПП:
Активное сопротивление кабеля от ЦПП до УПП:
Индуктивное сопротивление кабеля от ЦПП до УПП:
Ток КЗ на шинах УПП
7. Ток КЗ на вводе в ТСВ-400/6(точка К3):
Принимаю кабель СБГ-6-3×35
длиной
10 м.
Принимаю Iк.з.(3)
= Iк.з.(2) = 3608 А
8. Ток КЗ на вводе в ТСВ-400/6(точка К4):
Принимаю кабель СБГ-6-3×35
длиной
50 м.
Активное сопротивление кабеля:
Индуктивное
сопротивление кабеля:
Полное
сопротивление в точке КЗ кабеля от УПП до ПУПП:
Суммарное
сопротивление кабеля:
Z∑=Zс+Zк+Zмк=0,72+0,0273+0,96=1,7
Ом
Ток КЗ на вводе в ТСВ-400/6
Таблица 7 - Длина и марка кабеля
(ЦПП-УПП-ПУПП/ТСВП-400-6)
|
№
|
Начало
|
Конец
|
Iнагр, А
|
Длина,
м
|
Марка
|
|
1
|
ЦПП
|
УПП
|
63
|
380
|
СБГ
|
|
2
|
УПП
|
ПУПП
|
63
|
50
|
СБГ
|
|
3
|
УПП
|
ТСВП-400/6
|
63
|
10
|
СБГ
|
.9 Расчёт сечения и выбор кабелей НН
Таблица 8 - Характеристика приемников
|
Эл.
приемник
|
Рном,
кВт
|
Uном,
В
|
cosφ
|
η,
%
|
Lк,
м
|
Кс,
Од.
|
Кс,
Гр.
|
|
ПДМ
|
110
|
660
|
0,89
|
93,5
|
200
|
0,45
|
1
|
|
ШБУ
|
55
|
|
0,87
|
91,5
|
80
|
0,35
|
1
|
|
ШБС
|
83
|
|
0,85
|
92
|
55
|
0,45
|
1
|
|
ВДПУ
|
22
|
|
0,88
|
88,5
|
20
|
0,7-0,8
|
1
|
|
Св.апп.
|
20
|
|
0,9
|
92
|
20
|
0,7
|
1
|
|
АОШ-5
|
5
|
|
1
|
100
|
10
|
0,85
|
1
|
|
1ППН5
|
21,5
|
|
0,88
|
88,5
|
50
|
0,88
|
1
|
|
Конвейер
|
80
|
|
0,89
|
93,5
|
45
|
0,65-0,8
|
1
|
1. Рабочие токи одиночных приемников (для
двигателя ПДМ):
где, Pн
- номинальная активная мощность приемника;
сos jн -
номинальный коэффициент мощности;
Kс
- коэффициент спроса потребителей электроэнергии.
Дальнейшие расчеты провожу аналогично,
результаты записываю в таблицу:
Таблица 9 - Рабочие токи одиночных
электроприемников:
|
Эл.
приемник
|
Iр..,
А
|
Сечение
кабеля, мм2
|
|
ПДМ
|
115,6
|
50
|
|
ШБУ
|
65,7
|
25
|
|
ШБС
|
92,8
|
35
|
|
ВДПУ
|
24,7
|
4
|
|
Св.апп.
|
21,1
|
2,5
|
|
АОШ-5
|
4,3
|
2,5
|
|
1ППН5
|
24,1
|
4
|
|
Конвейер
|
84,2
|
35
|
. Проверка сечения жил одиночного кабеля по
механической прочности:
По механической прочности минимальное сечение
жил:
для передвижных механизмов - 16 мм2
для стационарных - 10 мм2
Все полученные данные записываю в общую таблицу
Таблица 10 - характеристика выбранных кабелей:
|
Эл.
приемник
|
Тип
кабеля
|
Материал
кабеля
|
Сечение
кабеля, мм2
|
γ
|
Lк,
м
|
Iдл.доп.,
А
|
|
ПДМ
|
КГ
|
М
|
50
|
53
|
200
|
120
|
|
ШБУ
|
КГ
|
М
|
25
|
53
|
80
|
80
|
|
ШБС
|
КГ
|
М
|
35
|
53
|
55
|
95
|
|
ВДПУ
|
СБГ
|
М
|
10
|
53
|
20
|
46
|
|
Св.апп.
|
КГ
|
М
|
16
|
53
|
20
|
60
|
|
АОШ-5
|
СБГ
|
М
|
10
|
53
|
10
|
46
|
|
1ППН5
|
КГ
|
М
|
16
|
53
|
50
|
60
|
|
Конвейер
|
СБГ
|
М
|
35
|
53
|
45
|
95
|
. Проверка сечения жил одиночного кабеля по
допустимым потерям напряжения (для ПДМ):
где, Iр.
- рабочий ток;
L - длина кабеля
- удельная
проводимость жилы кабеля для меди;
S - сечение жилы
кабеля.
, где
-
допустимые потери напряжения.
Дальнейшие расчеты провожу аналогично,
результаты записываю в таблицу:
Таблица 11 - Проверка кабелей по допустимым
потерям напряжения
|
Эл.
приемник
|
Uн,
В
|
ΔUо,
В
|
|
ПДМ
|
660
|
115,6
|
13,96
|
|
ШБУ
|
|
65,7
|
7,28
|
|
ШБС
|
|
92,8
|
4,14
|
|
ВДПУ
|
|
24,7
|
2,65
|
|
Св.апп.
|
|
21,1
|
2,2
|
|
АОШ-5
|
|
4,3
|
1,5
|
|
1ППН5
|
|
24,1
|
5,4
|
|
Конвейер
|
|
84,2
|
3,55
|
4. Расчетные нагрузки групповых кабелей (для 1
гр.):
Iгр
= Iр.о.1*
Kс.гр.1+Iр.о.2*
Kс.гр.2+....+Iр.о.n*
Kc.гр.n
=21,1*0,7+24,1*0,35+24,7*2*0,7+4,3*2=
66,4 А
гр. - Свар.апп., конвейер, 1ППН5, ВДПУ, ВДПУ,
АОШ-5, АОШ-5.
гр. - ШБУ, ШБС, ПДМ, АОШ-5, АОШ-5.
гр. - ШБС, ПДМ, Свар.апп., АОШ-5, АОШ-5.
гр. -ШБУ, ПДМ, АОШ-5, АОШ-5.
Результаты расчетов расчетных токов групповых
кабелей записываю в таблицу:
Таблица 12 - Расчетные токи групповых кабелей
|
От
тр-ра
|
Группы
|
Iгр,
А
|
Марка
кабеля
|
Сечение
кабеля, мм2
|
Uном,
В
|
|
ТСВП-400/6
|
Откаточный
горизонт
|
|
1гр.
|
66,4
|
СБГ
|
16
|
660
|
|
1БДГ
|
|
2гр.
|
125,4
|
СБГ
|
50
|
660
|
|
ТСВП-400/6
|
2БДГ
|
|
3гр.
|
117
|
СБГ
|
35
|
660
|
|
3БДГ
|
|
4гр.
|
90,2
|
СБГ
|
25
|
660
|
. Проверка сечения жил группового кабеля по
допустимым потерям напряжения (для 1гр.):
, где
допустимые потери напряжения.
Дальнейшие расчеты провожу аналогично,
результаты записываю в таблицу №13:
Таблица 13 - Проверка групповых кабелей по
допустимым потерям напряжения
|
№
группы
|
Lк,
м
|
cosφ
|
ΔUгр,
В
|
ΔUдоп,
В
|
|
1
|
30
|
0,86
|
5,7
|
33
|
|
2
|
50
|
0,89
|
6,3
|
|
|
3
|
40
|
0,88
|
6,6
|
|
|
4
|
45
|
0,8
|
4,1
|
|
. Расчетные
нагрузки магистральных кабелей:
Iм.к.1 = I1гр.+
I2гр.= 66,4+125,4 = 191,8 Ам.к.2 = I3гр.+
I4гр. =
117+90,2 = 207,2 А
. Проверка сечения
жил магистрального кабеля по допустимым потерям напряжения (для 1м.к.):
, где
допустимые потери напряжения.
Результаты проверки по допустимым потерям
напряжения записываю в таблицу:
Таблица 14 - Проверка магистральных кабелей по
допустимым потерям напряжения
|
№
кабеля
|
Марка
кабеля
|
Сечение
кабеля, мм2
|
Iм.к.,
А
|
Lм.к.,
м
|
γ
|
cosφ
|
ΔUгр,
В
|
ΔUдоп,
В
|
|
1
|
СБГ
|
150
|
191,8
|
15
|
53
|
0,86
|
2,7
|
33
|
|
2
|
СБГ
|
50
|
207,2
|
15
|
53
|
0,89
|
9,5
|
|
. Потери напряжения в силовом трансформаторе
(для 1тр.):
где,
-
фактическая мощность нагрузки;
- номинальная
мощность трансформатора; Uа
- активная потеря напряжения; Uр
- реактивная потеря напряжения; cosφ
- средневзвешенный коэффициент мощности;sinφ
- синус
угла, соответствующий приведенному cosφ.
где, Uк - напряжение КЗ трансформатора.
Дальнейшие расчеты провожу аналогично,
результаты записываю в таблицу :
Таблица 15 - Допустимые
потери напряжения трансформаторов
|
Тип
трансформатора
|
сos
φср.
|
|
|
|
|
|
|
|
|
ТСВП-400/6
|
0,86
|
191,8
|
400
|
3600
|
209
|
3,5
|
1,3
|
4,8
|
|
ТСВП-250/6
|
0,86
|
207,2
|
400
|
2490
|
209
|
3,5
|
1,1
|
4,1
|
9. Суммарные потери
напряжения в сети:
ΔU∑ = ΔUтр.+ΔUм.к.+ΔUгр.+ΔUо.
Таблица 16 - Суммарные
потери напряжения в кабеле
|
№гр.
|
Эл.
приемник
|
ΔUо,
В
|
ΔUгр.,
В
|
ΔUм.к,
В
|
ΔUтр,
В
|
ΔU∑,
В
|
|
1
|
ВДПУ
|
1,5
|
3,2
|
5,2
|
9,6
|
19,5
|
|
ВДПУ
|
1,5
|
|
|
|
19,5
|
|
1ППН5
|
2,6
|
|
|
|
20,6
|
|
Св.аппарат
|
2,6
|
|
|
|
20,6
|
|
Конвейер
|
2,6
|
|
|
|
20,6
|
|
АОШ-5
|
1,5
|
|
|
|
19,5
|
|
АОШ-5
|
0,12
|
|
|
|
18,1
|
|
2
|
ПДМ
|
10
|
3,6
|
|
|
28,4
|
|
ШБС
|
2,7
|
|
|
|
21,1
|
|
ШБУ
|
5,4
|
|
|
|
23,8
|
|
АОШ-5
|
0,5
|
|
|
|
18,9
|
|
АОШ-5
|
0,12
|
|
|
|
18,5
|
|
3
|
ПДМ
|
10
|
3,4
|
3,3
|
7
|
23,7
|
|
ШБС
|
5,4
|
|
|
|
19,1
|
|
Сварочный
аппарат
|
0,5
|
|
|
|
14,2
|
|
АОШ-5
|
0,12
|
|
|
|
13,8
|
|
АОШ-5
|
|
|
|
|
|
|
4
|
ШБУ
|
2,7
|
5,5
|
|
|
18,5
|
|
ПДМ
|
0,5
|
|
|
|
16,3
|
|
АОШ-5
|
0,12
|
|
|
|
15,9
|
|
АОШ-5
|
|
|
|
|
|
2.10 Расчёт токов КЗ в сети НН

Рисунок 11 - Группировка оборудования по
горизонтам
. Определяем активное сопротивление обмоток
трансформатора ТСВП 400/6, точка Кт1:
, где
Рк - мощность потерь КЗ, кВт
(паспорт);
I2н
- номинальный ток вторичной обмотки трансформатора (паспорт), А.
. Определяем реактивное сопротивление обмоток
трансформатора:
, где
Uк
- напряжение КЗ трансформатора, %;
U2н
- ном. напряжение трансформатора во вторичной обмотке, кВ;
Smр.ном
- номинальная полная мощность трансформатора, кВА.
3. Полное сопротивление трансформаторов:
. Определяем токи короткого замыкания:
, где
- напряжение на
вторичной обмотке трансформатора.
Результаты вычислений вносим в таблицу:
Таблица 17 - Сопротивление трансформаторов
|
Трансформатор
|
Pк,
Вт
|
I2н,
А
|
Rт,
Ом
|
Uк,
%
|
U2н,
В
|
Sтр.ном,
кВА
|
Xт,
Ом
|
Zт,
Ом
|
,А
|
|
ТСВП-400/6
|
3600
|
335
|
0,01
|
3,5
|
690
|
400
|
0,0417
|
0,0429
|
9297
|
|
ТСВП-400/6
|
2490
|
209
|
0,019
|
3,5
|
690
|
250
|
0,0666
|
0,0693
|
5755
|
Активное сопротивление кабеля:
Индуктивное сопротивление кабеля:
где, Хо - удельное сопротивление жил
кабеля (зависит от сечения жилы).
Полное сопротивление кабеля:
Определяем полное сопротивление до точки КЗ:
Токи короткого замыкания:
Таблица 18 - Токи КЗ потребителей электроэнергии
|
№
|
|
|
|
|
|
|
|
|
|
1
|
|
|
|
0,01
|
0,0417
|
Zт1=0,0429
|
9297
|
8088
|
|
2
|
15
|
53
|
150
|
0,0013
|
0,001
|
Zт1+Zмк1=0,0445
|
8963
|
7797
|
|
3
|
30
|
53
|
25
|
0,0226
|
0,002
|
Zт1+
Zмк1+Zгр.к1=0,067
|
5953
|
5179
|
|
4
|
30
|
53
|
10
|
0,0566
|
0,0021
|
Zт1+
Zмк1+Zгр.к1+Zк1=0,124
|
3216
|
2798
|
|
5
|
53
|
10
|
0,0938
|
0,0021
|
Zт1+
Zмк1+Zгр.к1+Zк2=0,124
|
3216
|
2798
|
|
6
|
30
|
53
|
10
|
0,0938
|
0,0021
|
Zт1+
Zмк1+Zгр.к1+Zк3=0,124
|
3216
|
2798
|
|
7
|
50
|
53
|
10
|
0,0943
|
0,0035
|
Zт1+
Zмк1+Zгр.к1+Zк4=0,192
|
2077
|
1807
|
|
8
|
50
|
53
|
10
|
0,0943
|
0,0035
|
Zт1+
Zмк1+Zгр.к1+Zк5=0,192
|
2077
|
1807
|
|
9
|
35
|
53
|
35
|
0,0189
|
0,0025
|
Zт1+
Zмк1+Zгр.к1+Zк6=0,086
|
4638
|
4035
|
|
10
|
10
|
53
|
10
|
0,0188
|
0,0007
|
Zт1+
Zмк1+Zгр.к1+Zк7=0,086
|
4638
|
4035
|
|
11
|
10
|
53
|
10
|
0,0188
|
0,0007
|
Zт1+
Zмк1+Zгр.к1+Zк7=0,
086
|
4638
|
4035
|
|
12
|
50
|
53
|
50
|
0,0188
|
0,0035
|
Zт1+
Zмк1+Zгр.к2==0,064
|
6231
|
5422
|
|
13
|
130
|
53
|
35
|
0,0700
|
0,0091
|
Zт1+
Zмк1+Zгр.к2+Zк1==0,134
|
2976
|
2590
|
|
14
|
14
|
53
|
10
|
0,0264
|
0,0009
|
Zт1+
Zмк1+Zгр.к2+Zк2==0,09
|
4432
|
3855
|
|
15
|
60
|
53
|
25
|
0,0453
|
0,0042
|
Zт1+
Zмк1+Zгр.к2+Zк3==0,109
|
3659
|
3183
|
|
16
|
45
|
53
|
70
|
0,0121
|
0,0032
|
Zт1+
Zмк1+Zгр.к2+Zк4==0,077
|
5179
|
4506
|
|
17
|
10
|
53
|
10
|
0,0313
|
0,0007
|
Zт1+
Zмк1+Zгр.к2+Zк5==0,095
|
4198
|
3653
|
|
18
|
10
|
53
|
10
|
0,0313
|
0,0007
|
Zт1+
Zмк1+Zгр.к2+Zк5==0,095
|
4198
|
3653
|
|
19
|
|
|
|
0,019
|
0,0666
|
Zт2=0,0693
|
5755
|
5007
|
|
20
|
15
|
53
|
70
|
0,004
|
0,001
|
Zт2+Zмк2=0,073
|
5464
|
4753
|
|
21
|
40
|
53
|
35
|
0,0217
|
0,0028
|
Zт2+
Zмк2+Zгр.к3=0,09
|
4432
|
3855
|
|
22
|
130
|
53
|
35
|
0,0700
|
0,0091
|
Zт2+
Zмк2+Zгр.к3+Zк1=0,16
|
2492
|
2168
|
|
23
|
60
|
53
|
25
|
0,0453
|
0,0042
|
Zт2+
Zмк2+Zгр.к3+Zк2==0,135
|
2954
|
2570
|
|
24
|
14
|
53
|
10
|
0,0264
|
0,0009
|
Zт2+
Zмк2+Zгр.к3+Zк3=0,116
|
3438
|
2991
|
|
25
|
10
|
53
|
10
|
0,0313
|
0,0007
|
Zт2+
Zмк2+Zгр.к3+Zк4=0,121
|
3296
|
2868
|
|
26
|
10
|
53
|
10
|
0,0313
|
0,0007
|
Zт2+
Zмк2+Zгр.к3+Zк4=0,121
|
3296
|
2868
|
|
27
|
45
|
53
|
10
|
0,0188
|
0,0032
|
Zт2+Zмк2+Zгр.к4
=0,092
|
4435
|
3772
|
|
28
|
45
|
53
|
70
|
0,0188
|
0,0032
|
Zт2+
Zмк2+Zгр.к4+Zк1=0,111
|
3593
|
3126
|
|
29
|
14
|
53
|
10
|
0,0438
|
0,0009
|
Zт2+
Zмк2+Zгр.к4+Zк2=0,136
|
2933
|
2551
|
|
30
|
10
|
53
|
10
|
0,0188
|
0,0007
|
Zт2+
Zмк2+Zгр.к4+Zк3=0,162
|
2461
|
2141
|
|
31
|
10
|
53
|
10
|
0,0188
|
0,0007
|
Zт2+
Zмк2+Zгр.к4+Zк3=0,11
|
2461
|
2141
|
.11 Выбор аппаратов управления и защиты в сети
НН и ВН
.)Выбор пускателей для одиночных приёмников:
Принимаю пускатели РВ типа ПВИ, т.к. шахта опасна по газу и пыли.
Для ВДПУ:
Iном=19,2
А, выбираю пускатель типа ПВИ-25Бт.к. 25 А > 19,2 А.
Расцепитель перегрузки:
Iрп=1,1·Ip=1,1·19,2=21,12
А, выбираю для пускателя уставку распецителя перегрузки Iрп=22
А.
Расцепитель короткого замыкания:
Iпуск=Кп·Ip=6·19,2=115,2
А, выбираю уставку расцепителя КЗ Iкз=
300 А.
Дальнейшие расчёты провожу аналогично и свожу в
таблицу.
Таблица 19 - Пускатели одиночных приёмников
|
Приёмник
|
Iном,
А
|
Iпуск,
А
|
Pном,
кВт
|
Пускатель
|
Iном,
А
|
Iрп,
А
|
Iрк, А
|
|
ВДПУ
|
19,2
|
115,2
|
18,5
|
ПВИ-25Б
|
25
|
22
|
300
|
|
Конвейер
|
105,2
|
715,36
|
110
|
ПВИ-
125Б
|
125
|
120
|
1000
|
|
Свар.
ап.
|
22,5
|
22,5
|
20
|
ПВИ-25Б
|
25
|
25
|
300
|
|
1ППН-5
|
24,9
|
149,4
|
15+7,5
|
ПВИ-63Б
|
63
|
28
|
384
|
|
ПДМ
|
75,6
|
529,2
|
75
|
ПВИ-
125Б
|
125
|
87
|
600
|
|
ШБУ
|
56,6
|
345,26
|
55
|
ПВИ-63Б
|
63
|
63
|
400
|
|
ШБС
|
96,8
|
658,24
|
110
|
ПВИ-
125Б
|
125
|
110
|
1000
|
) Выбор автоматических выключателей:
Принимаю автоматические выключатели типа АФВ
т.к. шахта опасна по газу и пыли.
группа: ⅀Iном=Iном1+Iном2+Iном3=19,2+105,2+4,5=128,9
А.
Принимаю автоматический выключатель АФВ-1А с
номинальным током 200А>128,9А.
Дальнейшие расчёты провожу аналогично и свожу в
таблицу.
Таблица 20 - Автоматические выключатели
|
Группа
|
Iном,
А
|
Iпуск,
А
|
Автомат
|
Iном,
А
|
Iмтз,
А
|
|
1
|
128,9
|
715,36
|
АФВ-1А
|
200
|
800
|
|
2
|
71,1
|
149,4
|
АФВ-1А
|
200
|
200
|
|
Главный
|
200
|
715,36
|
АФВ-1А
|
200
|
800
|
|
3
|
238
|
658,24
|
АФВ-2А
|
350
|
700
|
|
Главный
|
238
|
АФВ-2А
|
350
|
700
|
|
4
|
184,9
|
658,24
|
АФВ-1А
|
200
|
700
|
|
Главный
|
184,9
|
658,24
|
АФВ-1А
|
200
|
700
|
|
5
|
141,2
|
529,2
|
АФВ-1А
|
200
|
600
|
|
Главный
|
141,2
|
529,2
|
АФВ-1А
|
200
|
600
|
3)Выбор ячеек КРУ в УПП и ЦПП:
Ячейка КРУ №3 в УПП:
Iр=
=
где: 1,2÷1,4 - коэффициент
запаса;
Кт - коэффициент трансформации;
Iнн
- ток вторичной обмотки трансформатора;
Iд.н.
- номинальный ток наиболее мощного двигателя;
Iд.пуск-
наибольший пусковой ток двигателя.
Принимаю ячейку типа КРУВ-6 с Iном.я=160
А. т.к. 160 А>144,2 А. Ток уставки Iy
соответствует 250%, Iном.я.=160·2,5=400>335
А.
Ячейка КРУ №2 в УПП:
Iр=
=
Принимаю ячейку типа КРУВ-6 с Iном.я=160
А. т.к. 160 А>156,3 А. Ток уставки Iy
соответствует 250%, Iном.я.=160·2,5=400>362
А.
Ячейка КРУ №1 в УПП:
I1вн=
=145,4
А.
Принимаю ячейку КРУВ-6 с Iном.я=200
А, т.к. 200 A > 145,4 A.
Ток уставки Iy
соответствует 250%, Iном.я=200·2,5=500
А.
Ячейка КРУ №1 в ЦПП:
Принимаю ячейку КРУВ-6 с Iном.я=200
А. Ток уставки Iу
соответствует 300%, Iном.я.=200·3=600
А.
2.12 Расчёт параметров защиты и проверка
чувствительности защиты
Определяю коэффициент чувствительности
пускателей электроприёмников:
Для ВДПУ:
Kч=
Дальнейшие расчёты провожу аналогично и свожу в
таблицу.
Таблица 21 - Коэффициент чувствительности
пускателей
|
Приёмник
|
Пускатель
|
Iпуск,
А
|
Iрп,
А
|
Ik2,
А
|
Кч
|
|
ВДПУ
|
ПВИ-25Б
|
115,2
|
300
|
2047
|
6,8
|
|
ВДПУ
|
ПВИ-25Б
|
115,2
|
300
|
1561
|
5,2
|
|
Конвейер
|
ПВИ-
125Б
|
715,36
|
1000
|
2348
|
2,3
|
|
Свар.
ап.
|
ПВИ-25Б
|
22,5
|
300
|
1730
|
5,7
|
|
1ППН-5
|
ПВИ-63Б
|
149,4
|
384
|
1579
|
4,1
|
|
ПДМ
|
ПВИ-
125Б
|
529,2
|
600
|
1432
|
2,3
|
|
ШБУ
|
ПВИ-63Б
|
345,26
|
400
|
3588
|
8,9
|
|
ШБС
|
ПВИ-
125Б
|
658,24
|
1000
|
2559
|
2,5
|
|
ШБУ
|
ПВИ-63Б
|
345,26
|
400
|
2337
|
5,8
|
|
ШБС
|
ПВИ-
125Б
|
658,24
|
1000
|
1838
|
1,8
|
|
Свар.
ап.
|
ПВИ-25Б
|
22,5
|
300
|
2733
|
9,1
|
|
ПДМ
|
ПВИ-
125Б
|
529,2
|
600
|
1065
|
1,7
|
|
ШБУ
|
ПВИ-63Б
|
345,26
|
400
|
1654
|
4,1
|
Определяю коэффициент чувствительности
автоматов:
Для 1 группы:
Kч=
Дальнейшие расчёты провожу аналогично и свожу в
таблицу.
Таблица 22 - Коэффициент чувствительности
автоматов
|
Группа
|
Автомат
|
Ik2,
А
|
Iмтз,
А
|
Кч
|
|
1
|
АФВ-1А
|
2593
|
800
|
3,2
|
|
2
|
АФВ-1А
|
2003
|
200
|
10,01
|
|
3
|
АФВ-2А
|
6691
|
700
|
9,5
|
|
4
|
АФВ-2А
|
3633
|
700
|
5,1
|
|
5
|
АФВ-1А
|
2590
|
600
|
4,3
|
2.13 Ведомость выданного оборудования
|
Наименование
оборудования
|
Количество,
шт.
|
Дополнительные
данные
|
|
Электродвигатели
|
|
ВР280М4
|
1
|
|
|
ВР250M4
|
2
|
|
|
ВР180S4
|
2
|
|
|
ВР225M4
|
1
|
|
|
Трансформаторы
|
|
ТСВП-400/6
|
1
|
|
|
ТСВП-400/6
|
1
|
|
|
Комплектные
трансформаторные подстанции
|
|
КРУВ-6
|
1
|
|
|
Кабели
|
Сечение,мм2
|
Длина,
м
|
|
СБГ
|
1
|
10
|
20
|
|
1
|
10
|
10
|
|
2
|
35
|
45
|
|
1
|
16
|
30
|
|
3
|
50
|
50
|
|
1
|
35
|
40
|
|
1
|
25
|
45
|
|
1
|
150
|
15
|
|
2
|
50
|
15
|
|
1
|
50
|
1600
|
|
1
|
|
|
|
КГ
|
1
|
50
|
200
|
|
2
|
25
|
80
|
|
1
|
35
|
55
|
|
3
|
16
|
20
|
|
1
|
16
|
50
|
|
1
|
|
|
|
1
|
|
|
|
Пускатели
|
|
|
ПВИ-25Б
|
4
|
|
|
ПВИ-63Б
|
4
|
|
|
ПВИ-125Б
|
5
|
|
|
Автоматические
выключатели
|
|
|
АФВ-1А
|
7
|
|
|
АФВ-1А
|
2
|
|
3. Охрана труда при эксплуатации
электрооборудования
При входе в электромашинные камеры должны висеть
таблички "Вход посторонним запрещается". Двери камеры должны
открываться наружу и не препятствовать движению транспорта. При отсутствии
обслуживающего персонала двери камер должны быть закрыты на замок. Проходы в
камерах: между машинами и аппаратами должны быть не менее 0,8 м, а между
стенами камер и оборудованием - не менее 0,5 м. Оборудование можно
устанавливать вплотную друг к другу и к стенам камер, если не требуется доступ
с тыльной и боковой сторон. Все проходы в камерах должны быть постоянно
свободными. На оборудовании в камерах должны быть четкие надписи с указанием
назначения. В камерах должны находиться в исправном состоянии электрозащитные
средства и противопожарный инвентарь в следующих количествах: диэлектрические
перчатки и боты по одной паре в любой из камер; диэлектрические маты или
деревянные решетки на изоляторах в ЦПП, УПП и РПП-6 на всю длину КРУ, в
преобразовательных подстанциях - на всю длину преобразователей; песок или
инертная пыль для всех камер, отдельно стоящих ПУПП, РПП, электромеханизмов без
турбомуфт - по 0,2 м3, электромеханизмов с турбомуфтами - 0,3 м3,
в камерах - зарядных преобразовательных подстанций, подземных ремонтных
мастерских, подземных стационарных холодильных установках - по 0,4 м3;
число ручных огнетушителей во всех камерах должно быть не менее четырех, около
механизмов с турбомуфтами - три, около ПУПП и РПП - два.Для предупреждения
поражения током работников, в электроустановках применяют защитные средства.
Все электроустановки делятся на две категории:До 1000 В и свыше 1000 В. Защитные
средства делятся на: основные защитные средства - средства, которые допускают
прикосновение к токоведущим частям под напряжением и дополнительные - они не
предназначены для прикосновения с токоведущими частями, но предупреждают
человека о соприкосновении.
Защитные средства в установках до 1000 В
основные: рабочий инструмент с тока изолирующими ручками, казатели напряжения.
Дополнительные: защитное заземление, предупредительные плакаты, диэлектрические
коврики.
Заключение
На протяжение работы с курсовым проектом по
дисциплине электрооборудование и электроснабжение горных предприятий, я
научился расставлять оборудование на откаточном и буродоставочном горизонтах;
выбирать электродвигатели для каждого потребителя; освоил методики необходимых
расчетов; выбора марки кабелей, их сечение и проверку на допустимые потери
напряжения; научился выбирать пускатели и автоматы для надежной работы и защиты
оборудования.
Список литературы
энергетический
электроприёмник напряжение ток
1 Медведев Г. Д. Электрооборудование
и электроснабжение предприятий - М.: Недра, 1988
Назаров А. И. Электрооборудование и
электроснабжение горных предприятий - Кировск, 2006
Назаров А. И. Выбор электрического
оборудования и аппаратов - Кировск: ХТК, 2004