Исследование динамических характеристик управляемого полета летательного аппарата

  • Вид работы:
    Курсовая работа (т)
  • Предмет:
    Транспорт, грузоперевозки
  • Язык:
    Русский
    ,
    Формат файла:
    MS Word
    1,6 Мб
  • Опубликовано:
    2015-01-30
Вы можете узнать стоимость помощи в написании студенческой работы.
Помощь в написании работы, которую точно примут!

Исследование динамических характеристик управляемого полета летательного аппарата

Министерство образования Республики Беларусь

Учреждение образования

БЕЛОРУССКИЙ ГОСУДАРСТВЕННЫЙ УНИВЕРСИТЕТ ИНФОРМАТИКИ И РАДИОЭЛЕКТРОНИКИ

Факультет информационных технологий и управления

Кафедра систем управления







Дисциплина локальные системы автоматики

КУРСОВОЙ ПРОЕКТ

на тему

Исследование динамических характеристик управляемого полета летательного аппарата

Студенты группы 022401     Е.О.Иванович

А.С.Адоньева

Руководитель доцент кафедры СУ            М.К. Хаджинов




Минск, 2014

ВВЕДЕНИЕ

Полет летательного аппарата характеризуется многими взаимосвязанными параметрами. Задание и поддержание режима полета возможно в том случае, когда его основные параметры известны и их можно изменять по желанию. Такими параметрами являются линейные и угловые координаты, скорости, ускорения и т.д. Задание режима полета сводится к заданию отдельных его параметров в таком сочетании, при котором обеспечиваются оптимальные условия полета.

Для поддержки режима полета неизменным или для изменения его по определенному закону в переменных внешних условиях при непрерывных возмущениях необходимо воздействовать на органы управления летательного аппарата. Это управление может быть как ручным, так и автоматическим. При ручном управлении ответные реакции летчика, как правило, оказываются недостаточно быстрыми и точными. Поэтому в настоящее время для всех режимов полета, за небольшим исключением, применяются системы автоматического управления полетом - автопилоты.

Для управления каждым параметром режима полета в отдельности необходимы свои независимые контуры, поскольку же число параметров велико, то система автоматического управления полетом получается многоконтурной. Отдельные контуры управления для частных видов движения (продольного, бокового и т.п.) объединяются в каналы управления. Выходами каналов являются исполнительные механизмы (приводы), действующие на управляющие органы летательного аппарата.

Полет летательного аппарата состоит из отдельных этапов: взлета, набора высоты и скорости, маршрутного полета, наведение на воздушные и наземные цели, посадки и т. д. Система автоматического управления полетом должна быть комплексной и помимо функций управления параметрами режима полета должна одновременно обеспечить выполнение летательным аппаратом отдельных этапов его полета. При этом в различных условиях полета требуются различные управляющие воздействия на одни и те же возмущения. Другими словами, системы автоматического управления должны подстраиваться к условиям полета для получения оптимальных переходных процессов. Такие системы называются самонастраивающимися системами автоматического управления.

Полет летательного аппарата должен быть экономичным. Эта задача является экстремальной и для ее решения также требуются самонастраивающиеся системы.

1. 
РАЗРАБОТКА АНАЛАТИЧЕСКИХ МОДЕЛЕЙ


1.1 управляемый полет летального аппарата


Движение летательного аппарата как твердого тела складывается из двух движений: движение центра масс и движения вокруг центра масс. Так как в каждом из этих движений летательный аппарат обладает тремя степенями свободы, то в целом его движение характеризуется шестью степенями свободы: движения вдоль осей x, y, z и повороты вокруг тех же осей. Для определения движения летательного аппарата в любой момент времени t необходимо задать шесть координат x(t), y(t), z(t), xx(t), yy(t) и zz(t) как функций времени. Учет деформации летательного аппарата усложняет математическое описание динамики его полета и приводит к рассмотрению бесконечно большого числа степеней свободы.

Использование летательного аппарата возможно только в том случае, если его движение будет управляемым. Оно характеризуется определенными, заранее заданными координатами, скоростями, ускорениями и перегрузками и совершается для выполнения определенных тактических, оперативных или иных задач. Набор таких характеристик определяет режим полета. Чтобы обеспечить заданный режим полета, необходимо иметь средства и приборы для управления параметрами летательного аппарата: силой веса, силой тяги, силами трения и сопротивления, аэродинамическими моментами и т.д.

Движение летательного аппарата является единым процессом. Однако это сложное движение разбивают на простейшие виды: продольное движение, боковое движение, движение центра масс, угловые движения и т.д. Во многих случаях достаточно ограничиться только продольным и боковым движениями. Это, например, справедливо для самолетов. В нашей работе мы будем рассматривать только продольное движение.

.2 математическое описание продольного движения

Плоское движение самолета, при котором вектор скорости центра масс совпадает с плоскостью симметрии, называется продольным движением. Возможность осуществления продольного движения обусловлена симметрией самолета.      Оно описывается дифференциальными уравнениями, устанавливающими связь между координатами, скоростями, ускорениями и действующими на самолет силами и моментами.

Рис. 1.1 Параметры продольного движения летательного аппарата- скорость полета, направленная по касательной к траектории; Y - подъемная сила, перпендикулярная касательной; X - сила сопротивления, противоположная V; G - сила веса;  - угол тангажа, т.е. угол между продольной осью самолета и горизонтальной плоскостью;  - угол наклона траектории;  - угол атаки, т.е. угол между продольной осью самолета и проекцией вектора скорости на плоскость симметрии;

= G/g - масса самолета;- сила тяги, направленная вдоль продольной оси самолета;

 - суммарный момент аэродинамических сил относительно поперечной оси z;

 - момент инерции самолета относительно z.

Используя обозначения величин, введенные на рис.1.1, спроектируем силы, действующие на летательный аппарат, на два направления: на касательную к траектории полета и на нормаль к ней.

Сумма проекций сил на касательную к траектории будет

                             (1.1)

При определении проекций сил на нормаль к траектории следует иметь в виду, что при искривленной в вертикальной плоскости траектории на самолет действует центробежная сила инерции mv2/r, где r - радиус кривизны траектории. Так как r = ds/d0 ; где s - длина дуги траектории, то ds = Vdt, и тогда

                    (1.2)

Следовательно, сумма проекций сил на нормаль к траектории запишется следующим образом:

                                    (1.3)

Для аэродинамических сил, действующих относительно поперечной оси z, проходящей через центр масс самолета, уравнение их моментов будет иметь вид:

                             (1.4)

Величины ,  и  связаны очевидным соотношением

                                         (1.5)

Полученные уравнения (1.1,1.3,1.4 и 1.5) определяют динамику продольного полета самолета относительно центра масс. Входящие в эти уравнения силы P, X и Y, а также моменты  являются функциями параметров режима полета и внешних условий:         температуры и плотности воздуха, атмосферного давления и т.д. Входящие в уравнения (1.1), (1.2) и (1.3) силы P, Х и Y и момент  являются функциями параметров режима полета.

Сила тяги P зависит от параметров двигателя и от внешних условий, характеризуемых скоростью полета V, давлением  и температурой  окружающей среды. Так как в двигателях имеется ручка объединенного управления, положение которой характеризуется координатой , то зависимость тяги от параметров можно представить в виде

)                                    (1.6)

Примерная зависимость тяги турбореактивного двигателя P от числа М полета приведена на рис. 11.2. Зависимость тяги от положения ручки управления  может быть различной, однако нередко бывает необходимо, чтобы приращение тяги было пропорционально приращению координаты .

Аэродинамические силы Х и Y зависят от угла атаки а, скорости полета V, плотности воздуха р и угла отклонения руля высоты . Однако ввиду того, что угол отклонения  оказывает слабое влияние на величины сил Х и Y, то этим влиянием можно пренебречь.

Воспользовавшись принятым в аэродинамике представлением, что

                                      (1.7)

                                      (1.8)

где  и  - коэффициенты лобового сопротивления и подъемной силы, а S - площадь крыльев, можно сказать, что зависимость сил Х и Y от параметров а , V и р определяется зависимостью коэффициентов  и  от этих параметров. На рис. 1.3 приведены типичные графики зависимости этих коэффициентов.

Момент аэродинамических сил  можно представить в виде

                               (1.9)

где  - коэффициент момента,  - длина хорды крыла.

Рис. 1.2 Зависимость тяги турбореактивного двигателя от числа М полёта

Коэффициент  можно представлять состоящим из суммы двух слагаемых, одно из которых зависит от статических параметров , V,  и определяет статический момент, а другое от динамических параметров  и определяет демпфирующий момент. На рис.1.4 приведены графики зависимости коэффициента  от углов  и .

Возникновение демпфирующего момента обусловлено угловой скоростью вращения самолета вокруг поперечной оси. При вращении самолета происходит изменение подъемной силы горизонтального оперения, вследствие чего изменяется коэффициент момента . Приращение коэффициента момента , пропорциональное приращению угла атаки вследствие вращения , называется коэффициентом момента демпфирования.

                     (1.10)

где  ,  - расстояние от оперения до центра масс. Так как с увеличением скорости полета величина  уменьшается, то демпфирование самолетов на больших скоростях меньше, чем на малых; при увеличении высоты полета демпфирование также уменьшается. Если учесть запаздывание скоса потока у горизонтального оперения, то получим уточнённое значение величины

                              (1.11)

Следовательно, коэффициент момента  является следующей функцией:

                                    (1.12)

Рис. 1.3 Зависимость коэффициентов  и  от угла атаки  и числа М полёта

летательный продольный движение аппарат

Рис. 1.4 Зависимость коэффициента продольного момента  летательного аппарата от угла атаки угла  и угла отклонения руля высоты

К уравнениям (1.1 - 1.5) надо добавить уравнения движения центра масс самолёта:


где  и  - скорости ветра по соответствующим направлениям. Таким образом, продольное движение самолета описывается уравнениями (1.1,1.3,1.4,1.5,1.13 и 1.14).


При продольном движении самолета в качестве регулируемых величин можно выбрать углы тангажа , атаки , наклона траектории , скорость полета V, вертикальную скорость H', а также высоту полета H и дальность L. В качестве регулирующих факторов используются руль высоты, стабилизатор, тяга двигателя, воздушные тормоза, закрылки и др.

Так как уравнения (1.1,1.2,1.3,1.4,1.5,1.13 и 1.14) нелинейны, то использование их для исследования процессов в системе автоматического управления полетом крайне затруднительно. Обычно эти уравнения линеаризуют в предположении, что параметры , , ,  и , соответствующие установившемуся режиму, получают малые приращения , , V,  и , вызванные действующими на самолет возмущениями. Такое рассмотрение позволяет оценить поведение самолета в установившемся (невозмущенном) движении по его поведению при наличии возмущений.

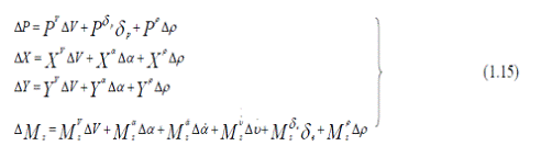
Разлагая силы Р, X, Y и момент  в ряды по малым приращениям и ограничиваясь линейными членами приращений, получим:


где верхние индексы у величин Р, X, Y и  обозначают частные производные по соответствующим переменным.

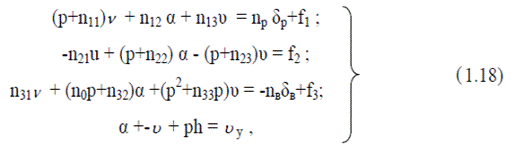
Линеаризованные дифференциальные уравнения продольного движения самолета как управляемого процесса устанавливают связь между регулируемыми параметрами v, , , , h и регулирующими факторами ,  и характеризующие динамические свойства самолётов в их продольном движении, принимают следующий вид:


где , ,  - возмущения, действующие на самолёт, а р - символ дифференцирования.

Эти возмущения складываются из вертикальных и горизонтальных порывов ветра, характеризуемых составляющими скоростей  и ; изменения веса самолёта G; импульсных сил и моментов, вызванных стрельбой реактивными снарядами, стрельбой из пушек и др.


 - расстояние от местоположения сброшенного груза до центра масс самолёта (предполагается, что после сброса груза появляется момент только вокруг оси z);

,  - возмущения, вызванные, например, стрельбой. Они будут определяться направлением стрельбы и местоположением оружия на самолёте.

Если стрельба производится вперёд по оси самолёта, то


где  - импульсная сила большой интенсивности и малой продолжительности, импульс которой  - конечная величина.

Отличие уравнений (1.16) от исходных уравнений движения самолета состоит в том, что они являются линейными дифференциальными уравнениями с постоянными коэффициентами. Строго говоря, постоянство коэффициентов имеет место только для данного режима полета. При переходе с одного режима полета на другой (например, при изменении высоты полета) характеристики самолета (подъемная сила, сила сопротивления, аэродинамические моменты и т. д.) будут изменяться, что приведет к изменению коэффициентов уравнений (1.16). Если, однако, время изменения режимов полета значительно больше времени протекания процессов в системах управления, что имеет место в действительности, а характеристики самолета при переходе с одного режима на другой изменяются незначительно, то коэффициенты уравнений можно принять постоянными. При значительном изменении характеристик самолета на различных режимах полета следует вычислять коэффициенты линеаризованных уравнений для каждого из режимов.

Линеаризованные уравнения (1.16) справедливы до тех пор, пока регулируемые величины v, , , h малы и не превышают 0,1 (углы  и  измеряются в радианах). При больших отклонениях от установившихся значений вместо линеаризованных уравнений необходимо пользоваться исходными нелинейными уравнениями. Поскольку задача системы управления сводится к поддержанию величин v, , , h близкими к нулю, то уравнения (1.16) почти всегда оказываются справедливыми.

Если при исследовании динамики систем управления самолетов используются исходные нелинейные уравнения движения, то задача получается настолько сложной, что ее решение возможно только на вычислительных машинах.

В табл.1.1 приведены ориентировочные значения коэффициентов уравнений продольного движения легкого, среднего и тяжелого самолета.

Из этой таблицы видно, что коэффициенты уравнений изменяются по режимам полета. Очевидно, для получения одинаковых переходных процессов в системе автоматического управления самолета при различных режимах полета необходимо изменять передаточные числа автопилота.

Табл. 1.1 Коэффициенты уравнений продольного движения

Легкий самолет

H=11 км; М=0,9;

0,024

-0,11

0,2

-4,3

-0,4

0

-1,22

0

0

0,4

38

2,45

-0,053

49

0,022

Рассмотрим частный случай уравнения (1.16). Если пренебречь влиянием изменения плотности атмосферы на характеристики самолета, то вместо системы (11.16) получим


Самолет по отношению к вектору скорости полета обладает значительно большей инерцией, чем по отношению к угловым координатам  и . Поэтому в некоторых случаях в уравнениях (1.18) можно приближенно положить v = 0, полагая, что за время изменения величин  и  скорость полета практически не изменится. Тогда вместо системы (1.18) можно рассматривать систему, справедливую для горизонтального полета ( = 0) и характеризующую угловые движения самолета:


В этих уравнениях члены, характеризующие внешние возмущения, опущены.

Рис. 1.5 Структурные схемы самолёта.

а - структурная схема самолёта по углу атаки; б - структурная схема самолёта по углу тангажа.

Решая уравнения (11.19) относительно величин  и , и разделив эти величины на , получим


Выражения (1.20) называются передаточными функциями самолета. Они характеризуют реакцию самолета на единичные возмущения, вносимые рулем высоты.

Как следует из выражений (1.20) и рис.1.5, на котором приведены структурные схемы, эквивалентные выражениям (1.20), самолет по отношению к углу атаки (а также к нормальным перегрузкам) при возмущении рулем высоты является колебательным звеном, а по отношению к углу тангажа - сложным звеном, представляющим собой последовательное соединение колебательного, интегрирующего и опережающего звеньев. Последнее звено состоит из параллельно соединенных усилительного и дифференцирующего звеньев.

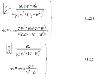
Если в выражениях (1.20) положить , где  - безразмерная круговая частота, то получим частотные характеристики самолета. Например, амплитудно-частотные и фазо-частотные характеристики самолета будут иметь вид высоты.


На рис.1.6 а) приведены экспериментальные кривые амплитудно-частотных характеристик самолета с поршневыми двигателями.

Рис. 1.6 Амплитудо-частотные и фазо-частотные характеристики самолёта

На рис.1.6 б) приведены амплитудно-частотная и фазо-частотная характеристики реактивного самолета, подсчитанные по формулам (1.21). В амплитудно-частотных характеристиках отчетливо выступают резонансные пики, что свидетельствует о малом естественном демпфировании (малом демпфирующем моменте) реактивных самолетов.

Вместо обычных амплитудно-частотных и фазо-частотных характеристик можно пользоваться логарифмическими характеристиками.

Если положить, что угловые движения  и  стабилизированы быстродействующим автопилотом и, следовательно, в среднем за время изменения скорости полета V можно считать  = 0 и  = 0, то вместо системы (1.18) получим


Уравнением (1.23) можно пользоваться при исследовании динамики автоматического регулирования скорости полета. Если стабилизация угловых движений самолета обеспечена автопилотом, то регулирование скорости полета можно осуществить путем изменения тяги.


Если в уравнениях (1.16) пренебречь демпфирующим и инерционным моментами, то получим уравнения движения центра масс самолета:

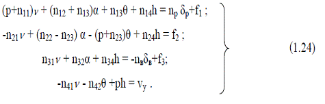
Из рассмотрения определителя системы (11.24)


следует, что если не учитывать влияние плотности (n14 = n24 = n34 = 0), то самолет по отношению к высоте полета является нейтральным; в противном случае самолет становится статически устойчивым.

Решение уравнений (1.24) относительно величин v,  и h, полагая n14 = n24 = n34 = 0 и n23 = 0, позволяет получить передаточные функции, из структуры которых следует, что в горизонтальном полете изменение тяги на постоянную величину непосредственно не вызывает изменения скорости полета, а приводит только к изменению наклона траектории. Другими словами, при изменении тяги полет из горизонтального становится негоризонтальным. Для изменения скорости полета необходимо одновременно воздействовать на ручку управления двигателем и на руль высоты.

В общем случае каждая из величин v, , , h зависит от регулирующих факторов  и . Решение уравнений (1.18) без учёта внешних возмущений


позволяет рассматривать самолет в продольном движении как линейную динамическую систему с входными координатами  и  и выходными координатами v, , , h.

При этом динамические свойства самолета оцениваются передаточной матрицей вида составленной из передаточных функций самолёта


2.  ПОСТРОЕНИЕ ИМИТАЦИОННОЙ МОДЕЛИ


2.1    МОДЕЛЬ С НУЛЕВЫМИ НАЧАЛЬНЫМИ УСЛОВИЯМИ


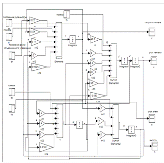
Имитационная модель для линеаризованной системы дифференциальных уравнений продольного движения самолёта представлена на рис. 2.1. Так как в редакторе модель симулинк не поддерживается греческий шрифт то в уравнениях (1.16) сделаны следующие замены: ,-> dr, ,-> ->db,-> а и ->u.

Рис. 2.1 Линеаризованная имитационная модель продольного движения самолёта

На рисунке 2.2 представлены графики характеризующие полет летательного аппарата при нулевых начальных условиях. Первый график показывает изменение угла тангажа(на схеме u). На втором графике изменение скорости(на схеме v). Третий график это угол атаки(на схеме ). На четвертом мы видим изменение высоты полета летательного аппарата(на схеме h).

Рис. 2.2 Выходные величины для нулевых начальных условий и нулевых воздействий

2.2    МОДЕЛЬ С НУЛЕВЫМИ НАЧАЛЬНЫМИ УСЛОВИЯМИ И ПОМЕХАМИ


На рисунке 2.3 представлены графики характеризующие полет летательного аппарата при нулевых начальных условиях и ненулевых помехах. Примем f1=200 f2=100 f3=300 . Получим:

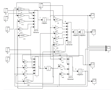
2.3    МОДЕЛИРОВАНИЕ С РАЗЛИЧНЫМИ ПОЛОЖЕНИЯМИ РУЛЯ ВЫСОТЫ. БЕЗ ПОМЕХ


Рис. 2.4 Линеаризованная имитационная модель продольного движения самолёта

На рисунке 2.5 мы видим, что при изменении коэффициента с -40,3 на -30 ,скорость немного упала но самолет набирает высоту.

Рис. 2.5 Выходные величины для измененного коэффициента руля высоты начальных условий и нулевых воздействий

ЗАКЛЮЧЕНИЕ

В ходе курсового проекта была спроектирована имитационная модель для линеаризованной системы дифференциальных уравнений продольного движения летательного аппарата.

Полученной схемой можно пользоваться для моделирования самолетов различных размеров в разных условиях.

Похожие работы на - Исследование динамических характеристик управляемого полета летательного аппарата

 

Не нашли материал для своей работы?
Поможем написать уникальную работу
Без плагиата!
Без нейросетей!