Система управления движения беспилотного транспортного средства
Система
управления движения беспилотного транспортного средства
Список обозначений и сокращений
γ - угол тангажа;- высота
полета, м;- ускорение свободного падения, м/с;
р - массовая плотность воздуха, кг/м3; - скорость полета, м/с;
ω - проекция угловой
скорости на ось z связанной системы координат, рад/с;
а - угол атаки, рад;- площадь крыльев, м2;
δрв - угол отклонения
руля высоты, рад;- масса ЛА, кг;
Ха - сила лобового сопротивления, Н;а - подъемная сила, Н;
Р - сила тяги двигателя, Н;
Су - коэффициент подъемной силы;
Сх - коэффициент лобового сопротивления;- момент инерции по оси
О2, кг*м2;- коэффициент момента аэродинамической силы по оси ОZ;
Мz - момент по оси ОZ, кг*м /с;
γа- угол наклона
траектории, рад;г - секундный расход горючего; в - секундный расход топлива;
А, В, С, D - матрицы состояния, управления, наблюдения
соответствующих размерностей;
Х- вектор состояния;
СУ - система управления;
ЛА - летательный аппарат;
Р - сила тяги двигателя, Н;
Су - коэффициент подъемной силы;
Сх - коэффициент лобового сопротивления;- момент инерции по оси
О2, кг*м2;- коэффициент момента аэродинамической силы по оси ОZ;
Мz - момент по оси ОZ, кг*м /с;
γа- угол наклона
траектории, рад;г - секундный расход горючего; в - секундный расход топлива;
А, В, С, D - матрицы состояния, управления, наблюдения
соответствующих размерностей;
Х- вектор состояния;
СУ - система управления;
ЛА - летательный аппарат;
ТЗ - техническое задание;
ВУ - вычислительное устройство;
РВ - руль высоты;
СП - сервопривод;
ММ - математическая модель;
АФЧХ - амплитудо-фазочастотная характеристика;
ЛАЧХ - логарифмическая амплитудо-частотная характеристика;
ЛФЧХ - логарифмическая фазо-частотная характеристика;
ЭНП - экстраполятор нулевого порядка;
САУ - система автоматического управления;
ЗУ - задающее устройство;
У - усилитель;
ДУС - датчик угловой скорости;
МГВ - малогабаритная гировертикаль;
СК - система координат;
ТП - технологический процесс.
Содержание
Список обозначений и сокращений
Введение
. Состояние проблемы и постановка задач проектирования
.1 Исследование предметной области
.2 Анализ технического задания
.3 Осмотр технических источников
. Анализ и синтез цифровой системы продольного канала автопилота
.1 Формирование структурной схемы системы
.2 Получение линеаризованной математической модели
.3 Формирование функциональной схемы системы
.4 Статический расчёт системы
.5 Динамический расчёт системы
.6 Определение показателей качества системы
.7 Определение показателей качества системы
.8 Информационное и приборное обеспечение цифровой системы
продольного канала автопилота
. Конструкторская часть
.1 Разработка принципа функционирования микропроцессорного блока
.2 Разработка функциональной схемы управляющего вычислителя
.3 Выбор функциональных элементов контролера системы
.4 Создание принципиальной электрической схемы управляющего
вычислителя
.5 Разработка программного обеспечения
. Разработка технологического процесса сборки платы управляющего
вычислителя
.1 Анализ технологичности
.2 Разработка технологической схемы сборки
.3 Разработка единичного ТП
. Экономическое обоснование разработки
.1 Расчет себестоимости и цены изготовления платы МБ
. Безопасность м жизнедеятельность
.1 Анализ вредных и опасных факторов на производстве
.2 Мероприятия по уменьшению и ликвидации вредных факторов
Заключение
Список использованных источников
Введение
В настоящее время проектирование
систем автоматического управления летательными аппаратами (ЛА) занимает одно из
наиважнейших мест в задаче самолетостроения. Достижение конечной цели и
эффективность ее реализации невозможно без применения высокотехнологичных
систем автоматического управления (САУ).
Современный этап развития САУ
характеризуется широким внедрением принципов адаптации, применением бортовых
цифровых устройств для формирования алгоритмов управления и контроля,
применением систем встроенного контроля состояния техники в полете, повышением
надежности средств получения и переработки информации и исполнения команд
управления. При использовании синтеза и технической реализации системы управления
(СУ) полетом учитываются требования надежности и эксплуатационной пригодности.
При синтезе СУ учитываются также динамические свойства ЛА, описываемые их
математическими моделями (ММ), и возмущения, близкие к реальным. Для анализа и
синтеза систем используются различные методы (метод приближения передаточных
функций, частотные методы, интегральные критерии и т.д.).
Исходя из того, что ЛА является
сложным объектом управления и при этом он должен обладать такими качествами как
надёжность, устойчивость, нечувствительность к возмущающим воздействиям,
быстродействием, именно поэтому, при проектировании необходимо применение
передовых технологий, а также цифровых САУ.
1. Состояние проблемы и постановка
задач проектирования
.1 Исследование предметной области
При управлении самолетом будем
исходить из положения, что самолет это техническое средство, выполняющее
некоторую летную операцию. Летная операция представляет собой совокупность
упорядоченных действий, которые включают в себя определенные операции. Целью управления
самолетом является обеспечение успешного выполнения операции в целом, а
следовательно, и всех ее этапов в отдельности. Т.е. должны выполняться:
взлет;
набор высоты с разворотом;
крейсерский полет (по заданному
маршруту);
смена высоты крейсерского полета
сохранением скорости (смена эшелона);
разнос или торможение на постоянной
высоте;
снижение с торможением;
заход на посадку;
полет по глиссаде посадки и
приземление.
Управление самолетом на этапе
снижения и посадки представляет собой наиболее сложную задачу. Сложность ее
связана с тем, что на этом этапе полет происходит вблизи земли и становятся
более жесткими требования к точности стабилизации угловых и линейных
параметров. Для обеспечения управления самолетом при посадке применяются
различные системы захода на посадку, облегчающие ориентирование и позволяющие
удерживать самолет на глиссаде посадки. На посадочных режимах при ограниченном
времени летчику приходится пользоваться показаниями большого количества
приборов, что затрудняет переработку снятых показаний и выработку управляющих
сигналов.
Управление самолетом при посадке
должно осуществляться с высокой точностью: отклонение центра масс от глиссады
не должно превышать в вертикальной плоскости ±0,5 м и в горизонтальной
плоскости ±5м, при приземлении соответственно ± 0,5 и ± 5м; скорость самолета
должна быть на 20-30% больше критической скорости, для этой цели используются
автоматы скорости.
Одним из основных требований к
автоматической системе посадки является ее надежность. Вероятность появления отказа
системы, приводящего к катастрофе, не должна превышать 10".Требуемая
надежность достигается путем резервирования.
Беспилотный летательный аппарат
имеет нормальную аэродинамическую схему - наличие ярко выраженных
горизонтального и вертикального элементов оперения - стабилизаторов и киля,
расположенных в хвостовой части фюзеляжа за центром масс самолета;
расположение аэродинамических
органов управления (рулей направления и высоты) в хвостовой части фюзеляжа за
центром масс самолета;
отсутствие каких-либо
аэродинамических плоскостей или органов управления перед центром масс;
крыло, как правило, сравнительно
большого удлинения расположено в районе центра масс самолета.
Фюзеляж двухпалубной схемы разбит на
ряд герметичных отсеков специализированного назначения - грузовую кабину(если
есть необходимость в ней). Отсек где расположена система автоматического
управления. Самолет не имеет двигателей его запускают
Основные летно-технические
характеристики:
максимальная взлетная масса-175 кг;
скорость- 750...850 км/ч;
высота полета- 100….11000м;
максимальная дальность полета-
1.5-3км;
скорость захода на посадку- 230-260
км/ч;
размах крыла- 2.7м;
длина самолета- 4.05м;
высота самолета- 1.05м;
стреловидность крыла по передней
кромке- 90град .
В данной работе рассмотрим систему
управления угловыми параметрами движения, т.е. углом атаки и тангажа.
Управление этими параметрами в режиме посадке имеет очень большое значение, так
как любые их отклонения от заданных (требуемых) значений могут привести к
катастрофе. СУ продольным каналом обеспечивает управление углами атаки и
тангажа в зависимости от изменения угла и угловой скорости тангажа 3. Угол
тангажа γ измеряется с помощью
малогабаритной гировертикали. Угловая скорость измеряется с помощью датчика
угловой скорости (ДУС). Рассчитанные вычислителем управляющие воздействия
отрабатываются рулем высоты с помощью сервопривода.
Угол атаки а с помощью датчиков
измерять сложно, поэтому при необходимости его значение рассчитывают, используя
значение измеряемых параметров.
.2 Анализ технического задания
Следуя техническому заданию - целью
данной работы будет проектирование цифровой нелинейной системы управления
беспилотным транспортным средством, которая будет использоваться в реальных
условиях. В данной работе получим электрическую принципиальную схему цифрового
вычислителя, разработаем его технологический процесс сборки, докажу его
экономическую выгодность при изготовлении и анализ вредных и опасных факторов,
которые могут повлиять на работу механизмов и жизнедеятельность людей, обслуживающих
данное устройство. Начальная математическая модель и внешние возмущающие
воздействия будут рассчитаны после получения статических и динамических
характеристик системы.
.3 Осмотр литературных источников
В результате осмотра литературных
источников, которые приведены в дополнении и в списке использованной
литературы, можно сделать предположение, что данная проблема возникает очень
часто и существует много различных способов ее решения. Эта работа посвящена
проектированию и разработке цифровой нелинейной системы управления беспилотным
транспортным средством. Очень много литературных источников посвящены
разработке и проектированию нелинейных систем.
Известный радиолокационный частотный
способ измерения дальности к примеру: высоты полета ЛА над землей. Согласно
этому способу бортовой передающей антенной излучают с борта ЛА вниз непрерывный
периодический частотно-модулированный сигнал с законом симметрической
треугольной формы изменения частоты, принимающей бортовой антенной и приемником
принимают на борту отбитый от сигнал прямой волны передатчика, выдиляют
разностную частоту прямого и отбитого от земли сигнала с помощью смесителя
приемника и измеряют разностную частоту и находят по ней высоту.
Недостатком этого способа есть то
что бортовой приемник должен иметь широкий спектр пропускания, потому что
частотно-модулированный зондированный сигнал имеет широкий спектр. В широкий
спектр пропускания приемника попадают радиопомехи, которые могут сорвать
процесс измерения высоты.
Наиболее подходящим к предложенному
есть радиолокационный фазовый способ измерения дальности, к примеру: высоты
полета ЛА над землей. Он заключается в том что излучают с борта ЛА вниз
непрерывный сигнал высокой несущей частоты f, который модулирован по амплитуде
низкой частотой F, принимают приемной антенной и приемником отбитой от земли
сигнал, выделяют амплитудным детектором приемника из принятого сигнала
напряжение низкой частоты F, фазовым измерителем измеряют сдвиг фаз ψ выходного напряжения
приемника низкой частоты F относительно напряжения генератора передатчика и
вычисляют высоту полета ЛА над землей по этому сдвигу фаз.
Известная бортовая измерительная
система, которая имеет бортовой передатчик непрерывного сигнала несущей частоты
f, который модулирует по амплитуде низкой частоты F, и передающую антенну,
приемник и с приемной антенной, в котором выделяют амплитудным детектором
приемника с принятого сигнала напряжение низкой частоты F, фазовым измерителем
измеряют сдвиг фаз ψ выходного напряжения приемника низкой частоты относительно
напряжения генератора передатчика и определяют высоту полета ЛА над землей по
этому сдвигу фаз.
Недостатком данного способа и
устройства есть то, что они не могут использоваться в диапазоне коротких и
средних радиоволн в связи со сложностью обеспечения высокой развязки между
передающей и принимающей антеннами.
В основу изобретения поставлена
задача усовершенствования фазового способа измерения малых высот полета ЛА над
землей, в котором за счет излучения с борта непрерывного синусоидального
сигнала постоянной амплитуды на частоте коротковолнового или средневолнового
диапазона, приема на борт отбитого от земли сигнала и прямого сигнала
передатчика и измерение сдвига фаз принятого суммарного сигнала на высокой
частоте относительно зондированного сигнала передатчика обеспечивается
вычисление высоты полета по этому сдвигу фаз.
В основу изобретения также
поставлена задача усовершенствования устройства измерения малых высот полета ЛА
над землей путем выполнения передающей и принимающей антенн в виде коротких
горизонтальных симметричных вибраторов. Они расположены на одной линии вдоль
фюзеляжа ЛА, передатчика в виде генератора непрерывных синусоидальных колебаний
постоянной амплитуды на частоте коротковолнового или средневолнового диапазона,
приемника прямого усиления в виде усилителя высокой частоты, фазового
измерителя сдвига фаз выходного напряжения приемника и передатчика на высокой
частоте, вычислителя высота полета ЛА.
Поставленная задача решается тем что
для измерения малых высот полета над землей излучается непрерывный сигнал
зондирования с помощью бортовой передающей антенны, принимается отбитый от
земли сигнал с помощью принимающей антенны и измеряется с помощью принимающей
антенны и измеряется сдвиг фаз, согласно изобретению излучают непрерывный синусоидальный
сигнал постоянной амплитуды на частоте коротковолнового или средневолнового
диапазона, принимают также прямой сигнал передающей антенны с помощью бортовой
принимающей антенны, измеряют сдвиг фаз суммарного сигнала прямой и отбитой от
земли волны на высокой частоте с выхода приемника относительно сигнала
передатчика, дополнительно измеряют отношение амплитуды выходного напряжения
приемника и передатчика на высокой частоте, а высоты полета ЛА над землей
находят по результату этих измерений путем решения с помощью бортового
вычислителя.
Предложенный способ обеспечивает
возможность измерения малых высот полета в рамках от поверхности земли до
половины длины волны передатчика в диапазоне средних или коротких радиоволн.
Сигнал зондирования есть непрерывным синусоидальным сигналом постоянной
амплитуды с очень узким спектром поэтому можно использовать приемник с очень
узкой полосой пропускания, что существенно улучшает защиту измерительной
системы от радиопомех.
2. Анализ и синтез цифровой системы
продольного канала автопилота
.1 Формирование структурной схемы
системы
В данной работе рассмотрим систему
управления угловыми параметрами движения, т.е. углом атаки и тангажа.
Управление этими параметрами в режиме посадке имеет очень большое значение, так
как любые их отклонения от заданных (требуемых) значений могут привести к
катастрофе. СУ продольным каналом обеспечивает управление углами атаки и
тангажа в зависимости от изменения угла и угловой скорости тангажа «9. Угол
тангажа 19 измеряется с помощью малогабаритной гировертикали. Угловая скорость
измеряется с помощью датчика угловой скорости (ДУС). Рассчитанные вычислителем
управляющие воздействия отрабатываются рулем высоты с помощью сервопривода.
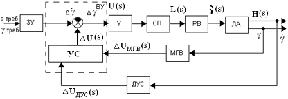
Структурно контур управления углами
атаки и тангажа состоит из трех блоков, что можно представить в виде рис. 1.1.
Рисунок 1.1- Функциональная схема
системы управления углами атаки и тангажа
На рис.1.1 обозначено:
ЗУ - задающее устройство;
САУ - система автоматического управления;
ЛА - летательный аппарат.
2.2 Получение линеаризованной
математической модели
Полет самолета можно представить в
виде двух движений: движения центра масс по траектории и движения самолета как
твердого тела относительно центра масс. В соответствии с этим полученные
подсистемы уравнений, описывающие кинематику и динамику полюса твердого тела,
формируют полную исходную систему уравнений состояний и допущений. Эта система
включает в себя:
уравнения кинематики полюса объекта;
уравнения динамики полюса объекта;
уравнения движения твердого тела
относительно полюса или уравнения углового движения;
уравнения кинематики углового
движения.
В соответствии со спецификой
исходных нелинейных уравнений наиболее удобными для линеаризации является метод
малых возмущений.
Для дальнейшего формирования
дифференциальных уравнений относительно возмущающих параметров состояния нужно
сформировать систему требуемого или опорного движения на основе приведенной
выше исходной системы уравнений.
Для решения системы уравнений требуемого
движения используем заданный режим полета - снижение по глиссаде самолета.
Режим представлен в виде совокупности законов изменения траекторных и угловых
параметров объекта:
=VT(t); γAt=γaT; (1.1)=XCt(t); αT=αT(T);=YCt(t); γaT≡0;≡0; ψaT≡0;
γT≡0; γT=γT(t); ψT≡0 βT≡0.
Подставляя эти зависимости в
уравнения требуемого движения, получаем более простую систему уравнений
опорного движения объекта. Решение системы уравнений требуемого движения
сводится к определению параметров состояния, как функции времени: VT(t), VT(t),
αT(t),γT(t). Для нахождения
этих параметров решаем систему дифференциальных уравнений, т.е. уравнения 2,4,
5 и 14.
Для указанных выше параметров,
подлежащих определению, с учетом режима полета получим систему следующего вида:
(1.2)
Так как в рассматриваемом режиме
полета углы атаки и тангажа принимают достаточно малые значения, то заменяем sinαT(t)=αT и sinγT(t)=γT. Тогда:
(1.3)
Применяя методы декомпозиции и малых
возмущений к исходной системе уравнений ММ самолета, получим упрощенную
линейную модель объекта управления, описывающую его продольное движение.
Продольное движение описывается
следующими уравнениями:
) уравнения кинематики относительно
первой и второй осей базовой СК; уравнения движения динамики характерной точки
относительно первой и второй проекционной СК;
) уравнение углового движения
относительно оси ОZ;
) уравнение кинематики углового
движения относительно оси ОZ;
) уравнения связи, описывающие
взаимосвязь между углами Эйлера-Крылова, характеризующим взаимное положение
базовой и проекционной СК.
В продольном движении с учетом
изменения следующих параметров: угла тангажа γ, угла наклона траектории γа, угла атаки а, скорости ЛА - V, высоты полета - Vс, угловой
скорости ω2,
получим систему дифференциальных уравнений продольного движения в таком виде:
;
(1.4)
.
На втором этапе
линеаризации упрощенной ММ введем вариации параметров состояния:

… ……… ……..(1.5)
Реальные значения
переменных состояния через их требуемые значения и вариация будут выглядеть
так:
Произведем линеаризацию
ММ с учетом того, что мы управляем только угловыми параметрами, параметры m(B)
и m(Г) являются функциями высоты и скорости, а, следовательно, в режиме
снижения по глиссаде меняются мало. Будем считать их константами также, как и
угол γа, равный -2,3град.
В результате
линеаризации получим:
(1.7)
Су - коэффициент подъемной силы по
углу атаки;
- коэффициенты
аэродинамического момента по углу атаки.
отклонению руля высоты и
угловым скоростям соответственно.
.3 Формирование
функциональной схемы системы
Функциональная схема
системы управления представлена на рис. 1.2:
Рисунок 1.2-
Функциональная схема системы управления углами атаки и тангажа
На рис.1.2 обозначено:
ЗУ - задающее устройство
ВУ - вычислительное устройство;
У - усилитель;
СП - сервопривод;
РВ - руль высоты;
УС - устройство согласования;
МГВ - малогабаритная гировертикаль;
ДУС - датчик угловой скорости.
Угол атаки а с помощью датчиков
измерять сложно, поэтому при необходимости его значение рассчитывают, используя
значение измеряемых параметров. В данном случае обратная связь по углу атаки не
применяется.
Представим ранее полученную линейную
систему уравнений в форме Коши:
(1.8)
Исходя из
тактико-технических характеристик ЛА, приведенных ниже, получим расчетные
параметры ММ.
Геометрические данные:
S= 1.046 м2, L= 4.05 м.
Массово-инерционные
характеристики: m=175 кг, Izz=62,8*106
Аэродинамические
характеристики: Су =1.2; tу =-0.12; Сх =0.48;
С*п =0.88; tx =
3.8-10-3; тz =-0.17; тo-4.8-10'3.
Тяговые характеристики:
Р=6*229,5 кН; Уг=236 м/с;тв =80 кг/с;
тг - 0,1 кг/с.
Данные высоты, скорости
углов: У'г=Уо=70 м/с; Ут=Уо=400 м;
Расчетные параметры
матриц:=0,019; а12=-0,265; а13=-2,1*10-4; b11=-0.376;
а21=1; а22=-9,79;
а23=0,0196; b21=6*10-4;
а31=1; а32=0;
а33=0; b31=0.
Тогда матрицы А и В
примут вид:
=
. (1.9)
Используя средства
МАТLАВ на основе матриц А, В, С, D получим передаточные функции:
(2.0)
.4 Статический расчёт
системы
Передаточные функции
объекта получены ранее с помощью пакета МАТLАВ. Найдем передаточные функции
датчиков первичной информации, рулевой машинки, устройств согласования 1 и 2,
усилительного блока.
В качестве блока УС1 и
УС2 выбираем пропорциональные звенья. При выборе коэффициента для УС1 будем
исходить из того, что напряжение питания потенциометрического измерителя МГВ
равно ±27 В и максимальное выходное напряжение также равно ±12 В. Входное
напряжение вычислителя напряжение - 10 В, поэтому:ус1(S)=Кус1=10/13,5=0,74 В/В.
Напряжение питания
измерителя типа микросин ДУС равно 36 В, тогда для УС2:ус2(S)=Кус2=10/36=0,278
В/В..
Для усилителя:
Wу(S)=Ку=Uву/Fрв = 10/0.262 = 38. 17 В/рад,
где FРВ - максимальное
отклонение руля высоты; ву - максимальное выходное напряжение вычислителя.
В качестве передаточной
функции сервопривода выберем апериодическое звено с постоянной времени Т=0,1 с:
(2.1)
В качестве датчика
угловых скоростей возьмем поплавковый ДУС с передаточной функцией
колебательного звена:
аждьаьдапотьвотврв(2.2)
В качестве датчика угла
ранее была выбрана малогабаритная гировертикаль, которая является
пропорциональным звеном. Считаем измеряемый угол равным ± 12,5°, напряжение
питания потенциометрических измерителей равным 27 В, а выходное напряжение
равно ± 13,5 В, тогда:
. (2.3)
2.5 Динамический расчёт системы
Под устойчивостью свободного
движения ЛА понимается его способность возвращаться в исходное состояние после
окончания действия возмущения.
Анализ устойчивости можно произвести
по корням характеристического уравнения матрицы состояния А. Так как корни
характеристического уравнения совпадают с собственными значениями матрицы А, то
используем команду damp(А) в среде МАТLАВ:
.02е-003 +2.70е-0021 1.47е-001
2.73е-002
.02е-003 -2.70е-0021 1.47е-001
2.73е-002
.76е+000 1.ООе+000 9.76е+000
С помощью команды step получим
следующие переходные процессы:

Рисунок 1.3- Переходная
характеристика системы по ω
.5
Рисунок 1.4- Переходная
характеристика системы по а
Рисунок1.5-Переходная характеристика
системы по γ
Так как все корни
характеристического уравнения лежат в левой полуплоскости, то система
устойчива, но, исходя из переходных процессов (рис.1.3, 1.4, 1.5) показатели
быстродействия не удовлетворяют требованиям ТЗ. Следовательно, необходима
коррекция системы.
.7 Синтез цифрового корректирующего
устройства
Параметрический синтез заключается в
нахождении коэффициента обратной связи К1 и К2 закона управления, для
обеспечения требуемого качества и быстродействия системы управления.
Целью синтеза является определение
коэффициентов обратной связи, которые минимизируют некоторые квадратичные
критерии качества.
Объект управления и измерительная
система описываются зз - моделью. Синтез дискретного регулятора для непрерывной
системы будем проводить с помощью команды МАТLАВ - lqrd (Kd,S,L)=lqrd (А, В, Q,
R., Тз).
Эта команда рассчитывает матрицу
коэффициентов обратных связей К, для непрерывной модели с законом управления
8РB =К1γ + К2γ, которая минимизирует
квадратичный критерий качества передаточной функции:
(аосоо)(2.3)
Далее выполняем
преобразование непрерывной модели в дискретную с экстраполятором нулевого
порядка и находим решение по алгоритму синтеза дискретной системы.
Синтез параметров
дискретной системы можно выполнить двумя способами.
Первый предполагает
нахождение 2-передаточной функции приведенной непрерывной части системы, в
которую входит экстраполятор нулевого порядка (ЭНП). Затем используется синтез
в 2-плоскости. Второй способ предполагает синтез в S-плоскости, но с учетом
динамических свойств ЭНП. Передаточную функцию ЭНП можно представить в
следующем виде:
(2.4)
Выберем для цифровой
системы период дискретности, используя три метода.
. Основан на теореме
Котельникова:
(2.5)
Значение wmах
определяется из условия Lск(w) <-15 дБ на среднечастотном участке желаемой
ЛАЧХ с наклоном -20дБ/дек.
(2.6)
В этом методе период
дискретности (Т) определяется из обеспечения устойчивости:
(2.7)
где Ώт
- максимальная скорость задающего воздействия;
М - колебательность;
εт
- максимальное угловое ускорение.
(2.8)
Из трех периодов
дискретности выберем наименьший. Это облегчает условие устойчивости и приводит
к повышению точности регулирования. Принимаем период дискретности Т<0.04с.
2.6 Определение показателей качества
системы
Так как все корни
характеристического уравнения лежат в левой полуплоскости, то система
устойчива, но, исходя из переходных процессов (рис.) показатели быстродействия
не удовлетворяют требованиям ТЗ. Следовательно, необходима коррекция системы.
Под управляемостью самолета понимают
способность изменять параметры своего движения при отклонении управляющих
органов.
Система должна быть управляемой по
состоянию, если ранг матрицы управляемости системы равен порядку системы.
Uх=n> Uх=[Ь: АВ:...: Аn-1В].
С помощью пакета МАТLАВ получим:
U=сtгb(АB)> а затем, используя команду rank(U), получаем, что ранг равен 3,
следовательно, система полностью управляемая.Система является полностью
наблюдаемой, если ранг матрицы наблюдаемости равен порядку системы:
Q = n.
О- [Ст: АТСТ:...: (AТ n-1СТ]; Q =
obsv(А,С).
Командой Rank(Q) определяем ранг
матрицы наблюдаемости, он равен 3, значит, система полностью наблюдаема.
На основе анализа динамических
характеристик можно сделать вывод, что ОУ устойчив. Переходные процессы,
представленные на рис. 1.3, 1.4, 1.5, не обладают требуемым качеством, и время
переходных процессов превышает заданное. Таким образом, для уменьшения времени
переходного процесса в закон управления введем пропорциональную составляющую, а
для достижения лучшего качества управления ЛА
Введем дифференциальную
составляющую. Значит, в качестве первичного закона управления выбираем
пропорционально-дифференциальный закон управления по γ
и γ, который имеет такой вид
-
Рисунок 1.4Переходный
процесс по γ
Рисунок1.5 Переходный
процесс по ω
.7 Определение
показателей качества системы
На данном этапе
проектирования выполняется проверка соответствия показателей качества
управления скорректированной системы требованиям ТЗ. Если все показатели
качества скорректированной системы удовлетворяют требованиям ТЗ, то найденный
алгоритм работы принимается к реализации. Если какой-либо из показателей
качества управления скорректированной системы не соответствует требованиям ТЗ,
то необходимо вернуться к этапу синтеза алгоритма управления и соответствующим
образом изменить форму желаемой ЛАЧХ разомкнутой системы.
Оценка качества
производится по переходным характеристикам замкнутой системы и по частотным
характеристикам разомкнутой системы.
Рассмотрим переходные
характеристики скорректированной замкнутой системы (рис 1.7 - 1.8). Оценим
основные показатели качества управления: установившуюся ошибку εуст;
длительность переходного процесса tnn и перерегулирование σ.
Установившуюся ошибку
оцениваем по переходным характеристикам при I ≥ 0. Из рисунка следует,
что Еуст=0. Требования по точности в установившемся режиме выполняются.
Переходный процесс
считается закончившимся в тот момент времени, после которого переходная
характеристика уже не выходит за пределы заданного поля допуска.
Для оценки длительности
переходных процессов tnn рассмотрим рис 1.7. На рисунке проводим две
горизонтальные прямые, ограничивающие поле допуска. Одну прямую проводим на
уровне γуст + ∆γуст, другую - на
уровне γ- ∆γуст, где γ- установившееся значение переходной характеристики по задающему
воздействию, А =0,05 - величина, задающая поле допуска.
Рисунок 1.6 - Переходный
процесс скорректированной системы
Из рис. 1.6 следует, что tnn =2c что
удовлетворяет требования ТЗ, так как оно меньше допустимого, т.е. tnn < Зс.
Перерегулирование סּ (по задающему воздействию) определяем по формуле:
(2.7)
Следовательно,
требования ТЗ выполняются. При невыполнении этих требований необходимо
расширить среднечастотный участок желаемой ЛАЧХ разомкнутой системы.
По логарифмическим
частотным характеристикам разомкнутой системы L(w) и Ψ(w)
находим запасы устойчивости по амплитуде L3=19.2 дБ и по фазе Ψ3=68.7
град. Эти показатели удовлетворяют требованиям ТЗ.

Рисунок 1.6 - Частотные
характеристики замкнутой системы
Рисунок 1.8- ЛАЧХ и ЛФЧХ
разомкнутой скорректированной системы
Рисунок 1.9 - ЛАЧХ и
ЛФЧХ замкнутой скорректированной системы
По АЧХ замкнутой системы
находим показатель колебательности:
М =Aзамкмач(w)/Азамк(0)
= 1; частоту резонанса wрез=10 рад/с.
Эти показатели
удовлетворяют требованиям ТЗ: М < Мдоп- 1.5.
.8 Информационное и
приборное обеспечение цифровой системы продольного канала автопилота
Для данной системы
управления самолёта в продольном движении используется пропорционально-дифференциальный
закон управления, который повышает быстродействие системы и увеличивает запас
устойчивости.
Для реализации закона
необходимо сформировать алгоритм управления. В данной работе алгоритм
реализуется управляющим вычислителем, схема которого представляет собой
микропроцессорную систему.
В качестве блока УС1 и
УС2 выбираем пропорциональные звенья. При выборе коэффициента для УС1 будем
исходить из того, что напряжение питания потенциометрического измерителя МГВ
равно ±27 В и максимальное выходное напряжение также равно ±12 В. Входное
напряжение вычислителя напряжение - 10 В, поэтому:
ус1,(S)=Кус1=10/13,5=0,74
В/В. (2.8)
Напряжение питания
измерителя типа микросин ДУС равно 36 В, тогда дляУС2:
УС2(S)=Кус2=10/36=0.278
В/В. (3.2)
Для усилителя: Wy(S)=Ку=Uву/δрв=10/0.262=
38.17 В/рад, (3.3)
где δрв
- максимальное отклонение руля высоты,ву - максимальное выходное напряжение
вычислителя.
В качестве передаточной
функции сервопривода выберем апериодическое звено с постоянной времени Т=0.1 с:
(2.9)
В качестве датчика
угловых скоростей возьмем поплавковый ДУС с передаточной функцией
колебательного звена:
. (3.0)
В качестве датчика угла
ранее была выбрана малогабаритная гировертикаль, которая является
пропорциональным звеном. Считаем измеряемый угол равным ± 12,5°, напряжение
питания потенциометрических измерителей равным 27 В, а выходное напряжение
равно ± 13,5 В, тогда:
Wмгв(S)=Кмгв=13,5/0.218= 61,93
В/рад. (3.6)
Закон управления имеет вид
δГВ=К1γ+ К2γ. (3.1)
Входной информацией для вычислителя
являются сигналы с МГВ γ[kT0] и ДУСа wХ[kТ0], представляемые уровнем однополярного сигнала
Uу,Uwx, в диапазоне 0..12В (на основании исходных данных). Это соответствует
изменению крена в диапазоне углов -30°..+30° и угловых скоростей в диапазоне -
0,5...+0,5[рад/с].
Также входной является информация о
заданном (требуемом) угла крена узад и требуемом значении высоты wхзад,
принимая в последовательном коде в стандарте К.8-232.
Выходной информацией является
однополярный сигнал Uγ управляющего воздействия, также приведенный к диапазону амплитуд
0..12В. Так же потребуется предварительная обработка -дифференцирование.
Поэтому для приёма и выдачи
информации нам потребуется ЦАП и АЦП. Заданный период дискретности составляет
Т0=0.04с=50000мкс. Стандартная тактовая частота используемого микроконтроллера
МП ATmega8, следовательно, период импульсов для таймера МП ATmega8 составит
Ти=1мкс. Максимальный интервал времени, реализуемый таймером Тмах=65535мкс.
Поскольку Тмах>То, то данный период дискретности может быть реализован
аппаратными средствами МП ATmega8.
Принципы проверки достоверности
информации с датчиков не регламентируются, однако можно ввести проверку
правильности передачи данных по последовательном интерфейсу на основе
простейшего метода контроля бита четности количества единиц.
. Конструкторская часть
Целью данной работы есть
проектирование системы управления беспилотным транспортным средством в режиме
посадки. Микроконтроллерный блок представляет собой микропроцессор с программой
работы, которая реализует получение данных с датчиков системы, их обработку и
передачу на компьютер.
Рисунок 2.1- Функциональная схема
системы управления углами атаки и тангажа
.1 Разработка принципа
функционирования микропроцессорного блока
На рис. 2.2 представлена упрощенная
схема системы управления
Рисунок 2.2 Упрощенная функциональная
схема разрабатываемой системы
Принятые на рис. 2.2 сокращения:
ПЭВМ - персональная
электронно-вычислительная машина;
КОНТРОЛЛЕР - устройство
обрабатывающее информацию;
ИМ - исполнительный механизм;
ОАУ - объект автоматического
управления;, COM - Каналы связи контролера и ПЭВМ;ДУС - напряжение на выходе
ДУС, В;ДУ - напряжение на выходе ДУ, В;
Разработанная система имеет 2
последовательно расположенных контура управления: на управляющий вычислитель
(контролер) приходит 2 сигнала (с ДУС и с ДУ), в свою очередь контролер должен
формировать один сигнал управления на оба контура.
Вывод: контролер должен иметь 4
входа для приема и обработки сигнала информации, действующих значений
управляемых параметров контура и один выход для передачи сигнала управления на
контуры управления.
.2 Разработка функциональной схемы
управляющего вычислителя
Рисунок
2.3-Функциональная схема управляющего микропроцессорного блока
На рис. 2.3 использованы
такие условные обозначения:
МП - мультиплексор;
АЦП - аналогово-цифровой
преобразователь;
БП - блок питания;
КР - кварцевый
резонатор;- блок (сигнал) сброса программы в контролере;
ВА - внутренняя
архитектура ПЭВМ;
ЦАП - цифро-аналоговый
преобразователь;
ИМ - исполнительный
механизм.
.3 Выбор функциональных
элементов контролера системы
Теперь рассмотрим
рабочие элементы и принципы их работы в данной функциональной схемы.
.3.1 Источник тактового
сигнала
Кварцевый резонатор
представляет собой источник тактового сигнала, который служит для подачи тактовых
импульсов МП для его синхронизации. На рис. 3.4 представлена принципиальная
схема такого устройства, созданного на основе КР с частотой 14.745 МГц,
подключенного по схеме со средней точкой.
Рисунок 2.4 - Источник
тактового сигнала.
КР, подключенный к
внешним выходам МП Х1 и Х2, управляет работой внутреннего генератора, который
формирует внутренние сигналы синхронизации. На основе этих сигналов устройство
управления МП формирует машинный цикл фиксированной продолжительности.
Выберем КР типа НС49/S с
частотой 16 МГц, эквивалентным сопротивлением25 Ом и рабочим диапазоном
температур от -10 до +60 С.
.3.2 Микропроцессор
Для спроектированного
управляющего вычислителя выберем микропроцессор АТmega8. На рис.3.5 представлено
графическое обозначение выбранного МП
Рисунок 2.5 -
Графическое представление МП ATmega8
Назначение выводов:-
сброс микропроцессора;
РB1- РB7 - выводы порта
РB;
РC1 - РC7 - выводы порта
РC;
Т0,Т1 - входы таймеров;
ХTAL1/ХTAL2 - выводы для
подключения источника тактового сигнала;- заземление;- питание;- аналоговое
заземление;- аналоговое питание;- вывод питания АЦП.
Выбор данного МП
обусловлен следующим:
наличие 8 Кб ПЗП
программ с возможностью перепрограммирования;
возможность работы на
низких тактовых частот, что очень важно в системах реального времени;
Микропроцессор имеет
следующие характеристики:
согласование с
устройствами семейства MCS-51;
циклов стирания/записи;
напряжение питания
5+20%В;
три уровня блокировки
памяти программ;
программирования линии
ввода/вывода;
два 16-разрядных
таймера/счетчика;
шесть источников
сигналов прерывания;
программируемый
последовательный канал UART;
промышленный диапазон
температур -40С…85С.
Микропроцессор
выпускается в корпусе типа PDIP, что позволяет устанавливать микросхему как на
контактную площадку.
.3.3 ЦАП
Выбираем 12-разрядный
ЦАП AD7845. Данный АЦП выбрали исходя из точности измерения датчика температуры
(20%), общего диапазона измеряемых напряжений (1…5 В) и диапазона напряжений
измеряемых в процессе данной работы (1,6…2,9В). На рис. 4.5 представлено
графическое обозначение ЦАП AD7845
Рисунок 2.5 - ЦАП AD7845
Технические характеристики данного
цифро-аналогового преобразователя представлены в табл. 4.2.
Таблица 1 Характеристики ЦАП
|
Число разрядов
|
12
|
|
Напряжение питания, В
|
±15
|
|
Диапазон выходных напряжений, В
|
±UОП
|
|
Время установления, мкс
|
20
|
|
Нелинейность, ЕМР
|
0.5…1
|
|
Опорное напряжения, В
|
±UОП
|
|
Тип и число разрядов
|
Пар. 12р.
|
ЦАП выпускается в DIP корпусе, что
позволяет как устанавливать его на контактную площадку, также впаивать его в
схему.
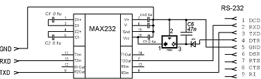
.3.4 Устройство согласования уровней
Этот функциональный элемент
необходим в случае потребности передачи данных с МП на ПЭВМ. Для корректной
передачи данных необходимо согласовывать уровни сигналов МП и СОМ порта. С этой
целью воспользуемся устройством согласования, созданным на базе преобразователя
RS-232 в TTL, фирмы MAXIM.
Рисунок 2.6 Устройство согласования
уровней MAX232
.3.5 Блок управления полярностью
Рисунок 2.7 -
Электрическая принципиальная схема БУП
.3.6 СОМ-порт
Использование этого
порта необходимо из-за разработки канала передачи данных на ПЭВМ, через который
возможна передача данных согласно протоколу RS-232.
.3.7 LPT-портпорт - это
параллельный 25-пиновый порт ПЭВМ. Использование этого порта необходимо при
настройках канала программатора. Канал программатора совершает прошивку
резидентной памяти программ.
.4 Создание
принципиальной электрической схемы управляющего вычислителя
Принципиальная схема
представляет собой сочетание функциональных блоков согласно схемы(рис.3.2) с
учетом всех правил соединения.
3.5 Разработка программного
обеспечения
На рис. 2.8 приведен алгоритм работы
МП блока по получению, преобразованию и передачи данных. Алгоритм приведен в
виде блок-схемы.
Рисунок 2.8 Алгоритм работы МП блока
по получению, преобразованию и передачи данных в виде блок-схемы.
4. Разработка технологического
процесса сборки платы управляющего вычислителя
.1 Анализ технологичности
.1.1 Качественная оценка
технологичности
Качественная оценка технологичности
раскрывает конструктивно-технологические особенности изделия к изготовлению по
основным видам работ. Она выражается категориями и понятиями: "хорошо -
плохо", "соответствует - не соответствует", "технологично -
не технологично", "допустимо - недопустимо", "упрощает -
усложняет ". У сборочных единиц оцениваются:
) компоновочные решения: все ЭРЭ
расположены с одной стороны -технологично, так как позволяет автоматизировать
сборку и пайку. Плотность размещения средняя, что упрощает сборку. Размеры
сторон платы соответствуют ряду - технологично;
) взаимозаменяемость:
взаимозаменяемость хорошая, так как все ЭРЭ стандартные;
) контролепригодность:
контролепригодность хорошая, так как можно все ЭРЭ контролировать до сборки;
контроль можно производить в процессе сборки, и после сборки;
) регулируемость: хорошая, так как
нет подстроенных элементов;
) способы защиты от внешних
воздействий: покрытие лаком, чем достигается защищенность платы и крепежных
изделий от внешнего воздействия; 6) инструментальная доступность: хорошая, так
как все ЭРЭ неперекрывают друг друга; плотность расположения ЭРЭ - средняя; 7)
вид подготовки, установки и монтажа ЭРЭ: выводы ЭРЭ нужно формовать, обрезать,
лудить; ЭРЭ устанавливаются на свои выводы с их подгибкой; пайка.
4.1.2 Количественная оценка
технологичности
Количественная оценка
технологичности предполагает определение относительных частных показателей Ki и
комплексного показателя К. Комплексный показатель представляет собой сумму
частных показателей с учетом их значимости по выбранному критерию.
Исходными данными для анализа
технологичности являются:
) Нимс =6 - общее количество
микросхем и микросборок;
) Нэрэ =34 - общее количество ЭРЭ;
) Нам =110 - количество монтажных
соединений, которые могут осуществляться механизированным или
автоматизированным способом;
) Нм =126 - общее количество
монтажных соединений;
) Нмп эрэ =29 - количество ЭРЭ,
подготовка которых к монтажу может осуществляться автоматизированным или
механизированным способом;
) Нмкн =5 - количество операций
контроля и настройки, которые можно осуществить механизированным способом;
) Нкн =5 - общее количество операций
контроля и настройки;
) Нт эрэ =14 - общее количество
типоразмеров ЭРЭ в изделии;
) Нт ор эрэ =0 - количество
типоразмеров оригинальных ЭРЭ в изделии.
Рассчитаем значения частных
показателей технологичности. При определении значений коэффициентов необходимо
знать, что чем ближе к
единице результат, тем технологичнее
изделие. В скобках написана значимость частных показателей при определении
комплексного показателя.
) коэффициент использования
микросхем и микросборок (φ1= 1,000):
Кимс = Нимс/(Нимс + Нэрэ) =
6/(6+34)=0,15;
) коэффициент автоматизации и
механизации монтажа (φ2=l,000):
Кам = Нам/Нм = 110/126=0.87;
) коэффициент автоматизации и
механизации подготовки ЭРЭ к монтажу (φ3=0,750):
Кмп эрэ = Нмп эрэ/Нэрэ =29/34=0.86;
) коэффициент автоматизации и
механизации контроля и настройки электрических параметров (φ4=0,500):
Кмкн = Нмкн/Нкн = 5/6=1;
) коэффициент повторяемости ЭРЭ (φ5=0,310):
Кпов эрэ = 1 - Нт эрэ/Нэрэ = 1 -
12/23=0,5
) коэффициент применяемости ЭРЭ (φ6=0,187):
Кп эрэ = 1 - Нт ор эрэ/Нт эрэ =1-
0/14=1.
Рассчитаем значение комплексного
показателя технологичности К:
(3.2)
где ki - значение
частных показателей по таблице коэффициентов весомости технологичности
электронных блоков;
φi - значимость
показателя;- порядковый номер показателя; - общее число показателей.
Данная конструкторская
документация является технологичной для стадии разработки рабочей документации
"Серийное или массовое производство", поскольку комплексный
показатель попал в диапазон 0.5 - 0.8 для электронных блоков.
.2 Разработка
технологической схемы сборки
За базовую деталь выберем
плату поз.1. В первую очередь на плату устанавливаются резисторы поз.16, диод
поз.3, кварц поз.10 согласно п.1,2,10. Далее устанавливаются конденсаторы
поз.2, микросхемы поз. 2, 4-9. Потом устанавливаются разъемы поз.11-15 и
проводится контроль качества сборки. После проводится пайка(согласно
рекомендациям конструктора №2), промывка, сушка и контроль качества пайки.
Затем плату поз.1 покрываем лаком (согласно требованиям конструктора №3), сушка
контроль качества после лакировки и окончательный контроль.
Технологическая схема
сборки приведена в приложении
Технологический процесс
приведен в приложении
.3 Рразработка
единичного технологического процесса
На основе анализа
типового ТП выбраны операции, установлено их содержание и последовательность.
Выбраны инструменты и выбрано оборудование, приспособления. Подобраны детали, а
также вспомогательные материалы.
Единичный ТП сборки
платы приведен в приложении.
5. Экономическое обоснование
разработки
.1 Расчет себестоимости и цены
изготовления платы МБ
В данной работе я проведу расчет
себестоимости по методу структурных коэффициентов.
Детальный расчет проведем по одной
из калькуляционных статей. Полная себестоимость определяется по удельному весу
этой статьи в общей себестоимости. Структурные коэффициенты будем принимать по
подобным изделиям, освоенным в производстве. Себестоимость изделия, у которого
велика доля закупок в общей сумме затрат, но доля материалов мала рассчитаем по
формуле:
, (3.3)
где Сн - затраты на
покупные изделия в изделии (грн.);
Ун - удельный вес затрат
на покупные изделия в себестоимости аналогичных изделий (%).
Расчет количества и
стоимости покупных изделий, входящих в проектируемый прибор, представлены в
таблице 2.
Таблица 2 Расчет
количества и стоимости покупных изделий
|
Наименование покупных изделий
|
Количество изделий на прибор
|
Цена за единицу изделия (грн.)
|
Сумма (грн.)
|
|
Микросхемы
|
|
|
|
|
Atmel АТmega8
|
1
|
5
|
5
|
|
MAX232A
|
1
|
5
|
5
|
|
LM78L05ACZ
|
1
|
1
|
1
|
|
TL072
|
1
|
0.85
|
0.85
|
|
KR590KN2
|
1
|
1.10
|
1.10
|
|
AD7845
|
1
|
4.50
|
4.50
|
|
Конденсаторы
|
|
|
|
|
0.1мкФ-35В
|
7
|
0.30
|
2.10
|
|
4.7мкФ-35В
|
1
|
0.50
|
0.50
|
|
100мкФ-35В
|
1
|
0.90
|
0.90
|
|
470мкФ-35В
|
1
|
1
|
1
|
|
Резисторы
|
|
|
|
|
МЛТ-0.125 1к
|
10
|
0.10
|
1
|
|
МЛТ-0.125 1.5к
|
1
|
0.10
|
0.10
|
|
Диод КД522А
|
1
|
1
|
1
|
|
Кварц
|
1
|
1.10
|
1.10
|
|
Разъемы
|
|
|
|
|
RS-232
|
1
|
2.50
|
2.50
|
|
2хПТ
|
1
|
0.80
|
0.80
|
|
4хПТ, 5хПТ
|
2
|
1
|
2
|
|
8хПТ
|
1
|
1.20
|
1.20
|
|
Провод
|
8
|
8
|
0.40
|
|
Плата
|
1
|
4
|
4
|
|
Транспортне расходы
|
5
|
|
Всего
|
35.75
|
. (3.4)
Структура полной
себестоимости представлена в таблице
Таблица 3 Структура
полной себестоимости изделия
|
Статья затрат
|
Доля себестоимости(%)
|
Доля себестоимости, грн
|
|
Основные материалы
|
10
|
8.97
|
|
Покупные изделия
|
40
|
35.75
|
|
Заработная плата
|
17
|
15.25
|
|
Расходы на эксплуатацию
|
20
|
17.94
|
|
Административные расходы
|
10
|
8.97
|
|
Внепроизводственные расходы
|
3
|
2.69
|
|
Всего
|
100
|
89.75
|
Приблизительную стоимость целой
системы
(3.5)
где
-
ожидаемая цена вновь создаваемой системы (грн.);
- рассчитанная цена
одного из элементов системы (грн);
- доля, которую
стоимость аналогичного устройства занимала в цене аналогичной системы (%).
(3.6)
Договорная цена
устанавливается на базе лимитной и цены изготовителя с учетом
.
При назначении цены изделия необходимо учесть надбавки, связанные со сбытом
изделия, налогами на добавленную стоимость (НДС) - 20% от цены производства.
, (3.7)
Где
-
полная себестоимость изделия;
α - процент
прибыли (15-20% от полной себестоимости).
(3.8)
Цена изготовления с
учетом НДС:
; (3.9)
(4.0)
Таким образом цена
готового изделия составляет без НДС 108 грн., а с НДС - 130 грн.
6. Безопасность
жизнедеятельности
.1 Анализ вредных и
опасных факторов на производстве
Нанесение вреда здоровью
человека может произойти на производстве на этапе сборки устройства.
Безопасность
жизнедеятельности (БЖД) - комплексная наука, которая изучает возможности
обеспечения безопасности человека при любом виде человеческой деятельности.
Вредный производственный
фактор - производственный фактор, воздействие которого на работающего в
определенных условиях приводит к заболеванию или снижению работоспособности.
Опасный производственный
фактор - производственный фактор, воздействие которого на работающего в
определенных условиях приводит к травме или другому внезапному ухудшению
здоровья.
Согласно ГОСТ
12.0.003-74 вредные и опасные производственные факторы подразделяются по
природе действия на физические, химические, биологические, психофизические.
Физические факторы:
повышенный уровень
электромагнитного поля;
повышенный уровень
статического электричества;
недостаточная
освещенность;
повышенный уровень шума
на рабочем месте;
повышенный уровень
вибрации;
повышенная или пониженная
влажность воздуха;
пожар;
поражение электрическим
током.
Психофизические факторы:
перенапряжение
зрительных или слуховых анализаторов;
монотонность труда;
эмоциональные
перегрузки;
усталость групп мышц
из-за малой подвижности.
Факторы, влияющие на
экологическую безопасность:
повышенная запыленность
и загазованность воздуха рабочей зоны;
повышенный уровень
электромагнитных излучений;
повышенный уровень
ультрафиолетового излучения. Опасной зоной, где возможно возникновение и
действие перечисленных выше факторов является непосредственно рабочее место
рабочего.
В качестве основных
вредных факторов можно выделить следующие:
нерациональная
освещенность рабочего места (слабое или слишком интенсивное освещение,
повышенная пульсация светового потока и т.д.) - приводит к ухудшению зрительной
способности человека. Освещенность рабочего места должна быть не менее 300
люкс;
несоответствие
микроклимата рабочего места (высокая или низкая температура, повышенная или
пониженная влажность, повышенная или пониженная подвижность воздушных масс и
т.д.) - отрицательно сказывается на трудоспособности человека;
повышенный шум - также
отрицательно сказывается на трудоспособности человека. Уровень шума не должен
превышать 75дБ.
.2 Мероприятия по
уменьшению и ликвидации вредных и опасных факторов
С целью исключения
вредного влияния персонального компьютера (ПК) на организм необходимо соблюдать
и выполнять следующие правила и нормы.
По санитарным нормам
(СН245-71) площадь на одно рабочее место с ПЭВМ для взрослых пользователей должна
составлять не менее 6,0 м2, а объем - не менее 20,0 м3.
Для облицовки стен,
потолков, полов помещений, где размещены ЭВМ, следует использовать материалы,
разрешенные органами государственного санитарно-эпидемиологического надзора, а
для внутренней отделки интерьера - диффузно-отражающиеся материалы с такими
коэффициентами отражения: для потолка 0,7-0,8; для стен 0,5-0,6; для пола
0,3-0,5. Поверхность пола в помещениях эксплуатации мониторов и ПЭВМ должна
быть ровной, без выбоин, нескользкой, удобной для уборки, обладать
антистатическими свойствами. Влажную уборку необходимо выполнять ежедневно.
Статическая электризация
может вызвать нежелательные болевые и нервные ощущения. Устранение опасности
возникновения электрических зарядов достигается применением ряда мер:
заземление, повышением поверхностной проводимости диэлектриков.
Для обеспечения
нормального освещения применяются естественное и искусственное освещение, а
также смешанное, которое нормируется санитарными нормами и правилами СниП
23-05-95.
Для защиты от шума
необходимо понижать его уровень - с этой целью используют шумопоглащающие
фильтры, устанавливают бесшумные механизмы.
Для уменьшения вибрации
используют виброизоляцию, пружинные опоры и основания, прокладки, коврики.
Вибрации частотой более 200 Гц опасны для человека. Комфортный предел
виброчастоты человек выбирает самостоятельно, но он не должен препятствовать
нормальной жизнедеятельности.
Пожарная безопасность.
При работе необходимо
соблюдать пожарную безопасность. В помещении испытательной лаборатории должны
быть установлены средства пожаротушения и борьбы с огнем. Запрещается хранение
в помещении пустых упаковочных коробок от оборудования, лишнего легко
воспламеняющихся мусора. Для приема пищи должна быть оборудована отдельная
комната. Запрещается включать электрокипятильники, чайники и т.д. в помещении
лаборатории. Необходимо, чтобы кондиционеры, обогреватели, приборы
вентиляционной системы и другие электрические приборы были исправны, чтобы они
регулярно проверялись на исправность соответствующими специалистами. Должны
быть свободны пути эвакуации на случай возникновения пожара. По возможности
помещение лаборатории должно быть оборудовано пожарной сигнализацией. Работники
лаборатории должны быть знакомы с правилами обращения со средствами
огнетушения, которые находятся в помещении. Необходимо, чтобы на стендах были
доступно и понятно описаны правила поведения при пожаре, правила пользования
приборами огнетушения, средствами защиты при пожаре, планом эвакуации,
правилами оказания первой помощи при получении ожогов. Должен быть также
оформлен документ работниками предприятия о том, что они ознакомлены с
правилами пожарной безопасности.
ß
- излучение.
К ионизирующим
излучениям относятся корпускулярные (альфа, -бета, -нейтральные) и электромагнитные
(гамма, рентгеновские, космические) излучения, способные при взаимодействии с
веществом прямо или косвенно создавать в нем заряженные атомы и молекулы-ионы.
Ионизирующие излучения
оказывают неблагоприятное воздействие на организм человека, приводя к тяжелым
заболеваниям, возможен и смертельный исход. Большая опасность радиоактивного
излучения заключается в том, что оно не обнаруживается органами чувств
человека.
Исход поражения зависит
от вида излучения, дозы излучения, продолжительности действия и индивидуальных
особенностей организма.
Обеспечение безопасности
работающих с радиоактивными веществами осуществляется путем установления
предельно-допустимых доз облучения различными видами радиоактивных веществ;
применением защиты временем или расстоянием, проведение общих мер защиты,
использования средств индивидуальной защиты. Большое значение имеет применение
приборов индивидуального и общего контроля для оценки интенсивности
радиоактивных излучений.
Оператор ЭВМ
непосредственно находится на расстоянии от 0.5 до 2 м от дисплея, а это
источник ß-частиц.
При работе с ß-источником
нужна защита от прямого действия ß-частиц
и от тормозного излучения.
Экраны для защиты от ß-излучений
целесообразно делать двухслойные: со стороны источника применяются материал с малым
атомным номером, чтобы тормозное излучение было менее проникающим, а за ним
помещается слой материала с большим атомным номером для поглощения тормозного
излучения.
Общие требования к
рабочему месту.
Рабочее место оператора
должно соответствовать характеру выполняемой работы и обеспечивать удобные и
безопасные условия труда.
Основная задача
планировки рабочего места состоит в том, чтобы создать объективные предпосылки
для рациональности рабочих движений и рабочей позы исполнителей. Планировка
рабочего места должна основываться на учете антропометрических данных
работников (рост, длина рук, длина ног). Размеры крупного человека определяют
минимум пространства, необходимого для свободы действий, а размеры небольшого
человека должны приниматься при определении пределов досягаемости ручных и
ножных органов управления. Кроме того, необходимо учитывать влияние одежды,
которая накладывает дополнительные ограничения на свободу движений человека.
Рабочее сидение должно
быть удобным для выполнения планируемых рабочих операций. Оно должно иметь
требуемые размеры и допускать регулировку не только по высоте, но и по
положению, когда его применение требует подвижности. Рабочий стол должен
обеспечивать вместе с рабочим сиденьем такое положение корпуса, при котором нагрузка
распределена оптимальным образом на все мышцы, участвующие в поддержании тела и
соблюдение правильной осанки при работе. После того, как на основании данных
антропометрии выбраны оптимальные габариты рабочего пространства, необходимо
организовать все элементы рабочего места в соответствии с особенностями
деятельности человека.
Заключение
В данной бакалаврской работе я
разработал систему управления движением беспилотного транспортного средства, а
именно движение в продольном канале при посадке. Путем линеаризации полной
системы дифференциальных уравнений, описывающих динамику объекта управления, с
учетом вида движения и режима полета, заданного в ТЗ, была получена линейная
математическая модель продольного движения беспилотного транспортного средства.
С помощью пакета МАТLАВ был проведен анализ динамических характеристик объекта
управления.
Используя параметрический синтез,
был произведен синтез алгоритма управления, обеспечивающего требуемое качество
переходных процессов системы. Анализ результатов применения этого закона был
проведен в среде МАТLАВ путем моделирования системы в целом.
Просчитав известные нам значения и
показания была составлена наиболее оптимальная конфигурация прибора, собраны
составляющие отвечающие всем требованиям как полученным так и данным нам
заказчиком.
Была разработана схема сборки
отвечающая за маршрут сборки прибора, также отвечающая всем ГОСТам.
Используя полученные данные были
исследованы вредные и опасные факторы, найдены способы борьбы с ними,
рассчитаны показатели безопасной работы и эксплуатации.
беспилотный аппарат управление
автопилот
Список использованых источников
1.М.Г. Котик. Динамика взлета и посадки самолетов. М:
Машиностроение, 1987
.А.Д. Александрова. Системы цифрового управления самолетом. - М.:
Машиностроение, 1978
.В.А. Боднер. Система управления летательных аппаратов. М.:
Машиностроение, 1973
.В.И. Кортунов, И.Ю. Дыбская. Моделирование динамических систем в
среде 51МУПМК. - X.: «ХАЙ», 1999
.А.Г. Гордин. Динамика полета и конструкция летательных аппаратов.
- X.: «ХАЙ», 1983
.И.Г, Корицкий. Оформление дипломных и курсовых проектов. Учебное
пособие. - Харьков: Государственный аэрокосмический ун-т им. Н.Е. Жуковского
"ХАИ", 1999
.Безопасность жизнедеятельности / О.Б. Кивиренко и др. - Конспект
лекций для студентов факультета заочного образования. - Харьков: Нац.
аэрокосмический ун-т «ХАИ», 2000
.Руководство по технической эксплуатации МГВ-1 СУ. 1988
.Словарь терминов по системам управления летательных аппаратов
(СУЛА) / А.С. Кулик и др. - Харьков «ХАИ», 2000
.Кербер Л.И. Компоновка оборудования на самолетах. - М.:
Машиностроение, 1972..
.Коваленко П.И., Корицкий Н.Г., Юрьева В.Г. Технология сборки и
испытаний авиационных приборов: Учебное пособие. - Харьков, Харьк. авиац. ин-т,
1988.
.ОСТ 92-1046-82. Радиоэлектронная аппаратура и приборы. Типовые
технологические операции подготовки печатных плат к сборке и монтажу блоков и
узлов.