Электрификация цеха
Введение
Системы электроснабжения промышленных предприятий
обеспечивают электрической энергией промышленные потребители. Основными
потребителями электрической энергии на промышленных предприятиях являются
электроприводы, электрическое освещение, электронагревательные устройства, в
том числе электрические печи.
Работа промышленных электроприводов и других потребителей,
как при проектировании, так и во время эксплуатации должна находиться в строгом
соответствии, как с отдельными приемниками, так и с комплексом электроприводов,
обеспечивающим работу сложных механизмов.
Для обеспечения подачи электроэнергии в необходимом
количестве и соответствующего качества от энергосистем промышленным объектам,
служат системы электроснабжения промышленных предприятий, состоящие из сетей
напряжением до 1000 В и выше.
Передача, распределение и потребление выработанной энергии на
промышленных предприятиях должны производиться с высокой экономичностью и
надежностью. Для обеспечения этого энергетиками создана надежная и экономичная
система распределения электроэнергии на всех ступенях применяемого напряжения с
максимальным приближением высокого напряжения к потребителям.
Потребители электрической энергии имеют
свои специфические особенности, чем и обусловлены определенные требования
электроснабжению - надежность питания, качество электроэнергии, резервирование
и защита отдельных элементов.
Целью данного дипломного проекта является:
создание рациональной и экономически выгодной системы электрификации цеха по
производству металлоконструкций и изделий.
1. Общая часть
. Краткое описание предприятия
Основной выпускаемой продукцией предприятия являются
металлоконструкции и металлические полуфабрикаты различного машиностроения, в
том числе детали рабочих машин и механизмов, узлы станков и т.д. Цехом
выпускаются в широком ассортименте металлические конструкции, используемые в
различных областях производства и строительства.
Гибкость технической структуры производства позволяет в очень
короткие сроки перенастраивать технологические цепочки, с производства одной
продукции на другую. Гибкость в условиях экономической целесообразности и
конкурентоспособности позволяет наиболее выгодно разместить заказы
потенциальных фирм и предприятий различных отраслей.
На предприятии имеются потребители с продолжительным и
повторно-кратковременным (ПКР) режимами работы.
ПКР - это режим, при котором температура за время включения
повышается, за время пауз снижается, однако, нагрев за время цикла этого
электроприёмника не достигает установившейся температуры, а за время паузы
температура не достигает температуры окружающей среды.
В ПКР работают электродвигатели мостовых кранов,
транспортёров, машин дуговой сварки.
Продолжительный режим - это режим, при котором температура ЭП
возрастает по экспоненте и через определённое время достигает установившегося
значения.
В продолжительном режиме работают электроприводы насосов,
вентиляторов, автоматических линий, металлообрабатывающих станков.
В продолжительном режиме, но с переменной нагрузкой и
кратковременным отключением, работают электродвигатели станков.
Предприятие состоит из четырнадцати производственных цехов,
каждый из которых представляет собой либо конечное, либо промежуточное звено в
технологической цепочке выработки продукции.
В цехе производится основная металлообработка конечных и
промежуточных в технологической цепочке изделий на металлорежущих станках с
программным управлением. Станки установлены как отдельно, так и встроено в
автоматизированные линии. Производится ручная доработка на различных
металлорежущих станках деталей.
Необходимость в бесперебойном питании электроэнергией
технологического цикла производства служит основной причиной определения
категории надежности цеха и его потребителей в отдельности. По бесперебойности
электроснабжения в целом, цеха относятся к электроприемникам 2-й категории,
перерыв в электроснабжении связан с массовым недоотпуском продукции, простоем
рабочих и различных механизмов.
К нагрузкам 1-й категории относят пожарные насосы,
электроприемники компрессорной, работа которых необходима для поддержания
технологического процесса, а также аварийное освещение, устройства связи и
сигнализации. Также для создания условий по бесперебойному электроснабжению
питание от системы осуществляется по двухцепной воздушной линии электропередач напряжением
110 кВ.
Цеха и сооружения проектируемого предприятия относятся к
категории помещений с нормальной средой - среда не вызывает отрицательного
влияния на сети и электрооборудование. Сети в помещениях не опасных по пожару и
взрыву делают открытыми (доступными для ремонта и обслуживания). В этих
помещениях применяют магистральные схемы питания без устройства АВР.
Внутрицеховые сети предприятия выполнены на напряжение 380В
трёхфазной четырёхпроходной системой переменного тока с промышленной
частотой 50Гц. Применяется напряжение 380В, а не 660В, потому
что в цехах не имеется большого количества электродвигателей в диапазоне
мощностей 200 - 600 кВт, поэтому эффективность внедрения напряжения 660В
незначительна.
Годовое число использования максимума нагрузки на
проектируемом заводе Тм=4345 час. Предприятие работает в три смены.
Выбор технологического оборудования и технологической схемы
Цех представляет собой одноэтажное здание, где находится
производственный помещение, помещение для персонала, уборная, я, венткамера,
кладовая заготовочного материала, коридор. Габаритные размеры токарного участка
48000 x
28000 мм. Фундамент выполнен из сборных железобетонных блоков. Стены наружные -
из кирпича марки «75». Толщина наружных стен - 38. Покрытие плоское из сборных
железобетонных панелей с круглыми пустотами. Полы - цементные и бетонные, а в
сан узле - из керамической плитки.
Для выполнения предусмотренных видов работ прессовый участок
оснащается соответствующим оборудованием, и размещение оборудования
предоставлено на листе 1 графической части проекта.
Таблица 1.1 - Классификация технологического оборудования
|
№ п/п
|
Наименование
оборудования
|
n
|
Мощность одного
кВт
|
|
1
|
Токарно-револьверные
многоцелевые станки
|
2
|
10
|
|
2
|
Сверлильно-фрезерные
станки
|
2
|
6,4
|
|
3
|
Токарные станки
с ЧПУ
|
2
|
9,2
|
|
4
|
Кран балка
|
1
|
5,2
|
|
5
|
Фрезерный
станки с ЧПУ
|
2
|
8
|
|
6
|
Ножницы по
металлу
|
2
|
9,2
|
|
7
|
Координатно-сверлильные
горизон станки
|
2
|
12,5
|
|
8
|
Сверлильно-фрезерные
станки
|
2
|
6,4
|
|
9
|
Пресс
|
1
|
12,5
|
|
10
|
Термочечь
|
1
|
9
|
|
11
|
Гильотина
|
1
|
4
|
|
12
|
Пресс-ножницы
|
2
|
4
|
|
13
|
Кузнечный
станок
|
1
|
18
|
|
14
|
Координатно-сверлильные
вертик станки
|
3
|
11
|
|
15
|
Кран балка
|
1
|
5,2
|
|
16
|
Токарный
многоцелевой станок
|
1
|
18
|
|
17
|
Компрессор
|
1
|
4,8
|
|
18
|
Сварочный
аппарат
|
1
|
9
|
|
19
|
Шлифовальный
станок
|
1
|
7,5
|
|
20
|
Наждачный
станок
|
1
|
3
|
2. Расчетная часть
.1 Расчет осветительной нагрузки
Нормы освещенности
В производственных помещениях нормированная освещенность
должна быть на протяжении светового дня, длительностью 8…10 часов. Естественное
освещение обеспечивает только 70% требуемой продолжительности освещения, а в
осенне-зимний период и того меньше. Для обеспечения оптимальной
продолжительности светового дня используют искусственное освещение. [2.69]
Исходя из требований к качеству освещения, а так же
характеристики помещения, выбираем в качестве источника света люминесцентные
лампы.
Для подсобных помещений требуется равномерное освещение.
Выбираем систему общего освещения, т.к. она предназначена для освещения рабочих
поверхностей и всего помещения. [11.78]
Таблица 2.1 - Нормы освещения
|
№ п/п
|
Помещения
|
Плоскость
нормирования освещенности и ее высота от пола, м.
|
Освещенность,
лк.
|
|
1 2 3 4 5 6
|
Производственное
помещение Склад материалов Склад готовой продукции Мастерская Комната отдыха
Эл.щитовая
|
Г - 0,80 Г -
0,00 Г - 0,00 Г - 0,00 Г - 0,00 Г - 0,00
|
300 150 150 200
200 150
|
2.2 Расчет освещения производственного помещения
Расчет освещения рассмотрим на примере
производственного помещения цеха. По СНиП 23-05-95 устанавливается разряд
зрительных работ и норма освещенности. Основными электроприёмниками цеха являются
станки. Работа со станками относится к работам высокой точности - разряд IIIб. Минимальная
освещённость при комбинированном освещении для разряда зрительных работ IIIб составляет 1000 лк. При
этом освещённость от общего освещения в системе комбинированного - 300 лк [2].
Исходные данные:
длина цеха А = 42 м;
ширина цеха В = 28 м;
высота цеха НЦ = 8 м;
напряжение системы освещения UОСВ = 220 В;
коэффициенты отражения
ρПОТ. = 0,5; ρСТ. = 0,5;
ρПОВ. = 0,1;
где ρПОТ., ρСТ., ρПОВ. - коэффициенты отражения
потолка, стен и рабочей поверхности соответственно [11];.
минимальная освещенность для рабочего и аварийного освещения
ЕРАБ = 300 лк; ЕАВ = 15 лк [11].
В процессе эксплуатации осветительной установки освещённость
снижается из-за загрязнения ламп, уменьшения светового потока источников света
в процессе горения и т.д. Поэтому при расчёте мощности источника света, которая
должна гарантировать нормированное значение освещённости на рабочих местах в
течение всего времени эксплуатации осветительной установки, вводится
коэффициент запаса, учитывающий снижение освещённости. Для механического цеха с
нормальной средой и при газоразрядных источниках света по табл. 56.23 [2]
коэффициент запаса КЗ = 1,5.
Для цеха с нормальной средой высотой 8 м целесообразно
использовать металлогалогенные лампы ДРИ со светильниками ГСП-18 [2]. Лампы
включаются через одноламповые пускорегулирующие аппараты (ПРА) с встроенными
конденсаторами, благодаря чему коэффициент мощности повышается до 0,9.
Располагаем светильники в шахматном порядке, при этом с целью снижения
пульсаций светового потока, характерных при использовании этого типа ламп, в
каждой точке устанавливаем по 2 светильника.
Высота подвеса светильников:
HП = НЦ - НС, (2.1)
Где НЦ - высота цеха, м,
HС = 0,7 м - расстояние от светильника до
перекрытия (свес),
HП = 8 - 0,7 = 7,3 м;
расчетная высота:
H = HП - HР, (2.2)
где НР - высота рабочей поверхности над полом, м,
H = 7,3 - 0,8 = 6,5 м.
Далеко не весь поток падает на освещаемую поверхность, т. К.
он частично теряется в светильниках, частью падает на стены и потолок
помещения. Отношение потока, падающего на освещаемую поверхность ко всему
потоку ламп, называется коэффициентом использования КИ. Зависимость
КИ от площади помещения, высоты и формы учитывается индексом
помещения i.
Индекс помещения:
i = A · B / H · (A + B) = 1176 /(6,5 · (42 +28))
= 2,5 (2.3)
при i = 2,5 и rПОТ. = 0,5, rСТ. = 0,5, rПОЛ. = 0,1 имеем КИ
= 0,72 [2].
Средняя фактическая освещённость:

(2.4)
где ФЛ - световой поток одной лампы, лм,
КИ - коэффициент использования осветительной
установки,
КЗ - коэффициент запаса,
n - число светильников,
отсюда, количество светильников в цехе:
(2.5)
принимаем 12 светильников, тогда
(2.6)
Общая установленная мощность рабочего освещения:
ΣРУСТ = n × PЛ =12 × 700=8400 Вт, (2.7)
где PЛ=700 Вт - мощность одной лампы.
КС = 0,95, тогда расчетная мощность рабочего
освещения:
РР.О = 1,1 ∙ 0,95 ∙ 8400 =
8778 Вт,
QР.О = РР × tgφ = 8778 × 0,48 = 4213,44 вар, (2.8)
где tgφ = 0,48 для ламп ДРИ [5].

(2.9)
ВА.
Аварийное освещение составляет 5% от рабочего ЕАВ = 15 лк; КИ=0,72; КЗ=1,3.
Выбираем лампу накаливания Г215-225-500 со светильником НСП-17. Световой поток
лампы ФЛ=8300 лм.
. (2.10)
Принимаем 4 светильников, тогда
ЕСР.Ф.АВ = 16,3 лк > ЕМИН = 15 лк.
Расчет по всем остальным участкам проводится аналогично. Все
расчеты сведены в таблицу 2.2
Таблица 2.2-Результаты расчета осветительной нагрузки
|
Помещение
|
SПОМ, м2
|
ЕМИН,
лк
|
Тип светильника
|
Тип лампы
|
NСВ,
шт.
|
РР,
Вт
|
QР,
Вар
|
SР,
ВА
|
|
Производ.
помещение
|
1176
|
300
|
ГСП-18
|
ДРИ-700
|
12
|
8778
|
4213,4
|
9736,9
|
|
аварийное
|
1176
|
15
|
НСП-17
|
Г215-225-500
|
4
|
2000
|
|
2000
|
|
Склад материалов
|
36
|
150
|
НСП11-100
|
Г215-225-60
|
4
|
240
|
|
240
|
|
Склад готовой
продукции
|
36
|
150
|
НСП11-100
|
Г215-225-60
|
4
|
240
|
|
240
|
|
Мастерская
|
48
|
200
|
LZ236 (IР65)
|
ЛДЦ36
|
4
|
301
|
144,5
|
333,9
|
|
Комната отдыха
|
24
|
200
|
LZ236 (IР65)
|
ЛДЦ36
|
2
|
150,5
|
75,23
|
168,3
|
|
Эл.щитовая
|
24
|
150
|
НСП11-100
|
Г215-225-60
|
2
|
120
|
|
120
|
|
ИТОГО
|
|
|
|
|
|
11829,5
|
4433,1
|
12632,9
|
2.3 Выбор осветительных щитов и место их установки
Питание осветительных установок производится от групповых
щитов освещения. В качестве групповых щитов устанавливаем модульный осветительный
щиток серии ЯОУ8502 с числом
модулей 12.
Для определения токов расцепителей автоматов необходимо
определить расчетные токи каждой из групп. Для определения расчетного тока
необходимо найти расчетную нагрузку. Расчетная нагрузка осветительной сети
определяется по формуле [2], кВт:
Рр= Ру∙Кс, (2.11)
где Ру - установленная мощность, которая
складывается из мощностей всех ламп; Кс - коэффициент спроса, для осветительных
приборов Кс=1 [2]
Расчетный ток трехпроводной (однофазной) линии, А:
, (2.12)
где Uф - фазное напряжение, Uф = 220 В;
соsφ - коэффициент мощности
нагрузки (соsφ = 0,95 для сетей
освещения с люминесцентными лампами, соsφ = 0,98 для ламп накаливания) [2].
Рабочее освещение является основным видом освещения. Оно
предназначено для создания нормальных условий видения в данном помещении.
Для питания осветительной сети используется медный кабель с
количеством жил:
- для осветительных групп - 3 жилы,
для питания щитков освещения - 5 жил.
Выбор марки и сечения кабеля производится по условию нагрева
[2]:
Iдоп > Iр, (2.13)
где Iдоп - длительно допустимый ток проводника, А.
Вся осветительная сеть разбивается на группы.
- Первая группа - рабочее освещение первой линии отделения;
Вторая группа - рабочее освещение второй линии отделения;
- Третья группа - рабочее освещение склада материалов, склада
готовой продукции, мастерской, комнаты отдыха, раздевалки;
Четвертая группа - розеточная группа.
Необходимо также рассчитать и аварийное освещение. В качестве
аварийного освещения используют светильники рабочего освещения.
Рассчитаем сечение проводов осветительной сети на 220 В.
По расчетному току определяем сечение кабеля для питания
осветительной группы.
Выбираем кабель марки ВВГ 3 х 1,5, по табл. 12-3 [11]
Iдоп = 19 А
А > 16,7А
Выполняем проверку выбранного кабеля по потере напряжения.
Выбранный кабель должен удовлетворять условию [2]:
ΔU < 2%,
где ΔU - потеря напряжения.
Потеря напряжения определяется по таблице 12-19 [2] в
зависимости от сечения проводника и момента.
Момент нагрузки, кВт∙м:
М = ∑Рi · Li, (2.14)
где Р - мощность ламп, кВт; L - приведенная длина
проводника
Рисунок 2.1 - Определение моментов нагрузки
Определяем момент группы, кВт∙м:
М = Р1 ∙ L1 + Р2 ∙
(L1+ L2) + Р3 ∙
(L1+ L2 + L3) = 0,288 ∙ 16,7 +
0,144 ∙ (16,7 + 3,3) + 0,816 ∙ (16,7 + 3,3 + 19,7) = 40 кВт∙м
По найденному моменту и сечению проводника находим потерю
напряжения по таблице 12-19 [2], %
ΔU = 0,8% < 2%
Выбраный провод удовлетворяет условиям по потере напряжения.
Для питания осветительного первого щита выбираем кабель марки
ВВГ5х6 мм2 по таблице 12-3 [2].
Для уменьшения пульсаций и создания равномерного освещения
при отключении групповых линий люминесцентные лампы присоединяются поочерёдно к
разным фазам по схеме А - В-С.
Определим расчетную мощность на щитке освещения: [2]
Рр 1 = 11,83кВт, коэффициент мощности 0,95
Ток расчетный: Iр1 = 18,83А.
Ввод в щиток освещения осуществляется кабелем ВРГ. Сечение
кабеля выбирается по длительно допустимому току.
I расч ≤ I доп
,83А < 32А
Ввод в первый щиток освещения выполняется кабелем ВРГ 5 × 4 мм2.
2.4 Расчет силовой сети
Выбор проводников линий цеховых электрических сетей и
распределительных устройств
Выбор типа проводки, способа ее выполнения, а также марок
провода и кабеля определяется характером окружающей среды, размещением
технологического оборудования и источников питания в цехе и другими
показателями.
Цеховые сети делят на питающие, которые отходят от источника
питания (подстанции), и распределительные, к которым присоединяются
электроприемники. Схемы электрических сетей могут выполняться радиальными и
магистральными. Учитывая особенности радиальных и магистральных сетей, обычно
применяют смешанные схемы электрических сетей в зависимости от характера
производства, условий окружающей среды и т.д.
Осветительные нагрузки цеха при радиальных схемах силовой
сети питаются отдельными линиями от щитов подстанций; при магистральных схемах
и схемах подстанций, выполненных по системе блока «трансформатор-магистраль», -
от головных участков магистралей.
Расчет внутренних электросиловых сетей сводится к выбору:
сечения проводников силовой сети, пускозащитной аппаратуры, силового шкафа.
Электрические нагрузки характеризуются расчетным током.
Внутрицеховые сети условно делят на питающие и
распределительные. Под питающими сетями понимают сети, отходящие
непосредственно от распределительных устройств подстанций к первичным силовым
пунктам и щитам.
Сечение провода также должно быть согласовано с защитой, с
тем, чтобы при протекании по проводнику тока, нагревающего его выше допустимой
температуры, проводник был отключен аппаратом защиты. Сечения проводников
выбираются согласно ПУЭ по длительно допустимому току нагрузки [7].
Iдл.доп ≥ Iрасч. (2.15)
где Iрасч. - расчётный ток участка сети, А.
За расчетные токи токоприемников принимаются их номинальные
токи. Вся силовая нагрузка распределена между силовыми пунктами. В таблице 4.1
представлен перечень силового оборудования по силовым пунктам.
Таблица 2.3 - Силовое оборудование цеха
|
№ п/п
|
Наименование ЭП
|
n
|
Ру,
кВт
|
cosφ
|
Iр A
|
|
|
|
одного
|
Σ
|
|
|
|
ПР-1
|
|
|
|
|
|
|
1
|
Токарно-револьверные
многоцелевые станки
|
2
|
10
|
20
|
0,85
|
17,79
|
|
2
|
Сверлильно-фрезерные
станки
|
2
|
6,4
|
12,8
|
0,76
|
12,8
|
|
3
|
Токарные станки
с ЧПУ
|
2
|
9,2
|
18,4
|
0,81
|
17,3
|
|
итого
|
6
|
6,4-10
|
0,813
|
95,8
|
|
ПР-2
|
|
|
|
|
|
|
1
|
Кран балка
|
1
|
5,2
|
5,2
|
0,8
|
9,9
|
|
2
|
Фрезерные
станки с ЧПУ
|
2
|
8
|
16
|
0,84
|
14,5
|
|
3
|
Ножницы по
металлу
|
2
|
9,2
|
18,4
|
0,85
|
16,5
|
|
4
|
Координатно-сверлильные
горизон станки
|
2
|
12,5
|
25
|
0,88
|
21,6
|
|
итого
|
7
|
5,2-12,5
|
64,6
|
0,86
|
114,9
|
|
ПР-3
|
|
|
|
|
|
|
1
|
Сверлильно-фрезерные
станки
|
2
|
6,4
|
12,8
|
0,82
|
11,9
|
|
2
|
Пресс
|
1
|
12,5
|
12,5
|
0,88
|
21,6
|
|
3
|
Термопечь
|
1
|
9
|
9
|
0,89
|
15,4
|
|
4
|
Гильотина
|
1
|
4
|
4
|
0,8
|
7,6
|
|
итого
|
5
|
4-12,5
|
38,3
|
0,85
|
68,2
|
|
ПР-4
|
|
|
|
|
|
|
1
|
Пресс ножницы
|
2
|
4
|
8
|
0,88
|
6,9
|
|
2
|
Кузнечный
станок
|
1
|
18
|
18
|
0,87
|
31,5
|
|
3
|
Координатно-сверлильные
станки
|
3
|
11
|
33
|
0,86
|
19,5
|
|
4
|
Кран балка
|
1
|
5,2
|
5,2
|
0,8
|
9,9
|
|
итого
|
7
|
4-18
|
64,2
|
0,86
|
113,5
|
|
ПР-5
|
|
|
|
|
|
|
1
|
Токарные
многоцелевые станки
|
1
|
18
|
18
|
0,87
|
31,5
|
|
2
|
Компрессор
|
1
|
4,8
|
4,8
|
0,81
|
9,01
|
|
3
|
Сварочный
аппарат
|
1
|
9
|
9
|
0,85
|
16,1
|
|
4
|
Шлифовальный
станок
|
1
|
7,5
|
7,5
|
0,8
|
14,3
|
|
5
|
Наждачный
станок
|
1
|
3
|
3
|
0,78
|
5,9
|
|
итого
|
5
|
3-18
|
42,3
|
0,84
|
76,6
|
|
|
|
|
|
|
|
|
Силовое оборудование цеха
Токарно-револьверные многоцелевые станки:
Pн = 10 кВт, Iн = 17,79 А
Выбирается кабель марки ВВГ (5 х 4)
Iдл.доп =32 А
32 А > 17,79 условие выполняется.
Сверлильно-фрезерные станки:
Pн = 6,4 кВт, Iн = 12,74 А
Выбирается кабель марки ВВГ (4 х 2,5)
Iдл.доп = 25 А
А > 12,74 А, условие выполняется.
Токарные станки с ЧПУ:
Pн = 9,2 кВт, Iн = 17,18 А
Выбирается кабель марки ВВГ (5 х 4)
Iдл.доп = 32 А
32 А > 17,18 А, условие выполняется.
Способ прокладки силовой проводки выполняется в трубах.
Для самого удаленного токоприемника проверяем выбранный
провод по потери напряжения:
ΔUдоп=2%.
ΔU%=Р L/(С· S); (2.16)
где С - постоянный коэффициент для данного провода.
Коэффициент зависит от напряжения, числа фаз и материала провода. Для меди
С=77.длина участка сети,
Р - мощность токоприемника,сечение провода.
Самый удаленный токоприемник Токарные многоцелевые прутковопатронные модули
L=25 м, S=6мм2
ΔU% = Р L/С· S = 18· 25/(77·6) = 0,97%. (2.17)
% > 0,97%, условие выполняется.
Результаты расчетов представлены в таблице 2.4.
Таблица 2.4 - Внутрицеховые сети
|
№ п/п
|
Наименование ЭП
|
Ру,
кВт
|
Iр A
|
Iдоп
A
|
Марка и сечение
проводников
|
|
ПР-1
|
|
|
|
|
|
1
|
Токарно-револьверные
многоцелевые станки
|
10
|
17,79
|
25
|
ВВГ (5х2,5)
|
|
2
|
Сверлильно-фрезерные
станки
|
6,4
|
12,8
|
25
|
ВВГ (5х2,5)
|
|
3
|
Токарные станки
с ЧПУ
|
9,2
|
17,3
|
25
|
ВВГ (5х2,5)
|
|
До ПР-1
|
51,2
|
95,8
|
115
|
ВВГ(5х35)
|
|
ПР-2
|
|
|
|
|
|
1
|
Кран балка
|
5,2
|
9,9
|
25
|
ВВГ (5х2,5)
|
|
2
|
Фрезерные
станки с ЧПУ
|
8
|
14,5
|
25
|
ВВГ (5х2,5)
|
|
3
|
Ножницы по
металлу
|
9,2
|
16,5
|
25
|
ВВГ (5х2,5)
|
|
4
|
Координатно-сверлильные
горизон станки
|
12,5
|
21,6
|
25
|
ВВГ (5х2,5)
|
|
До ПР-2
|
64,6
|
114,9
|
150
|
ВВГ(5х50)
|
|
ПР-3
|
|
|
|
|
|
1
|
Сверлильно-фрезерные
станки
|
6,4
|
11,9
|
25
|
ВВГ (5х2,5)
|
|
2
|
Пресс
|
12,5
|
21,6
|
25
|
ВВГ (5х2,5)
|
|
3
|
Термопечь
|
9
|
15,4
|
25
|
ВВГ (5х2,5)
|
|
4
|
Гильотина
|
4
|
7,6
|
25
|
ВВГ (5х2,5)
|
|
До ПР-3
|
38,3
|
68,2
|
75
|
ВВГ(5х16)
|
|
ПР-4
|
|
|
|
|
|
1
|
Пресс ножницы
|
4
|
6,9
|
25
|
ВВГ (5х2,5)
|
|
2
|
Кузнечный
станок
|
18
|
31,5
|
50
|
ВВГ(5х10)
|
|
3
|
Координатно-сверлильные
станки
|
11
|
19,5
|
25
|
ВВГ (5х2,5)
|
|
4
|
Кран балка
|
5,2
|
9,9
|
25
|
ВВГ (5х2,5)
|
|
До ПР4
|
64,2
|
113,5
|
150
|
ВВГ(5х50)
|
|
ПР-5
|
|
|
|
|
|
1
|
Токарные
многоцелевые станки
|
18
|
31,5
|
50
|
ВВГ(5х10)
|
|
2
|
Компрессор
|
4,8
|
9,01
|
25
|
ВВГ (5х2,5)
|
|
3
|
Сварочный
аппарат
|
9
|
16,1
|
25
|
ВВГ (5х2,5)
|
|
4
|
Шлифовальный
станок
|
7,5
|
14,3
|
25
|
ВВГ (5х2,5)
|
|
5
|
Наждачный
станок
|
3
|
5,9
|
25
|
ВВГ (5х2,5)
|
|
До ПР-5
|
42,3
|
76,6
|
90
|
ВВГ(5х25)
|
|
|
|
|
|
|
|
2.5 Схема внутрицехового распределения
электроэнергии
электроэнергия осветительный силовой
Схемы сетей для внутрицехового распределения электроэнергии
должны выполняться с учетом обеспечения необходимой степени надежности питания
электроприемников, наглядности, удобства и безопасности эксплуатации.
Пускозащитная аппаратура должна соответствовать мощности и
характеристике двигателей. Не допускается использовать завышенную по мощности
пускозащитную аппаратуру во избежание увеличения коммутационных перенапряжений.
Если для пуска двигателя и защиты его от перегрузки установить магнитный
пускатель с тепловым реле, то ответвления к двигателю должно быть защищено
предохранителем или автоматическим выключателем с тепловым и электромагнитным
расцепителем с целью защиты от короткого замыкания.
Магнитные пускатели предназначены главным образом для
дистанционного управления асинхронными электродвигателями (ЭД) с
короткозамкнутым ротором до 100 кВт; для пуска непосредственным подключением к
сети. В исполнении с тепловым реле пускатели также защищают управляемый
электродвигатель от перегрузки. Магнитный пускатель
представляет собой трехполюсный контактор переменного тока с
прямоходовой магнитной системой, в который дополнительно встроены два тепловых
реле защиты, включенных последовательно в две фазы цепи ЭД. Для двигателей с
номинальным током до 40 А включительно следует применять пускатели серии ПМЛ,
для двигателей на 63 А и более - пускатели серии ПМА [4].
Электромагнитные пускатели выбирают:
- по номинальному
напряжению,
- по номинальному току,
- по току нагревательного элемента теплового
реле,
- по напряжению втягивающей катушке.
Токарно-револьверные многоцелевые станки:
Pн = 10 кВт, Iн = 17,79 А
Выбираем магнитный пускатель ПМЛ 2300002 Iн.мп = 25 А,
Uн = 380 В.
Условия выполняются 25 А ≥ 17,79 А; 380 В = 380 В.
Номинальный ток нагревательных элементов тепловых реле Iн.р
= 21,5 А, условие выполняется Iн.р.
≥ Iн.дв. 21,5 А ≥ 17,79 А.
Сверлильно-фрезерные станки:
Pн = 6,4 кВт, Iн = 12,74 А
Условия выполняются 25 А ≥ 12,74 А; 380 В = 380 В.
Номинальный ток нагревательных элементов тепловых реле Iн.р
= 15 А, условие выполняется Iн.р.
≥ Iн.дв. 14А ≥ 12,74 А.
Токарные станки с ЧПУ:
Pн = 9,2 кВт, Iн = 17,18 А
Выбираем магнитный пускатель ПМЛ 2300002 Iн.мп = 25 А,
Uн = 380 В.
Условия выполняются 25 А ≥ 17,18 А; 380 В = 380 В.
Номинальный ток нагревательных элементов тепловых реле Iн.р
= 21,5 А, условие выполняется Iн.р.
≥ Iн.дв. 21,5 А ≥ 17,18 А.
Для остальных электроприемников расчет производится
аналогично. Результаты выбора представлены в таблице 2.5.
Таблица 2.5 - Пускозащитная аппаратура
|
№ п/п
|
Наименование
узлов питания и групп ЭП
|
Ру,
кВт
|
Iр A
|
Iн.р
А
|
ПЗА
|
|
ПР-1
|
|
|
|
|
|
1
|
Токарно-револьверные
многоцелевые станки
|
10
|
17,79
|
21,5
|
ПМЛ 2300002В
|
|
2
|
Сверлильно-фрезерные
станки
|
6,4
|
12,8
|
14
|
ПМЛ 2300002В
|
|
3
|
Токарные станки
с ЧПУ
|
9,2
|
17,3
|
21,5
|
ПМЛ
2300002В
|
|
ПР-2
|
|
|
|
|
|
1
|
Кран балка
|
5,2
|
9,9
|
12
|
ПМЛ
1220002В
|
|
2
|
Фрезерные
станки с ЧПУ
|
8
|
14,5
|
|
комплект
|
|
3
|
Ножницы по
металлу
|
9,2
|
16,5
|
|
комплект
|
|
4
|
Координатно-сверлильные
горизон станки
|
12,5
|
21,6
|
25
|
ПМЛ
2300002В
|
|
ПР-3
|
|
|
|
|
|
1
|
Сверлильно-фрезерные
станки
|
6,4
|
11,9
|
14
|
ПМЛ
2300002В
|
|
2
|
Пресс
|
12,5
|
21,6
|
25
|
ПМЛ
2300002В
|
|
3
|
Термопечь
|
9
|
15,4
|
|
комплект
|
|
4
|
Гильотина
|
4
|
7,6
|
12
|
ПМЛ
122000В
|
|
ПР-4
|
|
|
|
|
|
1
|
Пресс ножницы
|
4
|
6,9
|
12
|
ПМЛ
122000В
|
|
2
|
Кузнечный
станок
|
18
|
31,5
|
|
Комплект
|
|
3
|
Координатно-сверлильные
станки
|
11
|
19,5
|
|
Комплект
|
|
4
|
Кран балка
|
5,2
|
9,9
|
|
комплект
|
|
ПР-5
|
|
|
|
|
|
1
|
Токарные
многоцелевые станки
|
18
|
31,5
|
|
комплект
|
|
2
|
Компрессор
|
4,8
|
9,01
|
12
|
ПМЛ
1220002В
|
|
3
|
Сварочный
аппарат
|
9
|
16,1
|
25
|
ПМЛ
2300002В
|
|
4
|
Шлифовальный
станок
|
7,5
|
14,3
|
21,5
|
ПМЛ
2220002В
|
|
5
|
Наждачный
станок
|
3
|
5,9
|
12
|
ПМЛ
13220002В
|
2.6 Выбор распределительных пунктов
Для приема и распределения электроэнергии к группам
потребителей трехфазного переменного тока промышленной частоты напряжением 380
В применяют силовые распределительные шкафы и пункты. Для распределения электроэнергии
и защиты электрических сетей от токов короткого замыкания применяют
распределительные шкафы (пункты) с плавкими предохранителями или
автоматическими выключателями.
В качестве распределительного устройства для питания
электроприёмников могут применяться распределительные шкафы серии ШР11 или
серии ПР8501 и ПР8701, которые предназначены для распределения электроэнергии и служат
для защиты силовых и осветительных сетей напряжением 380 В [4].
В шкафы ПР8501 и ПР8701 встраиваются выключатели без свободных
контактов и дистанционных расцепителей. Вводные выключатели снабжены ручным
приводом, рукоятка которого выведена на лицевую сторону шкафа для управления
при закрытой дверце. Рукоятка может запираться. Верхняя и нижняя крышки
съемные, вводные отверстия для проводников выполняются при монтаже. Ввод
проводников, а алюминиевой и медной жилами в шкафы допускается с любой
изоляцией как сверху, так и снизу, при этом ввод кабелей с бумажной изоляцией
допускается только снизу. Присоединение жил проводников к зажимам
обеспечивается без пайки и наконечников. Распределительные шкафы располагают в
наиболее удобном для обслуживания месте в электрощитовой.
Принимаем к установке распределительный пункт ПР8501.
Номинальный ток устройств 400 А. Номинальный рабочий режим - продолжительный.
Всю аппаратуру выбираем, ориентируясь на максимальный ток ПР
и на ток двигателя (условия Iм< Iн, (Iн.а.); Iдв< Iн.а., (Iнр)).
Выбираем ток уставки вводного выключателя ПР 1. Выключателем
на вводе ВА 51-31. Ру = 51,2кВт, Iр = 93,3 А
ВА 51-31 Iн.а = 100 А Ку.тр=1,25 Iоткл =25кА
Iн.р = 100 А Ку.эмр=10
Выбираем ток уставки вводного выключателя ПР 2. Выключателем
на вводе ВА 51-37. Ру = 64,6кВт, Iр = 116 А
ВА 51-37 Iн.а = 160 А Ку.тр=1,25 Iоткл =25кА
Iн.р = 160 А Ку.эмр=10
Выбираем ток уставки вводного выключателя ПР 3. Выключателем
на вводе ВА 51-37. Ру = 38,3кВт, Iр = 68,2 А
ВА 51-37 Iн.а = 160 А Ку.тр=1,25 Iоткл =25кА
Iн.р = 160 А Ку.эмр=10
Выбор автоматических выключателей на каждый электроприемник:
Токарно-револьверные многоцелевые станки:
Pн = 10 кВт, Iн = 17,79 А
Выбираем автомат марки ВА 51 - 25
ВА 51 - 25 Iн.а = 25 А Ку.тр = 1,25 Iоткл = 5 кА
Iн.р = 21,5 А Ку.эмр = 12
Сверлильно-фрезерные станки:
Pн = 6,4 кВт, Iн = 12,74 А
Выбираем автомат марки ВА 51 - 25
ВА 51 - 25 Iн.а = 25 А Ку.тр = 1,25 Iоткл = 5 кА
Iн.р = 16 А Ку.эмр = 12
Токарные станки с ЧПУ с повышенной точностью:
Pн = 9,2 кВт, Iн = 17,18 А
Выбираем автомат марки ВА 51 - 25
ВА 51 - 25 Iн.а = 25 А Ку.тр = 1,25 Iоткл = 5 кА
Iн.р = 21,5 А Ку.эмр = 12
Выбор тока уставки для автоматических
выключателей на
каждый электроприемник производится аналогично и результаты расчетов приведены
в таблице 2.4.
В качестве вводного устройства примем РУСМ.
РУСМ предназначено для приема и учета электрической энергии
напряжением 380/220В трехфазного переменного тока частотой 50 гц в сетях с
глухо-заземленной нейтралью, для защиты линий при перегрузках и коротких
замыканиях. Учет электроэнергии осуществляется приборами учета, установленными
в электрощитовой на вводно-распределительных панелях.
Номинальный ток 250А.
Количество и номинальный ток вводного аппарата 1 х 400А.
Произведем расчет установленной мощности:
ПР 1
Руст = ΣРн, кВт (2.18)
Руст = Рн1 + Рн2 + Рн3
+ … (2.19)
Руст == 10 + 10 + 6,4 + 6,4 + 9,2 + 9,2 = 51,2кВт
Определим расчетную мощность, кВт: Рр = ΣРр
где Рр - расчетная мощность каждой установки, кВт
Так как все электроприемники работают в течение максимума
нагрузки, расчетную мощность нагрузки определяем по формуле:
Рр = Рн ∙ Кс
где Кс - коэффициент спроса, характеризующий
среднюю вероятность одновременного включения токоприемников, [4]; для станков
0,6.
Ррасч = 0,6· (10 + 10 + 6,4 + 6,4 + 9,2 + 9,2) =
30,72кВт
Таблица 2.6 - Защитная аппаратура
|
№
|
Наименование
узлов питания и групп ЭП
|
Ру,
кВт
|
Iр A
|
Тип авт выключ
|
Iн.а/Iт.р
А
|
|
ПР-1
|
|
|
|
|
|
1
|
Токарно-револьверные
многоцелевые станки
|
10
|
17,79
|
ВА51-25
|
25
|
|
2
|
Сверлильно-фрезерные
станки
|
6,4
|
12,8
|
ВА51-25
|
16
|
|
3
|
Токарные станки
с ЧПУ
|
9,2
|
17,3
|
ВА51-25
|
25
|
|
|
51,2
|
95,8
|
ВА51-31 Г
|
100
|
|
ПР-2
|
|
|
|
|
|
1
|
Кран балка
|
5,2
|
9,9
|
ВА51-25
|
16
|
|
2
|
Фрезерные
станки с ЧПУ
|
8
|
14,5
|
ВА51-25
|
16
|
|
3
|
Ножницы по
металлу
|
9,2
|
16,5
|
ВА51-25
|
25
|
|
4
|
Координатно-сверлильные
горизон станки
|
12,5
|
21,6
|
ВА51-25
|
25
|
|
|
64,6
|
114,9
|
ВА51-37 Г
|
160
|
|
ПР-3
|
|
|
|
|
|
1
|
Сверлильно-фрезерные
станки
|
6,4
|
11,9
|
ВА51-25
|
25
|
|
2
|
Пресс
|
12,5
|
21,6
|
ВА51-25
|
25
|
|
3
|
Термопечь
|
9
|
15,4
|
ВА51-25
|
16
|
|
4
|
Гильотина
|
4
|
7,6
|
ВА51-25
|
16
|
|
|
38,3
|
68,2
|
ВА51-31 Г
|
80
|
|
ПР-4
|
|
|
|
|
|
1
|
Пресс ножницы
|
4
|
6,9
|
ВА51-25
|
16
|
|
2
|
Кузнечный
станок
|
18
|
31,5
|
ВА51-31 Г
|
40
|
|
3
|
Координатно-сверлильные
станки
|
11
|
19,5
|
ВА51-25
|
25
|
|
4
|
Кран балка
|
5,2
|
9,9
|
ВА51-25
|
16
|
|
|
64,2
|
113,5
|
ВА51-37
|
160
|
|
ПР-5
|
|
|
|
|
|
1
|
Токарные
многоцелевые станки
|
18
|
31,5
|
ВА51-31 Г
|
40
|
|
2
|
Компрессор
|
4,8
|
9,01
|
ВА51-25
|
16
|
|
3
|
Сварочный
аппарат
|
9
|
16,1
|
ВА51-25
|
25
|
|
4
|
Шлифовальный
станок
|
7,5
|
14,3
|
ВА51-25
|
16
|
|
5
|
Наждачный
станок
|
3
|
5,9
|
ВА51-25
|
16
|
|
|
42,3
|
76,6
|
ВА51-31 Г
|
80
|
Находим расчетный ток, А:
(2.20)
где Uн - номинальное напряжение, В
соsφ ср - средневзвешенное
значение коэффициента мощности.
(2.21)
Находим расчетный ток
А (2.22)
Аналогично производим расчет для всех силовых шкафов.
(таблица 2.7)
Таблица 2.7 - Расчетная мощность силовых шкафов
|
Наименование
узлов питания
|
Установленная
мощность, кВт
|
Расчетная
мощность, кВт
|
соsφ ср
|
Расчетный ток,
А
|
|
ПР-1
|
51,2
|
30,72
|
0,813
|
|
ПР-2
|
64,6
|
38,76
|
0,86
|
68, 6
|
|
ПР-3
|
38,3
|
22,98
|
0,85
|
41,1
|
|
ПР-4
|
64,2
|
38,52
|
0,86
|
68,1
|
|
ПР-5
|
42,3
|
25,38
|
0,84
|
45,9
|
|
Силовая на
вводе
|
260,6
|
156,36
|
0,85
|
281,1
|
|
Освещение
|
11,83
|
11,83
|
0,95
|
18,83
|
|
Общая на вводе
|
272,43
|
168,19
|
0,85
|
299,46
|
На промышленных предприятиях интенсивно используются
электрические сети напряжением до тысячи вольт и к ним подключено большинство
потребителей реактивной мощности.
Нужно иметь в виду, что из-за передачи в сети низкого
напряжения реактивной мощности необходимо увеличивать сечения проводов и
кабелей, тем более, что потребители удалены на большие расстояния от источников
питания - значит неминуемо повышение мощности силовых трансформаторов, а это в
свою очередь ведет к повышению потерь активной и реактивной мощности.
Затраты на эти потери, а также на расход материалов можно
существенно уменьшить, если произвести компенсирование реактивной мощности
непосредственно в сети низкого напряжения.
Нормативный коэффициент мощности cosjном = 0,95, следовательно tgjном = 0,33 [5].
Определим коэффициент нагрузки цеха (на напряжение 0,4кВ)jср = 0,85
Коэффициент мощности нагрузки цеха не превышает 0,9, поэтому
в компенсации реактивной мощности есть необходимости.
Необходимая мощность конденсаторной установки находится из
выражения:
Qку = Ррaс · (tgφр -
tgφтр), квар, (2.23)
где Qку - мощность компенсирующей установки (квар);
Ррас - активная расчётная мощность;
tgφр - расчётный tgφ = 0,57; (
= 0,854)
tgφтр - требуемый 0,33 (
= 0,95).
Рассчитывается конденсаторная мощность:
Qку = 168,19 ∙ (0,57 - 0,33) = 40,37 квар.
Для компенсации реактивной мощности выбраны две конденсаторные
установки марки УКЛН - 0,38-20-36 УЗ, (Qку =20 квар) [5].
С учетом компенсации реактивной мощности
определим расчетный ток на вводе в здание:
А (2.24)
По длительно допустимому току выбираем кабель ввода ААШв (4 х
185) длительно допустимый ток 279 А.
2.7 Расчет заземления
Основными потребителями электроэнергии в здании завода
являются электродвигатели станков.
Предполагается сооружение заземлителя с внешней стороны
здания с расположением вертикальных электродов по периметру.
Сопротивление ЗУ должно быть не более 4Ом, т.е.
, (2.25)
поэтому принимаем наименьшее сопротивление ЗУ при общем
заземлении 10 Ом.
В качестве заземлителя всего оборудования, находящегося в
цеху принимаем прямой стержень круглого сечения размерами d = 0.012 м, расположенный
вертикально. [11].
Определим сопротивление одного стержневого заземлителя длиной
L=2 м, d=0,012 м. с заложением вершины на
глубину 0,7 м, в однородном суглинистом грунте в районе с коэффициентом сезона
Кс=1,6. [8].
(2.26)
где ρр - расчетное значение удельного
сопротивления грунта, грунт - суглинок, удельное сопротивление грунта
=100 Ом·м, климатическая зона - 2.
ρр= ρ × Кс=100 × 1,6=160 Ом ×м;
tc - расстояние от поверхности земли до
середины стержня. tc=1.2 м. Определим число стержней [13]:
Ом (2.27)
шт. (2.28)
Принимаем число стержней 8, расстояние между ними 3 м. Тогда
длина горизонтальной полосы равна Lп = 8 ×3 = 24 м. Сопротивление
заземления горизонтальной полосы, расположенной на ребре на глубине 0,7 м от
поверхности определим по формуле[13]:
(2.29)
где ρр - расчетное значение
удельного сопротивления грунта,
ρр= ρ × Кс=100 × 2,2 =220 Ом ×м. [13]
Ом (2.30)
Сопротивление заземляющего устройства, состоящего из
вертикальных стержневых электродов и соединяющих их стержней того же диаметра
(горизонтального электрода), будет равно:
, (2.31)
где
,
- коэффициент использования горизонтальных и вертикальных
стержневых электродов группового заземлителя, [13].
Ом. (2.32)
Условие
Ом выполняется, следовательно число и
длина стержневых заземлителей выбрана правильно.
Таким образом, искусственное заземлиение подстанций выполнено
из горизонтальных пересекающихся стержневых электродов общей длиной не менее 60
м и вертикальных стержневых электродов в количестве 20 шт., диаметром 12 мм и
длиной 2 м, размещенных по периметру цеха по возможности равномерно, т.е. на
одинаковом расстоянии один от другого. Глубина погружения электродов в землю
0,7 м.
У силовых трансформаторов с глухозаземленной нейтралью
вторичной обмотки напряжением до 1000В нейтраль должна соединятся с
заземлителем отдельным проводником.
2.8 Проверка эффективности действия зануления
Цех
запитывается от ТП-10/0,4-400 кВА.
Для проверки действия защитного зануления необходимо
определить ток короткого однофазного замыкания, равного току замыкания на
корпус самого удаленного электроприемника. Наиболее удаленным является
электродвигатель станка точильный многоцелевой станок Рн = 18кВт
Составим схему замещения для расчета тока однофазного
короткого замыкания.
Рисунок 2.2 - Схема замещения для расчета тока однофазного
короткого замыкания
Ток однофазного короткого замыкания: [13]
Uн
Ik
=_________________
Zт/3+√(Rф+Rн)2+Xп2
где Zт/3 - сопротивление трансформатора ТП току
однофазного короткого замыкания, 0,043Ом;
Rф, Rн - активное сопротивление фазного и нулевого
проводников,
Xп - внешнее индуктивное сопротивление петли
проводников «фаза-нуль», удельное внешнее индуктивное сопротивление петли
проводников принимается равным 0,6Ом/км
Первым участком силовой цепи, согласно рисунка 6.1, является
кабельная линия от трансформаторной подстанции. ААШВ(4х185), L1=50 м:
(2.33)
Второй участок - силовой кабель ВВГ(5х10), L2=10 м
(2.29)
А
Защита электродвигателя сработает при выполнении условия:
к(1) ³ 1,25 × Iмр,
где Iм.р - ток мгновенного срабатывания автоматического
выключателя.
Защита электродвигателя сработает при выполнении условия:
Iк(1) ≥ 1,25 · Iм.р,
где Iм.р - ток мгновенного срабатывания расцепителя автомата.
ВА51-37 Г. Iн.а = 100А, Iт.р = 40А,
Iм.р = 4000А,
Условия выполняются: 400 · 1,25 = 500 А.
А < 2160,57А
К=
> 1,25
Следовательно,
действие защитного зануления при замыкании на корпус электродвигателя
эффективно. Автоматический выключатель сработает и отключит данный двигатель.
3.
Схема управления кран-балкой
Подвесные электротележки (электрифицированные тали, тельферы
и кран-балки) применяют для подъема и перемещения грузов и деталей машин при
монтажных и ремонтных работах внутри производственных помещений. Кран-балки
меньше мостовых кранов, что сокращает размеры промышленных зданий, а их
обслуживание не требует квалифицированного персонала.
Подвесные электротележки предназначены для подъема и
перемещения грузов на производственных объектах по строго определенному пути.
Для привода механизма подъема груза со скоростью 6,5 - 6,9
м/с применяется асинхронный двигатель с повышенным скольжением типа АОС-32-4М
(мощность 1,4 кВт при 1320 об/мин и ПВ = 25%). Движение крюка вверх
ограничивается конечным выключателем.
Для привода ходовой тележки электроталиприменен асинхронный
электродвигатель типа ТЭМ - 0,25 (мощность 0,25 кВт при 1410
об/мин и ПВ = 25%) Передвижение тали по балке в обе стороны ограничивают
механические упоры.
Кран-балка может перемещаться вдоль производственного
помещения, приводимая в движение электродвигателем с короткозамкнутым или
фазным ротором. Мост кран-балки, имеющий механизм перемещения с
электроприводом, выполнен в виде одной балки, по которой движется ходовая
электротележка.
Для привода подвесных электротележек применяются трехфазные
асинхронные двигатели с короткозамкнутым ротором и лишь при большой
грузоподъемности и необходимости регулирования скорости и плавной «посадки»
грузов - асинхронные двигатели с фазным ротором.
Из-за отсутствия низкой скорости, необходимой для плавной
посадки грузов или точной остановки кран-балки, рабочему приходится
периодически включать и отключать электродвигатели, а это увеличивает число
включений и вызывает нагрев обмоток, а также снижает износостойкость контактов.
Поэтому на некоторых кран-балках имеются электроприводы подъема и передвижения
с двумя рабочими скоростями: номинальной и пониженной, которые обеспечиваются
использованием двухскоростных асинхронных двигателей вместо односкоростных или
дополнительного микроривода.
Подвесными электротележками с небольшой скоростью перемещения
(0,2 - 0,5 м/с), имеющими привод от двигателей с короткозамкнутым ротором,
обычно управляют с уровня пола (земли) при помощи подвесных кнопочных станций.
В подвесных тележках и кран-балках с кабиной для оператора (при скорости движения
0,8 - 1,5 м/с) двигателями с фазным ротором управляют с помощью контроллеров.
Электродвигателями кран-балок управляют при помощи
реверсивных магнитных пускателей и пусковых кнопок, подвешиваемых на гибком
бронированном кабеле.
Напряжение к катушкам и контактам контакторов подъема КМ1
(рис. 4), спуска КМ2, передвижения вперед КМЗ и назад КМ4 подводится через
автоматический выключатель и кабель или контактные провода. Движение подъемного
устройства вверх ограничивает конечный выключатель SQ.
Рисунок 3.1 Схема электрическая принципиальная кран-балки
Блокировка реверсивных контакторов двигателей от
одновременного включения осуществляется двухцепными кнопками и механической
блокировкой самих контакторов (или размыкающими блок-контактами контакторов).
На электроталях и кран-балках не применяют шунтирование
пусковых кнопок соответствующими замыкающими блокировочными контактами
контакторов, предотвращая вероятность продолжения работы тали после отпускания
оператором подвесной кнопочной станции. Одновременно с двигателем подъема
включается электромагнит УА, размыкающий тормоз.
Режим работы двигателей подвесных кран-балок зависит от их
назначения. Если грузы перемещают к мостовым кранам на небольшие расстояния, то
двигатели работают в позорно-кратковременном режиме (например, у тележек,
обслуживающих участки цехов или складов).
Для кран-балок транспортирующих грузы по территории завода на
относительно большие расстояния, режимы работы двигателей подъема и перемещения
различны: для первых характерен кратковременный режим, для вторых - длительный.
Мощность двигателей подъема и перемещения электроталей, тельферов и кран-балок
определяется так же, как для двигателей механизмов мостовых кранов.
Предусмотрены модификации крана с различной длинной пролета,
высотой подъема крюка и грузоподъемности изделия. При этом пролет крана может
варьироваться от 4,5 до 22,5 м. и более.
Зона обслуживания крана позволяет охватить максимальную
высоту цеха; Простота конструкции кран-балки позволяет использовать ее для
механизации погрузочно-разгрузочных работ в машиностроительном производстве и
складском хозяйстве.
Кран-балка предназначена для эксплуатации в помещениях или
под навесом при температуре окружающей среды от -20 до +40 град С (от -40 до
+40 град С по согласованию с заказчиком). Питание крана осуществляется от
трехфазной сети переменного тока напряжением 380 В и частотой 50 Гц.
Строительная высота крана зависит от строительной высоты тельфера и высоты
металлоконструкции крана.
Управление производится оператором, с подвесного пульта (с
пола) или пульта дистанционного управления Дополнительные опции:
Радиоуправление до 100 м, IP65, легкое, питание от аккумуляторов.
Преобразователем частоты для плавного разгона и возможности изменения скорости
транспортировки груза Ограничитель грузоподъемности (на тали). Тормоз на
механизме передвижения Микроскорости на подъем (в зависимости от выбранной
тали)
Технические характеристики
Грузоподъемность, т 1; 2; 3,2; 5; 10; 12.5; 16.0т.
Высота подъема, м 6.0 - 36.0 и выше
Пролет, м 4.5-22.5
Режим работы по: - ГОСТ 25835 3M
Скорость подъема, м/мин (в зависимости от выбора тали)
микр./осн. 4, 6, 8, 12,16
/4; 2/8; 3/12; 4/16
Скорость передвижения крана, м/мин 20.0; 24.0; 32.0
произвольная скорость (0-32.0)
Скорость передвижения тали, м/мин
(в зависимости от выбора тали) 12; 15; 20; 32;
/4; 15/5; 20/6; 32/10
Климатическое исполнение:
стандартное
низкотемпературное
от -20C до +40C
от -40С до +40C
Рабочий цикл крана мостового опорного и подвесного состоит из
трёх этапов:
Захват и / или закрепление груза;
Основной рабочий ход - подъем, перемещение груза, разгрузка;
Свободный холостой ход без нагрузки - возврат подъёмного
механизма в исходное положение.
Рабочий и холостой ход на графиках перемещения имеют три
основных характерных участка: начало работы (разгон), ровное движение и
постепенное торможение. В этом случае, очень важны места начала разгона и
окончания торможения, поскольку в этих стадиях работы крана и проявляются
повышенные динамические нагрузки на узлы и компоненты металлоконструкций
мостовых кранов.
Для снижения отрицательного воздействия на крановые
механизмы, мы всегда советуем заказчикам дополнительно оснащать кран балки и
мостовые краны частотными преобразователями хода. Особенно к этому
чувствительны опорные и подвесные кран балки большой грузоподъёмности длинных
крановых пролётов. Ресурс работы кран балок с применением частотных регуляторов
может продлеваться в разы.
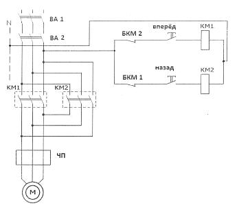
Рисунок 3.2 Электрическая схема управления кран-балкой (частотный
регулятор)
Таблица 3.1 - Перечень элементов электрической схемы
|
№ на схеме
|
Наименование
|
|
ВА1
|
Автомат питания
ЕКF ВА47-63
|
|
ВА2
|
Автомат питания ЕКF
ВА47-63
|
|
КМ1
|
Пускатель КМЭ
1810
|
|
КМ2
|
Пускатель КМЭ
1810
|
|
ЧП
|
Частотный
преобразователь N700E
|
4. Технико-экономическое обоснование проекта
.1 Определение степени эффективности
Задача технико-экономического обоснования проекта состоит
прежде всего в определении прибыли данного проекта и не только прибыли, но
эффективности, т.е. достижения максимального эффекта при заданных затратах
максимального эффекта при минимальных затратах.
Для удачного вложения капитала необходимо четко формулировать
цели и разработать планы для снижения их достижения. Как правило, начало нового
проекта означает в будущем снижение наличности, отклонение других проектов,
переподготовку персонала, неуверенность в будущем нового проекта.
При этом процедура формирования бюджета капитальных вложений
включает:
·
Стратегические
планы движения компании в будущее, включая тщательный анализ имеющихся ресурсов
и как их можно изменить в нужном направлении,
·
Назначение
ответственных лиц на организованный поиск будущих проектов,
·
Ежегодное
выделение средств, как для одобрение проектов, так и для тех, которые могут
появиться неожиданно,
·
Использования
методов, учитывающих влияние времени, налогов, инфляции на приток денежных
средств в будущем,
·
Использование
показателей, позволяющих учесть степень риска, ассоциирующуюся с тем или иным
проектом, а также проверка чувствительности оценочных показателей к изменению
входных данных,
·
Документальное
оформление данного проекта,
·
Организационная
система контроля за расходованием бюджета, выделенного на проект и притоком
денежных средств при его реализации,
·
Проведение
аудита на соответствие проекта тому, что получается в действительности.
В основу расчетов положен метод сравнения двух вариантов
технического решения. Критерием экономической эффективности в данном случае
является минимум приведенных затрат и срок окупаемости.
Минимум приведенных затрат определяется по формуле:
Зпр = Ен ∙ К + Собщ.
(4.1)
где Ен - нормативный коэффициент окупаемость
капиталовложений, величина обратная нормативного сроку окупаемости Ен
=1/Тп; К - капиталовложения, тен.; Собщ - сумма годовых
эксплутационных затрат, тен.
Капитальные вложения - это затраты на расширение
воспроизводства основных производственных фондов.
Капитальные вложения являются важнейшим экономическим
показателем, так как непосредственно характеризуют, во что обходится создание
новых сооружений электроснабжения.
Капиталовложения в себя затраты на строительно - монтажные
работы, приобретение оборудования, транспортных средств и инвентаря и прочие
виды подготовительных работ, связанных со строительством, то есть капитальные
затраты равны сметной стоимости строительного объекта.
В состав капитальных вложений входят затраты:
- Стоимость оборудования и
материалов, тенге;
- Стоимость монтажных работ, тенге;
- Транспортно-складские расходы, применяются
в размере 6,5% от стоимости оборудования и материалов;
- Плановые накопления в размере 6%;
- Неучтенные расходы в размере 7% от общих
затрат.
В проекте производится сравнение двух вариантов управления
электроприводом.
-ый вариант - Существующая система защиты электродвигателя
-ой вариант - Проектируемая система управления
электродвигателя.
-ый вариант
Капитальные вложения:
- Стоимость оборудования и
материалов - 1090 тыс. тенге;
- Стоимость монтажных работ - 610 тыс тенге;
- Транспортно-складские расходы - 70,85 тыс
тенге;
- Плановые накопления -106,25 тыс тенге
- Неучтенные расходы - 131,4 тыс тенге.
К1 = 1090+610+70,85+106,25+131,4=2008,5 тыс тенге.
-ой вариант
- Стоимость оборудования и
материалов - 1985 тыс. тенге;
- Стоимость монтажных работ - 1107 тыс
тенге;
- Транспортно-складские расходы - 199,6 тыс
тенге;
- Плановые накопления -212,6 тыс тенге
- Неучтенные расходы - 243,8 тыс тенге.
К2 = 1965+1107+199,6+212,6+243,8=3728 тыс тенге.
В годовые эксплуатационные затраты входят:
− Заработная плата с начислениями для обслуживающего
персонала;
− Стоимость потребляемой электроэнергии и теплоты;
− Ежегодные отчисления на амортизацию и текущий ремонт;
− Затраты на вспомогательные материалы;
Общие эксплуатационные затраты определяются по формуле:
Собщ = Са + Ср + Сэ +
Сз + Сн (4.2)
где Са и Ср - Ежегодные отчисления на амортизацию
и текущий ремонт;
Са + Ср =(Ра+Рр)∙К/100,
(4.3)
где Ра и Рр - годные нормы отчисления
на амортизацию и текущий ремонт, Ра =20%; Рр = 12%.
Сэ - Стоимость потребляемой электроэнергии;
Сэ = Р ∙ Т ∙ kн ∙ Цэ,
(4.4)
где Р - мощность электроустановки, кВт; Т - годовое число
работы электроустановки, час; kн - коэффициент использования
установки; Цэ - стоимость 1кВт∙ ч электроэнергии, 4,8 тенге.
Сз - годовая заработная плата обслуживающего
персонала.
Сз = n ∙ Тр ∙ rс
+ Нс, (4.5)
где n - число работников, чел.; Тр - время,
затрачиваемое на обслуживание установки, час; rс - часовая ставка
работников, 556 тенге; Нс - соц отчисления.
Сн - Затраты на вспомогательные материалы, 1% от
общих эксплуатационных затрат.
Эксплуатационные затраты:
-ый вариант.
Са + Ср =(Ра+Рр)∙К/100
= 602,55 тыс тенге.
Сэ = Р ∙ Т ∙ kн ∙ Цэ=4,8
∙ 5781 ∙ 0,9 ∙ 0,01 = 259,7 тыс тенге
Р = 4,8 тенге Т = 5781 час, kн = 0,9, Цэ
= 0,01 тыс тенге/кВт.
Сз = n ∙ Тр ∙ rс
+ Нс= 1 ∙ 882 ∙ 0,556 + 21,58 = 512 тыс тенге,
=1; Тр = 882 чса; rс = 556 тенге; Нс
= 21,58 тыс тенге.
Сн =0,01 ∙ 10530,16 = 105,3 тыс тенге
Ст = 9361,5 тыс тенге
С1 = 602,55 + 259,7 + 512 + 105,3 + 9361,5 =
10841,1 тыс тенге.
-ой вариант.
Са + Ср =(Ра+Рр)∙К/100
= (12+18) ∙3728 = 1118,4 тыс тенге.
Сэ = Р ∙ Т ∙ kн ∙ Цэ=
4,8 ∙ 5781 ∙ 0,9 ∙ 0,01 = 259,7 тыс тенге
Р = 4,8 тенге Т = 5781 час, kн = 0,9, Цэ
= 0,01 тыс тенге/кВт.
Сз = n ∙ Тр ∙ rс
+ Нс= 1 ∙ 517 ∙ 0,556 + 12,65 = 300 тыс тенге,
=1; Тр = 517 чса; rс = 556 тенге; Нс
= 21,58 тыс тенге.
Сн =0,01 ∙ 9454,4 = 94,5 тыс тенге
Ст = 7957 тыс тенге
С2 = 1118,4 + 259,7 + 300 + 94,5 + 7957 = 9729,6
тыс тенге.
Экономическая эффективность определяется при сравнении 2-х
вариантов путем определения срока окупаемости капитальных вложений.
Ток =
, лет (4.6)
Приведенные затраты:
-ый вариант
Зпр 1 = Ен ∙ К1 + Собщ.1
= 0,15 ∙ 2008,5 + 10841,1 = 11142,33 тыс тенге.
-ой вариант
Зпр 2 = Ен ∙ К2 + Собщ.2
= 0,15 ∙ 3728 + 9729,6 = 102,89 тыс тенге.
Анализ расчетных данных
Данные расчетов затрат по вариантам сведены в таблицу 4.1
Таблица 4.1 - Сравнение затрат по вариантам
|
№
|
Наименование
затрат
|
Затраты по
вариантам
|
Сравнение
|
|
|
1
|
2
|
|
|
1
|
Капитальные
вложения
|
2008,5
|
3728
|
-1719,5
|
|
2
|
Эксплутационные
затраты
|
10841,05
|
9729,6
|
1111,45
|
|
3
|
Приведенные
затраты
|
11142,325
|
10288,8
|
853,525
|
В таблице 10.1 видно, что приведенные затраты по проектному
варианту ниже, чем по базовому.
Срок окупаемости дополнительных капиталовложений составляет:
Ток =
года.
Ток норм = 1/Ен = 1/0,15 = 6,6
лет - нормированный срок окупаемости.
Таким образом, на основании технико-экономических расчетов
принимаем проектируемый вариант. Экономические показатели приведены на листе
графической части.
Заключение
В данном дипломном проекте рассмотрена технология
производства на предприятии. Произведен расчет и выбор системы освещения в
производственных и вспомогательных помещениях.
В разделе расчет силовой нагрузки произведен расчет расчетных
токов электроприемников и выбраны сечение и марка проводников, пускозащитная
аппаратура, распределительные силовые пункты.
В разделе охрана труда рассмотрены вопросы техники
безопасности, противопожарная безопасность, произведен расчет повторного зануления
и заземления.
Рассмотрены вопросы охраны окружающей среды, представлены
нормы предельно допустимой концентрации вредных веществ.
Основной целью технико-экономических расчетов является
определение оптимального варианта. В проекте производится сравнение двух
вариантов управления электроприводом.
-ый вариант - Существующая система защиты электродвигателя
-ой вариант - проектируемая система управления
электродвигателя.
Выбор второго варианта по экономическим и техническим
соображениям более рационален.
Список использованной литературы
1. Послание
Президента РК к народу Казахстана от 29.01.2012 г.
2. Ю.М.
Жилинский, В.Д. Кулин. Электрическое освещение и облучение - М: Колос, 1982 г.
. И.И.
Мартыненко, П.П. Тищенко. Курсовое и дипломное проектирование по комплексной
электрификации и автоматизации - М: Колос, 1978 г. - 220 с.
. Применение
электрической энергии в сельскохозяйственном производстве. Справочник под ред.
П.И. Листова - М: Колос, 1989 г. - 271 с.
. А.Н.
Басов, А.Т. Шаповалов, С.А. Кожевников. Основы электропривода и автоматическое
управление электроприводом ВСХ - М: Колос, 1972 г. - 344 с.
. Справочник
по проектированию электросетей в сельской местности. Под редакцией П.А. Каткова
- Н: Энергия, 1980 - 350 с.
. Справочная
книга для проектирования электрического освещения. Под редакцией Т.М. Кноринга
- М: Энергия, 1976 г. - 384 с.
. Луковников
А.В. Охрана труда. 5-е изд., перераб. и доп. - М.: Колос, 1984 - 288 с.
9.
В.М. Блок. Пособие к курсовому и дипломному проектированию для
электроэнергетических специальностей вузов. - М.: Высш. шк., 1990. - 383 с.:
ил.
.
Б.А. Князевский, Б.Ю. Липкин. Электроснабжение промышленных предприятий:
Учебник для студентов вузов. - М.: Высш. шк., 1986. - 400 с.: ил.
11.
Микропроцессоры и микропроцессорные комплекты интегральных микросхем.
Справочник. / Под ред. В.А. Шахнова. - М.: «Радио и связь», 1988.
.
Микропроцессоры, архитектура и проектирование микро-ЭВМ. Организация
вычислительных процессов. - М.: Высшая школа, 1986.
.
Микропроцессоры. Средства сопряжения. Контролирующие и
информационно-управляющие системы. / Под ред. Л.Н. Преснухина. - М.: Высшая
школа, 1986.
.
Микропроцессоры. В 3-х книгах. Учеб. для ВТУЗов. / Под ред. Л.Н. Преснухина.
М.: Высшая школа, 1986.