Использование приспособлений в обслуживании автомобиля
Аннотация
Выпускная квалификационная работа (ВКР) на тему «Использование
приспособлений в обслуживании автомобиля» выполнена студентом 5 курса, группы
АА-09-03 Ковалевым Павлом Андреевичем.
В работе приведен обзор существующих видов подъемных механизмов,
рассмотрены их различные разновидности. Основное внимание уделено домкратам и
стоечным подъемникам.
Проведен анализ существующих одно- и многостоечных автомобильных
подъемников, их технические характеристики, область применения, достоинства и
недостатки. Особое внимание уделено автоподъемнику П-97 МК Лидер.
В третьей части ВКР разработан план - конспект занятия по теме «Подъемные
механизмы» для среднего профессионального образования.
Исполнитель: П.А. Ковалев
Введение
Актуальность дипломной работы заключается в том, что сегодня нельзя найти
авторизованной автосервис, который бы не использовал автоподъёмник в качестве
вспомогательного оборудования. Хотя данный вид техники относится к весьма
дорогостоящим, но без него нельзя обойтись. На сегодняшний день существует
широчайший выбор автоподъёмников различной грузоподъёмности, мобильности и
функционала. Важнейшее значение играют автомобильные подъёмники, обеспечивающее
эффективную работу автосервиса. По-настоящему трудно представить себе
автосервис без подъёмников, основная задача которых - вертикальное и
горизонтальное перемещение транспортного средства, для проведения диагностики
нижней полости автомобиля или же ремонта отдельных элементов автомобиля.
При подготовке студентов в средних профессиональных организациях по
специальностям автомобильной направленности вопросы подъема автомобилей
рассматриваются в контексте проведения работ по техническому обслуживанию и
ремонту. Однако анализ учебных планов позволяет говорить о недостаточном
количестве часов выделяемых подъемным механизмам. Таким образом возникает
проблема между необходимостью достаточно серьезного изучения подъемных
механизмов при подготовке специалистов автомобильных специальностей в системе
СПО и недостатком отведенного времени на их изучение. Выявленная проблема
позволила сформулировать тему исследования "Использование приспособлений в
обслуживании автомобиля".
Целью выпускной квалификационной работы является анализ существующих
видов подъемных механизмов, обзор их характеристик и разработка плана-конспекта
учебного занятия для студентов СПО.
Объект исследования: подъемные механизмы.
Предмет исследования: двухстоечный автомобильный подъемник.
Для решения поставленной цели в рамках ВКР были решены следующие задачи:
изучение видов, принципов работы и основных характеристик
подъемных механизмов,
комплексное изучение и расчеты отдельно взятого подъемника,
разработка плана-конспекта учебного занятия.
Глава 1.
Подъемные механизмы
.1
Оборудование для подъема автомобилей
.1.1
Автомобильные подъемники
Автомобильные подъемники - это необходимое оборудование в работе любого
автосервиса, с помощью которого поднимают автомобиль на необходимую высоту для
осмотра или ремонта. Подъемник позволяет проводить слесарные работы, связанные
с вывешиванием колес, с диагностикой и ремонтом трансмиссии или выхлопной
системой автомобиля. В некоторых случаях (если требуется доступ снизу)
подъемники просто незаменимы при работе с электропроводкой или двигателем
автомобиля из-за особенностей компоновки подкапотного пространства.
Еще один из плюсов такого оборудования состоит в том, что ремонт на
автомобильном подъемнике производится с максимальным удобством и с
использованием любого авто-инструмента. Ведь именно использование
автоподъемников создаст все оптимальные условия для осмотра и ремонта
автомобиля. Детали и узлы машины на подъемнике будут хорошо видны даже при
естественном освещении.
На текущий момент уже очевидно, что автоподъемник в работе автосервиса не
может заменить ни одна смотровая яма. Подъемники для автосервиса - это один из
наиболее востребованных видов гаражного оборудования, необходимого для
проведения ремонта и технического обслуживания автомобилей. Без преувеличения
можно сказать, что среди всего оборудования для автосервиса именно
автомобильные подъемники являются объектом «первой необходимости».
Для правильного выбора подъёмника необходимо знать его основные
характеристики и какие типы работ будут выполняться.
К основным характеристикам подъёмника можно отнести:
грузоподъемность,
скорость подъема,
высота подъема,
клиренс,
тип конструкции подъемника.
Грузоподъемность автомобильного подъемника определяется массой
автомобиля, которую он может безопасно поднять. Для легковых автомобилей -это
масса составляет обычно от 1,5 до 5-ти тонн.
Скорость подъема отличается незначительно для устройств разных типов и
составляет от 30 секунд до минуты. Электромеханические подъемники обладают
большей скоростью подъема.
Высота подъема автомобиля обычно не превышает два метра. Общая высота
подъемника в среднем не превышает 3,5 - 3,7 метра. Необходимость подъема на
большую высоту возникает редко, но при обслуживании автомобилей с высокой
крышей все же актуальна будет высота подъемника в пределах 4 - 4,2 метра.
Существуют специальные подъемники для шиномонтажных работ (как стационарные,
так и мобильные) с небольшой высотой подъема.
Клиренс - минимальная высота опускания лап при установке. В основном этот
параметр находится в пределах 95-110 мм, но есть специальные низкопрофильные
подъемники, где клиренс составляет 75-90 мм - актуально для автомобилей с
низким обвесом.
Тип подъемника характеризует, как именно работает подъемный механизм.
Кроме того, он определяет, каким образом машина крепится на подъемнике.
По конструкции опорных элементов автомобильные подъемники бывают:
стоечные,
ножничные,
плунжерные,
канавные,
специальные подъемники.
По типу привода подъемники делятся:
электромеханические,
электрогидравлические,
ручные гидравлические,
пневмогидравлические,
пневматические.
По типу установки:
стационарные,
передвижные.
По грузоподъемности, кг:
1800,
2000,
2200,
2500 и др.
По типу поднимающих устройств:
цепные,
винтовые,
телескопические,
рычажные.
По типу подхватывающих устройств:
платформенные,
рамные,
консольные.
Стационарные подъемники монтируются на определенном месте, чаще всего без
специального фундамента, на ровную поверхность пола и крепятся с помощью
анкерных болтов или специальных шпилек. Если подъемник телескопический (в том
числе плужерный), то для его монтажа требуется специальный фундамент.
К передвижным относятся подъемники, у которых перемещаются стойки.
Основным преимуществом передвижных подъемников является их мобильность -
возможность использования поочередно на различных постах и в различных
технологических зонах предприятия. Передвижные стойки могут использоваться в
основе одной, двух, трех и более штук. В этом случае каждая стойка имеет свой
индивидуальный привод и пульт управления.
Для обслуживания легковых автомобилей на станциях технического
обслуживания в основном используются подъемники грузоподъемностью до двух тонн.
Доступ к обслуживаемым на подъемнике узлам и агрегатам поднятого
автомобиля зависит от конструкции подхватывающих устройств. Наибольший доступ к
узлам и агрегатов автомобиля снизу обеспечивают подъемники с подхватывающим
устройством в виде четырех поворотных консольных рычагов. С таким
подхватывающим устройством выполнены одно- и двух-стоечные подъемники.
Используются такие подъемники в зоне приемки и выдачи, технического
обслуживания и ремонта, а также на участке проведения работ по ремонту кузовов.
Подъемники с подхватывающим устройством в виде поперечных балок(рамные)
выпускаются одно- и двух-плунжерными. Используются они в зонах мойки, на постах
нанесения противокоррозионных покрытий, в зоне технического обслуживания и
ремонта.
Подъемник платформенного типа (ширина направляющих платформы подъемника
достигает 700-800 мм) выпускаются четырехстоечными с электрогидравлическим или
электромеханическим приводом. Используются такие подъемники чаще всего на
участке смазки, в зоне технического обслуживания и ремонта. Для расширения
объема проводимых работ подъемники дополнительно комплектуются вспомогательным
оборудованием (балками, домкратами и др.).
Что касается требований по технике безопасности, то эти требования
направлены, в основном, на предотвращение падения платформы и на электрическую
безопасность. Повышенные требования по безопасности предъявляются к передвижным
автоподъемникам, а также к подъемникам, работающим вне помещений.
Разные типы автомобильных подъемников отличаются частотой обслуживания.
При эксплуатации электромеханических устройств необходимо ежедневно осматривать
зазор страховочной гайки. Если этот зазор мал, то необходим срочный ремонт
подъемного механизма и замена изношенных частей. Смазка трущихся частей
большинства дешевых моделей подъемников осуществляется вручную. Смазка трущихся
частей более дорогих подъемников происходит автоматически.
В процессе эксплуатации именно электромеханические подъемники требуют к
себе наибольшего внимания. В этих подъемниках конструктивно заложена
необходимость постоянного обслуживания трущихся деталей. Если «гидравлика» еще
может простить небрежность в обслуживании, то механика тут же отвечает на это
ускоренным износом, пары «винт-гайка», шкивов и приводных ремней. Основной
рабочий узел подъемника винтовая пара - требуют постоянной смазки. В то же
время наличие смазки на колоннах не добавляет эстетики внешнему виду подъемника
и способствует быстрому накоплению грязи, которая при налипании на трущиеся
детали становится отличным абразивным материалом и способствует ускоренному
износу трущихся деталей и узлов. Ремонт электромеханического подъемника -
занятие крайне трудоемкое и дорогое. К примеру, в случае износа рабочей гайки
стойку приходится демонтировать. Сервисные инженеры автосервисного оборудования
уверяют, что проще и дешевле установить новый электрогидравлический подъемник,
чем отремонтировать такую поломку. Гидравлические подъемники, независимо от их
модели и производителя, требуют куда меньше внимания со стороны работников
автосервиса. И, тем не менее, некоторые правила их эксплуатации стоит изучить.
К автомобильным подъемникам относятся домкраты, стоечные подъемники.
Любой автомобильный подъемник, как и любой грузоподъемный механизм, имеет
технические характеристики, которые обязательно необходимо учитывать при выборе
подъемника для решения комплекса необходимых технических задач.
К техническим характеристикам подъемников относятся:
грузоподъемность,
масса автомобильного подъемника,
потребляемая мощность электродвигателей,
максимальная высота подъема автомобилей,
время подъема до максимальной высоты при максимальной нагрузке,
минимальное расстояние от пола до верхней части лапы подъемника,
геометрические габаритные размеры подъемника.
1.1.2
Домкраты
Домкраты предназначены для подъема и опускания автомобилей на небольшую
высоту.
Характеристики домкратов:
. Грузоподъемность, т.е. вес, который может поднять домкрат.
Обозначается в килограммах или тоннах. При выборе домкрата выбирается
грузоподъемность не менее чем половина веса автомобиля в снаряженном состоянии.
. Минимальная высота подхвата - это расстояние между опорой и
опорной площадкой домкрата, находящейся в нижней рабочей точке. Чем ниже такая
высота тем лучше, но, зачастую, от нее зависит и максимальная высота. Здесь
необходимо найти оптимальные соотношения, когда домкрат без труда можно
установить под площадку для поднятия автомобиля, при этом максимальная высота
будет обеспечивать гарантированный подъем (вывешивание) элементов подвески
автомобиля.
. Высота подъема или рабочий ход - это расстояние от нижнего
положения рабочей поверхности домкрата до верхнего положения.
. Вес домкрата и его мобильность.
. Усилие на приводной ручке - это усилие, которое необходимо
приложить, для поднятия груза на необходимую высоту. Зависит от типа домкрата и
от количества циклов обеспечивающих полное поднятие.
Типы домкратов
Гидравлические домкраты
Рисунок 1 - Гидравлический домкрат
На рисунке 1 представлен типичный гидравлический домкрат. Принцип работы
этого типа домкратов заключается в том, что рабочая жидкость (гидравлическое
масло), перекачивается из одной емкости в другую, тем самым создавая давление
на поршень, который поднимается вверх. К гидравлическим домкратам относится
традиционный вертикальный «бутылочный» домкрат. Достоинствами гидравлических
домкратов является использование несжимаемого рабочего компонента -
гидравлического масла - что позволяет плавно и точно производить подъем груза.
Усилие на ручке гидравлического домкрата требуемое для поднятия автомобиля как
правило одно из самых низких, если сравнивать с другими типами домкратов.
Рисунок 2 - Подкатный домкрат
К гидравлическим домкратам относится и подкатной домкрат (рис. 2).
Принцип работы тот же самый, но элементы домкрата расположены несколько
по-другому.
Достоинства у этой разновидности домкратов такие же, как и у всех
гидравлических, кроме того, его очень легко установить под автомобиль, так как
он выполнен на колесиках.
Недостатком подкатных домкратов является необходимость в достаточно
ровной поверхности, чтобы подкатить домкрат под машину.
Рисунок 3 - Пневматические домкраты
В пневматических домкратах (рис. 3) в качестве рабочего тела используется
воздух. Принцип работы пневматических домкратов основан на нагнетании насосом
воздуха в баллон с эластичными, но крепкими стенками. Баллон изменяет свой
объем и при этом поднимает груз, а клапан после его закрытия сдерживает
давление воздуха внутри баллона.
К достоинствам пневматического домкрата можно отнести большую площадь
опоры и небольшую высоту подхвата.
К недостаткам относится трудность удержания постоянного давления в теле
домкрата, соответственно, - удержание фиксированной высоты подъема. Кроме того,
для домкрата необходим насос (как правило стационарный), что лишает его
мобильности.
Ограниченный срок службы домкрата, за счет применения незаменимых, в
данном случае, эластичных материалов для изготовления баллона, значительно
уступающих по времени жизненному циклу металла. Используется пневматический
домкрат, как правило, так же, как и подкатные домкраты - на СТО, шиномонтаже, а
также в аварийных ситуациях и при спасательных работах.
Рисунок 4 - Винтовые домкраты
Принцип действия винтового домкрата (рис. 4) заключается в том, что на
винте шарнирно закреплено плечо подхвата. Вращая винт в ту или иную стороны,
происходит подъем или опускание груза.
К винтовым домкратам относятся ромбовидные домкраты. Именно этим типом
домкратов, в настоящее время, оснащается основная масса автомобилей.
К достоинствам винтовых домкратов следует отнести простоту конструкции
(не используются рабочее тело в виде масла или воздуха), компактность,
небольшой вес, удобство в работе, невысокая цена, малая высота подхвата. Не
применяются мягкие уплотняющие элементы.
К недостаткам относится небольшая грузоподъемность, необходимость смазки
винта и шарниров, и слежение за отсутствием посторонних частиц - грязи на
винте.
1.1.3
Стоечные автомобильные подъемники
Основную нагрузку стоечных автомобильных подъемников несет на себе
стальная вертикальная стойка. Нижняя часть подъемника, которая обеспечивает
устойчивость конструкции, монтируется обычно анкерными болтами в бетонный пол.
На боковой стороне подъемника расположен электромеханический или
электрогидравлический подъемный механизм и крепления (подхваты). Существуют
также передвижные версии стоечных подъемников.
В зависимости от количества стоек различают подъемники:
одностоечные,
двухстоечные,
четырехстоечные.
Рисунок 5 - Одностоечный подъемник
Одностоечный подъемник - универсальное мобильное средство подъема,
отличается простотой конструкции и дешевизной по сравнению с многостоечными
подъемниками. Одностоечный подъемник изображен на рисунке 5. Применяется в
небольших автосервисах и гаражах. Существуют стационарные и передвижные
одностоечные подъемники.
Стационарные подъемники могут поднимать массу до двух т, а передвижные -
до 250 кг. Одновременно, синхронно, можно использовать до четырех мобильных
подъемников. При этом эффективность их работы увеличится. Подъем автомобиля
осуществляется за колеса или за пороги. Автомобиль поднимается либо с одной,
либо с двух сторон (это зависит от количества подъемников).
Одностоечные подъемники находят применение на мойках и для обработки
днища. Их применяют на СТО (антикоррозийная обработка кузова) и на пунктах
шиномонтажа.
Рисунок 6 - Двухстоечный подъемник
Двухстоечный подъемник - самый распространенный тип автомобильных
подъемников в автосервисе (рис. 6), применяется при проведении осмотра,
ремонта, а также технического обслуживания автомобилей. Подъемники такого типа
не имеют платформу, что позволяет оставлять шасси автомобиля в подвешенном
состоянии.
Грузоподъёмность подъемников варьируется в пределах от двух до восьми
тонн. Чаще всего на автомобильных сервисах используется двухстоечный подъемник,
имеющий грузоподъемность до пяти тонн и раздвижные лапы.
В зависимости от развесовки различают:
симметричные,
асимметричные.
При выборе двухстоечного подъемника для автосервиса нужно обратить
внимание на следующие технические характеристики: высота до перекладины,
расстояние между колонами, длина лап, минимальная высота опускания лап
(клиренс).
Рисунок 7 - Четырехстоечный подъемник
Четырехстоечный подъемник (рис. 7) обычно используют для обслуживания
автомобилей, а также для контроля углов установки колес и их регулировки
(развал-схождение). Подъемник имеет четыре стойки, которые попарно связаны
трапами (двумя продольными платформами). Привод у четырехстоечных подъемников
может быть гидравлический или электромеханический.
Рисунок 8 - Ножничные подъемники
Ножничные подъемники (рис. 8) применяют для подъема автомобилей при
техническом обслуживании и ремонте, а также при регулировке положения различных
узлов (углы установки подвески и колес). Преимуществом этих подъемников
является возможность установки их в уровень с полом. За счет конструкции,
которая позволяет находиться в сложенном положении, ножничные подъемники
занимают мало места. Подъемники имеют гидравлический привод, что обеспечивает
бесшумность, плавность хода и долговечность работы. Это позволяет проводить
диагностику и ремонт подвески, а также ремонт рулевого управления. Существуют
портативные версии ножничных гидравлических подъемников. Они применяются для
оперативного техобслуживания вне помещений. Эти подъемники могут иметь чисто
гидравлический механизм подъема не требующий электричества. Автомобильные
ножничные подъемники способны поднимать вес до пяти тонн. Их основным
недостатком является высокая стоимость.
Рисунок 9 - Плунжерные подъемники
Плунжерные подъемники (рис. 9) предназначены для технического
обслуживания и ремонта легковых автомобилей.
В зависимости от количества плунжеров они бывают:
одноплунжерными,
двухплунжерными,
четырехплунжерными.
Плунжерные подъёмники бывают также платформенные и оснащены
"лапами". Существуют подъёмники напольного монтажа. Наиболее
распространены плунжерные подъемники с заглублением в пол, что позволяет более
рационально использовать рабочие площади.
Несущие элементы размещены на верхних торцах поршней (плунжеров) гидравлических
цилиндров, установленных вертикально. Такая конструктивная схема обеспечивает
возможность проведения работ по обслуживанию автомобиля с беспрепятственным
подходом к нему со всех сторон.
Плюсы плунжерных подъемников:
высокая надёжность,
удобство эксплуатации,
плавность хода,
бесшумная работа,
полный доступ,
компактность конструкции,
наличие широкого модельного ряда подъемников с различным,
количеством плунжеров.
К специальным можно отнести подъемники для шиномонтажа, для кузовного
ремонта.
Рисунок 10 - Шиномонтажный подъемник
Рисунок 11 - Канавные подъемники
Шиномонтажный подъемник - это специализированный автомобильный
платформенный подъемник, предназначенный для замены колес (рис. 10). Подъемники
имеют ножничную конструкцию и различаются по типу привода. Они бывают с
пневматическим, электрогидравлическим и электромеханическим приводом.
Шиномонтажные подъемники используют для выполнения различных работ в случаях,
когда нужно поднять автомобиль на небольшую высоту (шиномонтаж, покраска, рихтовка
и др.). Они очень просты в монтаже, не требуют значительных расходов на
техническое обслуживание.
Канавные автомобильные подъемники (рис. 11) предназначены для вывешивания
над осмотровой канавой передних, задних мостов автомобилей. Устанавливаются на
канаву или платформенный подъемник на внутренние поверхности швеллеров. Высокая
универсальность обеспечивается сменными подхватами для различных видов работ.
Изготавливаются под ширину осмотровой канавы заказчика.
1.1.4
Классификация автомобильных подъемников по типу привода
Автомобильные подъемники по типу привода делятся на:
электрогидравлический,
гидравлический,
электромеханический,
пневматический.
В настоящее время наибольшее применение нашли электрогидравлические
подъемники, имеющие ряд преимуществ перед электромеханическими:
отсутствие быстро изнашивающихся механических частей,
надежность,
плавность хода,
низкий шум,
меньшее потребление электроэнергии,
упрощенное техобслуживание,
возможность легко опустить автомобиль.
Эти подъемники имеют дополнительные механические опоры, что повышает
уровень их безопасности. Электрогидравлические автомобильные подъемники имеют
один электродвигатель с гидравлическим насосом и, как правило, два
гидравлических цилиндра. Для передачи гидравлической жидкости применяются
гидравлические шланги. Для синхронизации высоты подъема используют стальные
тросы. Гидравлический шланг и стальные тросы могут быть протянуты по полу
(используется специальный защитный металлический профиль), или в перекладине
над стойками. В последнем случае пол остается ровным. Это облегчает въезд и
выезд автомобиля, а также повышает удобство работы.
Автомобильные подъемники, имеющие электромеханический привод, не требуют
наличия дополнительных стопоров, которые служат для предотвращения аварийных
ситуаций и падения автомобиля. Электромеханические подъемники могут иметь один
или два электродвигателя.
Если подъемник оборудован одним двигателем, то усилие от колонны, имеющей
электродвигатель, передается ко второй колонне при помощи ременной или цепной
передачи. Особо следует отметить подъемники, которые имеют привод через
трансмиссионный вал. Этот тип подъемников наиболее надежен и не требует
ежедневного ухода, в отличие от подъемников с ременной и цепной передачами. Для
управления работой двухмоторных подъемников применяется электронная
синхронизация. Электромеханические автомобильные подъемники обычно имеют
меньшую цену.
Автомобильный подъемник с гидравлическим приводом
Основным назначением гидравлического привода является: создание на
приводе зажимного механизма исходной силы , необходимой для зажима заготовки
силой. Кроме этого гидравлические приводы используют для механизации и
автоматизации приемов загрузки и выгрузки заготовок, поворота приспособления,
включения и выключения станка, удаления стружки, транспортирования деталей.
Достоинства:
возможность позиционирования исполнительных органов с высокой
точностью,
- простота и легкость управления,
- плавность и бесшумность работы,
- высокое давление масла в гидросистеме,
способность работать при частых реверсах,
масло выполняет функции смазки.
Недостатки:
высокая первоначальная стоимость,
- повышенные требования к эксплуатации.
Структура:
- нагнетательная аппаратура,
гидродвигатель,
система управления,
распределительные и предохранительные устройства,
трубопровод.
Подъемники автомобильные с электромеханическим приводом
Достоинством автомобильных подъемников с электромеханическим приводом до
сих пор является небольшая стоимость, позволяющая воспользоваться самый
экономичным вариантом оснащения автосервиса, и безусловная простота
конструкции. Главный рабочий механизм данных подъемников - это пара винт-гайка
и она требует с себе повышенного внимания и периодичности обслуживания.
Автомобильные подъемники с пневматическим приводом
Тип автомобильного подъемника с пневматическим приводом - это в основном
ножничные или пантографные подъемники. Отличием от гидравлических автомобильных
подъемников, является подъем платформы за счет давления воздуха, что
значительно увеличивает скорость поднятия автомобиля. Подъемники
предназначаются для использования на различных станциях технического
обслуживания и шиномонтажных сервисах.
При помощи подъемной платформы можно вывешивать всю ходовую часть
автомобиля и обслуживать все колесные узлы автомобиля одновременно. Применение
ножничного автомобильного подъемника на автосервисах позволяет проводить как
мелкий ремонт ходовой, так и серьезные работы. В конструкции автомобильного
ножничного подъемника обязательно предусмотрен предохранительный стопор.
Подъемник ножничный монтируется на твердой подготовленной поверхности: бетонном
или асфальтовом ровном полу в необходимом месте.
1.2 Обзор
существующих моделей автомобильных подъемников
Одностоечный подъемник SMART LIFT 1.20 S
Одностоечный подъемник ( рис .12) для обслуживания автомобилей в условиях
ограниченного пространства.
Рисунок 12 - Одностоечный подъемник
Особенности:
· одностоечный подъемник с основанием ,
· полный доступ к автомобилю с одной
стороны,
· электромеханический привод с одним
двигателем и винтом,
· управление с пульта, встроенного в
стойку,
· несущая гайка из долговечного
материала,
· малошумная работа,
· минимальные требования к фундаменту.
Таблица
1 - Одностоечный подъемник
|
Тип
|
Одностоечный подъемник
|
|
Грузоподъемность, т
|
2
|
|
Высота подъема, мм
|
1975
|
|
Время подъема/опускания,
сек
|
36/36
|
|
Минимальная высота
подхвата, мм
|
125
|
|
Габаритная высота, мм
|
3090
|
|
Электродвигатель, кВт
|
2,2
|
Подъемник плунжерный электромеханический ПВ 3Е
Рисунок 13 - Подъемник плунжерный электромеханический
Подъемник (рис. 13) предназначен для подъема легковых автомобилей при
выполнении работ по техническому обслуживанию и ремонту.
Позволяет рационально использовать рабочее пространство ремонтной зоны и
обеспечивает свободный доступ к дверям и другим частям автомобиля.
Таблица
2 - Технические данные подъемника ПВ 3Е
|
Тип
|
Плунжерный
электромеханический
|
|
Грузоподъемность, т
|
3
|
|
Высота подъема, мм
|
2000
|
|
Время подъема, сек
|
53
|
|
Мощность, кВт
|
4,4
|
|
Количество стоек, шт.
|
2
|
|
Расстояние между стойками,
мм
|
1300-2300
|
|
Размеры установочной ямы,
мм
|
500/700/2800
|
|
Масса, кг
|
700
|
Долговечность работы достигается применением в парах трения современных
полиамидных материалов, бесконтактных датчиков и оригинальной системы смазки,
потому что вся каретка с рабочей гайкой и ползунами автоматически смазывается,
погружаясь в нижнем положении в масляную ванну.
Схема
1 - Подъемник электромеханический ПВ 3Е
Безопасность
работы обеспечивает электронная система синхронизации и самодиагностики с
индикацией неисправностей на жидкокристаллическом дисплее на русском языке.
Четырехстоечные электрогидравлические подъемники.
Рисунок 14 - Четырехстоечный электрогидравлический подъемник
Подъемник гаражный модель П178Д-04А - стационарный, четырехстоечный
электромеханический подъемник (рис. 14). Винтовая зубчатая ременная передача на
подъемнике П178Д-04А. Предусмотрена установка тест системы сход-развала для
легковых автомобилей.
Таблица
3 - Технические данные подъемника
|
Грузоподъемность, т
|
3,5
|
|
Время подъема, сек
|
46 (39)
|
|
Время опускания, сек
|
45 (38)
|
|
Высота подъема
максимальная, мм
|
1545
|
|
Высота въезда, мм
|
200
|
|
Привод, кВт
|
3 (2х1,5)
|
|
Масса, нетто, кг
|
805(890)
|
|
Масса, нетто, кг
|
891(976)
|
|
длина, мм
|
4250
|
|
ширина, мм
|
1125
|
|
высота, мм
|
830
|
Схема 2 - Схема четырехстоечного подъемника П178Д-04А
Подъемник платформенный, четырехстоечный, грузоподъемностью 3,5 тонны
(схема 2). Два электрических двигателя, зубчатая ременная передача,
синхронизация цепью, предусмотрена установка тест системы сход развала на два
колеса.
Подъемник гаражный предназначен для подъема и удержания автомобилей при
выполнении работ по техническому обслуживанию и ремонту.
Подъемник должен эксплуатироваться в закрытых помещениях станций технического
обслуживания при температуре от +10°С до + 40°С и относительной влажности до 80
%.
Расстояние от стен, проходов и другого оборудования не менее 1 метра,
высота помещения не менее 3 метров.
В случае хранения при температуре ниже 0°С эксплуатация подъемника
допускается после выдержки при температуре более +10°С не менее 5 суток.
Ножничный, электрогидравлический подъемник RAV 518NL.
Рисунок 15 - Ножничный подъемник RAV 518NL
Ножничные электрогидравлические подъемники г/п 3,0 т с платформами,
удлиняемыми за счет фиксации заездных трапов 1420 - 1950 мм. Высота напольной
версии в нижнем положении - 110 мм.
Таблица
4 - Технические данные подъемника RAV 618NL
|
Грузоподъемность, т
|
3
|
|
Высота подъема
максимальная, мм
|
1900
|
|
Высота въезда, мм
|
200
|
|
Привод, кВт
|
2,6
|
|
Масса, нетто, кг
|
725
|
|
длина, мм
|
1940
|
|
ширина, мм
|
610
|
|
высота, мм
|
830
|
Рисунок 16 - Подъемник парковочный ППР-3
Платформа для парковки автомобили полностью герметична и снабжена
специальными стоками отводящими воду от тающего снега или дождя в места
исключающие возможность попадания её на нижестоящий автомобиль. Все основные
механизмы подъёмника оснащены специальной защитой позволяющей эксплуатировать
их без какого либо укрытия. Полностью герметичная электрическая схема
подъёмника позволяет эксплуатировать их как во время дождя, так и снега с
гарантией защиты оператора от поражения электрическим током.
Герметичный шкаф управления подъёмником имеет замковый электрический
выключатель с ключом.
Таблица
5 - Технические данные подъемника ППР -3
|
Тип
|
Подъемник парковочный
|
|
Количество стоек
|
2
|
|
Грузоподъемность, т
|
2 (2,6)
|
|
Способ подъема
|
платформа
|
|
Установленная мощность, кВт
|
3
|
|
Скорость подъема, сек
|
20
|
|
Скорость опускания, сек
|
20
|
|
Высота въезда на платформу,
мм
|
100
|
|
Масса, кг
|
2500 (2900)
|
|
Длина
|
4000
|
|
Ширина
|
2900
|
|
Высота
|
2930
|
Схема
3 - Подъемник парковочный ППР-3
Электромеханический,
шестистоечный подъёмник ПС-15
Рисунок
17 - Шестистоечный подъёмник ПС-15
Подъёмник
ПС-15 - электромеханический, шестистоечный, стационарный для грузовых
автомобилей и автобусов (рис. 17). Управление производится одновременно всеми
стойками. В случае остановки электродвигателя одной из стоек, отключается
питание всех электродвигателей. Подъемники комплектуются страховочными подставками.
Подъем осуществляется за опорные площадки основания кузова. Грузоподъемность
15000 кг, высота подъема 1700 мм, время подъема 168 с, напряжение питания
380/3ф В, количество электродвигателей 6 шт, общая потребляемая мощность 9 кВт,
габариты 10800х4250х2570 мм, масса 2450 кг.
Таблица
6 - Технические характеристики подъёмника ПС-15
|
Характеристики
|
Стандарт
|
|
Максимальная
грузоподъемность, т
|
15
|
|
Максимальная высота
подъема, мм
|
2100
|
|
Способ подъема автомобиля
|
за поддомкратные площадки
|
|
Минимальная высота, мм
|
320
|
|
Установленная мощность, кВт
|
9
|
6
|
|
Время подъема, с
|
160
|
|
Габариты подъемника, мм
|
10800х4250х2930
|
|
габариты, мм
|
3150х1100х840
|
|
Масса, кг
|
2780
|
Подъёмник ПС-15 - электромеханический, шестистоечный, стационарный для
грузовых автомобилей и автобусов. Управление производится одновременно всеми
стойками. В случае остановки электродвигателя одной из стоек, отключается
питание всех электродвигателей. Подъемники комплектуются страховочными
подставками. Подъем осуществляется за опорные площадки основания кузова.
1.3
Преимущества и различия рассмотренных типов стоечных подъемников
Одностоечные подъемники имеют ряд преимуществ по сравнению с
двух-четырехстоечнными:
1. При использовании одностороннего подъемника автомеханик имеет
оптимальную свободу передвижения вокруг автомобиля, свободный доступ к нижним
частям автомобиля. У двух-, четырехстоечных подъемников стойки находятся по обе
стороны автомобиля, что затрудняет проход рабочему, а также оптимальное
выполнение ремонтных работ.
2. При использовании одностоечного подъемника автомобиль легко
въезжает на подъемник, даже в том случае, если месторасположение подъемника и
подъезд к нему не очень удобны. В случае с двухстоечным подъемником приходится
неоднократно маневрировать автомобилем, чтобы поставить его на подъемник.
Зачастую автомобиль при этом повреждается.
. Для установки одного одностоечного подъемника требуется меньше
места, чем для двухстоечного (3200 мм и 3700 мм соответственно). Если
подъемники устанавливаются в ряд, то для их установки требуется соответственно
3900 мм и 4400 мм.
. При установке одностоечных подъемников не требуется специального
фундамента, и толщина бетонного пола (13-15 мм) достаточна для закрепления
болтов. Время установки подъемников составляет примерно 1 ч.
Одноплунжерные подъемники имеют те же преимущества, что и одностоечные, к
тому же они обладают хорошим удельными показателями по мощности и
грузоподъемности. Вместе с тем их серьезным недостатком является необходимость
заглубления гидроцилиндра ниже уровня поля на 2-3 м, что исключает возможность
устройства подвального помещения под зонами ТО и ТР и установку подъемников на
перекрытии.
Недостатками одноплунжерного подъемника являются также:
затрудненность доступа к механизмам автомобиля в зоне расположения
плунжера,
чувствительность плунжера к перекосам, что вызывает
самопроизвольное подворачивание рамы с установленным на ней автомобилем.
Двухстоечные подъемники обеспечивают достаточную устойчивость
поднимаемого автомобиля, безопасность работ, хороший доступ со всех сторон.
Монтаж этих подъемников несложен, а конструкция достаточно проста в
эксплуатации. Подъемник не требует заглубленного фундамента и может
устанавливаться на любую ровную поверхность (грунт, деревянный пол, межэтажное
перекрытие), крепится к полу с помощью анкерных болтов, спецшпилек или
крепежных втулок, в зависимости от конструкции пола.
Двухплунжерные подъемники имеют те же достоинства, что и двухстоечные
подъемники, и недостатки, характерные для одноплунжерных подъемников.
Четырехстоечные подъемники сравнительно легко монтируются и
демонтируются. Они занимают большую площадь. Грузоподъемность их в пределах 3-7
тонн. В механической части привода может использоваться винт, цепная, тросовая
или карданная передачи.
Принципиальное отличие от других 4-стоечных подъемников представляет
подъемник балконного типа, который позволяет проводить работы одновременно на
3-х уровнях: под автомобилем и на балконе подъемника (сбоку и сверху
автомобиля). Конструктивное отличие заключается в том, что на стояках на
определенной высоте монтируется балкон, либо балконная площадка делается
подъемной заодно с колейной рамой.
автомобильный подъемник
профессиональный образование
Глава 2.
Автомобильный подъемник П-97 МК Лидер
.1
Устройство, принцип действия и техническая характеристика подъемника П-97 МК Лидер
Рисунок 18 - Подъемник П-97 МК Лидер
Автомобильный подъёмник П-97 МК Лидер для сервисного
обслуживания (рис.18), является универсальным устройством, позволяющим
выполнять работы, связанные с сервисным обслуживанием. С применением подъёмника
можно выполнять операции по обслуживанию автомобилей, полный собственный вес
которых не превышает 5000 кг.
Благодаря добавочному оборудованию подъёмника
автомобиль можно обслуживать на двух уровнях.
Автомобильный подъёмник для сервисного обслуживания
состоит из следующих основных систем:
несущей системы,
приводной системы (механизма силовой
передачи),
электрической системы управления приводом.
В состав несущей системы входят: колонны со
встроенными несущими болтами (2 шт.), две несущие балки, поперечные подхваты (4
шт.)
Электрическая система управления приводом состоит из
кнопок управления движениями: «вверх», «стоп», «вниз», двух контакторов и
концевых выключателей «вверх» и «вниз». Концевые выключатели служат для
автоматического задерживания (остановки) подъёмника в крайних положениях.
Преимущества подъемника П-97 МК Лидер:
- асимметричное расположение стоек и ровный пол обеспечивают
удобство обслуживания автомобилей,
- электромеханический привод (два двигателя),
высокопрочные стойки из специального штампованного профиля,
малоизнашиваемая несущая гайка (с высоким коэф. скольжения),
малоизнашиваемый грузовой винт (роликовое упрочнение),
система безопасности (несущая и страхующая гайки),
самотормозящаяся резьба на грузовом винте,
обеспечена синхронизация кареток (цепная передача),
автоматическая блокировка положения подхватов,
независимая подвеска несущей гайки,
приемная высота 115 мм,
закрытый грузовой винт (декоративные кожуха защищают от грязи,
пыли, механических частиц).
Таблица
7 - Технические характеристики подъёмника П-97 МК
|
Тип
|
Электромеханический
|
|
Грузоподъемность, т
|
3,2
|
|
Высота подъема, мм
|
1900
|
|
Время подъема, с
|
63±5
|
|
Мощность электродвигателя,
кВт
|
3,0
|
|
Мощность привода суммарная,
кВт
|
3
|
|
Габаритные размеры, мм:
|
|
|
длина
|
3280
|
|
ширина
|
1200
|
|
высота
|
2690
|
|
Масса подъемника, кг
|
700
|
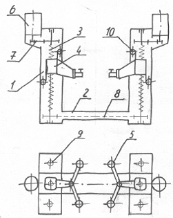
Рассмотрим устройство 2-стоечного напольного подъемника (схема 4). Он
состоит из двух коробчатых стоек 1 и поперечины 2. В каждой стойке размещен
винт 3, по которому перемещается грузоподъемная балка 4 с раздвижными
подхватами 5. Ходовые винты приводятся во вращение от электродвигателя 6 через
червячный редуктор 7, установленный на обеих стойках. Вращение на другой винт
передается с помощью цепной передачи 8, смонтированной внутри поперечины 2.
Подъемник крепится к полу анкерными болтами 9. Упорные ролики 10
освобождают винт от изгибающих усилий.
Схема 4 - Устройство подъемника П-97 МК Лидер
2.2 Расчёт
подъёмника
.2.1 Расчет
червячной передачи
Таблица
8 - Характеристика мощности электродвигателя
|
электродвигатель
|
4А112МА693
|
|
мощность электродвигателя,
кВт
|
3,0
|
|
частота вращения, об/мин
|
1500
|
|
напряжение питания, В
|
380
|
|
частота питания, Гц
|
50
|
Расчет геометрии червяка и червячного колеса.
Кинематическая схема червячной передачи представлена на схеме 5.
Схема 5 - Кинематическая схема червячной передачи: 1 - червяк, 2 -
червячное колесо
Передаточное отношение u
червячной передачи определяют из условия, что за каждый оборот червяка колесо
поворачивается на число зубьев, равное числу витков червяка:
(1)
где:
z1 и z2 - число витков червяка и число зубьев колеса;
n1 и n2 -
частоты вращения червяка и колеса, мин - 1 .
Принимаем:
z1 = 1 - для однозаходного червяка;
где:
z2 = 38 - допустимым считают значения для силовых
передач: z2min = 26…28, а оптимальное z2=32…63.
Тогда
передаточное отношение:
Схема
цилиндрического червяка приведена на схеме 6.
Делительный
диаметр червяка
(2)
где:
q - коэффициент диаметра червяка, рекомендуется
выбирать
;
m - модуль.
Выбираем
.
Значение
модуля m в зависимости от коэффициентов диаметра червяка q при
z1 = 1, 2, 4 (ГОСТ 2144-76). Принимаем m =
3,15.
Схема
6 - Схема цилиндрического червяка
Межосевое
расстояние
(3)
Согласно
ГОСТ 2144 - 76 стандартное межосевое расстояние аw = 80 мм,
следовательно червячная передача будет со смещением червяка.
Коэффициент
смещения червяка (и инструмента при нарезании колеса):
(4)
Начальный
диаметр червяка:
(5)
Высота
головки hа1 и ножки hf1 витков определяется по
формулам:
(6)
(7)
где,
- коэффициент высоты головки,
назначили для однозаходного цилиндрического червяка;
-
коэффициент высоты ножки,
назначили для однозаходного цилиндрического червяка.
Диаметр
вершин
(внешний диаметр) и диаметр впадин df1:
(8)
(9)
Длина
b1 нарезанной части червяка:
(10)
где:
с1 = 11, с2 = 0,1 при z1 = 1, 2
Принимаем
b1 = 57 мм.
Шаг
витка червяка:
Начальный
угол подъема:
(11)
Схема
червячного колеса приведена на схеме 7.
Делительный
диаметр колеса:
(12)
Начальный
диаметр колеса:
Схема
7 - Схема червячного колеса
Диаметры
вершин
и впадин df2 в среднем сечении в передачах
без смещения червяка соответственно равны:
(13)
(14)
Ширину
колеса принимают по ГОСТ 19650 - 74:
(15)
Принимаем:
b2 = 31 мм.
Условный
угол обхвата 2d для расчета на прочность находим по точкам
пересечения окружности
с торцовыми (контурными ) линиями червячного колеса:
d = 38, 21 град.
Результаты
расчетов сведены в таблице 9
Таблица
9 - Результаты расчета
|
Наименование параметра
|
Обозначение
|
Значение
|
|
Делительный диаметр
червяка, мм
|
d1
|
40,26
|
|
Диаметр вершин червяка, мм
|
da1
|
45,3
|
|
Диаметр впадин червяка, мм
|
df1
|
31,4
|
|
Длина нарезанной части
червяка, мм
|
b1
|
57
|
|
Угол подъема линии витка
червяка, град
|
gw
|
|
|
Число витков червяка
|
z1
|
1
|
|
Межосевое расстояние
передачи, мм
|
aw
|
80
|
|
Число зубьев колеса
|
z2
|
38
|
|
Делительный диаметр
червячного колеса, мм
|
d2
|
119,7
|
|
Диаметр вершин колеса, мм
|
dа2
|
126,88
|
|
Диаметр впадин колеса, мм
|
df2
|
113,02
|
|
Ширина колеса, мм
|
b2
|
31
|
|
Условный угол обхвата, град
|
d
|
|
|
Коэффициент смещения
червяка
|
x
|
+0,14
|
.2.2 Кинематический расчет передачи
Определяем крутящий момент на валу червяка:
(17)
где:
Р1 - мощность двигателя, Р1 = 3 кВт.
w1 - угловая частота
вращения.
(18)
где:
n1 - частота вращения червяка, n1 = 1500
об/мин.
Определяем
крутящий момент на валу колеса:
(19)
где:
z2 - число зубьев колеса;
hз - КПД червячного
редуктора, в первом приближении можно принять:
(20)
где:
u - передаточное число редуктора.
Скорость
скольжения:
(21)
= 4,85
м/с
Червяк
выполнен из материала сталь 40Х, колесо - БрО10Н1Ф1.
Приведенный
коэффициент трения
и угол трения
в
зависимости от скорости скольжения Vск между стальным червяком и
колесом из бронзы равны:
КПД
червячной передачи определяют по следующей зависимости:
(22)
0,713
Окружная
сила на колесе, равная осевой силе на червяке:
(23)
Окружная
сила на червяке, равная осевой силе на колесе:
(24)
Радиальная
сила, раздвигающая червяк и колесо:
(25)
где:
= 200 - стандартный угол профиля в червячных
передачах.
Результаты расчетов сведены в таблице 10
Таблица
10 - Результаты расчета
|
Наименование параметра
|
Обозначение
|
Значение
|
|
|
червяк
|
колесо
|
|
Окружная сила
|
Ft, Н
|
927,55
|
8840
|
|
Осевая сила
|
Fa, Н
|
8840
|
927,55
|
|
Радиальная сила
|
Fr, Н
|
3217,50
|
3217,50
|
|
Крутящий момент на валу
червяка
|
Т1, 19,1
|
|
|
Крутящий момент на валу
червяка
|
Т2, 529,11
|
|
|
КПД червячной передачи
|
0,713
|
|
|
Скорость скольжения
|
Vск, м/с
|
4,85
|
.2.3 Расчет на прочность
Червячные передачи рассчитывают на сопротивление усталости и статическую
прочность по контактным напряжениям и напряжениям изгиба.
Расчет червяка по контактным напряжениям:
(26)
где:
К - коэффициент нагрузки;
-
допускаемое напряжение.
(27)
где:
- коэффициент концентрации нагрузки
(28)
где:
- коэффициент деформации для однозаходного
цилиндрического червяка.
Допускаемое
напряжение
находится по формуле:
(29)
где:
- предел прочности при растяжении при 107 циклов
нагружений согласно принятой методики ;
Сv -
коэффициент, учитывающий износ и зависящий от скорости Vск; Сv =
0,95;
NHE -
эквивалентное число циклов нагружения, принять согласно принятой методикой NHE =
;
-
для оловянистой бронзы БрО10Н1Ф1.

.2.4
Расчет колеса по напряжениям изгиба
(30)
где:
Ft2 - окружная сила колеса, Ft2 = 8840 H;
К
- коэффициент нагрузки, К = 1,007;
-
начальный угол подъема,
;
q1 - коэффициент
диаметра червяка:
-
коэффициент формы зуба для червячного колеса;
YF = 1,48.
Допускаемое
напряжение
находится по следующей формуле:
(31)
где:
NFE - эквивалентное число циклов нагружений, согласно
принятой методикой NFE =
;
- пределы
текучести и прочности бронзы при растяжении,
- для
бронзы БрО10Н1Ф1.
59,67
МПа < 64,05 МПа
.2.5 Расчет на устойчивость
Расчет на устойчивость будем проводить для винта.
Формула Эйлера для критической силы:
кр=π 2 * Е * Iмин/
(μ*l)2 (32)
где Е = 2*108 Па - модуль Юнга.
Iмин -
момент инерции винта, мм4.
мин = π*d4/64 (33)
Где d - внутренний диаметр винта, мм.
μ - κоэффициент, учитывающий опору винта: μ = 0,5.
l -
длина винта, мм. : l = 190 мм.
Рассчитываемый диаметр винта находим по формуле:
= ( (64* Fкр*(μ*l)2)/( π 3 *
Е))1/4 (34)
= ( (64* 5,71*(0,5*190)2)/(
3,14 3 * 200))1/4=35 мм.< 50 мм.
Условие выполняется
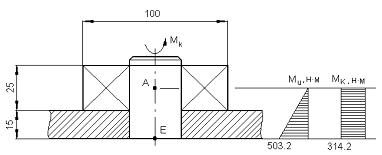
Изгибающий момент, действующий на ось (рис. 19)
Рисунок
19 - Изгибающий момент, действующий на ось
Напряжение
изгиба в опасном сечении (точка Е).
(35)
Напряжение
кручения в опасном сечении (точка Е).
Условие
прочности:
(36)
- по III
теории прочности;
(37)
где
- предел текучести для Стали 45;
-
коэффициент запаса прочности для Стали 45.
Условие прочности выполняется.
Глава 3.
Методические рекомендации
.1 Методика в
профессиональном образовании
.1.1 Общая
характеристика профессионально-педагогического образования
Условия развития системы профессионально - педагогического образования
определяются общественно - политическими и социально - экономическими
процессами в обществе, прежде всего, такими, как демократизация общественной
жизни, переход к рыночным отношениям в экономике и свободному
предпринимательству, возрастание самостоятельности регионов и их автономизация.
Эти процессы порождают комплекс факторов, которые влияют на
профессионально-педагогическое образование и должны учитываться при разработке
структуры многоуровневой подготовки специалистов.
Профессионально - педагогическое образование связано с подготовкой
специалистов, способных осуществлять социально - профессиональную и
производственно-технологическую деятельность в профессиональных учебных
заведениях начального, среднего и высшего уровня, а также на предприятиях.
Под системой профессионально - педагогического образования понимается
сеть государственных высших и средних педагогических учебных заведений, которые
выпускают специалистов, обеспечивающих подготовку человека к деятельности по
профессии.
Профессионально - педагогическое образование - это формирование личности,
способной к эффективной самореализации в сфере начального и среднего профессионального
образования, к осуществлению всех компонентов интегративного образовательного
процесса, к выполнению полного спектра профессионально-образовательных функций.
Профессионально - педагогические колледжи и техникумы готовят сегодня
мастеров профессионального обучения в первую очередь для образовательных
учреждений начального профессионального образования, а также для других уровней
профессионального образования. Подготовка ведется в соответствии с
классификатором специальностей среднего профессионального образования и по
образовательным программам этого уровня обучения. По окончании профессионально
- педагогических колледжей и техникумов присваиваются квалификации мастера
профессионального обучения и техника.
3.1.2
Обучение как система и как процесс
Под обучением понимают активную целенаправленную познавательную
деятельность ученика под руководством учителя, в результате которой обучающийся
приобретает систему научных знаний, умений и навыков, у него формируется
интерес к учению, развиваются познавательные и творческие способности и
потребности, а также нравственные качества личности.
Обучение как процесс представляет собой совместную деятельность, в ходе
которой мастер профессионального обучения организует, стимулирует, корректирует
и контролирует деятельность учащихся. Учащиеся овладевают содержанием и видами
деятельности, предусмотренными учебной программой, знаниями и умениями.
Этапы процесса обучения:
1. Первичная диагностика и актуализация прежних знаний учащихся - преподаватель соответствующими
приемами и методами “оживляет”, делает актуальными и важными для настоящего
момента уже имеющиеся знания.
2. Постановка преподавателем цели и осознание учащимися
познавательных задач: объявление темы, постановка вопросов, выполнение разных
активизирующих заданий, задач проблемного и творческого характера. Так учащиеся
входят в атмосферу напряженной познавательной работы.
. Восприятие и изучение учащимися нового материала. На этом этапе
используются разные методы и приемы изложения.
. Закрепление и совершенствование первично воспринятой информации
учащимися, формирование новых умений и навыков.
. Применение предполагает связь теоретических знаний с
практическими умениями и действиями. Это достигается через упражнения, решение
задач, выполнение проблемных и эвристических учебных заданий.
. Контроль качества усвоенных знаний, умений - является способом
обратной связи, выполняет диагностическую функцию на завершающем этапе учебного
занятия: насколько полно, точно, без искажений и осмысленно усвоен учебный
материал, какие обнаружились пробелы в знаниях отдельных учащихся.
. Коррекция необходима тогда, когда по результатам диагностики
обнаружились отклонения от намечавшегося результата познавательной
деятельности. Чтобы исправить положение, преподаватель использует другие
методики и средства обучения. Тогда есть шанс достичь поставленной цели:
усвоения всеми учащимися учебного материала на достаточно высоком уровне.
. Обобщение предполагает усвоение и осознание учащимися
причинно-следственных связей в явлениях окружающего мира, фрагменты которого
они изучают, усвоение научных понятий, некоторых законов развития природы и
общества. Знания систематизируются по конкретному учебному предмету,
устанавливаются внутрипредметные и межпредметные связи.
Цели обучения:
1. Определение цели через содержание изучаемого материала (изучить
тему, теорему, параграф, главу и т.п.
2. Определение целей через деятельность учителя: ознакомить,
показать, рассказать и пр.
. Определение целей через внутренние процессы развития учащихся
(интеллектуальное, эмоциональное, личностное и т. п.): сформировать интерес,
развить познавательную активность, сформировать умения и пр.
. Определение целей через организацию учебной деятельности
учащихся на уроке: решить задачу, выполнить упражнение, поработать
самостоятельно.
Принципы педагогики, сформулированные еще Я.А.Коменским:
· научности (ложных знаний не может
быть, могут быть только неполные);
· природосообразности (обучение
определяется развитием, не форсируется);
· последовательности и систематичности
(последовательная линейная логика процесса, от частного к общему);
· доступности (от известного к
неизвестному, от легкого к трудному, усвоение готовых ЗУН);
· прочности (повторение - мать учения);
· сознательности и активности (знай
поставленную учителем задачу и будь активен в выполнении команд);
· принцип наглядности (привлечение
различных органов чувств к восприятию);
· принцип связи теории с практикой
(определенная часть учебного процесса отводится применению знаний);
· учета возрастных и индивидуальных
особенностей;
· воспитывающего обучения (не может
быть обучения вне воспитания).
Содержанием образования следует понимать ту систему научных знаний,
практических умений и навыков, а также мировоззренческих и нравственно-эстетических
идей, которыми необходимо овладеть учащимися в процессе обучения, это та часть
общественного опыта поколений, которая отбирается в соответствии с
поставленными целями развития человека и в виде информации передается ему.
Составные части содержания образования:
Знание - это сохранение в памяти и умение воспроизводить и применять
основные факты науки и теоретические обобщения;
Навыки состоят из простых приемов деятельности и совмещенных приемов
контроля и приемов регулирования;
Умения - владение способами применения усваиваемых знаний на практике.
Умение включает в себя знания и навыки.
Отношения включают в себя оценочные суждения и эмоциональные отношения к
различным сторонам жизни и деятельности.
Творческая деятельность обеспечивает рождение новых знаний, навыков,
умений и отношений.
3.1.3 Методы
обучения и их классификация и инновации
Методы обучения - это способы взаимосвязанной деятельности преподавателя
и учащихся, направленные на воспитание и развитие будущих специалистов в
процессе их обучения, на освоение ими знаний, умений и навыков.
Классификация методов.
По источникам познания:
· словесные - рассказ, беседа, лекция,
объяснение, инструктаж;
· наглядные - наблюдение, иллюстрация,
демонстрация, показ, использование ТСО;
· практические - упражнения,
тренировка, лабораторные работы, поручение.
На основе структуры личности.
Методы формирования:
· сознания - рассказ, беседа,
инструктаж, лекция, объяснение, показ, иллюстрация, демонстрация, убеждение,
внушение, метод примера.
· поведения - упражнение, тренировка,
поручение, создание педагогических ситуаций.
· чувств - соревнование, одобрение,
поощрение, наказание, создание ситуации успеха, контроль, оценка.
По степени продуктивности:
· объяснительно-иллюстративные -
(преподаватель сообщает учащимся «готовую» информацию) рассказ, лекция,
объяснение, инструктаж, показ.
· репродуктивные - (преподаватель
выдает задание, а учащиеся выполняют его по образцу, правилу) упражнение,
поручение, лекция, демонстрация, предписание.
· проблемные - (преподаватель ставит
проблему и решает ее, показывая пути решения) беседа, проблемная ситуация,
убеждение, игра, обобщение.
· частично-поисковые - (учащиеся
частично сами решают поставленную проблему) диспут, самостоятельная работа,
лабораторная работа, соревнование.
· исследовательские - (учащиеся сами
решают поставленную проблему) исследовательское моделирование, проектирование,
поиск неисправностей, сбор новых фактов.
Методы контроля в обучении:
· Устное - индивидуальный опрос,
фронтальный опрос, устные зачеты, устные экзамены.
· Письменное - контрольные работы,
письменные зачеты, письменные экзамены, программированные работы.
· Методы обучения:
· Теоретическое - монологический,
показательный, диалогический, эвристический, исследовательский,
алгоритмический, программированный методы.
· Производственное - показа трудовых
действий, диалогический, тренировочный, алгоритмический, эвристический
(проектировочное, регулировочное, диагностичное упражнения) методы.
Активные методы обучения.
Имитационные:
· Игровые - использование тренажеров,
элементов деловой игры.
· Неигровые - анализ конкретных
производственных ситуаций, решение ситуационных производственных задач,
лабораторные и практические работы по инструкции, выполнение индивидуальных
заданий в процессе производственной практики.
Неимитационные:
· проблемные лекции,
· эвристические беседы,
· учебные дискуссии,
· поисковые лабораторные работы,
· самостоятельные работы с обучающей
программой (программированное обучение),
· самостоятельные работы с книгой и
электронной версией учебника.
Инновационные методы обучения:
· интернет - технологии;
· блочно-модульный принцип освоения
программы обучения;
· профессиональная ориентация;
· инновационные игровые технологии.
3.1.4 Понятие
средств обучения. Классификация средств обучения
В процессе обучения для организации взаимодействия «преподаватель
учащиеся» включаются посредствующие элементы (посредники). С их помощью
увеличивается объем передаваемой учебной информации, оптимизируется процесс
формирования новых понятий, профессиональных умений, улучшается восприятие
изучаемых технических объектов, физических явлений, лежащих в основе работы
рассматриваемых технических устройств, повышается эффективность педагогического
процесса и т.д. Эти посредствующие элементы в теории обучения включают в
понятие средств обучения.
Все многообразие средств обучения можно классифицировать на материальные
объекты, знаковые системы, логические регулятивы обучающей деятельности.
Каждая из указанных групп имеет свои подгруппы.
Материальные объекты: учебное оборудование; инструменты; приборы;
демонстрационное оборудование; технические средства обучения, включая ИВТ.
Рисунок 20 - Средства обучения
Знаковые системы: учебники и учебно-методические пособия; дидактический
материал; карточки-задания, инструкционные карты, опорные конспекты, рабочие
тетради т.д.; изобразительные пособия: плакаты, планшеты, схемы, диаграммы и
т.д.
Логические регулятивы обучающей деятельности: подходы, принципы, правила,
методы, методики обучения - теоретический уровень; действия, операции, приемы
обучающей деятельности - эмпирический уровень.
Относительно самостоятельное значение в структуре средств обучения
занимает учебно-производственное и лабораторное оборудование. С его помощью
показываются или замещаются объекты учебного познания, моделируются различные
режимы работы, увеличиваются познавательные возможности, чувственное восприятие
учащихся.
На уроке во время различных демонстраций используется вспомогательное
оборудование, не несущее информационной или тренировочной функции, но
помогающее педагогу организовать учебный процесс по предмету. Группа средств
обучения, выделенная по способу их производства, представляет собой
материально-технические объекты, с помощью которых реализуются информационная,
управляющая, контролирующая и другие функции обучения. Материальные средства
играют значительную роль на начальном этапе формирования новых знаний и
способов деятельности учащихся.
Формы организации процесса обучения. Лекция, семинар, практические и
лабораторные работы как формы организации учебной деятельности.
Организационные формы обучения - это виды учебных занятий, отличающиеся
друг от друга дидактическими целями, составом учащихся, местом проведения,
продолжительностью, содержанием деятельности преподавателя и учащихся. Применяя
различные организационные формы обучения, преподаватель обеспечивает активную
познавательную деятельность учащихся, используя фронтальную, групповую и
индивидуальную работу.
Фронтальная работа предполагает совместную деятельность всей группы:
преподаватель для всей группы излагает учебный материал, ставит одинаковые
задачи, а учащиеся решают одну проблему, овладевают общей темой. Обеспечивает
общее продвижение учащихся в учении. Однако такая работа не может быть
универсальной, так как при ее использовании недостаточно учитываются
специфические особенности, уровень развития каждого учащегося.
При групповой работе учебная группа делится на несколько звеньев, которые
выполняют одинаковые или различные задания. Цели: решение задач, выполнение
упражнений, лабораторных и практических работ, изучение нового материала.
Групповая деятельность создает благоприятные воспитательные возможности,
приучает к коллективным методам работы.
При индивидуальной работе каждый получает свое задание, которое он
выполняет независимо от других учащихся. Индивидуальная форма организации
учебного труда особенно целесообразна для таких видов работ, в которых могут
более ярко проявиться индивидуальные особенности и возможности учащихся.
Лекция - это особая конструкция учебного процесса. Преподаватель на
протяжении всего учебного занятия сообщает новый учебный материал, а учащиеся
его активно воспринимают. Благодаря тому, что материал излагается
концентрированно, в логически выдержанной форме, лекция - наиболее экономичный
способ передачи учебной информации.
Семинар ориентирует учащихся на проявление самостоятельности в
учебно-познавательной деятельности, так как в ходе семинара углубляются,
систематизируются и контролируются знания учащихся, полученные в результате
самостоятельной внеаудиторной работы над первоисточниками, документами,
дополнительной литературой. Цели: углубление, систематизация, закрепление
знаний, превращение их в убеждения; проверка знаний; обучение умениям и навыкам
самостоятельной работы с книгой; развитие культуры речи, формирование умения
аргументировано отстаивать свою точку зрения, отвечать на вопросы, слушать
других, самому задавать вопросы.
Лабораторное занятие - учащиеся по заданию и под руководством преподавателя выполняют одну или
несколько лабораторных работ. Цели: опытная проверка формул, расчетов;
ознакомление с методикой проведения экспериментов, исследований; формирование
умения учащихся наблюдать, сравнивать, сопоставлять, анализировать, делать
выводы и обобщения, самостоятельно вести исследования, пользоваться различными
приемами измерений, оформлять результаты в виде таблиц, схем, графиков и т.п.,
а также формирование профессиональных умений и навыков обращения с различными
приборами, аппаратурой, установками и другими техническими средствами при
проведении опытов. Ведущая дидактическая цель - овладение техникой эксперимента, умением решать
практические задачи путем постановки опыта.
Практическое занятие - это форма организации учебного процесса дает
возможность учащимся под руководством и по заданию преподавателя выполнить одну
или несколько практических работ. Дидактическая цель - формирование
профессиональных умений у учащихся, а также практических умений, необходимых
для изучения последующих учебных предметов.
Производственная практика как форма организации учебной деятельности.
Производственная практика учащихся средних специальных учебных заведений
проводится поэтапно и состоит из учебной, технологической и преддипломной.
Учебная практика проводится обычно в учебных или учебно-производственных
мастерских техникума, а технологическая и преддипломная - непосредственно на
предприятии.
Назначение производственной практики - подготовка учащихся к предстоящей
самостоятельной трудовой деятельности. Практика связывает теоретическое обучение
и самостоятельную работу на производстве, дает учащимся первоначальный опыт
профессиональной деятельности.
Дидактические цели производственной практики включают в себя:
формирование профессиональных умений и навыков; закрепление, обобщение и систематизация
знаний путем их применения в реальной деятельности; расширение и углубление
знаний благодаря изучению работы конкретных предприятий и учреждений;
практическое освоение современного оборудования и технологий.
Структура производственной практики зависит от содержания практического
обучения и в конечном счете должна обеспечивать целостную подготовку
специалиста к труду, т.е. к выполнению основных трудовых функций тех
должностей, на которых может быть использован специалист согласно
квалификационной характеристике.
Производственная преддипломная практика представляет собой заключительный
этап, поэтому отбор ее содержания должен предусматривать формирование
профессиональных умений самого высокого уровня, и прежде всего организаторских.
Учебная практика в зависимости от характера специальности проводится в
учебных, учебно-производственных мастерских, учебно-производственных
хозяйствах, лабораториях техникумов, на предприятиях, в организациях и
учреждениях.
Она может быть организована после изучения всего необходимого
теоретического материала, а также путем чередования с теоретическим обучением,
при этом учащихся каждой группы, разделяют на подгруппы.
Технологическая и преддипломная практика проводится на производстве по
договорам между учебным заведением и предприятиями. Рабочие программы практики
разрабатываются с учетом содержания типовых программ практики, а также
специфических особенностей базовых предприятий. Наряду с различными видами
практических работ в рабочей программе планируются экскурсии, лекции, беседы,
семинары, практические занятия на производстве.
По каждой теме определяются конкретные объекты.
В период преддипломной практики содержание индивидуального задания
связано со сбором необходимых материалов к дипломному проектированию.
Руководители преддипломной практики должны рекомендовать учащимся
перечень подразделений предприятия, где им следует получить нужные для
дипломного проектирования материалы.
3.2
Разработка плана - конспект занятия по теме “Подъемные механизмы”
Тема занятия: "Подъемные механизмы"
Вид занятия (тип урока): теоретическое занятие (изучение нового
материала)
Цель занятия: Дать общее представление о подъемных механизмах
Задачи занятия:
учебная: Получение представлений, впечатлений, расширение ассоциативного
опыта, запоминание и воспроизведение в памяти фактического материала и
определений, распознавание и классификация изучаемых объектов.
воспитательная: Воспитание ответственности, целеустремленности,
нравственности, культуры труда.
развивающая: Развивать мышление, память, восприятие.
А. Наглядные пособия: плакаты, презентация
Б. Технические средства обучения: мультимедийный проектор
Содержание занятия
|
Элементы занятия
|
Замечания
|
|
1
|
Перекличка, заполнение
журнала
|
|
|
2
|
Повторение пройденного
материала
|
|
|
3
|
Изложение нового материала
|
|
|
4
|
Закрепление нового
материала
|
|
|
5
|
Анализ урока
|
|
|
6
|
Домашнее задание
|
|
Ход урока.. Организационно - подготовительная часть:
1. Приветствие.
2. Перекличка.
. Заполнение журнала и объявление новой темы.
II. Повторение пройденного материала:
. Фронтальный опрос,
2. Беседа и т.д.
III. Изучение нового материала:
. Подготовка учащихся к сознательному усвоению новых знаний;
2. Постановка задач, проблемы;
. Демонстрация наглядных пособий, видеоматериалов;
. Изучение нового материала, разъяснение новых понятий.
Материал занятия
Теоретический материал (25 минут)
. Подъемно-осмотровое оборудование его назначение, функции, роль в жизни
СТО.
К подъемно - осмотровому относится оборудование, обеспечивающее удобный
доступ к агрегатам, механизмам и деталям, расположенным снизу и сбоку
автомобиля при его ТО и ремонте. Работы по ТО и ремонту, выполняемые снизу
автомобиля, могут производиться с полным или частичным вывешиванием(подъемники,
опрокидыватели, домкраты)или без вывешивания автомобиля(канавы и эстакады).
Важную роль в гаражном оборудовании играют подъёмные механизмы.
Существует много вариантов осмотреть и отремонтировать автотранспорт, но
большинство из них относятся к уличному оборудованию. В свою очередь подъемники
находятся именно в гараже, что намного улучшает эргономику работы и не
ограничивает время выполнения заказа погодными условиями. Любое оборудование
для автосервиса выполняет ряд функций, основными из которых становятся
диагностика, ремонт и монтаж.
Помимо всего прочего, важнейшее значение играют автомобильные подъёмники,
обеспечивающее эффективную работу автосервиса. По-настоящему трудно представить
себе автосервис без подъёмников, основная задача которых - вертикальное и
горизонтальное перемещение транспортного средства. При необходимости провести диагностику
нижней полости автомобиля или же оценить ремонт отдельных элементов подъёмник
будет просто необходим.
Подъемные механизмы предназначены для подъема легковых автомобилей при
выполнении работ по техническому обслуживанию и ремонту.
. Виды, классификации, требования
Любой автомобильный подъемник, как и любой грузоподъемный механизм, имеет
технические характеристики, которые обязательно необходимо учитывать при выборе
подъемника для решения комплекса необходимых технических задач.
К техническим характеристикам подъемников относятся:
· грузоподъемность автомобильного
подъемника;
· масса автомобильного подъемника;
· потребляемая мощность
электродвигателей;
· максимальная высота подъема
автомобилей;
· время подъема до максимальной высоты
при максимальной нагрузке;
· минимальное расстояние от пола до
верхней части лапы подъемника;
· геометрические габаритные размеры
подъемника;
· габаритные размеры площади для
автомобильного подъемника;
Тип подъемника характеризует, как именно работает подъемный механизм. Кроме
того, он определяет, каким образом машина крепится на подъемнике.
По типу привода подъемники делятся:
электромеханические,
- электрогидравлические,
ручные гидравлические,
пневмогидравлические,
пневматические.
По типу установки:
стационарные,
- передвижные.
По грузоподъемности, кг:
1800,
- 2000,
2200,
2500 и др.
По типу поднимающих устройств:
цепные,
- винтовые,
телескопические,
рычажные.
По типу подхватывающих устройств:
платформенные,
- рамные,
консольные.
По типу подхватывающих устройств:
платформенные,
- рамные,
консольные.
Стационарные подъемники монтируются на определенном месте, чаще всего без
специального фундамента на ровную поверхность пола и крепятся с помощью
анкерных болтов или специальных шпилек. Если подъемник телескопический (в том
числе плужерный), то для его монтажа требуется специальный фундамент.
К передвижным относятся подъемники, у которых перемещаются стойки.
Основным преимуществом передвижных подъемников является их мобильность -
возможность использования поочередно на различных постах и в различных
технологических зонах предприятия. Передвижные стойки могут использоваться в
основе одной, двух, трех и более штук. В этом случае каждая стойка имеет свой
индивидуальный привод и пульт управления.
Для обслуживания легковых автомобилей на станциях технического
обслуживания в основном используются подъемники грузоподъемностью 2т.
Наглядный материал (15 минут)
Рисунок 21 - Демонстрация одностоечного подъемника
После изучения теоретического материала студенты приступают к просмотру
презентации, рис. 21 по теме “Подъемные механизмы”.
В данной презентации приведены примеры самых распространенных
подъемников. Приведены технические характеристики, рис 22.
Рисунок 22 - Технические характеристики подъемника
По итогам просмотра презентации и прослушивания лекций студенты должны
ответить на контрольные вопросы.
Вопросы для закрепления материала:
. Что такое автомобильные подъемники?
. Домкраты.
. Стоечные автомобильные подъемники.
. Известные типы подъемников.
. Классификация автомобильных подъемников по типу привода.
. Что относится к техническим характеристикам подъемников?
. Основные характеристики автомобильных подъемников.
Заключение
В результате проделанной работы были проанализированы вопросы, связанные
с оборудованием для подъема автомобиля, где были рассмотрены: автомобильные
подъемники, домкраты, стоечные автомобильные подъемники и классификация
автомобильных подъемников по типу привода.
В процессе работы были произведены расчеты автомобильного подъемника, в
частности: кинематический расчет передач, расчет на прочность, расчет колеса по
напряжениям изгиба, расчет на устойчивость.
На основе изложенного материала был разработан план - конспект занятия для
студентов среднего профессионального образования (СПО) по теме
"Использование приспособлений в обслуживании автомобиля", также была
разработана презентация, с целью визуального ознакомления студентов с
некоторыми из подъемных механизмов.
В заключении можно отметить, что поставленная цель и задачи работы были
успешно реализованы.
Список
использованной литературы
1. Аверьянова
Г, А. Расчеты на прочность, жесткость и устойчивость деталей машин. - Великие
Луки: ВГСХА, 1995, - 78 с.
. Афанасьев
Л. Л., Колясинский Б. С, Маслов А. А. Гаражи и станции технического
обслуживания автомобилей. -М.: Транспорт, 1980, - 234 с.
3. В.И.
Анурьев. Справочник конструктора-машиностроителя, т. 1,2, изд. 5-е, перераб. и
допол., - М.: «Машиностроение» 1978 г, - 297 с.
4. Г.С Писаренко.
Сопротивление материалов: 5-е изд.; перераб. и доп-к.: Вища шк., 1986,-775 с.
. И.В.
Болгов. Технология ремонта оборудования предприятий бытового обслуживания
населения: Учебник для втузов. - М.: «Легкая и пищевая промышленность» 1983. -
248 с.
6. Карнаухов
И. Е. Детали машин, подъемно-транспортные машины и основы конструирования. -
М.: ВСХИЗО, 1992, - 220 с.
7. Крамаренко
Г.В., Барашков И.В., Техническое обслуживание автомобилей: Учебник для
автотранспортных техникумов. - М.: Транспорт, 1982, - 245 с.
8. Оборудование
для автосервиса. Гаражное оборудование. Каталог.-Новгород, ПФК завода
Таро",2000, - 143 с.
9. Оборудование
для ремонта автомобилей. Справочник./ Под ред. М.М. Шахнеса. - М.: Транспорт,
1978, - 120
с.
10. Оборудование
для ремонта автомобилей. Справочник./ Под ред. М.М. Шахнеса. - М.: Транспорт,
1978, - 119 с.
. Отраслевой
каталог/НПО «Редуктор». - М.: ВНИИТЭМР,1969, - 125 с.
12. Подъёмно-транспортное
оборудование. Каталог. Под ред. Черноиванова В.И.- М.: Информагротех, 1992, -
20 с.
13. С.А.
Чернавский и др. Курсовое проектирование деталей машин: Учеб. пособие для
техникумов - М.: «Машиностроение» 1979, - 351 с.
14. Справочник
Технологическое оборудование для технического обслуживания и ремонта легковых
автомобилей. М.: Транспорт. 1988, - 16 с.
15. Технологическое
оборудование для технического обслуживания и ремонта легковых автомобилей,
Справочник, - М.: «Транспорт» 1988 г, 243 с.
16. Фастовцев
Г. Ф. Современный автосервис. М: Знание, 1980, - 98 с.
. Федоренко
В. А., Шошин А. И. Справочник по машиностроительному черчению. - Л.:
Машиностроение, 1992, - 53 с.
18. Хакимов
Р. Т. Расчет основных механизмов электромеханического подъемника. - С-Пб.:
СПбГАУ, 2007, - 118 с.