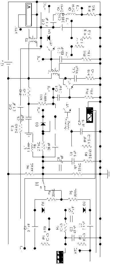
Исследование строчной развертки на транзисторах
МИНИСТЕРСТВО
СВЯЗИ РФ
ПОВОЛЖСКАЯ
ГОСУДАРСТВЕННАЯ АКАДЕМИЯ
ТЕЛЕКОММУНИКАЦИИ
И ИНФОРМАТИКИ
КАФЕДРА
ТВ И РВ
ЛАБОРАТОРНАЯ
РАБОТА №3
«исследование строчной развертки на транзисторах»
Выполнили студенты
Группы ИКТр-22
Герасимова В.В.
Кравцов В.Ю.
Проверил Балобанов В.Г.
Самара, 2014
Цель работы
Изучить работу генератора строчной развертки.
Исследовать выходной каскад строчной развертки телевизионного приемника, схему
инерционной синхронизации и каскады формирования управляющего напряжения на примере
электронного моделирования генератора строчной развертки.
Расчет
1.1. Определить величину отклоняющих ампервитков
строчных ОК для кинескопа 16ЛК2Б по формуле
,
где
- амплитуда отклоняющего тока;
- число витков двух отклоняющих
катушек (для седлообразных ОК);
- половина угла отклонения луча по горизонтали;
- ускоряющее напряжение на аноде
кинескопа;
- эффективная длина отклоняющей
катушки.
Произвести расчет для следующих
параметров кинескопа 16ЛК2Б и отклоняющей системы ОС70П1:
см;
см;
°;
В.
.2. Определить амплитуду
отклоняющего
тока, если число витков отклоняющей катушки
.
1.3. Определить необходимое напряжение Ек
источника питания по формуле:
,
где
- индуктивность ОК,
мГн;
- полный размах тока в ОК;
- длительность прямого хода
строчной развертки;
0.62*10^-3;
1.4. Определить длительность обратного хода для
трех значений емкости Сох (3 нФ, 3.65 нФ и 4.5 нФ) по формуле:
.
.5. Для полученных значений
определить
амплитуду импульса
на
коллекторе транзистора Т3, используя выражение:
,
приемник телевизионный электронный
транзистор
где
- амплитуда импульса напряжения на
строчных отклоняющих катушках.
Работа схемы ГСР в режиме автоколебаний, когда
амплитуда ССИ на входе генератора равна нулю
.
КТ4
КТ5
КТ6
КТ10
КТ11
КТ7
КТ8
КТ9
КТ10-КТ11 при С14=4,5

КТ10-КТ11 при С15=0.2