Исследование спектральных характеристик колебаний (сигналов)
Министерство
образования и науки Российской Федерации
Федеральное
государственное бюджетное образовательное учреждение высшего профессионального
образования
Кубанский
государственный технологический университет
Кафедра
компьютерных технологий и информационной безопасности
Отчет по
лабораторной работе №5
Дисциплина:
«Электротехника»
«Исследование
спектральных характеристик колебаний (сигналов)»
Выполнил
Цандо Виталий
Краснодар
2013
Цель работы:
. Изучить особенности и свойства
спектрального анализа периодических сигналов в системе компьютерного
моделирования.
. Закрепить и совершенствовать
практические навыки анализа спектрального состава различных периодических
сигналов.
. Привить навыки проведения научных
исследований и использования измерительных приборов.
Учебные вопросы:
. Исследование спектрального состава
периодической последовательности прямоугольных импульсов.
. Исследование спектрального состава
периодической последовательности прямоугольных импульсов при прохождении через
дифференцирующую RC-цепь.
. Исследование спектрального состава
периодической последовательности прямоугольных импульсов при прохождении через
интегрирующую RC-цепь.
.
Исследование спектрального состава периодической последовательности
прямоугольных импульсов
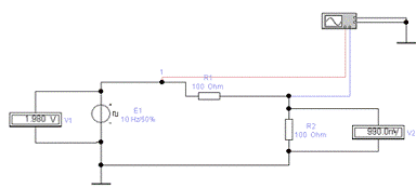
Составим электрическую схему делителя напряжения
и подключим к схеме измерительные приборы (функциональный генератор
однополярных прямоугольных импульсов, осциллограф и вольтметры), как показано
на рисунке 1.1.
Рис. 1.1. Схема для исследования спектрального
состава последовательности прямоугольных импульсов
спектральный сигнал импульс
компьютерный
Вольтметры V1
и V2 переведены в
режим измерения постоянного тока (режим DC)для
измерения постоянной составляющей входного и выходного сигналов.
Фиксируем форму входного и выходного сигналов с
экрана осциллографа, измерив при этом период входной и выходной импульсных
последовательностей, так как это указано на рисунке 1.2.
Для проведения спектрального анализа
(Фурье-анализа) необходимо использовать опцию ANALYSIS.
При указанных в диалоговом окне опциях результаты моделирования (схема на
рисунке 1.1) представлены линейчатым спектром исследуемого сигнала (рис.
1.3а,1.3б) с указанием в его нижней части коэффициента нелинейных искажений в
процентах.
Рис. 1.2. Осциллограммы входного и выходного
сигналов
Рис. 1.3. Спектр исследуемого сигнала при q=2
(а - спектр входного сигнала; б - спектр выходного сигнала)
Установим коэффициент заполнения «DUTYCYCLE»
импульсной последовательности D=20%,
при этом скважность импульсной последовательности q=5,
(коэффициент заполнения - величина обратная скважности импульсной
последовательности) и фиксируем форму входного и выходного сигналов с экрана
осциллографа, так как это показано на рисунке 1.4.
Рис. 1.4. Осциллограммы входного и выходного
сигналов при q=5
При указанных в диалоговом окне опциях
результаты моделирования (схема на рисунке 1.1) представлены линейчатым
спектром исследуемого сигнала, так как показано на рисунках 1.5а, 1.5б.
Рис. 1.5. Спектр исследуемого сигнала при q=5
(а - спектр входного сигнала; б - спектр выходного сигнала)
Установим коэффициент заполнения «DUTYCYCLE»
импульсной последовательности D=10%,
при этом скважность импульсной последовательности q=10,
(коэффициент заполнения - величина обратная скважности импульсной
последовательности) и фиксируем форму входного и выходного сигналов с экрана
осциллографа, так как это показано на рисунке 1.6.
Рис. 1.6. Осциллограммы входного и выходного
сигналов при q=10
При указанных в диалоговом окне опциях
результаты моделирования (схема на рисунке 1.1) представлены линейчатым
спектром исследуемого сигнала, так как показано на рисунках 1.7а, 1.7б.

Рис. 1.7. Спектр исследуемого сигнала при q=10
(а - спектр входного сигнала; б - спектр выходного сигнала)
Результаты исследований занесены в таблице 1.
Таблица 1. Результаты исследований
|
Частота повторения импульсов F,Гц
|
Период импульсной после-ти Т, с
|
Длит-сть импульса,  ,сУровень
пост. состав., U0вх, В (точ.1)Кол-во спектрал. составл. между «нулями»Гармоники,
отсутствующие в спектреШирина спектра 2 ,
ГцУровень пост. состав., U0вых, В (точ.2)
|
|
|
|
|
|
|
10
|
0,1
|
0,05
|
1,97
|
1
|
2, 4, 6
|
20
|
0,983
|
|
10
|
0,1
|
0,02
|
0,773
|
4
|
5, 10, 15
|
50
|
0,383
|
|
10
|
0,1
|
0,01
|
0,377
|
8
|
10, 20, 30
|
0,188
|
Вывод: в результате проведенных
исследований было установлено, что длительность импульса зависит от скважности
и периода 
= T/q, т.е. чем
больше скважность, тем меньше длительность импульса. При увеличении скважности
уменьшается уровень постоянной составляющей. Также было выяснено, что
количество спектральных составляющих равно q-1;
отсутствующие гармоники имеют номера, кратные скважности (при q=2: 2,4,6);
эффективная ширина спектра (ширина лепестка) прямо пропорциональна частоте
источника сигнала и скважности, т.е.
= F*q; заметим,
что на выходе цепи уровень постоянной составляющей сигнала меньше, чем при
входе.
2. Исследование спектрального состава
периодической последовательности прямоугольных импульсов при прохождении через
дифференцирующую RC
цепь
Составим электрическую схему дифференцирующей
RC цепи и подключим к
схеме измерительные приборы (функциональный генератор однополярных
прямоугольных импульсов, осциллограф и вольтметры) как показано на рисунке 2.1.
Рис. 2.1. Схема для проведения исследований
Фиксируем форму входного и выходного сигналов с
экрана осциллографа, измерив при этом период входной и выходной импульсных
последовательностей, так как это указано на рисунке 2.2.
Рис. 2.2. Осциллограммы входного и выходного
сигнала дифференцирующей RC
цепи
Для проведения спектрального анализа
(Фурье-анализа) необходимо использовать опцию ANALYSIS.
При указанных в диалоговом окне опциях результаты моделирования (схема на
рисунке 2.1.) будут представлены линейчатым спектром исследуемого сигнала
(рисунки 2.3а, 2.3б)

Рис. 2.3. Спектр исследуемого сигнала при q=10
(а - спектр входного сигнала; б - спектр выходного сигнала)
Установим коэффициент заполнения «DUTYCYCLE»
импульсной последовательности D=20%,
при этом скважность импульсной последовательности q=5,
(коэффициент заполнения - величина обратная скважности импульсной
последовательности) и фиксируем форму входного и выходного сигналов с экрана
осциллографа, так как это показано на рисунке 2.4.
Рис. 2.4. Осциллограммы входного и выходного
сигналов при q=5
При указанных в диалоговом окне опциях
результаты моделирования (схема на рисунок 2.1) представлены линейчатым
спектром исследуемого сигнала, так как показано на рисунках 2.5а, 2.5б.

Рис. 2.5. Спектр исследуемого сигнала при q=5
(а - спектр входного сигнала; б - спектр выходного сигнала)
Установим коэффициент заполнения «DUTYCYCLE»
импульсной последовательности D=50%,
при этом скважность импульсной последовательности q=2,
(коэффициент заполнения - величина обратная скважности импульсной
последовательности) и фиксируем форму входного и выходного сигналов с экрана
осциллографа, так как это показано на рисунке 2.6.
Рис. 2.6. Осциллограммы входного и выходного
сигналов при q=2
При указанных в диалоговом окне опциях
результаты моделирования (схема на рисунке 2.1) представлены линейчатым
спектром исследуемого сигнала, так как показано на рисунках 2.7а, 2.7б.

Рис. 2.7. Спектр исследуемого сигнала при q=2
(а - спектр входного сигнала; б - спектр выходного сигнала)
Результаты исследований занесены в таблице 2.
Таблица 2. Результаты исследований
|
Частота повторения импульсов F,Гц
|
Период импульсной после-тиТ, с
|
Длит-сть импульса на входе цепи,  ,сПостоянная
времени цепи, ф,сНа входе цепи
|
На выходе цепи
|
|
|
|
|
|
|
Кол. спектр. сост. В лепестке
|
Ширина спектра по первому «нулю»
|
Кол. спектр. сост. В лепестке
|
Ширина спектра по первому «нулю»
|
|
10
|
0,1
|
0,01
|
10-3
|
9
|
100
|
9
|
100
|
|
10
|
0,1
|
0,02
|
10-3
|
4
|
50
|
4
|
50
|
|
10
|
0,1
|
0,05
|
10-3
|
1
|
20
|
1
|
20
|
Вывод: в результате исследования спектрального
состава периодической последовательности прямоугольных импульсов при
прохождении через дифференцирующую RC
цепь было выяснено, что при уменьшении скважности уменьшается количество
спектральных составляющих в лепестках и ширина спектра. Также в спектре
выходного сигнала отсутствует постоянная составляющая.
. Исследование спектрального состава
периодической последовательности прямоугольных импульсов при прохождении через
интегрирующую RC цепь
Составим электрическую схему интегрирующейRC
цепи и подключим к схеме измерительные приборы (функциональный генератор
однополярных прямоугольных импульсов, осциллограф и вольтметры) как показано на
рисунке 3.1.
Рис. 3.1. Схема для проведения исследований
Фиксируем форму входного и выходного сигналов с
экрана осциллографа, измерив при этом параметры входной и выходной импульсной
последовательностей, так как это указано на рисунке 3.2.
При указанных в диалоговом окне опциях
результаты моделирования (схема на рисунке 3.1) представлены линейчатым
спектром исследуемого сигнала, так как показано на рисунках 3.4а, 3.4б.
Рис. 3.2. Осциллограммы входного и выходного
сигнала интегрирующейRC
цепи

Рис. 3.3. Спектр исследуемого сигнала при q=2
(а - спектр входного сигнала; б - спектр выходного сигнала)
Установим коэффициент заполнения «DUTYCYCLE»
импульсной последовательности D=20%,
при этом скважность импульсной последовательности q=5,
(коэффициент заполнения - величина обратная скважности импульсной
последовательности) и фиксируем форму входного и выходного сигналов с экрана
осциллографа, так как это показано на рисунке 3.4.
Рис. 3.4. Осциллограммы входного и выходного
сигнала интегрирующей RC
цепи
При указанных в диалоговом окне опциях
результаты моделирования (схема на рисунке 3.1) представлены линейчатым
спектром исследуемого сигнала, так как показано на рисунках 3.5а, 3.5б.

Рис. 3.5. Спектр исследуемого сигнала при q=5
(а - спектр входного сигнала; б - спектр выходного сигнала)
Установим коэффициент заполнения «DUTYCYCLE»
импульсной последовательности D=10%,
при этом скважность импульсной последовательности q=10,
(коэффициент заполнения - величина обратная скважности импульсной
последовательности) и фиксируем форму входного и выходного сигналов с экрана
осциллографа, так как это показано на рисунке 3.6.
Рис. 3.6. Осциллограммы входного и выходного
сигнала интегрирующей RC
цепи
При указанных в диалоговом окне опциях
результаты моделирования (схема на рисунке 3.1) представлены линейчатым
спектром исследуемого сигнала, так как показано на рисунках 3.7а, 3.7б.

Рис. 3.7. Спектр исследуемого сигнала при q=10
(а - спектр входного сигнала; б - спектр выходного сигнала)
Проведем такие же опыты для периодической
последовательности треугольных импульсов.
Фиксируем форму входного и выходного сигналов с
экрана осциллографа, измерив при этом параметры входной и выходной импульсной
последовательностей, так как это указано на рисунке 3.8.
Рис. 3.8. Осциллограммы входного и выходного
сигнала интегрирующей RC
цепи
При указанных в диалоговом окне опциях
результаты моделирования (схема на рисунке 3.1) представлены линейчатым
спектром исследуемого сигнала, так как показано на рисунках 3.9, 3.9.

Рис. 3.9. Спектр исследуемого сигнала при q=2
(а - спектр входного сигнала; б - спектр выходного сигнала)
Установим коэффициент заполнения «DUTYCYCLE»
импульсной последовательности D=20%,
при этом скважность импульсной последовательности q=5,
(коэффициент заполнения - величина обратная скважности импульсной
последовательности) и фиксируем форму входного и выходного сигналов с экрана
осциллографа, так как это показано на рисунке 3.10.
Рис. 3.10. Осциллограммы входного и выходного
сигнала интегрирующей RC
цепи
При указанных в диалоговом окне опциях
результаты моделирования (схема на рисунке 3.1) представлены линейчатым
спектром исследуемого сигнала, так как показано на рисунках 3.11а, 3.11б.

Рис. 3.11. Спектр исследуемого сигнала при q=5
(а - спектр входного сигнала; б - спектр выходного сигнала)
Установим коэффициент заполнения «DUTYCYCLE»
импульсной последовательности D=10%,
при этом скважность импульсной последовательности q=10,
(коэффициент заполнения - величина обратная скважности импульсной
последовательности) и фиксируем форму входного и выходного сигналов с экрана
осциллографа, так как это показано на рисунке 3.12.
Рис. 3.12. Осциллограммы входного и выходного
сигнала интегрирующей RC
цепи
При указанных в диалоговом окне опциях
результаты моделирования (схема на рисунке 3.1) представлены линейчатым
спектром исследуемого сигнала, так как показано на рисунках 3.13, 3.13.

Рис. 3.13. Спектр исследуемого сигнала при q=10
(а - спектр входного сигнала; б - спектр выходного сигнала)
Результаты исследований занесены в таблице 3.
Таблица 3. Результаты исследований
|
Частота повторения импульсов F,Гц
|
Период импульсной после-ти Т, с
|
Коэффициент заполнения в %
|
Длит. входных импульсов  ,сКол-во
спектр. состав. между «нулями»Гармоники отсутст-е в спектре входного
сигналаГармоники отсутст-е в спектре выходного сигнала
|
|
|
|
|
Прямоугольная форма входных импульсов
|
|
10
|
0,1
|
50
|
0,05
|
1
|
2, 4, 6
|
2, 3, 4…
|
|
10
|
0,1
|
20
|
0,02
|
4
|
5, 10, 15
|
5, 6, 7…
|
|
10
|
0,1
|
10
|
0,01
|
9
|
10, 20, 30
|
8, 9, 10…
|
|
Треугольная форма входных импульсов
|
|
10
|
0,1
|
50
|
0,05
|
1
|
2, 4, 5, 6…
|
2, 3, 4…
|
|
10
|
0,1
|
20
|
0,02
|
4
|
4, 5, 6…
|
|
10
|
0,1
|
10
|
0,01
|
9
|
8, 9, 10…
|
4, 5, 6…
|
Вывод: при прохождении через интегрирующую RC
цепь периодической последовательности прямоугольных и треугольных импульсов,
существенно менялся спектр на выходе цепи. В нем отсутствовали высокочастотные
гармоники. Таким образом, интегрирующая цепь является фильтром низких частот.
Общий вывод по лабораторной работе: в данной
лабораторной работе исследовался спектральный состав последовательности
прямоугольных импульсов при прохождении через различные цепи.
В первой части работы сигнал
проходил через цепь делителя напряжения. В результате проведенных исследований
было установлено, что при увеличении скважности уменьшается уровень постоянной
составляющей. Ширина спектра (ширина лепестка) прямо пропорциональна частоте
источника сигнала и скважности, т.е. 
= F*q, на выходе
цепи уровень постоянной составляющей сигнала меньше, чем при входе.
Во второй части работы сигнал
пропускался через дифференцирующую RC цепь. Было
выяснено, что при уменьшении скважности уменьшается количество спектральных
составляющих в лепестках и ширина спектра, а также в спектре выходного сигнала
отсутствует постоянная составляющая.
В третьей части работы сигнал
проходил через интегрирующую RC цепь. Было выяснено, что
после прохождения сигнала через данную цепь, в его спектре отсутствовали
высокочастотные гармоники, а, следовательно, интегрирующая RC цепь
является фильтром низких частот. Также были проведены исследования для
последовательности треугольных импульсов.