|
Характеристики
<#"801596.files/image002.gif">
Рис 2.
. Операционный усилитель
Операционный
усилитель (ОУ, OpAmp) - усилитель постоянного тока
<#"801596.files/image003.jpg">
Рис.3
Технические параметры
|
Число ОУ в одном корпусе
|
|
|
Архитектура
|
биполярные транзисторы на входе
|
|
Минимальное напряжение питания, В
|
4
|
|
Максимальное напряжение питания, В
|
40
|
|
Ток питания в пересчете на усилитель, мА
|
0.525
|
|
Входное напряжение смещения, мВ
|
0.08
|
|
Входной ток при 25оС, мкА
|
0
|
0
|
|
Температурный дрейф нуля, мкВ/оС
|
0.6
|
|
Коэффициент усиления с разомкнутой ОС, дБ
|
130
|
|
Входное сопротивление, МОм
|
500000
|
|
Входная емкость, пФ
|
3
|
|
Коэффициент ослабления синфазной составляющей (КОСС), дБ
|
135
|
|
Граничная частота усиления в малосигнальном режиме, МГц
|
0.5
|
|
Скорость нарастания выходного напряжения, В/мкс
|
0.15
|
|
Температурный диапазон
|
инд.
|
|
Корпус
|
SO8
|
. Полосовой фильтр
Полосно-пропускающий
фильтр
<#"801596.files/image004.gif">
Рис 4. Принципиальная схема фильтра.
Фильтр
Баттерво́рта - один из типов электронных фильтров. Фильтры
этого класса отличаются от других методом проектирования. Фильтр Баттерворта
проектируется так, чтобы его амплитудно-частотная характеристика была
максимально гладкой на частотах полосы пропускания.
Рис.5.
Для
фильтра Баттерворта 3 порядка АЧХ затухает на -18 дб/декада.
Этот
полосовой фильтр состоит из двух активных фильтров высоких и низких частот
третьего порядка.
Для
того чтобы фильтр низких частот стал фильтром высоких частот нам потребовалось
поменять местами R и C.
Для
ФНЧ:
C0=1/2пfгр;
С1
= т1С0;
С2
= т2С0;
С3
= т3С0;
т1,
т2, т3- берём из таблицы коэффициентов для фильтра Баттерворта 3 порядка.
F=450кГц;
R=10 кОм;
C1=0.63пФ;
C2=1.64пФ;
C3=52.5нФ;
Для
ФВЧ:
R0=1/2пfгр;= R/m1;= R/m2;3 = R/m3;
m1, m2, m3 -
берём из таблицы коэффициентов для фильтра Баттерворта 3 порядка.
F=125кГц;
С123=1
пФ;
R1=0.53 кОм;
R2=0.49 кОм;
R3=3.97 кОм;
.
Реле
Реле - это электромеханическое устройство (переключатель),
предназначенное для коммутации электрических цепей при заданных изменениях
электрических или неэлектрических входных величин.
Работа электромагнитных реле основана на использовании электромагнитных
сил, возникающих в металлическом сердечнике при прохождении тока по виткам его
катушки.
По заданию необходимо применить электромагнитное реле. Для удобства
подключения, воспользуемся переключающим реле. Выбираем реле РЭС60
РС4.569.435-04.01, которое удовлетворяет заданным условиям.
Рис 6 Рис 7
|
Ток питания обмотки
|
постоянный
|
|
Классификация реле по начальному состоянию
|
одностабильное
|
|
Поляризация
|
нейтральное
|
|
Классификация по числу коммутационных положений
|
двухпозиционное
|
|
Количество обмоток
|
1
|
|
Номинальное рабочее напряжение, В
|
4
|
|
Максимальное рабочее напряжение, В
|
4,5
|
|
Контактный набор
|
6. Световая индикация
Светодиод - это полупроводниковый прибор, преобразующий электрический ток
непосредственно в световое излучение.
В светодиоде, в отличие от лампы накаливания или люминесцентной лампы,
электрический ток преобразуется непосредственно в световое излучение, и
теоретически это можно сделать почти без потерь. Действительно, светодиод (при
должном теплоотводе) мало нагревается, что делает его незаменимым для некоторых
приложений. Далее, светодиод излучает в узкой части спектра. Светодиод
механически прочен и исключительно надежен, его срок службы может достигать 100
тысяч часов, что почти в 100 раз больше, чем у лампочки накаливания, и в 5 - 10
раз больше, чем у люминесцентной лампы. Наконец, светодиод - низковольтный
электроприбор, а стало быть, безопасный.
По условию требуется вывести датчик на зеленый и красный светодиоды. Мой
выбор остановился на светодиодах марки АЛ307БМ и АЛ307ВМ.

Рис. 8 Светодиод «АЛ307БМ»
Основные технические данные:
|
Цвет свечения
|
красный
|
|
Длина волны, нм
|
655
|
|
Минимальная сила света Iv мин., мКд
|
0,9
|
|
Максимальная сила света Iv макс., мКд
|
0,9
|
|
При токе Iпр.,
мА
|
10
|
|
Видимый телесный угол, град
|
20
|
|
Цвет линзы
|
красный
|
|
Форма линзы
|
круглая
|
|
Размер линзы
|
5
|
|
Максимальное прямое напряжение, В
|
2
|
|
Максимальное обратное напряжение, В
|
2
|
|
Максимальный импульсный прямой ток, мА
|
100
|
|
Рабочая температура, С°
|
-60…70
|
Рис. 9 «АЛ307ВМ»
Основные технические данные:
|
Цвет свечения
|
зеленый
|
|
Длина волны, нм
|
567
|
|
Минимальная сила света Iv мин., мКд
|
0,4
|
|
Максимальная сила света Iv макс., мКд
|
0,4
|
|
При токе Iпр.,
мА
|
20
|
|
Видимый телесный угол, град
|
20
|
|
Цвет линзы
|
зеленый
|
|
Форма линзы
|
круглая
|
|
Размер линзы
|
5
|
|
Максимальное прямое напряжение, В
|
2,8
|
|
Максимальное обратное напряжение, В
|
2
|
|
Максимальный импульсный прямой ток, мА
|
60
|
|
Рабочая температура, С°
|
-60…70
|
R=(Uвх-Uвых)/Iн
R=950
Ом
Рис 10. Схема подключения светодиода.
. Источник питания
В качестве источника питания, мы используем регулируемый блок питания
фирмы «Velleman».
Рис.11. PS2122LE
Описание:
Встроенный сетевой выключатель.
Выходные напряжения: 3 - 4,5 - 6 - 7,5 - 9 - 12В.
Максимальный ток нагрузки: 2А.
Размеры корпуса: 155 х 95 х 71мм.
Вес: 1,35кг.
Технические параметры:
Выходное напряжение- 12 В.
Выходной ток- 1.5 А.
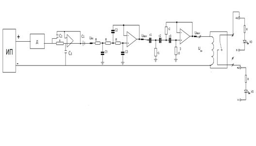
. Принципиальная схема измерительного канала
Рис 12. Описание работы схемы.
С источника питания подается напряжение. Датчик регистрирует и
преобразует в электрический сигнал изменение силы тока распространяющуюся в
рассматриваемом проводе ,датчик демонстрирует увеличение или уменьшение силы
тока.
Далее, идёт усилитель, который увеличивает сигнал по амплитуде , до
требуемой величины. После этого, сигнал попадает на полосовой фильтр , который
отсекает низкие и высокие частоты. Далее идет реле которое в случае уменьшение
силы тока включает первый диод, при увеличение силы тока второй диод. Если не
один из диодов не загорелся значит сила тока в пределах нормах.
Вывод
В данном курсовом проекте был рассмотрен измерительный канал
безконтактного датчика тока. В первую очередь был выбран по заданным значениям
первичный преобразователь и его детальное изучение. Проведена работа по
подборке элементов измерительного канала и их реализация. При совмещении
полученных знаний я составил принципиальную схему измерительного канала.
Список используемой литературы
1. ТитцеУ.
, Шенк К. «Полупроводниковая схемотехника»;
2. Клаассен
К.Б. «Основы измерений. Электронные методы и приборы в измерительной технике»;
. Аш
Ж. с соавторами «Датчики измерительных систем»;
4. Конспект
5. www.platan.ru <http://www.platan.ru> [2]
6. www.chipdip.ru
<http://www.chipdip.ru>
7. Wikipedia.org
[1]
Похожие работы на - Измерительный канал бесконтактного датчика тока
|