Сучасні методи та засоби вимірювання
Курсова робота
Сучасні методи та засоби вимірювання
Вступ
Мета роботи - надати
магістрам-електротехнікам методики вирішення як вузькоспецилізованих, але
важливих для нашого часу, задач електроенергетики так і науково-дослідницьких
питань, що вимагають ретельної, прискіпливої обробки результатів досліджень.
Саме тому зміст роботи складається, по-перше, з питань визначення порушень в
схемах обліку електроенергії, аналізу навантаження мережі та оцінка розміру
фактичного споживання енергії, а, по-друге, в ній розглядаються методи обробки
непрямих, сукупних та сумісних вимірювань, тобто, оцінюється невизначеність
результату.
Вибір варіанту завдання
Вхідні дані до задач вибираються студентом по двом останнім цифрам номера його залікової книжки. При цьому першою цифрою варіанту є остання цифра номера залікової книжки, а другою - предостання цифра. Наприклад, якщо номер залікової книжки 00375, то перша цифра варіанту - «5», а друга цифра варіанту - «7».
Вимоги до оформлення роботи
Курсова робота оформлюється на листах бумаги формату А4
в рукописному
вигляді, синіми або чорними чорнилами, чи за допомогою комп’ютера. Рисунки та таблиці виконуються за допомогою креслярських приладів або комп’ютера.
Оформлення роботи та її елементів повинно відповідати вимогам діючих стандартів та
рекомендаціям, приведеним в методичних вказівках «Правила оформлення текстових учбових документів» [1].
1. Загальні визначення
Види вимірювань
Вимірювання - це знахождення значення фізичної величини експериментальним шляхом за допомогою спеціальних технічних засобів та представлення цих значень в прийнятих одиницях.
Найбільш часто застосовують прямі,
непрямі та сумісні вимірювання.
При прямих вимірюваннях вишуканий результат отримують безпосередньо із експерименту, порівнюючи значення, що вимірюється,
з однорідною мірою або використовуючи
відповідний прилад. Наприклад, опір резистора вимірюють омметром.
Якщо для знаходження значення величини використовують формулу, що з’єднує цю величину з другими, значення яких знаходять за допомогою будь-яких видів вимірювань, то такі вимірювання називають непрямими. Наприклад, якщо виміряти напругу U на резисторі та діючий в ньому струм I, то можна непрямо виміряти (визначити) опір резистора R, використовуючи формулу закону Ома

.
Рівняння,
яке використовують при непрямих
вимірюваннях, називають рівнянням
вимірювання.
Метою сумісних вимірювань є встановлення звязку між декількими величинами в вигляді рівняння. Для цього одночасно виконують декілька вимірювань цих
величин, а потім обробкою отриманих результатів находять коефіцієнти рівняння, яке поєднує величини, що вимірюються.
Наприклад, визначення залежності опору 
провідника від температуры
t
де А, В, С - коефіцієнти, які находять
шляхом математичної обробки після декількох вимірювань опору Rt при різних температурах.
Вимірювання
однієї и тієї же величини,
викононаних в одних і тих
же умовах не більше трьох раз називають одноразовими вимірюваннями.
Якщо вимірювання
однієї и тієї же величини
виконані в одних і тих
же умовах більше трьох раз, то їх відносять до
статистичних вимірювань і
називають багаторазовими спостереженнями.
Похибки
вимірювань
При вимірюваннях, в зв’язку з недоліком наших знань
про об’єкт, неточності
засобів вимірювань та безперервному впливу різних зовнішних факторів як
на розмір величини, так і на процес вимірювання,
неминуче виникають
похибки,
які визивають відхилення отриманого
результату від істиного значення
величини.
По
формі представлення
похибки ділять на абсолютні та відносні.
Абсолютна
похибка Д визначається як
різниця між значенями фізичної величини - виміряним А і дійсним
.
Відносну похибку знаходять як подільне значення абсолютної похибки від дійсного значення величини, яка вимірюється


В залежності від джерела виникнення похибки поділяють на інструментальні та
методичні.
Інструментальні похибки викликані недоскональністю засобів вимірювання,
а також впливом багатьог
неінформативниих (які не є метою вимірювання)
фізичних величин (температури,
частоти, зовнішних магнітних
та електричних полів та інших).
Методичні похибки виникають із-за
недоскональності метода вимірювання
[2, с. 94-97].
По характеру зміни похибки ділять на систематичні та випадкові.
Систематичною називаюь постійну
або похибку, що закономірно змінюється при повторних
вимірюваннях однієї і тієї же величини в одних і тих же умовах.
Систематичні складові похибки аналізуються
оператором, який виконує вимірювання.
Частина з них, яка може бути
оцінена, перетворюється в поправку, яку
вносять в результат вимірювання [2, с. 111-115]; частина похибок, що
залишаються, називають невиключеними систематичними складовими похибками, оцінка та підсумовування яких розглянуті в [3, с. 89-104; 2,
c. 345-347].
До випадкових похибок належать похибки, що виникають завдяки
дії причин, які змінюються при повторних
вимірюваннях однієї і тієї ж величини. Такими
причинами можно вважати коливання температури, вологості, напруженості
зовнішних електромагнітних полів, зміни параметрів елементів приладів і т.д.
Виникнення випадкових похибок має випадковий характер, тому для зменьшення їх
впливу вимірювання треба виконувати багато разів.
Оцінку
випадкової похибки знаходять, використовуючи методи
математичної статистики та
теорії ймовірності.
Грубою похибкою (або промахом) називають випадкову похибку, значення якої значно перевищує можливі значення величини при даних умовах
експеримента. Як правило, вони
виникають при неуважному виконанні вимірювального експерименту.
Належність похибки до
розряду «груба»
оцінюють методами, нормованими
ГОСТ 11.002-73. «Правила оценки анормальности результатов наблюдений».
2.
Підсумовування складових похибок
Якщо похибка
результату вимірювання має декілька систематичних складових, то сумарна похибка
Дс
визначається в залежності від кількості і цих складових ∆
і згідно правил:
якщо кількість і
складових не перевишує трьох, тобто і ≤ 3, то
підсумовування здійснюється арифметично
;
якщо i > 3, то, вибравши надійну
ймовірність Рд = 0.9 або 0.95 (більш передбачлива),
підсумовування виконують по формулі
,
де коефіцієнт m = 0.95 при Рд =0.9,
m
= 1.11 при Рд=0.95
Якщо
складові похибки представлені
систематичною Д с та випадковою
складовими, то похибка результату вимірювання
знаходять згідно правил, встановленим ГОСТ 8.207-76 «Прямые измерения с
многократными наблюдениями. Методы обработки результатов наблюдений»:
якщо Д
с < 0.8 S(
),
то систематичною складовою нехтують і значення похибки результату
приймають рівною
значенню довірчого
інтервалу
випадкової складової
(S(
)
- середньоквадратична оцінка результату вимірювання)
;
- якщо
Д с > 8 S(
),
то випадковою складовою нехтують і приймають похибку результату
вимірювання, яка дорівнює систематичній
складовій похибки
;
- якщо
0.8 S(
)
≤ Дс ≤ 8 S(
),
то границю похибки результату
вимірювання знаходять (по спрощеній методиці) за формулою
.
Тут К - коефіцієнт, який залежить від співвідношення випадкової
та систематичної похибок (див. табл. П5). Він
також може бути розрахований за формулою

.
3.
Правила представлення результату вимірювання
Найбільше часто застосовують форму представлення результату вимірювання згідно вимогам МИ 1317-86. ГСИ. «Результаты и характеристики погрешности измерений»
,
де 
- виправлений результат вимірювання, тобто результат, в якому враховані
поправки;
n - кількість результатів спостережень.
Наприклад, при вимірюванні напруги отримано 80 результатів спостережень. Після обробки отримані: результат 220 V та похибка ± 10 V при надійній ймовірності 0,95. Результат може бути представлений як
U
= 220 V;
;
Pд =0,95; п =80
або
U
= (220±10) V; Pд = 0,95; п = 80.
При одноразових
вимірюваннях не вказують число вимірювань п і надійну ймовірність, якщо
підсумовування складових похибок виконано арифметично.
Похибка результату вимірювань має
бути представлена числом, яке має
не більш ніж дві значащі цифри. Якщо перша із значащих цифр більше
трьох, то дозволяється
залишати одну значащу цифру.
Числове значення результату
вимірювання повинно
закінчуватись цифрою того ж розряду, що і похибка.
При округленні цифра, яка залишається, збільшується
на одиницю, якщо
перша цифра, яка відкидається, пять
і більше.
4.
Завдання
Задача 1.
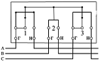
Задание 1. Схеми прямого підключення лічильників приведені на рис. 1.
Необхідно:
використовуючи випробувальну
коробку скласти схему підключення лічильників через вимірювальні трансформатори струму та напруги, реалізуючи задану згідно варіанту схему та
помилку в ній;
побудувати векторну діаграму (активно-індуктивне навантаження фаз рівномерне) для створеної схеми обліку енергії;
визначити коефіцієнти недообліку енергії для даної схеми.
Варіанти завдань приведені в таблиці 1 та на рис. 1.
Таблиця 1 - Варіанти завдань
|
Варіант
|
1
|
2
|
3
|
4
|
5
|
6
|
7
|
8
|
9
|
0
|
|
Номер схеми
|
а)
|
б)
|
б)
|
в)
|
а)
|
в)
|
а)
|
б)
|
б)
|
в)
|
|
Відхилення параметрів фаз
|
UA=0;
|
- IB
|
UB=0;
|
IB=0
|
-IA;
|
Uc=0
|
-Uc;
|
IB=0
|
UC=0;
|
-IA
|
а)
б) в)
Рисунок 1 - Схеми
прямого підключення лічильників активної а), б) та реактивної в) енергій
Задача 2.
При
рівноточних вимірюваннях отримано ряд результатів (табл. 2.1). Встановлені постійна систематична складова похибки Дс1 та невиключені залишки систематичних складових похибок, які оцінені надійними границями Дс2 (Pд).
Необхідно:
виправити та впорядкувати результати спостережень;
побудувати графік залежності середнього арифметичного при зростанні кількості результатів спостережень;
- використовуючи критерій W* (СТ СЭВ 1190-78) перевірити гіпотезу про відповідність ряду нормальному закону розподілу;
- якщо гіпотеза підтверджується, то необхідно перевірити належність цьому впорядкованому ряду крайніх результатів (перевірка на наявність грубих промахів в отриманих результатах);
оцінить випадкову складову похибки, прийнявши надійну ймовірність, яка надана в табл. 2.2;
- по результату аналіза співвідношення випадкової та систематичної складових визначити похибку та представити результат вимірювання у встановленій стандартом формі.
Таблиця 2.1 - Ряд невиправлених результатів спостережень
|
Кількість
спостережень
|
Перша цифра шифра
|
|
1
|
2
|
3
|
4
|
5
|
6
|
7
|
8
|
9
|
0
|
|
1
|
180
|
160
|
130
|
200
|
400
|
120
|
300
|
250
|
150
|
350
|
|
2
|
164
|
150
|
120
|
180
|
430
|
110
|
285
|
240
|
135
|
330
|
|
3
|
192
|
168
|
138
|
216
|
416
|
128
|
312
|
258
|
162
|
367
|
|
4
|
171
|
154
|
124
|
188
|
388
|
114
|
219
|
244
|
141
|
338
|
|
5
|
183
|
162
|
132
|
205
|
405
|
123
|
303
|
253
|
153
|
355
|
|
6
|
183
|
162
|
110
|
204
|
404
|
122
|
303
|
252
|
152
|
354
|
|
7
|
208
|
179
|
149
|
237
|
408
|
128
|
328
|
269
|
178
|
388
|
|
8
|
180
|
160
|
130
|
200
|
400
|
120
|
300
|
250
|
150
|
350
|
|
9
|
168
|
140
|
110
|
160
|
362
|
100
|
270
|
231
|
120
|
311
|
|
10
|
165
|
143
|
113
|
187
|
366
|
103
|
275
|
233
|
125
|
317
|
|
11
|
184
|
163
|
133
|
206
|
406
|
123
|
305
|
253
|
154
|
356
|
|
12
|
169
|
153
|
123
|
-
|
385
|
113
|
289
|
243
|
139
|
-
|
Таблиця 2.2 - Систематичні складові похибки і надійна ймовірність
результату вимірювань
|
Систематичні
складові та надійна ймовірність
|
Друга
цифра шифра
|
|
1
|
2
|
3
|
4
|
5
|
6
|
7
|
8
|
9
|
0
|
|
Дс1
|
5
|
7
|
-9
|
4
|
-3
|
2
|
8
|
-6
|
10
|
-12
|
|
Дс2 (Pд)
|
±7
|
±4
|
±2
|
±5
|
±4
|
±3
|
±6
|
±10
|
±8
|
±3
|
|
Pд
|
0,9
|
0,95
|
0,9
|
0,95
|
0,95
|
0,9
|
0,95
|
0,9
|
0,9
|
0,95
|
Задача 3.
При багаторазових рівноточних вимірюваннях величини постійного значення отримано n = 50 результатів спостережень. При попередній обробці цих результатів були внесені поправки, а також установлено, що невиключені систематичні складові похибки малі при порівнянні з випадковими похибками.
Необхідно:
- розрахувати вхідні дані по (3.1), округлити результати до цілих чисел и привести таблиці а) неупорядкованих та б) впорядкованих даних;
- розрахувати
середнє арифметичне
ряду спостережень та
оцінку S(x) середньоквадратичного
відхилення результата
спостереження;
використовуючи
критерій
Пірсона, перевірити відповідність розподілу
експериментальної
виборки теоретичному нормальному
закону;
побудувати
гістограми
експериментального і
теоретичного рядів в одних і тих
же інтервалах;
визначити та надати в установленій
стандартом формі результат вимірювання, прийнявши надійну ймовірність Pд = 0,95.
Вхідні дані розрахувати
за формулою
Х i = М + N∙bi. (3.1)
Результати розрахунку округляти до цілих чисел.
Значення M и N приведені в табл. 3.1 и 3.2, а коефіцієнт bi в табл. 3.3.
Таблиця 3.1 - Значення М для розрахунку Хi
|
Перша цифра
|
1
|
2
|
3
|
4
|
5
|
6
|
7
|
8
|
9
|
0
|
|
М
|
100
|
200
|
300
|
120
|
150
|
180
|
250
|
180
|
140
|
Таблиця 3.2 - Значення N для розрахунку Хi
|
Друга
цифра
|
1
|
2
|
3
|
4
|
5
|
6
|
7
|
8
|
9
|
0
|
|
N
|
10
|
20
|
10
|
20
|
10
|
20
|
10
|
20
|
10
|
20
|
Таблиця 3.3 - Значення коефіцієнта bi
|
i
|
1
|
2
|
3
|
4
|
5
|
6
|
7
|
8
|
9
|
10
|
|
bi
|
0,25
|
-0,41
|
0,32
|
0,03
|
-0,52
|
0,9
|
-0,91
|
0,63
|
1,09
|
1,86
|
|
i
|
11
|
12
|
13
|
14
|
15
|
16
|
17
|
18
|
19
|
20
|
|
bi
|
0,34
|
-1,69
|
0,83
|
-0,84
|
1,24
|
1,9
|
-0,14
|
0,2
|
0,56
|
-0,32
|
|
i
|
21
|
22
|
23
|
24
|
25
|
26
|
27
|
28
|
29
|
30
|
|
bi
|
1,66
|
-1,33
|
0,26
|
-1,53
|
0,32
|
1,25
|
-0,91
|
-2,04
|
-2,48
|
0,34
|
|
i
|
31
|
32
|
33
|
34
|
35
|
36
|
37
|
38
|
39
|
40
|
|
bi
|
0,66
|
-0,73
|
-0,07
|
0,44
|
1,02
|
1,95
|
1,33
|
-1,55
|
1,11
|
0,37
|
|
i
|
41
|
42
|
43
|
44
|
45
|
46
|
47
|
48
|
49
|
50
|
|
bi
|
-0,28
|
0,8
|
0,56
|
0,28
|
-1,88
|
0,02
|
0,87
|
-3,12
|
-0,88
|
1,57
|
Задача 4
Знайти та надати у встановленій стандартом формі результат непрямого вимірювання величини, відповідно варіанту завдання (табл. 4.1). Оцінку похибки здійснити з надійною ймовірністю Pд (табл. 4.2).
Результати одноразових вимірювань атрибутів рівняння вимірювання (величин, що входять в праву частину рівняння) наведені в табл. 4.3.
Таблиця 4.1 - Рівняння вимірювань
|
Перша цифра
|
1
|
2
|
3
|
4
|
5
|
|
Рівняння вимірювань
|
    
|
|
|
|
|
|
Перша цифра
|
6
|
7
|
8
|
9
|
0
|
|
Рівняння вимірювань
|
    
|
|
|
|
|
Таблиця 4.2 - Надійна ймовірність результату, що очікується
|
Друга
цифра
|
1
|
2
|
3
|
4
|
5
|
6
|
7
|
8
|
9
|
0
|
|
Pд
|
0,9
|
0,95
|
0,9
|
0,9
|
0,95
|
0,9
|
0,95
|
0,95
|
0,9
|
0,95
|
Таблиця 4.3 - Результати прямих вимірювань
|
Напруга
U = (220 ± 10)
V; Pд = 0,95
|
Активна потужність
P = (386,5 ± 0,8) W;
P д = 0,95
|
|
Струм
I = (1,96 ± 0,05) A; Pд
= 0,9
|
Реактивна потужність Q = (193,1 ±
0,9) VAr; Pд
= 0,9
|
|
Повний опір Z = (112 ± 5) Щ;
Pд = 0,9
|
Час вимірювань t = (300 ± 4) s; Pд
= 0,95
|
|
Реактивний опір X = (50,0 ± 2,5)
Щ; P д = 0,95
|
Активна енергія Wa
= (115950 ± 20) W∙s; Pд
= 0,9
|
|
Активний опір R = (100 ± 5) Щ;
Pд = 0,9
|
Cos ц
=(0,833±0,005); Pд
= 0,9 Sin ц
= (0,449±0,006); Pд
= 0,95
|
Задача 5.
Використовуючи метод
найменьших квадратів створити аналітичну функцію, яка б з мінімальною похибкою
відповідала залежності yk (x).
Показати рішення задачі і привести на рисунку в прямокутній системі координат y - x результати експерименту та криву, яка відповідає знайденій функції.
Оцінити похибку аналітичної кривої.
Варіант завдання вибрати згідно першій цифрі шифра.
Таблиця 5.1 - Вихідні дані
|
Перша цифра
|
Результати
експерименту
|
|
1
|
Х
|
1
|
2
|
3
|
5
|
7
|
9
|
10
|
11
|
|
У
|
1
|
5
|
7
|
10
|
11
|
11
|
10,5
|
10,5
|
|
2
|
Х
|
-2
|
0
|
3
|
5
|
6
|
8
|
9
|
11
|
|
У
|
5,6
|
6
|
7
|
7,5
|
7
|
7
|
6
|
5
|
|
3
|
Х
|
1
|
2
|
4
|
6
|
8
|
10
|
12
|
13
|
|
У
|
-4
|
-2
|
2
|
3,5
|
4,5
|
4
|
2,5
|
1,0
|
|
4
|
Х
|
1
|
2
|
4
|
6
|
8
|
9
|
11
|
12
|
|
У
|
11
|
7
|
4
|
2
|
1,5
|
0,5
|
2
|
2
|
|
5
|
Х
|
-5
|
-2
|
0
|
2
|
4
|
6
|
9
|
11
|
|
У
|
1,0
|
-1
|
-3
|
-4,5
|
-4,5
|
-5,5
|
-4
|
-3
|
|
6
|
Х
|
-4
|
-2
|
2
|
4
|
6
|
7
|
9
|
11
|
|
У
|
3,0
|
2
|
3,5
|
4
|
6
|
8
|
10
|
12
|
|
7
|
Х
|
-4
|
-1
|
1
|
4
|
5
|
6
|
7
|
8
|
|
У
|
-6
|
-5
|
-4
|
0
|
5,5
|
7,5
|
12
|
13
|
|
8
|
Х
|
-5
|
-3
|
0
|
2
|
4
|
5
|
7
|
9
|
|
У
|
8
|
9
|
8
|
8,5
|
7
|
6
|
4
|
3
|
|
9
|
Х
|
-2
|
1
|
3
|
4
|
5
|
6
|
9
|
|
У
|
10
|
5
|
3
|
2
|
2
|
2
|
1
|
1
|
|
0
|
Х
|
-5
|
-4
|
-2
|
3
|
3
|
5
|
7
|
9
|
|
У
|
-4
|
0
|
4
|
5,5
|
8
|
9
|
10
|
11
|
Задача 6.
Використати інтерполяцийну формулу Лагранжа
щоб представити залежність
яка
показана нижче на рисунках «Варіант N» (N - номер варіанта, відповідаючий першій
цифрі шифра), в вигляді
полінома

.
На графіку показати криву, побудовану по найденому поліному
та оцінити її похибку.
Варіант
1 Варіант 2
Варіант
3 Варіант
4
Варіант
5 Варіант
6
Варіант
7 Варіант
8

Варіант
9 Варіант
0
5.
Методичні вказівки до задач
До
задачі №1
При обліку
електроенергії є можливість виникнення похибок, обумовлених режимом роботи
мережі (обрив провода, непередбачене занулення і т. п.) або зміною в схемах
обліку (шунтування вторинних зажимів трансформаторів струму, зміною
послідовності чергування фаз та інше).
Якщо виявлена
помилка чи порушення в схемі обліку енергії, то для розрахунку дійсно
використаної енергії
Д необхідно знайти поправку до отриманого по показу лічильника
значення енергії
.
Такою поправкою є розрахунковий коефіцієнт К, який визначається як
співвідношення
.
Визначення
коефіцієнта К в трифазових колах здійснюється шляхом визначення
параметрів навантаження з наступною побудовою векторної діаграми напрууг та
струмів навантаження та розрахунками енергій (або потужностей), що відповідають
а) реально існуючому навантаженню та б) виміряною згідно реальній схемі
підключення лічильника. При цьому часто вважають, що навантаження фаз
рівномірне.
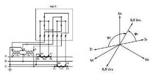
Приклад. Знйти розрахунковий коефіцієнт, якщо встановлена відсутність
напруги фази В при вимірюванні реактивної енергії двоелементным лічильником
(рис. 2).
Рисунок 2 - Дійсна схема
вимірювання реактивної
енергії двоелементним лічильником
Рисунок 3 - Схема вимірювання
реактивної Рисунок 4 - Векторна діаграма потужності двома ватметрами трипровідного трифазового кола
При відсутності порушень реактивна поужність трифазового кола дорівнює
При відсутності напруги фазы В дві послідовно з’єднані обмотки напруги
приладів (паралельні
обмотки двуелементного приладу)
будуть підключені на напругу
.
Тоді
Розрахунковий
коефіцієнт дорівнює
До задачі 2
Обробку результатів спостережень згідно стандарту СЕВ 1190-78 необхідно виконувати в такій послідовності:
1. Виправити
результати спостережень
,
врахувавши відому
систематичну складову похибки, отримавши після цього результати
2. Впорядкувати
ряд виправлених результатів:
3. Скласти таблицю перевірки (табл. 2.1),
в яку внести
та j - ряд чисел від 1 до l.
При цьому l
= n / 2, якщо n
- парне та l
=(n-1)/2, якщо n
- непарне.
Таблиця 2.1 - Дані
до перевірки гіпотези про нормальний розподіл ряду спостережень по критерію
|
ni
|
xi
|
xi2
|
j
|
an-j+1
|
∆xj = xn-j+1 - xj
|
Dj = an-j+1
∙ ∆xj
|
|
1
|
x1
|
x12
|
-
|
-
|
-
|
|
|
2
|
x2
|
x22
|
-
|
-
|
-
|
|
|
.
|
.
|
.
|
-
|
-
|
-
|
|
|
.
|
.
|
.
|
-
|
-
|
-
|
|
|
n-l
|
xn-l+1
|
xn-l+12
|
l
|
an-l+1
|
∆xl = xn-l+1 - xl
|
Dl = an-j+1
∙ ∆xj
|
|
.
|
.
|
.
|
,
|
.
|
.
|
.
|
|
.
|
.
|
.
|
,
|
.
|
.
|
.
|
|
n-1
|
xn-1
|
xn-12
|
2
|
an-1
|
∆x2 = xn-1 -
x2
|
D2 = an-1
∙ ∆x2
|
|
n
|
xn
|
xn2
|
1
|
an
|
∆x1 = xn -
x1
|
D1 = an
∙ ∆x1
|
|
У xi
|
У xi2
|
|
У Dj
|
4. По табл. П1 в залежності від n
та j
знайти коефіцієнти
та
внести в табл. 2.1.
5. Розрахувати
різницю
і добуток Dj
= an-j+1
∙ ∆xj та внести в табл. 2.1.
. Розрахувати
критерій
,
де коефіцієнти
и
дорівнюють
;
.
7. Для визначеного в умові задачі рівня
надійної ймовірності по табл. П2 знайти квантиль
та
порівняти його з розрахованим в п. 6 критерієм
W.
8. При W >
ряд
спостережень має нормальний розподіл.
9. Обробка результатів
ряду нормального закону
розподілу здійснюється
в наступному порядку:
а) необхідно розрахувати
середне
арифметичне ряду
спостережень

та
оцінку середньоквадратичного
відхилення (СКВ) результату
спостережень
;
б) перевірити належність найменьшого (
)
та найбільшого (
)
результатів спостережень до
даного ряду (перевірити наявність грубих промахів в результатах спостережень).
Для цього необхідно
знайти коефіцієнти


та
та порівняти їх з
коефіцієнтом в, який
визначити по таблиці П3 в залежності від надійної ймовірності
і числа спостережень n.
Якщо 
і
(або)
,
то результати спостережень
і
(або), відповідно,
,
є грубими промахами і можуть бути виключені
із ряду.
При виключенні любого з
результатів спостережень із
ряду необхідно
повторити розрахунки п.
9, а) і б).
в) визначити
оцінку середньоквадратичного відхилення результату
вимірювань
;
г) розрахувати надійні
границі випадкової складової похибки
,
де t - коефіцієнт Стьюдента, який необхідно знайти
по таблиці П4 в залежності
від
и
числа ступенів свободи
;
д) за
результатами
оцінки
і
систематичної складової
знайти
співвідношення
та прийняти рішення відносно розрахунку та
представлення
результату вимірювань (див. п. 3.2).
Приклад:
Проведено 5 рівноточних спостережень,
результати яких приведені нижче. Встановлена постійна
систематична складова похибки
та
оцінена надійна границя невиключених залишків
систематичних складових
при апріорно прийнятій
Визначити та представити результат вимірювань у встановленій ГОСТ 8.207.76 формі, принявши
надійну ймовірність
Результати експерименту 9, 11, 10, 10, 6.
Виправлені результати
отримаємо після введення
поправки:
Впорядкований ряд виправлених результатів
представимо в таблиці перевірки гіпотези про нормальний розподіл
Таблиця 2.2 - До перевірки гіпотези
про нормальний розподіл ряду результатів
|
ni
|
xi
|
xi2
|
j
|
an-j+1
|
∆xj = xn-j+1 - xj
|
Dj = an-j+1
∙ ∆xj
|
|
1
|
7
|
49
|
-
|
-
|
-
|
-
|
|
2
|
10
|
100
|
-
|
-
|
-
|
-
|
|
3
|
11
|
121
|
-
|
-
|
-
|
-
|
|
4
|
11
|
121
|
2
|
0,2413
|
11-10 =1
|
0,2413∙1 = 0,241
|
|
5
|
12
|
144
|
1
|
0,6646
|
12-7 =5
|
0,6646∙5 = 3,323
|
|
У =
|
51
|
535
|
|
У =3,564
|
Коефіцієнти
виберемо із табл. П1 та виконаємо розрахунки, які наведені в табл. 2.2.
Розрахуємо
критерій
,
де 
і 
Тоді
.
Для наданій в задачі
надійній ймовірності
і n = 5 із табл. П2 найдемо коефициєнт W* = 0,806.
Так як
,
то виборка має нормальний розподіл.
Среднє арифметичне ряду дорівнює
= 10,2.
Оцінка
СКВ результату
спостереження
=1,924.
Оцінка
СКВ результату
вимірювання
=0,8602.
Визначимо
коефіцієнт перевірки належності крайніх значень
та
даному
ряду
;
.
По
табл. П3 і, враховуючи, що значність
або 10%, та апроксимуючи значення, знайдемо
Так як
і
,
то результати
и
не
є грубими промахами і належать ряду.
Оцінимо випадкову складову похибки
,
знайшовши коефіцінт Стьюдента t = 2,13 по табл. П 4 для ступенів свободи
f = n
-1= 5 -1=4 та
.
Приведемо надійні границі невиключених систематичних
складових, встановлених для
до тих, які, згідно умові задачі, дорівнюють
.
Тому
що частка
, то підсумковою похибкою необхідно
вважати тільки випадкову складову.
Результат вимірювання:
До
задачі №3
Перед
тим, як приступити до розв’язку
задачі необхідно ознайомитись з теоретичним
матеріалом [5, с. 123-163] або [3, с. 62-72, 104-188], [4, с. 195-215].
Обробка
результатів багаторазових спостережень відповідно з ГОСТ 8.207-76 визначає таку послідовність виконання
операцій:
1) Записати вхідні дані
;
2) Впорядкувати
вхідні дані
3) Розрахувати
среднє арифметичне
та СКВ
результату спостережень за
формулами
і, відповідно,
;
4) Провести перевірку гіпотези про належність ряду вхідних даних нормальному розподілу
по критерію
Пірсона в такій
послідовності:
разподілити впорядкований
ряд на r інтервалів та
підрахувати кількість результатів,
що знаходиться в кожному з них (інакше -
складемо інтервальний статистичний ряд).
Ширину інтервалу вибрати в залежності
від числа результатів,
використовуючи формулу Стерджеса:
або
кількість інтервалів r
вибрати, користуючись
рекомендаціями [5]
|
n
|
r
|
|
4-100
|
7-9
|
|
100-500
|
8-12
|
|
500-1000
|
10-16
|
В цьому випадку ширину інтервалу h розраховують за формулою
.
Результат розрахунку ширини
h можно
округлити, якщо ширина інтервалу більше похибки округлення. За початок
першого інтервалу приймають значення
. Результати ряду, які входять в інтервал, повинні
бути більше лівої
границї інтервалу
і меньше або рівній його правій частині:
або
;
- для кожного j - го інтервалу
розрахувати середину
і
підрахувати кількість спостережень
,
які попали в кожний інтервал. Якщо в будь-який інтервал попаде меньше 5 спостережень,
то необхідно його
теоретично поєднати з сусіднім інтервалом (укрупнити
інтервал).
Число, яке показує скільки результатів ряду попало в j - й інтервал називають частотою,
а його частка від загальної кількості спостережень - частосттю
.
Розподіл частостей по інтервалам
утворюють статистичний розподіл результатів
спостережень. Він зображається
графічно в вигляді
гістограми, яка має ступенчату форму,
складену із
прямокутників, основами
яких є інтервали довжиною
,
а висоти дорівнюють густині
частостей
.
Сума площ усіх прямокутників
дорівнює одиниці;
розрахувати
число спостережень
,
яке теоретично
відповідає нормальному розподілу
,
де n - загальна кількість спостережень;
-
ширина j-го інтервалу;
-
нормальное число спостережень, яке відповідає j-му інтервалу;
-
значення густини ймовірності,
яке знаходять по табл. П 7.
обчислити
показник різниці частот 
.
Тут
.
При обчисленні
необхідно враховувати, що якщо в будь-який інтервал
попадає меньше ніж 5 спостережень, то необхідно
його теоретично
поєднати з сусіднім інтервалом (укрупнити
інтервал);
розрахувати
число ступенів свободи К
К
= r - 3,
де r - загальне число інтервалів (якщо проведено укрупнення,
то r - число інтервалів після укрупнення).
вибрати рівень визначеності з рекомендованого
діапазону

(
,
як правило,
)
і по таблиці П. 6 знайти
для
і
числа ступенів свободи К, а також для
і
того ж К знайти
.
Гіпотеза
про нормальність
вхідних даних буде
підтверджена, якщо
.
5) Перевірити, чи не є найменший
та найбільший
результати грубими промахами, які не відповідають даному нормальному ряду (див. попередню задачу).
) Якщо
анормальні результати
виключені, то розрахувати знову
і
.
По знайденому в табл. П. 4 коефіцієнту Стьюдента розрахувати надійні границі
випадкової похибки результату
вимірювань
.
7) Так як невключені остатки систематичної складової похибки малі в порівнянні з випадковою похибкою, то приймемо, що похибка результату вимірювань визначається тільки випадковою складовою
.
) Результат вимірювання записати в формі
.
Приклад:
По умовам задачі (див.
№3 в розділі «Контрольні завдання») визначити
результат вимірювань і представити
його у встановленій стандартом
формі, якщо М = 400 і
N =10, а Рд
= 0.95.
Розв’язок
Встановимо по
(3-1) результати
багаторазових спостережень
; 369; 403; 400; 395;
409; 391; 406; 411; 419; 403; 383; 408; 395; 412; 419; 399; 402; 406; 397; 417;
387; 403; 415; 403; 412; 391; 380; 375; 403; 407; 393; 399; 404; 410; 420; 413;
384; 389; 404; 397; 408; 394; 403; 381; 400; 409; 396; 391; 416.
Впорядкуємо ряд
; 375; 380; 381; 383;
384; 387; 389; 391; 391; 391; 393; 394; 395; 395; 396; 397; 397; 399; 399; 400;
400; 402; 402; 403; 403; 403; 403; 403; 403; 404; 404; 406; 406; 407; 408; 408;
409; 409; 410; 411; 412; 412; 413; 415; 416; 417; 418; 419; 420;
Обчислимо середнє арифметичне ряду спостережень і оцінку середньоквадратичного
відхилення S
і
Виберемо число інтервалів r = 9. Ширина
интервалу
.
Розділимо виборку на інтервали та знайдемо середину
для
кожного інтервалу. Підрахуємо кількість спостережень
,
які попали в кожний інтервал. Результати
угруповання та
наступних розрахунків наведені в табл. 3.4. Значення густин ймовірностей знаходимо по таблиці П 7.
Таблиця 3.4 - Перевірка нормального закону розподілу ряда по критерію Пірсона
Номер інтервалу j Середина
інтервалу
Число спостережень в інтервалі
|
    
|
|
|
|
|
|
|
|
|
1
|
371.5
|
1
|
6
|
-29.1
|
2.49
|
0,018
|
|
5.06
|
0,175
|
|
2
|
377.5
|
2
|
|
-23.1
|
1.97
|
0,0573
|
|
|
|
|
3
|
383.5
|
3
|
|
-17.1
|
1.46
|
0,1374
|
|
|
|
|
4
|
389
|
5
|
-11.6
|
0.99
|
0,2444
|
5,89
|
0,134
|
|
5
|
394.5
|
7
|
-6.1
|
0.52
|
0,3485
|
8,40
|
|
6
|
400.5
|
12
|
-0.14
|
0.012
|
0,3989
|
9,66
|
0,566
|
|
7
|
406
|
7
|
5.4
|
0.46
|
0,3589
|
8,69
|
0,329
|
|
8
|
411.5
|
7
|
10.9
|
0.93
|
0,2589
|
6,28
|
0,082
|
|
9
|
417.5
|
6
|
16.9
|
1.44
|
0,1415
|
3,43
|
1,92
|
Прийнявши рівень значності критерія 
і,
визнавши число ступенів вільності
(тут r' - число укрупнених інтервалів), по таблиці П 6 знайдемо верхню 
і
нижню
критичні області:
для К = 4 і
;
для К = 4 і
.
Так як
,
то гіпотеза про нормальність ряду результатів підтверджується.
Перевірка анормальності крайніх
результатів
;
.
Із
табл. П. 3 для
та n = 50 знайдемо в
= 3.16.
Так як
,
то обидва результати
можна вважати
нормальними.
Середньоквадратичне відхилення
результату вимірювань дорівнює
.
При надійній
ймовірності
і
кількості ступенів свободи f = 50 - 1 = 49 коефіцієнт Стьюдента t = 2,01 (див. табл. П 4), відповідно, надійні границі випадкової
похибки
.
Результат
вимірювань
До
задачі №4
Необхідно ознайомитись з
теоретичним матеріалом [3, с. 139-167; 4,
с. 222-229].
Методи оцінки результатів непрямих вимірювань залежать від
вигляду рівняння вимірювання (явне
чи не явне) та від лінійної чи нелінійної залежності між вишуканою величиною та аргументами, які вимірюється.
Рівняння вимірювання може бути
в явному вигляді:
при лінійній залежності
;
- при нелінійній залежності, яка реалізується при використанні нелінійних математичних операцій: множення, ділення, піднесення в ступінь і т.д.
,
де
-
постійні коефіцієнти.
Результат
непрямого
однократного вимірювання, як при лінійних, так і при нелінійних рівняннях
вимірювання явного виду
знаходять підстановкою в них результатів
вимірювання аргументів
,
тобто:

.
Надійні
границі систематичної
складової похибки
результату непрямого вимірювання знаходять в залежності від
форми представлення
похибок невиключених систематичних
складових похибок аргументів та
вигляду рівняння вимірювань.
Так, якщо систематичні
похибки аргументів представлені границями
,
то границі систематичної
похибки результату
вимірювань визначаються
так: для лінійних рівнянь
;
для нелінійних рівнянь
.
Тут т - коефіцієнт, який залежить від
прийнятої ймовірності
(див. ГОСТ 8.207-76);
п
- число i - их складових;
-
часткова похідна функції y по і -
му аргументу. Значення
похідної
обчислюють при підстановкі результатів
.
Якщо
систематичні похибки аргументів представлені надійними границями
,
то границі систематичної
складової похибки результату
непрямого вимірювання необхідно визначити,
використовуючи вирази:
для лінейних рівнянь
;
для нелінійних рівнянь
.
Результат вимірювань має
вигляд, встановлений стандартом.
Приклад:
Знайти
та представити
у встановленій стандартом формі результат непрямого вимірювання індуктивності L, оцінити його похибку
з надійною ймовірністтю
=
0.95.
Рівняння вимірювання
Значення аргументів:
Розв’язок:

.
Похибка
оцінки індуктивності
ті
- коефіцієнт, який залежить від
. Для
.
Тоді
Результат вимірювання
До
задачі №5
Часто результатом эксперименту є ряд
значень величини y при зміні
другої величини x і виникає необхідність
у встановлені функційної залежності між цими величинами в вигляді
y = f(x).
Вигляд функції встановлюється, як правило, на основі характера розміщення на координатній площині точок, які відповідають експериментальним даним. ілюстрації такого підходу до вибора вигляду функції приведені на рис. 5.1, а, б, в, під вісью абсцис яких указано очікуваний вигляд функції.
а) y = a + b∙x б) y = a + xb∙c в) y = a∙x2 + b∙x + c
Рисунок 5.1 - Графічні зображення функцій
Загальний вигляд рівняння допустимо представити залежністтю
,
в якій необхідно подібрати (визначити) параметри a, b…c так, щоб функція найкращим чином відповідала процесу, який розглядається.
Використаємо для цієї мети метод найменьших квадратів (МНК).
Розглянемо суму квадратів різниць значень yi, отриманих експериментально і розрахованих по функції
f(xi, a, b,…, c), (5.1)
в відповідних і - их точках
.
Припустимо, що вибрані
нами значення a, b,…, c забезпечують мінімальне значення цієї суми, тобто
.
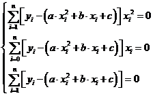
Мінімум буде мати місце, якщо
або,
в розгорнутому вигляді
(5.2)
Число рівнянь в системі (5.2) дорівнює числу невідомих.
В кожному конкретному
випадку досліджується питання про
існування розв’язку системи рівнянь (5.2) та
про існування мінімуму функції
S (a,
b, c)
(см. Пискунов Н.С. Дифференциальное и интегральное исчисления. Ч. 1: М,
1970, 456 с., ил.).
Розглянемо декілька прикладів визначення
функції y
= f (x,
a, b,
c).
Приклад 1.
Нехай
проведено n
вимірювань. Для кожного значення xi отримано результат вимірювань yi.
По розміщенню результатів вимірювань
(сімейства точок)
на площині залежність y
= f(x)
близька до лінійної:
.
Тоді функція S (a,
b) має вигляд
.
Продиференцюємо цю функцію по змінним a,
b:
.
Спростуємо запис, виділимо вишукані змінні a,
b і
представимо систему в вигляді
Аналіз системи
(5.3) (див. посилку на підручник Піскунова Н.С.) показує, що система має
рішення і що при значеннях a, b функція S (a, b) має мінимум.
Приклад 2.
Припустимо,
що функція має вигляд
y = a x2 +
b x + c.
Тоді
.
Знайдёмо


.
Представим ці рівняння в вигляді системи
В розгорнутому
вигляді остаточно
Розв’язавши цю систему, знайдемо коефіцієнти a,
b, c вибраного рівняння.
Приклад 3.
Найти функцію, яка відповідає результатам експерименту (див. таблицю 3)
Таблиця 3 - Вихідні
дані до прикладу 3
Якщо розмістити позначки
на
координатній площині, то можна припустити лінійний характер функції
y = a∙x+b.
Знайдемо значення коефіцієнтів при змінних a, b (див. систему (5.3))
.
Система рівнянь має вигляд
Звідси a = -0,743; b = 4,564, а
рівняння вишуканої залежності має вигляд:
y = 4,54 - 0,743x.
Графік прямої, яка відповідає цьому рівнянню, приведено на рис. 5.2.
Рисунок 5.2 - Графік
вишуканої лінійної функції
До задачі №6
Щоб підібрати формулу, яка буде
відповідати залежності між двома представленими в вигляді графіка
величинами, часто використовують формулу Лагранжа [7, с. 578-584].
Гладку функцію y(x) при обмежених діапазонах зміни x можна з наданою точністю, представити поліномом ступені n:
.
Щоб
знайти всі коефіцієнти полінома, необхідно знати
n + 1 значень
функції
для
значень
.
В цьому випадку формула Лагранжа буде мати вигляд:
В кожному доданку правої частки чисельник представляє собою
добуток n
скобок вигляду (x - xk),
а знаменник - також добуток n
скобок вигляду (xi - xk).
В цих скобках i-номер
члена формули, який співпадає з
номером ординати yi,
що входить в цей доданок, а k приймає всі значення від
1 до n + 1, крім i.
Після помножения всіх
скобок і приведення подібних членів отримаємо
поліном n-ої ступені відносно x.
При наближенні поліномами завдяки зростанню ступені полінома точність наближеної функції зростає. Ступінь полінома не повинна бути меньш ніж збільшеної на одиницю
загальної кількості мінімумів і максимумів функції на часткі зміни аргументу,
що розглядається. В значеннях
обов’язково вибрати значення xi в
точках скривлення кривої по графіку.
Після визначення поліному необхідно
побудувати теоретичний графік залежності
в спільних
координатних вісях з експериментальним
графіком yэ(x) та в точках xm
найбільшого розхождення їх знайти похибки
наближення
.
Якщо похибка
перевищує граничну похибку експерименту, необхідно процес зближення повторити, збільшивши
ступінь поліному.
Приклад
Користуючись
формулою Лагранжа підібрати формулу, що відповідає
експериментальній
залежності y(x), яка приведена графічно
на рис. 5 так, щоб похибка розрахункової та вхідної залежностей не перевищувала
5%.
Рисунок 5 - Графічний результат експерименту
Знайдемо із графіка:
|
i
|
1
|
2
|
3
|
|
|
-4
|
-1
|
2
|
|
|
1.2
|
1.4
|
5.3
|
Крива експериментальної залежності має один екстремум, тому використаємо рівняння параболи.
Формула Лагранжа в цьому випадку:
Після спрощення отримаємо рівняння
Визначимо
значення
для
декількох значень хі
|
x
|
-4
|
-3
|
-2
|
0
|
1
|
2
|
|
y
|
1.21
|
0.86
|
0.93
|
2.29
|
3.59
|
5.3
|
Похибка інтерполяції кривої меньше ніж 5%.
Висновок
Найбільш часто застосовують прямі, непрямі та сумісні вимірювання.
При прямих вимірюваннях вишуканий результат отримують безпосередньо із експерименту, порівнюючи значення, що вимірюється, з однорідною мірою або використовуючи відповідний прилад.
Наприклад, опір резистора вимірюють омметром.
Якщо для знаходження значення величини використовують формулу, що з’єднує цю величину з другими, значення яких знаходять за допомогою будь-яких видів вимірювань, то такі вимірювання називають непрямими.
Рівняння, яке використовують при непрямих вимірюваннях, називають рівнянням вимірювання.
Метою сумісних вимірювань є встановлення звязку між декількими величинами в вигляді рівняння. Для цього одночасно виконують декілька вимірювань цих величин, а потім обробкою отриманих результатів находять коефіцієнти рівняння, яке поєднує величини, що вимірюються.
Вимірювання однієї и тієї же величини, викононаних в одних і тих же умовах не більше трьох раз називають одноразовими вимірюваннями.
Якщо вимірювання однієї и тієї же величини виконані в одних і тих же умовах більше трьох раз, то їх відносять до статистичних вимірювань і називають багаторазовими спостереженнями.
При вимірюваннях, в зв’язку з недоліком наших знань про об’єкт, неточності засобів вимірювань та безперервному впливу різних зовнішних факторів як на розмір величини, так і на процес вимірювання, неминуче виникають похибки, які визивають відхилення отриманого результату від істиного значення величини.
Інструментальні похибки викликані недоскональністю засобів вимірювання, а також впливом багатьог неінформативниих (які не є метою вимірювання) фізичних величин (температури, частоти, зовнішних магнітних та електричних полів та інших).
По характеру зміни похибки ділять на систематичні та випадкові.
Систематичною називаюь постійну або похибку, що закономірно змінюється при повторних вимірюваннях однієї і тієї же величини в одних і тих же умовах.
До випадкових похибок належать похибки, що виникають завдяки дії причин, які змінюються при повторних вимірюваннях однієї і тієї ж величини. Такими причинами можно вважати
коливання температури, вологості, напруженості зовнішних електромагнітних
полів, зміни параметрів елементів приладів і т.д. Виникнення випадкових похибок
має випадковий характер, тому для зменьшення їх впливу вимірювання треба
виконувати багато разів.
Оцінку випадкової похибки знаходять, використовуючи методи математичної статистики та теорії ймовірності.
Грубою похибкою (або промахом) називають випадкову похибку, значення якої значно перевищує можливі значення величини при даних умовах експеримента. Як правило, вони виникають при неуважному виконанні вимірювального експерименту.
Література
1. Правила
оформлення текстових учбових документів для студентів денної та заочної форми
навчання за напрямками «Електротехніка» та «Електромеханіка» /Укл. О.В. Яковлев
- Одеса: ОНПУ.2008. - С. 30.
2. Теоретические
основы информационно-измерительной техники. Орнатский П.П. 2-е изд., перераб. и
доп. - Киев: Вища школа. Головное издательство, 1983 - 455 с.
3. Рабинович С.Г.
Погрешности измерений. - Л.: Энергия. 2011. -
262с, ил.
. Селиванов М.Н.,
Фридман А.Э., Кудряшова Ж.Ф. Качество измерений:
Метрологическая
справочная книга. - Л.: Лениздат, 1987. - 295с, ил.
. Левинзон С.В., Яковлев
А.В., Левинзон В.С. Обработка результатов измерений. Калуга.
МФ МТТУ им. Баумана Н.Е.
2008. С. 50.
6. Основы метрологии. Бурдун Г.Д., Марков Б.Н. Учебное пособие для вузов.
М. Издательство стандартов, 1972. -312 с.
7. Пустовалов Г.Б., Галатаева Е.В. Простейшие физические измерения и
их обработка. МГУ. 1967, 184 с.
. В.Э. Воротницкий, Е.В. Комкова, О.В. Туркина, В.Н. Апряткин.
Методы и средства выявления безучетного потребления электрической энергии при
наличии приборов учета. Методическсое пособие. - М.: Диалог - электро, 2009, С.
47.