Релейная защита фидера контактной сети однофазного переменного тока
РОСЖЕЛДОР
Федеральное
государственное бюджетное образовательное учреждение высшего профессионального
образования
«Ростовский
государственный университет путей сообщения»
(ФГБОУ
ВПО РГУПС)
Факультет
- Энергетический
Кафедра
«Автоматизированные системы электроснабжения»
Специальность
190401 - Электроснабжение железных дорог
Пояснительная
записка к курсовой работе по дисциплине:
«Релейная
защита»
Релейная
защита фидера контактной сети однофазного переменного тока
Выполнил
студент гр. ЭС-4-174
Колесников
С.С.
Руководитель
работы
д.т.н.,
профессор Жарков Ю. И.
г.
Ростов-на-Дону 2014г.
Реферат
Пояснительная записка содержит 29 страниц, 15
рисунков и 3 использованных источника.
Тема курсовой работы «Релейная защита фидера
контактной сети однофазного переменного тока».
Цель работы - расчёт параметров тяговой сети в
нормальном режиме и при коротких замыканиях (КЗ), выбор уставок защит,
определение зон действия защиты.
В процессе работы выполнен расчёт значений токов
короткого замыкания, расчёт напряжений на шинах тяговой подстанции и расчёт
сопротивлений, измеряемых защитой фидеров тяговой подстанции с использованием
комплекса программ «КОРТЭС».
Также выбраны уставки защит, определены зоны
действия защит, составлены графики селективности.
Содержание
Введение
. Расчёт
параметров короткого замыкания и нормального режима
.1. Общие
положения
1.2. Создание
схемы питания межподстанционной зоны
.3. Создание
параметров системы электроснабжения межподстанционной зоны
1.4Моделирование
и расчёт параметров короткого замыкания
1.5. Расчёт
параметров нормального режима
. Выбор
комплекта релейной защиты присоединения контактной сети
.1. Основные
требования к свойствам релейной защиты контактной сети
2.2. Состав
и функциональная схема системы релейной защиты
.3. Выбор
комплекта защиты
3. Расчёт
и анализ устойчивости функционирования и селективности релейной защиты
присоединения контактной сети
.1. Общие
положения
3.2. Расчёт
уставок основной, резервных и дополнительных защит
3.3. Определение
зон действия защит и графики селективности
Заключение
Список
используемых источников
Введение
Короткие замыкания в системах электроснабжения
могут привести к причинению крупного ущерба потребителям электроэнергии. Одним
из важнейших потребителей является электроподвижной состав. То есть тяга.
Короткие замыкани возникают вследствие обрыва и схлестывания проводов при
сильном ветре или гололеде, различных дефектов, нарушения изоляции токоведущих
частей, неисправности на ЭПС, ошибочной подачи напряжения на заземленный
участок.
При любом коротком замыкании, необходимо как
можно скорее отключить поврежденный участок, или же электрооборудование от всех
источников питания. Для этого и используется релейная защита.
Для отключения только поврежденного участка
контактной сети релейная защита должна быть избирательной (селективной). Для
уменьшения причиненного ущерба отключение должно быть надежным и производиться
как можно быстрее. Необходимо одновременно отключать выключатели на шинах
подстанции и поста секционирования.
В данной работе произведен расчет параметров
короткого замыкания (КЗ) и нормального режима для смоделированной схемы питания
межподстанционной зоны, выбран комплект релейной защиты для выключателя на
тяговой подстанции (ТП) в соответствии с предъявляемыми требованиями, рассчитаны
параметры срабатывания и определены зоны действия данной защиты. Даны
рекомендации по увеличению надежности срабатывания и устойчивости
функционирования защиты.
Моделирование и расчёт параметров короткого замыкания и нормального режима
.1 Общие положения
В данном разделе смоделирована схема питания
межподстанционной зоны. Также рассчитаны параметры нормального режима и режимов
КЗ (токи фидера, напряжение на шинах, сопротивление тяговой сети), составлены
таблицы и построены графики зависимости параметров КЗ от расстояния до точки
замыкания.
.2 Создание схемы питания межподстанционной
зоны
Параметры короткого замыкания, измеряемые
защитой, вычисляем для выключателя правого плеча питания тяговой подстанции А.
Рисунок 1.1 - Полная схема двухстороннего
питания тяговой сети однопутного участка
На рисунке 1.1 приведены следующие условные
обозначения: ТПА, ТПВ - тяговые подстанции; ПС - пост секционирования; К -
короткое замыкание; QА, QВ
- выключатели на подстанциях; QПА,
QПВ выключатели на
посту секционирования; АВ- расстояния между подстанциями; АП - расстояние от
подстанции А до поста секционирования
Пост секционирования (ПС) расположен посередине
межподстанционной зоны. Мощности тяговых подстанций одинаковые.
К параметрам КЗ относятся:
- ток, протекающий через заданный
выключатель
;
- сопротивление, измеряемое защитой
выключателя
;
- напряжение на шинах, к которым
подключён выключатель
.
Так как выключатель
расположен
на подстанции А, то
, где
-
напряжение на шинах подстанции А.
В режиме минимума мощность КЗ вычисляют по
формуле:
, (1.1)
где
- сопротивление энергосистемы при
базовом напряжении
=27,5 кВ.
МВА.
Схема тяговой сети ТПO
представлена на рисунке 1.2, где Т - несущий трос; П - контактный провод; Р -
рельсовая цепь, О - обратный провод.
Рисунок 1.2 - Расположение проводов
в сети ТПO
1.3
Создание параметров системы электроснабжения межподстанционной зоны
Схема питания межподстанционной зоны создаётся в
комплексе программ КОРТЭС для последующего анализа и расчёта её режимов.
С помощью программного модуля KAUbas
задаются параметры рассчитываемого участка. Здесь можно вводить и изменять
такие данные, как:
количество путей на участке;
список объектов, находящихся на участке (тяговых
подстанций, постов секционирования) с заданием их координат;
параметры тяговых подстанций (мощность короткого
замыкания на вводах ТП, тип трансформатора, количество включённых в работу
трансформаторов);
На рисунке 1.3 представлено окно модуля задания
параметров системы питания межподстанционной зоны.
Рисунок 1.3 - Окно модуля задания параметров
1.4
Моделирование и расчёт параметров короткого замыкания
Производятся расчёты параметров коротких
замыканий с помощью программного модуля KA_KZ.
Программа KA_KZ (рисунок 1.4) комплекса КОРТЭС предназначена для выполнения
электрических расчётов установившихся режимов короткого замыкания в системе
тягового электроснабжения переменного тока 27,5 кВ при различных схемах питания
и секционирования контактной сети. Результаты расчётов используются для анализа
параметров аварийных режимов и выбора уставок защиты.
Место КЗ задаётся в любой точке контактной сети
между граничными воздушными промежутками основного хода или ветви, а также на
шинах ЭЧЭ и ПС. В цепь КЗ дополнительно может быть включено переходное сопротивление
и (или) падение напряжения в дуге.
Результатами расчётов являются комплексные
значения токов, протекающих через выключатели и разъединители всех объектов
контролируемого участка схемы, напряжений на шинах ЭЧЭ и ПС, а также
сопротивлений, измеряемых дистанционными защитами.
Рисунок 1.4 - Модуль KA_KZ
программного комплекса КОРТЭС
Рисунок 1.5 - Схема участка при КЗ на 25 км
В таблице 1 приведены данные, полученные с
помощью программного комплекса КОРТЭС для режимов минимума и максимума
энергосистемы.
Таблица 1 - данные, полученные с помощью
программного комплекса КОРТЭС для режимов минимума и максимума энергосистемы
|
IQA
|
IQA
|
UA
|
UA
|
ZQA
|
ZQA
|
|
k
|
min
|
max
|
min
|
max
|
min
|
max
|
|
0
|
4253
|
5579
|
0
|
0
|
0
|
0
|
|
4
|
3500
|
4369
|
4830
|
6030
|
1,4
|
1,4
|
|
8
|
2974
|
3587
|
8210
|
9900
|
2,8
|
2,8
|
|
12
|
2584
|
3042
|
10700
|
12600
|
4,1
|
4,1
|
|
16
|
2285
|
2640
|
12620
|
14580
|
5,5
|
5,5
|
|
20
|
2048
|
2332
|
14140
|
16100
|
6,9
|
6,9
|
|
24
|
2088
|
15370
|
17300
|
8,3
|
8,3
|
|
27
|
1733
|
1936
|
16150
|
18040
|
9,3
|
9,3
|
|
32
|
1562
|
1727
|
17250
|
19070
|
11
|
11
|
|
36
|
1447
|
1589
|
17980
|
19740
|
12,4
|
12,4
|
|
40
|
1348
|
1472
|
18610
|
20320
|
13,8
|
13,8
|
|
44
|
1262
|
1371
|
19160
|
20810
|
15,2
|
15,2
|
|
48
|
1186
|
1282
|
19640
|
21250
|
16,6
|
16,6
|
|
52
|
1119
|
1205
|
20070
|
21630
|
17,9
|
17,9
|
|
54
|
1088
|
1170
|
20270
|
21800
|
18,6
|
18,6
|
|
км
|
А
|
А
|
B
|
B
|
Ом
|
Ом
|
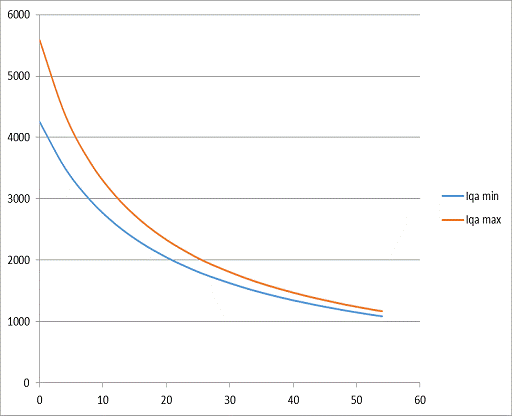
По полученным данным построим графики
зависимостей токов, напряжений и сопротивлений от расстояния до точки короткого
замыкания для режимов максимума и минимума энергосистемы.

Рисунок 1.7 - Напряжения на шинах ТПА
Рисунок 1.8 - Сопротивления, измеряемые защитой
выключателя QA
1.5
Расчёт параметров нормального режима
К параметрам нормального режима относятся:
наибольшее значение тока Iнmax,
протекающего через заданный выключатель Q;
наименьшее напряжение Uнmin,
на шинах тяговой подстанции, Uнmin=25000
В;
наименьшее значение сопротивленияZн,min,
измеряемое защитой заданного выключателя Q.
При правильном выборе установок срабатывания
защита не должна реагировать на параметры Iнmax,
Uнmin,
Zн,min.
Расчётную величину тока, протекающего через
заданный выключатель Iнmax
при нормальном режиме работы для фидера тяговой подстанции определим по
формуле:
(1.2)
где Iтр - ток
трогания грузового поезда, А;
Iср - средний
ток грузового поезда, А;
nэ - общее число
поездов, находящихся на одном пути в расчётной зоне в интенсивный час, для
однопутного участка nэ=4;
А.
Минимальное значение сопротивления Zн,min,
измеряемое защитой выключателя подстанции в нормальном режиме работы, вычисляют
по формуле:
(1.3)
Ом.
В данном разделе проведены расчёты
токов, напряжений в узловых точках и сопротивлений, измеряемых защитой
выключателя тяговой подстанции, в аварийном режиме.
Расчёты сведены в таблицы, построены
графики зависимостей обозначенных величин от расстояния до места короткого замыкания.
Защиту выключателей необходимо
настраивать по всем трём параметрам (ток, напряжение на шинах, сопротивление
сети), характеризующим аварийный режим.
2. Выбор комплекта релейной защиты
присоединения контактной сети
.1 Основные требования к свойствам релейной
защиты контактной сети
Релейная защита относится к особо ответственным
элементам электроустановок и должна отвечать целому ряду специальных
требований. При этом необходимо, чтобы она обеспечила отключение всех возможных
токов КЗ при повреждениях в любой точке защищаемого объекта.
При выборе комплекта защит необходимо учитывать
возможный отказ как минимум одной ступени защиты, либо одного из выключателей
фидерной зоны на участке между питающей подстанцией и местом КЗ, при этом
отключение повреждённого участка должно быть обеспечено резервными защитами или
другими выключателями. Это правило будет соблюдаться, если КЗ в любой точке
межподстанционной зоны окажется в зоне действия не менее чем двух защит,
включая резервные ступени.
Защита должна быть селективной. Это свойство
обеспечивается с помощью выдержки времени, применением направленных защит.
Защита должна удовлетворять требованию
устойчивости функционирования, т.е. обеспечивать чувствительность ко всем КЗ в
защищаемой зоне, нечувствительность к внешним КЗ, нечувствительность к
параметрам нормального режима.
Первые два требования в одной ступени защиты,
как правило, реализовать невозможно. Поэтому для их выполнения используются две
ступени: первая из них обеспечивает отключение без выдержки времени только
внутренних КЗ и не реагирует на внешние КЗ, вторая обеспечивает с выдержкой
времени необходимый коэффициент чувствительности при КЗ в конце зоны защиты.
Защита должна иметь резервные ступени, как для
ближнего, так и для дальнего резервирования.
На тяговых подстанциях выключатели контактной
сети переменного тока должны быть оборудованы, как правило, трёхступенчатой
дистанционной (ДЗ) направленной защитой, дополнительной токовой отсечкой.
Первая ступень ДЗ1 имеет зону, не доходящую до
шин поста секционирования во избежание излишних срабатываний при внешних КЗ.
Эта ступень не имеет выдержки времени. Свойство этой ступени обеспечивается
либо блокировкой по току (БТ) при ненаправленном реле сопротивления, либо
применением направленного реле сопротивления.
Вторая ступень ДЗ2 выполняется с выдержкой
времени и должна обеспечить нормальное значение коэффициента чувствительности
при КЗ на шинах поста секционирования.
Третья ступень ДЗ3 является резервной. Она
должна срабатывать с требуемым коэффициентом чувствительности и в том случае,
если отказывают защиты или выключатель поста секционирования. Эта ступень имеет
ещё большую выдержку времени.
Близкие к шинам подстанции КЗ отключаются без
выдержки времени токовой отсечкой (ТО).
Рисунок 2.1 - Угловые характеристики
срабатывания релейной защиты
2.2 Состав и функциональная схема системы
релейной защиты
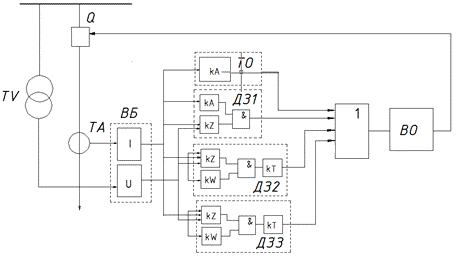
На рисунке 2.2 приведена
функциональная схема защиты фидера контактной сети однофазного переменного
тока, воздействующая на выключатель
. Защита присоединена к
измерительным трансформаторам тока ТА и напряжения TV через
входной блок ВБ. В этом блоке сигналы вторичных обмоток ТА и TV
пропорционально понижаются до уровня, приемлемого для последующих цепей
релейной защиты, в нем формируются уставки срабатывания и осуществляется
гальваническая развязка схемы от вторичных цепей ТА и ТV. К выходу
блока ВБ подключены блоки защиты, осуществляющие токовую отсечку ТО и
дистанционную защиту со ступенями ДЗ1, ДЗ2, ДЗ3. Выходные сигналы этих блоков
через логическую ячейку ИЛИ поступают на выходной орган ВО, который
воздействует на отключение выключателя
.
Рисунок 2.2 - Функциональная схема
защиты фидера
2.3 Выбор комплекта защиты
Для защиты фидера контактной сети однофазного
переменного тока выбираем микропроцессорный терминал ЦЗА - 27,5 - ФКС.
Микропроцессорный терминал ЦЗА
- 27,5 - ФКС предназначен для выполнения функций защиты и автоматики, контроля
и сигнализации, местного и дистанционного управления фидером контактной сети
переменного тока напряжением 27,5 кВ. Устройство ЦЗА-27,5-ФКС может включаться
в автоматизированную систему управления (АСУ) подстанции в качестве подсистемы
нижнего уровня. В этом случае двусторонний обмен информацией с АСУ производится
по стандартному последовательному каналу связи.
Область применения - ячейки
комплектных распределительных устройств тяговой подстанции, помещения щитовых
на подстанциях и т.д.
Устройство ЦЗА-27,5-ФКС имеет
последовательный интерфейс RS-232 для подключения персональной
электронно-вычислительной машины (ПЭВМ) (например, типа NOTEBOOK) и интерфейс
RS-485 для связи с АСУ. Скорость передачи данных по последовательному каналу
интерфейса RS-232 и по каналу интерфейса RS-485 составляет 9600 бит/с. Протокол
связи - MODBUS. Время готовности устройства ЦЗА-27,5-ФКС к работе после подачи
номинального напряжения первичного питания составляет не более 3с.
Особенностью данной защиты
является то, что все функции выполняются программно в виде программных модулей.
Применяется самодиагностика, а так же документный модуль резервных защит
(включает в себя ДЗ2 и ТО).
Конструктивно защита выполнена
из двух блоков: блок защиты и автоматики (БЗиА) и блок управления (БУ), который
соединён интерфейсным кабелем (рисунок 2.3).
Рисунок 2.3 - Структурная схема
защиты ЦЗА - 27,5 - ФКС
В данном разделе были описаны
основные требования к свойствам релейной защиты, приведены состав и
функциональная схема защиты фидера контактной сети.
Были выбраны следующие защиты:
токовая отсечка (ТО), дистанционные защиты ДЗ1, ДЗ2, ДЗ3.
В качестве комплекта защит был
выбран ЦЗА - 27,5 -ФКС.
Расчёт и анализ устойчивости функционирования и селективности релейной защиты
присоединения контактной сети
.1 Общие положения
В общем случае к релейной защите предъявляются
следующие четыре основных технических требования:
1. Селективность
<#"800368.files/image029.gif">
Рисунок 3.1 - Расчётная схема
Выберем уставку срабатывания токовой отсечки
(ТО) для выключателя QА
по формуле:
(3.1)
где
− коэффициент отстроенности
от внешних КЗ, принимаем
;
А - ток КЗ для расчётной схемы
(рисунок 3.1) в режиме максимума энергосистемы.
А.
ТО должна отключать близкие КЗ в
режиме минимума энергосистемы (рисунок 3.2) с нормированным коэффициентом
чувствительности. Проверяем
на обеспечение нормированного
коэффициента чувствительности:
(3.2)
где
− коэффициент чувствительности
защиты,
;
=4253 А - ток КЗ, рассчитанный для
схемы, изображённой на рисунке3.2.
А.
>3020,16
Неравенство выполняется,
следовательно условие чувствительности обеспечивается.
Рисунок 3.2 - Расчётная схема для
проверки
Проверяем
на
отстроенность от нормального режима для избегания ложных срабатываний:
(3.3)
где
- коэффициент запаса, принимаем
;
= 595 А - максимальный ток в
нормальном режиме, рассчитанный в пункте 1.5.
А.
,16>714.
Неравенство выполняется,
следовательно токовая отсечка отстроена от нормального режима.
Выберем уставку срабатывания первой ступени
дистанционной защиты (ДЗ1) для выключателя тяговой подстанции QА
по формуле:
(3.4)
где
;
= 9,3 Ом - сопротивление сети при КЗ
в режиме максимума энергосистемы для схемы, изображённой на рисунке 3.1.
Ом.
Проверим защиту ДЗ1 на отстроенность от
нормального режима:
(3.5)
где
- коэффициент запаса;
= 42 Ом - минимальное сопротивление
сети в нормальном режиме, рассчитанное в пункте 1.5.
Ом.
,37<32,3.
Неравенство выполняется, следовательно защита
отстроена от нормального режима.
Выберем уставку срабатывания второй ступени
дистанционной защиты (ДЗ2) для выключателя тяговой подстанции QА
по формуле:
, (3.6)
где
- коэффициент чувствительности
защиты;
= 9,3 Ом - сопротивление сети при КЗ
в режиме максимума энергосистемы для схемы, изображённой на рисунке 3.1.
Ом.
Проверим защиту ДЗ2 на отстроенность от
нормального режима:
(3.7)
где
- коэффициент запаса;
- коэффициент возврата;
= 42 - минимальное сопротивление
сети в нормальном режиме, рассчитанное в п. 1.5.
Ом.
,625<30,97.
Неравенство выполняется, следовательно защита
отстроена от нормального режима.
Выберем уставку срабатывания третьей ступени
дистанционной защиты (ДЗ3) для выключателя тяговой подстанции QА
по формуле:
, (3.8)
где
- коэффициент чувствительности;
= 18,6 Ом - сопротивление сети при
КЗ в режиме максимума энергосистемы для схемы, изображённой на рисунке 3.1.
Ом.
Проверим защиту ДЗ3:
, (3.9)
где
- коэффициент чувствительности;
= 9,3 Ом - сопротивление сети при КЗ
в режиме минимума энергосистемы для схемы, изображённой на рисунке 3.1.
Ом.
,32>13,95.
Неравенство выполняется,
следовательно уставка защиты ДЗ3 удовлетворяет требованиям.
3.3 Определение зон действия защит и графики
селективности
Для определения зон действия защит на оси
ординат графиков откладывают значения выбранных уставок срабатывания
соответственно
и
.
От этих значений проводят горизонтальные линии до пересечения с кривыми
изменения соответственно
и
.
Из точки пересечения опускают перпендикуляры на ось абсцисс и отмечают
расстояния ,
соответствующие протяжённости зон действия защит (рисунок 3.4). Длина зоны
действия отсчитывается от места установки того выключателя, для которого
выбрана защита.
Рисунок 3.4 - Графики селективности
Заключение
В представленной пояснительной записке
рассчитаны параметры короткого замыкания и нормального режима (токов,
напряжений в узловых точках и сопротивлений, измеряемых защитой выключателей, в
аварийном режиме).
По результатам расчётов, сведённым в таблицы,
построены графики зависимостей обозначенных величин от расстояния до места
короткого замыкания.
На приведённых графиках зависимостей наглядно
видны наиболее опасные точки короткого замыкания, расположенные посередине
между выключателями и имеющие минимальные значения тока КЗ по абсолютной
величине. Не менее опасны и замыкания на шинах подстанций и поста
секционирования, ведущие к возникновению максимальных токов КЗ.
Очевидно, что защиту выключателей необходимо
настраивать по всем трём параметрам (ток, напряжение на шинах, сопротивление
сети), характеризующим аварийный режим.
короткий замыкание тяговый сопротивление
Список использованных источников
1. Фигурнов, Е. П. Релейная защита: учебник для
вузов ж.-д. транспорта: в 2-х ч., Ч. 2. Релейная защита устройств тягового
электроснабжения железных дорог / Е.П. Фигурнов ; Учебно-методический центр по
образованию на ж.-д. трансп.. - 3-е изд., перераб. и доп. М. : Транспортная
книга, 2009. - 604 с.: схемы, табл., граф. (Высшее профессиональное
образование. Электроснабжение железных дорог)
. Фигурнов, Е. П. Релейная защита фидеров
контактной сети однофазного переменного тока: учебное пособие к курсовому и
дипломному проектированию / Е.П. Фигурнов, Ю.И. Жарков, Т.Е. Петрова ; РГУПС..
- Ростов н/Д : 2009. - 105 с.: ил., табл., прил. Библиогр.: 7 назв.. - 100 экз.
3.
Е.П. Фигурнов «Релейная защита», издательство Москва, 2002.-720с.