Расчет установки для абсорбции диоксида углерода водой
Расчет установки для
абсорбции диоксида углерода водой
РЕФЕРАТ
Отчет 45 стр., 17 рисунков, 7 источников.
АБСОРБЕР, НАСАДКА, ДИОКСИД УГЛЕРОДА, ПОГЛОТИТЕЛЬ, АБСОРБЕНТ,
АБСОРБАТ, КОЛОННА, ТЕПЛООБМЕННИК, НАСОС, КОМПРЕССОР
Объектом проектирования является установка для очистки
воздуха от диоксида углерода.
Цель работы-выбор аппаратов для осуществления процесса
очистки воздуха от диоксида углерода и их расчет.
В курсовой работе приведен литературный обзор, в котором
описана конструкция и принцип действия аппаратов, используемых для абсорбции
тарельчатых и насадочных абсорберов, описаны основные типы тарелок для
абсорбционных колонн. В курсовой работе также приведены обоснование и расчет
аппарата, применяемого для абсорбции диоксида углерода-насадочного абсорбера с
насадкой: керамические кольца Рашига, осуществлен подбор вспомогательного
оборудования: теплообменника для охлаждения поглотителя, насоса для подачи
поглотителя и компрессора.
В результате проектирования была теоретически обоснована и
рассчитана линия абсорбции диоксида углерода.
Введение
диоксид адсорбция рашиг тарельчатый
В химической промышленности осуществляются разнообразные
процессы, в которых исходные материалы в результате химического взаимодействия
претерпевают глубокие превращения, сопровождающиеся изменением агрегатного
состояния, внутренней стуктуры и состава веществ. Наряду с химическими
реакциями, являющимися основой химико-технологических процессов, последние
обычно включают многочисленные физические (в том числе и механические) и
физико-химические процессы. К таким процессам относятся: перемещение жидкостей
и твердых материалов, измельчение и классификация последних, сжатие и
транспортирование газов, нагревание и охлаждение веществ, их перемешивание,
разделение жидких и газовых неоднородных смесей, выпаривание растворов, сушка
материалов и другие процессы. При этом способ проведения указанных процессов
часто определяет возможность осуществления, эффективность и рентабельность
производительного процесса в целом. Эти процессы в различных производствах
проводятся в анологичных по принципу действия машинах и аппаратах.
Одним из основных процессов является абсорбция. Области применения
абсорбционных процессов в промышленности весьма обширны: получение готового
продукта путём поглощения газа жидкостью (например, абсорбция SO3 в производстве серной
кислоты, при этом абсорбцию проводят без десорбции), выделение ценных
компонентов из газовых смесей (например, абсорбция бензола из коксового газа,
при этом абсорбцию проводят в сочетании с десорбцией), очистка газов от вредных
примесей (например, очистка топочных газов от SO2, очистка от фтористых
соединений газов, выделяющихся при производстве минеральных удобрений), осушка
газов, когда в абсорбционных процессах участвуют две фазы (жидкая и газовая) и
происходит переход вещества из газовой фазы в жидкую или наоборот, из жидкой
фазы в газовую, при этом инертный газ и поглотитель в массообмене не участвуют.
Аппаратами, в которых проводят процессы абсорбции, называют
абсорберами.
1.
Литературный обзор
Абсорбцией называют процесс поглощения газов или паров из
газовых или парогазовых смесей жидкими поглотителями (абсорбентами).
При физической абсорбции поглощаемый газ (абсорбтив) не
взаимодействует химически с абсорбентом. Если же абсорбтив образует с
абсорбентом химическое соединение, то процесс называется хемосорбцией.
Физическая абсорбция в большинстве случаев обратима. На этом
свойстве абсорбционных процессов основано выделение поглощенного газа из
раствора - десорбция.
Сочетание абсорбции с десорбцией позволяет многократно
применять поглотитель и выделять поглощенный компонент в чистом виде. Во многих
случаях проводить десорбцию не обязательно, так как абсорбент и абсорбтив
представляют собой дешевые или отбросные продукты, которые после абсорбции
можно вновь не использовать (например, при очистке газов).
В промышленности процессы абсорбции применяются главным
образом для извлечения ценных компонентов из газовых смесей или для очистки
этих смесей от вредных примесей.
Абсорбционные процессы широко распространены в химической
технологии и являются основной технологической стадией ряда важнейших
производств (например, абсорбция SO2 в производстве серной кислоты; абсорбция НС1 с
получением соляной кислоты; абсорбция окислов азота водой в производстве
азотной кислоты; абсорбция NH3, паров C6H6, H2S и других компонентов из коксового газа;
абсорбция паров различных углеводородов из газов переработки нефти и т.п.).
Кроме того, абсорбционные процессы являются основными процессами при санитарной
очистке выпускаемых в атмосферу отходящих газов от вредных примесей (например,
очистка топочных газов от SO2; очистка от фтористых соединений газов,
выделяющихся в производстве минеральных удобрений, и т.д.).
1.1
Теоретические основы абсорбции
При абсорбции содержание газа в растворе зависит от свойств
газа и жидкости, давления, температуры и состава газовой фазы (парциального
давления растворяющегося газа в газовой смеси).
В состоянии равновесия при постоянных температуре и общем
давлении зависимость между парциальным давлением газа А (или его концентрацией)
и составом жидкой фазы однозначна. Эта зависимость выражается законом Генри:
, (1.1)
где yA* - равновесная концентрация извлекаемого
компонента в газовой фазе,
m-коэффициент распределения, x - концентрация газа в
растворе.
Уравнение (1.1) показывает, что зависимость между
концентрациями данного компонента в газовой смеси и в равновесной с ней
жидкости выражается прямой линией, проходящей через начало координат и имеющей
угол наклона, тангенс которого равен т. Числовые значения величины т зависят
от температуры и давления в системе: уменьшаются с увеличением давления и
снижением температуры. Таким образом, растворимость газа в жидкости
увеличивается с повышением давления и снижением температуры
Когда в равновесии с жидкостью находится смесь газов, закону
Генри может следовать каждый из компонентов смеси в отдельности.
Закон Генри применим к растворам газов, критические
температуры которых выше температуры раствора, и справедлив только для
идеальных растворов. Поэтому он с достаточной точностью применим лишь к сильно
разбавленным реальным растворам, приближающимся по свойствам к идеальным, т.е.
соблюдается при малых концентрациях растворенного газа или при его малой растворимости.
Для хорошо растворимых газов, при больших концентрациях их в растворе,
растворимость меньше, чем следует из закона Генри. Для систем, не подчиняющихся
этому закону, коэффициент m в уравнении (1.1) является величиной переменной
и линия равновесия представляет собой кривую, которую строят обычно по опытным
данным.
Для описания равновесия между газом и жидкостью уравнение
(1.1) применимо только при умеренных давлениях, невысоких температурах и
отсутствии химического взаимодействия между газом и поглотителем.
При повышенных давлениях (порядка десятков атмосфер и выше)
равновесие между газом и жидкостью не следует закону Генри, так как изменение
объема жидкости вследствие растворения в ней газа становится соизмеримым с
изменением объема данного газа.
При выражении состава фаз не в абсолютных, а в относительных
концентрациях видоизменяется и запись закона Генри. Так при использовании
относительных мольных концентраций выражение (1.1) можно записать в виде
откуда по правилу пропорций
(1.2)
(1.3)
При выражении закона Генри в относительных концентрациях
равновесие в системе газ-жидкость изображается кривой линией. Но для сильно
разбавленных растворов (малые концентрации Х газа в жидкости) можно принять (1-m) X ~ 0. Тогда знаменатель уравнения (1.3.) обращается в единицу и
уравнение принимает вид
(1.4)
Уравнение материального баланса, учитывая то, что расходы фаз по
высоте аппарата постоянны, имеет вид:
(1.5)
где G-расход инертного газа, кмоль/сек; Yн и Yк-начальная и конечная концентрации абсорбтива в газовой смеси, кмоль
/ кмоль инертного газа; L-расход
абсорбента, кмоль/сек; его концентрации Хн и Хк кмоль
/ кмоль абсорбента.
Отсюда общий расход абсорбента (в кмоль/сек)
(1.5а)
а его удельный расход (в кмоль / кмоль инертного газа)
(1.6)
Это уравнение можно переписать так:
(1.7)
Уравнение (1.7) показывает, что изменение концентрации в
абсарбционном аппарате происходит прямолинейно и в координатах Y-X рабочая линия
процесса абсорбции представляет собой прямую с углом наклона, тангенс которого
равен l=L/G.
Между удельным расходом абсорбента и
размерами аппарата существует определенная связь. Через точку В с
координатами Хн и Ук (рис. 1.1) проведем,
согласно уравнению (1.7), рабочие линии ВА, ВА1, BA2, BA3, отвечающие различным
концентрациям абсорбента или разным удельным его расходам. При этом точки А,
А1, А 2, А3 будут лежать на
одной горизонтальной прямой в соответствии с заданной начальной концентрацией Yн газа в смеси.
Рис. 1.1. К определению удельного расхода
абсорбента
В случае растворов небольшой концентрации
для любого значения X и выбранной величины l движущая сила процесса
выражается разностью ординат Y - Y*, изображенных вертикальными отрезками,
соединяющими соответствующие точки рабочей линии и линии равновесия Y*=f(X). Для всего
аппарата можно принять среднее значение ДYср, величина которого,
например для рабочей линии ВА1, изображена на рисунке
отрезком ДYср1. Величина ДYср будет тем больше, чем круче наклон рабочих линий
и чем больше удельный расход абсорбента. Если рабочая линия ВА совпадает
с вертикалью, то движущая сила процесса имеет максимальное значение, однако
удельный расход абсорбента l при этом будет бесконечно большим (так как Хк=Хн).
Если же линия рабочих концентраций ВА3 касается линии
равновесия, то удельный расход абсорбента минимален (l=lmjn), а движущая сила в
точке касания равна нулю, поскольку в этой точке рабочая концентрация равна равновесной.
В первом случае размеры абсорбционного аппарата будут наименьшими при
бесконечно большом расходе абсорбента, во втором - расход абсорбента наименьший
при бесконечно больших размерах аппарата. Таким образом, оба случая являются
предельными и практически неосуществимы.
В реальном абсорбционном аппарате равновесие между фазами не
достигается и всегда Хк <
, где
- концентрация поглощаемого газа в жидкости, находящейся в
равновесии с поступающим газом. Отсюда следует, что значение l всегда должно быть больше минимального
значения lmin, отвечающего предельному положению
рабочей линии (линия ВА3 на рис. 1.1). Значение lmin можно определить по уравнению (1.6.) при
замене Хк на
:
(1.8)
Необходимо отметить, что увеличение удельного расхода l абсорбента одновременно со снижением
высоты аппарата приводит к определенному увеличению его диаметра. Это
объясняется тем, что с увеличением l возрастает
также расход поглотителя L, а при этом, как показано ниже, снижаются
допустимые скорости газа в аппарате, по которым находят его диаметр. Вот
почему в тех случаях, когда удельный расход абсорбента не задан
технологическими условиями, т.е. когда не задана конечная концентрация Хк
абсорбента, следует выбирать такое соотношение между размерами
абсорбционного аппарата и удельным расходом l абсорбента, при котором величина l и размеры аппарата будут оптимальными.
Оптимальный удельный расход поглотителя lопт может быть найден только с помощью технико-экономического
расчета.
Если абсорбцию ведут без отвода тепла или с недостаточным его
отводом, то температура повышается вследствие выделения тепла при поглощении
газа жидкостью, что необходимо учитывать при расчете. Для технических расчетов
пренебрегают нагреванием газовой фазы и считают, что выделяющееся при абсорбции
тепло затрачивается только на нагрев жидкости.
Если линия равновесия при температуре tн поступающей жидкости
(изображается кривой OD (рис. 1.2), то при
температуре уходящей жидкости линия равновесия расположится выше (кривая ОС)
и действительная линия равновесия при переменной температуре жидкости
изобразится кривой АВ.
Рис. 1.2. Кривая равновесия при
неизотермической абсорбции
Ординату Y* некоторой точки О’
на кривой равновесия, соответствующую составу жидкости X, можно найти, если
известна температура t при данном составе жидкости. Для этого необходимо
составить уравнение теплового баланса для части абсорбционного аппарата,
расположенной выше некоторого произвольного сечения с текущими концентрациями X и Y жидкости и газа
соответственно:
(1.9)
где q - дифференциальная теплота растворения
газа, кдж/кмоль; М' - количество газа, поглощенного в рассматриваемой
части абсорбера, кмоль/сек; L - расход
абсорбента, кмоль/сек; с - теплоемкость жидкости, кжд/(кмоль•град);
t - температура жидкости в данном
сечении,°С; tн - начальная температура жидкости, 0С.
Так как
, то
Тогда
(1.10)
Задаваясь рядом произвольных значений X в интервале между
известными значениями Xн и Xк, с помощью уравнения (1.10.)
вычисляют t. По опытным данным находят соответствующие значения Y* и строят линию равновесия
(по точкам O1, O2 и т.д.).
Скорость процесса абсорбции
характеризуется уравнением (1.11), если движущую силу выражают в концентрациях
газовой фазы
(1.11)
и уравнением (1.11а), если движущая сила выражается в
концентрациях жидкой фазы
(1.11а)
В этих уравнениях коэффициенты массопередачи Кy и Кx определяются, согласно уравнениям (1.12) и (1.13), следующим
образом:
(1.12)
(1.13)
где вг - коэффициент массоотдачи от потока газа
к поверхности контакта фаз; вж - коэффициент массоотдачи от
поверхности контакта фаз к поток жидкости.
Для хорошо растворимых газов величина m незначительна и мало также диффузионное сопротивление в жидкой
фазе. Тогда
и можно принять, что
. Для плохо растворимых газов можно пренебречь диффузионным
сопротивлением в газовой фазе (в этом случае значения т и вг
велики). Отсюда
и можно полагать, что
.
В уравнении (1.11) мольные концентрации газовой фазы могут быть
заменены парциальными давлениями газа, выраженными в долях общего давления.
Тогда
(1.14)
где
- средняя движущая сила процесса,
выраженная в единицах давления;
-коэффициент массопередачи, отнесенный к единице движущей силы,
выражаемой через парциальные давления поглощаемого газа.
Если линия равновесия является прямой, то средняя движущая сила
процесса выражается уравнением
(1.15)
где
и
- движущая сила на концах абсорбционного аппарата; рн
и рк - парциальные давления газа на входе в аппарат и выходе
из него;
и
- равновесные парциальные давления газа на входе в аппарат и
выходе из него.
Если парциальное давление выражено в долях общего давления Р,
то коэффициенты массопередачи Кp и Ку численно равны друг другу. Если же парциальные
давления выражены в единицах давления, то
(1.16)
1.2
Основные технологические схемы для проведения процесса абсорции
Промышленные схемы абсорбционных установок бывают
противоточные, прямоточные, одноступенчатые с рециркуляцией и многоступенчатые
с рециркуляцией.
При противоточной схеме абсорбции (рис. 1.3а) газ
проводит через абсорбер снизу вверх, а жидкость стекает сверху вниз. Так как
при противотоке уходящий газ соприкасается со свежим абсорбентом, над которым
парциальное давление поглощаемого компонента равно нулю (или очень мало), то
можно достичь более полного извлечения компонента из газовой смеси, чем при
прямоточной схеме (рис. 1.3б), где уходящий газ соприкасается с
концентрированным раствором поглощаемого газа. Кроме того, при противотоке
можно достигнуть более высокой степени насыщения поглотителя извлекаемым
компонентом, что, в свою очередь, приводит к уменьшению расхода абсорбента.

а б
Рис. 1.3. Схемы противоточной и прямоточной абсорбции
а - противоточная абсорбция; б - прямоточная абсорбция;
Для отвода тепла, выделяющегося при абсорбции, а также для
повышения плотности орошения в колоннах с насадкой часто применяют схемы с
рециркуляцией части абсорбента.
На рис. 1.4 представлена схема одноступенчатой абсорбции с
частичной рециркуляцией абсорбента. Часть жидкости концентрацией Xк отбирается из нижней
части колонны в качестве конечного продукта, а другая ее часть возвращается
насосом на верх колонны, где жидкость присоединяется к поглотителю, имеющему
начальную концентрацию Xн. В результате образуется смесь, концентрация
которой равна Xсм, при чем Xсм> Xн.
Рис. 1.4. Схема одноступенчатой абсорбции с рециркуляцией
жидкости
Жидкость, возвращаемая в колонну, может быть попутно
охлаждена, что приведет к понижению температуры жидкости, орошающей колонну, и
соответственно - к понижению температуры процесса.
1.3
Типовое оборудование для проектируемой установки
Основное требование, предъявляемое к конструкции устройства
для проведения абсорбционных процессов, - создание развитой поверхности
контакта фаз. По способу образования такой поверхности аппарата для проведения
процессов абсорбции условно подразделяют на следующие группы:
1)
поверхностные,
в которых контакт фаз происходит на зеркале жидкости, поверхности жидкой
пленки, стекающей по каналам различной формы (пленочные), элементам насадки
(насадочные) или образующейся на элементах движущихся частей (механические);
2)
барботажные,
в которых контакт происходит на поверхности пузырьков и струй, возникающих при
пропускании газа через слой жидкости в аппарате, на тарелке, в затопленной
насадке либо в пространстве с перемешивающими устройствами (соответственно
барботажные, тарельчатые, с подвижной насадкой. механические);
3)
распыливающие,
в которых контакт происходит на поверхности капель распыляемой жидкости (полые,
скоростные прямоточные, механические).
Указанную классификацию нельзя понимать буквально, поскольку
постоянное совершенствование конструкций абсорберов связано не только с
улучшением характеристики какого-либо одного способа организации контакта фаз,
но и подчас всей их совокупности.
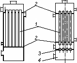
На рис. 1.5 представлены пленочные абсорберы: трубчатый
противоточный и с восходящим движением пленки.
Аппараты просты по устройству, однако в них очень трудно
организовать равномерное распределение жидкости по сечению труб, в силу чего
эффективность их невелика за исключением прямоточного абсорбера, в котором за
счет больших скоростей газа (40 м/с и более) можно достичь высоких значений
массопередачи.
а б
Рис. 1.5. Пленочные абсорберы
а-трубчатый; б-с восходящим движением жидкой пленки; 1-трубы;
2-трубные решетки; 3-щели; 4-патрубки; 5-камера
Тарельчатые абсорберы представляют собой, как правило,
вертикальные колонны, внутри которых на определенном расстоянии друг от друга
размещены горизонтальные перегородки - тарелки. С помощью тарелок
осуществляется направленное движение фаз и многократное взаимодействие жидкости
и газа.
В настоящее время в промышленности применяются разнообразные
конструкции тарельчатых аппаратов. По способу слива жидкости с тарелок
барботажные абсорберы можно подразделить на колонны: 1) с тарелками со сливными
устройствами и 2) с тарелками без сливных устройств.
Тарельчатые
колонны со сливными устройствами.
В этих колоннах перелив жидкости с тарелки на тарелку
осуществляется при помощи специальных устройств - сливных трубок, карманов и
т.п. Нижние концы трубок погружены в стакан на нижерасположенных тарелках и
образуют гидравлические затворы, исключающие возможность прохождения газа через
сливное устройство.
Принцип работы колонн такого типа виден из рис. 1.6, где в
качестве примера показан абсорбер с ситчатыми тарелками. Жидкость поступает на
верхнюю тарелку 1, сливается с тарелки на тарелку через переливные устройства 2
и удаляется из нижней части колонны. Газ поступает в нижнюю часть аппарата,
проходит последовательно сквозь отверстия или колпачки каждой тарелки. При этом
газ распределяется в виде пузырьков и струй в слое жидкости на тарелке, образуя
на ней слой пены, являющийся основной областью массообмена и теплообмена на
тарелке. Отработанный газ удаляется сверху колонны.
Рис. 1.6. Тарельчатая колонна со сливными устройствами
-тарелка, 2-сливные устройства.
К тарелкам со сливными устройствами относятся: ситчатые,
колпачковые, клапанные и балластные, пластинчатые и др.
Ситчатые тарелки. Колонка с ситчатыми тарелками (рис. 1.7)
представляет собой вертикальный цилиндрический корпус 1 с горизонтальными
тарелками 2, в которых равномерно по всей поверхности просверлено значительное
число отверстий диаметром 1-5 мм. Для слива жидкости и регулирования ее уровня
на тарелке служат переливные трубки 3, нижние концы которых погружены в стаканы
4.
Ситчатые тарелки устойчиво работают в довольно широком
интервале скоростей газа, причем в определенном диапазоне нагрузок по газу и
жидкости эти тарелки обладают высокой эффективностью. Вместе с тем ситчатые
тарелки чувствительны к загрязнениям и осадкам, которые забивают отверстия
тарелок. В случае внезапного прекращения поступления газа или значительного
снижения его давления с ситчатых тарелок сливается вся жидкость, и для
возобновления процесса требуется вновь запускать колонну.
а б
Рис. 1.7. Ситчатая колонна
а-схема устройства колонны, б-схема работы тарелки, 1-корпус,
2-тарелка, 3-переливная труба, 4-стакан.
Колпачковые тарелки. Менее чувствительны к загрязнениям, чем
колонны с ситчатыми тарелками, и отличаются более высоким интервалом устойчивой
работы колонны с колпачковыми тарелками (рис. 1.8). Газ на тарелку 1 поступает
по патрубкам 2, разбиваясь затем прорезями колпачка 3 на большое число
отдельных струй. Прорези колпачков наиболее часто выполняются в виде зубцов
треугольной или прямоугольной формы. Далее газ проходит через слой жидкости,
перетекающей по тарелке от одного сливного устройства 4 к другому. При движении
через слой значительная часть мелких струй распадается и газ распределяется в
жидкости в виде пузырьков. Интенсивность образования пены и брызг на
колпачковых тарелках зависит от скорости движения газа и глубины погружения
колпачка в жидкость.
Рис. 1.8. Схема работы колпачковой тарелки
-тарелка, 2-газовые патрубки, 3-колпачки, 4-сливные трубы.
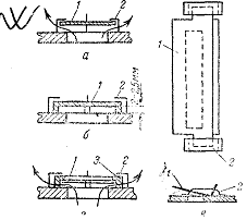
Клапанные и балластные тарелки (рис. 1.9). Эти тарелки
получают за последнее время все более широкое распространение, особенно для
работы в условиях значительно меняющихся скоростей газа.
Рис. 1.9. Клапанные тарелки
а, б-с круглыми клапанами, в-пластинчатым клапаном, г -
балластная,
-клапан, 2-кронштейн-ограничитель, 3-балласт.
Принцип действия клапанных тарелок (рис. 1.9а, б) состоит в
том, что свободно лежащий над отверстием в тарелке круглый клапан 1 с
изменением расхода газа своим весом автоматически регулирует величину площади
зазора между клапаном и плоскостью тарелки для прохода газа и тем самым
поддерживает постоянной скорость газа при его истечении в барботажный слой. При
этом с увеличением скорости газа в колонне гидравлическое сопротивление
клапанной тарелки увеличивается незначительно. Высота подъема клапана ограничивается
высотой кронштейна-ограничителя 2 и обычно не превышает 8 мм. Пластинчатые
клапаны (рис. 1.9в) работают так же, как и круглые. Они имеют форму
неравнобокого уголка, одна из полок которого (более длинная) закрывает
прямоугольное отверстие в тарелке.
Достоинства клапанных и балластных тарелок: сравнительно
высокая пропускная способность по газу и гидродинамическая устойчивость,
постоянная и высокая эффективность в широком интервале нагрузок по газу.
Последнее достоинство является особенностью клапанных и балластных тарелок по
сравнению с тарелками других конструкций. К недостаткам этих тарелок следует
отнести их повышенное гидравлическое сопротивление, обусловленное весом клапана
или балласта.
Колонны
с тарелками без сливных устройств.
В тарелке без сливных устройств (рис. 1.10) газ и жидкость
проходят через одни и те же отверстия или щели. На тарелке одновременно с
взаимодействием жидкости и газа путем барботажа происходит сток части жидкости
на нижерасположенную тарелку - «проваливание» жидкости. Поэтому тарелки такого
типа обычно называют провальным и к ним относятся дырчатые, решетчатые,
трубчатые и волнистые тарелки.
Рис. 1.10. Колонна с тарелками без сливных устройств
-колонна, 2-тарелки, 3-распределитель жидкости.
Дырчатые тарелки (рис. 1.11а) аналогичны по устройству
ситчатым тарелкам и отличаются от последних лишь отсутствием сливных устройств.
Диаметр отверстий в этих тарелках равен 4-10 мм, а суммарная площадь сечения
всех отверстий по отношению к сечению колонны составляет 10-25°d.
а б
Рис. 1.11. Провальные тарелки
а - дырчатая; б - решетчатая; 1 - тарелка; 2 - отверстия; 3 -
щели.
Решетчатые тарелки (рис. 1.11б) имеют отверстия в виде
выфрезерованных или выштампованных щелей шириной 3-8 мм.
Дырчатые и решетчатые провальные тарелки отличаются простотой
конструкции, низкой стоимостью изготовления и монтажа, сравнительно небольшим
гидравлическим сопротивлением.
К достоинству трубчатых провальных тарелок относится легкость
отвода тепла от барботажного слоя на тарелке путем пропускания охлаждающего
агента по трубам, из которых состоит тарелка. Однако эти тарелки в сравнении с
дырчатыми и решетчатыми значительно сложнее по устройству и монтажу.
Основной недостаток колонн с дырчатыми, решетчатыми и
трубчатыми провальными тарелками - небольшой интервал изменения скоростей газа
и жидкости, в пределах которого поддерживается устойчивая и эффективная их
работа.
Насадочные
абсорберы.
Широкое распространение в промышленности в качестве
абсорберов получили колонны, заполненные насадкой - твердыми телами различной
формы. В насадочной колонне (рис. 1.12) насадка 1 укладывается на опорные
решетки 2, имеющие отверстия или щели для прохождения газа и стока жидкости.
Последняя с помощью распределителя 3 равномерно орошает насадочные тела и
стекает вниз. По всей высоте слоя насадки равномерное распределение жидкости по
сечению колонны обычно не достигается, что объясняется пристеночным эффектом -
большей плотностью укладки насадки в центральной части колонны, чем у ее
стенок. Вследствие этого жидкость имеет тенденцию растекаться от центральной
части колонны к ее стенкам. Поэтому для улучшения смачивания насадки в колоннах
большого диаметра насадку иногда укладывают слоями (секциями) высотой 2-3 м и
под каждой секцией, кроме нижней, устанавливают перераспределители жидкости 4.
Рис. 1.12. Насадочный абсорбер
- насадка; 2 - опорная решетка; 3 - распределитель жидкости;
- перераспределитель жидкости;
В насадочной колонне жидкость течет по элементу насадки
главным образом в виде тонкой пленки, поэтому поверхностью контакта фаз
является в основном смоченная поверхность насадки, и насадочные аппараты можно
рассматривать как разновидность пленочных. Однако в последних пленочное течение
жидкости происходит по всей высоте аппарата, а в насадочных абсорберах - только
по высоте элемента насадки. При перетекании жидкости с одного элемента насадки
на другой пленка жидкости разрушается и на нижележащем элементе образуется
новая пленка. При этом часть жидкости проходит через расположенные ниже слои
насадки в виде струек, капель и брызг. Часть поверхности насадки бывает смочена
неподвижной (застойной) жидкостью.
Основными характеристиками насадки являются ее удельная
поверхность и свободный объем.
Выбор насадок.
Для того чтобы насадка работала эффективно, она должна
удовлетворять следующим основным требованиям:
) обладать большой поверхностью в единице объема;
) хорошо смачиваться орошающей жидкостью;
) оказывать малое гидравлическое сопротивление газовому
потоку;
) равномерно распределять орошающую жидкость;
) быть стойкой к химическому воздействию жидкости и газа,
движущихся в колонне;
) иметь малый удельный вес;
) обладать высокой механической прочностью;
) иметь невысокую стоимость.
Насадок, полностью удовлетворяющих всем указанным
требованиям, не существует, так как, например, увеличение удельной поверхности
насадки влечет за собой увеличение гидравлического сопротивления аппарата и
снижение предельных нагрузок. В промышленности применяют разнообразные по форме
и размерам насадки (рис. 1.13), которые в той или иной мере удовлетворяют
требованиям, являющимся основными при проведении конкретного процесса
абсорбции.
Рис. 1.13. Типы насадок
а-кольца Рашига, беспорядочно уложенные (навалом); б-кольца с
перегородками, правильно уложенные; в-насадка Гудлое; г-кольца Паля; д-насадка
«Спрейпак»; е-седла Берля; ж-хордовая насадка; з-седла «Инталлокс».
Насадки изготавливают из разнообразных материалов (керамика,
фарфор, сталь, пластмассы и др.), выбор которых диктуется величиной удельной
поверхности насадки, смачиваемостью и коррозионной стойкостью.
В качестве насадки используют также засыпаемые навалом в
колонну куски кокса или кварца размерами 25-100 мм. Однако вследствие
ряда недостатков (малая удельная поверхность, высокое гидравлическое
сопротивление и т.д.) кусковую насадку сейчас применяют редко. Широко
распространена насадка в виде тонкостенных керамических колец высотой, равной
диаметру (кольца Рашига), который изменяется в пределах 15-150 мм. Кольца малых
размеров засыпают в абсорбер навалом (рис. 1.13а). Большие кольца (размерами не
менее 50 Х 50 мм) укладывают правильным и рядами, сдвинутыми друг относительно
друга (рис. 1.13б). Этот способ заполнения аппарата насадкой называют загрузкой
в укладку, а загруженную таким способом насадку - регулярной. Регулярная
насадка имеет ряд преимуществ перед нерегулярной, засыпанной в абсорбер
навалом: обладает меньшим гидравлическим сопротивлением, допускает большие
скорости газа.
Основными достоинствами насадочных колонн являются простота
устройства и низкое гидравлическое сопротивление. Недостатки: трудность отвода
тепла и плохая смачиваемость насадки при низких плотностях орошения. Отвод
тепла из этих аппаратов и улучшение смачиваемости достигаются путем
рециркуляции абсорбента, что усложняет и удорожает абсорбционную установку. Для
проведения одного и того же процесса требуются насадочные колонны обычно
большего объема, чем барботажные.
1.4 Патентный обзор
.05.2005 был опубликован патент №2252063 о способах очистки
газовых смесей от диоксида углерода (варианты) и устройстве для очистки газовых
смесей от диоксида углерода, патентообладателем которого является ЗАО НПК
«Интергаз» (г. Тула). А также 10.10.2005 был опубликован патент №2261829 о
способе очистки от углеводородов парогазовой среды, образующейся при хранении
нефтепродукта или при наполнении им емкости, и установке для его осуществления,
изобретенный Цегельским В.Г. (г. Москва). Формулы изобретений представлены в
приложении 1.
2.
Обоснование и описание технологической схемы
По условию задания на курсовое проектирование необходимо
рассчитать и спроектировать установку для абсорбции СO2, концентрацией 2% СO2 и 98% воздуха, водой.
Газовая смесь с температурой 200С не содержит
твердых включений и подается на абсорбцию компрессором K. Затем газовая смесь
поступает на абсорбцию в насадочный абсорбер А с насадкой - керамические
кольца Рашига 50´50´5. При выборе размеров
насадки следует учитывать, что чем больше размеры ее элемента, тем выше
допустимая скорость газа (и соответственно - производительность аппарата) и
ниже его гидравлическое сопротивление. Общая стоимость абсорбера с насадкой из
элементов больших размеров будет ниже за счет уменьшения диаметра аппарата. При
выборе насадки необходимо учитывать допустимую потерю давления в насадке. При
работе под повышенным давлением потеря его существенного значения не имеет и в
данном случае предпочтительнее беспорядочно загруженные насадки, в частности,
кольца внавал.
После абсорбции воздух достигает заданной степени очистки и
может быть выброшен в атмосферу.
В качестве поглотителя используется вода с начальной
температурой 42°С. Охлаждение поглотителя до температуры абсорбции
происходит в шести параллельно поставленных пластинчатых теплообменниках Т.
В качестве второго теплоносителя используется захоложенная вода с начальной
температурой 10°С. Поглотитель (абсорбционная вода) подается в абсорбционную
колонну при помощи трех центробежных многоступенчатых секционных насосов Н1,
Н2 и Н3.
При этом горячий поглотитель охлаждается в
теплообменнике-рекуператоре, являясь при этом горячим теплоносителем, что
экономит энергоресурсы.
3. Расчет абсорбера
.1
Определение условий равновесия процесса
Определяем равновесные концентрации диоксида углерода в воде.
Если поглощается труднорастворимый газ, то расчет равновесных концентраций
ведут по закону Генри /1/:
, (3.1)
где Õ - давление в абсорбере, Па;
E - константа растворимости, Па;
x* -
равновесная концентрация СО2 в воде,
;
у - концентрация СО2 в воздухе,
.
E = 1,08×106 мм рт. ст. = 1,44×108 Па при
температуре абсорбции 20 °С /4/.
, (3.2)
Величины равновесных концентраций в жидкости достаточно
рассчитать для диапазона значений концентраций в газовой фазе от нуля до
величины, которая в 1,2-1,5 раз превышает начальную концентрацию абсорбтива.
Для упрощения расчетов материального баланса необходимо сделать
пересчет абсолютных концентраций в относительные. Связь между относительной
концентрацией и абсолютной выражается следующей формулой /1, стр. 385/:
, (3.3)
, (3.4)
где у - абсолютная концентрация СО2 в газовой фазе,
;
Y - относительная концентрация СО2 в газовой фазе,
;
x - абсолютная концентрация СО2 в жидкой фазе,
;
X - относительная концентрация СО2 в жидкой фазе,
;
Таблица 3.1. Расчет равновесной линии
|
x*, y, X*, Y,
|
|
|
|
|
0
|
0
|
0
|
0
|
|
8,35·10-5
|
0,005
|
8,351·10-5
|
0,00503
|
|
1,67·10-4
|
0,01
|
1,6703·10-4
|
0,010101
|
|
2,505·10-4
|
0,015
|
2,5056·10-4
|
0,015203
|
|
3,34·10-4
|
0,02
|
3,341·10-4
|
0,020408
|
|
4,175·10-4
|
0,025
|
4,177·10-4
|
0,0256
|
По определенным значениям концентраций строится линия
равновесия (приложение 2).
3.2
Расчет материального баланса
Определение
молярного расхода компонентов газовой смеси.
Пересчитаем объемный расход при нормальных условиях (T0=273K, P0=101325 Па) в объемный
расход при условиях абсорбции (Т=293К, Р=2,4×106 Па).
, (3.5)
где Vсм0 - расход при нормальных условиях,
.
.
Для удобства дальнейших расчетов переведем объемный расход газовой
смеси в молярный.
, (3.6)
где Vсм0 - объемный расход газовой смеси,
;
Gсм -
молярный расход газовой смеси,
.
Молярный расход инертного газа определяется по уравнению /4/:
, (3.7)
где ун - исходная концентрация СО2 в газовой
смеси,
;
G - молярный расход инертного газа,
.
Из условия задания ун=0,02
.
Концентрацию СО2 на выходе из абсорбера yк,
:
, (3.8)
где j - степень извлечения, j=0,95 (из задания).
.
Величины yк, yн
пересчитаем в относительные по формуле (3.3) Yк=0,001001
, Yн=0,020408
.
Для определения молярного расхода СО2 M, который поглощается, служит следующее
уравнение /4/:
. (3.9)
.
Определение
расхода поглотителя СО2 из газовой смеси.
Для определения минимального молярного расхода чистого
поглотителя Lмин служит следующее уравнение:
, (3.10)
где X*к - равновесная относительная
концентрация СО2 в воде на выходе из аппарата,
; Хн - исходная относительная
концентрация СО2 в воде,
.
Равновесную относительную концентрацию СО2 в воде на
выходе из аппарата определим по линии равновесия (приложение 2). Для
противоточных абсорберов X*к=f(Yн). По графику максимально возможная
концентрация СО2 в воде при условиях абсорбции составляет X*к=3,34×10-4
.
Т.к. в реальном процессе абсорбции используется не минимальный
расход поглотителя, а несколько больший (для ускорения процесса), то необходимо
пересчитать минимальный расход поглотителя на рабочий расход L с учетом коэффициента избытка поглотителя
/4, стр. 375/
, (3.11)
где a - коэффициент избытка поглотителя, принимаем
равным 1,5. С увеличением расхода поглотителя (т.е. с увеличением коэффициента
избытка поглотителя) снижаются допустимые скорости газа в аппарате, по которым
находят его диаметр. Поэтому следует выбирать такое соотношение между размерами
абсорбционного аппарата и расходом поглотителя, при котором размеры аппарата
будут оптимальными /1, стр. 438/.
Определение
рабочей концентрации СО2 в поглотителе на выходе из абсорбера.
Для определения рабочей концентрации служит уравнение:
(3.12)
Построение
рабочей линии абсорбции СО2 и определение числа единиц переноса.
По полученным значениям концентраций строится график
(приложение 2) и определяется число единиц переноса, необходимых для
осуществления процесса абсорбции.
По графику методом вписывания ступенек определяется число
единиц переноса. Оно равно 5,6.
3.3
Определение рабочей скорости газа и диаметра аппарата
Для расчета диаметра абсорбера служит следующее уравнение:

, (3.13)
где Vсм - объемный расход газовой смеси при условиях абсорбции,
wраб -
рабочая скорость газовой смеси по аппарату,
Предельную скорость газа, соответствующую режиму
эмульгирования (считая на полное сечение колонны), можно определить по
уравнению /4, стр. 380/:
, (3.14)
где mx - вязкость поглотителя
при температуре в абсорбере, мПа×с;
rx, rу - плотности соответственно жидкой и газообразной фаз,
;
s - удельная поверхность,
;
e - свободный объем,
;
L, G - расходы фаз,
При выборе размеров насадки следует учитывать, что чем больше
размеры ее элемента, тем выше допустимая скорость газа (и соответственно -
производительность аппарата) и ниже его гидравлическое сопротивление. Общая
стоимость абсорбера с насадкой из элементов больших размеров будет ниже за счет
уменьшения диаметра аппарата. При выборе насадки необходимо учитывать
допустимую потерю давления в насадке. При работе под повышенным давлением
потеря его существенного значения не имеет и в данном случае предпочтительнее
беспорядочно загруженные насадки, в частности, кольца внавал. Поэтому выбираем
керамические кольца Рашига 50´50´5 /3, стр. 448/, для которых у = 87,5
, е = 0,785
.
Для определения плотности газа при температуре, отличной от
нормальной, служит следующее уравнение:
, (3.15)
где r0 - плотность газа при 273К, для воздуха
равна 1,293
/4/; Т - температура процесса, °C.
Плотность углекислого газа при нормальных условиях равна 1,98
/4/, а при условиях абсорбции
Плотность газовоздушной смеси считаем по средней концентрации CO2 в аппарате 
(3.16)
Аналогично рассчитаем молекулярную массу газовой смеси
Плотность жидкой смеси при температуре 293 К (содержанием диоксида
углерода в воде пренебрегаем) равна rx=
998
/4/.
mx=1×10-3 Па×с
при температуре 20°C /4/.
Переведем молярный расход газовой и жидкой смеси в массовый
, (3.17)
где G - массовый расход, Gмол - молярный расход газовой смеси, М - молярная
масса газовой смеси.
Для газовой смеси
Для жидкой смеси
Из формулы (3.14) определяем предельную скорость
пр= 0,04147
Выбор рабочей скорости газа обусловлен многими факторами. В общем
случае ее находят путем технико-экономического расчета для каждого конкретного
процесса. Примем рабочую скорость процесса равной 0,9 от предельной.
По рассчитанной рабочей скорости газа определяется диаметр
абсорбера по формуле (3.14).
Рассчитанный диаметр колонного аппарата приводится к
стандартизованным размерам. Ближайший стандартный диаметр колонного
цельносваренного аппарата с насыпной насадкой составляет 2,8 м /3/.
Т.к. выбранный диаметр колонного аппарата отличается от
рассчитанного, то необходимо рассчитать рабочую скорость газовой смеси по
аппарату:
(3.18)
Для насадочных аппаратов плотность орошения должна быть
U£0,06
. (3.18)
Плотность орошения
, (3.19)
где Vx-объемный расход жидкости через аппарат,
.
Переведем массовый расход жидкости в объемный
, (3.20)
.
.
Условие (3.18) выполняется.
3.4Определение
высоты абсорбера
Высоту насадки H, м, в аппарате обычно определяют через высоту единицы
переноса и количество единиц переноса /3, стр. 98/:
, (3.21)
где h0y - высота единицы
переноса по газовой фазе, м; noy - количество единиц переноса
Высоту единицы переноса можно определить через коэффициент
массопередачи по газовой фазе Ky,
/4, стр. 385/:
, (3.22)
где S - поперечное сечение абсорбера, м2;
s - относительная поверхность насадки,
; y - коэффициент смачиваемости насадки, G - молярный расход инертного газа.
, (3.23)
где by и bx -
коэффициент массоотдачи по газовой и жидкой фазах соответственно,
; m - коэффициент распределения вещества по фазам /1, стр. 440/.
Для колонн с неупорядоченной насадкой коэффициент массоотдачи by можно рассчитать из уравнения /3, стр.
199/
, (3.24)
где диффузионный критерий Нуссельта для газовой фазы /3, стр.
199/
, (3.25)
где Dy - средний коэффициент диффузии
углекислого газа в газовой фазе,
; Re - критерий Рейнольдса; Pr - критерий Прандтля; dэ - эквивалентный диаметр насадки, м.
Критерий Рейнольдса для газовой фазы в насадке /3, стр. 199/
. (3.26)
Динамический коэффициент вязкости СО2
Диффузионный критерий Прандтля для газовой фазы, при этом
коэффициент диффузии углекислого газа в воздухе при температуре абсорбции 20 °С, и давлении 2,4×106 Па равен
/4/
(3.27)
Подставляем полученные критерии Рейнольдса и Прандтля в уравнение
(3.24)
Находим коэффициент массоотдачи by из уравнения (3.26)
.
Выразим коэффициент массоотдачи by в выбранной для расчета размерности
. (3.28)
Коэффициент массоотдачи bx в
жидкой фазе находят из обобщенного уравнения /3, стр. 200/
, (3.29)
где диффузионный критерий Нуссельта для жидкой фазы /3, стр.
200/
, (3.30)
где dпр - приведенная толщина стекающей пленки жидкости,
м.
Приведенная толщина стекающей пленки жидкости может быть
найдена из уравнения
(3.31)
Модифицированный критерий Рейнольдса для стекающей по насадке
пленки жидкости
, (3.32)
Диффузионный критерий Прандтля для жидкости, при этом коэффициент
диффузии двуокиси углерода в воде при температуре абсорбции 20 °С, и давлении 2,4×106 Па равен Dx=1, 8×10-9
/4/
(3.33)
Подставляем полученные критерии Рейнольдса и Прандтля в
уравнение (3.29)
Находим коэффициент массоотдачи bx из уравнения (3.30)
Выразим коэффициент массоотдачи bx в выбранной для расчета размерности по формуле (3.28)
Значение m можно найти
графически, оно равно среднему значению тангенса угла наклона линии равновесия
на X-Y -
диаграмме (приложение 2). Коэффициент распределения вещества по фазам m = 0,020408/0,000334 = 61,10.
Коэффициент массопередачи по газовой фазе Ky вычислим по формуле (3.23)
Поперечное сечение абсорбера рассчитаем по формуле
. (3.34)
Коэффициент смачиваемости насадки y при орошении колонны водой можно определить из следующего
эмпирического уравнения /6, стр. 369/
, (3.35)
где A=1,02, b=0,16, p=0,4 для колец внавал.
Высоту единицы переноса определяем согласно уравнению (3.23)
Высоту насадки H, м, в аппарате
определяем по уравнению (3.21), количество единиц переноса было определено
ранее в пункте 3.2.4, оно равно 5,6.
Принимаем высоту насадки равной 6 м.
Общую высоту абсорбционной колонны определяют с учетом требований
/5/, добавляя к высоте насадочной части (6 м) высоту кубовой (2,8 м) и
сепарационной (1,6 м) частей, разрывов для установки перераспределительных
тарелок (1,58 м и 0,5 м), высоту опоры (2 м), высота днища и крышки аппарата
(0,6 м).
3.5
Определение гидравлического сопротивления абсорбера
Гидравлическое сопротивление сухого насадочного абсорбера DPсух, Па, рассчитывают /1,
стр. 461/:
, (3.36)
где l - эффективный
коэффициент трения; dэн - эквивалентный диаметр насадки, м; e - относительный свободный объем насадки,
.
Число Рейнольдса для движения газа в насадке:
, (3.37)
где sн - относительная поверхность насадки,
; my -
динамическая вязкость газовой смеси при рабочих условиях, Па×с.
Для насадки, которая загружена навалом, эффективный коэффициент
трения при Re > 40 /1, стр. 461/
, (3.38)
.
Гидравлическое сопротивление сухого насадочного абсорбера DPсух, Па, рассчитываем по уравнению (3.37)
.
Гидравлическое сопротивление насадочного абсорбера со смоченной
насадкой DPсм, Па, можно рассчитать по формуле:
, (3.39)
где Lм и Gм - массовые расходы жидкости и газа через абсорбер соответственно,
.
3.6
Расчет диаметров штуцеров и труб
Для расчетов диаметров штуцеров и труб служит следующее
уравнение /3, стр. 16/:
, (3.40)
где wр - рекомендуемая среднерасходная скорость
перемещения среды в штуцере, м/с.
Определяем диаметр основных технических штуцеров для подвода
и отвода жидкой смеси.
Примем штуцер с Dy=500
мм с толщиной стенки 9 мм /5/.
Определяем диаметр основных технических штуцеров для подвода и
отвода газовой смеси.
Примем штуцер с Dу=150 мм толщиной стенки 7 мм /5/.
4.
Подробный расчет теплообменника для охлаждения поглотителя
.1
Тепловой баланс
Из проведенных расчетов для выбора теплообменника были
получены следующие результаты:
По причине этого наиболее оптимальный вариант-поставить
параллельно 5 пластинчатых теплообменников.
Тепловая нагрузка:
, (4.1)
где G1-расход поглотителя,
; с1-средняя теплоемкость,
; tн1-начальная
температура теплоносителя, °C; tк1-конечная температура теплоносителя, °С.
Средняя температура поглотителя в теплообменнике:
. (4.2)
Теплоемкость поглотителя (воды) при средней температуре с=4180
.
Тепловая нагрузка, согласно уравнению (4.1) составляет:
В качестве второго теплоносителя используется захоложенная вода с
начальной температурой 10 °C и конечной 20 °C.
По определенной по уравнению (4.1) тепловой нагрузке определяются
неизвестные параметры второго теплоносителя /1/:
, (4.3)
где Gв-массовый расход охлаждающего теплоносителя,
;
-начальная температура охлаждающего теплоносителя, °C;
-конечная температура охлаждающего
теплоносителя, °C; с2-теплоемкость охлаждающего
теплоносителя, при средней температуре 15 °C, рассчитанной по формуле (4.2), равная
4190
/4/.
4.2
Определение ориентировочной поверхности теплообмена
Для определения ориентировочной поверхности теплообмена
служит уравнение/4/:
, (4.4)
где Кор-ориентировочное значение коэффициента
теплопередачи; Dtср - средняя разность температур; Q-тепловая нагрузка,
определенная по уравнению (4.1), Вт.
Расчет средней разности температур производится с учетом
движения теплоносителей. Т.к. при теплообмене в данном конкретном случае
наблюдается чистый противоток, то все дальнейшие расчеты производятся для этого
вида движения теплоносителей.
Для определения разности температур на концах теплообменника
служат следующие уравнения:
, (4.5)
, (4.6)
где
-начальная температура поглотителя, °C;
-конечная температура поглотителя, °C;
-начальная температура охлаждающего
теплоносителя, °C;
-конечная температура охлаждающего теплоносителя, °C.
В виду того, что
, то средняя разница температур определяется
, (4.7)
.
Примем минимальное значение коэффициента теплопередачи 800
. При этом ориентировочное значение
поверхности теплообмена составит (4.4)
.
4.3
Выбор теплообменника
В пластинчатых теплообменниках поверхность теплообмена
образована набором тонких штампованных гофрированных пластин. Эти аппараты
могут быть разборными, полуразборными и неразборными (сварными). В пластинах
разборных теплообменников имеются угловые отверстия для прохода теплоносителей.
Из табл. 2.3. /3/ выбираем теплообменник по ГОСТ 15518-83 и его конструктивные
характеристики из табл. 2.14. /3/
Таблица 4.1
|
Поверхность
теплообмена, м2
|
600
|
|
Число пластин,
шт.
|
464
|
|
Масса аппарата,
кг
|
12430
|
|
Поверхность
пластины, м2
|
1,3
|
|
Эквивалентный
диаметр канала, мм
|
9,6
|
|
Поперечное
сечение канала, м2
|
0,00425
|
|
Приведенная
длина канала, м
|
1,47
|
|
Диаметр
условного прохода штуцеров мм
|
300
|
Среднюю температуру поглотителя рассчитываем как среднее
арифметическое его начальной и конечной температур (4.2).
Средняя температура второго теплоносителя определяется как
(4.8)
В дальнейших расчетах соответственно определенным температурам
берут все физические свойства.
4.4
Определение коэффициента теплоотдачи для поглотителя
Принимаем температуру стенки со стороны горячего
теплоносителя равной 26,16 °C.
Температурный напор со стороны поглотителя составляет /1/:
, (4.9)
где
-температурный напор со стороны
поглотителя, °C;
-температура стенки со стороны поглотителя, °C.
Перед выбором уравнения для расчета критерия Нуссельта необходимо
определить режим течения теплоносителя. Для определения режима течения
теплоносителя служит критерий Рейнольдса:
, (4.10)
где w-скорость
движения теплоносителя в теплообменнике, м/с; dэ -
эквивалентный диаметр, м;
-плотность теплоносителя,
; m-динамический коэффициент вязкости,
Па×с.
Для определения скорости движения поглотителя в межтрубном
пространстве служит следующее уравнение:
, (4.11)
где G-массовый расход поглотителя; r-плотность поглотителя в межтрубном
пространстве теплообменника при температуре 31 °С; N/2-число каналов (компоновка пластин самая
простая, т.е. по одному пакету (ходу) для обоих потоков); 995,6
/4/; Sпр-поперечное
сечения канала, 0,00425 м2 /3/.
После определения всех составляющих уравнения для расчета критерия
Рейнольдса можно рассчитать (4.10):
При турбулентном движении теплоносителя (Re>50) для определения числа Нуссельта теплоносителя /3/:
(4.12)
Критерий Нуссельта равен
(4.13)
Следовательно, коэффициент теплоотдачи для поглотителя
Относительная тепловая нагрузка определяется из выражения
, (4.14)
4.5
Определение коэффициента теплоотдачи для охлаждающей воды
Температура поверхности стенки со стороны второго
теплоносителя (охлаждающей воды) определяется по уравнению /2/:
, (4.15)
где Srст-суммарное термическое сопротивление стенки и ее
загрязнений,
;
Расчет суммарного термического сопротивления стенки производится
по формуле /2/:
(4.16)
где dст-толщина стенки, равная 0,001 м /3/; lст-коэффициент теплопроводности материала стенки (нержавеющей
стали), 17,5
/4/; r1 и r2-термические сопротивления загрязнений стенок со стороны поглотителя
и охлаждающей воды,
/4/.
После определения неизвестных величин по уравнению (4.16)
рассчитывается температура стенки со стороны воды:
Температурный напор со стороны охлаждающей воды составляет
, (4.17)
где
-температурный напор со стороны
охлаждающей воды, °C;
-температура стенки со стороны охлаждающей воды, °C.
Для расчета коэффициента теплоотдачи для воды необходимо выбрать
уравнение для расчета критерия Нуссельта. Перед выбором уравнения для расчета
критерия Нуссельта необходимо определить режим течения теплоносителя в трубах.
Для определения скорости движения охлаждающей воды в трубах служит
уравнение (4.11):
Критерий Рейнольдса:
Это значение соответствует турбулентному режиму движения воды.
Число Нуссельта определяется по формуле (4.12)
Следовательно, коэффициент теплоотдачи по (4.14):
Относительная тепловая нагрузка со стороны охлаждающей воды по
формуле (4.14):
Определение погрешности в расчете:
Т.к. погрешность составляет менее 5%, то принятая температура
стенки может считаться удовлетворительной и соответствующей истине /4/.
Определение величины средней тепловой нагрузки производится по следующему
уравнению:
. (4.18)
4.6
Определение коэффициента теплопередачи и истинной поверхности теплообмена
Определение истинного коэффициента теплопередачи производится
по следующему уравнению /2/:
, (4.19)
где q-тепловая нагрузка, определенная по
уравнению (4.18) и равная 9726,98
;
-средняя разность температур, определенная
по уравнению (4.7) и равная 15,22 °С.
Определение истинной поверхности теплообмена, необходимой для
осуществления процесса теплообмена /4/:
(4.20)
Теплообменник (см. п. 4.3) выбран правильно. Тогда запас
поверхности будет равен
4.7
Определение гидравлического сопротивления теплообменника
Гидравлическое сопротивление для каждого теплоносителя
определяют по формуле /3/:
, (4.21)
где L-приведенная длина каналов, м (см. табл.
4.1); dэ-эквивалентный диаметр каналов, м; х-число пакетов для данного
теплоносителя;
-скорость в штуцерах на входе и выходе;
о=17/Re0,25-для турбулентного режима. Для определения скорости в
штуцерах в табл. 4.1 приведены диаметры условных проходов штуцеров. При
скорости жидкости в штуцерах меньше 2,5 м/с их гидравлическое сопротивление
можно не учитывать.
5.
Подбор вспомогательного оборудования
Подбор вспомогательного оборудования включает подбор
компрессора для подачи газовой смеси и насоса для подачи поглотителя.
5.1 Ориентировочный расчет насоса
Подобрать насос для перекачивания поглотителя при температуре
42 °С
из емкости в аппарат, работающий под давлением 2,4 МПа. Процесс осуществляется
в соответствии со следующей монтажной схемой (см. рис. 5.3).
Выбор
трубопровода для всасывающей и нагнетательной линии.
Расход поглотителя 343,17
, учитывая, что плотность воды при 42 °С равна 991,2
, то объемный расход поглотителя
.
Для всасывающего и нагнетательного трубопровода примем одинаковую
скорость течения воды, равную 2
. Тогда диаметр по формуле (3.40)
Выбираем трубу из стали Ст3 по ГОСТ 380-94 с наружным диаметром
530 мм, толщиной стенки 9 мм (отклонения от наружнего диаметра ±4,5 мм).
Внутренний диаметр трубы 500 мм. Фактическая скорость воды в трубе
Определение
потерь на трение и местные сопротивления.
Число Рейнольдса m =0,655
м
при 42 °С для воды
Режим течения турбулентный. Примем абсолютную шероховатость равной
D=2×10-4 м. Тогда
Далее получим:
.
Таким образом, в трубопроводе имеет место смешанное трение, и
расчет коэффициента трения l следует
проводить по формуле /3, стр. 14/
. (5.1)
.
Определим сумму коэффициентов местных сопротивлений.
Для всасывающей линии:
1) вход в трубу (принимаем с острыми краями): x1=0,5;
2) прямоточный вентиль для d=0,5 м:
Сумма местных сопротивлений
. (5.2)
Потерянный напор во всасывающей линии находим по формуле /3/
. (5.3)
где l-длина трубопровода, м.
Определим сумму коэффициентов местных сопротивлений для
нагнетающей линии:
1) Выход из трубы: x1=1
) колено с углом 90° (18 шт.): для d=0,5 м /3/.
) теплообменник
или
Сумма местных сопротивлений по формуле (5.3)
Потерянный напор в нагнетательной линии по формуле (5.4)
Выбор
насоса.
Находим потребный напор насоса по формуле /3, стр. 21/
(5.4)
где p1 - давление в аппарате, из которого
перекачивается жидкость; p2 - давление в аппарате, в который перекачивается
жидкость; HГ - геометрическая высота подъема жидкости; hп - суммарные потери
напора во всасывающей и нагнетательной линиях.
.
Такой напор при заданной производительности
можно обеспечить путем параллельной
установки трех центробежных многоступенчатых секционных насосов марки ЦНС500-320.
диоксид адсорбция рашиг тарельчатый
5.2 Выбор компрессора
Необходимо подобрать компрессор для перекачивания газовой смеси
через абсорбер. Расход газовой смеси
, температура поступающей смеси 20 °С. Исходная газовая смесь содержит 2% СO2 и 98%
воздуха. Газовая смесь вводиться в нижнюю часть абсорбера, где происходит
процесс абсорбции под давлением 2,4 МПа. Следовательно, выбираем
одноступенчатый поршневой компрессор марки 4M 10-200/2,2, мощностью 630 кВт, частотой вращения 500 мин-1
/7/.