Расчет процесса абсорбции диоксида углерода раствором 'Карсол' в агрегате получения аммиака
Введение
Во всех развитых странах азотная промышленность является в
настоящее время одной из основных ведущих отраслей. Бурное развитие азотной
промышленности объясняется, в первую очередь, необходимостью обеспечить
населения продуктами земледелия. Без минеральных удобрений, а главное азотных,
невозможно решить задачи интенсификации сельского хозяйства. Первые этапы
развития производства аммиака характеризуются совершенствованием отдельных
технологических звеньев общего процесса. Строительство новых заводов и
установок осуществляется на основе все более рациональных и совершенных
технологических схем, применяются все более надежные конструкции
технологических аппаратов и энергетических машин, более активные, селективные и
стабильные катализаторы, растворители и поглотители, степень автоматизации
управления производством.
В настоящее время основным промежуточным продуктом для получения
огромного числа различных азотосодержащих соединений является аммиак, а синтез
его из водорода и азота - единственным крупномасштабным методом производства
этого важнейшего продукта.
Современные агрегаты синтеза аммиака созданы на основе последних
достижений науки и техники, что позволило добиться значительного снижения
энерго-материальных капитальных затрат, обеспечить низкую себестоимость
выпускаемой продукции и высокую производительность труда. Все это достигнуто в
результате разработки современных энерго-технологических схем, обеспечивающих
высокий к.п.д., использование сырья и топлива, применение
высокопроизводительного оборудования.
Важную роль в производстве аммиака играет очистка газов. Она
предусматривает удаление из промышленных или природных газов вредных и
балластных примесей с тем,чтобы очищеный газ был пригоден для
транспортирования, дальнейшей химической переработки и непосредственного
использования. Эффективность процесса абсорбции СО2
горячим раствором К2СО3 зависит от температуры, парциального давления СО2 и
водяного пара над раствором, концентрации активирующей добавки и щелочности
раствора.
Целью курсовой работы является расчет процесса абсорбции диоксида
углерода раствором “Карсол” в агрегате получения аммиака.
Объект исследования: стадия очистки конвертированного газа от
диоксида углерода при производстве аммиака.
Предмет исследования: модернизация системы очистки
конвертированного газа от диоксида углерода.
Задачи исследования:
Рассмотреть технологию производства аммиака, стадии
производства;
Дать характеристику исходному сырью при производстве аммиака,
продукту синтеза;
Рассмотреть стадию очистки конвертированного газа от диоксида
углерода;
- Провести анализ технологии очистки конвертированного газа
от диоксида углерода, выявить существующие проблемы в очистке конвертированного
газа и разработать решение выявленных проблем
Глава 1. Аналитический обзор литературных данных
аммиак синтез химический реакция
1.1 Методы очистки конвертированного газа от СО2
Диоксид углерода содержится в природном и коксовом газах, в
конвертированном газе. В последнем содержание СО2 наибольшее и составляет в
зависимости от исходного сырья и метода конверсии 20 -30 % объёмных. Можно
выделить физические и химические методы очистки от диоксида углерода. Физические методы основаны на повышенной растворимости его
в жидкостях или на конденсации СО2 при умеренном охлаждении. Большинство химических методов основано на абсорбции этих
примесей растворами химических реагентов, а в случае тонкой очистки - на
каталитическом восстановлении их Н2 до СН4. Почти все способы удаления СО2 дают
возможность получить его в качестве побочного продукта, используемого в
производстве карбамида.
Для грубой очистки газа от двуокиси углерода применяются следующие
способы:
. Водная очистка под давлением, а также физическая абсорбция
органическими растворителями, имеющими низкое давление паров при обычной
температуре.
. Моноэтаноламиновая очистка при атмосферном давлении.
. Очистка горячим раствором поташа.
Для тонкой очистки газа от двуокиси углерода применяются следующие
способы:
. Моноэтаноламиновая очистка под давлением.
. Очистка водными растворами щелочей.
. Низкотемпературная очистка органическими растворителями с одновременным
удалением из газа двуокиси углерода и органических сернистых соединений.
. Каталитическое гидрирование, осуществляемое совместно с очисткой от
окиси углерода.
.2 Водная очистка газов от СО2 под давлением
Способ очистки основан на различной растворимости в воде двуокиси
углерода. При невысоких парциальных давлениях растворимость СО2 в воде
невелика, но с увеличением давления она возрастает. При следующем снижении
давления растворённая двуокись углерода выделяется из раствора. Водная очистка
газа от двуокиси углерода под давлением весьма эффективна при высоком
содержании СО2 в газе. Этот способ отличается простотой и позволяет многократно
использовать оборотную воду. Одновременно с растворением двуокиси углерода в
воде растворяются и другие компоненты конвертированного газа: водород, азот,
окись углерода, сернистые соединения. По химическим свойствам СО2 является
ангидридом угольной кислоты. С водой реагирует с образованием угольной кислоты,
согласно уравнения:
Н2О + СО2 ↔ Н2СО3.
В технической оборотной воде, используемой для водной очистки от СО2,
содержатся растворённые соли, которые понижают растворимость СО2 в технической
воде по сравнению с чистой. Существенное значение для экономичности процесса
водной очистки имеет расход воды на очистку и расход энергии на подачу этой
воды.
Расход воды на очистку конвертированного газа от двуокиси углерода
зависит от степени извлечения СО2, температуры, общего и парциального давления
СО2 в газовой смеси до очистки. Если конвертированный газ в процессе конверсии
углеводородов или газификации топлива получают при атмосферном давлении, то
перед водной очисткой газ компримируют. Выбор давления для водной очистки от
СО2 зависит от нескольких факторов.
С увеличением давления возрастает растворимость СО2 в воде и уменьшается
количество воды, необходимой для промывки, почти обратно пропорционально
давлению. При этом снижается расход энергии на подачу воды. С другой стороны,
работа сжатия двуокиси углерода от начального низкого давления до давления
абсорбции с увеличением давления возрастает. Суммарный расход энергии на водную
промывку газа в пределах 1-3 МПа практически не зависит от давления. Однако с
увеличением давления уменьшаются размеры абсорбера и возрастает степень очистки
газа от СО2, поэтому целесообразно конвертированный газ компримировать до 3 МПа
[2].
.3 Очистка газов от СО2 растворами этаноламинов
Для очистки газа от СО2 применяют растворы этаноламинов (аминоспиртов),
которые обладают щелочными свойствами и при взаимодействии с кислотами образуют
соли. Обычно используют водные растворы моноэтаноламина СН2ОН-СН2-NH2,
диэтаноламина (СН2ОН-СН2)2NH и триэтаноламина (СН2ОН-СН2)3N. Наиболее сильным
основанием среди этаноламинов является моноэтаноламин, который нашёл широкое
применение в промышленности для очистки газов. При абсорбции СО2 растворами
этаноламинов образуются карбонаты и бикарбонаты. Попутно может абсорбироваться
сероводород, и образовываться сульфиды и бисульфиды. Эти соединения при
температуре выше 100 °С диссоциируют с выделением из растворов СО2 и H2S.
Взаимодействие моноэтаноламина RNH2 (где R - группа СН2ОН-СН2) с двуокисью
углерода может быть представлено следующими реакциями:
RNH2 + Н2О + СО2 = (RNH3)2СО3;
(RNH3)2СО3 + Н2О + СО2 = 2RNH3Н2СО3.
При поглощении двуокиси углерода водным раствором моноэтаноламина
выделяется - 66 кДж/моль тепла, при абсорбции сероводорода - 65 кДж/моль.
При совместном поглощении СО2 и H2S растворимость каждого компонента
уменьшается. Несмотря на то, что поглотительная способность раствора
моноэтаноламина по отношению к H2S в присутствии СО2 снижается, коэффициент
абсорбции H2S значительно выше, чем СО2, и возможна избирательная абсорбция
сероводорода из конвертированного газа, содержащего двуокись углерода.
Поглотительная способность абсорбента возрастает с понижением температуры и
повышением давления. При повышении температуры и понижении давления равновесие
химических реакций, протекающих при абсорбции, сдвигается влево. На этом
основана регенерация раствора МЭА, насыщенного кислыми газами при абсорбции.
Насыщенный раствор нагревают, при этом происходит разложение химических
соединений и десорбция кислых газов из раствора, сопровождаемая также
испарением из раствора воды.
В процессе этаноламиновой очистки газа от СО2 протекают побочные реакции,
вызывающие необратимые изменения состава раствора, снижающие его поглотительную
способность и приводящие к потерям амина. Растворы этаноламинов вызывают
коррозионное разрушение оборудования в определённых условиях, особенно при
высоких степенях насыщения кислыми газами. Подобно растворам аммиака, они
разрушающе действуют на медь, цинк и их сплавы. Поэтому аппараты и трубы,
соприкасающиеся с растворами аминов, нельзя выполнять из этих металлов. В
кипящих водных растворах моноэтаноламина малоуглеродистые стали также
подвергаются коррозии под действием СО2. Присутствие в растворах МЭА
посторонних примесей увеличивает скорость коррозии углеродистой стали. Поэтому
необходимо применять возможно более чистый моноэтаноламин и систематически
подвергать очистке поглотительный раствор путём его перегонки в присутствии
щёлочи. Экономичность процесса очистки определяется в основном расходом тепла
на регенерацию раствора моноэтаноламина. Снижение расхода тепла на регенерацию
раствора в различных технологических схемах МЭА очистки решается различными
путями.
Актуальной стала задача создания нового абсорбента характеризующегося
меньшей деградацией и коррозионной активностью раствора, а также требующего
меньших энергозатрат для его декарбонизации [2].
Одним из распространенных методов решения этих задач в мировой практике
является замена МЭА на метилдиэтаноламин (МДЭА). Известно, что реакционная
способность азотсодержащей группы у первичных алканоламинов таких, как МЭА, выше,
чем вторичных алканоламинов, таких, как диэтаноламин (ДЭА), и третичных
алканоламинов, таких, как триэтаноламин (ТЭА), и метилдиэтаноламин (МДЭА).
Наличие третьей ОН-группы в молекуле ТЭА ослабляет реакционную способность
азотсодержащей группы, поэтому МДЭА имеет несколько более высокую
поглотительную способность, чем ТЭА.
Растворы МДЭА легче регенерируются, скорость коррозии и деградации
раствора меньше, чем у МЭА. С другой стороны, кинетика абсорбции СО2 растворами
МДЭА не обеспечивает необходимую степень очистки синтезгаза.
МДЭА (третичный амин) по сравнению с МЭА (первичный амин) имеет меньшую
коррозионную активность, что позволяет применять на стадии абсорбции более
концентрированные водные растворы МДЭА (30-50% масс.) по сравнению с МЭА
(12-18%).
Использование МДЭА обеспечивает экономию энергозатрат (греющий пар) также
за счет меньшей теплоты десорбции МДЭА по сравнению с МЭА при регенерации
абсорбента. Сравнительные расчеты показывают, что потребное количество тепла на
регенерацию растворов МДЭА на 30-40% меньше, по сравнению с МЭА. При применении
МДЭА наблюдается значительное снижение деструкции абсорбента по сравнению с
растворами МЭА. Отмечено, что на внутренних поверхностях оборудования
отсутствуют отложения, возникавшие ранее за счет деструкции применявшихся
абсорбентов на основе МЭА. Эти положительные моменты, наряду с отмеченной ранее
низкой коррозионной активностью растворов МДЭА приводят к тому, что упрощается
плановый ремонт оборудования, сокращается время его проведения. Отсутствие
отложений на внутренней поверхности оборудования повышает эффективность
теплообмена, что также приведет к снижению энергозатрат.
При применении раствора МЭА в качестве абсорбента наблюдаются потери МЭА
за счет уноса паров на сталии десорбции, где температура потоков достигает 115
°С - 130 °С. При применении МДЭА, температура кипения которого (247 °С)
значительно выше, чем у МЭА (170 °С), унос амина при регенерации раствора при
рабочих температурах абсорберов значительно снижается, до величины близкой к
нулю.
Таким образом, замена МЭА на МДЭА обеспечит экономию материальных
ресурсов на очистку газа по следующим статьям:
- снижение энергозатрат до 30 % за счет снижения
циркуляционного расхода рабочего раствора, повышения
степени насыщения рабочего раствора, меньшей теплоты десорбции МДЭА ;
- снижение затрат на обслуживание и ремонт оборудования вследствие низкой
коррозионной активности абсорбентов и отсутствие смолообразования ;
при сложившемся уровне иен на МЭА и на МДЭА, вследствие более длительного
срока работы абсорбента без снижения его характеристик и добавления свежего
МДЭА в процесс эксплуатации, срок окупаемости при переходе на МДЭА составит
1,2-1,8 лет;
- снижение затрат на покупку абсорбента благодаря применению отечественного
МДЭА взамен импортных аналогов [4].
Наиболее близким по совокупности существенных признаков
заявляемому устройству является агрегат моноэтаноламиновой очистки газовых
смесей с регенерацией раствора в регенераторе-рекуператоре, более известный
среди специалистов как “Агрегат АМ-76” (по маркировке Государственного
института азотной промышленности - ГИАП). Агрегат включает абсорбер с
контактным устройством, выполненным в виде высокослойных ситчатых тарелок с
входами тонкорегенерированного и груборегенерированного абсорбента и выходом
насыщенного раствора, регенегератор-рекуператор с входом насыщенного раствора и
двумя, расположенными в двух уровнях выходами груборегенерированного и
тонкорегенерированного абсорбента, тарелками со встроенными теплообменниками,
связанными с выходом груборегенерированного абсорбента и входом
груборегенерированного абсорбента абсорбера, конденсаторы загрязненного и
чистого диоксида углерода с выходом флегмы, холодильники грубо- и
тонкорегенерированного растворов абсорбента, вынесенный кипятильник для нагрева
куба регенератора, а также систему насосов, трубопроводов и
запорно-регулирующие элементы.
Основными недостатками данного устройства являются его
увеличенная материалоемкость из-за необходимости поддержания достаточно
высокого избыточного давления процесса, недостаточно высокая эффективность
работы и ограниченная азотной промышленностью область применения.
Техническим результатом изобретения является упрощение
конструкции за счет совмещения функций нагревателя (кипятильника) регенератора
с собственно регенератором (массообменным аппаратом), снижение общего
избыточного давления процесса и парциального давления диоксида углерода за счет
изменения конфигурации потоков, уменьшение удельных энергозатрат на очистку
газа от диоксида углерода за счет уменьшения теплорассеивающих поверхностей, а
также расширение области применения этаноламиновой очистки - ее распространение
на процессы очистки колошникового газа доменного производства с целью его
рецикла, очистки восстановительного газа в производстве губчатого железа и очистки
топочных газов с выделением товарного диоксида углерода.
Для достижения заявляемого технического результата в
известном устройстве для очистки газовых смесей от диоксида углерода,
содержащем абсорбер с входом абсорбента и выходом насыщенного раствора,
регенератор-рекуператор с входом насыщенного раствора и выходом
регенерированного абсорбента, тарелками со встроенными теплообменниками,
связанными с выходом регенерированного абсорбента, и кипятильником,
конденсатор-отделитель диоксида углерода с выходом флегмы, холодильник
регенерированного абсорбента, насосы, трубопроводы и запорно-регулирующие
элементы, абсорбер выполнен с пакетными насадками и содержит в своей средней
части, по меньшей мере, один контур охлаждения, выполненный в виде устройства
отбора частично насыщенного раствора абсорбента, циклически связанного с
промежуточной емкостью и промежуточным холодильником, а кипятильник
регенератора-рекуператора выполнен в виде последовательно расположенных в его
нижней части секций, состоящих из теплообменников, размещенных на тарелках, при
этом количество секций кипятильника выбирают в пределах от трех до шести.
Следует отметить, что устройство отбора частично насыщенного раствора
абсорбента может быть выполнено в виде глухой тарелки с горловиной и выходом,
при этом контур охлаждения включает дополнительный вход, расположенный на
абсорбере ниже глухой тарелки [9].
1.4 Очистка газов от СО2 горячим раствором поташа
Водные растворы карбонатов натрия и калия поглощают двуокись углерода с
образованием бикарбонатов. В водном растворе карбонат диссоциирует на ионы:
Ме2СО3 = 2Ме+ + СО3 2;
где Ме - натрий или калий.
Поглощение СО2 водой определяется скоростью относительно медленной
реакции:
а) СО2 + Н+ + ОН- = Н+ + НСО3-
Суммарный процесс поглощения выражается в виде:
б)Ме2СО3 + СО2 + Н2О = 2Ме+ + НСО3- = 2МеНСО3
Обычно абсорбцию газов ведут при низкой температуре, что связано с
уменьшением растворимости газов в жидкостях при повышении температуры. В данном
случае при поглощении СО2 растворам карбонатов образующиеся бикарбонаты менее
растворимы в воде, чем карбонаты. Поэтому повышение температуры должно
способствовать увеличению растворимости в воде солей - карбонатов и
бикарбонатов. Растворимость солей калия выше растворимости солей натрия,
поэтому для очистки применяют водный раствор карбоната калия - поташа - при
повышенной температуре. С повышением температуры возрастает концентрация соли в
растворе, что позволяет компенсировать отрицательное влияние температуры на
растворимость газа. С другой стороны, повышение температуры способствует
увеличению скорости гидратации по реакции “а”. Поэтому растёт скорость всего
процесса абсорбции СО2 [1].
Растворимость СО2 в горячем растворе поташа в значительной степени
зависит от парциального давления двуокиси углерода над раствором. Поэтому
абсорбцию СО2 горячими растворами поташа осуществляют при повышенном давлении.
Наименьшее парциальное давление двуокиси углерода, при котором поташная очистка
экономически целесообразна, равно 0,14 МПа. При снижении давления равновесие
реакции “б” смещается влево. На этом основана регенерация горячего раствора
поташа, насыщенного СО2. Таким образом, указанные физико-химические особенности
процесса очистки позволяют проводить абсорбцию и регенерацию почти при
одинаковой температуре, причём абсорбция идёт при повышенном давлении, а
десорбция (регенерация) раствора - при снижении давления до атмосферного.
Поглотительная способность горячих растворов поташа в производственных условиях
колеблется в пределах 20 - 35 м3 СО2/м3.
Одноступенчатая очистка горячим раствором поташа позволяет достичь
остаточного содержания в очищенном газе 0,5 - 0,6% СО2 (грубая очистка газа).
Повышение температуры до 100 °С в процессе абсорбции недостаточно для ускорения
реакции и достижения тонкой очистки газа. Поэтому для повышения скорости
процесса абсорбции при более низкой температуре применяют различные
активирующие добавки. С этой целью применяются соединения трёхвалентного
мышьяка, оказывающие каталитическое ускоряющее действие на медленную реакцию гидратации
“а”. Механизм каталитического действия добавок изучен не полностью.
Предполагают, что реакция протекает по следующей схеме, которая идёт
параллельно с реакцией “б”:
СО2 + К3AsO3 + 3Н2О = 6КНСО3 + As2O3
При регенерации равновесие этих реакций сдвигается влево. При изучении
поглотительной способности мышьяково - поташных растворов установлено, что
такие растворы при одинаковой температуре способны поглотить большее количество
СО2 при максимальном насыщении до момента появления твёрдой фазы КНСО3, чем
соответствующие для данной концентрации калия обычные поташные растворы, и это
количество СО2 увеличивается с повышением содержания мышьяка.
Наибольшее применение получил метод очистки горячим раствором
поташа при давлении 2,56 - 2,96 МПа и концентрации К2СО3 25-30% (мас). В
качестве активатора добавляют н/м 2% ДЭА, антикоррозионного ингибитора - 0.5%
(мас) V2О5. Температуру в процессе абсорбции повышают до 87-107 0С, температуру
регенерации в кубовой части поддерживают не ниже 117 0С [6].
.5 Щелочная очистка газа от СО2
Очистка газов от СО2 водным раствором едкого натра NaOH основана на
необратимой реакции:
NaOH + СО2 = Na2СО3 + Н2О.
Парциальное давление СО2 над раствором едкого натра NaOH в процессе
поглощения равно нулю до тех пор, пока вся щёлочь не перейдёт в карбонат.
Поглощение СО2 раствором карбоната натрия протекает с образованием бикарбоната:
СО2 + Na2СО3 + Н2О = 2NaHСО3
Дифференциальная теплота растворения СО2 в растворах едких щелочей
независимо от рода катиона составляет 117кДж/моль. Скорость абсорбции СО2
щёлочью возрастает с повышением температуры. Увеличение концентрации карбоната
в растворе способствует снижению скорости абсорбции. В азотной промышленности
очистка водным раствором едкого натра NaOH применяется в качестве последней
ступени тонкой доочистки от СО2 конвертированного и коксового газа после водной
очистки (когда концентрация СО2 в газе составляет не более 0,3% объёмных),
конвертированного газа после двухступенчатой моноэтаноламиновой очистки (при
остаточном содержании СО2 40 см3/м3), после очистки горячими растворами поташа
под давлением (при остаточном содержании СО2 в газе 500 - 1700
см3/м3),азотоводородной смеси после медноаммиачной очистки под давлением 32 МПа
при содержании СО2 150 - 250 см3/м3. В последнем случае вместо NaOH применяют
разбавленный водный раствор аммиака NH4OH. Регенерация отработанного раствора
щёлочи осуществляется известью:
CO3 + Ca(OH)2 = 2NaOH + CaCO3.
Процесс проходит в жидкой фазе при 90 - 95 °С и перемешивании. Установка
регенерации щёлочи известью является громоздкой и процесс недостаточно
удовлетворяет современным санитарно - гигиеническим требованиям (измельчение и
гашение извести, транспортирование шлама в отвал и т. д.). Поэтому регенерацию
отработанной щёлочи предусматривают только при значительном расходе щёлочи и
необходимости привоза её со стороны. В остальных случаях водные растворы
отработанной щёлочи стараются использовать для вспомогательных процессов
нейтрализации и сбрасывают в специальные системы химически загрязнённых стоков.
На очистку 1000 м3 газа расходуется 0,15 - 1,6 кг 92% - ной каустической соды
(в зависимости от концентрации СО2 в исходном газе). На регенерацию
отработанного раствора щёлочи расходуется 9 кг СаО и 30 кг пара при давлении
0,5 МПа [3].
.6 Очистка газа от СО2 методом низкотемпературной абсорбции метанолом
В интервале температур от -30 до -60 °С и при давлении 1 - 3 МПа метанол
является эффективным абсорбентом не только двуокиси углерода, но и
сероводорода, органических соединений серы и некоторых других примесей,
присутствующих в газовой смеси. Растворимость СО2 в метаноле значительно выше,
чем в воде, и возрастает с понижением температуры и увеличением давления. Так,
при -60 °С растворимость двуокиси углерода в метаноле в 75 раз превышает её
растворимость в воде при 25 °С. Поэтому при промывке газа метанолом в условиях
низких температур расход абсорбента на очистку единицы объёма газа значительно
меньше, чем при водной очистке от СО2.
Благодаря этому соответственно уменьшаются энергетические расходы в процессе
абсорбции. Потери водорода при низкотемпературной абсорбции также снижаются по
сравнению с их потерями при водной промывке газа под давлением. Это связано не
только с сокращением удельного расхода абсорбента, но и с уменьшением
растворимости водорода в метаноле при понижении температуры. Процесс
низкотемпературной абсорбции наиболее целесообразно проводить при 1 - 3 МПа.
Нижний предел давления составляет 0,5 МПа. Этот метод эффективен в случае
одновременного удаления из газовой смеси нескольких примесей при их достаточно
высоком начальном содержании. Несмотря на необходимость применения холодильной
машины, энергетические расходы в описанном процессе не превышают расхода
энергии при промывке газа водой [3].
При выборе процесса очистки окончательным критерием является
величина приведенных затрат, зависящих в основном от энергетических и
капитальных затрат.
Сравнение различных
методов очистки
Критерием сравнения процессов очистки газа, как и во всех
других случаях, является величина приведенных затрат. Однако в каждом случае
необходимо учитывать факторы, зависящие от конкретных условий и влияющие на
экономику процесса. Эти факторы можно разбить на три группы:
внешние технологические параметры процесса - состав, давление
и температура очищаемого газа, требуемая степень очистки, параметры
энергоресурсов (давление пара, наличие отбросного тепла, возможность
использования вторичных энергоресурсов и т. д.);
внутренние параметры процесса - расход тепла, электроэнергии,
растворителя, отходы, тип и вес аппаратов;
экономические факторы - цены на энергию, сырье, отходы,
аппаратуру, а также дефицитность каких-либо видов сырья и энергии.
Кроме того, следует иметь в виду, что для крупнотоннажных
агрегатов при сравнении методов очистки необходимо учитывать степень надежности
процесса и оборудования. В поташной очистке выше расход электроэнергии и ниже
степень очистки газа, обусловливающая 10-тикратное увеличение расхода водорода
на процесс метанирования, что вызывает прямую потерю продукции (около 7 т/сут).
Кроме того, возможны дополнительные потери водорода, азота и аммиака в цикле
синтеза за счет увеличения продувки, что равноценно потере дополнительно
примерно 7 т аммиака в сутки. Таким образом потери из-за неполного удаления СО2
составляют около 1,1% мощности установки. Процесс очистки газа от СО2 горячим
раствором поташа имеет ряд принципиальных преимуществ перед другими процессами,
например при МЭА очистке примерно 1/3 тепла расходуется на подогрев раствора
вследствие недорекуперации в теплообменниках. При очистке горячим раствором
тоташа эта статья полностью отпадает. Кроме того, при МЭА очистке 25-30% тепла
используется на разложение соединений моноэтаноламина с диоксидом углерода. В
случае поташной очистки, эта величина уменьшается в 2,5 раза, поэтому пар
расходуется в основном лишь на отдувку СО2, а также на покрытие тепловых потерь
в окружающую среды [3].
Глава 2. Расчетная и технологическая часть
2.1 Характеристика исходного сырья и продукта
После II ступени конверсии СО газ имеет следующий состав ,% об: Н2 - 60,
N2 - 20, СО2 - 19, инерты - 1.
Поскольку после конверсии СО резко возрастает содержание в газовой смеси
нежелательного СО2 следующей технологической стадией является очистка газа от
СО2. Водные растворы поташа, активированные
различными добавками, широко применяются для очистки газов от СО2.
Карбонат калия (мол. масса, 138,2) - белый кристаллический
порошок, очень гигроскопичен, плотность при 30 °С равна 2428 кг/м3, температура
плавления 898 СС, теплоемкость при 50 °С-905,61 Дж/(кг-К). Растворимость К2СО3 в
воде составляет: при 25 °С -111, при 100 °С -155, при 135 °С-203 г на 100 г H2O. [2]
Таблица 1- Температура кипения водных растворов K2CO3 при атмосферном
давлении
|
С(к2со3), % (масс.)
|
18,3
|
28,6
|
37,7
|
44,0
|
51,0
|
66,7
|
|
Ткип, оС
|
102
|
104
|
107
|
110
|
115
|
135
|
Таблица 2 - Теплота растворения К2СО3 в воде
|
С(к2со3), % (масс.)
|
0
|
7,12
|
13,3
|
23,5
|
27,7
|
43,5
|
|
ДН, кДж/кг
|
-199,3
|
-211,4
|
-218,1
|
-223,2
|
-224,0
|
-223,6
|
Таблица 3- Технические условия на карбонат
калия
|
Показатель
|
ГОСТ 4221-76
|
ГОСТ 10690-73 Технический первый сорт
|
|
х.ч
|
ч.д.а
|
ч.
|
|
|
Содержание , % К2СО3 хлориды сульфаты фосфаты Al Fe Pb SiO2 нерастворимого в виде осадка Na (в пересчете на Na2CO3) Потери при прокаливании, %
|
99 0,001 0,004 0,001 0,001 0,0005 0,0005 0,004 - -
0,8
|
99 0,002 0,004 0,001 0,001 0,001 0,0005 0,004 - - 1,0
|
98 0,01 0,01 0,002 0,003 0,002 0,0005 0,01 - - 2,0
|
не менее 98 не более 0,05 0,4 0,25 0,002 - - не более
0,05 не более 0,6 -
|
Таблица 4 - Плотность водных растворов К2СО3
(кг/м3)
|
Концентрация К2СО3, % (масс.)
|
Температура оС
|
|
0
|
10
|
25
|
30
|
40
|
100
|
|
20
|
1197,7
|
1194,1
|
1187,7
|
1185,3
|
1180,1
|
1145,0
|
Требования к качеству природного газа и воздуха
Несмотря на многообразие сырья в целом, в настоящее время конверсия
прир.газа, т.е. метана и его гомологов, является основным промышленным методом
получения водорода и технологическихгазов для синтеза аммиака, спиртов,
моторных топлив и других продуктов.
Природный газ
должен иметь по основным компонентам след.состав, % об:
Н4 =
85,9-98,7; С2Н6 = 0,15-5; С3Н8 = 0,06-1,5; С4Н10 = 0,02-0,7; С5Н12 = 0-0,5; СО2
= 0,08-3,5; N2 = 0 - 0,5
В целом, примеси оказывают следующее вредное воздействие в химических
процессах:
1. отравление катализатора
2. может вызывать коррозию аппаратуры
. вызывают протекание побочных реакций
. ухудшают качества продукта, загрязняя его
По содержанию примесей природный газ должен удовлетворять следующим
требованиям:
- общая массовая концентрация серосодержащих соединений в пересчете на
серу: не более 80 мг/м3. В том числе серосодержащих органических
соединений, не более 60 мг/м3. Серосодержащих не органических соединений
не более 20 мг/м3
- массовая концентрация газ.конденсатора не более 15 г/м3
массовая концентрация механических примесей не более 1 мг/м3
- теплотворная способность 33900-36600 кДж/ м3
Высокие требования предъявляются и к технологическому воздуху по
содержанию вредных примесей:
- массовая концентрация сернистых соединений в пересчете на серу не более
0,05 мг/м3
массовая концентрация хлора и других галоидов в пересчете на хлор, не
более 0,01 мг/м3
массовая концентрация фосфатов в пересчете на РО4 2-, не более 0,01 мг/м3
массовая концентрация масла и механических примесей отсутствует.
При очистке из газа извлекается 99,0 % СО2 [3].
.2 Физико-химические основы процесса
Взаимодействие диоксида углерода с К2СО3 при абсорбции СО2 из
газов протекает по реакции:
K2CO3+CO2+H2O = 2KHCO3 , ДH=-142,4 кДж
Максимальная концентрация поташа в рабочем растворе
выбирается таким образом, чтобы степень превращения карбоната была на 10-20%
ниже величины, при которой начинает выпадать осадок. В таблицах 5-6 приведены
экспериментальные данные по растворимости и дифференциальных теплотах
растворения СО2 в водных растворах поташа различной концентрации при
температурах 40-170°С .
На рисунке 1 приведена растворимость солей в системе К2СО3 -
КНСО3 - Н2О при различной степени превращения карбоната в гидрокарбонат
Данные о давлении паров воды над 40%-ным раствором карбоната
калия при различной степени насыщения раствора приведены на рисунке 2 [2].
Таблица 5 - Равновесное давление СО2 над водными растворами
К2СО3 при различных температурах
|
Концентрация СО2 в растворе, м3/м3 (t, oC)
|
Температура оС
|
|
40
|
50
|
60
|
70
|
80
|
|
20%-ный раствор К2СО3 (1,72 моль/л)
|
|
4,3 5,1
|
104 -
|
135 -
|
198 243
|
299 348
|
- 453
|
|
7,1
|
319
|
512
|
724
|
1048
|
-
|
|
10,9
|
1285
|
2025
|
2685
|
-
|
-
|
Таблица 6 - Равновесное давление СО2 над 20%-ными водными
растворами К2СО3 при различных температурах (Па)
|
Концентрация СО2 в растворе, м3/м3 раствора
|
Температура оС
|
|
40
|
50
|
60
|
70
|
80
|
120
|
140
|
170
|
|
4,72
|
-
|
72
|
120
|
149
|
241
|
-
|
-
|
-
|
|
7,68
|
-
|
197
|
283
|
419
|
520
|
-
|
-
|
-
|
|
10,25
|
236
|
315
|
477
|
783
|
119
|
-
|
-
|
-
|
|
11,45
|
269
|
423
|
619
|
937
|
1333
|
-
|
-
|
-
|
|
15,15
|
592
|
901
|
1361
|
2009
|
2466
|
-
|
-
|
-
|
|
19,75
|
897
|
1552
|
2377
|
3666
|
5290
|
16000
|
26664
|
49338
|
|
21,5
|
1105
|
1865
|
2989
|
4037
|
6932
|
20000
|
34660
|
61320
|
|
26,25
|
1986
|
3162
|
4919
|
-
|
14000
|
37330
|
66660
|
108000
|
|
31,43
|
-
|
-
|
-
|
-
|
31330
|
73330
|
125300
|
192000
|
|
37,72
|
-
|
-
|
-
|
-
|
77330
|
159980
|
253300
|
353300
|
|
44,0
|
-
|
-
|
-
|
-
|
173320
|
306640
|
466600
|
593300
|
Рисунок 1 - Зависимость температуры выпадения твердой фазы в
водных растворах К2СО3 различной концентрации от степени карбонизации.
Рисунок 2 - Равновесное парциальное давление водяных паров над 40% - ным
раствором К2СО3 при
различной температуре.
Добавление диэтаноламина (ДЭА) в поташный раствор позволяет
значительно снизить равновесное давление СО2 над раствором при малых степенях
его карбонизации (в условиях верха абсорбера), т. е. достичь более тонкой
очистки , а также увеличить скорость абсорбции CO2 горячим
раствором карбоната калия в 1,5-2 раза по сравнению с абсорбцией чистым
раствором К2СО3 при высоких степенях карбонизации раствора (т. е. в условиях
низа абсорбера) [2]. Плотность и вязкость водных растворов поташа с добавкой
ДЭА приведены в табл. 7.
Таблица 7 - Плотность и вязкость амино-поташных растворов при
различных температурах
|
Состав раствора, % (масс)
|
Температура, oC
|
|
К2СО3
|
ДЭА
|
40
|
60
|
80
|
100
|
120
|
|
Плотность, кг/м3
|
|
25
|
1,5
|
1,225
|
1,216
|
1,207
|
1,197
|
1,187
|
|
25
|
5,0
|
1,228
|
1,218
|
1,210
|
1,200
|
1,190
|
|
30
|
1,5
|
1,293
|
1,283
|
1,273
|
1,262
|
1,255
|
|
30
|
5,0
|
1,282
|
1,272
|
1,261
|
1,250
|
|
Вязкость, Па∙с∙10-2
|
|
25
|
1,5
|
1,4073
|
1,0007
|
1,733
|
|
|
|
25
|
5,0
|
1,6767
|
1,1491
|
0,8372
|
|
|
|
30
|
1,5
|
1,6944
|
1,1895
|
0,8674
|
|
|
|
30
|
5,0
|
2,1582
|
1,4661
|
1,0456
|
|
|
В процессе электролитической диссоциации К2СО3 и КНСО3
протекают следующие реакции:
K2CO3 + H2O = 2K+ + HCО-3 + OH-
KHCO3 + Н2О =К+ + H2CО3 + ОН-
Первая ступень гидролиза характеризуется равновесием между
ионами СО2-3 и НСО-3, а вторая - равновесием между ионами HCО3- и молекулами H2CO3. При поглощении
протекают две основные реакции:
CO2 + Н2О =Н2СО3
СО2 + ОН- = HСO3-
Активирующая роль аминов сводится к тому, что они быстро
взаимодействуют с СО2 с образованием карбаминовых кислот и тем самым
способствуют переносу СО2 с поверхности в объем жидкости. Даже незначительная
общая концентрация амина (1%) обеспечивает наличие значительного количества
свободного амина, способного вступать во взаимодействие с СО2 по реакции:
СО2+ RR'NH=RR'NCOО- + Н+
При взаимодействии карбамина с поташом происходит регенерация
аминопроизводных с образованием гидрокарбоната [2].
.3 Выбор и описание технологической схемы
Способ очистки газов горячими растворами поташа основан на увеличении
растворимости солей в воде и скорости абсорбции CO2 при повышении температуры.
Эти физико-химические особенности позволяют осуществить процессы абсорбции и
регенерации практически при одинаковых температурах, причем абсорбция протекает
при повышенном давлении, а регенерация - при давлении, близком к атмосферному.
Схема процесса очистки газа от CO2 горячими растворами поташа, активированными
ДЭА, приведена на рис.3. Абсорбция осуществляется при давлении 2,79 МПа по
двухпоточной схеме. Около 20% циркулирующего раствора (тонкорегенерированного)
поступает в верхнюю часть абсорбера при температуре 70°С, остальной раствор
(груборегенерированный) подается в среднюю часть абсорбера.
Насыщенный диоксидом углерода раствор, выходящий из нижней
части абсорбера, дросселируется до 2,94∙105 Па и направляется в
регенератор. Основная часть раствора (80%) подвергается грубой регенерации при
114 - 115 оС, выводится из средней части регенератора и поступает в среднюю
часть абсорбера Меньшая часть, раствора регенерируется при 117 - 119°С,
охлаждается до 70°С и поступает в верхнюю часть абсорбера. В схеме
предусмотрена непрерывная фильтрация около 2% общего количества циркулирующего
раствора на активированном угле. Для устранения коррозии оборудования
амино-поташными растворами в рабочем растворе должна постоянно поддерживаться
определенная концентрация [от 0,4 до 0,6% (масс.)] ингибитора коррозии -
пентоксида ванадия (V2О5). Однако в процессе эксплуатации происходит постепенное
восстановление ионов V5+ в ионы низшей валентности, которые не обладают
ингибирующим действием. Поэтому необходимо периодически проводить окисление
части рабочего раствора для перевода ионов ванадия низшей валентности в ион
V5+. Для окисления можно использовать воздух, барботирующий через раствор, или
нитрит калия (KNО2) , который добавляют в раствор. Воздух направляют либо в нижнюю
часть регенератора, либо в емкость для приготовления раствора, в которую
предварительно заливают часть рабочего тонкорегенерированного раствора.При
эксплуатации установок очистки газов поташными растворами возможно сильное
вспенивание этих растворов. Причины вспенивания, могут быть различными,
например, накопление продуктов коррозии металлической насадки или веществ,
выщелачиваемых из пластмассовых насадок. Для предотвращения вспенивания рабочих
растворов в систему необходимо постоянно вводить антивспениватели.
Во избежание коррозионного растрескивания оборудования
содержание ионов С1- в горячем поташном растворе не должно превышать 20-30
мг/л. Поэтому для приготовления рабочего раствора следует использовать поташ
марки х.ч. или ч. д. а. и перед пуском необходимо тщательно промывать систему.
При приготовлении рабочего раствора и подпитки системы не рекомендуется
смешивать V2O5 и ДЭА перед загрузкой,
поскольку V2O5 является окислителем. К
приготовленному раствору поташа сначала добавляют V2O5 затем диэтаноламин.
При отсутствии на производстве поташа марки х.ч. для
приготовления и подпитки поташного раствора может быть использовано едкое кали:
КОН + СО2=К2СО3+Н2О
При этом возможны два варианта процесса карбонизации КОН: 1)
чис- тым диоксидом углерода в специальной емкости и 2) непосредственно в
абсорбере при абсорбции CО2 из конвертированного газа. Применение КОН, бедного хлором,
позволяет снизить затраты на процесс очистки, так как его стоимость в несколько
раз ниже стоимости поташа марки х. ч. Недостатком щелочи является большая
коррозионная активность ее растворов. В связи с этим, учитывая недопустимость
коррозии оборудования и выщелачивания керамической насадки, при применении КОН
должны соблюдаться следующие условия: содержание хлоридов в исходном КОН не
должно превышать 0,004% (масс.); концентрация КОН в циркулирующем растворе в
любой точке системы не должна превышать 2% (масс.); . концентрация раствора КОН
в емкости приготовления не должна превышать - 25% (масс.) [2].
Рисунок 3 - Схема очистки газа горячим раствором поташа, содержащим ДЭА:
1 - абсорбер; 2,3 - брызгоуловители; 4, 11, 12 - воздушные холодильники; 5 -
регенератор; 6 - парогазовый кипятильник; 7 - паровой кипятильник; 8 -
подогреватель питательной воды; 9, 14 - насосы; 10 - фильтр; 13 - турбина; 15 -
электродвигатель.
2.4 Материальный баланс абсорбера
При очистке газов от СО2 используют процесс хемосорбции 17-21% - ным
водным раствором “Карсол”, получивший наибольшее промышленное применение. Схема
материальных потоков аппарата показана на рис.4
Рисунок 4 - Схема материальных потоков.
В нижнюю часть аппарата подается газовое сырье Vc, а очищенный газ V
выводится из верхней части аппарата. Раствор К2СО3 Ар подается на верх
аппарата, а насыщенный углекислым газом К2СО3 Ан покидает абсорбер снизу [10].
CO3+CO2+H2O → 2KHCO3
Цель расчета: материальный баланс абсорбера составляется для определения
состава очищенного технологического газа от СО2 на выходе из аппарата,
количества регенерированного и насыщенного раствора “Карсол” [13].
Расчет
. Заданную производительность 2000т/сут по аммиаку пересчитаем на
технологический газ, кг/ч.
.1. Пересчет т/сут в кг/ч:=2000т/сут ∙ 1000кг / 24ч=83333 кг/ч
(NH3). (1)
.2. По реакции:
+H2↔2 NH3 (2)
определим количество азота:
=G(NH3) ∙M(N2) / (2∙М NH3), (3)
где M - молярная масса, кг/кмоль.=83333 ∙28 / (2∙17)=68627
кг/ч (N2).
.3. Объем азота вычислим по формуле:
VN2=
Vm(N2),
(4)
где
Vm=22,4 кмоль/м3 - молярный объем.=
=54901,6
м3/ч.
.4.
Объем технологического газа определим по формуле:
с=
, (5)
где
С(N2) - содержание азота, %об.с=
=274508
м3/ч.
.
Состав газового сырья приведен в табл.8.
.
Состав регенерированного раствора дан в табл.9.
Таблица
8 - Состав газового сырья абсорбера
|
Компонент
|
Содержание в сырье уi′,% (об.)
|
Количество Vсi , м3/ч
|
|
Н2 N2 CO2 Инерты Всего
|
60 20 19 1 100
|
164704,8 54901,6 52156,52 2745,08 274508
|
Таблица 9 - Состав регенерированного водного раствора “Карсол”
|
Компонент
|
Молекулярная масса М, кмоль/кг
|
Содержание сi , масс. доли
|
|
Н2О К2СО3 СО2
|
18 138,2 44
|
0,79 0,2 0,01
|
Рассчитаем состав неочищенного газа.
Содержание компонентов, об. доли:
у′Сi
=
, (6)
где

- объем
i-го компонента неочищенного газа, м3/ч.
у′Н2
=
=0,6 ;
у′N2
=
=0,2 ;
у′CO2=
=0,19 ;
у′ин=
=0,01 .
Количество
каждого компонента, кг/ч:
GCi=
(9);
Н2=
=14705,79 кг/ч; N2=
=68627
кг/ч;CO2=
=102450,3 кг/ч;ин=
=4901,93
кг/ч.
Содержание
компонентов, масс. доли:
уСi
=
; (7)
у
Н2 =
=0,077;
у
N2 =
=0,36;
у
CO2 =
=0,537;
у
ин =
=0,026.
Полученные
результаты заносим в таблицу.
Таблица
10
|
Компонент
|
Мольная масса Мi
|
Количество Vсi , м3/ч
|
Содержание у′Сi, об. доли
|
Количество GCi,
кг/ч
|
Содержание уСi,
масс. доли
|
|
Н2 N2 CO2 инерты Всего
|
2 28 44 40 −
|
164704,8 54901,6 52156,52 2745,08 274508
|
0,6 0,2 0,19 0,01 1
|
14705,79 68627 102450,3 4901,93 190685,02
|
0,077 0,36 0,537 0,026 1
|
Определим количество СО2, содержащееся в конвертированном газе после
очистки, кг/ч:
m’co2=
=1024,5 кг/ч.
Количество
СО2, поглощаемое раствором К2СО3:=
кмоль;
Абсорбер
орошается 20 %-ным водным раствором карбоната калия в количестве 1500 м3/ч.
Переведем
mр-р в кг/ч:
=V(м3/ч)∙с
К2СО3(кг/ м3)=кг/ч , (8)
где
с К2СО3=1174,25 кг/ м3- плотность 20%-ного водного раствора К2СО3 при
температуре входа в аппарат t=50оС; [2]р-р =1500 ∙1174,25 =1761375
кг/ч;(К2СО3)=
кг/ч;
количество
К2СО3 и Н2О необходимое по реакции;К2СО3=
кг/ч;O=
кг/ч;р=318564+41491,8+1024,5=361080,3 кг/ч
Непрореагровавший
раствор:1761375-361080,3 =1400294,7 кг/ч
Рассчитаем
состав регенерированного раствора К2СО3:
=
сi∙ Ар (9)
Н2О=0,79
∙361080,3 =285253,44 кг/ч,К2СО3=0,2∙361080,3 =72216,1 кг/ч,СО2=0,01∙361080,3
=3610,8 кг/ч. [13]
Полученные
данные вносим в таблицу.
Таблица
11 - Расчет состава регенерированного раствора К2СО3
|
Компонент
|
Молекулярная масса М, кмоль/кг
|
Содержание сi ,
масс. доли
|
Количество gi,
кг/ч
|
|
Н2О К2СО3 СО2 Всего
|
18 138,2 44 −
|
0,79 0,2 0,01 100
|
285253,44 72216,1 3610,8 361080,3
|
Азот, водород, могут в заметных количествах растворяться в
воде содержащейся в водном растворе К2СО3. Количество азота, водорода, растворившихся
в единицу времени, м3/ч:
VN2=б N2∙VH2O
; (10)=б
H2∙VH2O
, (11)
где
б N2, б H2 - растворимость азота, водорода, в воде при температуре t нормальном
давлении, м3/м3; О =
=1409,1 м3/ч - объемный расход воды в водном растворе
К2СО3 (учитывая, что сH2О=1000кг/м3); t = 50 оС - температура, при которой
происходит растворение.=0,0113∙1409,1∙
= 13,46 м3/ч ; =0,0161∙1409,1∙
= 19,17 м3/ч.
Расходы
азота, водорода, в очищенном газе равны, м3/ч:
Vо
N2= Vс N2 - V N2, (12)о H2= Vс H2 - V H2, (13)
где
индекс «о» относится к очищенному газу, «с» - к сырому.о
N2=54901,6-13,46=54888,14 м3/ч;о H2= 164704,8-19,17 =164685,63 м3/ч .
Рассчитываем
состав очищенного газа.
Содержание
компонентов (об. доли) считаем по формуле:
у′i
=
, (14)
где
объемы
компонентов очищенного газа, м3/ч.
∑Vi=
м3/ч;
у′Н2
=
=0,74;
у′N2
=
=0,246 ;
у′CO2
=
=0,002 ;
у′инерты
=
=0,012 .
Количество
каждого компонента, кг/ч:
=
(15)
Н2=
=14704,1 кг/ч; N2=
=68610,2
кг/ч; CO2=
=1024,5 кг/ч; Ar =
=4901,93
кг/ч.
Содержание
компонентов, масс. доли:
уСi
=
. (16)
у
Н2 =
=0,16;
у
N2 =
=0,774;
у
CO2 =
=0,011;
у
инерты =
=0,055;
Полученные
результаты заносим в таблицу.
Таблица
12
|
Компонент
|
Мольная масса Мi
|
Количество Vi ,
м3/ч
|
Содержание у′i, об. доли
|
Количество Gi,
кг/ч
|
Содержание уi,
масс. доли
|
|
Н2 N2 CO2 инерты Всего
|
2 25 44 40 −
|
164685,63 54888,14 521,56 2745,08
222840,4
|
0,74 0,246 0,002 0,012 1
|
14704,1 68610,2 1024,5 4901,93 89240,73
|
0,16 0,774 0,011 0,055 1
|
Расход газов, поглощенных раствором К2СО3 , равен, кг/ч:
=УGci - УGi (17)
Gk=190685,02-89240,73=101444,29 кг/ч
Расход насыщенного углекислым газом и другими компонентами водного
раствора К2СО3 равен, кг/ч:
Ан=Ар+ Gk (18)
Ан=361080,3 +101444,29 =462524,59 кг/ч.
Составим таблицу материального баланса абсорбера.
Таблица 13 - Материальный баланс абсорбера
|
Поток, поступающий в абсорбер
|
Количество, кг/ч
|
%
|
Поток, выводимый из абсорбера
|
Количество, кг/ч
|
%
|
|
Неочищенный газ
|
190685,02
|
9,77
|
Очищенный газ
|
89240,73
|
4,35
|
|
Н2
|
14705,79
|
0,75
|
Н2
|
14704,1
|
0,75
|
|
N2
|
68627
|
3,52
|
N2
|
68610,2
|
3,51
|
|
CO2
|
102450,3
|
5,25
|
CO2
|
1024,5
|
0,052
|
|
инерты
|
4901,93
|
0,25
|
инерты
|
4901,93
|
0,25
|
|
Регенерированный раствор К2СО3
|
361080,3
|
18,5
|
Насыщенный раствор К2СО3
|
462524,59
|
23,92
|
|
Непрореагировавший раствор
|
1400294,7
|
71,73
|
Непрореагировавший раствор
|
1400294,7
|
71,73
|
|
Всего
|
1952060,02
|
100
|
Всего
|
1952060,02
|
100
|
Вывод: В результате расчета материального баланса абсорбера был определен
состав очищенного технологического газа от СО2 на выходе из аппарата,
количество регенерированного и насыщенного раствора К2СО3.
.5 Тепловой баланс абсорбера
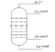
Схема тепловых потоков аппарата представлена на рис.5.
Рисунок 5 - Схема для расчета теплового баланса абсорбера.
Цель расчета: тепловой баланс абсорбера составляется для определения
температуры, при которой очищенный газ выводится из аппарата.
Уравнение теплового баланса абсорбера имеет вид:
+ QAр+Qa=QV+ QAн+ Qп, (19)
Где QVc , QV - количество тепла соответствующего газового потока, кДж/ч;
Qaн - приход тепла с насыщенным абсорбентом, кДж/ч, Qп - потери тепла в
окружающую среду, кДж/ч; QAр- Приход тепла с регенерированным водным раствором
К2СО3.
Расчет прихода теплоты.
. Количество тепла, вносимого в аппарат газовым сырьем при температуре
tc=40оС, равно:
QVc=
Vс ∙ 
∙
tс , (20)
где
Vс - объем газового сырья на входе в аппарат, м3/ч; 
-
средняя объемная теплоемкость газовой смеси кДж/( м3∙К). [8]
.1.
Рассчитаем среднюю теплоемкость газовой смеси при 65оС (338К) в кДж/(кмоль∙К):
c(N2)=
; (21)(H2)=
; (22)
(CO2)=
; (23) (Ar)=
; (24)
где R - универсальная газовая постоянная. (N2)=
кДж/(кмоль∙К); (H2)=
кДж/(кмоль∙К); (CO2)=
кДж/(кмоль∙К); (Ar)=
кДж/(кмоль∙К);
Пересчет
в кДж/(м3∙К) делаем по формуле:

, (25)
где

=22,4
м3/кмоль - объем молярный.(N2)=
кДж/( м3∙К),(H2)=
кДж/( м3∙К),(CO2)=
кДж/( м3∙К),(Ar)=
кДж/( м3∙К).
Рассчитаем
среднюю теплоемкость газовой смеси по правилу аддитивности:

, (26)
где

- объем
компонента в смеси газов, м3/ч; 
-
средняя объемная теплоемкость компонента в смеси газов, кДж/(м3∙К).

=
кДж/(м3∙К).
Вычислим
QVc: QVc= 274508∙1,345∙65=23998861,9 кДж/ч.
Приход
тепла с регенерированным водным раствором К2СО3 равен:
р=Ар∙с∙tа
, (27)
где
Ар - количество регенерированного водного раствора К2СО3, кг/ч; с=0,906 кДж/(кг∙К)
- теплоемкость раствора К2СО3 при температуре tа=50С .р=361080,3 ∙0,906 ∙50=16356937,6
кДж/ч [13].
Количество
тепла, выделяемого в единицу времени при абсорбции СО2 в 20%-ном водном
растворе К2СО3, рассчитываем по формуле:
а=
Gk ∙qа , (28)
где
qа=1675 кДж/кг - теплота хемосорбции СО2 [13];а=105844,42 ∙1675
=177289403,5 кДж/ч.
Выразим
общий приход теплоты.прих=23998861,9 +16356937,6 +177289403,5 =217645203 кДж/ч.
Расчет
расхода теплоты.
.
Расход тепла с насыщенным абсорбентом равен:
QAн=Ан∙с∙tвых , (29)
где с=0,94 кДж/(кг∙К) - теплоемкость насыщенного раствора К2СО3 при
температуре на выходе из аппарата tвых=105оС [13].н=462524,59 ∙0,94∙105=45651177,03
кДж/ч.
Потери теплоты в окружающую среду Qп:п=0,01∙ Qприх , (30)п=0,02∙217645203=4352904,1
кДж/ч.
Расход тепла QV с очищенным газом вычисляется из условия теплового
баланса (19) :=217645203- 45651177,03 - 4352904,1 =167641121,87 кДж/ч.
Это же расход тепла QV можем выразить уравнением:
QV=
V ∙ 
∙
tвых , (31)
где
V - объем очищенного газа на выходе из аппарата, м3/ч; 
-
средняя объемная теплоемкость газовой смеси кДж/( м3∙К) [8].
Температуру
газового потока на выходе из абсорбера определяем по методу итераций
(последовательных приближений)
Для
этого зададимся температурой выхода tвых(прин)=85 оС(358К), вычислим при этой
температуре среднюю теплоемкость очищенного газа по формулам (21) - (24):(N2)=
кДж/(кмоль∙К); (H2)=
кДж/(кмоль∙К); (CO2)=
кДж/(кмоль∙К); (Ar)=
кДж/(кмоль∙К);
Пересчет
в кДж/(м3∙К) делаем по формуле (25):(N2)=
кДж/( м3∙К),(H2)=
кДж/( м3∙К),(CO2)=
кДж/( м3∙К),(Ar)=
кДж/( м3∙К).

=
кДж/(м3∙К).
Определяем
температуру tвых(расч) :вых(расч)=
=583 оС.
Нагрев
газа в аппарате до 583 оС при заданных условиях невозможен. Поэтому примем
температуру К2СО3 на выходе из аппарата tвых=270 оС .
Тогда
расход тепла с насыщенным абсорбентом по формуле (29) равен:н=462524,59 ∙1,67∙270=208552337,6
кДж/ч .
Расход
тепла QV по формуле :=217645203 - 208552337,6- 4352904,1 =24578181,92 кДж/ч.
Снова
зададимся температурой выхода tвых(прин)=85оС (358К), средняя теплоемкость
очищенного газа уже рассчитана 
=1,29
кДж/(м3∙К).
Определяем
температуру tвых(расч) :вых(расч)=
=85,5оС.
Проверим
выполнение условия:

оС. (32)
[85,5-
85,5]≤ 0,5 оС - условие выполняется
Составим таблицу теплового баланса и рассчитаем вклад каждого потока
прихода (расхода) теплоты в общий приход (расход) теплоты.
Таблица 14 - Тепловой баланс абсорбера
|
Приход
|
Расход
|
|
Статья
|
кДж
|
%
|
Статья
|
кДж
|
%
|
|
QVc QAр Qа Всего
|
23998861,9 16356937,6 177289403,5 217645203
|
11,03 7,52 81,45 100
|
QV QAн Qп Всего
|
167641121,87 45651177,03
4352904,1 217645203
|
76,82 21,17 2,01 100
|
Вывод: Самый большой поток в приходе теплоты Qa, так как
абсорбируется большое количество СО2 и высокая теплота хемосорбции. Поток QAн
большой, так как раствор K2CO3 сильно насыщается углекислым газом и частично
азотом, водородом.
2.6 Расчет основного и вспомогательного оборудования
.6.1Расчет абсорбера
Расчёт скорости газа и диаметра абсорбера
Для расчета коэффициентов массоотдачи необходимо выбрать тип
насадки и рассчитать скорости потоков в абсорбере.
Выбираем неупорядоченные насадки:
Насадка: керамические кольца Палля 50х50х5 ;
Свободный объем -
=0,78;
Эквивалентный
диаметр - dэ=0,026 м;
Динамическая
вязкость поглотителя -мx=1,1∙10-3 Па∙с
Удельная
поверхность - a=120 м2/м3;
Коэффициенты
- B=1,04, A = -0,49;[11]- расход газовой фазы L=
кг/с;-
расход жидкой фазы G=
кг/с;=23,15 кг/с Плотность газовой фазы:
, (33)
кг/м3;
Плотность
жидкой фазы:
=1174кг/м3
Предельная
скорость газа в колонне [11] :
, (34)
м/с,
Рабочая
скорость газа:
(35)
м/с,
Диаметр
абсорбера:
=
,
где V0 - объемный расход газа
при условиях в абсорбере , м3/с;=
м
Выбираем dреал=3,4 м,
Действительная рабочая
скорость газа:
(36)
м/с
Плотность орошения и активная
поверхность насадки;
Плотность орошения:
,
м3/(м2∙с),
Минимальная эффективная
плотность орошения:
, (37)
где qэф - эффективная
линейная скорость орошения, м2/с.
Для колец Палля qэф=0,022∙10-3;
м3/(м2∙с)
Активная поверхность насадки:
; (38)
где p, q - справочные данные
для данного типа насадок.
Расчёт коэффициентов
массопередачи
Для газовой фазы:
, (39)
Коэффициент диффузии:
, (40)
м2/с,
Коэффициент массоотдачи в
газовой фазе:
, (42)
м/с,
, (43)
Перевод единиц :
, (44)
, кг/(м2∙с)
Для жидкой фазы:
Приведенная толщина стекающей
пленки:
, (45)
,
, (46)
Коэффициент диффузии:
, (47)
.
, (62)
.
Коэффициент массоотдачи в
жидкой фазе:
, (48)
м/с,
, (49)
Перевод единиц:
, (50)
кг/(м2∙с)
Коэффициент массоопередачи в
газовой фазе:
, (51)
где
- коэффициент распределения -тангенс угла наклона
равновесной линии в относительных массовых концентрациях [11]:
, (52)
,
=0,004 кг/(м2∙с)
Поверхность массопередачи и
высота абсорбера;
Поверхность массопередачи:
, (53)
где M=G∙(Xк-Хн)=489,3∙(0,0042-0,0007)=1,71
кг/с;
м2,
Высота одного слоя насадки:
, (54)
м
Количество абсорберов - 1 шт;
Общая высота одного
абсорбера:
Расстояние от днища до
насадки 1,4 м;
Расстояние от верха насадки
до крышки 2,5 м
м
Гидравлическое сопротивление
Коэффициент сопротивления:
, (55)
Гидравлическое сопротивление
сухой насадки:
, (56)
Па,
Гидравлическое сопротивление
орошаемой насадки:
, (57)
где b - коэффициент,
зависящий от насадки, для колец Палля - 126 [11]
Па
2.6.2 Расчет
вспомогательного оборудования
Расчет
теплообменника.
Определим расход теплоты и расход воды.
Предварительно найдем среднюю температуру воды:
оС
Средняя разность температур.
К.
Средняя температура :
t1 = 42,5 + 103 = 145,5
Найдем расход теплоты с учетом потерь 5%
, (59)
где
с1 - удельная теплоемкость аммиачно-воздушной смеси при Т = 103 К, Дж/(кгК).
Вт
Расход
воды:
, (60)
кг/с
Объемный
расход:
V2 = 0,028 м3/с.
Воду направим в межтрубное пространство, а газ в трубное.
Определим ориентировочное значение площади поверхности
теплообмена, полагая Кор = 100 Вт/(м2/К)
, (79)
м2.
Выбираем
по ГОСТу 14245 - 79 кожухотрубчатый теплообменник с U образными трубами диаметром кожуха 1400 мм, с
трубами 25х2 мм, длинна труб 9 м, число труб 1083 шт., поверхность теплообмена
1160м2 [11].
Скорость и критерий Рейнольдса для воды:
, (61)
где
S - проходное сечение м2.
м/с.
, (81)
Скорость и критерий Рейнольдса для газа:
, (82)
м/с
, (62)
Для
расчета процесса теплопередачи необходимо знать температуры tст1 и tст2. Зададимся значениями tст1 и tст2,
исходя из того, что t1 > tст1 > tст2 > t2, примем tст1 = 36оС tст2 =
20оС (с последующей проверкой).
Коэффициент теплоотдачи для газа (Re1 = 40224,54).
Газ движется в трубном пространстве Re > 10000, поэтому критерий
Нуссельта определим по формуле:
, (63)
где С - коэффициент, зависящий от атомности газа;
el - коэффициент.
Коэффициент
теплоотдачи найдем по формуле:
, (64)
где
l - коэффициент теплопроводности, Вт/(мК).
Вт (м2К).
Коэффициент
теплопроводности для воды (Re2
= 5290).
При Re > 1000 критерий Нуссельта находим по формуле:
, (65)
где
ej - коэффициент, учитывающий влияние угла атаки;, Prст
- критерий Прандтля для жидкости и стенки соответственно.
Критерий
Прандтля для воды определим по формуле:
, (66)
Критерий Прандтля для стенки определим по номограмме Prст = 7.
Коэффициент
теплоотдачи:
Коэффициент
теплопередачи.
, (67)
где
aг, aх - коэффициенты теплоотдачи
горячего и холодного теплоносителей, Вт/(м2К); [11]
Srст - сумма
термических сопротивлений слоев, из которых состоит стенка, (м2К)/Вт.
Вт/(м2К)
Поверхностная плотность теплового потока:
Вт/м2,
(68)
Уточняем значения t ст1,tст2.
t ст1 = t1- Dt1 = t1- q/a1 = 145,5 - 12051/134 = 55,6 оС.
t ст2 = t2- Dt2 = t2- q/a2 = 42,5-12051/952 = 29,8 оС.
Имеем несущественное расхождение между рассчитанными
значениями t ст1 и tст2.
Расчетная площадь поверхности теплопередачи:
, (69)
м2.
С
учетом рассчитанной поверхности теплообмена возьмем теплообменник с
поверхностью теплообмена 961 м2, и трубами длинной 9 м. Проверочный расчет
проводить не надо, так как сечение межтрубного пространства останется таким же.
Запас
составит:
Итак, окончательно имеем: кожухотрубчатый теплообменник (ГОСТ - 15118-79)
с U - образными
трубами диаметром 1200 мм, с трубами 25х2 мм, длинна труб 9 м, число труб 1083
шт., поверхность теплообмена 961 м2 [11].
Расчёт насоса
Расчет диаметра трубопровода.
Примем скорость во всасывающей и нагнетательной линии одинаковой и равной
2 м/с. Тогда диаметр трубопроводов нагнетательной и всасывающей линии будет
одинаковым и рассчитываться по формуле:
, (70)
=
м/с;

м/с.
Выбираем трубопровод по ГОСТу Æ 57´2,5 мм - ВСт.3, с незначительной коррозией. [11]
Расчет потерь на трение и местные сопротивления.
Режим течения определяется по формуле:
, (71)
r = 1174кг/м3;
m = 0,7371 мПа∙с;
> 2320
режим турбулентный.
Средне
значение абсолютной шероховатости стенок труб е = 0,2мм.
Относительная
шероховатость dэ/е = 50/0,2 = 250 . По графику находим значение коэффициента
трения l = 0,0284 [52].
Сумма
коэффициентов местных сопротивлений для всасывающей линии:
∑овс=о1+о2=0,5+0,82=1,32
где о1=0,5 -вход в трубу (с острыми краями);
о2= 0,82 -прямоточный вентиль. Тогда потери на трение и местные
сопротивления определяется формулой:
, (72)
Па
Потери
напора на всасывающей линии рассчитываются по формуле:
, (73)
м.
Сумма
коэффициентов местных сопротивлений для нагнетательной линии:
∑он=о1+о2+о3=1,0+0,82+0,15=1,97
где
о 1= 1,0 - выход из трубы;
о2
= 0,82 - прямоточный вентиль;
о3
= 0,15 - отвод под углом 900 (R0/d=2).
Потери
на трение и местные сопротивления на нагнетательной линии определяется формулой
(93):
Па
Потери
напора на нагнетающей линии рассчитываются по формуле :
м
Общие
потери напора определяются по формуле:
Нп
= Нвс + Нн , (74)
Нп
= 0,62 + 2,14 = 2,76 м
Расчет
полного напора, развиваемого насосом.
Рассчитывается
по формуле:
, (75)
где Н - полный напор, развиваемый насосом, м;
ра - атмосферное давление, Па;
рабс=ра+р2- абсолютное давление, Па (р2-избыточное давление, Па);
Нг - геометрическая высота подачи воды, м;
Нп - общая потеря напора, м.
м
Расчет
мощности, потребляемой двигателем.
Полезная
мощность рассчитывается по формуле:
п
= VrgH, (76)
п
= 0,42·1174·9,81·46,1 = 223кВт.
Для
центробежного насоса средней производительности примем h =hпhдhн = 0,7.
Тогда мощность, потребляемая двигателем насоса, определяется по формуле:
дв
= Nп/h, (77)
дв
= 223/0,6 = 318 кВт
Выбор насоса по ГОСТу.
Устанавливаем, что по заданным производительности и напору следует
выбрать центробежный многоступенчатый секционный насос марки ЦНС 180∙600
, характеристики которого приведены в таблице 15 [11].
Таблица 15 - Характеристики насоса и электродвигателя
|
Марка насоса
|
Q, м3/с
|
Н, м столба жидкости
|
n, с-1
|
hн
|
Nн , кВт
|
|
ЦНС 180∙500
|
5,0∙10-2
|
500
|
50
|
0,72
|
350
|
Определение предельной высоты всасывания.
Для центробежных насосов запас напора, необходимый для исключения
кавитации, рассчитывают по формуле:
Нкав = 0,3·(Qn2)2/3 , (78)
где n-частота вращения вала, с-1.
Нкав = 0,3·(0,05 ·502)2/3 = 7,5 м
Предельная высота всасывания определяется по формуле:
Нвс£ А - ht -
Нвс - Нкав, (79)
где А - атмосферное давление, ht - давление насыщенного пара при
соответствующей температуре [11].= 0,6 мм. вод. ст.
Нвс£ 10,3-
0,6- 0,62 - 1,3 = 7,78 м
Заключение
В ходе выполнения курсовой работы были достигнуты поставленные цели:
проведен расчет процесса абсорбции диоксида углерода раствором “Карсол” в
агрегате получения аммиака.
В ходе курсового проекта проведен анализ литературных источников,
рассмотрены физико-химические основы процесса абсорбции СO2, выбрана
технологическая схема. Проведен расчет процесса абсорбции диоксида углерода
раствором “Карсол” в агрегате получения аммиака.
Выполнен расчет материального и теплового балансов.
Рассчитаны состав газа на выходе из аппарата, его масса и объем, найдена
температура газа на выходе из абсорбера.
Выполнен расчет основного и дополнительного оборудования:
Насадочный абсорбер диаметром 3,4 м и высотой 47,2м. В
качестве насадки используются керамические кольца Пааля размером 50х50х5 мм.
Центробежный многоступенчатый секционный насос марки ЦНС 180∙600.
Кожухотрубчатый теплообменник с U - образными трубами диаметром 1200
мм, с трубами 25х2 мм, длинна труб 9 м, число труб 1083 шт., поверхность
теплообмена 961 м2
Список литературы
1. Производство аммиака / Под ред. В.П. Семенова. - М.:
Химия, 1985. - 368 с.
. Справочник азотчика. Кн. 1. - М.: Химия, 1985. - 404 с.
. Очистка технологических газов / Под ред. Т.А. Семеновой,
И.Л. Лейтеса. - М.: Химия, 1977. - 487 с.
. Материалы семинара по очистке газов от H2S и СО2 абсорбентами на основе метилэтаноламина / Современные
методы очистки газов от сероводорода и диоксида углерода // Химическая
промышленность. - 2002. - №5. - С 7-16.
. Н.И. Елисеева., В.С. Войтик., В.С. Тихонов. Новая
антипенная добавка к щелочным абсорбционным растворам для стадии очистки
конвертированного газа от СО2 // Химическая промышленность. - 1999. - №10.- С
28-29.
6. Малина И.К. Развитие
исследований в области синтеза аммиака. - М., Химия, 1993.- 190 с.
7. Андреев Ф.А., Карган С.И.,
Козлов Л.И., Приставко В.Ф. Технология связанного азота. - М., 2008. - 384 с.
. Кутепов А.М., Бондарева Т.И., Беренгартен М.Г.
Общая химическая технология. - М., Высшая школа, 2000. - 520 с.
9. Патент РФ 2252063, МПК 7
B01D53/14. Способы очистки газовых смесей от диоксида углерода (варианты) и
устройство для очистки газовых смесей от диоксида углерода (варианты)/ Бадалян
Г.П. Гридин И.Д. Гридин Р.И. Еремин В.И.; заявитель
и патентообладатель Закрытое акционерное общество
Научно-производственная компания "Интергаз". - 2004119376/15;
заявл. 28.06.2004; опубл. 28.06.2004. - 14с.
. Синтез аммиака / Под ред. Л.Д. Кузнецова. - М. : Химия,
1982. - 296 с.
. Дытнерский Ю.И, Борисов Г.С, Брыков В.П. Основные процессы
и аппараты химической технологии. - М.: Химия, 2008.-496с.
. Павлов К.Ф., Романков П.Г., Носков А.А. Примеры и задачи по
курсу процессов и аппаратов химической технологии. - Л.: Химия, 1987. - 576с.
13. Кузнецов А.А., Судаков Е.Н. Расчеты основных процессов и
аппаратов переработки углеводородных газов, 1983.- М.: Химия. - 224с.